Für einen individuellen Ausdruck passen Sie bitte dieEinstellungen in der Druckvorschau Ihres Browsers an. Regelwerk |
![]() |
ASR 37/1 - Toilettenräume
Arbeitsstätten-Richtlinie (ASR)
Zu § 37 Abs. 1 der Arbeitsstättenverordnung
Ausgabe Oktober 1977
(ArbSch. 10/77. S. 282;BArbBl. 7-8/1979 S. 65 aufgehoben)
1. Begriffe
Toiletten sind Toilettenbecken oder Hocktoiletten.
Bedürfnisstände sind Becken, Wände, Rinnen oder Stände.
Toilettenräume bestehen aus:
Toiletten für Männer enthalten zusätzlich Bedürfnisstände.
2. Bereitstellung von Toiletten
2.1 Die Zahl der erforderlichen Toiletten und Bedürfnisstände ergibt sich aus der nachstehenden Tabelle nach DIN 18228 Blatt 3:
| Männer | Frauen | |||
| Beschäftigtenzahl | Zahl der Toiletten | Zahl der Bedürfnisstände | Beschäftigtenzahl | Zahl der Toiletten |
| bis 5 | 1 | bis 5 | 1 | |
| bis 10 | 1 | 1 | bis 10 | 1 |
| bis 25 | 2 | 2 | bis 20 | 2 |
| bis 50 | 3 | 3 | bis 35 | 3 |
| bis 75 | 4 | 4 | bis 50 | 4 |
| bis 100 | 5 | 5 | bis 65 | 5 |
| bis 130 | 6 | 6 | bis 80 | 6 |
| bis 160 | 7 | 7 | bis 100 | 7 |
| bis 190 | 8 | 8 | bis 120 | 8 |
| bis 220 | 9 | 9 | bis 140 | 9 |
| bis 250 | 10 | 10 | bis 160 | 10 |
2.2 Ein Toilettenraum sollte nicht mehr als 10 Toilettenzellen und 10 Bedürfnisstände enthalten und
3. Lage der Toilettenräume
Die Toilettenräume bzw. die Toiletten sind unabhängig von Nr. 2 innerhalb einer Arbeitsstätte so zu verteilen, daß sie von ständigen Arbeitsplätzen nicht mehr als 100 m und, sofern keine Fahrtreppen vorhanden sind, höchstens eine Geschoßhöhe entfernt sind. Der Weg von ständigen Arbeitsplätzen in Gebäuden zu Toiletten sollen nicht durchs Freie führen.
4. Beschaffenheit der Toilettenräume
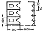
4.1 Bei der Bemessung und Aufteilung von Toilettenräumen hinsichtlich der Toilettenzellen und Bedürfnisstände sind die in Nr. 8 dargestellten Bilder (nach DIN 18228 Blatt 2, Ausgabe November 1960) zugrunde zu legen.
4.2 Die Mindesthöhe der Trennwände und Türen von Toilettenzellen darf nicht weniger als 1,90 m betragen. Bei unvollständig abgetrennten Toilettenzellen darf zwischen Fußboden und der Unterkante der Trennwände oder Türen ein Abstand von 0,10 bis höchstens 0,15 m nicht überschritten werden.
4.3 Bedürfnisstände müssen in Toilettenräumen so angeordnet sein, daß sie vom Zugang aus nicht eingesehen werden können.
4.4 Die Fenster müssen so angeordnet oder beschaffen sein, daß eine Einsicht in den Raum nicht möglich ist.
4.5 Ein Vorraum ist nicht erforderlich, wenn der Toilettenraum nur eine Toilette enthält und keinen unmittelbaren Zugang zu einem Arbeits-, Pausen-, Bereitschafts-, Liege-, Umkleide-, Wasch- oder Sanitätsraum hat.
4.6 Fußböden und Wände müssen aus einem Material bestehen, das sich feucht reinigen läßt (z.B. keramische Fliesen, Kunststoffe).
4.7Toilettenzellen müssen absperrbar sein.
4.8 Toiletten und Bedürfnisstände müssen Wasserspülung haben.
5. Ausstattung der Toilettenräume
5.1 Die Toilettenzellen müssen mit Toilettenpapier, Papierhalter und Kleiderhaken ausgestattet sein.
5.2 In Toilettenräumen muß mindestens ein Abfallbehälter mit Deckel vorhanden sein.
In Toilettenräumen für Frauen müssen bis zu fünf und für je weitere fünf Toilettenzellen mindestens in je einer Toilettenzelle ein Hygienebehälter mit Deckel vorhanden sein diese Zellen sind zu kennzeichnen.
5.3 Im Vorraum von Toilettenräumen muß für je fünf Toiletten oder fünf Bedürfnisstände mindestens ein Handwaschbecken mit fließendem Wasser vorhanden sein. Für mindestens je zwei Handwaschbecken müssen Seifenspender (Seifencremespender, Pulverseifenspender, Seifenmühle, Kippseifenspender) und Einmalhandtücher (Handtuchspender mit Papierhandtüchern, Textilhandtuchautomaten) vorhanden sein. Auch Warmlufthändetrockner können eingesetzt werden.
5.4In oder vor Toilettenräumen ohne Vorraum (s. Nr. 4.5) müssen sich Handwaschbecken sowie Seifenspender und Einmalhandtücher wie unter Nr. 5.3 befinden,
6. Lüftung der Toilettenräume
6.1 Bei natürlicher Lüftung muß in Toilettenräumen mindestens ein freier Querschnitt der Lüftungsöffnungen vorhanden sein:
6.2 Lüftungstechnische Anlagen sind so auszulegen, daß sie in Toilettenräumen einen Luftwechsel von 30 m3/h je Toilette und 15 m3/h je Bedürfnisstand ermöglichen. Insgesamt darf der Luftwechsel das Fünffache des Rauminhalts nicht unterschreiten.
7. Künstliche Beleuchtung der Toilettenräume
Die Nennbeleuchtungsstärke der Beleuchtungseinrichtungen muß in Toilettenräumen mindestens 100 Lux betragen.
8. Bemessung und Aufteilung von Toilettenräumen
| Türanschlag nach außen |
Türanschlag nach innen |
|
| Bild 1: Einbündige Toilettenanlage |
![]() |
![]() |
| Bild 2: Einbündige Toilettenanlage mit gegenüberliegender Bedürfniswand |
![]() |
![]() |
| Bild 3: Einbündige Toilettenanlage mit gegenüberliegendem Bedürfnisständen |
![]() |
![]() |
| Bild 4: Zweibündige Toilettenanlage |
![]() |
![]() |
![]() |
ENDE | ![]() |
(Stand: 27.04.2021)
Alle vollständigen Texte in der aktuellen Fassung im Jahresabonnement
Nutzungsgebühr: ab 105.- € netto
(derzeit ca. 7200 Titel s.Übersicht - keine Unterteilung in Fachbereiche)
Die Zugangskennung wird kurzfristig übermittelt
? Fragen ?
Abonnentenzugang/Volltextversion