Für einen individuellen Ausdruck passen Sie bitte die
Einstellungen in der Druckvorschau Ihres Browsers an.
Regelwerk

Änderungstext

Änderung der Technischen Regeln für Arbeitsstätten (ASR)

Vom 10. April 2014
(GMBl. Nr. 13 vom 10.04.2014 S. 281)


Gemäß Arbeitsstättenverordnung macht das Bundesministerium für Arbeit und Soziales die anliegende vom Ausschuss für Arbeitsstätten (ASTA) beschlossene Änderungen der ASR bekannt:

ASR V3a.2 "Barrierefreie Gestaltung von Arbeitsstätten"
GMBl 2014, S. 281

- Bek. d. BMAS v. 10.4.2014 - IIIb4 - 34602 - 18 -

Die ASR V3a.2 "Barrierefreie Gestaltung von Arbeitsstätten" (GMBl 2012, S. 663, zuletzt geändert GMBl 2013, S. 930) wird wie folgt geändert:

1. Das Inhaltsverzeichnis "Inhalt" wird wie folgt ergänzt: Nach den Angaben 'Anhang A1.3: Ergänzende Anforderungen zur ASR A1.3 "Sicherheits- und Gesundheitsschutzkennzeichnung"' werden folgende Angaben neu eingefügt:

'Anhang A1.7: Ergänzende Anforderungen zur ASR A1.7 "Türen und Tore"'

2. Anhang A1.3: Ergänzende Anforderungen zur ASR A1.3 "Sicherheits- und Gesundheitsschutzkennzeichnung" wird wie folgt geändert:

a) In Absatz 2 wird das Wort "Anlage" gestrichen und durch das Wort "Anhang" ersetzt und im 1. Anstrich werden die Angaben "(z.B. M002 für "Schutzhelm benutzen")" gestrichen und durch die Angaben "(z.B. M014 für "Kopfschutz benutzen")" ersetzt.

b) In Absatz 3 wird die Angabe "Tabelle 2" gestrichen und durch die Angabe "Tabelle 3 " ersetzt und werden die Angaben "(ASR A1.3 Punkt 5.1 Abs. 7; Punkt 7 Abs. 3)" gestrichen und durch die Angaben "(ASR A1.3 Punkt 5.1 Abs. 9; Punkt 7 Abs. 2)" ersetzt.

c) In Absatz 4 werden die Angaben "(ASR A1.3 Punkt 5.1 Abs. 4)" gestrichen und durch die Angaben "(ASR A1.3 Punkt 5.1 Abs. 6)" ersetzt.

3. Nach dem 'Anhang A1.3: Ergänzende Anforderungen zur ASR A1.3 "Sicherheits- und Gesundheitsschutzkennzeichnung"' wird nachfolgender Anhang eingefügt:

"Anhang A1.7: Ergänzende Anforderungen zur ASR A1.7 "Türen und Tore"

(1) Bei den Festlegungen zur Anordnung der Türen und Tore sowie deren Abmessungen sind die besonderen Anforderungen von Beschäftigten mit Behinderungen zu berücksichtigen. Je nach Auswirkung der Behinderung ist insbesondere auf Erkennbarkeit, Erreichbarkeit, Bedienbarkeit und Passierbarkeit zu achten.

(2) Erkennbarkeit wird erreicht, indem Türen für blinde Beschäftigte taktil wahrnehmbar (z.B. taktil eindeutig erkennbare Türblätter oder -zargen) und für Beschäftigte mit einer Sehbehinderung visuell kontrastierend gestaltet sind. Hierbei ist insbesondere auf den Kontrast zwischen Wand und Tür sowie zwischen Bedienelement und Türflügel zu achten.

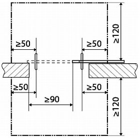
(3) Erreichbarkeit von Drehflügeltüren ist gegeben, wenn für Beschäftigte, die eine Gehhilfe oder einen Rollstuhl benutzen, eine freie Bewegungsfläche sowie eine seitliche Anfahrbarkeit gemäß Abb. 1 gewährleistet wird. Wird die Bewegungsfläche, in die die Tür nicht aufschlägt, durch eine gegenüberliegende Wand begrenzt, muss die Breite der Bewegungsfläche von 120 cm auf 150 cm erhöht werden.

Abb. 1: Freie Bewegungsfläche sowie seitliche Anfahrbarkeit vor Drehflügeltüren (Maße in cm)

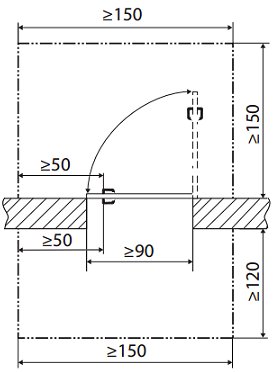
(4) Erreichbarkeit von Schiebetüren ist gegeben, wenn für Beschäftigte, die eine Gehhilfe oder einen Rollstuhl benutzen, eine freie Bewegungsfläche sowie eine seitliche Anfahrbarkeit gemäß Abb. 2 gewährleistet wird. Werden die Bewegungsflächen durch gegenüberliegende Wände begrenzt, muss die Breite der Bewegungsflächen von 120 cm auf 150 cm erhöht werden.

Abb. 2: Freie Bewegungsfläche sowie seitliche Anfahrbarkeit vor Schiebetüren (Maße in cm)

(5) Neben manuell betätigten Karusselltüren ist für Beschäftigte, die eine Gehhilfe oder einen Rollstuhl benutzen und für blinde Beschäftigte eine Drehflügel- oder eine Schiebetür anzuordnen.

(6) Kraftbetätigte Karusselltüren können von Beschäftigten, die eine Gehhilfe oder einen Rollstuhl benutzen, genutzt werden, wenn insbesondere folgende Bedingungen erfüllt sind.

Für blinde Beschäftigte ist neben kraftbetätigten Karusselltüren eine Drehflügel- oder Schiebetür anzuordnen.

(7) Die Anforderungen an Schlupftüren in Torflügeln entsprechen denen an Drehflügeltüren.

(8) Werden Bewegungsmelder als Türöffner verwendet, sind bei deren Betrieb die Belange von kleinwüchsigen (Unterlaufen), blinden (Tastbereich des Langstockes) und gehbehinderten (Gehgeschwindigkeit) Beschäftigten zu berücksichtigen.

(9) Bedienelemente von Türen und Toren, z.B. Türgriffe, Schalter, elektronische Zugangssysteme (z.B. Kartenleser), Notbehelfseinrichtungen (Abschalt- und NOT-HALT-Einrichtungen), "Steuerungen mit Selbsthaltung" (Impulssteuerung) und "Steuerungen ohne Selbsthaltung" (Totmannsteuerung), müssen wahrnehmbar, erkennbar, erreichbar und nutzbar sein.

umwelt-online - Demo-Version


(Stand: 26.04.2021)

Alle vollständigen Texte in der aktuellen Fassung im Jahresabonnement
Nutzungsgebühr: ab 105.- € netto

(derzeit ca. 7200 Titel s.Übersicht - keine Unterteilung in Fachbereiche)

Preise & Bestellung

Die Zugangskennung wird kurzfristig übermittelt

? Fragen ?
Abonnentenzugang/Volltextversion