![]() |
zurück | ![]() |
7 Regelmäßige Prüfung
8 Umgang mit Last
9 Sondereinsätze
10 Verkehrsregelung/ Verkehrswege
| Praktische Ausbildung | Anhang 2 |
1 Einweisung am Flurförderzeug
2 Tägliche Einsatzprüfung
3 Lastaufnahme
4 Gefahrstellen am Flurförderzeug
5 Gewöhnung an das Flurförderzeug
6 Verlassen des Flurförderzeuges
7 Fahr- und Stapelübungen
Hinweis zu den Abmessungen X, Y, Z und den Fahrzeiten:
Die angegebenen Abmessungen und Fahrzeiten sind Richtwerte und gelten für Gabelstapler mit einer Tragfähigkeit von ca. 1,4 t. Für andere Stapler sind diese Werte entsprechend anzupassen.
Nachstehend sind neun Fahr- und Stapelübungen dargestellt:
1. Übung - Gewöhnung an den Gabelstapler - Fahren ohne Last
Vorgezeichneten Kreis oder beliebige Strecke ohne Last abfahren (vor- und rückwärts).
![]()
![]()
Beschreibung:
Betätigen der Stellteile für das Fahrwerk. Vorgezeichneten Kreis langsam ohne Last vor- und rückwärts abfahren. Alternativ ca. 15 m lange, ebene Gerade langsam ohne Last abfahren. Ohne zu wenden Rückwärtsfahrt in gleicher Weise durchführen.
Maße: X: 8,0 m Y: 2,0 m Hinweise:
Langsam beschleunigen, weich abbremsen (Längsstabilität), Geschwindigkeit dem Kurvenradius anpassen (Seitenstabilität). Vor Fahrtrichtungswechsel immer erst vollständig anhalten!
Im Einzelnen:
- Motor in Gang setzen;
- Gabel so weit anheben, dass sie beim Fahren bodenfrei ist;
- Hubgerüst vor Fahrtantritt zurückneigen;
- erst jetzt Handbremse lösen;
- langsam anfahren und allmählich beschleunigen;
- vom Ausgangspunkt aus Rückwärtsfahren in gleicher Weise durchführen
- (beim Rückwärtsfahren in Fahrtrichtung blicken);
- nach Beendigung der Übung Gabel auf Boden vorschriftsmäßig absenken, sodass Hubketten zugentlastet sind
- Handbremse anziehen;
- Motor stillsetzen;
- Schlüssel abziehen.
2. Übung - Gewöhnung an den Gabelstapler - Fahren ohne und mit LastVorgezeichnete Strecke mit mittig aufgestellten Hindernissen (z.B. Verkehrsleitkegel) abfahren. Der Abstand der Hindernisse wird dabei unterschiedlich gewählt. Fahren ohne Last vorwärts, dann rückwärts; anschließend Fahren mit Last vorwärts, dann rückwärts.
![]()
![]()
Beschreibung:
Betätigen der Stellteile für Fahr- und Hubwerk. Ca. 15 m lange, ebene Gerade mit Hindernissen ohne Last vor- und rückwärts abfahren. Anschließend Übung mit Last wiederholen. Als Last wird eine beladene Flach- oder Gitterboxpalette verwendet.
Maße: X: 3,0 m Y: 5,0 m Hinweise für das Aufnehmen und Absetzen einer Last:
Mast senkrecht stellen,
Handbremse lösen,
Gabel in Höhe der Palettenöffnung einfahren,
auf gleichmäßige Beladung der Paletten achten,
Last so weit mit Gabelunterfahren, dass die Last am Gabelrücken anliegt (Vorsicht bei hintereinander stehenden Lasten, z.B. Regal oder Blockstapel).
- Bremse betätigen,
- Last anheben, bis Last bodenfrei,
- Mast zurückneigen,
- Bremse lösen,
- mit aufgenommener Last Übungsstrecke vor- und rückwärts (jeweils in Fahrtrichtung schauen) abfahren,
- wieder an Ausgangspunkt zurückfahren,
- Bremse anziehen
- Mast senkrecht stellen,
- Last absetzen (nicht über Kante absetzen!),
- Bremse lösen,
- Stapler ca. 2 m zurücksetzen (in Fahrtrichtung schauen!),
- Bremse anziehen,
- Gabel vorschriftsmäßig auf Boden abstellen,
- Mast vorneigen, Motor stillsetzen,
- Schlüssel abziehen.
Bemerkung:
Die Teilnehmer werden außerdem darauf aufmerksam gemacht, auch darauf zu achten, dass die Gabelzinken entsprechend der aufzunehmenden Last genügend weit auseinander gezogen werden, um die Stabilität der Last sicherzustellen.
3. Übung - Gewöhnung an den Gabelstapler - Fahren ohne und mit LastKreisförmig aufgestellte Hindernisse (z.B. Verkehrsleitkegel) abfahren. Fahren ohne Last vorwärts, dann rückwärts; anschließend Fahren mit Last vorwärts, dann rückwärts.
![]()
![]()
Beschreibung:
Betätigung der Bedienungseinrichtungen für Fahr- und Hubwerk. Die kreisförmig aufgestellten Hindernisse ohne Last vor- und rückwärts umfahren. Anschließend die Übung mit Last wiederholen.
Maße: X: 3,0 m Y: 8,0 m.
4. Übung - Beherrschung des Gabelstaplers - Kurventechnik - Übung mit LastVor- und Rückwärtsfahren um Hindernissen, die auf zwei parallelen Strecken (Abstand Y) hintereinander im Abstand X aufgebaut sind.
Die Übung wird mit Last durchgeführt.
![]()
![]()
Beschreibung:
Die aufgestellten Hindernisse mit Last in kleinen und großen Kurven vor- und rückwärts umfahren.
Maße: X: 3,0 m Fahrzeiten: vorwärts: 50 s Y: 4,0 m rückwärts: 70 s
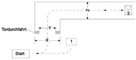
5. Übung - Aufnehmen von Lasten in Gängen - simulierte TordurchfahrtAufnehmen und Stapeln von Lasten in Gängen - Tordurchfahrt;
von einem breiten Gang rechtwinkelig in einen schmalen Gang einbiegen.
![]()
![]()
Beschreibung:
Ohne Last in einen X m breiten und ca. 15 m langen Gang einfahren. Durchfahren einer Y m breiten simulierten Tordurchfahrt, rechtwinkelig in einen Z m breiten Gang einbiegen, Gitterbox- oder Flachpalette im Gangende (Markierung 2) aufnehmen, rückwärts zum Ausgangspunkt zurückfahren (Blick in Fahrtrichtung), Last auf Markierung 1 absetzen, ca. 2 m zurücksetzen und Stapler vorschriftsmäßig abstellen!
Maße: X: 4,0 m Fahrzeit: 60 s Y: 2,0 m Z: 3,0 m Hinweis:
Vor Tordurchfahrt Geschwindigkeit vermindern und hupen! Beim Einbiegen in den rechtwinkeligen Gang auf richtige Fahrweise achten.
6. Übung - Aufnehmen und Stapeln von Lasten (Gitterbox- und Flachpaletten) in einem Gang mit möglichst wenig Fahrbewegungen.
![]()
![]()
Beschreibung:
Flachpalette vorschriftsmäßig aufnehmen, in den Gang einfahren und auf markierter Fläche zwischen zwei Gitterboxpaletten (Nr. 1 und 2) absetzen;
im Gang zurücksetzen, Gitterboxpalette 1 aufnehmen und auf Gitterboxpalette 2 absetzen; zurückfahren und Gabelzinken bis Boden absenken;
Gabelzinken anheben, Gitterboxpalette 1 wieder aufnehmen und neben Flachpalette absetzen;
Flachpalette aufnehmen und rückwärts aus dem Gang herausfahren, Flachpalette vorschriftsmäßig absetzen;
ca. 2 m zurückfahren und Gabelstapler vorschriftsmäßig abstellen.
Maße: X: 5,0 m Fahrzeit: 240 s Y: 15,0 m Hinweise für das Stapeln von Lasten:
- Mit vorschriftsmäßig gesenkter Last bis an den Stapel heranfahren,
- Bremse anziehen (evtl. vorher Gang herausnehmen),
- Hubgerüst senkrecht stellen,
- Last auf Stapelhöhe anheben,
- Bremse lösen,
- Stapler vorsichtig bis in den Stapel einfahren,
- Bremse anziehen
- Last absetzen,
- Bremse lösen,
- zurückschauen,
- Stapler so weit zurücksetzen, dass Gabelzinken ohne Berührung des Stapels abgesenkt werden können,
- Gabel bodenfrei absenken,
- Mast zurückneigen,
- aus dem Gang herausfahren und Stapler vorschriftsmäßig abstellen.
Bemerkung:
Besonders muss darauf geachtet werden, dass vor allen Hub- und Senkbewegungen die Bremse betätigt sowie beim Abstellen die Feststellbremse des Staplers angezogen wird.
7. Übung - Ein- und Ausstapeln an einem Palettenregal
Stapeln und Entstapeln an einem 3,50 m hohen Palettenregal mit 2 Regalflächen (jeweils 2 Flachpaletten können im Regal nebeneinander abgesetzt werden).
![]()
Beschreibung:Ein- und Ausstapeln an einem 3,5 m hohen Palettenregal mit zwei Regalfächern. Jeweils zwei Flachpaletten können im Regal nebeneinander abgesetzt werden. Diese Übung wird mit beladenen Flachpaletten durchgeführt, die aus dem einen Regel in das andere transportiert werden.
Hinweise:
Die Höhe der einzelnen Regalböden lassen sich beispielsweise am Hubgerüst des Gabelstaplers markieren. Sie erleichtern dem Fahrer das Ein- und Auslagern der Ware. Weiter können hierdurch Fehler, z.B. Anstoßen der Gabel an die Regalböden, Beschädigungen der Ware sowie das Herabstoßen von Gütern, leichter vermieden werden.
Hinweise für das Aufnehmen und Absetzen von Lasten siehe Übung 2.
Ausstapeln:
- Mit gesenkter Gabel und zurückgeneigtem Hubgerüst an das Regal heranfahren,
- Bremse anziehen,
- Hubgerüst senkrecht stellen,
- vor dem Regal Gabel auf Stapelhöhe ausfahren,
- Bremse lösen,
- Gabelzinken in die Palette einfahren,
- Bremse anziehen,
- Last anheben,
- Hubgerüst zurückneigen, um die Last zu stabilisieren,
- Bremse lösen,
- Stapler so weit vom Regal langsam zurücksetzen, dass die Last ohne Berührung des Regals abgesenkt werden kann,
- Last bodenfrei absenken,
- vom Regal wegfahren und Last absetzen,
- beim Herausfahren aus der Palette beachten, dass die Palette nicht mitgezogen wird!
8. Übung - Be- und Entladen eines Eisenbahnfahrzeuges über eine markierte Ladebrücke
![]()
![]()
Beschreibung:
Die sechs im Eisenbahnwaggon (= abgegrenzte Fläche) abgestellten Paletten sind auf die Plätze 1 bis 6 zu verteilen und umgekehrt.
Hinweise:
Aufnehmen und Stapeln von Lasten wie in den vorangegangenen Übungen beschrieben. Besondere Vorsicht beim Herausfahren aus dem Waggon (eventuell hupen).
Es ist zu beachten, dass nur vom Unternehmer freigegebene Ladebrücken verwendet werden dürfen, die sicher befahren werden können, d.h., die genügend stark, ausreichend breit und gegen Abrutschen gesichert sind. Auf die BG-Regel "Ladebrücken und fahrbare Rampen" (BGR 233) wird hingewiesen. Während des Ladevorganges müssen Waggons gegen Bewegungen gesichert sein.
9. Übung - Befahren einer schiefen Ebene mit Last
![]()
Beschreibung:Eine schiefe Ebene wird mit Last vorwärts und rückwärts befahren.
Hinweise:
Nach § 12 Abs. 7 der Unfallverhütungsvorschrift "Flurförderzeuge" (BGV D27) müssen mit Gabelstaplern im Gefälle und in Steigungen die Last bergseitig geführt werden.
Bei der Aufwärtsfahrt darauf achten, dass die Sicht nach vorne durch die Last nicht versperrt ist. Gegebenenfalls durch Einweiser helfen lassen oder Spiegel benutzen. Niemals wenden auf Gefällen/Steigungen!
8 Beispiel für Prüfungsfahrt

Beschreibung der Prüfungsfahrt:
Hinweis:
Werden mehrere Personen als Gabelstaplerfahrer geprüft, so sind sie vor Beginn der Prüfungsfahrt darauf hinzuweisen, dass sie für die einzelnen Kandidaten keine Hilfestellungen, z.B. durch Zurufe, abgeben dürfen. Diese Zurufe - wenn auch gut gemeint - verunsichern nur den Kandidaten und machen ihn nervös.
| Vorschriften und Regeln | Anhang 3 |
Nachstehend sind die in dieser BG-Regel aufgeführten Vorschriften und Regeln zusammengestellt:
1. Gesetze, Verordnungen
Arbeitsschutzgesetz ( ArbSchG),
Geräte- und Produktsicherheitsgesetz ( GPSG),
Betriebssicherheitsverordnung ( BetrSichV),
Straßenverkehrs-Zulassungs-Ordnung ( StVZO),
Straßenverkehrs-Ordung ( StVO),
Fahrerlaubnis-Verordnung ( FeV),
Maschinenverordnung ( 9. GSGV),
Arbeitsstättenverordnung ( ArbStättV).
2. Berufsgenossenschaftliche Vorschriften, Regeln und Informationen für Sicherheit und Gesundheit bei der Arbeit sowie Berufsgenossenschaftliche Grundsätze
Unfallverhütungsvorschrift
"Grundsätze der Prävention" (BGV A1),
"Flurförderzeuge" (BGV D27),
"Verwendung von Flüssiggas" (BGV D34),
BG-Regel
"Ladebrücken und fahrbare Rampen" (BGR 233),
BG-Information:
Mein Gabelstapler und ich (BGI 602),
Gabelstaplerfahrer (BGI 545),
Gabelstapler (BGI 707),
Berufsgenossenschaftlicher Grundsatz
für arbeitsmedizinische Vorsorgeuntersuchungen G 25 "Fahr-, Steuer- und Überwachungstätigkeiten" (BGG 904-25),
BG-Grundsatz: Prüfung von Flurförderzeugen (BGG 918).
3. Normen
| DIN EN 1726-1 | Sicherheit von Flurförderzeugen; Teil 1: Motorkraftbetriebene Flurförderzeuge bis einschließlich 10000 kg Tragfähigkeit und Schlepper bis einschließlich 20000 kg Zugkraft, |
| DIN EN 1726-1/A1 | Sicherheit von Flurförderzeugen; Motorkraftbetriebene Flurförderzeuge bis einschließlich 10000 kg Tragfähigkeit und Schlepper bis einschließlich 20000 kg Zugkraft; Teil 1: Allgemeine Anforderungen, |
| DIN EN 1726-2 | Sicherheit von Flurförderzeugen; Teil 1: Zusätzliche Anforderungen für Flurförderzeuge mit hebbarem Fahrerplatz und Flurförderzeuge, die mit angehobener Last fahren können, |
| DIN 15185-2 | Lagersysteme mit leitliniengeführten Flurförderzeugen; Personenschutz beim Einsatz von Flurförderzeugen in Schmalgängen; Sicherheitstechnische Anforderungen, Prüfung, |
| VDI 2198 | Typenblätter für Flurförderzeuge, |
| VDI 2199 | Empfehlungen für bauliche Planungen beim Einsatz von Flurförderzeugen, |
| VDI 3318 | Befahren von Lastenaufzügen mit Flurförderzeugen. |
4. Video/DVD "Der Gabelstapler - ein starker Typ"
Bezugsquelle:
Berufsgenossenschaft Handel und Warendistribution
www.bghw.de
oder
Krassmann Produktion GbR,
Röderbergweg 197, 60385 Frankfurt.
![]() |
ENDE | ![]() |
(Stand: 22.12.2022)
Alle vollständigen Texte in der aktuellen Fassung im Jahresabonnement
Nutzungsgebühr: ab 105.- € netto
(derzeit ca. 7200 Titel s.Übersicht - keine Unterteilung in Fachbereiche)
Die Zugangskennung wird kurzfristig übermittelt
? Fragen ?
Abonnentenzugang/Volltextversion