![]() |
zurück | ![]() |
| Kriterien für die Festlegung von Fristen für die Prüfung kraftbetriebener Maschinen durch befähigte Personen | Anhang 4 |
1. Vorbemerkung
Diese Empfehlung dient zur Konkretisierung von § 3 Abs. 3 der Betriebssicherheitsverordnung.
Mit dieser Empfehlung kann nicht der Umfang der Prüfungen festgelegt werden. Führt die Anwendung dieser Empfehlung zu einer Verlängerung der vom Hersteller vorgegebenen Prüffristen, sind ggf. Haftungsansprüche zu berücksichtigen. Abweichungen sind in diesem Fall nur auf der Basis einer Risikoanalyse zu treffen.
Ferner dürfen die ermittelten Prüffristen nicht dafür herangezogen werden, die vom Maschinenhersteller vorgegebenen Intervalle für Wartung und Instandhaltung zu ändern.
2. Geltungsbereich
Die mit dieser Empfehlung ermittelten Prüffristen beziehen sich auf sicherheitstechnisch relevante Bauteile und Schutzeinrichtungen von Maschinen, z.B.
Diese Empfehlung darf nicht für überwachungsbedürftige Anlagen angewendet werden.
3. Begriffsbestimmungen
Redundante Steuerungen mit Fehlererkennung sind dadurch gekennzeichnet, dass der Ausfall von sicherheitsrelevanten Bauteilen der Steuerung selbsttätig erkannt wird. Ein Fehler führt nicht zum Versagen der Steuerung. Fehler in den Überwachungskreisen müssen nicht erkannt werden.
Steuerungen ohne Fehlererkennung sind dadurch gekennzeichnet, dass sicherheitsrelevante Bauteile sowohl in der Vor- als auch in der Hauptsteuerung nicht überwacht werden. Ein Fehler kann zum Verlust von Sicherheitsfunktionen führen.
Prüfintervall (PI) ist der Zeitraum zwischen zwei Prüfungen durch eine befähigte Person.
Ein Mangel liegt vor, wenn sicherheitsrelevante Bauteile oder Schutzeinrichtungen Sicherheitsfunktionen nicht mehr oder nicht mehr vollständig ausführen können.
Eine unmittelbare Gefährdung liegt vor, wenn durch einen Mangel eine Gefahr im Verzug hervorgerufen wird. Hierbei wird angenommen, dass ein Unfall, der Verletzungen hervorrufen kann, mit hoher Wahrscheinlichkeit durch den Mangel eintritt.
Eine häufige Gefährdungsexposition liegt vor, wenn bestimmungsgemäß zyklisch in den Gefahrbereich eingegriffen wird.
4. Festlegung der Prüfintervalle
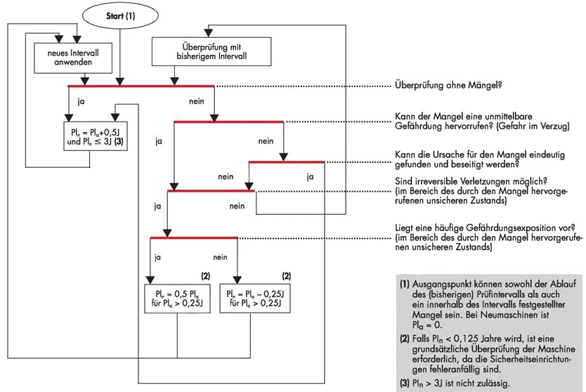
Die Bestimmung der Prüfintervalle kann mit Hilfe der in den Diagrammen festgelegten Abläufe und Kriterien erfolgen. Die ermittelten Prüfintervalle können nur angewendet werden, wenn innerhalb der Intervalle keine wesentliche Nutzungsänderung stattfindet, die Einfluss auf die , Sicherheitsfunktion der Maschine hat. In gleicher Weise können Änderungen der Umgebungsbedingungen die Ergebnisse beeinflussen, die mit Hilfe der Diagramme ermittelt werden.
In den Diagrammen sind die Bestimmungsregeln für die Prüfintervalle wie folgt zu verstehen:
Das Diagramm ist immer nach Ablauf des vorher festgelegten (alten) Prüfintervalls oder bei der Feststellung eines Mangels anzuwenden. Falls beim Durchlaufen des Diagramms zwei Bestimmungsregeln anzuwenden sind, ist als Ausgangswert der zweiten Regel der zuvor berechnete Wert in die nachfolgende Bestimmungsregel einzusetzen.
Die waagerechten
Linien in den Diagrammen stellen Entscheidungsrauten dar, denen Fragestellungen durch punktierte Linien zugeordnet werden. Jede Entscheidungsraute lässt sich mit ja oder nein beantworten.

Abbildung 32: Festlegung von Prüfintervallen
- Maschinen mit redundanter Steuerung mit Fehlererkennung -
Abbildung 33: Festlegung von Prüfintervallen
- Maschinen mit Steuerung ohne Fehlererkennung -

| Sicherheitsabstände nach DIN EN 294:1992 | Anhang 5 |
Abbildung 34: Maßangaben für das Herüberreichen
![]() |
|
Tabelle 4: Sicherheitsabstände für das Herüberreichen
| Höhe des | Höhe der schützenden Konstruktion b1 (Horizontaler Abstand zum Gefahrbereich c4 Maße in mm) |
||||||||
| Gefahrbe- reichs a2 |
1000 | 1200 | 14003 | 1600 | 1800 | 2000 | 2200 | 2400 | 2600 |
| 2600 | -
900 |
-
800 |
-
700 |
-
600 |
-
600 |
-
500 |
-
400 |
-
300 |
|
(Stand: 23.07.2018)
Alle vollständigen Texte in der aktuellen Fassung im Jahresabonnement
Nutzungsgebühr: ab 105.- € netto
(derzeit ca. 7200 Titel s.Übersicht - keine Unterteilung in Fachbereiche)
Die Zugangskennung wird kurzfristig übermittelt
? Fragen ?
Abonnentenzugang/Volltextversion