Für einen individuellen Ausdruck passen Sie bitte die
Einstellungen in der Druckvorschau Ihres Browsers an.
Regelwerk; BGI/GUV-I / DGUV-I

DGUV Information 203-079 - Auswahl und Anbringung von Verriegelungseinrichtungen
Deutsche Gesetzliche Unfallversicherung (DGUV) Information

(Ausgabe 08/2014)



Redaktioneller Hinweis: Berufsgenossenschaften sind gemäß § 210 SGB VII Behörden; ihre amtlichen Veröffentlichungen nach § 15 SGB VII unterliegen gemäß § 5 Abs. 2 UrhG keinem Urheberrechtsschutz.

Zur aktuellen Fassung

Vorbemerkung

Diese Information richtet sich insbesondere an die Konstrukteure von Maschinen und Anlagen sowie an das Wartungspersonal und soll Anregungen und Hinweise für die richtige Auswahl und Anbringung von Verriegelungseinrichtungen für Sicherheitsfunktionen geben, im Folgenden nur Verriegelungseinrichtungen genannt.

Diese Verriegelungseinrichtungen werden üblicherweise zur Stellungsüberwachung von beweglichen trennenden Schutzeinrichtungen, mit und ohne Zuhaltung verwendet.

Bei der Auswahl und Anbringung von Verriegelungseinrichtungen sind eine Reihe von Anforderungen, wie z.B. der Schutz gegen "Umgehen auf vernünftigerweise vorhersehbare Art", zu berücksichtigen. Sie richten sich nach den Angaben in speziellen Normen, wie z.B. der DIN EN ISO 14119 [ 8].

Die Verriegelungseinrichtungen arbeiten unter Verwendung von elektromechanischen Positionsschaltern oder Näherungsschaltern mit oder ohne Zuhaltung. Die gebräuchlichen Bezeichnungen verwendeter Bauteile sind dabei unterschiedlich.

Positionsschalter werden z.B. auch Sicherheitsschalter, Sicherheitsgrenztaster, Endschalter oder Wegfühler genannt. Auch für Teile der Positionsschalter werden unterschiedliche Bezeichnungen verwendet, z.B. Bedienteil, Betätigungsteil, Betätiger, Betätigungsorgan, Stellteil.

Näherungsschalter werden beispielsweise auch als berührungslos wirkende Positionsschalter (BWP) bezeichnet. In der geltenden Produktnorm DIN EN 60947-5-3 [ 7] werden Näherungsschalter für Sicherheitsfunktionen als "Näherungsschalter mit definiertem Verhalten unter Fehlerbedingungen" bzw. als PDDB (proximity devices with defined behaviour under fault conditions) bezeichnet.

Die in dieser Information enthaltenen technischen Lösungen schließen andere, mindestens ebenso sichere Lösungen nicht aus, die auch in technischen Regeln anderer Mitgliedstaaten der Europäischen Union oder anderer Vertragsstaaten des Abkommens über den Europäischen Wirtschaftsraum ihren Niederschlag gefunden haben können.

1 Anwendungsbereich

1.1 Diese Information findet Anwendung auf die richtige Auswahl und Anbringung von Verriegelungseinrichtungen (mit und ohne Zuhaltung) für Sicherheitsfunktionen z.B. in Verbindung mit beweglichen trennenden Schutzeinrichtungen oder sicheren Positionserfassungen.

1.2 Diese Information kann sinngemäß auch Anwendung auf Verriegelungseinrichtungen anderer Technologien finden, z.B. hydraulische oder pneumatische.

1.3 Diese Information findet keine Anwendung auf Schlüsseltransfersysteme sowie berührungslos wirkende Schutzeinrichtungen, wie z.B. Lichtschranken, Lichtvorhänge oder Laserscanner zur Detektion von Personen.

1.4 Wenn Produktnormen für Maschinen und Anlagen (C-Normen) für die Auswahl und Anbringung von Verriegelungseinrichtungen abweichende Anforderungen enthalten, so sind diese vorrangig zu berücksichtigen.

2 Begriffe

2.1 Verriegelungseinrichtung (Verriegelung)

Eine mechanische, elektrische oder sonstige Einrichtung, die den Zweck hat, die Ausführung von gefährdenden Maschinenfunktionen unter festgelegten Bedingungen zu verhindern (im Allgemeinen so lange, wie die bewegliche trennende Schutzeinrichtung nicht geschlossen ist).

2.2 Betätiger

Separates Teil einer Verriegelungseinrichtung, das den Zustand der beweglichen trennenden Schutzeinrichtung (geschlossen oder nicht geschlossen) an das Betätigungssystem überträgt.

Anmerkung:
Eine an der trennenden Schutzeinrichtung befestigte Nocke, ein geformter Betätigungsbügel, ein Magnet, ein RFID-Transponder sind Beispiele von Betätigern.

2.3 Positionsschalter

Hilfsstromschalter, bei dem das Betätigungssystem durch ein sich bewegendes Maschinenteil betätigt wird, wenn dieses Teil eine vorbestimmte Stellung erreicht hat.

2.4 Positionsschalter für Sicherheitsfunktionen

Positionsschalter, der auf Grund vorgegebener Eigenschaften für Sicherheitsanwendungen geeignet ist.

2.5 Zwangsöffnung (eines Schaltgliedes)

Sicherstellung einer Kontakttrennung als direktes Ergebnis einer festgelegten Bewegung des Betätigungsteils des Schalters über nicht federnde Teile.

2.6 Zwangsöffnungsweg

Mindestweg vom Beginn der Betätigung des Betätigungsteils oder -systems bis zur Stellung, in der die Zwangsöffnung beendet ist.

2.7 Zwangsöffnungskraft

Betätigungskraft, die am Betätigungsteil eines Schalters erforderlich ist, um die Zwangsöffnung zu erreichen.

2.8 Näherungsschalter für Sicherheitsfunktionen

Näherungsschalter für Sicherheitsfunktionen sind Positionsschalter mit definiertem Verhalten unter Fehlerbedingungen, bei denen durch Veränderung optischer, magnetischer, elektrostatischer, akustischer oder anderer Felder ein Schaltvorgang ausgelöst wird.

Anmerkung 1:
Die DIN EN 60947-5-3 [ 7] bezeichnet Näherungsschalter für Sicherheitsfunktionen als Näherungsschalter mit definiertem Verhalten unter Fehlerbedingungen.

Anmerkung 2:
Zum Näherungsschalter für Sicherheitsfunktionen gehören die Baugruppen Sensor (aktives Teil), Auswertegerät inklusive den Sicherheitsausgängen (OSSD's) und der Betätiger (festgelegtes Objekt).

2.9 Gesicherter Schaltabstand sao eines Näherungsschalters

Der Abstand von der aktiven Fläche des Sensors, innerhalb dessen das korrekte Erfassen der Anwesenheit des Betätigers unter allen festgelegten Umgebungsbedingungen und Herstellungstoleranzen erreicht wird.

2.10 Gesicherter Ausschaltabstand sar eines Näherungsschalters

Der Abstand von der aktiven Fläche des Sensors, innerhalb dessen das korrekte Erfassen der Abwesenheit des Betätigers unter allen festgelegten Umgebungsbedingungen und Herstellungstoleranzen erreicht wird.

2.11 Definiertes Verhalten eines Näherungsschalters

Die Zustandsänderung der Sicherheitsausgänge in den Aus-Zustand beim Nichtvorhandensein des Betätigers.

2.12 Risikozeit eines Näherungsschalters

Zeitliche Höchstdauer, während der die Sicherheitsausgänge des Näherungsschalters nicht dem definierten Verhalten entsprechen.

2.13 Zuhaltung

Teil einer Verriegelungseinrichtung, deren Zweck es ist, eine bewegliche trennende Schutzeinrichtung in der geschlossenen Position zu halten und die mit der Steuerung so verbunden ist, dass:

2.14 Hilfsentriegelung einer Zuhaltung

Möglichkeit einer manuellen Entsperrung der Zuhaltung mit Hilfe eines Werkzeuges oder eines Schlüssels von außerhalb des Gefahrenbereichs im Falle einer Fehlfunktion.

2.15 Fluchtentriegelung

Möglichkeit des manuellen Entsperrens einer Zuhaltung zum Verlassen des Gefahrenbereichs ohne Hilfsmittel von der Fluchtseite (Gefahrenbereich).

2.16 Notentsperrung

Möglichkeit des manuellen Entsperrens einer Zuhaltung im Gefahrfall ohne Hilfsmittel von der Zugangsseite (außerhalb des Gefahrenbereichs). Das Aufheben der Blockierung und das Wiederherstellen des betriebsbereiten Zustandes muss einen einer Reparatur vergleichbaren Aufwand erfordern.

2.17 Fehlschließsicherung

Konstruktive Eigenschaft einer Zuhaltung, die verhindert, dass das Sperrmittel (z.B. ein Sperrbolzen) bei nicht geschlossener Schutzeinrichtung die Sperrstellung (Zuhaltestellung) einnehmen kann.

2.18 Umgehen auf eine vernünftigerweise vorhersehbare Art

Handlung, durch die die Verriegelungseinrichtung von Hand oder durch Benutzung eines leicht verfügbaren Gegenstandes derart außer Betrieb gesetzt oder umgangen wird, dass die Maschine nicht mehr bestimmungsgemäß oder nur ohne die erforderlichen Sicherheitsmaßnahmen verwendet werden kann.

Anmerkung 1:
Die Definition schließt das Entfernen von Schaltern oder Betätigungselementen mit Hilfe von Werkzeugen, die für den bestimmungsgemäßen Betrieb der Maschine erforderlich oder leicht verfügbar sind (Schraubendreher, Schraubenschlüssel, Sechskantschlüssel, Zangen) ein.

Anmerkung 2:
Leicht verfügbare Gegenstände für ersatzweise Betätigung können sein:

3 Bauarten und Funktionsweisen von Verriegelungseinrichtungen mit und ohne Zuhaltung

3.1 Aufbau und Wirkungsweise

Können Gefährdungen an Maschinen nicht konstruktiv beseitigt oder das damit verbundene Risiko auf ein akzeptables Maß verringert werden, müssen Schutzeinrichtungen verwendet werden. Sehr häufig handelt es sich dabei um bewegliche trennende Schutzeinrichtungen, damit ein Eingriff in den Prozess zu Bedien- oder Servicezwecken möglich ist. Dies können bewegliche Abdeckungen, Türen oder Klappen sein. Es muss sichergestellt sein, dass die gefahrbringenden Maschinenfunktionen verhindert werden, so lange die Schutzeinrichtung nicht geschlossen ist (Schutz vor unerwartetem Anlauf). Beim Öffnen der Schutzeinrichtung müssen Gefahr bringende Maschinenfunktionen stillgesetzt bzw. abgeschaltet werden. Um dies zu erreichen, ist eine Stellungsüberwachung der Schutzeinrichtung erforderlich. Diese Stellungsüberwachung erfolgt beispielsweise durch elektromechanische Positionsschalter oder Näherungsschalter, die mit den sicherheitsrelevanten Teilen der Steuerung zu einer Verriegelungseinrichtung verknüpft sind. Muss die bewegliche trennende Schutzeinrichtung so lange zugehalten bleiben bis das Risiko durch die gefährdenden Maschinenfunktionen nicht mehr besteht, ist zusätzlich eine Zuhaltung erforderlich (siehe Abschnitt 3.5 und 4.5).

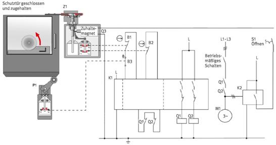
Eine Verriegelungseinrichtung besteht im Allgemeinen aus einem Betätiger, einem Sensor (z.B. elektromechanischer Positionsschalter), ggf. einer Zuhaltung und der sicheren Signalverarbeitung der Verriegelungseinrichtung. Das in Abbildung 1 dargestellte Zusammenwirken von der Schutzeinrichtung, der Stellungsüberwachung mittels Sensor über sicherheitsrelevante Steuerungsteile bis zum Abschalten von Leistungssteuerelementen stellt ein typisches Beispiel für die Wirkungskette einer Sicherheitsfunktion an einer Maschine dar (siehe auch DIN EN ISO 13849-1 [ 9]). Die steuerungstechnische Sicherheitsfunktion wäre hier das sichere Stillsetzen eines Antriebs durch das Abschalten von Leistungssteuerelementen nach dem Öffnen einer trennenden Schutzeinrichtung. Mit welcher Qualität und Zuverlässigkeit dies passieren muss, hängt von der Risikobeurteilung an der potentiellen Gefahrstelle ab.

Abb. 1 Beispiel einer Verriegelungseinrichtung als Teil einer Signalverarbeitungskette

Eine Verriegelungseinrichtung besteht also nicht nur aus einem elektromechanischen Positionsschalter, einem Näherungsschalter oder einer Zuhaltung, sondern aus allen Bauteilen, welche die Stellung einer Schutzeinrichtung überwachen und in Abhängigkeit von dieser Stellung (Schutzeinrichtung geschlossen oder nicht geschlossen) z.B. das Einleiten einer gefährlichen Bewegung zulassen oder sicher verhindern.

3.2 Bauarten von Verriegelungseinrichtungen

Der verwendete Sensor ist ein wesentliches Unterscheidungsmerkmal von Verriegelungseinrichtungen. Je nach verwendetem Sensor werden Verriegelungseinrichtungen wie folgt klassifiziert (siehe DIN EN ISO 14119 [ 8]):

3.2.1 Bauart 1 Verriegelungseinrichtung

Eine Bauart 1 Verriegelungseinrichtung ist eine Verriegelungseinrichtung unter Verwendung von einem oder mehreren Positionsschaltern Bauart 1.

Siehe auch Abschnitt 3.3.1.1.

3.2.2 Bauart 2 Verriegelungseinrichtung

Eine Bauart 2 Verriegelungseinrichtung ist eine Verriegelungseinrichtung unter Verwendung von einem oder mehreren Positionsschaltern Bauart 2.

Siehe auch Abschnitt 3.3.1.2.

3.2.3 Bauart 3 Verriegelungseinrichtung

Eine Bauart 3 Verriegelungseinrichtung ist eine Verriegelungseinrichtung unter Verwendung von einem oder mehreren Positionsschaltern Bauart 3 (unkodierten Näherungsschaltern).

Siehe Abschnitt 3.4.1.1.

3.2.4 Bauart 4 Verriegelungseinrichtung

Eine Bauart 4 Verriegelungseinrichtung ist eine Verriegelungseinrichtung unter Verwendung von einem oder mehreren Positionsschaltern Bauart 4 (kodierten Näherungsschaltern).

Siehe Abschnitt 3.4.1.2.

3.3 Verriegelungseinrichtungen mit elektromechanischen Positionsschaltern

Als Sensoren werden in Verriegelungseinrichtungen sehr oft elektromechanische Positionsschalter zur Stellungsüberwachung einer beweglichen trennenden Schutzeinrichtung verwendet.

Damit ein elektromechanischer Positionsschalter seine Sicherheitsaufgabe erfüllen kann, muss er so konstruiert und an der Schutzeinrichtung angebracht sein, dass beim Öffnen der Schutzeinrichtung eine zwangsweise Unterbrechung eines Stromkreises bewirkt und in dessen Folge ein sicherer Betriebszustand an der Maschine herbeigeführt wird. Nicht jeder Positionsschalter ist für diese Aufgabe geeignet.

Die wichtigste Eigenschaft eines elektromechanischen Positionsschalters für Sicherheitsfunktionen ist die sog. Zwangsöffnung, welche im Abschnitt 3.3.2 näher erläutert wird.

Entsprechend der Risikobeurteilung kann zur Erfüllung der sicheren Funktion einer Verriegelungseinrichtung die Verwendung von zwei Positionsschaltern an einer Schutzeinrichtung erforderlich sein, wobei mindestens einer davon so angebracht sein muss, dass er zwangsöffnend wirkt (siehe hierzu auch Abschnitt 6).

Positionsschalter für Sicherheitsfunktionen dürfen sich nicht auf einfache, vorhersehbare Art in der Form umgehen lassen, dass die Schutzfunktion der Verriegelungseinrichtung eingeschränkt oder gar aufgehoben wird (siehe Abschnitt 5.8).

3.3.1 Bauarten von elektromechanischen Positionsschaltern

3.3.1.1 Positionsschalter Bauart 1 (B1):

Positionsschalter Bauart 1 sind unkodierte, nockenbetätigte Positionsschalter, bei denen Betätiger und Betätigungssystem getrennt, jedoch konstruktiv zueinander passend gestaltet sind.

Die folgenden Abbildungen zeigen Beispiele für Positionsschalter Bauart 1.

Abb. 2 Rollenschwenkhebelschalter

Abb. 3 Kuppenstößelschalter

Abb. 4 Scharnierschalter

Abb. 5 Aufbau Positionsschalter Bauart 1 (Schutzeinrichtung nicht geschlossen)

Abb. 6 Beispiele für Betätigungssysteme an Positionsschaltern Bauart 1 (siehe auch DIN EN 50041 [ 12] und DIN EN 50047 [ 13])

3.3.1.2 Positionsschalter Bauart 2 (B2):

Positionsschalter Bauart 2 sind elektromechanische Positionsschalter mit kodiertem Betätiger, bei dem Betätiger und Betätigungssystem getrennt, jedoch konstruktiv so gestaltet sind, dass sie beim Betätigen funktionell passend zusammengeführt bzw. getrennt werden.

Abb. 7 Beispiel für einen Positionsschalter Bauart 2

Abb. 8 Aufbau Positionsschalter Bauart 2 (Schutzeinrichtung nicht geschlossen)

Abb. 9 Beispiele für Betätiger an Positionsschaltern Bauart 2

3.3.2 Zwangsöffnungsfunktion

Bei elektromechanischen Positionsschaltern für Sicherheitsfunktion werden Schaltelemente eingesetzt, die mindestens einen zwangsöffnenden Kontakt besitzen.

Bei einem zwangsöffnenden Positionsschalter erfolgt die Kraftübertragung von der Schutzeinrichtung über alle mechanischen Teile des Schalters bis zur Öffnung der Schaltkontakte über einen Formschluss. Dies gewährleistet, dass auch im Fehlerfall ("verschweißte" Kontakte, Federbruch, etc.) die Schaltkontakte durch die äußere Kraft geöffnet werden. Abbildung 10 veranschaulicht das Funktionsprinzip.

Die Anforderungen an die Zwangsöffnungsfunktion des Schalters sind in der DIN EN 60947-5-1 [ 5], Anhang K festgelegt. Kraftschlüssige Verbindungen gewährleisten nicht die erforderliche Zwangsöffnung der Schaltglieder. Auch darf das zuverlässige Funktionieren nicht von federnden Elementen abhängen.

Abb. 10 Positionsschalter, Prinzip der Zwangsöffnung

Selbst bei "verschweißten" Kontakten wird
der Öffnerkontakt durch Betätigen des
Schalters zwangläufig geöffnet
(auch wenn er dadurch zerstört wird).
Selbst bei gebrochener Feder wird
der Öffnerkontakt durch Betätigen
des Schalters zwangläufig geöffnet


Abb. 11 Kennzeichen für Schalter mit Zwangsöffnung

Zwangsöffnende Positionsschalter gemäß DIN EN 60947-5-1 [ 5], Anhang K sind mit dem in Abbildung 11 dargestellten Symbol gekennzeichnet.

Der Positionsschalter muss so angebracht werden, dass die zwangsöffnende Wirkungsweise von der beweglichen trennenden Schutzeinrichtung über den Betätiger bis hin zu den Öffnerkontakten des Schalters wirksam werden kann.

3.3.3 Schaltfunktionen von elektromechanischen Positionsschaltern

Schleichschaltelemente zeichnen sich dadurch aus, dass die Geschwindigkeit, mit der sich die Kontaktbrücken bewegen, der Geschwindigkeit entspricht, mit der der Stößel betätigt wird. Abbildung 12 zeigt den Aufbau eines Schleichschaltelementes mit einem Öffner.

Bei Rückstellung (Schließen der Schutzeinrichtung) schließt der Kontakt an gleicher Stelle wie beim Einschalten (keine Weg-Hysterese).

Bei Sprungschaltelementen (siehe Abbildung 13) ist die Geschwindigkeit der Kontaktbrücke, anders als bei den Schleichschaltelementen, von der Betätigungsgeschwindigkeit des Stößels unabhängig. Durch Betätigen des Schaltelementes wird der Stößel nach unten gedrückt. Hat er einen definierten Weg zurückgelegt, erreicht die gespannte Sprungfeder ihren Sprung-Punkt und die Kontaktbrücke ändert schlagartig ihren Zustand.

Im Fehlerfall, also bei "verschweißten" Kontakten oder einer gebrochenen Sprungfeder, stellen die "Ausheber" eine Zwangsöffnung sicher (siehe Abbildung 13 rechts). Da in diesem Fall die Zwangsöffnung nicht durch den Sprung erreicht wird, ist der vom Hersteller angegebene Zwangsöffnungsweg größer als der Weg bis zum Sprung-Punkt.

Das Schaltverhalten von Sprungschaltelementen ist durch eine Schalt-Hysterese gekennzeichnet. Das Schaltwegdiagramm im Abbildung 13 zeigt, dass die Schaltpunkte zwischen Öffnen und Schließen des Öffnerkontaktes beim Vor- und Rücklauf jeweils unterschiedlich sind.

Bedingt durch den Sprungmechanismus ändern die Kontakte ihren Zustand mit hoher Geschwindigkeit. Aufgrund der hohen Schaltgeschwindigkeit sind Sprungschaltelemente auch für Anwendungen mit geringer Betätigungsgeschwindigkeit geeignet.

Abb. 12 Beispiel für einen Positionsschalter Bauart 2

Abb. 13 Zwangsöffnender Schalter mit Sprungfunktion (nur Öffnerkontakt dargestellt) mit Schaltwegdiagramm

Sprungschaltelemente sind anderen Schaltelementen dann vorzuziehen, wenn Öffner und Schließer nahezu gleichzeitig ihren Zustand ändern sollen, so dass Zwischenstellungen ausgeschlossen werden können.

3.4 Verriegelungseinrichtungen mit Näherungsschaltern

Näherungsschalter verwenden Sensoren, die auf Annäherung, d. h. ohne direkten Kontakt, berührungsfrei reagieren. Bei Näherungsschaltern für Sicherheitsfunktionen können nach DIN EN 60947-5-3 [ 7] Sensor und Auswertegerät in einem oder in getrennten Gehäusen untergebracht sein.

Nach DIN EN 60947-5-3 [ 7] gehören zu einem Näherungsschalter für Sicherheitsfunktionen die Baugruppen Sensor (aktives Teil), Auswertegerät inklusive den Sicherheitsausgängen (OSSD's) und der Betätiger (festgelegtes Objekt).

Gegenüber elektromechanischen Positionsschaltern besitzen die Sensoren von Näherungsschaltern keine sich bewegenden Teile. Sie sind wenig anfällig gegen das Eindringen von Staub und Flüssigkeiten und lassen sich leicht reinigen.

3.4.1 Bauarten von Näherungsschaltern

3.4.1.1 Positionsschalter Bauart 3 - unkodierte Näherungsschalter

Der Betätiger kann im einfachsten Fall ein vom Hersteller definierter Werkstoff sein. In diesem Fall muss das versehentliche Betätigen (z.B. durch Materialspäne oder Umwelteinflüsse) sowie das Umgehen auf vernünftigerweise vorhersehbare Art durch konstruktive Maßnahmen wie z.B. einen verdeckten Einbau verhindert werden (siehe auch Abschnitt 5.8).

Abb. 14 unkodierter Näherungsschalter

3.4.1.2 Positionsschalter Bauart 4 - kodierte Näherungsschalter

Der Betätiger ist ein vom Hersteller mitgelieferter und in seinen technischen Eigenschaften (z.B. innerer elektrischer Aufbau, Geometrie) besonders gestalteter Gegenstand.

Abb. 15 Näherungsschalter kodiert mit Reedkontakten

Abb. 16 Näherungsschalter kodiert, Transponderprinzip

3.4.2 Schaltabstände

Bedingt durch unterschiedliche Funktionsprinzipien und Anfahrrichtungen weisen Näherungsschalter unterschiedliche Schaltabstände bzw. Ansprechbereiche auf.

Abbildung 18 zeigt beispielhaft typische Ansprechbereiche eines Näherungsschalters. Bei seitlichem Anfahren muss in diesem Beispiel ein Mindestabstand von smin eingehalten werden, um ein Ansprechen in den dargestellten Nebenkeulen des Magnetfeldes auszuschließen.

Aus dem in Abbildung 17 dargestellten Ansprechbereich ergibt sich für jeden Näherungsschalter ein Abstand vom Sensor sao, innerhalb dessen das korrekte Erfassen der Anwesenheit des Betätigers immer erreicht wird, vorausgesetzt der seitliche Versatz zwischen Sensor und Betätiger ist nicht zu groß (siehe Abbildung 17a).

Sicherheitstechnisch relevant sind die Herstellerangaben über den gesicherten Ausschaltabstand sar, bei dem unter allen festgelegten Umgebungsbedingungen und Herstellungstoleranzen das Schalten der Sicherheitsausgänge in den AUS-Zustand gewährleistet sein muss.

Abb. 17 Beispiel für einen typischen Ansprechbereich eines Näherungsschalters

Abb. 17a Mittenversatz bei einem Näherungsschalter

Abb. 18 Schaltabstände

3.5 Verriegelungseinrichtungen mit Zuhaltungen

Neben der Fähigkeit, die Stellung einer Schutzeinrichtung zu überwachen, besitzt eine Verriegelungseinrichtung mit Zuhaltung zusätzlich eine Vorrichtung zum Blockieren der beweglichen Schutzeinrichtung in der geschlossenen Position. Solange diese Vorrichtung aktiv ist, kann die Schutzeinrichtung nicht geöffnet werden.

Verriegelungseinrichtungen mit Zuhaltung kommen dann zum Einsatz, wenn der Bediener einer Maschine beim betriebsmäßigen Öffnen von verriegelten Schutzeinrichtungen vor noch nicht abgeklungenen Gefährdungen, wie z.B. vor gefährlichen Nachlaufbewegungen geschützt werden muss. Typische Anwendungsfälle sind z.B. zu öffnende Türen, Deckel und Gehäuseteile, nach deren Öffnen nachlaufende Spindeln, Schneid- und Mischelemente, Walzen, Zahnräder oder Ketten zu Verletzungen führen können. Sinnvoll ist aber auch das Zuhalten von Schutzeinrichtungen, bis andere Gefährdungen, wie z.B. berührungsgefährliche Spannungen, Gefahrstoffkonzentrationen usw. abgeklungen sind.

Das Signal zum Entsperren der Zuhaltung kommt von sicherheitsbezogenen Komponenten (z.B. sicherer Stillstandswächter) der Maschinensteuerung. Dieses Signal kann z.B. durch Stillstandswächter oder Zeitglieder generiert werden.

Ein anderer Grund für den Einsatz von Verriegelungseinrichtungen mit Zuhaltung besteht darin zu verhindern, dass der Produktionsprozess zu jedem beliebigen Zeitpunkt durch einen Eingriff des Bedieners unterbrochen werden kann. Dies kann aus verfahrenstechnischen oder auch wirtschaftlichen Gründen unerwünscht sein. Deshalb kommen Verriegelungseinrichtungen mit Zuhaltung u. a. auch dort zum Einsatz, wo keine gefährlichen Nachlaufbewegungen auftreten. Unabhängig davon müssen die Anforderungen an die Verriegelungseinrichtung eingehalten werden.

Die grundsätzliche Wirkungsweise einer mechanisch formschlüssigen Zuhaltung zeigt Abbildung 19. Die Stellung der beweglichen Schutzeinrichtung und die Lage des mechanischen Sperrbolzens werden in diesem Beispiel durch zwangsöffnende Positionsschalter (S1 und S2) überwacht. In der Betriebsart "Antrieb eingeschaltet" ( Abbildung 19a) ist die Schutzeinrichtung geschlossen und die Zuhaltung in Sperrstellung. Beide Positionsschalter S1 und S2 sind nicht betätigt. Die Öffnerkontakte sind geschlossen. Die Schutzeinrichtung kann nicht geöffnet werden.

Wird der Antrieb abgeschaltet ( Abbildung 19b), darf es erst dann möglich sein die Sperrstellung der Zuhaltung aufzuheben, wenn die gefahrbringenden Bewegungen/ Zustände beendet sind. Die Auswahl der zeit- oder bewegungsabhängigen Systeme muss entsprechend der Risikobeurteilung erfolgen. Sobald der Antrieb steht ( Abbildung 19c), und das Freigabesignal gegeben wird, kann die Zuhaltung entsperrt werden. Der Positionsschalter S2 ist betätigt und sein Öffnerkontakt geöffnet. Beim anschließenden Öffnen der Schutzeinrichtung ( Abbildung 19d) wird der Positionsschalter S1 betätigt und dessen Öffnerkontakt ebenfalls geöffnet.

Kann der Sperrbolzen die Zuhalteposition einnehmen ohne dass sich die Schutztür in der geschlossenen Stellung befindet ( Abbildung 19e), ist die Sicherheitsfunktion nur noch durch die Stellungsüberwachung der Schutztür (Schalter S1) gewährleistet.

Es ist zu beachten, dass in Abbildung 19 das Funktionsprinzip einer Zuhaltung nur schematisch dargestellt wird. In der Regel werden Zuhaltungen als fertiges Zulieferteil bezogen.

Ist die Zuhaltung so konstruiert, dass das Sperrmittel ausschließlich bei geschlossener Schutzeinrichtung die "Zuhalteposition" einnehmen kann, so kann auf die Stellungsüberwachung der Schutzeinrichtung verzichtet werden - diese Eigenschaft wird auch als Fehlschließsicherung bezeichnet ( Abbildung 20).

Bei den Zuhaltungen, die zwangsläufig wirkende Kontakte zur Überwachung des Sperrmittels beinhalten, sind die Kontakte, die zur Einbindung in den Sicherheitskreis geeignet sind, in der Dokumentation mit dem in Abbildung 21 dargestellten Symbol gekennzeichnet.

Abb. 19 Funktionsprinzip einer Zuhaltung

Abb. 20 Zuhaltung mit Fehlschließsicherung

Abb. 21 Symbol für Kontakte die zur Stellungsüberwachung des Sperrmittels dienen

Abb. 22 Mechanische Zuhaltung nach dem Ruhestromprinzip

Abb. 23 Mechanische Zuhaltung nach dem Arbeitsstromprinzip

3.5.1 Funktionsprinzipien von Zuhaltungen

3.5.1.1 Mechanische Zuhaltung nach dem Ruhestromprinzip

Eine mechanische Zuhaltung nach dem Ruhestromprinzip ist eine Zuhaltung, bei der eine Schutzeinrichtung durch ein federkraftbetätigtes Sperrmittel in Schutzstellung gehalten wird und die Entsperrung durch Betätigen eines Elektromagneten erfolgt. Diese Zuhaltungen arbeiten nach dem Ruhestromprinzip. Bei Spannungsausfall kann die Schutzeinrichtung nicht unmittelbar geöffnet werden, d. h. die Zuhaltefunktion ist weiterhin gewährleistet. Deshalb sollte dieses Funktionsprinzip aus Sicherheitserwägungen bevorzugt angewandt werden ( Abbildung 22).

3.5.1.2 Mechanische Zuhaltung nach dem Arbeitsstromprinzip

Eine mechanische Zuhaltung nach dem Arbeitsstromprinzip ist eine Zuhaltung, bei der die Schutzeinrichtung durch ein elektromagnetisch betätigtes Sperrmittel in Schutzstellung gehalten wird und die Entsperrung durch Federkraft erfolgt. Diese Zuhaltungen arbeiten nach dem Arbeitsstromprinzip. Bei Spannungsausfall bzw. beim Betätigen des Hauptschalters kann die Schutzeinrichtung unmittelbar geöffnet und in den Gefahrbereich eingegriffen werden. Deshalb dürfen elektromagnetisch betätige Zuhaltungen nur in besonderen, in Abhängigkeit von der Risikobeurteilung begründbaren Fällen, eingesetzt werden ( Abbildung 23).

3.5.1.3 Elektromagnetische Zuhaltung nach dem Arbeitsstromprinzip

Eine elektromagnetische Zuhaltung nach dem Arbeitsstromprinzip ist eine Zuhaltung, bei der die Schutzeinrichtung durch einen Elektromagneten in Schutzstellung gehalten wird und bei der das Entsperren durch stromlos schalten dieses Elektromagneten erfolgt.
Der integrierte Sensor dient zur Stellungsüberwachung der Schutzeinrichtung und ist Bestandteil der Verriegelungseinrichtung.

Abb. 24 Elektromagnetische Zuhaltung nach dem Arbeitsstromprinzip

Diese Zuhaltungen arbeiten nach dem Arbeitsstromprinzip. Bei Spannungsausfall bzw. beim Betätigen des Hauptschalters kann die Schutzeinrichtung unmittelbar geöffnet und in den Gefahrbereich eingegriffen werden. Zuhaltungen nach dem Arbeitsstromprinzip dürfen nur in Abhängigkeit von der Risikobeurteilung begründbaren Fällen eingesetzt werden.

Gegenüber elektromechanischen Zuhaltungen besitzen diese Zuhaltungen keine sich bewegenden Teile. Sie lassen sich leicht reinigen.

Zuhaltungen nach diesem Wirkprinzip erfordern eine permanente Überwachung der Zuhaltekraft. Bei Unterschreitung einer spezifizierten Zuhaltekraft werden die Sicherheitsausgänge abgeschaltet bzw. nicht eingeschaltet ( Abbildung 24).

3.5.2 Zusatzfunktionen

Im Rahmen der Risikobeurteilung durch den Maschinenhersteller kann es notwendig sein, die Zuhaltung manuell entsperren zu können. Dies kann beispielsweise erforderlich sein, um einer eingeschlossenen Person die Flucht aus dem Gefahrenbereich zu ermöglichen oder im Notfall bzw. Fehlerfall den Zugang zum Gefahrenbereich zu ermöglichen.

Die Auswahl und der Einsatz der folgenden Zusatzfunktionen richten sich nach dem konkreten Anwendungsfall oder den Festlegungen einer Produktnorm. Die Betätigung von Hilfsentriegelung, Fluchtentriegelung oder Notentsperrung führen zu einem Öffnen der Kontakte zur Stellungsüberwachung des Sperrmittels. Dabei ist z.B. mit nachlaufenden Maschinenbewegungen zu rechnen.

Die drei aufgeführten Zusatzfunktionen sind ergänzende Schutzmaßnahmen und keine Sicherheitsfunktionen im Sinne der funktionalen Sicherheit.

3.5.2.1 Hilfsentriegelung

Wie schon erläutert, kommen für Sicherheitsanwendungen bevorzugt federkraftbetätigte Zuhaltungen zum Einsatz. Bei Spannungsausfall hat der Bediener also keinen Zugang zum Gefahrenbereich. Aus sicherheitstechnischer Sicht ist das korrekt, aber es kann trotzdem erforderlich sein, eine Schutztür öffnen zu können. Die Hilfsentriegelung ermöglicht eine Freigabe der Zuhaltefunktion unabhängig vom Zustand einer elektrischen Entsperrvorrichtung durch manuelle Betätigung mit einem Werkzeug oder Schlüssel.

3.5.2.2 Fluchtentriegelung

Ist der Gefahrenbereich hinter der Schutzeinrichtung begehbar, kann die Zuhaltung mit einer manuell zu betätigenden Fluchtentriegelung versehen werden. Die Fluchtentriegelung ermöglicht ein Aufheben der Zuhaltefunktion von der Fluchtseite (Gefahrenbereich) ohne Hilfsmittel, z.B. nach einem unbeabsichtigten Zufallen der Tür.

3.5.2.3 Notentsperrung

Wenn entsprechend Risikobeurteilung ein schnelles Eingreifen von außen in den Gefahrbereich erforderlich ist, kann man Zuhaltungen mit einer Notentsperrung einsetzen. Die Notentsperrung ermöglicht das Öffnen der Schutzeinrichtung ohne weitere Hilfsmittel wie Werkzeug oder Schlüssel, wie der Name es schon sagt, im sog. Notfall. Dies kann z.B. für den schnellen Zugang von Rettungskräften oder der Feuerwehr bei ausgeschalteter Anlage erforderlich sein. Hierbei ist zu beachten, dass die Notentsperrung so konstruiert ist, dass nach deren Betätigung der bestimmungsgemäße Weiterbetrieb der Zuhaltung blockiert ist. Das Aufheben der Blockierung und das Wiederherstellen des betriebsbereiten Zustandes müssen einen einer Reparatur vergleichbaren Aufwand erfordern. Damit soll ein missbräuchliches Außerkraftsetzen der Zuhaltefunktion im normalen Betrieb einer Maschine erschwert werden.

4 Auswahl von Verriegelungseinrichtungen

4.1 Allgemeines

Ergibt sich aus der Risikobeurteilung nach DIN EN ISO 12100 [ 2] oder auf Grund einer Produktnorm die Notwendigkeit des Einsatzes einer beweglichen trennenden Schutzeinrichtung zur Risikoreduzierung, so ist eine geeignete Verriegelungseinrichtung auszuwählen.

Dabei sind u. a. folgende Kriterien zu berücksichtigen:

Die detaillierten Auswahlkriterien sind in den folgenden Abschnitten beschrieben.

Die Anforderungen an elektromechanische Positionsschalter sind in DIN EN 60947-5-1 [ 5] sowie den berufsgenossenschaftlichen "Grundsätzen für die Prüfung und Zertifizierung von zwangsöffnenden Positionsschaltern" (GS-ET-15 [ 19]), die Anforderungen an Zuhaltungen in "Grundsätze für die Prüfung und Zertifizierung von Verriegelungseinrichtungen mit elektromagnetischen Zuhaltungen" (GS-ET-19 [ 20]) geregelt.

Die Anforderungen an Näherungsschalter für Sicherheitsfunktionen sind in DIN EN 60947-5-3 [ 7] sowie den berufsgenossenschaftlichen "Zusatzanforderungen für die Prüfung und Zertifizierung von Näherungsschaltern für Sicherheitsfunktion" (GS-ET-14 [ 18]) festgelegt.

Es wird empfohlen, sich vom Hersteller die Einhaltung der Bauanforderungen durch eine Baumusterprüfbescheinigung einer akkreditierten Stelle bestätigen zu lassen.

4.2 Auswahlkriterien - Überblick

Kriterien bei der Auswahl von Verriegelungseinrichtungen sind z.B.:

zusätzlich für Näherungsschalter:

zusätzlich für Zuhaltungen:

4.3 Umgebungsbedingungen

Verriegelungseinrichtungen müssen allen vorhersehbaren Umgebungseinflüssen während ihrer Lebensdauer standhalten.

Dazu gehören z.B. Einflüsse wie Temperatur, Staub, Feuchtigkeit, Korrosion durch Salze, Säuren oder Laugen, Schwingungen und Stöße, mechanische Festigkeit und elektromagnetische Einflüsse.

In Bereichen mit besonderen Reinheits- oder Hygieneanforderungen sind ggf. Bauart 3 und 4 Verriegelungseinrichtungen besser geeignet als solche der Bauart 1 oder 2.

4.3.1 Schutzart

Der Schutz der Verriegelungseinrichtungen gegen Eindringen von festen Fremdkörpern und Flüssigkeiten muss angemessen sein. Dabei sind die äußeren Einflüsse, unter denen der Schalter betrieben wird (z.B. Staub, Kühlmittel und Metallspäne), zu berücksichtigen.

Für bestimmte Umgebungsbedingungen können Mindestschutzgrade normativ festgelegt sein.

Die in Tabelle 1 angegebenen Mindestschutzgrade gelten nur für elektrische Einbauräume.

Eine Kennzeichnung mit der zweiten Kennziffer "7 oder 8" (z.B. IP 67) bedeutet nicht, dass auch zwangsläufig die Anforderungen an die Schutzarten mit der zweiten Kennziffer "5 oder 6" (z.B. IP 65) erfüllt werden. D. h. dass eine Verriegelungseinrichtung mit der Schutzart IP X7 oder IP X8 nicht abgespritzt werden darf (z.B. mit Schlauch oder Hochdruckreinigungsgerät). In einem solchen Fall sind zusätzliche Schutzmaßnahmen zu treffen. (Nähere Informationen zu den Schutzarten siehe DIN EN 60529 [ 15].)

4.3.2 Verschmutzung am Einbauort von Bauart 2 Verriegelungseinrichtungen

Beim Einsatz von Bauart 2 Verriegelungseinrichtungen ist die mögliche Verschmutzung am Einbauort des Positionsschalters zu berücksichtigen. Da der Betätiger in das Schaltergehäuse eingeführt wird, weist dieses technologiebedingt eine Öffnung auf, in die auch Schmutz eindringen kann. Die angegebene Schutzart IP XX (vgl. Abschnitt 4.3.1) bezieht sich ausschließlich auf den elektrischen Einbauraum. Durch starke Verschmutzung der bewegten mechanischen Teile können Reibungskräfte entstehen, die zur Zerstörung der Mechanik und zu einem gefährlichen Ausfall des Schalters führen können.

Für Anwendungen, bei denen das Eindringen von Partikeln, Spänen oder Stäuben insbesondere in Verbindung mit Luftfeuchtigkeit nicht verhindert werden kann, können Bauart 2 Verriegelungseinrichtungen ungeeignet sein (Herstellerangaben beachten). Dies kann z.B. zutreffen auf den Einsatz in Kalksandsteinwerken, bei der Pulverlackierung, in der Lebensmittelbe- und -verarbeitung, in der spanabhebenden Holz- und Metallbearbeitung. Für diese Anwendungsfälle können z.B. Bauart 3 oder 4 Verriegelungseinrichtungen besser geeignet sein.

4.4 Zwangsöffnung bei Bauart 1 und 2 Verriegelungseinrichtungen

4.4.1 Zwangsöffnungsweg

Der Zwangsöffnungsweg, der vom Hersteller angegeben wird, ist der Mindestweg vom Beginn der Betätigung des Betätigungssystems bis zu der Stellung, in der die Zwangsöffnung der öffnenden Kontakte beendet ist. Dies ist der Fall, wenn die Kontaktöffnungsweite einen Mindestwert erreicht hat, der für die Unterbrechung eines Stromkreises als sicher gilt. Bei der Auswahl ist zu berücksichtigen, dass der Zwangsöffnungsweg immer erreicht ist, sobald die Schutzeinrichtung nicht mehr in Schutzstellung ist (siehe auch Abbildung 12).

4.4.2 Schleichschaltfunktion und Sprungschaltfunktion

Es gibt zwei verschiedene Funktionsprinzipien, die Schleichschaltfunktion und die Sprungschaltfunktion (siehe Abschnitt 3.3.3).

Tabelle 1: Beispiele für Mindestschutzgrade

Allgemeine industrielle Anwendungen IP 32, IP 43 und IP 54
Baustellenbereiche IP 54
Bereiche, in denen mit Niederdruck-Wasserstrahl gereinigt wird IP X5
Anwendungen, die Schutz gegen feinen Staub erfordern IP 6X


Sprungschaltelemente sind anderen Schaltelementen dann vorzuziehen, wenn z.B.

Bei der Auswahl von Positionsschaltern ist auf die Herstellerangaben hinsichtlich Schaltwegdiagrammen und Betätigungswegen zu achten.

4.5 Notwendigkeit einer Zuhaltung

Die Notwendigkeit einer Zuhaltung ergibt sich aus der Nachlaufzeit einer gefahrbringenden Maschinenfunktion und der benötigten Zugangszeit einer Person.

Die Nachlaufzeit ist das Zeitintervall zwischen dem Einleiten des Stoppbefehls durch das Öffnen einer trennenden Schutzeinrichtung und der Beendigung der gefahrbringenden Maschinenfunktion. Dabei gehen alle Reaktionszeiten der Verriegelungseinrichtung, sonstiger Teile der Steuerung und die Anhaltezeit bis zur Beendigung der gefährdenden Maschinenfunktion ein.

Die von einer Person benötigte Zeit zur Erreichung des Gefährdungsbereiches nach Auslösen des Stoppbefehls durch die Verriegelungseinrichtung wird Zugangszeit genannt.

Wenn die Nachlaufzeit (TN) des gesamten Systems größer oder gleich der von einer Person zum Erreichen der Gefahrenzone benötigten Zugangszeit (TZ) ist, muss eine Verriegelungseinrichtung mit Zuhaltung verwendet werden (siehe Abbildung 25).

Die Zugangszeit kann aus dem Abstand zwischen Gefahrenzone und trennender Schutzeinrichtung zusammen mit der Annäherungsgeschwindigkeit des Körperteils berechnet werden (für nähere Erläuterungen zu Berechnungsmethoden siehe DIN EN ISO 13855 [ 14], Abschnitt 9).

Anmerkung:
Vielfach werden Zuhaltungen eingesetzt, um einen Arbeitsprozess nicht unnötig zu unterbrechen (Prozessschutz).
Anforderungen an den Personenschutz bezüglich der Zuhaltung müssen in diesem Fall nicht berücksichtigt werden. Die Anforderungen an die Stellungsüberwachung der Schutzeinrichtung müssen jedoch eingehalten werden.

4.6 Zuhaltekraft von Zuhaltungen

Eine Zuhaltung muss so ausgewählt werden, dass sie den zu erwartenden Kräften widersteht. Zieht eine erwachsene Person an einer Schutztür, treten üblicherweise Kräfte bis zu 1000 N auf. Die Spitzenwerte hierbei können im Einzelfall sogar bei bis zu 1300 N (siehe auch DIN EN ISO 14119 [ 8], Anhang I) liegen.

Abb. 25 Notwendigkeit einer Zuhaltung

Die erforderlichen Zuhaltekräfte sind entweder in der entsprechenden C-Norm aufgeführt oder müssen durch den Konstrukteur nach einer Risikobeurteilung beispielsweise unter Berücksichtigung des Bedienpersonals, der Formgebung von Griffen usw. festgelegt werden.

Anmerkung:
Die zu erwartenden Kräfte beinhalten keine Manipulationsversuche mit schweren Hilfsmitteln wie beispielsweise Brecheisen.

Bei der Ermittlung der Kräfte müssen auch Hebelkräfte zwischen der Zuhaltung und dem Kraftansatzpunkt sowie dynamische Effekte wie z.B. Prellen berücksichtigt werden.

Sind die zu erwartenden Kräfte bekannt, kann damit eine geeignete Zuhaltung ausgewählt werden. Der Hersteller der Zuhaltung muss die Zuhaltekraft in den technischen Unterlagen und auf dem Typschild angeben.

Besonderheit bei elektromagnetischen Zuhaltungen:

Elektromagnetische Zuhaltungen für Sicherheitsfunktionen müssen so konstruiert sein, dass die Zuhaltekraft überwacht wird. Wird eine Mindestzuhaltekraft während des Prozesses unterschritten, muss ein "Stopp-Signal" erzeugt werden.

Im Gegensatz zu einer mechanischen Zuhaltung führt ein gewaltsames Öffnen nicht zu einer Zerstörung mit dem dann erforderlichen Reparaturaufwand. Um die Motivation für ein gewaltsames Öffnen bei elektromagnetischen Zuhaltungen zu reduzieren, wird eine dem Reparaturaufwand vergleichbare Maßnahme notwendig. Dies kann eine Sperrzeit von mindestens 10 Minuten sein, in welcher ein erneuter Anlauf der Maschine nicht möglich ist, oder der Einsatz einer gleichwertigen Maßnahme.

4.7 Risikozeit bei Näherungsschaltern

Wird der Betätiger vom Sensor entfernt, so gibt es technologiebedingt zwischen dem korrekten Erfassen der Abwesenheit des Betätigers und dem Aus-Zustand der Ausgangsschaltelemente eine Reaktionszeit. Diese muss in der Nachlaufzeit des Gesamtsystems berücksichtigt werden.

Bei Bauart 3 und 4 Verriegelungseinrichtungen kann diese Reaktionszeit Werte > 300 ms erreichen. Während dieser Zeit entsprechen die Ausgangsschaltelemente nicht dem definierten Verhalten. Die Höchstdauer dieser Zeit wird deshalb Risikozeit genannt und muss bei Näherungsschaltern vom Schalterhersteller angegeben werden.

Abb. 26 Näherungsschalter mit Sensor (1), Sicherheitsausgängen (2) und Auswertegerät (3)

4.8 Abstimmung von Komponenten bei Verriegelungseinrichtungen mit Näherungsschaltern

Ein nach DIN EN 60947-5-3 [ 7] gebauter Näherungsschalter besteht, wie in Bild 26 dargestellt, aus einem Sensor mit Betätiger (1) und dem Auswertegerät (3) mit den Sicherheitsausgängen (2). Diese Komponenten sind vom Hersteller technisch aufeinander abgestimmt und werden mit den notwendigen Benutzerhinweisen ausgeliefert.

Achtung:
Werden Sensor und Auswertegerät einzeln, aber vom gleichen Hersteller bezogen, sind diese in der Regel technisch aufeinander abgestimmt, wobei immer die Hinweise der Benutzerinformation zu berücksichtigen sind. Werden Sensor und Auswertegerät getrennt und von verschiedenen Herstellern bezogen, ist diese Abstimmung nicht automatisch gegeben. In diesem Fall ist der Anwender, der die einzelnen Komponenten zu einem Sicherheitsbauteil zusammenfügt, für die Einhaltung der Normanforderungen verantwortlich. Dies betrifft z.B. die Kompatibilität der Signalpegel, den PL nach DIN EN ISO 13849-1 [ 9] oder die Ermittlung der Risikozeit, welche nur im Zusammenspiel aller Komponenten ermittelt werden kann.

Insbesondere bei Näherungsschaltern mit Reedkontakten, können unterschiedliche Signalpegel oder nicht aufeinander abgestimmte Ströme zu Beschädigungen am Sensor und damit zum Ausfall der Verriegelungseinrichtung führen.

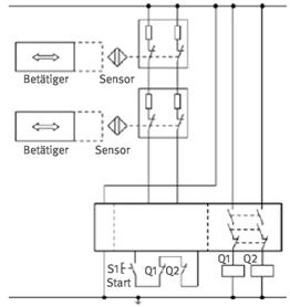
4.9 Kaskadierung von Näherungsschaltern in Verriegelungseinrichtungen

Bei der Kaskadierung von Näherungsschaltern ( Abbildung 27) mehrerer Schutzeinrichtungen besteht das Risiko der Überdeckung eines vom Auswertegerät bereits erkannten Einzelfehlers in der zweikanaligen Signalverarbeitung. Dies kann unbemerkt durch das Öffnen und Schließen einer anderen Schutzeinrichtung mit intaktem Positionsschalter erfolgen. Ein weiterer Fehler kann dann zum Versagen der Verriegelung führen.

Sofern die Risikobeurteilung ergibt, dass die Fehlerüberdeckung ein nicht akzeptables Risiko darstellt, sind zusätzliche Fehler erkennende Maßnahmen erforderlich, z.B.:

Abb. 27 Kaskadierung von Näherungsschaltern

4.10 Technische Unterlagen

Technische Unterlagen, wie z.B. Kataloge, Benutzerinformationen, Montageanleitungen oder auch Typschilder enthalten wichtige Angaben für die Auswahl von Verriegelungseinrichtungen.

4.10.1 Benutzerinformationen

Für den Einsatz von Verriegelungseinrichtungen für Sicherheitsfunktionen sind die Benutzerinformationen (Technische Daten, Montageanleitungen, Anschlussanleitungen) zu beachten.

Neben Angaben zu den unter Abschnitt 4.2 genannten Auswahlkriterien sind insbesondere folgende Herstellerangaben zu beachten:

zusätzlich für Näherungsschalter:

zusätzlich für Zuhaltungen:

Zusätzlich bei Kombination von Sensor und Auswertegerät unterschiedlicher Hersteller:

4.10.2 Aufschriften

Es dürfen nur Verriegelungseinrichtungen verwendet werden, die mit deutlich erkennbaren und dauerhaften Aufschriften und Kennzeichnungen versehen sind. Aufschriften und Kennzeichnungen dürfen durch Überlackierung nicht unlesbar gemacht werden.

Abb. 28 Beispiel eines Typschildes für eine Zuhaltung

5 Anbringung

Um Gefahrenbereiche richtig absichern zu können, ist eine gewissenhafte und korrekte Anbringung der Verriegelungseinrichtungen unerlässlich. Dabei müssen die Ergebnisse der Risikobeurteilung berücksichtigt werden. Die Norm DIN EN ISO 14119 [ 8] gibt weitere Hinweise und Beispiele für die Anbringung von Verriegelungseinrichtungen.

Bei vielen Ausführungsformen von Verriegelungseinrichtungen sind Sensor und Auswertegerät, in getrennten Gehäusen untergebracht. Ist dies der Fall, beziehen sich die nachfolgenden Anbringungskriterien hauptsächlich auf den Sensor sowie den dazugehörigen Betätiger. Das Auswertegerät ist dann in der Regel in einem Schaltschrank installiert.

Selbst bei einer korrekten Auswahl und Anbringung einer Verriegelungseinrichtung kann nicht auf eine vorbeugende Instandhaltung verzichtet werden. Die Angaben der Benutzerinformation bezüglich der Wartung sind zu berücksichtigen.

5.1 Anbringungskriterien

Kriterien für die richtige Anbringung von Verriegelungseinrichtungen sind z.B.:

5.2 Sichern gegen Lageänderung (Fixierung)

Verriegelungseinrichtungen müssen justiert und in ihrer endgültigen Position fixiert werden können.

Zum Sichern gegen Lageänderung von Sensor und Betätiger sind beim Einbau geeignete Befestigungen vorzusehen, z.B. durch

Bei der Befestigung mittels Langlöchern sind zusätzliche Maßnahmen zur Fixierung erforderlich.

Es müssen Maßnahmen gegen Selbstlockern der Befestigungen vorgesehen werden.

Abb. 29 Beispiele für mögliches Sichern gegen Lageänderung

Abb. 30 Beispiel für mögliches Sichern eines Betätigers gegen Lageänderung

5.3 Funktionsrichtige Anbringung von Positionsschaltern

Abbildung 31 zeigt eine unzulässige Anordnung eines Positionsschalters Bauart 1. Er ist bei geöffneter Schutzeinrichtung nicht betätigt (keine Zwangsöffnung) und leicht umgehbar. Eine versehentliche Betätigung ist möglich. Abbildung 32 zeigt die funktionsrichtige Anbringung eines Positionsschalters Bauart 1. Die Öffnung der Kontakte erfolgt zwangläufig.

An Schutzeinrichtungen mit Drehgelenken kann die Stellungsüberwachung entweder direkt am Drehpunkt oder an der Schließkante erfolgen.

Bauart 1 Verriegelungseinrichtungen dürfen nicht an der Schließkante verwendet werden (siehe Abbildung 33), da dies keine funktionsrichtige Anbringung darstellt. Am Drehpunkt angebracht (siehe Abbildung 34) erschweren Positionsschalter Bauart 1 die Manipulation. Scharnierschalter sind speziell für die Anbringung am Drehpunkt vorgesehen (siehe Abbildung 35).

Falls die Gefahr besteht, dass bei Türen, Klappen und Deckeln mit großen Abmessungen bereits durch die beim Öffnen entstehenden Spalten zu den Gefahrstellen durchgegriffen werden kann, ist ein Positionsschalter Bauart 1 ungeeignet. Geeignet sind für diesen Fall Positionsschalter Bauart 2 oder Bauart 4, die auch an der Schließkante angebracht werden können (siehe Abbildung 36).

Abb. 31 Unzulässige Anordnung eines Positionsschalters Bauart 1 an einem Schiebeschutzgitter

Abb. 32 Funktionsrichtige Anordnung eines Positionsschalters Bauart 1

Abb. 33 Unzulässige Anbringung eines Positionsschalters Bauart 1

Abb. 34 funktionsrichtige Anbringung am Drehpunkt

Abb. 35 Bsp. Scharnierschalter

Abb. 36 Stellungsüberwachung einer Schutzeinrichtung an der Schließkante

Abb. 37 Positionsschalters Bauart 2 an einer abnehmbaren Schutzeinrichtung

Abb. 38 Näherungsschalter an einer abnehmbaren Schutzeinrichtung

Werden Näherungsschalter in Verriegelungseinrichtungen für Sicherheitsfunktionen direkt an Schließkanten angebracht, sind solche mit kodiertem Betätiger zu verwenden.

Die Stellungsüberwachung an abnehmbaren Schutzeinrichtungen darf nicht durch Bauart 1 Verriegelungseinrichtungen realisiert werden (unzulässige Anbringung, Manipulation). Abbildung 37 zeigt beispielhaft eine abnehmbare Schutzhaube unter Verwendung einer Bauart 2 Verriegelungseinrichtung. Die abnehmbare Schutzeinrichtung muss so gestaltet sein, dass diese beim Schließen geführt wird und der Betätigung des Positionsschalters voreilt. Dabei sollten die Betätiger so angebracht sein, dass sie bei abgenommener Schutzhaube vor Beschädigung geschützt sind.

Bei der Verwendung von Näherungsschaltern ist bei abnehmbaren Schutzeinrichtungen darauf zu achten, dass durch die Anbringung des Betätigers und/oder durch konstruktive Maßnahmen (z.B. Führungen) ein Betätigen des Sensors lediglich in der vorgesehenen Schutzstellung möglich ist. Ist dies konstruktiv nicht möglich, sind z.B. zwei Schalter zu verwenden (siehe Abbildung 38).

5.4 Schutz gegen Beschädigung und Überfahren

Verriegelungseinrichtungen sind so anzuordnen, dass sie beim Anfahren nicht beschädigt werden können. Sie dürfen nicht als mechanischer Anschlag verwendet werden, sofern sie nicht dafür vorgesehen sind. Wenn erforderlich, ist ein separater Anschlag anzubringen (siehe Abbildungen 39 bis 41).

Bei Bauart 1 Verriegelungseinrichtungen ist die Höhe des Steuerlineals oder des Nockens kleiner als der gesamte Schaltweg im Schalter zu wählen, damit keine mechanische Belastung des Schalters oder seiner Befestigung erfolgt.

Abb. 39 Beispiel für die unzulässige Verwendung eines Positionsschalters Bauart 2 als mechanischer Anschlag

Abb. 40 Montageart mit einem zusätzlichen mechanisch verstellbaren Anschlag

Abb. 41 Montage mit zusätzlichem mechanischen Anschlag

Abb. 42 Vermeidung einer unzulässigen Überfahrmöglichkeit am Beispiel eines Positionsschalters Bauart 1

Abb. 43 Falsche Formgebung des Steuerlineals bei Rollenschwenkhebelschaltern

Abb. 44 Richtige Formgebung des Steuerlineals bei Rollenschwenkhebelschaltern

Es muss außerdem sichergestellt sein, dass das Steuerlineal so lang ist, dass die Betätigung des Positionsschalters nicht vor dem Erreichen des Anschlages wieder aufgehoben wird, d. h. ein Überfahren nicht möglich ist (siehe Abbildung 42).

Die mechanische Lebensdauer von Positionsschaltern wird von der Anfahrgeschwindigkeit und der Form des Stellgliedes (Anfahrwinkel, Anfahrrichtung) mit beeinflusst.

Steile Anfahrwinkel sind notwendig, wenn kurze Betätigungswege des Steuerlineals vorliegen. Dabei darf der einer Anfahrgeschwindigkeit zugeordnete Anfahrwinkel nicht überschritten werden. Hierbei sind die Angaben des Herstellers zu berücksichtigen (siehe Abbildungen 43 und 44).

Der Betätiger (Steuerlineal, Kurvenscheibe) soll die gesamte Rollenbreite des Betätigungsteiles berühren, um nur zulässige Flächenbelastungen zu erreichen. Außerdem soll die Anfahrrichtung senkrecht zu Drehachsen von Betätigungsteilen, wie Rolle und Schwenkhebel, sein.

5.5 Leitungseinführung, Mindestbiegeradius der Anschlussleitungen

Bei der Wahl der Leitungseinführung und beim Verlegen von Anschlussleitungen ist darauf zu achten, dass die IP-Schutzart erhalten bleibt. Leitungseinführungen sind ggf. so abzudichten, dass keine Flüssigkeiten und Fremdkörper, z.B. Regenwasser, Bohremulsion, Reinigungswasser oder Staub in das Gehäuseinnere eindringen können (siehe auch Abschnitt 4.3.1).

Bei der Anbringung von Verriegelungseinrichtungen ist darauf zu achten, dass der vom Leitungshersteller vorgegebene Biegeradius nicht unterschritten wird. Liegen keine Angaben vor, so sollte mindestens ein Biegeradius von r> 5d (bei beweglichen Leitungen von r> 10d) eingehalten werden (siehe Abbildung 47).

zu beachten:

Abb. 45 Beispiele für nicht empfohlene Leitungseinführungen

Abb. 46 Beispiele für bevorzugte Leitungszuführungen

Abb. 47 Beachten eines ausreichenden Biegeradius

Möglichst vermeiden, sonst nur mit sehr guter zusätzlicher Abdichtung der Leitungseinführung

In besonders ungünstigen Anwendungsfällen ist der Einsatz von Schutzschlauchverschraubungen empfehlenswert. Hierbei hält der Schutzschlauch die Umwelteinflüsse von Leitung und Leitungseinführung fern (siehe Abbildung 48).

5.6 Leitungslängen und Leitungsführung

Bei der Verlegung von Anschlussleitungen sind folgende Punkte zu beachten:

5.7 Einhaltung der gesicherten Schaltabstände bei Näherungsschaltern

Bei der Montage von Näherungsschaltern für Sicherheitsfunktionen sind die gesicherten Schaltabstände (siehe Abschnitt 3.4.2) zu berücksichtigen.

Die Schaltabstände (sar, sao) des Näherungsschalters geben bei bestimmungsgemäßer Verwendung und unter ungünstigsten Bedingungen den Abstand zwischen Betätiger und Sensor an, bei dem der Sensor die Anwesenheit bzw. Abwesenheit des Betätigers sicher erkennt.

Sensor und Betätiger sind so zu montieren, dass es beim Öffnen von Türen, Klappen, Deckeln nicht möglich ist, innerhalb von s< sar durch entstehende Spalten zu den Gefahrstellen durchzugreifen.

Abb. 48 Einsatz von Schutzschlauchverschraubungen

5.8 Maßnahmen zum Verringern von Umgehungsmöglichkeiten

5.8.1 Allgemeines

Bei der Anbringung von Verriegelungseinrichtungen muss auch das mögliche Umgehen, auch Manipulation genannt, betrachtet werden. Gemeint ist das Unwirksammachen von Schutzeinrichtungen mit der Konsequenz, eine Maschine in einer vom Konstrukteur nicht vorgesehenen Weise oder ohne notwendige Schutzmaßnahmen zu verwenden.

Gründe für das Umgehen von Verriegelungseinrichtungen können beispielsweise sein:

Die wirksamste Maßnahme, um ein Umgehen von Verriegelungseinrichtungen zu vermeiden, ist die konstruktive Gestaltung der Maschine einschließlich aller Schutzeinrichtungen so, dass Anreize zum Umgehen entweder beseitigt, zumindest aber minimiert werden.

Das heißt, eine Maschine muss ihre vorgesehenen Funktionen während ihrer Lebensdauer bei hinreichend verringertem Risiko ausführen können, ohne dass Manipulationen von Schutzeinrichtungen nennenswerte Vorteile bringen, z.B. durch die Wahl geeigneter Betriebsarten.

Die Norm DIN EN ISO 14119 [ 8] beschreibt im Anhang H ein Verfahren, um Anreize zum Umgehen von Verriegelungseinrichtungen abschätzen und bewerten zu können. Die dem zugrunde liegende Methodik ist in Abbildung 49 dargestellt.

Um dem Konstrukteur eine praktisch handhabbare Hilfestellung zur systematischen Erfassung von Manipulationsanreizen zu geben, wurde vom Institut für Arbeitsschutz der Deutschen Gesetzlichen Unfallversicherung (IFA) eine Checkliste zur Erfassung und Bewertung von Manipulationsanreizen erarbeitet und zum Download bereitgestellt. Zu finden unter www.dguv.de, Stichwort: "Manipulationsanreiz" [ 21].

Zusätzlich zur weitestgehenden Minimierung von Manipulationsanreizen aufgrund konstruktiver Eigenschaften der Maschine, müssen die Verriegelungseinrichtungen selbst einen Beitrag zur Verringerung der Umgehungsmöglichkeiten leisten. Sie müssen deshalb so ausgewählt und angebracht sein, dass sie nicht auf eine vernünftigerweise vorhersehbare Art, d. h. von Hand oder durch Benutzung eines leicht verfügbaren Gegenstandes, umgangen werden können.

Als Umgehen auf vernünftigerweise vorhersehbare Art gilt nicht ein aufwendiges Unwirksammachen von Schutzfunktionen wie z.B.

Weitere Informationen sind unter "www.stoppmanipulation.org" [ 23] zu finden.

5.8.2 Zusätzliche Maßnahmen zur Verringerung von Umgehungsmöglichkeiten

Die im Folgenden genannten Maßnahmen können entsprechend Risikobeurteilung, einzeln oder in Kombination zur Verringerung von Umgehungsmöglichkeiten beitragen.

5.8.2.1 Vermeiden der Zugänglichkeit zu den Elementen der Verriegelungseinrichtung

durch:

Achtung:
Bauart 3 Verriegelungseinrichtungen lassen sich durch die nicht vorhandene Kodierung sehr leicht umgehen. Eine versehentliche Betätigung mit einem detektierbaren Gegenstand ist möglich. Deshalb müssen Bauart 3 Verriegelungseinrichtungen immer verdeckt oder außer Reichweite angebracht werden.

Abb. 49 Methodik zur Bestimmung und Beseitigung von Umgehungsmöglichkeiten [ 8]

5.8.2.2 Vermeiden einer Betätigung der Verriegelungseinrichtung durch leicht verfügbare Gegenstände

durch:

in Verbindung mit den Maßnahmen nach Abschnitt 5.8.4.3.

Ein individuell kodierter Betätiger stellt im Unterschied zu Standardbetätigern praktisch ein Unikat dar. So ist gegeben, dass ein Betätiger funktionell nur zu einem einzigen Gerät passt. Zwar sind auch Standardbetätiger kodiert, aber nur einheitlich, um sie von einfachen Werkzeugen, wie Schraubendrehern, einfachen Drahtstücken usw. zu unterscheiden.

Transponderschalter bieten technisch eine einfache und gute Möglichkeit der individuellen Kodierung.

5.8.2.3 Vermeiden, dass die Elemente der Verriegelungseinrichtung abgebaut werden oder ihre Lage verändert wird

durch:

Diese Maßnahme allein, schließt die Betätigung mit leicht verfügbaren Gegenständen nicht aus. Deshalb muss noch eine weitere der zur Auswahl stehenden Maßnahmen angewendet werden (Ausnahme: Scharnierschalter).

5.8.2.4 Vermeiden eines Umgehens durch steuerungstechnische Maßnahmen

Die Steuerung erwartet beispielsweise das Öffnen einer Tür in einem bestimmten Maschinenzyklus oder nach einer bestimmten Zeit. Das Fehlen des Steuersignals kann auf ein Umgehen hinweisen.

Beispielsweise wird der Bediener von der Steuerung zur Betätigung der Schutzeinrichtung aufgefordert. Das Fehlen des Steuersignals kann auf ein Umgehen hinweisen.

Der Einbau eines zweiten Schalters ist eine gute Möglichkeit Manipulationen vorzubeugen, insbesondere dann, wenn die Schaltsignale zusätzlich auf Plausibilität überwacht werden, z.B. dass sie innerhalb eines bestimmten Zeitfensters oder in einer bestimmten Reihenfolge schließen.

5.8.2.5 Vermeiden eines Umgehens von Positionsschaltern Bauart 1

Wird ein einzelner Positionsschalter Bauart 1 verwendet, darf dieser nur formschlüssig betätigt werden, weil diese Betätigungsart das Umgehen des Schalters auf einfache Weise verhindert (siehe Abschnitt 5.3). Diese Maßnahme muss mindestens mit einer weiteren der aufgeführten Maßnahmen verbunden werden.

5.8.2.6 Gestaltungsmaßnahmen zur Minimierung eines Umgehens von Verriegelungseinrichtungen, die über Steckvorrichtung angeschlossen sind

Abb. 50 Verdeckter Einbau von Sensor und Betätiger an einer Schiebetür

Der Schutz gegen Umgehen muss durch mindestens eine der folgenden Maßnahmen erzielt werden:

  1. durch eine derartige Anordnung der Steckvorrichtung, dass sie für den Bediener der Maschine nicht zugänglich ist
  2. durch Verwendung von Schaltern mit Steckverbindern, deren Belegung nicht offensichtlich das einfache Kontaktüberbrücken mittels Draht ermöglicht z.B. durch Verwendung mehrpoliger Steckverbinder

5.8.2.7 Maßnahmen beim gewaltsamen Aufreißen von elektromagnetischen Zuhaltungen

Bei elektromagnetischen Zuhaltungen ist es aufgrund des Funktionsprinzips unter Umständen möglich (keine formschlüssige Zuhaltung), dass ein Anwender bei entsprechendem Kraftaufwand die Zuhaltung beschädigungsfrei aufreißen kann, was einer Manipulation gleichkommt. Details siehe Abschnitt 4.6.

6 Anforderungen an die Signalverarbeitung - Schaltungsbeispiele

6.1 Allgemeines

Verriegelungseinrichtungen einschließlich der nachfolgenden Signalverarbeitung sind sicherheitsbezogene Teile der Steuerung von Maschinen. Damit fallen sie unter den Anwendungsbereich von DIN EN ISO 13849-1 [ 9] bzw. DIN EN 62061 [ 11]. Die im Folgenden betrachteten Ausführungen und Schaltungsbeispiele beziehen sich auf die DIN EN ISO 13849-1 [ 9].

Die Widerstandsfähigkeit einer Verriegelungseinrichtung einschließlich der nachfolgenden Signalverarbeitung gegenüber dem Auftreten von Fehlern muss umso höher ausgelegt sein, je höher das Gefährdungspotential an der Gefahrstelle ist. Deshalb bestimmt das Ergebnis der Risikobeurteilung, selbst durchgeführt oder durch eine C Norm vorgegeben, den erforderlichen Performance Level PLr. Der Performance Level nach DIN EN ISO 13849-1 [ 9] legt Anforderungen an die Gestaltung der Verriegelungseinrichtung selbst und die Einbindung in den sicherheitsrelevanten Teil der Maschinensteuerung fest.

Die Struktur oder Architektur einer Sicherheitssteuerung, ausgedrückt durch die Kategorie, bestimmt die Toleranz gegenüber Fehlern (Fehlertoleranz) und stellt das Gerüst dar, auf dem alle anderen quantifizierbaren Aspekte aufbauen.

DIN EN ISO 13849-1 [ 9] ergänzt die Kategorien um quantitative Anforderungen an die Bauteilzuverlässigkeit (MTTFd), den Diagnosedeckungsgrad von Tests (DCavg), und die Widerstandsfähigkeit gegen Ausfälle in Folge gemeinsamer Ursache (CCF).

Die mittlere Zeit bis zu einem gefahrbringenden Ausfall MTTFd (Mean Time To dangerous Failure) in Jahren, ist eine statistisch basierte Annahme über die Zeit, in der die Hardware ohne zufällige Ausfälle sicherheitstechnisch fehlerfrei funktionieren wird.

Der Diagnosedeckungsgrad DC (Diagnostic Coverage) in % ist ein Maß für die Wirksamkeit der fehleraufdeckenden Maßnahmen in sicherheitsrelevanten Teilen von Steuerungen.

Mit den vorstehenden Parametern wird die durchschnittliche Wahrscheinlichkeit eines gefährlichen Ausfalls pro Stunde berechnet. Sie wird als PFH bezeichnet und ist die Bezugsgröße für die Bestimmung des Performance Level.

Außerdem müssen ausreichende Maßnahmen gegen Fehler gemeinsamer Ursache CCF (Common Cause Failure) getroffen werden.

Die folgenden Seiten zeigen einige Beispiele für die Einbindung von Verriegelungseinrichtungen in Maschinensteuerungen und deren sicherheitstechnischer Bewertung nach DIN EN ISO 13849-1 [ 9]. Voraussetzung für die Quantifizierung ist die Umsetzung des Stromlaufplans in ein Blockschaltbild, in dem die Sicherheitsfunktion abstrahiert dargestellt wird. Als Hilfe dazu kann das SISTEMA-Kochbuch 1 [ 16] genutzt werden.

Nähere Erläuterungen zur DIN EN ISO 13849-1 [ 9] und deren Berechnungsmethoden sowie die aufgeführten Beispiele können im BGIA-Report 2/2008 "Funktionale Sicherheit von Maschinensteuerungen - Anwendung der DIN EN ISO 13849" [ 17] nachvollzogen werden.

Als Hilfe für die Berechnung kann z.B. das Software-Tool SISTEMa des IFa [ 22] genutzt werden.

6.2 Anwendungsbeispiele

(Beispiele 6.2.1 bis 6.2.3 Quelle: BGIA-Report 2/2008 "Funktionale Sicherheit von Maschinensteuerungen" [ 17])

In den folgenden Anwendungsbeispielen werden nur einige der möglichen Sicherheitsfunktionen betrachtet und erläutert. Applikationsabhängig sind ggf. weitere Sicherheitsfunktionen zu betrachten.

6.2.1 Stellungsüberwachung einer beweglichen trennenden Schutzeinrichtung Kategorie 1 - PL c

Betrachtete Sicherheitsfunktion

Funktionsbeschreibung

Abb. 51 Stellungsüberwachung einer beweglichen trennenden Schutzeinrichtung mit Blockschaltbild

6.2.2 Stellungsüberwachung einer beweglichen trennenden Schutzeinrichtung Kategorie 3 - PL d

Betrachtete Sicherheitsfunktion

Funktionsbeschreibung

Abb. 52 redundante Stellungsüberwachung einer beweglichen trennenden Schutzeinrichtung in diversitärer Technologie mit Blockschaltbild

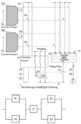
6.2.3 Stellungsüberwachung beweglicher trennender Schutzeinrichtungen Kategorie 3 - PL e

Betrachtete Sicherheitsfunktion

Funktionsbeschreibung

Abb. 53 Stellungsüberwachung beweglicher trennender Schutzeinrichtungen mit Blockschaltbild

Abb. 54 Stellungsüberwachung beweglicher trennender Schutzeinrichtungen

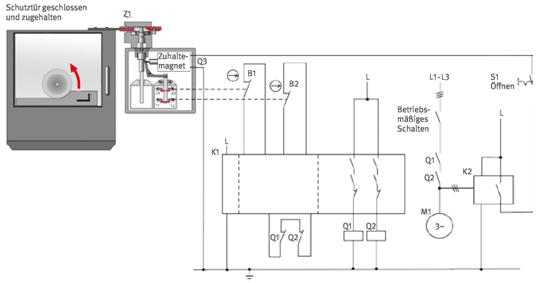
6.2.4 Verriegelungseinrichtung mit Zuhaltung Kategorie 3 - PL d - Fehlerausschluss auf mechanische Teile der Zuhaltung

Betrachtete Sicherheitsfunktionen

Funktionsbeschreibung

Abb. 55 Blockdiagramm der Sicherheitsfunktion Entsperren der Zuhaltung

Abb. 56 Blockdiagramm der Sicherheitsfunktion Verriegelungseinrichtung und Zuhaltung

Die Zuhaltung besitzt gemäß Herstellerangabe eine Fehlschließsicherung.

Konstruktive Merkmale

Abb. 57 Stellungsüberwachung beweglicher trennender Schutzeinrichtungen

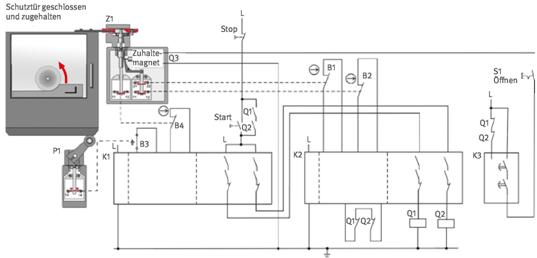
6.2.5 Verriegelungseinrichtung mit Zuhaltung Kategorie 3 - PL d / PL e

mit Entriegelung der Zuhaltung PL x (siehe Text)
ohne Fehlerausschluss

Sicherheitsfunktion

Abb. 58 Blockdiagramm der Sicherheitsfunktion Entsperren der Zuhaltung

Abb. 59 Blockdiagramm Sicherheitsbezogene Stoppfunktion bei Entsperren der Zuhaltung und Verhindern des unerwarteten Anlaufs

Funktionsbeschreibung

Konstruktive Merkmale

Abb. 60 Stellungsüberwachung beweglicher trennender Schutzeinrichtungen

6.2.6 Verriegelungseinrichtung mit Zuhaltung Kategorie 4 - PL e

Sicherheitsfunktionen

Funktionsbeschreibung

Abb. 61 Blockdiagramm der Sicherheitsfunktion Zuhaltung

Abb. 62 Blockdiagramm der Sicherheitsfunktion Verriegelung

Konstruktive Merkmale

Literaturverzeichnis


1. Amtsblatt der Europäischen Union (2006): Richtlinie 2006/42/EG des europäischen Parlaments und des Rates vom 17.05.2006 über Maschinen und zur Änderung der Richtlinie 95/16/EG (Neufassung)
2. DIN EN ISO 12100 (2011-03): "Sicherheit von Maschinen - Allgemeine Gestaltungsleitsätze - Risikobeurteilung und Risikominderung"
3. DIN EN 60204-1 (2007-06): "Sicherheit von Maschinen - Elektrische Ausrüstung von Maschinen - Teil 1: Allgemeine Anforderungen"
4. DIN EN 60947-1 (2011-10): "Niederspannungsschaltgeräte - Teil 1: Allgemeine Festlegungen"
5. DIN EN 60947-5-1 (2010-04): "Niederspannungsschaltgeräte - Teil 5-1: Steuergeräte und Schaltelemente - Elektromechanische Steuergeräte"
6. DIN EN 60947-5-2 (2014-01): "Niederspannungsschaltgeräte - Teil 5-3: Steuergeräte und Schaltelemente - Näherungsschalter"
7. IEC 60947-5-3 (2013-08): "Niederspannungsschaltgeräte - Teil 5-3: Steuergeräte und Schaltelemente - Anforderungen für Näherungsschalter mit definiertem Verhalten unter Fehlerbedingungen"
8. DIN EN ISO 14119 (2014-03): "Sicherheit von Maschinen - Verriegelungseinrichtungen in Verbindung mit trennenden Schutzeinrichtungen - Leitsätze für Gestaltung und Auswahl"
9. DIN EN ISO 13849-1 (2008-12): "Sicherheit von Maschinen - Sicherheitsbezogene Teile von Steuerungen - Teil 1: Allgemeine Gestaltungsleitsätze"
10. DIN EN ISO 13849-2 (2013-02): "Sicherheit von Maschinen - Sicherheitsbezogene Teile von Steuerungen - Teil 2: Validierung"
11. DIN EN 62061 (2005-10): "Sicherheit von Maschinen - Funktionale Sicherheit sicherheitsbezogener elektrischer, elektronischer und programmierbarer elektronischer Steuerungssysteme"
12. DIN EN 50041 (1983-07): "Industrielle Niederspannungs-Schaltgeräte; Hilfsstromschalter; Positionsschalter 42,5 x 80; Maße und Kennwerte"
13. DIN EN 50047 (1983-07): "Industrielle Niederspannungs-Schaltgeräte; Hilfsstromschalter; Positionsschalter 30 x 55; Maße und Kennwerte"
14. DIN EN ISO 13855 (2010-10): "Sicherheit von Maschinen - Anordnung von Schutzeinrichtungen im Hinblick auf Annäherungsgeschwindigkeiten von Körperteilen"
15. DIN EN 60529 (VDE 0470-1):2000-09 "Schutzarten durch Gehäuse (IP-Code)"
16. Institut für Arbeitsschutz der Deutschen Gesetzlichen Unfallversicherung (IFA) (Hrsg.) (2010): Das SISTEMa Kochbuch 1 vom Schaltbild zum Performance Level - Quantifizierung von Sicherheitsfunktionen mit SISTEMa Version 1.0 (DE); Sankt Augustin
17. Deutsche Gesetzliche Unfallversicherung (DGUV) (Hrsg.) (2008): BGIA-Report 2/2008. Funktionale Sicherheit von Maschinensteuerungen - Anwendung der DIN EN ISO 13849 geänderte Auflage; Sankt Augustin
18. Fachausschuss Elektrotechnik - Prüf- und Zertifizierungsstelle im DGUV Test: GS-ET-14 (2011-06): Zusatzanforderungen für die Prüfung und Zertifizierung von Näherungsschaltern für Sicherheitsfunktion
19. Fachausschuss Elektrotechnik - Prüf- und Zertifizierungsstelle im DGUV Test: GS-ET-15 (2011-02): Grundsätze für die Prüfung und Zertifizierung von zwangsöffnenden Positionsschaltern
20. Fachausschuss Elektrotechnik - Prüf- und Zertifizierungsstelle im DGUV Test: GS-ET-19 (2011-02): Grundsätze für die Prüfung und Zertifizierung von Verriegelungseinrichtungen mit elektromagnetischen Zuhaltungen
21. Checkliste zur Erfassung und Bewertung von Manipulationsanreizen; Institut für Arbeitsschutz der Deutschen Gesetzlichen Unfallversicherung (IFA); download unter www.dguv. de, Stichwort: "Manipulationsanreiz".
22. Institut für Arbeitsschutz der Deutschen Gesetzlichen Unfallversicherung (IFA); Softwareassistent SISTEMA: http://www.dguv.de/ifa/de/pra/softwa/sistema/index.jsp (11.09.2012)
23. Mannheimer Verein zur internationalen Förderung der Maschinen- und Systemsicherheit e.V. Sektion Maschinen- und Systemsicherheit der IVSS; www.stopdefeating.org, www.stoppmanipulation.org (11.09.2012)


ENDE

umwelt-online - Demo-Version


(Stand: 29.07.2025)

Alle vollständigen Texte in der aktuellen Fassung im Jahresabonnement
Nutzungsgebühr: ab 105.- € netto

(derzeit ca. 7200 Titel s.Übersicht - keine Unterteilung in Fachbereiche)

Preise & Bestellung

Die Zugangskennung wird kurzfristig übermittelt

? Fragen ?
Abonnentenzugang/Volltextversion