Für einen individuellen Ausdruck passen Sie bitte dieEinstellungen in der Druckvorschau Ihres Browsers an. Regelwerk; BGI/GUV-I / DGUV-I |
![]() |
BGI 861-1 / DGUV Information 208-022 - Türen und Tore
Deutsche Gesetzliche Unfallversicherung (DGUV) Information
(Ausgabe 01/2005; 01/2015aufgehoben)
| Redaktioneller Hinweis: Berufsgenossenschaften sind gemäß § 210 SGB VII Behörden; ihre amtlichen Veröffentlichungen nach § 15 SGB VII unterliegen gemäß § 5 Abs. 2 UrhG keinem Urheberrechtsschutz. |
Archiv: BGI 861-1 (01/2005)
Vorbemerkungen
Die vorliegende DGUV Information "Türen und Tore" richtet sich in erster Linie an die Unternehmerin/den Unternehmer. Sie soll Hilfestellung bei der Umsetzung der Technische Regel für Arbeitsstätten "Türen und Tore" (ASR A1.7) geben und aufzeigen, wie Arbeitsunfälle und arbeitsbedingte Gesundheitsgefahren vermieden werden können.
Die Unternehmerin/der Unternehmer kann bei Beachtung der in dieser DGUV Information enthaltenen Empfehlungen, insbesondere den beispielhaften Lösungsmöglichkeiten, davon ausgehen, dass die geforderten Schutzziele erreicht sind. Andere Lösungen sind möglich, wenn Sicherheit und Gesundheitsschutz in gleicher Weise gewährleistet sind.
Die vorliegende DGUV Information zitiert den kompletten Text aus der Technischen Regel ASR A1.7, die Hilfestellungen sind jeweils in blauer kursiver Schrift beigefügt.
1 Zielstellung
Die Arbeitsstättenregel konkretisiert die Anforderungen an das Einrichten und Betreiben von Türen und Toren in § 3a Abs. 1 und § 4 Abs. 3 sowie insbesondere in den Punkten 1.7 und 2.3 Abs. 2 des Anhanges der Arbeitsstättenverordnung.
Die vorliegende DGUV Information gibt Hilfestellungen, wie das durch die ASR A1.7 vorgegebene Schutzniveau erreicht werden kann.
2 Anwendungsbereich
(1) Die Arbeitsstättenregel gilt für das Einrichten und Betreiben von Türen und Toren in Gebäuden und auf dem Betriebsgelände sowie in vergleichbaren betrieblichen Einrichtungen, die sich auf dem Gelände eines Betriebes oder einer Baustelle befinden und zu denen Beschäftigte im Rahmen ihrer Arbeit Zugang haben. Sie gilt nicht für Türen und Tore von maschinellen Anlagen (z.B. Aufzugsanlagen) und nicht für provisorische Türen und Tore auf Baustellen.
Die vorliegende DGUV Information gibt für diesen Anwendungsbereich Hilfestellungen für die Praxis.
(2) Der Aspekt barrierefreie Gestaltung wird zu einem späteren Zeitpunkt in diese Regel eingefügt.
Die Vorgaben für die barrierefreie Gestaltung von Türen und Toren sind mittlerweile in der ASR V3a.2 Anhang A1.7 geregelt. Darüber hinaus geben der DGUV-Leitfaden "Barrierefreie Arbeitsgestaltung" und die Norm DIN 18040-1, -2 Auskunft.
3 Begriffsbestimmungen
3.1 Abstürzen ist die unkontrollierte, nicht ausgeglichene Bewegung von vertikal bewegten Flügeln im Fall des Versagens eines einzelnen Tragmittels oder der Gewichtsausgleichssysteme.
3.2 Bewegungsraum ist der Raum, in dem die Flügel Öffnungs- und Schließbewegungen ausführen.
3.3 Der Fallweg von Torflügeln ist die senkrechte Strecke, die die Hauptschließkante nach dem Versagen der Tragmittel bis zum erfolgten Fangen durch die Fangvorrichtung zurücklegt.
3.4 Fangvorrichtungen sind Einrichtungen, die im Falle des Flügelabsturzes selbsttätig auf den Flügel oder das Bauteil, das mit ihm fest verbunden ist (z.B. Wickelwelle), wirken und ihn halten. Hierzu zählen auch Getriebe, die imstande sind, den Flügel zu halten, wenn tragende Getriebeteile versagen (Sicherheitsgetriebe).
3.5 Flügel sind diejenigen beweglichen Anlagenteile, die Tür- oder Toröffnungen schließen oder freigeben.
3.6 Gefährdungen an Türen und Toren ergeben sich besonders durch:
3.7 Herausfallen ist das ungewollte Verlassen des Tor- oder Türflügels aus der Führung.
3.8 Türen und Tore sind kraftbetätigt, wenn die für das Öffnen oder Schließen der Flügel erforderliche Energie vollständig oder teilweise von Kraftmaschinen zugeführt wird.
3.9 Nachlaufweg ist der Weg des kraftbetätigten Flügels von der Einleitung des Stoppvorganges bis zum Stillstand.
3.10 Mit der NOT-HALT-Einrichtung kann im Fall einer Gefährdung die Flügelbewegung bewusst zum Stillstand gebracht werden.
3.11 Schließkanten sind (siehe Tabelle 1):
3.12 Schlupftüren sind Türen, die in Torflügeln eingebaut sind.
3.13 Schutzeinrichtungen sind Einrichtungen zum Schutz vor Gefährdungen, z.B. der Quetschgefährdung an Schließkanten:
3.14 Die Steuerung ist der Bestandteil der Antriebseinheit, der von außen kommende Steuerbefehle annimmt, diese verarbeitet und Ausgangssignale zum Betrieb des Antriebes erzeugt:
3.15 Tore sind bewegliche Raumabschlüsse, vorzugsweise für den Verkehr mit Fahrzeugen und für den Transport von Lasten mit oder ohne Personenbegleitung.
3.16 Türen sind bewegliche Raumabschlüsse, vorzugsweise für den Fußgängerverkehr.
3.17 Tragmittel sind Bauteile oder Einrichtungen zum Tragen des Flügels, z.B. Feder, Stahldrahtseil, Kette, Gurt, Rolle, Trommel, Welle, Hebelarm sowie sonstige Kraftübertragungselemente zwischen Antriebsquelle und Flügel (z.B. Getriebe).
3.18 Break-Out ist ein System, durch das Tür- und Torflügel und Seitenteile manuell in Fluchtrichtung aufgedrückt werden können.
Tabelle 1: Schließkanten von Türen und Toren
| Drehflügeltüren -tore | |
| sind Türen mit einem oder zwei Flügeln, die sich um die senkrechte Achse an einer Flügelkante drehen.
Gleiches gilt für Tore. |
![]() |
| Schiebetüren/-tore | |
| sind Türen mit einem oder mehreren sich horizontal bewegenden Türflügeln, die sich auf ihrer eigenen Ebene über eine Öffnung hinweg bewegen.
Gleiches gilt für Tore. |
![]() |
| Faltflügeltüren/-tore | |
| sind Türen mit zwei oder mehreren Flügeln, die miteinander gelenkig verbunden sind und bei denen eine Seite des Türflügels mit der Zarge verbunden ist.
Gleiches gilt für Tore. |
![]() |
| Karusselltüren | |
| sind Türen mit zwei oder mehrere Türflügel, die mit einer gemeinsamen vertikalen Drehachse innerhalb einer Einfassung verbunden sind. | ![]() |
| Rolltore | |
| sind Tore mit einem Flügel, der vertikal bewegt wird und sich beim Öffnen auf eine Wickelwelle aufwickelt. | ![]() |
| Sektionaltore | |
| sind Tore mit einem Flügel, der aus einer Anzahl von horizontal miteinander verbundenen Sektionen besteht und in der Regel beim Öffnen vertikal angehoben wird. Die Ablage des Flügels in der oberen Öffnungsposition ist abhängig vom jeweiligen Typ (z.B. waagerecht, senkrecht, gefaltet). | ![]() |
| Kipptore | |
| sind Tore mit einem Flügel, der bei der Betätigung eine Kippbewegung ausführt und vollständig geöffnet in der oberen, waagerechten Endstellung verbleibt. | ![]() |
| Schiebetore | |
| sind Tore mit einem oder mehreren Flügeln die horizontal bewegt werden. | ![]() |
4 Planung
Bei der Planung werden die vorgesehene Nutzung und die örtlichen Gegebenheiten betrachtet und festgelegt.
Zu den örtlichen Gegebenheiten gehören beispielsweise:
Die abschließende Auswahl der Türen und Tore, inklusive der sicherheitsrelevanten Aspekte, werden in Kapitel 5 beschrieben.
(1) Türen und Tore sind so anzuordnen, dass sie sicher bedient werden können. Durch ihre Anordnung dürfen keine zusätzlichen Gefährdungen entstehen, beispielsweise durch Aufschlagen des Flügels in einen Treppenlauf.
Abb. 1 Schiebeflügel mit Abdeckung an der Nebenschließkante gegen Einziehen und Einsperren. Gegen Quetschen sind zusätzliche Maßnahmen nötig
Abb. 2 Verkehrsflächen und Laufwege berücksichtigen
Abb. 3 Abstandsmaße von Treppen zu Türöffnungen (aus ASR A1.8)
| Aus ASR A1.8 "Verkehrswege" Kapitel 4.2, Abschnitt (4)
(4) Unmittelbar vor und hinter Türen müssen Absätze und Treppen einen Abstand von min. 1,0 m, bei aufgeschlagener Tür noch eine Podesttiefe von 0,5m einhalten (siehe Abb. 3) |
(2) Türen und Tore sollen so angeordnet und gestaltet sein, dass sich möglichst kurze Wege innerhalb der Arbeitsstätte ergeben und keine Gefährdungen durch Windbelastung entstehen. Die Entstehung von störendem Luftzug (Zugluft) sollte vermieden werden.
Bezogen auf die Windlasten müssen bei der Planung berücksichtigt werden:
Zugluft kann problematisch werden:
Darüber hinaus kann das Öffnen und Schließen von Türen und Toren durch Druckunterschiede (Unter- oder Überdruck) beeinträchtigt werden oder zu ungewollten Bewegungen führen.
Druckunterschiede können beispielsweise auftreten:
(3) Türen und Tore müssen so angebracht sein, dass sie in geöffnetem Zustand die erforderliche Mindestbreite vorbeiführender Verkehrswege nicht einengen.
Die Tor- und Türblattabmessungen müssen in Bezug auf die Gangbreiten abgestimmt sein; ein zu schmaler Gang ermöglicht ggf. nicht die vollständige Öffnung des Tor-/Türblattes.
Hervorstehende Bauteile z.B. Beschläge, Türstopper, Griffe können das freie Durchgangsmaß einschränken bzw. die Öffnungsweite verringern. Aspekte der Barrierefreiheit können zu berücksichtigen sein. Das kann z.B. die Höhe des Türdrückers, Freiräume, Durchgangsbreiten betreffen. (siehe z.B. DIN 18040).
(4) Die Betätigung von Türen und Toren muss vom Fußboden aus oder von einem anderen sicheren Bedienort aus möglich sein.
Eine ausreichende Größe und Sicherheit der Verkehrsflächen vor und hinter der Tür-/Tor-Öffnung müssen gewährleistet sein z.B.
(5) Griffe und andere Einrichtungen für die Betätigung von Türen und Toren dürfen mit festen und beweglichen Teilen der Tür oder des Tores oder deren Umgebung keine Quetsch- oder Scherstellen bilden.
Siehe hierzu Kapitel 6 "Sicherung gegen mechanische Gefährdungen"
(6) Die Durchgangsbreite und -höhe von Türen und Toren richtet sich nach den Mindestmaßen von Fluchtwegen (siehe ASR A2.3 "Fluchtwege und Notausgänge, Flucht- und Rettungsplan").
Gleiche Anforderung auch in ASR A1.8 "Verkehrswege" hier allerdings mit einem Zusatz für neue Arbeitsstätten:
| Aus ASR A1.8 "Verkehrswege" Kapitel 4.2, Abschnitt (2)
2) Die lichte Höhe über Verkehrswegen muss mindestens 2,00 m betragen. Eine Unterschreitung der lichten Höhe von maximal 0,05 m an Türen kann vernachlässigt werden. ... Hinweis: |
Türen und Tore in Zugängen, die nur der Bedienung, Überwachung und Wartung dienen, sollen 0,50 m in der lichten Durchgangsbreite und 1,80 m in der lichten Durchgangshöhe nicht unterschreiten. Auf die Anstoßgefährdung im Kopfbereich, die aufgrund dieser verringerten Durchgangshöhe besteht, ist mit einer Kennzeichnung nach ASR A1.3 "Sicherheits- und Gesundheitsschutzkennzeichnung" hinzuweisen.
Siehe Kapitel 9 "Anforderungen an Türen und Tore im Verlauf von Fluchtwegen"
(7) Rahmen von Türen und Toren dürfen keine Stolperstellen bilden. Höhenunterschiede sollen durch Schrägen angeglichen oder gekennzeichnet (siehe ASR A1.3) werden.
Es sollten Türen und Tore ohne bzw. mit möglichst niedriger Schwelle/Bodenführung eingesetzt werden. Eine Kante ab 4 mm Höhe stellt eine Stolperstelle dar. Durch Abschrägungen/Rampen können Stolperstellen vermieden werden.
Aspekte der Barrierefreiheit können zusätzliche Anforderungen stellen.
Ausschließlich als Montagehilfe vorgesehene Transport- bzw. Distanzprofile oder Spreizen im Bereich der Schwelle (z.B. bei Feuerschutztüren) sind nach der Montage zu entfernen, um Stolperstellen zu vermeiden.
5 Auswahl von Türen und Toren
Bei der Auswahl werden die Beschaffenheitsanforderungen, die Einbausituation und die Betriebsart der jeweiligen Türen und Tore berücksichtigt. Eine Hilfestellung bietet der Anhang 1 "Kriterien für Planung und Auswahl von Türen und Toren".
(1) In Arbeitsstätten dürfen nur Türen und Tore verwendet werden, die hinsichtlich ihrer Beschaffenheitsanforderungen den europäischen und nationalen Vorschriften (z.B. Produktrecht) entsprechen und die für die Verwendung in der Arbeitsstätte geeignet und sicher sind. Bei der Ausführung der Türen und Tore sind unter anderem das Bio- und Gefahrstoffrecht (z.B. dichtschließend, Sicherheitsschleusen) sowie das Baurecht (z.B. feuerhemmend, feuerbeständig, selbstschließend) zu beachten.
Die Einbausituation und das Betreiben von Türen und Toren stellen Anforderungen an die Nutzungssicherheit, die auch die Beschaffenheit von Türen und Toren betreffen kann. Daher sind beim Einrichten und Betreiben der Arbeitsstätte über die EG-Konformitätsbewertung hinaus die Eignung und Verwendbarkeit von Türen und Toren für die vorgesehene Nutzung zu prüfen und ggf. die erforderlichen baulichen Maßnahmen und Veränderungen am Einbauort vorzunehmen (z.B. durch Einrichtungsgegenstände zusätzlich entstandene Quetschstellen, die zu sichern sind).
(2) Damit Beschäftigte bei Ausfall der Antriebsenergie bei kraftbetätigten Türen und Toren nicht eingeschlossenen werden können, müssen sich diese ohne besonderen Kraftaufwand (siehe Punkt 10.1 Abs. (3)) auch von Hand öffnen lassen.
Abweichend von Satz 1 dürfen schwere, kraftbetätigte Tore anstelle mit Handbetrieb auch unter bestimmungsgemäßer Verwendung von Hilfsmitteln, z.B. bereitgestellte hydraulische/ pneumatische Hebezeuge oder Notstromaggregate, verwendet werden, wenn die ursprüngliche Energiezufuhr ausgefallen ist.
Einrichtungen gegen Einschließen sind beispielsweise,
(3) In Räumen, in denen z.B. gesundheitsgefährdende Gase, Dämpfe oder Stäube in die Raumluft gelangen können, müssen Türen und Tore deren Eindringen in angrenzende Bereiche der Arbeitsstätte verhindern. Dies kann z.B. durch ein selbstständiges und dichtes Schließen der Türen und Tore erreicht werden.
Neben der Verwendung entsprechender Dichtungen ist auch zu überprüfen, ob die verwendeten Materialien den zu erwartenden Belastungen (z.B. aggressive Dämpfe) widerstehen.
In explosionsgefährdeten Bereichen sind zusätzliche Regelungen (z.B. ATEX-Richtlinien) zu beachten.
(4) Türen und Tore, die nur in einer Richtung benutzt werden sollen, sind entsprechend auf beiden Seiten als Einbahnverkehr zu kennzeichnen.
Beispiele für die Richtungs-Kennzeichnung:
(5) Bei Torflügeln mit eingebauter Schlupftür darf eine kraftbetätigte Flügelbewegung nur bei geschlossener Schlupftür möglich sein. Die Flügelbewegung muss zum Stillstand kommen, wenn die Schlupftür geöffnet wird. Im Fall von mechanisch bewegten Brandschutztoren mit Schlupftüren sind die den baurechtlichen Zulassungen zugrunde liegenden Ausführungen zu beachten.
Vorteilhafter als das Anhalten der Flügelbewegung beim Öffnen der Schlupftür ist, wenn die Schlupftür während der Torbewegung nicht geöffnet werden kann (z.B. automatische Verriegelung)
(6) Damit Beschäftigte nicht durch zersplitternde Flächen von Türen und Toren gefährdet werden, müssen diese Flächen bruchsicher sein oder die Füllungen müssen durch feste Abschirmungen (z.B. Stabgitter) so geschützt sein, dass sie beim Öffnen und Schließen nicht eingedrückt oder Personen nicht durch diese hindurchgedrückt werden können. Werkstoffe für durchsichtige Flächen gelten als bruchsicher, wenn sie die baurechtlichen Bestimmungen für Sicherheitsglas erfüllen (z.B. Einscheiben- und Verbundsicherheitsglas). Die Bruchsicherheit hängt entscheidend davon ab, dass das Glas nicht beschädigt ist und dass keine unzulässigen Spannungen oder Belastungen auf das Glas einwirken (siehe Punkt 101 Abs. (4)). Kunststoffe mit vergleichbarer Bruchsicherheit sind zulässig. Drahtglas ist kein Sicherheitsglas.
Ausführliche Erläuterungen zum Einsatz von Sicherheitsglas siehe ASR A1.6 und DGUV Information 208-014 "Glastüren, Glaswände"
(7) Flügel von Türen und Toren, die zu mehr als drei Vierteln ihrer Fläche aus einem durchsichtigen Werkstoff bestehen, müssen in Augenhöhe so gekennzeichnet sein, dass sie deutlich wahrgenommen werden können. Hierzu können z.B. ausreichend große Bildzeichen, Symbole oder farbige Tönungen verwendet werden. Sie sollen sich je nach Hintergrund und Beleuchtungssituation gut erkennbar abheben. Die Wahrnehmbarkeit der Türen und Tore wird durch die Gestaltung mit auffallenden Griffen oder einer Handleiste verbessert.
Eine einfache und in vielen Fällen wirksame Maßnahme zur Kenntlichmachung ist das Bekleben der Glasflächen mit Klebefolien, die es in vielen Variationen gibt.
Diese Markierungen sollten in einer Höhe angebracht werden, in der sie vom Nutzerkreis gut zu erkennen sind.
Dabei ist zu beachten, dass das Bekleben von Einscheibensicherheitsglas (ESG) im Schadensfall zu einer stärkeren Schollenbildungen der Bruchstücke führen kann. Dies trägt zur Erhöhung des Verletzungsrisikos bei.
Aus diesem Grund sollte eine Kenntlichmachung von ESG immer aus mehreren kleinflächigen Aufklebern bestehen. Wegen der hohen Verletzungsgefahr durch herabstürzende Glasstücke, ist das großflächige Bekleben von ESG in einer Höhe > 2 m zu vermeiden. Im Idealfall wurde das Glas bereits während des Herstellungsprozesses (z.B.: mechanisch oder chemisch) kenntlich gemacht (siehe Abb. 4).
Auffallende Griffe, Handleisten, getönte oder geätzte Scheiben oder kontrastreiche Türrahmen können ebenfalls die sicherheitstechnische Forderung erfüllen.
Nach ASR A1.3 "Sicherheits- und Gesundheitsschutzkennzeichnung" muss die Größe der Kennzeichen in Abhängigkeit der Erkennungsweite ausgeführt werden. Die Kennzeichnung muss zum Hintergrund einen deutlichen Kontrast bilden. Allgemein gilt, je kleinteiliger der Hintergrund ist, desto großflächiger sollte die Kennzeichnung sein, je dunkler die räumliche Umgebung, desto heller ist die Beleuchtung im Türbereich zu gestalten.
Abb. 4 Kenntlichmachung der Glasfläche
6 Sicherung gegen mechanische Gefährdungen
(1) Bei kraftbetätigten Türen und Toren muss eine wirksame Sicherung vor mechanischen Gefährdungen bis zu einer Höhe von 2,50 m über dem Fußboden oder einer anderen dauerhaften Zugangsebene vorhanden sein. Dies kann durch eine einzelne oder eine Kombination der folgenden Sicherungsmaßnahmen erreicht werden:
Tabelle 2: Hindurchreichen durch regelmäßige Öffnungen, alle Maße in mm Personen von 14 Jahren und älter
| Körperteil |
Bild |
Öffnung | Sicherheitsabstand Sr | ||
| Schlitz | Quadrat | Kreis | |||
| Fingerspitze | ![]() |
e< 4 | > 2 | > 2 | > 2 |
| 4 < e< 6 | > 10 | > 5 | > 5 | ||
| Finger bis Fingerwurzel | ![]() |
6 < e< 8 | > 20 | > 15 | > 5 |
| 8 < e< 10 | > 80 | > 25 | > 20 | ||
| 10 < e< 12 | > 100 | > 80 | > 80 | ||
| 12 < e< 20 | > 120 | > 120 | > 120 | ||
| Hand | ![]() |
20 < e< 30 | > 850 | > 120 | > 120 |
| Arm bis Schultergelenk | ![]() |
30 < e< 40 | > 850 | > 200 | > 120 |
| 40 < e< 120 | > 850 | > 850 | > 850 | ||
| Die fetten Linien in der Tabelle zeigen das Körperteil an, das durch die Größe der Öffnung eingeschränkt wird.
Anmerkung: Ist die Länge einer schlitzförmigen Öffnung< 65 mm, wirkt der Daumen als Begrenzung, und der Sicherheitsabstand kann auf 200 mm reduziert werden. |
|||||
- Torbetätigung mit einer manuellen Steuerung ohne Selbsthaltung (Totmannsteuerung, siehe Punkt 8.1),
- Begrenzung der Kräfte, die durch den Torflügel erzeugt werden, wenn er auf eine Person oder einen Gegenstand auftrifft,
- Einbau von schaltenden Schutzeinrichtungen (druckempfindliche oder berührungslos wirkende Schutzeinrichtungen).
Ausgehend vom Fußboden bzw. einer anderen dauerhaften Zugangsebene wird nur der Bereich bis 2,50 m Höhe als gefährdet betrachtet. Der Bereich oberhalb dieser Höhe kann i.d.R. als gesichert angesehen werden.
Anmerkungen zu einzelnen Spiegelstrichen:
- Einbauen von trennenden Schutzeinrichtungen an den Schließkanten, wie Gehäuse, Abdeckungen, Verkleidungen, feststehende Schutzflügel
Bei trennenden Schutzeinrichtungen mit durchbrochener Oberfläche (z.B. Zäune, Lochbleche) ist der mindestens erforderliche Abstand der Schutzeinrichtung zur Gefahrstelle von der Form und Größe der Öffnung abhängig.
Werte sind z.B. in der Tabelle 2 aus DIN EN ISO 13857 enthalten.
Türen und Tore müssen dem Umfang und der Art des Personenverkehrs angepasst sein, für den sie vorgesehen sind. Hierbei müssen insbesondere gebrechliche Menschen und Menschen mit Behinderungen sowie Kinder berücksichtigt werden.
Anmerkung:
Bei der Auswahl der Sicherheitsmaßnahmen sind auch Personengruppen zu berücksichtigen, die nur temporär die Einrichtung nutzen. In öffentlich zugänglichen Bereichen ist grundsätzlich mit besonders schutzbedürftigen Personen (z.B. Kinder) zu rechnen.
- Formgebung von Flügeloberflächen und vorstehenden Teilen in geeigneter Weise
Die Form der Flügeloberfläche muss gewährleisten, dass Personen nicht mitfahren oder angehoben werden können.
Ist dies nicht möglich (z.B. bei Rollgittern, Schiebetoren), sind zusätzliche Schutzmaßnahmen erforderlich.
Diese können sein:
Ein Seilzugschalter ist keine geeignete Schutzeinrichtung.
Bei Windlastversteifungen an Flügeln sollte darauf geachtet werden, dass weder mitgefahren werden kann noch Gegenstände auf ihnen abgelegt werden können.
- Begrenzung der Kräfte
Die maximal zulässigen Werte für dynamische und statische Kräfte an der Hauptschließkante sind in den Normen DIN EN 16005 "Nutzungssicherheit kraftbetätigter Türen" und DIN EN 12453 "Nutzungssicherheit kraftbetätigter Tore" festgelegt.
Abb. 5 Prinzipdarstellung: Schließkraft in Abhängigkeit der Zeit
Tabelle 3: Auszug aus DIN EN 16005 für Türen
| Öffnungsweite: | < 200 mm | 200 bis 500 mm | > 500 mm |
| Dynamische Kraft | < 400 N | < 700 N | < 1400 N |
| Dynamische Zeit | < 0,75 s | ||
| Statische Kraft | < 150 N | ||
| Statische Rest-Kraft | < 80 N | ||
| Statische Zeit | < 5 s | ||
Tabelle 4: Auszug aus DIN EN 12453 für Tore
| Schließrichtung | horizontal | vertikal | |
| Öffnungsweite: | < 200 mm | > 500 mm | 0 bis 2500 mm |
| Dynamische Kraft | < 400 N | < 1400 N | < 400 N |
| Dynamische Zeit | < 0,75 s | ||
| Statische Kraft | < 150 N | ||
| Statische Rest-Kraft | < 25 N | ||
| Statische Zeit | < 5 s | ||
Die dynamische Kraft darf höchstens während 0,75 Sekunden wirksam sein. Die dynamische und die statische Kraft dürfen auch beim Nachlaufen des Flügels innerhalb der Umsteuerzeit nicht überschritten werden. Nach der Gesamteinwirkungszeit von 5 Sekunden muss die auf Personen wirkende Kraft auf maximal 25 N bei Toren bzw. 80 N bei Türen abgebaut sein. Dies wird in der Regel durch die Umkehrung der Bewegungsrichtung des Flügels in dieser Zeit erreicht (Reversierfunktion).
Bei sehr leichten Flügeln mit einer einwirkenden Kraft, die nie über 50 N steigt, kann die Restkraft 50 N betragen, wenn der Flügel mit einer Kraft < 50 N um 50 mm zurückgedrückt werden kann, um sich zu befreien.
Anmerkung zu Türen mit Niedrigenergieantrieb:
Eine besondere Art der Absicherung bei Türen im privaten bzw. nichtöffentlichen Bereich kann durch eine Niedrigenergie-Bewegung nach DIN EN 16005, 4.6.4 gegeben sein. Hierbei wird die mögliche Aufprallenergie des bewegten Flügels durch die Schließgeschwindigkeit in Abhängigkeit von der Türmasse auf max. 1,6 Joule begrenzt. Für öffentlich zugängliche Bereiche ist diese Variante nur dort geeignet, wo eine ungewollte Berührung durch den Flügel keine Gefahr darstellt.
Da sich der Kraftstoß des Flügels aus Masse x Geschwindigkeit ergibt, muss bei einem schwereren Flügel eine dementsprechend geringere Geschwindigkeit gewählt werden.
- Druckempfindliche Schutzeinrichtungen: (letzter Spiegelstrich)
Druckempfindliche Schutzeinrichtungen sind Schutzeinrichtungen, die auf Berührung reagieren. Dies können z.B. Schaltmatten, Schaltleisten sein.
Eine an einer Schließkante angebrachte Schaltleiste nach DIN EN 12978 verhindert bei Kontakt mit einer Person oder einem Gegenstand das Weiterlaufen des Torflügels.
Art und Anordnung der Schaltleisten müssen sicherstellen, dass die einwirkenden Kräfte zur Auslösung führen. Schaltleisten nach DIN EN 12978 weisen einen Ansprechwinkel von ± 45° um die Lotrechte auf. In manchen Anwendungsfällen, z.B. bei Karusselltüren, wird ein größerer Ansprechwinkel (bis zu ± 90°) benötigt.
Die Schaltleiste muss über die gesamte Dicke des Flügels, auch bei einem Auftreffwinkel bis zu 45° zur Bewegungsrichtung, wirksam sein. Bei entsprechend dicken Flügeln kann es deshalb notwendig sein, zwei Schaltleisten zu installieren.
Die Bauhöhe der Schaltleiste kann nicht beliebig verkleinert werden, weil der Verformungsweg der Leiste stets größer als der Anhalteweg des Flügels sein muss. Bei automatisch schließenden Toren genügt nach DIN EN 12453 die Absicherung allein durch eine Schaltleiste nicht. Zur Erkennung von liegenden Personen ist mindestens eine Lichtschranke in entsprechender Höhe erforderlich.
Für die Sicherstellung des Sachschutzes, insbesondere zur Erkennung von Fahrzeugen, die sich im Torflügelbereich befinden, ist es empfehlenswert, eine zusätzliche Lichtschranke in ca. 600 mm Höhe anzubringen.
- Berührungslos wirkende Schutzeinrichtungen
Durch berührungslos wirkende Schutzeinrichtungen kann eine gefährliche mechanische Einwirkung des Torflügels auf Personen ausgeschlossen werden. Diese Einrichtungen müssen die Anwesenheit von Personen erkennen, unabhängig davon, ob sie sich bewegen oder nicht. Außerdem sollten im Schließbereich befindliche Gegenstände erkannt werden, um Schäden zu vermeiden (Sachschutz).
Einrichtungen dieser Art sind z.B. Lichtgitter, Anwesenheitssensoren oder - insbesondere bei vertikal schließenden Toren - an der Hauptschließkante angebrachte, mitfahrende Lichtschranken. Eine stationäre Lichtschranke, die auf einer festen Höhe installiert ist, reicht als alleinige Absicherung nicht aus. Sie deckt nur einen geringen Teil der Gefahrstelle ab und kann leicht überschritten oder umgangen werden.
Bei der Verwendung von berührungslos wirkenden Schutzeinrichtungen sind störende Umwelteinflüsse wie z.B. Sonneneinstrahlung, Nebel, Schnee und Regen zu berücksichtigen.
Nicht jede berührungslos wirkende Schutzeinrichtung ist für jede Tür- oder Torart anwendbar. Ob und in welcher Ausdehnung ein Bereich vor und/oder hinter dem Flügel überwacht werden muss, hängt von der Tür-/Torkonstruktion und den Nutzungsbedingungen ab.
Abb. 6 Schaltleisten
Abb. 7 Schaltmatte
Abb. 8 Hauptschließkante am Tor mit zwei Schaltleisten
Abb. 9 Anwesenheitserkennung bei Drehflügeln
(2) Beim Betrieb von Türen und Toren darf der Nachlaufweg des Flügels nach Auslösen einer druckempfindlichen Schutzeinrichtung nicht größer sein als deren Verformungsweg. Bei Flügeln ohne Sicherheitseinrichtung an den Schließkanten darf der Nachlaufweg nicht größer als 50 mm sein, sofern mit dem Nachlauf eine gefährdende Flügelbewegung verbunden ist.
Der Nachlaufweg von 50 mm gilt nur für Totmannsteuerung (siehe auch 8.1)
(3) Die erforderlichen Sicherheitsabstände müssen auch während der betrieblichen Nutzung dauerhaft eingehalten werden.
Gefährdungen können sowohl an beweglichen und/oder festen Teilen innerhalb des Tür-/Torsystems entstehen, als auch zwischen dem Tür-/Torsystem und den unmittelbar in der Nähe befindlichen festen Teilen der Umgebung. Das können beispielsweise sein: Säulen, Regale, Nischen aber auch Gegenstände wie abgestellte Paletten oder Blumenkübel
(4) Die Gefährdung, dass Beschäftigte beim Betrieb von vertikal bewegten Flügeln erfasst oder eingezogen werden, kann z.B. durch die Verwendung glattflächiger Flügel vermieden werden. Anderenfalls, wie bei Rollgittern, sind weitere Sicherungsmaßnahmen (siehe Abs. (1)) notwendig.
Abb. 10 Beispiele für Einzugsstellen an Schiebetüren durch Gegenstände in der Umgebung
(5) Zusätzliche Sicherungen an Quetsch- und Scherstellen an Nebenschließkanten sind nicht erforderlich:
Die wirksamste Sicherung ist die, die eine Gefährdung bereits konstruktiv vermeidet. Erreicht wird dies durch die Einhaltung oder Schaffung von Sicherheitsabständen.
(6) Die Gefährdung, dass Finger eingezogen werden, besteht nicht, wenn die Flügel von automatischen Schiebetüren/-toren und festen Teilen ihrer Umgebung in einem Abstands von 8 mm oder weniger aneinander vorbeilaufen (Abb. 14). Ein Abscheren oder Quetschen von Fingern wird verhindert, wenn der Abstand t zwischen Flügeln und Bauteilen 25 mm oder mehr beträgt (Abb. 14)
Abb. 11 Fingerschutz durch nachgiebige Kanten
Abb. 12 Fingerschutz an der Nebenschließkante: Hohlwandige Gummileisten
Abb. 13a Abdeckung gegen Quetschen oder Scheren der Finger im Spalt der Nebenschließkante
Abb.13b Minimierung des Spalts als Maßnahme gegen Einziehen.
Hier wurden durch den Rundpfosten Quetsch- und Scherstellen konstruktiv vermieden
Abb. 14 ist eine grundsätzliche Darstellung, die mehrere Gefährdungsarten zusammenfasst. Deshalb werden im Folgenden Einziehen, Scheren und Quetschen getrennt betrachtet:
Durch Einhalten des Sicherheitsabstandes s< 8 mm können Einzugsstellen vermieden werden.
Scherstellen entstehen durch zwei unmittelbar aneinander vorbeifahrende Kanten. Dabei können bereits mit geringen Kräften Körperteile / Gliedmaßen durch die Scherwirkung abgetrennt werden.
Abb. 14 Vermeiden von Einzug- und Schergefährdung zum Schutz der Finger (entspricht Abb. 1 in ASR A1.7)
Abb. 15 Konstruktive Lösungen für Schiebetüren
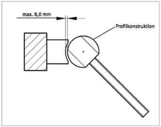
Scherstellen können auch konstruktivvermieden werden, beispielsweise durch abgerundete oder abgeschrägte Kanten, geringe Kantenhöhen (siehe Abb. 15). Kantenhöhen am Profil bis zu 4 mm werden im Allgemeinen akzeptiert.
Gemäß DIN EN 12453 für Tore ist eine Absicherung von Scherstellen an Nebenschließkanten auch durch eine Kombination von Kraftbegrenzung und Gestaltung der Kanten möglich. Allerdings wird hierdurch die Scherstelle nur in eine Quetschstelle abgemildert, für besonders schutzbedürftige Personen (z.B. Kinder) können weiterreichende Schutzmaßnahmen notwendig sein.
Abb. 15, Kreis a) Scherstellen können vermieden werden wenn:
Abb. 15, Kreis b) Scherstellen können vermieden werden wenn:
(7) Damit zwischen den hinteren Kanten der Flügel (Nebenschließkanten) von kraftbetätigten Schiebetüren/-toren und festen Teilen der Umgebung beim Betrieb keine Quetschstellen entstehen, müssen genügend große Sicherheitsabstände verbleiben:
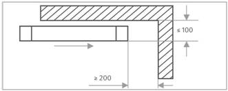
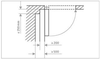
(8) Damit kraftbetätigte Dreh- und Faltflügeltüren oder -tore hinsichtlich Quetschstellen (zwischen dem Flügel und festen Teilen der Umgebung) sicher betrieben werden können, muss bei größtmöglicher Flügelöffnung der hinter dem Flügel gelegene Bereich über seine gesamte Tiefe eine lichte Weite von mindestens 500 mm aufweisen (Abb. 18). Abweichend hiervon genügt eine lichte Weite von mindestens 200 mm, wenn die Tiefe des vom geöffneten Flügel und festen Teilen seiner Umgebung gebildeten Bereichs höchstens 250 mm beträgt (Abb. 19). Können diese Werte nicht eingehalten werden, sind weitere Sicherheitsmaßnahmen (siehe Abs. (1)) notwendig.
Abb. 16 Vermeiden von Quetschgefährdung zum Schutz des Kopfbereiches (entspricht Abb. 2 in ASR A1.7)
Abb. 17 Vermeiden von Quetschgefährdung zum Schutz des Körpers (entspricht Abb. 3 in ASR A1.7)
Abb. 18 Vermeiden von Quetschgefährdung zum Schutz des Körpers (entspricht Abb. 4 in ASR A1.7)
Abb. 19 Vermeiden von Quetschgefährdung zum Schutz des Kopfbereiches (entspricht Abb. 5 in ASR A1.7)
Abb. 20 Quetschgefahr an Nebenschließkanten von Faltflügeln durch fehlende Griffe
(9) Damit Flügel, die für die Handbetätigung angefasst werden müssen, weil zusätzliche Einrichtungen (z.B. Kurbeln oder Haspelkettenantriebe) nicht vorhanden sind, sicher verwendet werden können, müssen diese auf der inneren und äußeren Seite über Einrichtungen zur Handbetätigung verfügen, z.B. Klinken, Griffe, Griffmulden, Griffplatten. Wenn Türen und Tore nur von einer Seite betätigt werden sollen, braucht nur diese Seite mit solchen Einrichtungen ausgerüstet sein.
Da handbetätigte Falttore und -türen zum Schließen häufig nicht nur am Griff sondern auch direkt am Flügel angefasst werden, müssen die Flügel und Gelenkstellen so ausgeführt sein, dass Quetsch- und Scherstellen vermieden sind.
Dies wird z.B. erreicht, wenn
Es darf nur ein begrenzter Kraftaufwand für das Öffnen von Flügeln nötig sein. Siehe Abschnitt 10.1."Instandhaltung"
(10) Einrichtungen für die Handbetätigung, z.B. Kurbeln oder Ketten, von Türen und Toren müssen sicher verwendet werden können und müssen gegen Zurückschlagen, Abgleiten und unbeabsichtigtes Abziehen gesichert sein.
An Toren sollen zwischen Griffen und Zarge die Mindestabstände nach Abb. 21 nicht unterschritten werden, um Handverletzungen zu vermeiden.
Für Türen gibt es keine normativen Vorgaben. Dennoch müssen ausreichende Sicherheitsabstände eingehalten werden. Ist dies nicht möglich, können (insbesondere bei Rohrrahmentüren) durch gekröpfte oder abgesetzte Beschläge Gefährdungen vermieden werden (siehe Abb. 23+ 24). Die DIN 18360 fordert für Schlösser mit einem Dornmaß unter 55 mm generell gekröpfte Drücker und Griffe.
(11) Hat der Antrieb von kraftbetätigten Türen und Toren mechanische Rückwirkung auf den Handantrieb, müssen Hand- und Kraftantrieb gegeneinander verriegelt sein.
Zum Beispiel ist am Aufsatz der Kurbel ein Schalter angebracht, der beim Aufstecken der Kurbel automatisch den Strom abschaltet.
Abb. 21 Positionierung von Griffen, A: Abstand zwischen einem waagrechten Griff und dem Torrahmen, B: Abstand zwischen einem vertikalen Griff und dem Torrahmen
Abb. 22 Türgriff ohne Sicherheitsabstand
Abb. 23 gekröpfter Türgriff
Abb. 24 abgesetzter Türgriff
7 Sicherung der Flügelbewegung
(1) Für den sicheren Betrieb von Toren müssen selbsttätig wirkende Einrichtungen für die Endstellung vorhanden sein, die Beschäftigte gegen unbeabsichtigtes Schließen der Tore (z.B. Zuschlagen durch Windeinwirkung) schützen.
Der oder die Flügel von Toren dürfen sich nicht ungewollt bewegen. Dies gilt sowohl für hand- als auch für kraftbetätigte Tore. Die ASR A1.7 fordert dies nicht für Türen, jedoch resultieren sicherheitstechnische Anforderungen aus Normen, beispielsweise der DIN EN 16005.
Ungewollte Bewegungen des Flügels von Türen und Toren sind vermieden, wenn
(2) Schiebetüren und -tore dürfen nur betrieben werden, wenn ein Pendeln der Flügel quer zur Bewegungsrichtung der Türen und Tore ausgeschlossen ist.
Pendeln kann beispielsweise durch Wind bewirkt werden. Es ist sowohl während der Bewegung als auch im Stillstand konstruktiv zu verhindern. Dies wird beispielsweise durch geeignete Führungen an der Ober- und Unterseite des Flügels erreicht.
(3) Senkrecht bewegte Torflügel sind durch Gegengewichte oder andere technische Einrichtungen (z.B. Antriebe, Federn) so auszugleichen, dass sie sich nicht unbeabsichtigt schließen. Bei der Verwendung von Toren darf die Kraft an der Hauptschließkante bei einer Bewegung durch nicht ausgeglichene Gewichte maximal 150 N betragen.
Bei handbetätigten Toren kommen meistens Federn und seltener Gegengewichte als Gewichtsausgleich zum Einsatz. Da die Federspannung im Laufe der Zeit nachlässt und damit der Gewichtsausgleich verloren geht, ist dieser bei der Wartung zu kontrollieren und die Federn sind ggf. nachzuspannen (s. Kap. 10.1 "Instandhaltung`).
Bei kraftbetätigten Toren kann entweder der Antrieb allein das Flügelgewicht sicher tragen und die Flügelbewegung stoppen oder es wird eine Kombination aus Feder- bzw. Gegengewicht und (entsprechend schwächer ausgelegtem) Antrieb eingesetzt. In diesem Fall und bei auskuppelbarem Antrieb gelten die gleichen Regeln wie für handbetätigte Tore.
(4) Besteht durch Gegengewichte von Torflügeln eine Quetsch-, Scher- oder Stoßgefährdung oder die Gefährdung des Eingezogenwerdens, darf das Tor nur betrieben werden, wenn die Laufbahn der Gegengewichte bis 2,50 m über der Zugangsebene verdeckt ist.
Gegengewichte sollten sicher geführt und deren Laufbahn bis zu einer Höhe von 2,50m über dem Fußboden bzw. einer anderen dauerhaften Zugangsebene vollständig verdeckt werden (beispielsweise mit einer Blechverkleidung). Es wird davon ausgegangen, dass oberhalb 2,50m Höhe Personen nicht mehr gefährdet werden können, sodass hier eine nicht vorhandene Verdeckung keine Gefährdung darstellt. Es ist konstruktiv sicherzustellen, dass das Gewicht, sein Tragmittel und die Befestigung des Tragmittels für Prüfungen (s. Kap. 10.1 "Instandhaltung`) zugänglich sind.
(5) Bei senkrecht bewegten kraftbetätigten Türen und Toren mit Seil-, Gurt- oder Kettenaufhängung muss das Schlaffwerden des Tragmittels verhindert werden, sofern nicht direkt auf den Flügel wirkende Fangvorrichtungen vorhanden sind.
Wenn bei senkrecht bewegten Toren (Türen dieser Art sind unüblich) ein Tragmittel, das heißt die Verbindung zwischen Antrieb und Torflügel, schlaff wird, und keine direkt am Flügel wirkende Fangvorrichtung vorhanden ist, kann sich der Flügel unkontrolliert bis hin zum Absturz bewegen. Dies stellt eine Gefährdung dar und kann außerdem zu Beschädigungen des Tores führen.
Stand der Technik sind sogenannte Schlaffseilschalter, die erkennen, wenn das Seil, der Gurt oder die Kette keine ausreichende Spannung mehr hat und unverzüglich den Antrieb abschalten. Es ist zu empfehlen, jedes Tragmittel (meistens werden zwei eingesetzt) mit einem Schlaffseilschalter zu überwachen.
7.1 Sicherung gegen Abstürzen der Flügel
(1) Beim Betrieb von senkrecht bewegten Flügeln müssen diese mit Fangvorrichtungen gesichert sein, die beim Versagen der Tragmittel ein Abstürzen der Flügel selbsttätig verhindern.
Der Einsatz von baumustergeprüften Fangvorrichtungen ist vorzuziehen. Siehe auch Kapitel 10.2 Absatz (4).
Gebräuchliche Fangvorrichtungen sind:
Mit Auslösen der Fangvorrichtung muss der Antrieb selbsttätig abgeschaltet werden.
(2) Von Fangvorrichtungen nach Absatz (1) kann abgesehen werden:
7.2 Sicherung gegen Herausfallen der Flügel
(1) Tür- und Torflügel müssen gegen unbeabsichtigtes Verlassen der Führungseinrichtungen gesichert sein.
(2) Beim Öffnen oder Schließen der Flügel von kraftbetätigten Türen und Toren müssen diese in ihren Endstellungen selbsttätig zum Stillstand kommen. Können Flügel beim Versagen der Begrenzungseinrichtungen über ihre Endstellungen hinausfahren, müssen Notendschalter oder feste Anschläge in Verbindung mit einer Überlastsicherung vorhanden sein.
Das Verlassen der Führungen muss in allen Betriebszuständen (offen, geschlossen, fahrend) verhindert werden. Dies gilt beispielsweise bei Kollision mit Personen und Gegenständen oder auf den Flügel wirkende Windlast.
Maßnahmen können z.B. sein:
Um ungewolltes Weiterlaufen des Antriebs bei blockiertem Flügel zu verhindern, greifen je nach Tür-/ Tortyp beispielsweise folgende Sicherheitseinrichtungen:
Torantriebe verfügen in den beiden Endlagen häufig über jeweils einen Betriebsendschalter (mechanisch oder elektronisch), sowie jeweils einen Notendschalter, der nach Überfahren der Betriebsendschalter angefahren wird und die Stromzufuhr des Antriebs unterbricht.
(3) Begrenzungseinrichtungen, wie Stopper oder Anschläge, müssen eine ausreichende Festigkeit aufweisen.
Alternativ zu den vorgenannten Maßnahmen kann mechanisch, beispielsweise durch Stopper oder Anschläge, verhindert werden, dass der Flügel über die Endlage hinaus fährt. Die Dimensionierung des Stoppers bzw. Endanschlags muss die auftretenden dynamischen Kräfte, die maximalen Drehmomente des Antriebs und die Windlasten berücksichtigen.
8 Sicherheit der Steuerung
8.1 Steuerung ohne Selbsthaltung
An Türen und Toren kann bei Steuerung ohne Selbsthaltung (Totmannsteuerung) auf die Sicherungen nach Punkt 6 verzichtet werden, wenn:
Auf Schutzeinrichtungen nach Kapitel 6 kann nur dann verzichtet werden, wenn alle oben genannten Bedingungen zur Totmannsteuerung erfüllt sind. Sobald eine der Bedingungen nicht oder nur unzureichend erfüllt wird, ist eine Absicherung nach Kapitel 6 erforderlich.
Die nachfolgenden Regelungen gelten sowohl für die Schließ- als auch für die Öffnungsbewegung. Die Öffnungsbewegung kann jedoch auch in Selbsthaltung gesteuert werden, wenn von ihr keine Gefährdung ausgehen kann (z.B. keine Einzugsgefahr bei glattflächigen Flügeln, keine Quetsch- und Scherstellen z.B. am Sturz, Pfosten oder anderen Teilen der Umgebung).
Anmerkungen zu den Spiegelstrichen:
- bei manuell betätigter Steuerung ohne Selbsthaltung die Flügelbewegung durch das Loslassen der Befehlseinrichtung unmittelbar zum Stillstand kommt
Der Flügel darf sich nur bewegen, solange die Befehlseinrichtung (z.B. Taster, Zugseil, usw.) durch den Bediener des Tores/der Tür aktiv betätigt wird. Ein Loslassen der Befehlseinrichtung muss zum sofortigen Stopp des Flügels führen. Der Nachlaufweg darf nach DIN EN 12453 nicht größer als 50mm sein (bei Öffnungsweiten > 500 mm darf der Nachlaufweg bis zu 100 mm betragen). Sogenannte rastende Befehlseinrichtungen (Schalter) sind nichtzulässig.
- die Befehlseinrichtung so angeordnet ist, dass der Gefahrenbereich vom Bedienungsstandort aus vollständig eingesehen werden kann
Vom Bedienstandort der Befehlseinrichtung muss der gesamte Gefahrenbereich (in der Regel Bewegungsbereich des Flügels) in jeder Betriebssituation auch bei ungünstigen Sichtverhältnissen einsehbar sein.
Ein Kamera-Monitor-System (KMS) oder ein Spiegel liefert keine direkte Ansicht und erfüllt deshalb die Anforderungen nicht.
- die Bedienung der Befehlseinrichtung durch unbefugte Personen durch technische oder organisatorische Maßnahmen ausgeschlossen wird
In öffentlich zugänglichen Bereichen muss die Befehlseinrichtung zur Bedienung einen Schlüssel oder Ähnliches erfordern oder sich in einem verschlossenen Bereich (z.B. Raum mit Sichtfenster auf das Tor/die Tür) befinden. Nur eingewiesenes und befugtes Personal darf Zugriff zum Schlüssel oder den entsprechenden Zugang zur Befehlseinrichtung haben.
- die Schließgeschwindigkeit der Flügel, gemessen an der Hauptschließkante, maximal 0,5 m/s beträgt.
Bei mehrflügeligen Türen und Toren z.B. Teleskoptoren/türen müssen alle Flügel bzw. Flügelteile diese maximale Geschwindigkeit einhalten.
8.2 Steuerung mit Selbsthaltung (Impulssteuerung)
(1) Impulsgesteuerte Flügelbewegungen dürfen nur durch die hierfür vorgesehenen Befehlseinrichtungen ausgelöst werden.
Durch Erzeugen und Übertragen eines Impulses an die Tor-/Türsteuerung beginnt diese zu öffnen, zu schließen oder zu öffnen und nach Ablauf einer Offenhaltezeit selbsttätig zu schließen oder bei Dauerimpulsgabe solange geöffnet zu bleiben, wie der Dauerimpuls anliegt (z.B. Öffnen über Zentrale Leittechnik (ZLT) oder Brandmeldeanlage (BMA)).
Befehlseinrichtungen zum Erzeugen eines Impulses können z.B. sein:
Impulse können z.B. über Funk- oder Kabelverbindung übertragen werden.
(2) Impulsgesteuerte Türen und Tore sind so zu betreiben, dass Beschäftigte z.B. gegen Quetschgefährdungen geschützt sind. Dazu müssen die entsprechenden Schutzeinrichtungen so beschaffen sein, dass beim Auftreten eines Fehlers in der Einrichtung, der einen Befehl zur Unterbrechung der gefährdenden Flügelbewegung verhindern würde,
Einfehlersicherheit:
Die Schutzeinrichtung muss in Verbindung mit der Steuerung des Tores/der Tür so beschaffen sein, dass das Auftreten eines Fehlers (z.B. Kurzschluss, Leitungsunterbrechung, defekter Sensor/Lichtschranke, defekte Schaltleiste/Schaltmatte usw.) nicht zum Verlust der Schutzfunktion führt.
Dies kann beispielsweise durch doppelt vorhandene Schutzeinrichtungen oder Umschaltung auf sichere Betriebsarten (z.B. Totmannsteuerung, Niedrigenergie-Antrieb) erreicht werden. Der Fehler muss erkannt und angezeigt werden.
Testung:
Ein Fehler muss durch selbsttätiges, zyklisches Abfragen des sicheren Zustandes der Sicherheitseinrichtung/ Schutzfunktion erkannt werden. Nach Erkennen des Fehlers muss die Tür/ das Tor unmittelbar in den sicheren Zustand wechseln (z.B. in eine der Endlagen). Eine weitere gefährdende Fahrt ist nicht zugelassen. Der Weiterbetrieb in Totmannsteuerung ist jedoch möglich, sofern die Bedingungen nach 8.1 erfüllt sind.
8.3 Abschalt- und NOT-HALT-Einrichtungen
(1) Damit gefährdende Flügelbewegungen nach Abschalten des Antriebes oder bei Ausfall der Energieversorgung (z.B. elektrisch, pneumatisch, hydraulisch) für den Antrieb verhindert werden, muss nach Abschalten des Antriebes oder des Ausfalls der Energieversorgung die Bewegung der Flügel unmittelbar zum Stillstand kommen. Eine unbeabsichtigte erneute Bewegung der Flügel darf nicht möglich sein. Abweichend von Satz 1 dürfen Flügel von kraftbetätigten Türen und Toren, die einen Brandabschluss bilden, nur verwendet werden, wenn sie bei Ausfall der Energieversorgung ohne Gefährdung von Beschäftigten selbsttätig schließen.
(2) Werden zur Sicherung von Quetsch- und Scherstellen an Schließkanten von Brandabschlüssen Einrichtungen verwendet, die bei Berührung oder Unterbrechung durch einen Beschäftigten die Flügelbewegung zum Stillstand oder Reversieren bringen, muss sich der im Brandfall eingeleitete Schließvorgang nach Freigabe dieser Sicherheitseinrichtung selbsttätig fortsetzen.
Bei Abschalten des Antriebes z.B. durch Schutzeinrichtungen, wie Lichtschranke, Schaltleiste, Anwesenheitssensor, oder bei Netzausfall muss der Flügel unverzüglich zum Stillstand kommen.
Türen und Tore in Flucht- und Rettungswegen müssen bei Netzausfall oder Fehler in einer Schutzeinrichtung, der das Öffnen verzögern oder verhindern kann, öffnen und in geöffneter Stellung verbleiben, bis der Netzausfall oder der Fehler behoben ist. Dies gilt nicht für Türen und Tore mit Break-Out.
Bei Feuerschutzabschlüssen hat im Brandfall das Schließen Vorrang und darf nicht dauerhaft unterbrochen werden. Wird der Schließvorgang (zum Personenschutz) unterbrochen, muss er nach Freiwerden der Sicherheitseinrichtung automatisch fortgesetzt werden.
Bei Brandschutztoren, die im Alarm fall mit einem mechanischen Kraftspeicher (beispielsweise Schwerkraft) ohne Kraftbegrenzung schließen, ist ein akustisches Signal vorgeschrieben (DIN EN 12604). Brandschutztüren schließen wie handbetätigte Türen mit Türschließer oder Federband.
(3) Eine NOT-HALT-Einrichtung ist dann erforderlich, wenn im Ergebnis einer Gefährdungsbeurteilung festgestellt wird, dass durch diese Maßnahme eine zusätzliche Sicherheit erreicht werden kann. Abweichend von Satz 1 sind kraftbetätigte Karusselltüren unmittelbar an den Zugangsstellen mit NOT-HALT-Einrichtungen auszurüsten. NOT-HALT-Einrichtungen sind so anzubringen, dass sie gut sichtbar und schnell erreichbar sind.
Generell sind nach Maschinenrichtlinie NOT-HALT-Einrichtungen erforderlich, es sei denn, die Gefährdungsbeurteilung kommt zum Schluss, dass mit der NOT-HALT-Einrichtung (Not-Stopp) keine zusätzliche Sicherheit erreicht wird. Entscheidend für die Ausstattung der Tür oder des Tores mit NOT-HALT-Einrichtungen ist die jeweilige Gefährdungsbeurteilung. Zum Beispiel sind bei Toren mit Totmannsteuerung NOT-HALT-Einrichtungen nicht erforderlich.
Hinweis:
Schiebe- und Falttüren ohne Break-Out-Funktion in Flucht- und Rettungswegen dürfen nicht mit NOT-HALT-Einrichtung ausgestattet werden, da bei deren Betätigung der Fluchtweg nicht freigegeben werden würde.
Bei Karusselltüren sind immer NOT-HALT-Einrichtungen notwendig. Die ASR A1.7 fordert diese an beiden Zugängen. Da die Not-Halt-Einrichtungen auf der Gebäudeaußenseite im öffentlichen Bereich zu Missbrauch und dadurch zu zusätzlichen Gefährdungen geführt haben, werden gemäß DIN EN 16005 Not-Halt-Einrichtungen nur noch an der Gebäudeinnenseite gefordert. Hier ist das Ergebnis der Gefährdungsbeurteilung für das individuelle System maßgebend.
Nach dem Rückstellen einer Not-Halt-Einrichtung wird durch das Überwachungssystem eine Funktionsprüfung vorgenommen. Ein automatischer Neustart des Tür- oder Torsystems ist nur dann zulässig, wenn alle sicherheitsbezogenen Funktionen ordnungsgemäß ausgeführt werden.
(4) Türen und Tore mit elektrischem Antrieb dürfen nur verwendet werden, wenn sie eine Netztrenneinrichtung (z.B. Hauptschalter, geeignete Steckverbindungen) besitzen, mit der das System allpolig vom Stromnetz getrennt werden kann. Die Netztrenneinrichtung muss gegen irrtümliches oder unbefugtes Einschalten gesichert sein. Dies gilt sinngemäß auch für pneumatische und hydraulische Antriebe; Restenergien sind ohne Gefährdung von Beschäftigten abzuleiten.
Um ein sicheres Arbeiten am Antrieb oder dem Gesamtsystem zu ermöglichen, ist die Netzzuleitung allpolig (einschließlich Neutralleiter) vom Netz zu trennen. Dies kann durch dafür zugelassene allpolige Hauptschalter oder allpolige Steckvorrichtungen, z.B. Schukostecker, CEE-Stecker, erfolgen. Die Netztrenneinrichtung ist gegen unbeabsichtigtes und/oder unbefugtes Wiedereinschalten bzw. Wiedereinstecken (z.B. durch eine dritte Person) zu sichern. Dies kann zum Beispiel durch Sicherheitsschlösser, Abdeckungen oder Einstecksicherungen erfolgen. Die Sicherung gegen Wiedereinschalten bzw. Wiedereinstecken ist nicht notwendig, wenn die Netztrenneinrichtung im unmittelbaren Arbeits- und Sichtbereich des Monteurs liegt.
Hydraulische oder pneumatische Drucksysteme sind von dem Tür- oder Torsystem zu trennen und drucklos zu machen, um Restenergien abzuleiten.
Gespeicherte Energien sind auf geeignete Weise wirkungslos zu machen. Z. B. sind Akkus vor Beginn der Arbeiten von der Steuerung zu trennen. Welche Maßnahmen erforderlich sind, soll aus der Bedienungs-/ Wartungsanleitung hervorgehen.
9 Anforderungen an Türen und Tore im Verlauf von Fluchtwegen
(1) Automatische Schiebetüren und Schnelllauftore (ausgenommen Feuer- und Rauchschutztüren und -tore) dürfen nur verwendet werden, wenn sie bei Ausfall der Energiezufuhr selbsttätig öffnen oder über eine manuelle Öffnungsmöglichkeit (Break-Out) verfügen. Automatische Karusselltüren dürfen nur verwendet werden, wenn sich Teile der Innenflügel ohne größeren Kraftaufwand (siehe Punkt 10.1 Abs. (3)) von Hand und ohne Hilfsmittel sowie in jeder Stellung der Tür auf die erforderliche Fluchtwegbreite öffnen lassen. Weitere Bestimmungen zu Türen und Toren im Verlauf von Fluchtwegen enthält die ASR A2.3 "Fluchtwege und Notausgänge, Flucht- und Rettungsplan".
Verkehrswege in Fluchtwegen sind grundsätzlich freizuhalten. Das heißt, Türen in Fluchtwegen müssen in Fluchtrichtung (bei Ausfall der Kraftbetätigung auch manuell) jederzeit zu öffnen sein. Auch nach einem Ansprechen der Sicherheitseinrichtungen (z.B. Sensorleisten) muss die manuelle Öffnung der Tür mit einer Kraft von maximal 220 N möglich sein.
Kraftbetätigte Schiebetüren und Schnelllauftore müssen im Fehlerfall oder bei Ausfall der Energieversorgung (z.B. über gespeicherte Energie) selbsttätig öffnen. Alternativ sind sogenannte Break-Out-Systeme zulässig, die ein manuelles Öffnen des geschlossenen Tür- oder Torflügels in Fluchtrichtung ermöglichen (z.B. Ausschwenken des Flügels, Aufreißen des Torvorhanges an dafür vorgesehenen Stellen). Bei Karusselltüren mit großen Durchmessern kann es erforderlich sein, eine notwendige Flügelverriegelung mittels Not-Halt-Taste einfehlersicher zu entriegeln, um die Flügel ausschwenken zu können.
Generell ist für jede Karusselltür, aber auch für kraftbetätigte Tore, im Fluchtweg eine bauaufsichtliche Zustimmung im Einzelfall erforderlich.
Zu Anforderungen an Tore im Fluchtweg siehe auch DGUV Information 208-044 "Automatische Tore im Fluchtweg".
(2) Die Anzahl und Lage von Türen und Toren ergibt sich insbesondere aus den Fluchtweglängen nach ASR A2.3.
Die Bemessung der erforderlichen Fluchtwegbreiten je Tür/Tor sowie der Gesamtfluchtwegbreite ergibt sich aus der ASR A2.3
10 Instandhaltung einschließlich sicherheitstechnischer Prüfung
(1) Die Betriebs-, Instandhaltungs- und Prüfanleitungen des Herstellers sind zu beachten und müssen in der Arbeitsstätte verfügbar sein. Türen und Tore unterliegen durch betriebliche Veränderungen (insbesondere Nutzungsänderungen, Nachrüstungen und Umbauten) Einflüssen, die im Hinblick auf die Sicherheit neue Voraussetzungen schaffen können. Bei der Beurteilung, ob Türen und Tore unterveränderten Nutzungsbedingungen noch ausreichend sicher sind, ist das Ergebnis der sicherheitstechnischen Prüfung zu berücksichtigen. Der Hersteller sollte mit einbezogen werden.
(2) Bauteile, von denen der sichere Betrieb der Türen und Tore abhängt, müssen für die Instandhaltung und Prüfung leicht zugänglich sein.
Der sichere Betrieb von Türen und Toren setzt deren regelmäßige Instandhaltung voraus. Der Betreiber ist verantwortlich, dass diese Arbeiten durchgeführt werden.
Für die Instandhaltung müssen alle Bauteile, von denen der sichere Betrieb der Türen und Tore abhängt, leichtzugänglich sein, beispielsweise durch entsprechend große Revisionsöffnungen.
Unter dem Begriff Instandhaltung versteht man:
Bei der Prüfung werden Mängel als Abweichungen zwischen Soll- und Ist-Zustand erfasst. Durch regelmäßige Sicht- und Funktionsprüfung kann der Betreiber augenscheinliche Mängel frühzeitig erkennen. Die sicherheitstechnische Prüfung kraftbetätigter Türen und Tore erfolgt durch Sachkundige.
Die Wartung umfasst alle Maßnahmen zur Bewahrung des Soll-Zustandes von Türen und Toren. Die im Rahmen der Wartung auszuführenden Arbeiten sowie deren Intervalle werden vom Hersteller vorgegeben.
Unterinstandsetzung versteht man den Austausch von Verschleißteilen und defekten Teilen. Im Rahmen der Instandsetzung werden auch die bei der Prüfung festgestellten Mängel behoben. Es sind nur Ersatzteile geeignet, die den Herstellerspezifikationen entsprechen.
Wartung und Instandsetzung erfordern besondere Fachkenntnisse. Darüber hinaus können systemgebundene Ausrüstungen erforderlich sein. Deshalb gibt der Betreiber diese Aufgaben meist an Fachunternehmen ab.
10.1 Instandhaltung
(1) Vor Instandhaltungsarbeiten müssen Flügel gegen unbeabsichtigte Bewegung gesichert werden.
(2) Vor Instandhaltungsarbeiten muss der Antrieb der Türen und Tore abgeschaltet und gegen irrtümliches und unbefugtes Einschalten gesichert werden. Hiervon ausgenommen bleibt der Probelauf (Funktionsprüfung).
(3) Der Kraftaufwand für das Öffnen oder Schließen von Hand sollte für Türen 220 N und für Tore 260 N nicht überschreiten. Für kraftbetätigte Tore darf in begründeten Fällen der maximale Kraftaufwand um 50 Prozent überschritten werden.
Da eine Kraft von 220 N und mehr nicht von jeder Person aufgebracht werden kann, sollte der Kraftaufwand soweit wie möglichst reduziert werden.
(4) Rahmenlose Glastüren und Glasschiebeelemente sind regelmäßig auf Beschädigungen des Glases, insbesondere auf Kantenverletzungen und auf den festen Sitz der Beschläge bzw. Türbänder hin zu prüfen, um Glasbruch vorzubeugen.
(5) Die Instandsetzung von Türen und Toren darf nur durch Personen durchgeführt werden, die mit den jeweiligen Instandsetzungsarbeiten vertraut sind.
Bei allen Arbeiten an Türen und Toren sind die Flügel gegen unbeabsichtigte Bewegungen zu sichern. Der Antrieb ist abzuschalten und gegen irrtümliches und unbefugtes Einschalten von Netz- und ggf. Akkuspannung allpolig zu trennen. Hierfür haben sich abschließbare Hauptschalter oder Steckvorrichtungen bewährt. Bei pneumatischen und hydraulischen Antrieben ist sinngemäß zu verfahren (siehe 8.3 Punkt (4)).
10.2 Sicherheitstechnische Prüfung
(1) Kraftbetätigte Türen und Tore müssen nach den Vorgaben des Herstellers vor der ersten Inbetriebnahme, nach wesentlichen Änderungen sowie wiederkehrend sachgerecht auf ihren sicheren Zustand geprüft werden. Die wiederkehrende Prüfung sollte mindestens einmal jährlich erfolgen. Die Ergebnisse der sicherheitstechnischen Prüfung sind aufzuzeichnen und in der Arbeitsstätte aufzubewahren.
Die in der ASR geforderte jährliche (d.h. alle 12 Monate durchzuführende) Prüfung geht von normaler Nutzung und Umgebungsbedingungen aus. Auf Grund von besonderen Umgebungsbedingungen (z.B. Witterung, aggressive Medien) oder intensiver Nutzung können sich kürzere Intervalle für die Prüfung und/oder Wartung ergeben. Der Betreibersollte die Angaben des Herstellers bei seiner Gefährdungsbeurteilung berücksichtigen.
Auch für nicht kraftbetätigte Türen und Tore ist eine solche Prüfung empfehlenswert.
(2) Die sicherheitstechnische Prüfung von kraftbetätigten Türen und Toren darf nur durch Sachkundige durchgeführt werden, die die Funktionstüchtigkeit der Schutzeinrichtungen beurteilen und mit geeigneter Messtechnik, die z.B. den zeitlichen Kraftverlauf an Schließkanten nachweist, überprüfen können. Des Weiteren sind die länderspezifischen baurechtlichen Bestimmungen (z.B. Technische Prüfverordnung) zu beachten.
Sachkundig ist, wer auf Grund seiner fachlichen Ausbildung, Tätigkeit und Erfahrung sowie seiner Kenntnisse der für den Betrieb kraftbetätigter Türen und Tore einschlägigen Arbeitsschutzvorschriften, Arbeitsstättenregeln und allgemein anerkannter Regeln der Technik in der Lage ist, den arbeitssicheren Zustand von Türen und Toren zu beurteilen.
(3) Brandschutztüren und -tore sind nach der allgemeinen bauaufsichtlichen Zulassung bzw. dem Prüfzeugnis regelmäßig zu prüfen, damit sie im Notfall einwandfrei schließen (z.B. Feststellanlagen einmal monatlich durch den Betreiber und einmal jährlich durch den Sachkundigen).
(4) Die sicherheitstechnische Prüfung schließt die Überprüfung des Vorhandenseins einer vollständigen technischen Dokumentation und der Betriebsanleitung ein.
Die Prüfungen beziehen sich auf die Funktionssicherheit der Tür- und Torsysteme, um Gefährdungen von Personen und Sachen zu vermeiden. Zu dieser Prüfung und Beurteilung ist die technische Dokumentation des Herstellers heranzuziehen.
Geprüft werden die Vollständigkeit des Tür- und Torsystems sowie das Zusammenwirken der Komponenten.
Zu prüfen sind beispielsweise:
Zudem sind die Bewegungsabläufe des Systems und die sicherheitsrelevanten Kräfte zu prüfen.
Zur Prüfung der Mechanik und Stabilität gehört auch die Überprüfung der Fangvorrichtungen nach Herstellerangaben. Baumustergeprüfte Fangvorrichtungen brauchen keiner Funktionsprüfung unterzogen zu werden.
Nicht baumustergeprüfte Fangvorrichtungen sollten heute kaum noch im Einsatz sein. Sie sind streng nach der Betriebsanleitung oder in Absprache mit dem Hersteller auf Funktionsfähigkeit zu prüfen. Vor der Durchführung von Fangversuchen müssen Vorsichtsmaßnahmen getroffen werden, da auch mit dem Versagen der Fangvorrichtung gerechnet werden muss. Da auch bei funktionstüchtiger Fangvorrichtung bleibende Verformungen auftreten können, müssen anschließend möglicherweise Teile ausgetauscht werden. Ein Austausch der nicht geprüften gegen eine baumustergeprüfte Fangvorrichtung ist dringend zu empfehlen.
Der Prüfungsumfang von Türen und Toren erstreckt sich auch auf Antriebe, bei denen beispielsweise deren Befestigung, Lagerung, Geräuschentwicklung und Dichtigkeit zu prüfen sind.
Weiter sind zum Beispiel zu prüfen:
Bei der sicherheitstechnischen Überprüfung der Schließ- und Öffnungskräfte werden die auftretenden statischen und dynamischen Kräfte zwischen der Haupt-/Neben- und der Gegenschließkante gemessen. Die in der DIN EN 12453 (für Tore) und DIN EN 16005 (für Türen) festgelegten Grenzwerte, sowohl für die Höhe der Kräfte als auch für deren Einwirkungsdauer (s. Tabellen 3 und 4 im Kapitel 6), dürfen nicht überschritten werden.
Bei sehr leichten Flügeln mit einer einwirkenden Kraft, die nie über 50N steigt, kann die Restkraft 50 N betragen, wenn der Flügel mit einer Kraft < 50 N um 50 mm zurückgedrückt werden kann, um sich zu befreien.
Wenn der Hersteller von Türen und Tore in der Bedienungs- bzw. Wartungsanleitung einen oder mehrere Messpunkte festgelegt hat, sollte die Prüfung nach diesen Herstellerangaben durchgeführt werden.
Wenn keine Herstellerempfehlung vorliegt, sollte mindestens eine Kraftmessung an einer für das Tor- oder Türsystem charakteristischen Stelle mit einem geeigneten, in den Normen DIN EN 12453 und DIN EN 16005 festgelegten Kraftmessgerät durchgeführt werden. Das Kraftmessgerät muss sowohl die Höhe als auch die Dauer der Krafteinwirkung erfassen können. Wenn Zweifel an der Aussagekraft des Messwertes bestehen, sollte zur Absicherung mindestens eine weitere Messung durchgeführt werden.
Die Schließkraftmessung wird bei vertikal schließenden Toren üblicherweise bei einer Öffnungsweite von 300 mm durchgeführt. Darüber hinaus ist bei einer Öffnungsweite von 50 mm die Reversierfunktion zwischen der Haupt- und der Gegenschließkante zu überprüfen. Ziel ist die Vermeidung von Quetschgefahr für Gliedmaßen. Ist diese durch einen hohen Verformungsweg der Schaltleiste vermieden, kann in Ausnahmefällen der unterste Reversierpunkt geringfügig über den 50 mm liegen.
Abb. 25 Schließkraftmessung an der Hauptschließkante eines Torflügels
Bei horizontal schließenden Toren empfiehlt sich ebenfalls eine Schließkraftmessung bei einer Öffnungsweite von 300 mm.
Bei kraftbetätigten Türen sollte die Messung für jeden in Tabelle 3, Kapitel 6 angegebenen Öffnungsweitenbereich durchgeführt werden.
In folgenden Fällen ist die Messung der Schließkräfte bei kraftbetätigten Tür- und Torsystemen entbehrlich bzw. nicht sinnvoll:
Tore, die nicht berührungslos abgesichert sind und Schließkräfte über 50 N erzeugen, müssen zum Einhalten der Kraftgrenzen reversieren. Ist dies nicht der Fall, müssen geeignete Maßnahmen ergriffen werden.
Werden Quetschstellen an Nebenschließkanten durch Kraftbegrenzung abgesichert, muss deren Wirksamkeit ebenfalls überprüft werden.
Über die Prüfung ist ein schriftlicher Nachweis mit Angabe der Bezeichnung des Tores bzw. der Tür, des Standortes, des Prüfungsdatums, des Namens des Prüfers und des Befundes zu führen. Auch die Ergebnisse der Kraftmessung sind in diesem Prüfprotokoll zu dokumentieren. Eine handschriftliche Übertragung des abgelesenen Messwertes ist ausreichend.
Das Prüfprotokoll ist vom Prüfer zu unterschreiben und dem Betreiber auszuhändigen bzw. zuzustellen.
Beispiele für Wartungs- und Prüfprotokolle siehe Anhang 3.
Prüfungen erfolgen in Eigenverantwortung des Prüfenden. Er ist für die Prüfung und das Ergebnis verantwortlich. Bei schweren Mängeln ist der Betreiber der Anlage umgehend zu informieren, so dass er seiner Verantwortung, die Anlage außer Betrieb zu nehmen, nachkommen kann.
| Angaben für Planung und Auswahl von Toren |
Anhang 1 |
| Einsatzbereich | [ ] | öffentlich | |||
| [ ] | nicht öffentlich | ||||
| [ ] | Außentor | ||||
| [ ] | Innentor | ||||
| Abmessungen (lichtes Maß) |
Breite x Höhe ... ... ... ... mm x ... ... ... ... mm | ||||
| Anzahl der Zyklen pro Tag | ... ... ... ... | ||||
| Öffnungsweise | Handbetätigung | [ ] | |||
| Kraftbetätigung | [ ] | ||||
| - Tore bis 0,5 m/s Schließgeschwindigkeit
- Tore ab 0,5 m/s Schließgeschwindigkeit (Schnelllauftore) |
|||||
| Steuerung | Taster ohne Selbsthaltung (Totmannsteuerung) | [ ] | |||
| Impulssteuerung mit Sicht zum Tor (Taster neben dem Tor) | [ ] | ||||
| Impulssteuerung ohne Sicht zum Tor (Fernsteuerung) | [ ] | ||||
| Automatikbetrieb (Sensoren, Kontaktschleifen...) | [ ] | ||||
| Bauart | Sektionaltor | [ ] | |||
| Schiebetor | [ ] | ||||
| Rolltor | [ ] | ||||
| Falttor | [ ] | ||||
| Rollgittertor | [ ] | ||||
| Kipptor | [ ] | ||||
| [ ] | |||||
| Leistungseigenschaften | Widerstandsfähigkeit gegen Windlast | [ ] | Material | Metall | [ ] |
| Wärmedurchgangs-Koeffizient | [ ] | Kunststoff | [ ] | ||
| Schallschutz | [ ] | Folie | [ ] | ||
| Schlagregendichtigkeit | [ ] | Glas(-anteil) | [ ] | ||
| Luftdurchlässigkeit | [ ] | sonstiges | [ ] | ||
| Feuerschutz | [ ] | ||||
| Rauchschutz | [ ] | Sicherheitseinrichtung | Kraftbegrenzung | [ ] | |
| Sachschutz | [ ] | Schaltleiste | [ ] | ||
| Einbruchschutz | [ ] | Berührungslose Absicherung | [ ] | ||
| [ ] | Schaltmatten | [ ] | |||
| Zusätzliche Einrichtungen | Schlupftür | [ ] | Vorfeldabsicherung | [ ] | |
| Lichtband | [ ] | Trennende Schutzeirichtung | [ ] | ||
| Fenster | [ ] | Sicherheitsabstände | [ ] | ||
| Belüftungsöffnungen | [ ] | Ampel | [ ] | ||
| [ ] | |||||
| Angaben für Planung und Auswahl von Türen |
Anhang 2 |
| Einsatzbereich | [ ] | öffentlich | |||
| [ ] | nicht öffentlich | ||||
| [ ] | Fluchtweg | ||||
| [ ] | Feuerschutzabschluss | ||||
| [ ] | Nachströmöffnung (für Rauchabzug) | ||||
| [ ] | Barrierefrei | ||||
| [ ] | Außentür | ||||
| [ ] | Innentür | ||||
| Abmessungen (lichtes Maß) |
Breite x Höhe ... ... ... ... mm x ... ... ... ... mm | ||||
| Anzahl der Zyklen pro Tag | ... ... ... ... | ||||
| Öffnungsweise | Handbetätigung | [ ] | |||
| Kraftbetätigung | [ ] | ||||
| Steuerung | Automatikbetrieb (Sensoren,) | [ ] | |||
| Impulssteuerung | [ ] | ||||
| Bauart | Drehflügeltür | [ ] | |||
| Schiebetür | [ ] | ||||
| Teleskopschiebetür | [ ] | ||||
| Falttür | [ ] | ||||
| Karusselltür | [ ] | ||||
| [ ] | |||||
| Leistungseigenschaften | Widerstandsfähigkeit gegen Windlast | [ ] | |||
| Wärmedurchgangs-Koeffizient | [ ] | ||||
| Schallschutz | [ ] | ||||
| Schlagregendichtigkeit | [ ] | ||||
| Luftdurchlässigkeit | Brandschutz | [ ] | Material | Metall | [ ] |
| Rauchschutz | [ ] | Kunststoff | [ ] | ||
| Sachschutz/Einbruchschutz | [ ] | Holz | [ ] | ||
| Einbruchschutz | [ ] | Glas | [ ] | ||
| [ ] | sonstiges | [ ] | |||
| Zusätzliche Einrichtungen | Ober- und Seitenteile | [ ] | Sicherheitseinrichtung | Berührungslose Absicherung | [ ] |
| Fenster | [ ] | Kraftbegrenzung | [ ] | ||
| Belüftungsöffnungen | [ ] | Schaltleiste | [ ] | ||
| Vereinzelung | [ ] | Trennende Schutzeirichtung | [ ] | ||
| Türschließer | [ ] | Sicherheitsabstände | [ ] | ||
| Verriegelung | [ ] | Schaltmatten | [ ] | ||
| [ ] | Ampel | [ ] | |||
| Beispielprotokoll für Rolltore und Rollgitter (Prüfung nach ASR A1.7) |
Anhang 3 |
| Vertrag-Nr.: |
| Name und Anschrift des Betreibers: |
| Standort der Anlage: |
| Hersteller oder Lieferer der Anlage: |
| Telefon: ... ... ... ... ... ... Torgröße: |
| Baujahr: ... ... ... ... Serien-/Kennnummer: |
| o.B. = ohne Beanstandung; B. = Beanstandung; n.v. = nicht vorhanden, nur ankreuzen, wenn Bauteil nicht vorhanden ist |
| 1. | Antrieb | o.B. | B. | n.v. |
| a) | Antriebs- und Konsolenbefestigung | [ ] | [ ] | [ ] |
| b) | Geräusche und Dichtigkeit des Antriebs | [ ] | [ ] | [ ] |
| c) | Nothandbetätigung und ggf. elektrische Verriegelung des Antriebs | [ ] | [ ] | [ ] |
| d) | Bremswirkung, Nachlauf | [ ] | [ ] | [ ] |
| 2. | Endschalter und Steuergeräte | |||
| a) | Betriebsendschaltereinstellung und Funktion | [ ] | [ ] | [ ] |
| b) | Notendschaltereinstellung und Funktion | [ ] | [ ] | [ ] |
| c) | Zusatzendschaltereinstellung und Funktion | [ ] | [ ] | [ ] |
| d) | Einstellung des Motorschutzschalters | [ ] | [ ] | [ ] |
| e) | Elektrische und mechanische Funktion der Befehls- und evtl. Zusatzgeräte | [ ] | [ ] | [ ] |
| f) | Schlupftürschalter, elektr. Verriegelung des Antriebs | [ ] | [ ] | [ ] |
| g) | Notabschalteinrichtung | [ ] | [ ] | [ ] |
| 3. | Kettenradvorgelege | |||
| a) | Kette: Fluchten und Verschleiß | [ ] | [ ] | [ ] |
| b) | Kette: Spannung | [ ] | [ ] | [ ] |
| c) | Kette: Sauberkeit, Schmierung | [ ] | [ ] | [ ] |
| d) | Kettenschutz | [ ] | [ ] | [ ] |
| e) | Kettenräder: Verschleiß, fester Sitz | [ ] | [ ] | [ ] |
| 4. | Sicherung gegen unbeabsichtigtes Schließen des Torflügels | |||
| A) | Fangvorrichtung, auf die Welle wirkend, separat angeordnet | [ ] | [ ] | [ ] |
| 1) | Befestigung und Zustand | [ ] | [ ] | [ ] |
| 2) | Bewegliche Teile: Verschleiß, Korrosion, Gängigkeit | [ ] | [ ] | [ ] |
| 3) | Schild: Vollständigkeit, Lesbarkeit | [ ] | [ ] | [ ] |
| 4) | Abschalten des Antriebs nach Fangfall | [ ] | [ ] | [ ] |
| B) | Antrieb mit integrierter Fangvorrichtung, auf die Welle wirkend | [ ] | [ ] | [ ] |
| C) | Fangvorrichtungen, die direkt auf den Flügel wirken | [ ] | [ ] | [ ] |
| 1) | Befestigung, Zustand | [ ] | [ ] | [ ] |
| 2) | Bewegliche Teile: Verschleiß, Korrosion, Gängigkeit | [ ] | [ ] | [ ] |
| 3) | Schild: Vollständigkeit, Lesbarkeit | [ ] | [ ] | [ ] |
| D) | Sonstige Systeme, Gewichtsausgleich durch Federwelle o.a. | [ ] | [ ] | [ ] |
| 5. | Welle, Andruckwelle und Lagerung (Sichtprüfung) | |||
| a) | Schweißnähte der Wellenzapfen und Konsolen | [ ] | [ ] | [ ] |
| b) | Wellenzapfen, Lager Stellringe | [ ] | [ ] | [ ] |
| c) | Befestigung der Lagerkonsolen | [ ] | [ ] | [ ] |
| 6. | Panzer | o.B. | B. | n.v. |
| a) | Verschleiß, Deformation | [ ] | [ ] | [ ] |
| b) | Seitenarretierung (z.B. Endstücke) | [ ] | [ ] | [ ] |
| c) | Aufhängung, Befestigungsschrauben | [ ] | [ ] | [ ] |
| d) | Sturmhaken/Sturmrollen | [ ] | [ ] | [ ] |
| 7. | Schließkantensicherung | |||
| Zustand und Funktion (Reversierung | [ ] | [ ] | [ ] | |
| 8. | Einhaltung der Betriebskräfte (Kurzmessung) | |||
| a) | Mittelwert von drei Messungen: | N | ||
| b) | Maximale Betriebskraft eingehalten (400N bzw. 1.400N) | ja / nein | ||
| c) | Dynamische Zeit eingehalten (0,75s) | ja / nein | ||
| d) | Statische Zeit eingehalten (5s) und Restkraft < 25N ja | / nein | ||
| 9. | Einzugssicherung | |||
| Zustand und Funktion | [ ] | [ ] | [ ] | |
| 10. | Zusätzliche Sicherheitseinrichtungen als Personen-/Objektschutz, z.B. Lichtschranke o.ä. | |||
| Zustand und Funktion | [ ] | [ ] | [ ] | |
| 11. | Führungsschiene | |||
| a) | Befestigung, Zustand (Deformation) | [ ] | [ ] | [ ] |
| b) | Verschleiß und Schmierung | [ ] | [ ] | [ ] |
| c) | Einlauftrichter | [ ] | [ ] | [ ] |
| d) | Kunststoffeinlagen; Zustand, Sitz | [ ] | [ ] | [ ] |
| 12. | Abschließbarer Hauptschalter (alternativ: CEE-Stecker) | |||
| vorhanden | ja / nein | |||
| Zustand und Funktion i.O. | ja / nein | |||
| 13. | Kennzeichnungsschild | |||
| vorhanden | ja / nein | |||
| Zustand und Funktion i.O. | ja / nein | |||
| 14. | Tordokumentation/Prüfbuch vorhanden | ja / nein | ||
| 15. | Ergebnis der Prüfung | |||
| Keine Mängel festgestellt | [ ] | |||
| Folgende Mängel festgestellt | [ ] | |||
| 1. | ||||
| 2. | ||||
| 3. | ||||
| (Bei weiteren Mängelpunkten ggf. Beiblatt benutzen) | ||||
| Der Mangel unter Nr. ... ... ist sicherheitsrelevant, stellt eine Gefahr für Menschen und Sachen dar und ist unverzüglich zu beseitigen | [ ] |
| Bis zur Mängelbeseitigung wird eine Stilllegung der Anlage dringend empfohlen | [ ] |
| Die Prüfung wurde nach bestem Wissen und Gewissen durchgeführt. Für versteckte Mängel, die bei Anwendung der erforderlichen Sorgfalt nicht zu erkennen sind, wird eine Haftung ausgeschlossen. | |
| Nächster Prüfungstermin spätestens: |
Durchschlag des Prüfprotokolls erhalten: |
| Ort, Datum |
Unterschrift des Betreibers |
| Name und Unterschrift des Prüfers (Sachkundigen) |
Herausgeber: BVT-Verband Tore An der Pönt 48 - 40885 Ratingen Telefon 02102/186-200 - Telefax 02102/186-212 |
Beispielprotokoll für kraftbetätigte Türen
Literaturverzeichnis
Nachstehend sind die insbesondere zu beachtenden Informationen zusammengestellt.
Bezugsquelle:
Bei Ihrem zuständigen Unfallversicherungsträger und unter www.dguv.de/publikationen
Informationen
DGUV Information 208-014 "Glastüren und Glaswände" (bisher BGI/GUV-I 669)
DGUV Information 208-026 "Sicherheit von kraftbetätigten Karusselltüren" (bisher BGI 5043)
DGUV Information 208-044 "Automatische Tore im Fluchtweg"
![]() |
ENDE | ![]() |
(Stand: 21.07.2025)
Alle vollständigen Texte in der aktuellen Fassung im Jahresabonnement
Nutzungsgebühr: ab 105.- € netto
(derzeit ca. 7200 Titel s.Übersicht - keine Unterteilung in Fachbereiche)
Die Zugangskennung wird kurzfristig übermittelt
? Fragen ?
Abonnentenzugang/Volltextversion