Für einen individuellen Ausdruck passen Sie bitte dieEinstellungen in der Druckvorschau Ihres Browsers an. Regelwerk |
ETAG 001 - Anhang C
Bemessungsverfahren für Verankerungen *
Leitlinie für die Europäische Technische Zulassung
für Metalldübel zur Verankerung im Beton
Ausgabe 1997
Änderung November 2006
Vom 25. Februar 2008
(BAnz Nr.79a S. 93; 28.11.2011 S. 70 11aufgehoben)
Einleitung
Die Bemessungsverfahren für Verankerungen dienen der Bemessung von Dübelverankerungen nach dem Sicherheits- und Bemessungskonzept im Rahmen der europäischen technischen Zulassungen (ETA).
Das Bemessungsverfahren im Anhang C beruht auf der Annahme, dass die erforderlichen Versuche zur Beurteilung der zulässigen Anwendungsbedingungen entsprechend Teil 1 und den nachfolgenden Teilen durchgeführt wurden. Daher ist der Anhang C eine Vorbedingung zur Beurteilung der Dübel. Bei der Benutzung anderer Bemessungsverfahren sind die durchzuführenden Versuche erneut zu überprüfen.
Die ETAs für Dübel enthalten nur die charakteristischen Kennwerte der einzelnen zugelassenen Dübel. Die Bemessung der Verankerungen (z.B. Anordnung von Dübeln in einer Dübelgruppe, Einfluss von Bauteilrändern oder -ecken auf die charakteristische Tragfähigkeit) muss nach den in den Kapiteln 3 bis 5 beschriebenen Bemessungsverfahren unter Berücksichtigung der entsprechenden charakteristischen Dübelkennwerte erfolgen.
Kapitel 7 enthält zusätzliche Nachweise zur Sicherung der charakteristischen Bauteiltragfähigkeit, die für alle Dübelsysteme gleichermaßen zutreffen.
Die Bemessungsverfahren gelten für alle Dübelarten. Jedoch sind die nachstehend aufgeführten Gleichungen nur für Dübel zu verwenden, die den vorliegenden Erfahrungen entsprechen (siehe Anhang B). Sind die Werte für charakteristische Tragfähigkeit, Achsabstände, Randabstände und Teilsicherheitsbeiwerte zwischen Bemessungsverfahren und ETa unterschiedlich, so gelten die in der ETa angegebenen Werte. Sind nationale Vorschriften nicht vorhanden, so dürfen die nachstehend aufgeführten Teilsicherheitsbeiwerte verwendet werden.
1 Geltungsbereich
1.1 Dübelarten, Dübelgruppen und Dübelanzahl
Die Bemessungsverfahren gelten für die Bemessung von Verankerungen in Beton mit zugelassenen Dübeln, die die Anforderungen dieser Leitlinie erfüllen. Die charakteristischen Dübelkennwerte sind in der jeweiligen ETa aufgeführt. Die Bemessungsverfahren gelten für Einzeldübel und Dübelgruppen. Bei einer Dübelgruppe werden die Lasten über ein steifes Anbauteil in die einzelnen Dübel der Gruppe übertragen. In einer Dübelgruppe sind nur Dübel gleicher Art, Größe und Länge zu verwenden.
Die Bemessungsverfahren umfassen Einzeldübel und Dübelgruppen nach Bild 1.1 und 1.2. Andere Dübelanordnungen, z.B. in dreieckiger oder runder Form, sind ebenfalls zulässig; jedoch sollten die Vorschriften dieses Bemessungsverfahrens auf der Grundlage von ingenieurmäßiger Planung angewendet werden. Bild 1.1 gilt nur, wenn der vorhandene Randabstand in allen Richtungen>10 hef ist.
Bild 1.1 Randferne Verankerungen (c> 10 hef), die durch die Bemessungsverfahren abgedeckt sind

Bild 1.2 Randnahe Verankerungen (c < 10 hef), die durch die Bemessungsverfahren abgedeckt sind

1.2 Betonbauteile
Das Betonbauteil muss aus Normalbeton mindestens der Festigkeitsklasse C 20/25 und höchstens C 50/60 nach ENV 206 [8] bestehen und darf nur durch vorwiegend ruhende Lasten beansprucht werden. Der Beton darf gerissen oder ungerissen sein. Im Regelfall ist aus Gründen der Einfachheit von gerissenem Beton auszugehen; andernfalls ist nachzuweisen, dass der Beton ungerissen ist (siehe 4.1).
1.3 Lastarten und -richtungen
Die Bemessungsverfahren gelten für Dübel unter vorwiegend ruhender Belastung. Sie gelten nicht für Dübel, die Druckbeanspruchungen oder Stoß- oder Erdbebenlasten unterliegen.
1.4 Sicherheitsklassen
Verankerungen, die diesen Bemessungsverfahren entsprechen, berücksichtigen Verankerungen, bei deren Versagen eine Gefahr für Leben oder Gesundheit von Menschen und/oder erhebliche wirtschaftliche Folgen bestehen.
2 Begriffe und Formelzeichen
Die in den Bemessungsverfahren häufig verwendeten Formelzeichen sind nachfolgend erläutert. Weitere Begriffe sind im Text erklärt.
2.1 Indizes
S = Einwirkung
R = Widerstand
M = Werkstoff
k = charakteristischer Wert
d = Bemessungswert
s = Stahl
c = Beton
cp = Betonausbruch auf der lastabgewandten Seite
p = Herausziehen
sp = Spalten
u = Höchstwert
y = Streckgrenze
2.2 Einwirkungen und Widerstände
F = Kraft im Allgemeinen (resultierende Kraft)
N = Normalkraft (positiv: Zugkraft; negativ: Druckkraft)
V = Querkraft
M = Biegemoment
| Fsk (Nsk; Vsk; Msk, MT,Sk) | = | charakteristischer Wert der auf einen Einzeldübel bzw. auf die Ankerplatte einer Dübelgruppe einwirkenden Kraft (Normalkraft, Querkraft, Biegemoment, Torsionsmoment) |
| Fsd (Nsd; Vsd; Msd;T,Sd) | = | Bemessungswert der auf einen Einzeldübel bzw. auf die Ankerplatte einer Dübelgruppe einwirkenden Kraft (Normalkraft, Querkraft, Biegemoment, Torsionsmoment) |
| NhSd (Vhsd) | = | Bemessungswert der einwirkenden Zugkraft (Querkraft) für den höchstbeanspruchten Dübel einer Dübelgruppe, berechnet nach 4.2 |
| Ngsd (Vgsd) | = | Bemessungswert der Summe (resultierenden) der einwirkenden Zug(Quer-)Lasten auf die zugbeanspruchten (querbeanspruchten) Dübel einer Gruppe, berechnet nach 4.2 |
| FRk (NRk;VRk) | = | charakteristischer Wert des Widerstandes eines Einzeldübels bzw. einer Dübelgruppe (Normalkraft, Querkraft) |
| FRd (NRd; VRd) | = | Bemessungswert des Widerstandes eines Einzeldübels bzw. einer Dübelgruppe (Normalkraft, Querkraft) |
2.3 Beton und Stahl
| f ck,cube | = | charakteristische Druckfestigkeit des Betons, gemessen an Würfeln von 150 mm Seitenlänge (Wert der Betonfestigkeitsklasse nach ENV 206 [8]) |
| fyk | = | charakteristische Streckgrenze des Stahls (Nennwert) |
| fuk | = | charakteristische Zugfestigkeit des Stahls (Nennwert) |
| As | = | Spannungsquerschnitt des Stahls |
| Wel | = | elastisches Widerstandsmoment, ermittelt aus dem Spannungsquerschnitt des Stahls (π · d3 / 32 für einen Rundquerschnitt mit Durchmesser d) |
2.4 Charakteristische Dübelkennwerte (siehe Bild 2.1)
| a | = | Abstand zwischen den äußeren Dübeln benachbarter Dübelgruppen oder zu Einzeldübeln |
| a1 | = | Abstand zwischen den äußeren Dübeln benachbarter Dübelgruppen oder zu Einzeldübeln in Richtung 1 |
| a2 | = | Abstand zwischen den äußeren Dübeln benachbarter Dübelgruppen oder zu Einzeldübeln in Richtung 2 |
| b | = | Breite des Betonbauteils |
| c | = | Randabstand |
| c1 | Randabstand in Richtung 1; bei randnahen Verankerungen mit Querbeanspruchung ist c, der Randabstand in Richtung der Last (siehe Bild 2.1b und Bild 5.7) | |
| c2 | = | Randabstand in Richtung 2; Richtung 2 ist senkrecht zu Richtung 1 |
| ccr | = | Randabstand zur Gewährleistung der Übertragung des charakteristischen Widerstandes (Bemessungsverfahren B und C) |
| ccr,N | = | Randabstand zur Gewährleistung der Übertragung des charakteristischen Zugwiderstandes eines Einzeldübels ohne Einfluss von Achs- und Randabstand bei Versagen durch Betonausbruch (Bemessungsverfahren A) |
| ccr,sp | = | Randabstand zur Gewährleistung der Übertragung des charakteristischen Zugwiderstandes eines Einzeldübels ohne Einfluss von Achs- und Randabstand bei Versagen durch Spalten des Betons (Bemessungsverfahren A) |
| cmin | = | minimaler zulässiger Randabstand |
| d | = | Durchmesser des Dübelbolzens oder Gewindedurchmesser |
| dnom | = | Außendurchmesser des Dübels |
| do | = | Bohrernenndurchmesser |
| h | = | Dicke des Betonteils |
| hef | = | effektive Verankerungstiefe |
| hmin | = | Mindestbauteildicke |
| lf | = | wirksame Dübellänge bei Querlast. Für Bolzen mit einem gleichmäßigen Querschnitt über die Dübellänge ist der Wert hef für die wirksame Dübellänge zu verwenden. Für Dübel mit verschiedenen Hülsen und verengten Querschnitten darf die wirksame Länge nur von der Betonoberfläche bis zur relevanten Hülse angesetzt werden. |
| s | = | Achsabstand innerhalb einer Dübelgruppe |
| s1 | = | Achsabstand innerhalb einer Dübelgruppe in Richtung 1 |
| s2 | = | Achsabstand innerhalb einer Dübelgruppe in Richtung 2 |
| scr | = | Achsabstand zur Gewährleistung der Übertragung des charakteristischen Widerstandes (Bemessungsverfahren B und C) |
| scr,N | = | Achsabstand zur Gewährleistung der Übertragung des charakteristischen Zugwiderstandes eines Einzeldübels ohne Einfluss von Achs- und Randabstand bei Versagen durch Betonausbruch (Bemessungsverfahren A) |
| scr,sp | = | Achsabstand zur Gewährleistung der Übertragung des charakteristischen Zugwiderstandes eines Einzeldübels ohne Einfluss von Achs- und Randabstand bei Versagen durch Spalten des Betons (Bemessungsverfahren A) |
| smin | = | minimaler zulässiger Achsabstand |
Bild 2.1 Betonbauteil, Dübelachs- und -randabstände
3 Bemessungs- und Sicherheitskonzept
3.1 Allgemeines
Bei der Bemessung von Dübelverankerungen ist das Sicherheitskonzept mit Teilsicherheitsbeiwerten anzuwenden. Es ist nachzuweisen, dass der Bemessungswert der Einwirkung Sd den Bemessungswert der Widerstände Rd nicht überschreitet.
Sd< Rd (3.1)
Sd = Bemessungswert der Einwirkungen
Rd = Bemessungswert der Widerstände
Sind nationale Vorschriften nicht vorhanden, ist die Ermittlung der Bemessungswerte der Einwirkungen für den Nachweis der Tragfähigkeit bzw. der Gebrauchstauglichkeit nach Eurocode 2 [1] oder Eurocode 3 [14] durchzuführen.
Für den einfachsten Fall (ständige Last und eine in gleicher Richtung wirkende veränderliche Last) gilt:
Sd = γG ·Gk + γQ ·Qk (3.2)
Gk (Qk = charakteristischer Wert einer ständigen (veränderlichen) Einwirkung
γk (yQ) = Teilsicherheitsbeiwert für ständige (veränderliche) Einwirkungen
Der Bemessungswert des Widerstandes wird wie folgt berechnet:
Rd = Rk/ γM (3.3)
| Rk | = | charakteristischer Widerstand eines Einzeldübels oder einer Dübelgruppe |
| γM | = | Teilsicherheitsbeiwert für den Materialwiderstand |
3.2 Grenzzustand der Tragfähigkeit
3.2.1 Teilsicherheitsbeiwerte für Einwirkungen
Die Teilsicherheitsbeiwerte der Einwirkungen sind abhängig von der Art der Belastung und sind den nationalen Vorschriften zu entnehmen, fehlen diese, so sind sie aus [1] oder [14] zu entnehmen. Bei Gleichung (3.2) beträgt der Teilsicherheitsbeiwert für ständige Einwirkungen γG = 1,35 und für veränderliche Einwirkungen γQ = 1,5.
3.2.2 Bemessungswert des Widerstandes
Der Bemessungswert des Widerstandes ist nach Gleichung (3.3) zu ermitteln. Beim Bemessungsverfahren a wird der charakteristische Widerstand für alle Lastrichtungen und Versagensarten berechnet.
Bei den Bemessungsverfahren B und C wird nur ein charakteristischer Widerstand für alle Lastrichtungen und Versagensarten angegeben.
3.2.3 Teilsicherheitsbeiwerte für Widerstände
Sind nationale Vorschriften nicht vorhanden, dürfen die folgenden Teilsicherheitsbeiwerte benutzt werden. Jedoch darf der Wert y2 nicht geändert werden, da er die Charakteristik des Dübels beschreibt.
3.2.3.1 Betonversagen, Versagen durch Spalten und Herausziehen
Die Teilsicherheitsbeiwerte für Betonversagen (γMc), Spalten (γMsp) und Herausziehen (γMp) sind in der jeweiligen ETa angegeben.
Sie gelten nur, wenn bei der Montage die tatsächlichen Werte für effektive Verankerungstiefe, Achs- und Randabstand nicht niedriger sind als die Bemessungswerte (nur Plustoleranzen zulässig).
Für Dübel, die den vorliegenden Erfahrungen entsprechen, ermittelt sich der Teilsicherheitsbeiwert YMc aus:
| γMc | = | γc· γ2 (3.4) |
| γc | = | Teilsicherheitsbeiwert für Beton auf Druck = 1,5 |
| γ2 | = | Teilsicherheitsbeiwert zur Berücksichtigung der Montagesicherheit eines Dübelsystems
Der Teilsicherheitsbeiwert y2 wird ermittelt aus den Ergebnissen der Montagesicherheitsversuche, siehe Teil 1, 6.1.2.2.2. |
Zuglast
| γ2 | = | 1,0 für Systeme mit hoher Montagesicherheit |
| = | 1,2 für Systeme mit: normaler Montagesicherheit | |
| = | 1,4 für Systeme mit geringer, aber noch ausreichender Montagesicherheit |
Querlast (Betonausbruch auf der lastabgewandten Seite, Betonkantenbruch)
γ2 = 1,0
Für die Teilsicherheitsbeiwerte YMsp und YMp darf der Wert für YMc, eingesetzt werden.
3.2.3.2 Stahlversagen
Die Teilsicherheitsbeiwerte γMs für Stahlversagen sind in der jeweiligen ETa angegeben.
Für Dübel, die den vorliegenden Erfahrungen entsprechen, ermitteln sich die Teilsicherheitsbeiwerte YMs in Abhängigkeit von der Beanspruchungsart wie folgt:
Zuglast:
γMs = 1,2 / fyk/ fuk>1,4 (3.5a)
Querlast mit oder ohne Hebelarm:
γMs = 1,0 / fyk/ fuk>1,25 fuk< 800 N/mm2 (3.5b)
und
fyk/ fuk< 0,8
γMs = 1,5 fuk > 800 N/mm2 (3.5c)
oder fyk / fuk > 0,8
3.3 Grenzzustand der Gebrauchstauglichkeit
Für den Grenzzustand der Gebrauchstauglichkeit muss nachgewiesen werden, dass die bei den charakteristischen Einwirkungen auftretenden Verschiebungen nicht größer sind als die zulässigen Verschiebungen. Zu den charakteristischen Verschiebungen siehe 6. Die zulässige Verschiebung hängt von der jeweiligen Anwendung ab und ist vom zuständigen Planungsingenieur zu beurteilen.
Bei diesem Nachweis dürfen die Teilsicherheitsbeiwerte der Einwirkungen und Widerstände zu 1,0 angenommen werden.
4 Statische Nachweise
4.1 Ungerissener und gerissener Beton
Wenn die Bedingungen in Gleichung (4.1) nicht erfüllt oder nicht geprüft sind, muss gerissener Beton angenommen werden.
In Sonderfällen darf von ungerissenem Beton ausgegangen werden, wenn in jedem Einzelfall nachgewiesen wird, dass im Gebrauchszustand die Dübel mit ihrer gesamten Verankerungstiefe im ungerissenen Beton liegen. Wenn andere Angaben fehlen, dürfen folgende Bedingungen verwendet werden:
Bei Verankerungen mit einer resultierenden Belastung von Fsk< 60 kN kann von ungerissenem Beton ausgegangen werden, wenn Gleichung (4.1) eingehalten ist:
| σL + σR< 0 (4.1) | ||
| σL | = | Spannungen im Beton, die durch äußere Lasten einschließlich der Dübellasten hervorgerufen werden |
| σR | = | Spannungen im Beton, die durch innere Zwangsverformungen (z.B. Schwinden des Betons) oder durch von außen wirkende Zwangsverformungen (z.B. durch Auflagerverschiebungen oder Temperaturschwankungen) hervorgerufen werden. Wird kein genauerer Nachweis geführt, sollte σR nach EC 2 [1] zu 3 N/mm2 angenommen werden. |
Die Spannungen σL und σR sind unter der Annahme zu berechnen, dass der Beton ungerissen ist (Zustand I). Bei flächigen Bauteilen, die in zwei Richtungen Lasten abtragen (z.B. Platten, Wände), ist Gleichung (4.1) für beide Richtungen zu erfüllen.
4.2 Lasteinwirkungen auf den Dübel
Beim statischen Nachweis werden die an der Ankerplatte angreifenden Kräfte und Momente angegeben. Für die Bemessung der Verankerung müssen die auf jeden Dübel einwirkenden Lasten unter Berücksichtigung der Teilsicherheitsbeiwerte der Einwirkungen nach 3.2.1 im Grenzzustand der Tragfähigkeit und nach 3.3 im Grenzzustand der Gebrauchstauglichkeit berechnet werden.
Bei Einzeldübeln sind die auf den Dübel und die auf die Ankerplatte wirkenden Lasten normalerweise gleich. Bei Dübelgruppen müssen die auf die Ankerplatte einwirkenden Lasten, Biege- und Torsionsmomente auf die auf den einzelnen Dübel der Gruppe wirkenden Zug- und Querkräfte verteilt werden. Diese Verteilung ist nach der Elastizitätstheorie zu berechnen.
4.2.1 Zuglasten
Im Allgemeinen sind die aufgrund der an der Ankerplatte angreifenden Lasten und Biegemomente auf jeden Dübel einwirkenden Zuglasten nach der Elastizitätstheorie nach folgenden Annahmen zu berechnen:
In bestimmten Fällen, bei denen die Ankerplatte nicht ausreichend steif ist, sollte die Elastizität der Ankerplatte bei der Berechnung der einwirkenden Lasten auf den Dübel berücksichtigt werden.
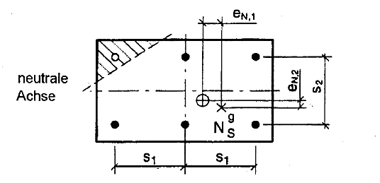
Bei Dübelgruppen mit auf die einzelnen Dübel einer Gruppe einwirkenden unterschiedlichen Zugkräften Nsi darf die Exzentrizität eN der Zugkraft Ng der Gruppe berechnet werden (siehe Bild 4.1), um eine genauere Beurteilung des Widerstandes der Dübelgruppe zu ermöglichen.
Bild 4.1 Beispiel für Verankerungen, die einer exzentrischen Zuglast Ngs ausgesetzt sind
a) Exzentrizität in einer Richtung, alle Dübel werden durch eine Zugkraft beansprucht

b) Exzentrizität in einer Richtung, nur ein Teil der Dübel wird durch eine Zugkraft beansprucht

c) Exzentrizität in zwei Richtungen, nur ein Teil der Dübel der Gruppe wird durch eine Zugkraft beansprucht

![]() |
zugbeanspruchte Dübel |
![]() |
Schwerpunkt der zugbeanspruchten Dübel |
![]() |
Punkt der resultierenden Zugkraft von zugbeanspruchten Dübel |
Wenn die zugbeanspruchten Dübel einer Gruppe keine rechteckige Form bilden, darf diese Gruppe vereinfachend zu einer rechteckigen Form ergänzt werden (d.h. der Schwerpunkt der zugbeanspruchten
Dübel darf in der Mitte der Achse in Bild 4.1c liegend angenommen werden).
4.2.2 Querlasten
4.2.2.1 Verteilung der Querlasten
Bei der Verteilung der auf die Ankerplatte einwirkenden Querlasten und Torsionsmomente auf die Dübel einer Gruppe sind folgende Fälle zu unterscheiden:
a) Alle Dübel nehmen Querlasten auf, wenn der Lochdurchmesser nicht größer ist als die in Tabelle 4.1 angegebenen Werte und der Randabstand größer als 10 hef ist (siehe Bild 4.2 a-c).
Bild 4.2 Beispiele für die Verteilung der Last, wenn alle Dübel Querlasten aufnehmen
a)

b)

c)

b) Nur die ungünstigsten Dübel nehmen Querlasten auf, wenn der Randabstand kleiner als 10 hef ist (unabhängig vom Lochdurchmesser) (siehe Bild 4.3 a-c) oder der Lochdurchmesser größer ist als die in Tabelle 4.1 angegebenen Werte (unabhängig vom Randabstand) (siehe Bild 4.4 a und b).
Bild 4.3 Beispiele für die Verteilung der Last bei Verankerungen nahe am Bauteilrand
a)

b)

c)

Bild 4.4 Beispiele für die Verteilung der Last, wenn der Lochdurchmesser größer ist als der in Tabelle 4.1 angegebene Wert

c) Langlöcher in Richtung Querlast vermeiden, damit Dübel Querlasten aufnehmen können. Dies kann bei Verankerungen nahe am Bauteilrand günstig sein (siehe Bild 4.5).
Bild 4.5 Beispiele für die Verteilung der Last bei einer Verankerung mit Langlöchern
Tabelle 4.1 Durchmesser des Durchgangslochs im Anbauteil
| Außendurchmesser d1) oder dnom2) (mm) |
6 | 8 | 10 | 12 | 14 | 16 | 18 | 20 | 22 | 24 | 27 | 30 |
| Durchmesser df des Durchgangslochs im Anbauteil (mm) | 7 | 9 | 12 | 14 | 16 | 18 | 20 | 22 | 24 | 26 | 30 | 33 |
| 1) wenn der Bolzen am Anbauteil anliegt 2) wenn die Dübelhülse am Anbauteil anliegt |
||||||||||||
Bei Dübelgruppen mit auf die einzelnen Dübel der Gruppe einwirkenden unterschiedlichen Querlasten Vsi darf die Exzentrizität e der Querkraft Vgs der Gruppe berechnet werden (siehe Bild 4.6), um eine genauere Beurteilung der Tragfähigkeit der Dübelgruppe zu ermöglichen.
Bild 4.6 Beispiel für eine Verankerung unter exzentrischer Querlast

4.2.2.2 Querlasten ohne Hebelarm
Querlasten dürfen als ohne Hebelarm auf die Dübel einwirkend angenommen werden, wenn beide der nachfolgenden Bedingungen erfüllt sind:
4.2.2.3 Querlasten mit Hebelarm
Sind die Bedingungen a) und b) von 4.2.2.2 nicht erfüllt, so ist der Hebelarm nach Gleichung (4.2) (siehe Bild 4.7) zu berechnen:
| λ = a3+c1 | (4.2) | ||
| mit | |||
| e1 | = | Abstand zwischen Querlast und Betonoberfläche | |
| a3 | = | 0,5 d | |
| a3 | = | 0 wenn eine Unterlegscheibe und eine Mutter direkt gegen die Betonoberfläche geklemmt sind (siehe Bild 4.7b) | |
| d | = | Nenndurchmesser des Dübelbolzens oder Gewindedurchmesser (siehe Bild 4.7a). | |
Bild 4.7 Definition des Hebelarms
a)

b)

Das auf den Dübel wirkende Moment ist nach Gleichung (4.3) zu berechnen:
Msd = Vsd · λ/ αM (4.3)
Der Wert am hängt vom Einspanngrad des Dübels auf der Anbauteilseite bei der jeweiligen Anwendung ab und ist ingenieurmäßig zu beurteilen.
Von keiner Einspannung (αm = 1,0) ist auszugehen, wenn das Anbauteil sich frei drehen kann (siehe Bild 4.8a). Diese Annahme liegt immer auf der sicheren Seite.
Von voller Einspannung (αm = 2,0) darf nur ausgegangen werden, wenn sich das Anbauteil nicht drehen kann (siehe Bild 4.8b) und das Durchgangsloch im Anbauteil kleiner ist als die in Tabelle 4.1 angegebenen Werte oder der Dübel mit Mutter und Unterlegscheibe gegen das Anbauteil festgeklemmt ist (siehe Bild 4.7). Wird von einer Einspannung des Dübels ausgegangen, so muss das Anbauteil in der Lage sein, das Einspannmoment aufzunehmen.
Bild 4.8 Anbauteil ohne (a) und mit (b) Einspannung
a) a = 1,0

b) a = 2,0

5 Grenzzustand der Tragfähigkeit
5.1 Allgemeines
Für die Bemessung von Dübelverankerungen im Grenzzustand der Tragfähigkeit stehen drei Bemessungsverfahren zur Verfügung. Die Bemessungsverfahren und die zugehörigen erforderlichen Versuche zur Ermittlung der zulässigen Anwendungsbedingungen sind in Tabelle 5.1 angegeben. Im Abschnitt 5.2 wird das allgemeine Bemessungsverfahren a beschrieben; in 5.3 und 5.4 werden die vereinfachten Verfahren B und C behandelt. Das zu verwendende Bemessungsverfahren ist in der jeweiligen ETa angegeben.
Entsprechend Gleichung (3.1) muss nachgewiesen werden, dass der Bemessungswert der Einwirkung gleich oder kleiner ist als der Bemessungswert des Widerstandes. Die charakteristischen Dübelkennwerte für die Berechnung des Widerstandes im Grenzzustand der Tragfähigkeit sind in der jeweiligen ETa angegeben.
Der minimale Achs- und Randabstand sowie die Mindestbauteildicke dürfen nicht unterschritten werden.
Der Achsabstand zwischen den äußeren Dübeln benachbarter Dübelgruppen oder der Abstand zu Einzeldübeln muss a > scr,N (Bemessungsverfahren A) bzw. scr (Bemessungsverfahren B und C) betragen.
Tabelle 5.1 Bemessungsverfahren und zugehörige erforderliche Versuche zur Ermittlung der zulässigen Anwendungsbedingungen
| Bemessungsverfahren | gerissener und ungerissener Beton | nur ungerissener Beton | charakteristischer Widerstand für | Versuche nach Anhang B Option |
|
| nur C20/25 |
C20/25 bis C50/60 |
||||
| A | x | x | 1 | ||
| x | x | 2 | |||
| x | x | 7 | |||
| x | x | 8 | |||
| B | x | x | 3 | ||
| x | x | 4 | |||
| x | x | 9 | |||
| x | x | 10 | |||
| C | x | x | 5 | ||
| x | x | 6 | |||
| x | x | 11 | |||
| x | x | 12 | |||
5.2 Bemessungsverfahren A
5.2.1 Allgemeines
Beim Bemessungsverfahren a muss nachgewiesen werden, dass Gleichung (3.1) für alle Lastrichtungen (Zug-, Querbeanspruchung) und alle Versagensarten (Stahlversagen, Herausziehen und Betonversagen) eingehalten ist.
Liegt eine kombinierte Zug- und Querbeanspruchung (Schrägzugbeanspruchung) vor, ist die Interaktionsbedingung nach 5.2.4 einzuhalten.
Bei den Optionen 2 und 8 (siehe Teil 1, Tabelle 5.3) ist fck,cube = 25 N/ mm2 in die Gleichungen (5.2a) und (5.7a) einzusetzen.
5.2.2 Widerstand bei Zugbeanspruchung
5.2.2.1 Erforderliche Nachweise
| Einzeldübel |
Dübelgruppe |
||
| Stahlversagen | Nsd< NRks/ γMs | Nsd< NRk,s/ γMs | |
| Herausziehen | Nsd< NRk,p / γMp | NSd< NRk,p / γMp | |
| Betonausbruch | Nsd< NRk,c/ γMc | Ngsd< NRk,e/ γMc | |
| Spalten | Nsd< NRk, sp/ γMsp | Ngsd< NRk.sp/ γMsp | |
5.2.2.2 Stahlversagen
Der charakteristische Widerstand NRks eines Dübels bei Stahlversagen ist in der jeweiligen ETa angegeben.
Der Wert NRks ergibt sich aus Gleichung
NRks = AS · fuk [N] (5.1)
5.2.2.3 Versagen durch Herausziehen
Der charakteristische Widerstand NRk,p eines Dübels bei Versagen durch Herausziehen ist der jeweiligen ETa zu entnehmen.
5.2.2.4 Betonausbruch
Der charakteristische Widerstand eines Dübels bzw. einer Dübelgruppe bei Betonausbruch beträgt:
NRk, c = NORk, c · (Ac,N / a0c, n)· ψs,N· ψcc, N· ψucr,N [N] (5.2)
Nachstehend werden die einzelnen Faktoren der Gleichung (5.2) für Dübel angegeben, für die entsprechende Erfahrungen vorliegen.
a) Der Ausgangswert des charakteristischen Widerstandes eines Dübels im gerissenen Beton beträgt:
N0Rk,c = 7,2 · √fck,cube· h1,5ef [N] (5.2a)
fck,cube[N/mm2]; hef [mm]
b) Der geometrische Einfluss von Achs- und Randabständen auf den charakteristischen Widerstand wird durch den Verhältniswert Ac,N/ A0c,N N berücksichtigt mit:
| A0c,N | = | Fläche des Ausbruchkörpers eines Einzeldübels mit großem Achs- und Randabstand auf der Betonoberfläche. Dabei wird der Ausbruchkörper als Pyramide mit der Höhe hef und der Länge der Basisseiten scr,N idealisiert (siehe Bild 5.1). |
| = | Scr,N Scr,N (5.2b) | |
| Ac,N | = | vorhandene Fläche des Ausbruchkörpers der Verankerung auf der Betonoberfläche. Sie wird begrenzt durch die Überschneidungen der einzelnen Ausbruchkörper benachbarter Verankerungen (s< scr,N) sowie durch Bauteilränder (c< cer N). Beispiele für die Berechnung von Ac,N siehe Bild 5.2. |
Bild 5.1 Idealisierter Betonausbruchkörper und Fläche Fe,N des Ausbruchkörpers eines Einzeldübels
Bild 5.2 Beispiele für vorhandene Flächen ACN der idealisierten Betonausbruchkörper bei verschiedenen Dübelanordnungen unter Zugbeanspruchung
a) Einzeldübel am Bauteilrand

b) Dübelgruppe mit zwei Dübeln am Bauteilrand

c) Dübelgruppe mit vier Dübeln an der Bauteilecke

c) Der Einflussfaktor ψs,N berücksichtigt die Störung des rotationssymmetrischen Spannungszustands im Beton durch Bauteilränder. Bei mehreren Bauteilrändern (z.B. bei Verankerungen in der Bauteilecke oder in einem schmalen Bauteil) ist der kleinste Randabstand c in Gleichung (5.2c) einzusetzen.
ψs,N = 0,7 + 0,3 c / ccr,N< 1 (5.2c)
d) Der Schalenabplatzfaktor ψre,N berücksichtigt den Einfluss einer Bewehrung
ψre,N = 0,5 + hef / 200< 1 (5.2d)
hef[mm]
Sofern im Bereich der Dübelverankerung eine Bewehrung mit einem Achsabstand>150 mm (unabhängig vom Durchmesser) oder mit einem Durchmesser 10 mm und einem Achsabstand>100 mm vorhanden ist, darf unabhängig von der Verankerungstiefe ein Schalenabplatzfaktor ψre,N = 1,0 angesetzt werden.
e)Der Einflussfaktor ψec,N berücksichtigt den Einfluss von unterschiedlichen Zugkräften, die auf die jeweiligen Dübel der Gruppe wirken.
| ψre,N | = | 1 / (1 + 2eN/ scr,N)< 1 (5.2e) |
| eN | = | Exzentrizität der resultierenden Zugkraft der zugbeanspruchten Dübel (siehe 4.2.1). In den Fällen, in denen eine Exzentrizität in zwei Achsrichtungen vorliegt, ist ψec,N für jede Achsrichtung getrennt zu ermitteln und das Produkt beider Faktoren in Gleichung (5.2) einzusetzen. |
Vereinfachend darf ψcc,N = 1,0 angenommen werden, wenn der höchstbeanspruchte Dübel nach Gleichung (3.1) überprüft wird (Nhsd< NhRk,c/γMc) und der Widerstand dieses Dübels angesetzt wird als
NhRk,c = NRk,c/ n (5.2f)
mit n = Anzahl der zugbeanspruchten Dübel
f) Der Faktor ψucr,N berücksichtigt den Einfluss der Lage der Verankerung im gerissenen oder ungerissenen Beton
| ψucr,N | = | 1,0 bei Verankerungen im gerissenen Beton (5.2g1) |
| = | 1,4 bei Verankerungen im ungerissenen Beton (5.2g2) |
Der Faktor ψucr,N = 1,4 darf nur eingesetzt werden, wenn in jedem Einzelfall der in 4.1 beschriebene Nachweis geführt wird, dass der Beton, in den der Dübel eingebaut ist, ungerissen ist.
g) Die Werte scr.N und ccr, N sind in der jeweiligen ETa angegeben. Für Dübel, die den vorliegenden Erfahrungen entsprechen, wird
scr,N = 2ccr,N = 3 hef angesetzt.
Sonderfälle
Bei Verankerungen mit drei oder mehr Rändern mit einem Randabstand cmax< ccr,N (cmax = größter Randabstand) (siehe Bild 5.3) führt die Berechnung nach Gleichung (5.2) zu Ergebnissen, die auf der sicheren Seite liegen.
Genauere Ergebnisse werden erzielt, wenn in Gleichung (5.2a) für hef der Wert
h`ef = cmax/ ccr,N hef
eingesetzt wird und bei der Ermittlung von A0 c,N und ACN nach den Bildern 5.1 und 5.2 sowie in den Gleichungen (5.2b), (5.2c) und (5.2e) für scr,N bzw. ccr,N die Werte
s`cr,N = (cmax / ccr,N) · scr,N
ccr,N = cmax
eingesetzt werden.
Bild 5.3 Beispiele für Dübelverankerungen in Bauteilen, in denen h`ef, s`cr,N und c`cr,N verwendet werden dürfen.

5.2.2.5 Versagen durch Spalten bei Dübelmontage
Ein Spalten des Betons während der Dübelmontage wird vermieden, wenn die in der jeweiligen ETa angegebenen Mindestwerte für Randabstand cmin, Achsabstand smin, Bauteildicke hmin und Bewehrung eingehalten werden.
5.2.2.6 Versagen durch Spalten bei Belastung
Sind die Bedingungen a) oder b) nicht erfüllt, so sollte der charakteristische Widerstand eines Einzeldübels oder einer Dübelgruppe für die Versagensart Spalten des Betons nach Gleichung (5.3) berechnet werden.
NRk,sp = N0Rk,c · (Ac,N / A0c,N) · ψs,N· ψre,N· ψec,N· ψucr,N· ψh,sp [N] (5.3)
mit N0Rk,c, ψs,N, ψre,N, ψec,N, ψucr,N nach Gleichungen (5.2a) bis (5.2g) und Ac,N, A0c,N gemäß. 5.2.2.4b), jedoch. sind die Werte ccr,N und scr,N durch ccr,sp und scr,sp zu ersetzen.
| ψh,sp | = | Faktor, der den Einfluss der tatsächlichen Bauteildicke h auf die Spaltfestigkeit berücksichtigt bei Dübeln, die den vorliegenden Erfahrungen entsprechen, |
| = | (h /2hef)2/3< 1,5 (5.3a) |
Ist der Randabstand eines Dübels kleiner als der Wert ccr,sp so sollte entlang des Bauteilrandes eine Längsbewehrung vorgesehen werden.
5.2.3 Widerstand bei Querbeanspruchung
5.2.3.1 Erforderliche Nachweise
| Einzeldübel | Dübelgruppe | ||
| Stahlversagen, Querlast ohne Hebelarm | Vsd<VRk,s/ γMs | VhSd<VRk,s/ γMs | |
| Stahlversagen, Querlast mit Hebelarm | Vsd< VRks/ γMs | VhSd ≤ VRk,s/ γMs | |
| Betonausbruch auf der lastabgewandten Seite | Vsd< VRk,p/ γMc | Vgsd ≤VRk,p/ γMc | |
| Betonkantenbruch | Vsd< VRk,c/ γMc | VgSd ≤ VRk,c/ γMc | |
5.2.3.2 Stahlversagen
a) Querlast ohne Hebelarm Der charakteristische Widerstand VRk,s eines Dübels bei Stahlversagen ist der jeweiligen ETa zu entnehmen.
Der Wert VRk,s für Dübel, die den vorliegenden Erfahrungen entsprechen, ergibt sich aus Gleichung (5.4)
VRk,s = 0,5 · As· fuk [N] (5.4)
Gleichung (5.4) gilt nicht für Dübel mit deutlich reduziertem Querschnitt entlang der Bolzenlänge (z.B. bei Spreizdübeln vom Bolzentyp)
Bei Dübelgruppen ist der in der ETa angegebene charakteristische Querwiderstand mit einem Faktor von 0,8 zu multiplizieren, wenn der Dübel aus Stahl von relativ niedriger Duktilität besteht (Bruchdehnung A s< 8 %).
b) Querlast mit Hebelarm
Der charakteristische Widerstand VRks eines Dübels ergibt sich aus Gleichung (5.5).
VRks = αM · MRks/ λ [N] (5.5)
| mit | αM | = | siehe 4.2.2.3 |
| λ | = | Hebelarm nach Gleichung (4.2) | |
| MRks | = | M0Rk,s (1 - Nsd/ NRd,s) [Nm] (5.5.a) | |
| NRd,s | = | NRk,s/ γMs | |
| NRk,s, γMs sind der jeweiligen ETa zu entnehmen | |||
| M0Rk,s | = | charakteristischer Widerstand eines Einzeldübels bei Biegebeanspruchung | |
Der charakteristische Widerstand M0Rk,s bei Biegebeanspruchung ist aus der jeweiligen ETa zu entnehmen.
Der Wert M0Rk,s für Dübel, die den vorliegenden Erfahrungen entsprechen, ergibt sich aus Gleichung (5.5b).
M0Rk,s = 1,2 · Wel· fuk [Nm] (5.5b)
Gleichung (5.5b) ist nur zu verwenden, wenn der Dübel entlang der Bolzenlänge keinen deutlich reduzierten Querschnitt aufweist.
5.2.3.3 Pryout-Versagen (Betonausbruch auf der lastabgewandten Seite)
Bei Verankerungen mit kurzen steifen Dübeln kann es zu einem Betonausbruch auf der lastabgewandten Seite kommen (siehe Bild 5.4). Der entsprechende charakteristische Widerstand VRk,cp darf nach Gleichung (5.6) berechnet werden.
| VRk,cp | = | k · NRk,c (5.6) | |
| mit | k | = | aus der jeweiligen ETa zu entnehmender Faktor. |
| NRk,c ist nach 5.2.2.4 für die durch Querlasten beanspruchten Dübel zu ermitteln. | |||
Für Dübel, die den vorliegenden Erfahrungen entsprechen und die unter Zugbeanspruchung durch Betonausbruch versagen, liegen die folgenden Annahmen auf der sicheren Seite:
| k = 1 | hef < 60 mm | (5.6a) |
| k = 2 | hef> 60mm | (5.6b) |
Bild 5.4 Pryout-Versagen (Betonausbruch auf der lastabgewandten Seite)
5.2.3.4 Betonkantenbruch
Bei Verankerungen gemäß Bild 1.1 mit einem Randabstand in allen Richtungen von c> 10 hef darf ein Nachweis des charakteristischen Widerstandes bei Betonkantenbruch entfallen.
Der charakteristische Widerstand eines Dübels bzw. einer Dübelgruppe bei Betonkantenbruch beträgt:
VRk,c = V0Rk,c· (Ac,V / A0c,V) · ψs,V· ψh,V· ψa,V· ψcc,V· ψucr,V [N] (5.7)
Nachfolgend werden die einzelnen Faktoren der Gleichung (5.7) für Dübel angegeben, die den vorliegenden Erfahrungen entsprechen:
a) Der Ausgangswert des charakteristischen Widerstandes eines Dübels in gerissenem Beton mit Belastung senkrecht zum Rand beträgt:
![]() |
[N] | (5.7a) |
| dnom, 1f, c1[mm]; fck,cube [N/mm2] |
b) Der geometrische Einfluss des Achsabstandes sowie weiterer Randabstände und der Einfluss der Bauteildicke auf den charakteristischen Widerstand wird durch den Verhältniswert Ac,v/ A0c,v berücksichtigt
mit:
| A0c,v | = | Fläche des Ausbruchkörpers eines Einzeldübels auf der seitlichen Betonoberfläche ohne Einfluss von Rändern parallel zur angenommenen Lastrichtung, Bauteildicke oder benachbarter Dübel. Dabei wird der Ausbruchkörper als halbe Pyramide mit der Höhe c1 und der Länge der Basisseiten 1,5 c1 und 3 c1 angenommen (Bild 5.5). |
| = | 4,5 c12 (5.7b) | |
| Ac,v | = | vorhandene Fläche des Ausbruchkörpers der Verankerung auf der seitlichen Betonoberfläche. Sie wird begrenzt durch die Überschneidungen der einzelnen Ausbruchkörper benachbarter Verankerungen (s< 3 c1) sowie durch Bauteilränder parallel zur angenommenen Lastrichtung (c2< 1,5 c1) und Bauteildicke (h< 1,5 c1). Beispiele für die Berechnung von Ac,v siehe Bild 5.6. |
Bei der Berechnung von A0c,V und Ac,v wird davon ausgegangen, dass die Querlasten senkrecht zum Bauteilrand angreifen.
Bei Verankerungen in der Bauteilecke sind die Widerstände für beide Ränder zu berechnen, wobei der kleinste Wert maßgebend ist (siehe Bild 5.7).
Bild 5.5 Idealisierter Betonausbruchkörper und Fläche A0c,V des Ausbruchkörpers eines Einzeldübels
Bild 5.6 Beispiele für vorhandene Flächen der idealisierten Betonausbruchkörper bei verschiedenen Dübelanordnungen unter Querbeanspruchung
a) Einzeldübel in der Bauteilecke

b) Dübelgruppe am Bauteilrand in einem dünnen Bauteil
c) Dübelgruppe in der Bauteilecke in einem dünnen Bauteil
Bild 5.7 Beispiel für eine Dübelgruppe unter Querlast in der Bauteilecke, wo eine Berechnung der Widerstände für beide Ränder erforderlich ist.
a)
b)
c) Der Faktor ψs,v berücksichtigt die Störung des Spannungszustandes im Beton durch weitere Bauteilränder. Bei Verankerungen mit zwei Randabständen parallel zur angenommenen Lastrichtung (z.B. in einem schmalen Bauteil) ist der kleinere Randabstand in Gleichung (5.7c) einzusetzen.
ψs,v = 0,7 + 0,3 · c2 / 1,5c1< 1 (5.7c)
d) Der Faktor ψs,v berücksichtigt, dass der Querwiderstand nicht proportional zur Bauteildicke, wie beim Verhältnis Ac,v/A0c,v angenommen, abnimmt.
ψh,v = (1,5c1/ h)1/3 ≥ 1 (5.7d)
e) Der Faktorya,v berücksichtigt den Winkel αv zwischen der einwirkenden Last Vsd und der Richtung senkrecht zur freien Bauteilkante (siehe Bild 5.8).
| ya,v | = | 1,0 | für 0°< αv< 55°
Bereich 1 |
| ψ | = | 1 / cosαv+ 0,5 sinαv | für 55° < αv< 90° (5.7e)
Bereich 2 |
| ψα,v | = | 2,0 | für 90° < αv< 180°
Bereich 3 |
Bild 5.8 Definition des Winkels αv
Der Faktor ψec,v berücksichtigt den Einfluss von unterschiedlichen Querlasten, die auf die jeweiligen Dübel der Gruppe wirken.
| ψec,v | = | 1 / (1+2ev/ (3c1))<1 (5.7f) |
| ev | = | Exzentrizität der resultierenden Querlast der Dübel (siehe 4.2.2). |
Vereinfachend kann ein Faktor ψc,v = 1,0 angenommen werden, wenn der höchstbeanspruchte Dübel nach Gleichung (3.1) überprüft wird (Vhsd</Vhrk,c/ γMC) und der Widerstand dieses Dübels als
Vhrk,c = Vrk,c/n (5.7g)
mit n = Anzahl der querbeanspruchten Dübel eingesetzt wird.
Der Faktor ψucr,v berücksichtigt den Einfluss der Lage der Verankerung im gerissenen oder ungerissenen Beton bzw. welche Art von Bewehrung vorhanden ist.
| ψucr,v | = | 1,0 | Verankerung im gerissenen Beton ohne Rand- oder Aufhängebewehrung |
| ψucr,v | = | 1,2 | Verankerung im gerissenen Beton mit gerader Randbewehrung (>12 mm) |
| ψucr,v | = | 1,4 | Verankerung im gerissenen Beton mit Rand- und engmaschiger Aufhängebewehrung (a<100 mm), Verankerung im ungerissenen Beton (Nachweis nach 4.1). |
SonderfälleBei Verankerungen in einem schmalen dünnen Bauteil mit c2max< 1,5 c1 (c2max = größter Randabstand aus den beiden Randabständen parallel zur Lastrichtung) und h< 1,5 c1 (siehe Bild 5.9) führt die Berechnung nach Gleichung (5.7) zu Ergebnissen, die auf der sicheren Seite liegen.
Genauere Ergebnisse werden erzielt, wenn in den Gleichungen (5.7a) bis (5.7f) und bei der Ermittlung der Flächen A0c,v und Ac,v nach den Bildern 5.5 und 5.6 der Randabstand c1 durch den Wert c'1 ersetzt wird. Dabei ist c'1 der größere der beiden Werte cmax/ 1,5 bzw. h / 1,5.
Bild 5.9 Beispiel einer Verankerung in einem schmalen dünnen Bauteil, bei dem der Wert c'1 verwendet werden darf.
5.2.4 Widerstand bei kombinierter Zug- und Querbeanspruchung
Bei kombinierten Zug- und Querlasten müssen folgende Gleichungen (siehe Bild 5.10) erfüllt sein:
| ßN | < 1,0 | (5.8a) |
| ßV | < 1,0 | (5.8b) |
| ßN + ßV | < 1,2 | (5.8c) |
Dabei sind
ßN (ßV) das Verhältnis zwischen Einwirkung und Widerstand bei Zug-(Quer-)beanspruchung. In Gleichung (5.8) ist jeweils der größte Wert von ßN und ßV für die einzelnen Versagensarten einzusetzen (siehe 5.2.2.1 und 5.2.3.1).
Bild 5.10 Interaktionsdiagramm für kombinierte Zug- und Querbeanspruchung
Im Allgemeinen ergeben die Gleichungen (5.8a) bis (5.8c) konservative Ergebnisse. Genauere Ergebnisse werden durch Gleichung (5.9) erhalten:
(ßN)α+ (ßV) α< 1 (5.9)
mit:
| ßN, ßV | |
| α= 2,0 | wenn für NRd und VRd Stahlversagen maßgebend ist |
| α= 1,5 | bei allen anderen Versagensarten |
5.3 Bemessungsverfahren B
Das Bemessungsverfahren B basiert auf einem vereinfachten Verfahren, bei dem der Bemessungswert des charakteristischen Widerstandes unabhängig von der Belastungsrichtung und der Versagensart angesetzt wird.
Bei Dübelgruppen ist nachzuweisen, dass Gleichung (3.1) für den höchstbeanspruchten Dübel eingehalten ist.
Der Bemessungswert des Widerstandes F0Rd darf ohne Änderung angesetzt werden, wenn der Achsabstand scr und der Randabstand ccr eingehalten sind. F0Rd, scr und ccr, sind in der jeweiligen ETa angegeben.
Der Bemessungswert des Widerstandes ist nach Gleichung (5.10) zu berechnen, wenn die vorhandenen Werte für Achsabstand und Randabstand kleiner als die Werte scr und ccr und größer oder gleich smin, und cmin sind.
smin und cmin sind in der ETa angegeben.
| FRd | =![]() |
[N] (5.10) |
| n | = Anzahl der beanspruchten Dübel |
Der Einfluss des Achsabstandes und des Randabstandes wird durch die Faktoren Ac/ A0c und ψs berücksichtigt.
Der Faktor Ac/ A0c ist entsprechend 5.2.2.4b und der Faktor ψs entsprechend 5.2.2.4c zu berechnen, wobei scr,N und ccr,N durch Scr,und ccr zu ersetzen sind. Der Einfluss einer Bewehrung mit engen Abstand und ungerissenen Beton wird durch die Faktoren ψre und ψuer, berücksichtigt. Der Faktor ψre wird berechnet nach 5.2.2.4d) und der Faktor ψuer nach 5.2.2.4f).
Bei Querlast mit Hebelarm ist der charakteristische Dübelwiderstand nach Gleichung (5.5) zu berechnen, wobei in Gleichung (5.5a) NRd,s durch F0Rd zu ersetzen ist.
Der kleinste der Werte von FRd nach Gleichung (5.10) oder VRk,s/ γMs nach Gleichung (5.5) ist maßgebend. Wenn ein Dübel nur im ungerissenen Beton verwendet werden soll und das Bemessungsverfahren B angewendet wird, so ist in der ETa anzugeben, dass der Faktor ψ uer in Gleichung (5.10) von Anhang C mit dem Wert 1,0 angenommen werden muss, weil der Bemessungswert FRd bereits für den ungerissenen Beton angegeben ist.
5.4 Bemessungsverfahren C
Das Bemessungsverfahren C basiert auf einem vereinfachten Verfahren, bei dem nur ein Bemessungswert des Widerstandes FRd unabhängig von der Belastungsrichtung und der Versagensart angesetzt wird. Die vorhandenen Achs- und Randabstände müssen größer oder gleich den Werten von scr, und ccr sein. FRd, scr und ccr sind in der jeweiligen ETa angegeben.
Bei Querlast mit Hebelarm ist der charakteristische Dübelwiderstand nach Gleichung (5.5) zu berechnen, wobei in Gleichung (5.5a) NRd,s durch FRd zu ersetzen ist.
Der kleinste Wert von FRd oder VRk,s/ γMs nach Gleichung (5.5) ist maßgebend.
6 Grenzzustand der Gebrauchstauglichkeit
6.1 Verschiebungen
Die charakteristische Verschiebung des Dübels unter festgelegten Zug- und Querlasten ist aus der ETa zu entnehmen. Es kann davon ausgegangen werden, dass die Verschiebungen linear zur aufgebrachten Last zunehmen. Bei kombinierter Zug- und Querlast sind die Verschiebungen für die Zug- und Querzugkomponenten der resultierenden Last geometrisch zu addieren.
Bei Querlasten ist der Einfluss des Durchgangslochs in der Anschlusskonstruktion auf die erwartete Verschiebung der gesamten Verankerung zu berücksichtigen.
6.2 Querlast mit wechselndem Vorzeichen
Ändern die angreifenden Querlasten mehrfach ihr Vorzeichen, sind geeignete Maßnahmen zu treffen, um einen Ermüdungsbruch des Stahls zu vermeiden (z.B. sollte die Querlast durch Reibung zwischen Anschlusskonstruktion und Beton weitergeleitet werden (z.B. aufgrund einer ausreichend hohen ständigen Vorspannkraft)).
Querlasten mit wechselndem Vorzeichen können aufgrund von Temperaturänderungen in dem befestigten Bauteil (z.B. Fassadenelemente) auftreten. Daher sind diese Bauteile entweder so zu verankern, dass keine signifikanten Querlasten im Dübel aufgrund der im befestigten Bauteil auftretenden Zwangsverformungen auftreten, oder es ist bei Querlast mit Hebelarm (Abstandsmontage) die Biegebeanspruchung in dem höchstbeanspruchten DübelDs = maxσ - minσ im Grenzzustand der Gebrauchstauglichkeit infolge Temperaturschwankungen auf 100 N/mm2 zu begrenzen.
7 Zusätzliche Nachweise zur Sicherung der charakteristischen Bauteiltragfähigkeit
7.1 Allgemeines
Der Nachweis der örtlichen Einleitung der Dübellasten in das Betonbauteil wird durch Anwendung der in diesem Dokument beschriebenen Bemessungsverfahren erbracht.
Die Weiterleitung der Dübellasten in den Verankerungsgrund des Bauteils ist für den Grenzzustand der Tragfähigkeit und den Grenzzustand der Gebrauchstauglichkeit nachzuweisen; hierbei sind die üblichen Nachweise unter Berücksichtigung der durch die Dübel eingeleiteten Lasten durchzuführen. Bei diesen Nachweisen sind die in 7.2 und 7.3 angegebenen zusätzlichen Bestimmungen zu berücksichtigen.
Ist der Randabstand eines Dübels kleiner als der charakteristische Randabstand ccr,N (Bemessungsverfahren A) bzw. ccr (Bemessungsverfahren B und C), so muss am Rand des Bauteils im Bereich der Verankerungstiefe eine Längsbewehrung von mindestens Ø 6 vorhanden sein.
Bei Fertigplatten und -balken mit statisch mitwirkender Ortbetonschicht dürfen Dübellasten nur in das Fertigteil übertragen werden, wenn der Fertigbeton mit dem Ortbeton durch eine Verbundbewehrung verbunden ist. Ist eine solche Verbundbewehrung zwischen Fertigteil und Ortbeton nicht vorhanden, sollten die Dübel im Ortbeton mit hef verankert werden.
Andernfalls dürfen nur die Lasten von abgehängten Decken oder ähnlichen Konstruktionen mit einer Last bis zu 1,0 kN/m2 in dem Fertigteil verankert werden.
7.2 Quertragfähigkeit des Betonbauteils
Im Allgemeinen sollten die durch Dübellasten erzeugten Querkräfte Vsd,a den folgenden Wert nicht überschreiten:
Vsd,a = 0,4 VRd1 (7.1)
mit:
VRd1 = Widerstand bei Querbeanspruchung nach Eurocode EC 2 [1]
Bei der Berechnung von Vsd,a sind die Dübellasten als Punktlasten anzunehmen mit einer Lasteintragungsbreite t1 = st1+ 2 hef und t2 = st2+ 2 hef mit st1 (st2) = Achsabstand zwischen den äußeren Dübeln einer Dübelgruppe in Richtung 1 (2). Die mitwirkende Breite, die über die Querkraft übertragen wird, sollte nach der Elastizitätstheorie berechnet werden.
Auf Gleichung (7.1) kann verzichtet werden, wenn eine der nachfolgenden Bedingungen erfüllt ist:
Vsd< 0,8 VRd1 (7.2)
a> 200 · √Nsk a [mm]; Nsk[kN] (7.3)
Ist unter den charakteristischen Einwirkungen die resultierende Zuglast Nsk der zugbeanspruchten Verankerungen Nsk> 60 kN, sollte entweder die Verankerungstiefe der Dübel hef ≥ 0,8 h betragen, oder es sollte eine Aufhängebewehrung gemäß Absatz c (s. oben) vorhanden sein.
Die erforderlichen Nachweise zur Sicherung des Querwiderstands des Bauteils sind in Tabelle 7.1 zusammengefasst.
Tabelle 7.1 Erforderliche Nachweise zur Sicherung des Querwiderstands des Bauteils
| Rechnerische Querbeanspruchung de Bauteils unter Berücksichtigung der Dübellasten | Achsabstand zwischen Einzeldübeln und Dübelgruppen | Nsk [kN] |
Nachweis der rechnerischen Querlast aus Dübellasten |
| Vsd < 0,8 VRdl | a> scr,N1) (scr)2) | < 60 | nicht erforderlich |
| Vsd > 0,8 VRdl | a> scr,N1) (scr)2)
und a> 200 ·√Nsk |
< 30 | nicht erforderlich |
| a> scr,N1) (scr)2) | < 60 | erforderlich:
VSd,a< 0,4 VRdl oder Aufhängebewehrung oder hef ≥ 0,8 h |
|
| > 60 | nicht erforderlich, jedoch Aufhängebewehrung
oder hef ≥ 0,8 h |
||
| 1) Bemessungsverfahren A 2) Bemessungsverfahren B und C |
|||
7.3 Widerstand gegen Spaltkräfte
Im Allgemeinen sind die durch Dübel erzeugten Spaltkräfte bei der Bemessung des Bauteils zu berücksichtigen. Dies ist vernachlässigbar, wenn eine der folgenden Bedingungen erfüllt ist:
Beträgt die auf die Verankerung einwirkende charakteristische Zuglast Nsk ≥ 30 kN und liegen die Dübel in der Zugzone des Betonbauteils, so sind die Spaltkräfte durch eine Bewehrung aufzunehmen. Als erste Angabe kann für Dübel, die den vorliegenden Erfahrungen entsprechen, das Verhältnis zwischen Spaltkraft FSp, k und charakteristischer Zuglast Nsk bzw. NRd (wegkontrolliert spreizende Dübel) wie folgt angesetzt werden:
| FSp, k | = 1,5 Nsk kraftkontrolliert spreizende Dübel (Teil 2) |
| = 1,0 Nsk Hinterschnittdübel (Teil 3) | |
| = 2,0 NRd wegkontrolliert spreizende Dübel (Teil 4) | |
| = 0,5 Nsk Verbunddübel (Teil 5) |
![]() |
ENDE |
(Stand: 16.06.2018)
Alle vollständigen Texte in der aktuellen Fassung im Jahresabonnement
Nutzungsgebühr: ab 105.- € netto
(derzeit ca. 7200 Titel s.Übersicht - keine Unterteilung in Fachbereiche)
Die Zugangskennung wird kurzfristig übermittelt
? Fragen ?
Abonnentenzugang/Volltextversion