Für einen individuellen Ausdruck passen Sie bitte dieEinstellungen in der Druckvorschau Ihres Browsers an. Regelwerk Bau- und Planungsrecht |
Lastannahmen für Bauten
¨
DIN 1055-4 - Verkehrslasten, Windlasten bei nicht schwingungsanfälligen Bauwerken
Stand 08/1986
(MABl. By 1987 S. 163aufgehoben)
Design loads for buildings; live loads, wind loads an structures not susceptible to vibrations
Charges admises pour bâtiments; charges variables, charges de vent sur des ouvrages non-susceptibles aux vibrations
Ersatz für Ausgabe 05.77 und das 1961 zurückgezogene Beiblatt zu DIN 1055 T 4102.41
Die Benennung "Last" wird für Kräfte verwendet, die von außen auf ein System einwirken; das gleiche gilt auch für zusammengesetzte Wörter mit der Silbe ... Last" (siehe DIN 1080 Teil 1).
1 Anwendungsbereich
Diese Norm gilt für die Ermittlung von Windlasten als Berechnungsgrundlage für Standsicherheitsuntersuchungen (Lagesicherheit, Bemessung) baulicher Anlagen und deren Teile, sofern sie nicht schwingungsanfällig im Sinne von Abschnitt 2.1 sind. Windlastfestlegungen für bestimmte Bauwerke in anderen Normen bleiben unberührt.
2 Begriffe
2.1 Schwingungsanfälligkeit von Bauwerken
Als nicht schwingungsanfällig im Sinne dieser Norm gelten Bauwerke, bei denen die Verformungen unter Berücksichtigung der dynamischen Wirkung der Windkräfte die Verformungen aus statisch wirkender Windlast nach Abschnitt 5.2 um nicht mehr als 10 % überschreiten.
Ohne besonderen Nachweis dürfen in der Regel Wohn-, Büro- und Industriegebäude mit einer Höhe bis zu 40 m und ihnen in Form oder Konstruktion ähnliche Gebäude als nicht schwingungsanfällig im Sinne dieser Norm angesehen werden.
Es darf auch davon ausgegangen werden,daß Krantragwerke -abgesehen von besonders gelagerten Ausnahmefällen -nicht schwingungsanfällig im Sinne dieser Norm sind. Für diese Krane gelten die angegebenen Windlastannahmen für den Zustand "außer Betrieb".
Anmerkung: Im übrigen dürfen als Kragträger wirkende Baukonstruktionen als nicht schwingungsanfällig in Windrichtung angesehen werden, wenn sie mit ihren Kenngrößen "bezogene Eigenfrequenzf"' und "bezogene Höhenh" oberhalb der in Bild 1 angegebenen Kurve liegen.
Sofern zur Berechnung der "bezogenen Eigenfrequenzf ' " keine genaueren Werte des logarithmischen Dämpfungsdekrementsδ bekannt sind, dürfen folgende Werte verwendet werden:
| a) | Stahl- und Aluminiumkonstruktionen | |
| geschraubt (SL-Verbindung) | δ = 0,05 | |
| geschraubt (GV- oder GVP-Verbindung) | δ = 0,03 | |
| geschweißt | δ = 0,02 | |
| Zuschlag für dämpfende Einbauten, z.B. Ausmauerungen | Δδ = 0,02 | |
| Zuschlag für offene geschraubte Gitterkonstruktionen | Δδ = 0,02 | |
| b) | Beton- und Stahlbetonkonstruktionen | |
| Zustand I (auch Spannbeton) | δ = 0,04 | |
| Zustand II (nur für Konstruktionen anzusetzen, die sich im Gebrauchszustand überwiegend im Zustand II befinden) | Δδ = 0,10 | |
| Zuschlag für dämpfende Einbauten, z.B. Ausmauerungen | Δδ = 0,02 | |
| c) | Mauerwerkkonstruktionen | δ = 0,12 |
| d) | Holzkonstruktionen | δ = 0,15 |
Bild 1. Grenze der Schwingungsanfälligkeit (Zur Ermittlung der Grundeigenfrequenz siehe Erläuterungen)
![]() |
![]() |
2.2 Aerodynamische Beiwerte
2.2.1 Aerodynamischer Kraftbeiwertcf (siehe Abschnitt 6.2)
Der aerodynamische Kraftbeiwert wird durch Kraftmessungen ermittelt nach der Gleichung:
| cf =FWind /q' *A' | (1) |
Hierin bedeuten:
| FWind | die gemessene Windlastresultierende aller Druck- und Reibungskräfte am Baukörper aus Wind |
| q' | der gemessene Staudruck (Geschwindigkeitsdruck) |
| A' | die bei Berechnung des Beiwerts festgelegte Bezugsfläche am Baukörper |
2.2.2 Aerodynamischer Druckbeiwertcp (siehe Abschnitt 6.3)
Der aerodynamische Druckbeiwert wird durch Druckmessungen ermittelt nach der Gleichung:
| cp = Δp /q' | (2) |
Hierin bedeuten:
| Δp | die Druckdifferenz an der Körperoberfläche zwischen gemessenem örtlichen Druck und gemessenem statischen Druck (Bezugsdruck) |
| q' | der gemessene Staudruck (Geschwindigkeitsdruck) |
3 Berücksichtigung der Windwirkung
3.1 Die Bauwerke sind auf Windlast im allgemeinen in Richtung ihrer Hauptachsen zu untersuchen. In besonderen Fällen ist eine Berechnung mit Bezug auf andere Achsen (z.B. über Eck) erforderlich.
3.2 Bei Bauwerken, die durch genügend steife Wände und Decken hinreichend ausgesteift sind, brauchen in der Regel die Windbeanspruchungen der Gesamtkonstruktion nicht nachgewiesen zu werden (siehe z.B. DIN 1053 Teil 1, ausgesteifte Geschoßbauten).
3.3 Ist bei baulichen Anlagen und Bauteilen die ausreichende Sicherheit gegen Umkippen und/oder Gleiten infolge von Wind und unter Berücksichtigung etwaiger anderer waagerechter Lasten nicht offensichtlich vorhanden, so ist sie nachzuweisen. Dies gilt auch für die Sicherheit gegen Abheben. Günstig wirkende Verkehrslasten und günstig wirkende Windlasten sind dabei nicht zu berücksichtigen. Die Sicherheit muss bei Ansatz einer Gesamtsicherheitszahl mindestens 1,5fach sein.
| Anmerkung: | Werden die Windsogspitzen beim Abhebenachweis berücksichtigt, so führt eine Bemessung mit Teilsicherheitszahlen nach der Gleichung |
FTrag / 1,3 ≥ 1,1 *SSog -SGDach / 1,1
zu ausreichender Sicherheit.
Hierin bedeuten:
| FTrag | größte vom Verbindungsmittel aufnehmbare Kraft |
| SSog | Auflagerkraftanteil aus Wind unter Berücksichtigung der Windsogspitzen |
| SGDach | Auflagerkraftanteil aus der Eigenlast des trockenen Daches; für die Eigenlast ist hierbei der untere Rechenwert nach DIN 1055 Teil 1 einzusetzen. Falls ein solcher nicht angegeben ist, darf mit dem 0,8fachen Rechenwert gerechnet werden. |
4 Gleichzeitige Berücksichtigung von Wind- und Schneelast
Für die gleichzeitige Berücksichtigung von Wind- und Schneelast gilt DIN 1055 Teil 5, sofern in Anwendungsnormen keine abweichende Regelung getroffen ist.
| Anmerkung: | In den Kombinationen nach DIN 1055 Teil 5 gelten Wind- und Schneelast als Hauptlasten. Werden die zulässigen Spannungen des Lastfalles HZ ausgenützt, so sind Wind und Schnee mit ihren vollen Rechenwerten anzunehmen. |
5 Rechenwert der Windlast
5.1 Windrichtung
Die Windlast ist unabhängig von der Himmelsrichtung mit dem vollen Rechenwert des Staudrucks wirkend anzusetzen. Dabei kann im allgemeinen angenommen werden, daß der Wind den Baukörper waagerecht anströmt.
5.2 Windlasten
5.2.1 Die auf ein Bauwerk wirkende Windlast ist von dessen Form abhängig. Sie setzt sich aus Druck-, Sog- und Reibungswirkungen zusammen. Auf das Gesamtbauwerk wirkt als resultierende Windlast:
| W = cf *q *A | (3) |
Hierin bedeuten:
| q | Staudruck (Geschwindigkeitsdruck) des Windes nach Abschnitt 5.2.3 |
| cf | aerodynamischer Kraftbeiwert; abhängig von der Form des Baukörpers und der Anströmrichtung sind Werte in Abschnitt 6.2 angegeben |
| A | Bezugsfläche, auf welche der Kraftbeiwert bezogen ist; zu den Kraftbeiwerten gehörige Bezugsflächen sind in Abschnitt 6.2 angegeben |
5.2.2 Auf eine Flächeneinheit der Bauwerksoberfläche wirkt der Winddruck:
| w =cp *q | (4) |
Hierin bedeuten:
| q | Staudruck (Geschwindigkeitsdruck) des Windes nach Abschnitt 5.2.3 |
| cp | der in Abschnitt 6.3 für verschiedene Bauwerksformen und Anströmrichtungen angegebene aerodynamische Druckbeiwert der betrachteten Flächeneinheit |
Die Winddrücke wirken rechtwinklig zur Begrenzungsfläche des Baukörpers.
Bei der Anwendung des Abschnittes 6.3 ist zu beachten, dass die angegebenen Druck- bzw. Sogbeiwerte Mittelwerte über die gekennzeichneten Bereiche sind. Deshalb sind für einzelne Bauteile1), z.B. Sparren, Pfetten, Wandstiele, Fassadenelemente, die Werte für Druck um 25 % zu erhöhen. Bei unmittelbar durch Wind belasteten Einzelbauteilen, z.B. Wand- und Dachtafeln, sind an den Schnittkanten von Wand- und Dachflächen prismatischer Baukörper zur Erfassung von Sogspitzen erhöhte Beiwerte nach Abschnitt 6.3.1, Tabelle 11, lfd. Nr 2 und lfd. Nr 3, in den dort angegebenen Bereichen anzunehmen.
Für Bauwerksformen, die in den Abschnitten 6.2 oder 6.3 nicht enthalten sind und bei denen keine Analogieschlüsse zu den dort gegebenen Bauwerksformen möglich sind, können die Beiwertecf bzw.cp durch Auswerten übertragbarer Ergebnisse von Windkanalversuchen ermittelt werden2).
1) Einzelne Bauteile in diesem Sinne liegen im allgemeinen vor, wenn ihre Einzugsfläche weniger als 15 % der Fläche beträgt, über die der Beiwert gemittelt wurde.
2) Ergeben sich hinsichtlich der sachgemäßen Umsetzung von Versuchsergebnissen in Lastannahmen Zweifel, so kann der Arbeitskreis Aerodynamische Beiwerte des Instituts für Bautechnik, Berlin, eingeschaltet werden.
5.2.3 Der Staudruck (Geschwindigkeitsdruck) ist:
| q = 1/2 * ρ *v2 | (5) |
wobei hinreichend genau für Luft
| ρ = 1,25 kg/m³ = | 1 | kNs2 |
| 800 | m4 |
undv die der Berechnung zugrunde zu legende Windgeschwindigkeit ist.
Mitv in m/s wird
| q = | v2 | in kN/m2 | (6) |
| 1600 |
Die in Abhängigkeit von der Höhe über dem umgebenden Gelände in Rechnung zu stellende Windgeschwindigkeitv und der zugehörige Staudruckq sind in Tabelle 1 angegeben.
Tabelle 1
| 1 | 2 | 3 |
| Höhe über Gelände m |
Windgeschwindigkeitv m/s |
Staudruckq kN/m2 |
| von 0 bis 8 | 28,3 | 0,5 |
| über 8 bis 20 | 35,8 | 0,8 |
| über 20 bis 100 | 42,0 | 1,1 |
| über 100 | 45,6 | 1,3 |
In Abhängigkeit von örtlichen topographischen Einflüssen kann es erforderlich werden, höhere Windgeschwindigkeiten als nach Tabelle 1 in Rechnung zu stellen.
Ist ein Bauwerk dem Windangriff besonders stark ausgesetzt, z.B. auf einer das umliegende Gelände steil und hoch überragenden Erhebung, so ist bei der Festsetzung der Windlast mindestens von dem Staudruckq = 1,1 kN/m2 auszugehen.
6 Aerodynamische Beiwerte
6.1 Allgemeines
Die in den folgenden Abschnitten 6.2 und 6.3 zusammengestellten Beiwerte für Kräfte und Oberflächendrücke beruhen auf Auswertungen von Messungen an Einzelkörpern in normalen Windkanälen mit geringer Turbulenz und praktisch stationärer homogener Anströmung über den Kanalquerschnitt. Der Einfluss der üblichen architektonischen Flächenstrukturierung prismatischer Baukörper gilt durch die Beiwertangaben als erfasst. Kraftbeiwerte und Druckbeiwerte sind getrennt angegeben.
Werden die Flächen in ihrer Ebene angeströmt, treten ReibungskräfteWfr =cfr *q *A auf, die im allgemeinen jedoch vernachlässigbar sind. Nur in besonderen Fällen, z.B. über- und unterströmte freistehende Platten bei freistehenden Dächern, kann die Berücksichtigung dieser Windwirkung erforderlich werden. Dabei darf in Abhängigkeit von der Oberflächenrauhigkeit angenommen werden:
| - | für glatte Flächen (z.B. Stahlflächen, glatter Sichtbeton): | cfr = 0,01 |
| - | für rauhe Flächen (z.B. schalungsrauher Beton, Pappeindeckung): | cfr = 0,03 |
| - | für sehr rauhe Flächen (z.B. Wellen, Rippen, Fälze): | bis zucfr = 0,05 |
Die folgenden Angaben gelten für geometrisch einfache Körperformen. Die Beiwerte für aus mehreren einfachen Körpern zusammengesetzte Widerstandskörper können näherungsweise durch eine Addition der Widerstände der Teile nur dann ermittelt werden, wenn durch das Strömungsfeld eines Teilkörpers das Strömungsfeld des bzw. der anderen Teilkörper nicht wesentlich verändert wird. Durch Interferenzen werden die Umströmungen häufig grundlegend verändert, insbesondere bei Schräganströmungen. Der Gesamtwiderstand liegt dann im allgemeinen höher als die Summe der Teilwiderstände.
6.2 Kraftbeiwertecf
6.2.1 Von ebenen Flächen begrenzte Baukörper, ab Geländeoberfläche allseitig geschlossen
Tabelle 2
| Form und Lage des Baukörpers | Bezugsfläche A | Kraftbeiwertcf | |||
| Baukörper | Abmessungsverhältnisse | Windwinkelß | cfx | cfy | |
| 1 a | 1 b | 1 c | 2 | 3 a | 3 b |
| Grundriß (Beispiel)1)
Baukörperhöheh |
h /b ≤ 5 | 0° | b *h | 1,32) ³ ) | 0 |
| h /b ≤ 5 | 90° | a *h | 0 | 1,3 ³) | |
| Sonderfall quadratischer Grundriss | a /b = 1 h /b ≤ 5 |
45° | a *h | 0,82) ³ ) | 0,8 ³) |
| 1) Weicht der Grundriss von der Rechteckform ab, so darf näherungsweise das umschriebene Rechteck zugrunde gelegt werden; es dürfen auch die Werte für Stäbe nach Abschnitt 6.2.4 sinngemäß verwendet werden.
2) Bei Wohngebäuden bis zu zwei Vollgeschossen mit üblichen Geschoßhöhen sowie bei Gebäuden mit vergleichbaren Abmessungen darf der Kraftbeiwertcf des Dachkörpers bei um den Winkel a gegen die Horizontale geneigten Dachflächen durch Multiplikation dieser Beiwerte mit sin α ermittelt werden. ³) Eine mögliche Ausmitte des Lastangriffs zurz-Achse ist durch eine Ausmitte von mindestensex = 0,1a bzw.ey = 0,1b der jeweiligen Windlastkomponente zu berücksichtigen. |
|||||
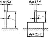
6.2.2 Zylindrische und ähnliche Baukörper mit Kreisquerschnitt, allseitig geschlossen
Tabelle 3
| Lfd Nr. |
Form und Lage des Baukörpers | BezugsflächeA | Kraftbeiwertcf | |||
| Baukörper | Abmessungsverhältnisse | Windwinkelß | ||||
| 1 a | 1 b | 1c | 2 | 3 | ||
| 1 | Zylinder: stehend (Ansicht)
|
l /d ≤ ∞ | rechtwinklig zur Körperachse | l *d | cf0 *ψ
wobei |
|
| cf0 | Grundkraftbeiwert gleich 1,2 oder genauer nach Bild 2 | |||||
| ψ | Abminderungsfaktor nach Bild 14 für VölligkeitsgradΦ = 1 | |||||
| 2 | Zylinderähnliche Baukörper Beispiele (Ansicht)
|
l /dm ≤ ∞ | rechtwinklig zur Körperachse | l *dm | cf0 *ψ
wobei |
|
| cf0 | Grundkraftbeiwert gleich 1,2 oder genauer nach Bild 2 fürd =dm | |||||
| ψ | Abminderungsfaktor nach Bild 14 für VölligkeitsgradΦ = 1 | |||||
| 3 | Rohre, Stangen, Drähte | fürd *q0,5 2) | ||||
| ≤ 0,1 | ≥ 0,15 ≤ 0,4 |
|||||
| a) glatte Oberfläche | l /d > 100 | rechtwinklig zur Körperachse | l *d | 1,2 | 0,5 | |
| b) mäßig rauhe Oberfläche | l *d | 1,2 | 0,7 | |||
| 4 | Seile | fürd *q0,5 2) | ||||
| ≤ 0,1 | ≥ 0,15 ≤ 0,4 |
|||||
| a) feindrähtig | l /d > 100 | rechtwinklig zur Körperachse | l *d | 1,2 | 0,9 | |
| b) grobdrähtig | l *d | 1,2 | 1,1 | |||
| 1) Bei Anströmung nicht rechtwinklig zur Körperachse kann der Kraftbeiwertcf durch Multiplikation der Wertecf nach Spalte 3 mit dem Sinus des Winkels zwischen der Körperachse und dem horizontalen Windrichtungspfeil ermittelt werden.
2) Dabei istd in m undq in kN/m2 einzusetzen; fürd *q0,5 > 0,4 ist der Beiwertcf nach lfd. Nr. 1 zu ermitteln; für Werte 0,1 <d *q0,5 < 0,15 darf linear interpoliert werden. |
||||||
Bild 2 Grundkraftbeiwertcf0 in Abhängigkeit von der bezogenen Rauhigkeitk /d (Rechenwertek für verschiedene Oberflächenrauhigkeiten siehe Tabelle 4) und der Reynoldszahl
| Re = | v *d |
| 1,5 * 10-5 |
mit Windgeschwindigkeitv = 40q0,5 in m/s,q in kN/m2,d in m.
Anmerkung: Für sehr große Rauhigkeiten, z.B. bei Längsrippen mithR /d >0,1 (hR Rippenhöhe) ist mitcf0 = 1,2 zu rechnen.
Tabelle 4
| Oberfläche | k in m |
| Mauerwerk | 0,005 |
| Beton | 0,003 |
| Holz | 0,002 |
| Stahl | 0,001 |
| gerippte Oberfläche mit Rippenabstanda 2hR ≤a ≤ 6hR |
Rippenhöhe1)
hR |
| 1) Für einzeln stehende Rippen mit einem Rippenabstanda > 6hR ist die vorstehende Rauhigkeitsdefinition nicht mehr anwendbar(siehe Abschnitt 6.2.5). | |
6.2.3 Kugelförmige Baukörper
Tabelle 5
| Form und Lage des Baukörpers | Bezugsfläche A | Kraftbeiwert | |||
| Baukörper | Abmessungsverhältnisse | Windwinkelß | |||
| 1a | 1b | 1c | 2 | 3 | |
![]() |
πd2 / 4 | fürd *q0,5 2) | |||
| ≤ 0,1 | ≥ 0,15 | ||||
| 0,6 | 0,35 | ||||
| 1) Für e <d / 2 kanncf auf etwa das 1,6fache der Werte nach Spalte 3 ansteigen. Der Auftriebsbeiwert beträgt danncs ≈ 0,6.
2) Dabei istd in m undq in kN/m2 einzusetzen; für Werte 0,1 <d0,5 < 0,15 darf linear interpoliert werden. |
|||||
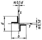
6.2.4 Stäbe aus □-, L-, T- und I-Profilen
Bild 3 Darstellung zur Festlegung der angeströmten Seite und des Anströmwinkelsß am Querschnitt
Tabelle 6
| Lfd. Nr. | Form und Lage des Baukörpers | BezugsflächeA1) | Kraftbeiwertcf | |||
| Baukörper | Abmessungsverhältnisse | Windwinkelß | cfy2)³)4) | cfz2)³)4) | ||
| 1a | 1b | 1c | 2 | 3a | 3b | |
| 1 | ![]() gilt auch für Scheiben (Tafeln) |
b /d ≤ 0,1 | 0° | d *l | 2,0ψ | 0 |
| ± 45° | 1,3ψ | ± 0,13ψ | ||||
| 90° | 0 | 0,1ψ | ||||
| 2 | ![]() |
b /d = 1 | 0° | d *l | 1,65ψ | 0 |
| ± 45° | 2,2ψ | ± 1,0ψ | ||||
| ± 90° | 1,3ψ | 2,1ψ | ||||
| 3 | ![]() |
b /d = 1 | 0° | d *l | 2,0ψ | 0 |
| ±45° | 1,15ψ | ± 0,8ψ | ||||
| ± 90° | - 1,3ψ | 2,1ψ | ||||
| 4 | ![]() |
b /d = 0,5 | 0° | d *l | 2,0ψ | 1,0ψ |
| + 45° | 1,8ψ | 0,8ψ | ||||
| - 45° | 1,3ψ | - 0,2ψ | ||||
| 90° | 1,75ψ | 1,25ψ | ||||
| 5 | ![]() |
b /d = 0,5 | 0° | d *l | 2,0ψ | - 0,1ψ |
| + 45° | 1,55ψ | 0,7ψ | ||||
| - 45° | 1,55ψ | - 0,8ψ | ||||
| 90° | - 0,25ψ | 0,8ψ | ||||
| 6 | ![]() |
b /d = 1 | 0° | d *l | 1,8ψ | 2,0ψ |
| + 45° | 1,8ψ | 1,8ψ | ||||
| + 90° | 2,0ψ | 1,8ψ | ||||
| 7 | ![]() |
b /d = 1 | 0° | d *l | 1,9ψ | - 0,2ψ |
| + 45° | 1,4ψ | 1,4ψ | ||||
| - 45° | 0,7ψ | - 1,8ψ | ||||
| 90° | - 0,2ψ | 1,9ψ | ||||
| 8 | ![]() |
b /d = 0,9 | 0° | d *l | 1,6ψ | 0 |
| ± 45° | 1,4ψ | 0 | ||||
| ± 90° | - 0,9ψ | 0,7ψ | ||||
| 9 | ![]() |
b /d = 0,9 | 0° | d *l | 1,4ψ | 0 |
| ± 45° | 0,4ψ | ± 1,0ψ | ||||
| ± 90° | 0,9ψ | 0,7ψ | ||||
| 10 | ![]() |
b /d = 1 | 0° | d *l | 1,7ψ | 0 |
| ± 45° | 0,85ψ | ± 0,85ψ | ||||
| 90° | 0 | 1,7ψ | ||||
| 11 | ![]() |
b /d = 0,5 | 0° | d *l | 2,0ψ | 0 |
| ± 45° | 1,8ψ | ± 0,6ψ | ||||
| ± 90° | 0 | 0,8ψ | ||||
| b /d = 0,66 | 0° | d *l | 1,85ψ | 0 | ||
| ± 45° | 1,7ψ | ± 1,0ψ | ||||
| ± 90° | 0 | 1,2ψ | ||||
| b /d = 1 | 0° | d *l | 1,7ψ | 0 | ||
| ± 45° | 1,5ψ | ± 1,5ψ | ||||
| ± 90° | 0 | 1,7ψ | ||||
| 12 | ![]() |
b /d = 0,5 | 0° | d *l | 2,1ψ | 0 |
| ± 45° | 1,8ψ | ± 0,6ψ | ||||
| ± 90° | 0 | 0,7ψ | ||||
| 13 | ![]() |
b /d = 0,5 | 0° | d *l | 1,8ψ | 0 |
| ± 45° | 1,8ψ | ± 0,5ψ | ||||
| ± 90° | 0 | 0,7ψ | ||||
| 14 | ![]() |
b /d = 0,6 | 0° | d *l | 2,1ψ | 0 |
| ± 45° | 1,6ψ | ± 1,2ψ | ||||
| ± 90° | 0 | 1,2ψ | ||||
| 1)l = Stablänge
2) Die für Stäbe und Scheiben gegebenen Werte gelten auch bei Abweichungen bis zu ± 10° von den in Spalte 1 c angegebenen Windwinkelnß. 3) Abminderungsfaktorψ für VölligkeitsgradΦ =1 nach Bild 14. 4) Die Beiwerte für lfd. Nr 8, 9,10 und 14 erfassen den Einfluss von Bindeblechen, deren Gesamtlänge kleiner als 20 % der Stablänge ist. Die Flächen dieser Bindebleche brauchen bei der Ermittlung der Gesamtfläche nicht berücksichtigt zu werden. |
||||||
6.2.5 Stäbe mit polygonalem Querschnitt
Anmerkung: Bei Querschnitten mit überstehenden Kanten (z.B. geschweißten Querschnitten mit Blechüberstand), bei denen die Überstandslänge mehr als 5 % der kleineren Querschnittsabmessung beträgt, können bis zu 10 % höhere Kraftbeiwerte auftreten.
Bild 4 Darstellung zur Festlegung der angeströmten Seite und des Anströmwinkelsß am Querschnitt
Tabelle 7
| Lfd. Nr. | Form und Lage des Baukörpers | BezugsflächeA1) | Kraftbeiwertcf2) | ||||||||
| Baukörper | Abmessungsverhältnisse | Windwinkelß | |||||||||
| 1a | 1b | 1c | 2 | 3 | |||||||
| 1 | ![]() |
1 ≤b /d ≤ 1,4 | 0° | d *l | 1,2ψ | ||||||
| 2 | ![]() |
1 ≤b /d d 1,4 | 0° | d *l | 2ψ | ||||||
| 3 | ![]() |
b /d = 0,5 | 0° | d *l | 2,1ψ | ||||||
| b /d = 1 | 0° | d *l | 1,9ψ | ||||||||
| b /d = 2 | 0° | d *l | 1,5ψ | ||||||||
| b /d = 3 | 0° | d *l | 1,3ψ | ||||||||
| b /d = 4 | 0° | d *l | 1ψ | ||||||||
| 4 | ![]() |
a /d = 0,5;b /d = 2 | 0° | 2d *l | 1,6ψ | ||||||
| a /d = 1;b /d = 2 | 0° | 2d *l | 1,5ψ | ||||||||
| a /d = 2;b /d = 2 | 0° | 2d *l | 1,4ψ | ||||||||
| 5 | ![]() |
b /d = 0,5 | 0° | d *l | 1,9ψ | ||||||
| b /d = 1 | 0° | d *l | 1,5ψ | ||||||||
| b /d = 2 | 0° | d *l | 1,1ψ | ||||||||
| 6 | ![]() Regelmäßiges Sechseck |
0° | d *l | 1,5ψ | |||||||
| 7 | ![]() Regelmäßiges Achteck |
0° | d *l | 1,4ψ | |||||||
| 8 | ![]() Regelmäßiges Zehneck |
0° | d *l | 1,3ψ | |||||||
| 9 | ![]() Regelmäßiges Zwölfeck |
0° | d *l |
|
|||||||
| 10 | ![]() |
0° | Werte wie für das umschriebenen-Eck entsprechend lfd. Nr. 6 bis 9; dabei darf vereinfachendd =dZyl + 2hR gesetzt werden. |
||||||||
| 1)l = Stablänge
2) Abminderungsfaktorψ für VölligkeitsgradΦ = 1 nach Bild 14. 3) Dabei istd in m undq in kN/m2 einzusetzen; für 0,2 <d0,5 < 2 darf linear interpoliert werden. |
|||||||||||
6.2.6 Ebene und räumliche Fachwerke (Fachwerkquerschnitt quadratisch oder gleichseitiges Dreieck)
Anmerkung: Die Windlast auf Einbauten ist zusätzlich zu erfassen. Dabei darf die auf übliche Einbauten wie Leitern, Laufstege, Leitungen und Anbauten wirkende Windlast, solange die Bezugsfläche der Ein- bzw. Anbauten nicht größer als 25 % der Bezugsfläche des Fachwerks ist, getrennt mit dem jeweiligen Kraftbeiwert unter Beachtung der Streckung berechnet und mit 80 % als Zuschlag bei der Ermittlung der Gesamtwindlast berücksichtigt werden.
Ist durch Einbauten eine erhebliche Veränderung bei der Umströmung des Fachwerks zu erwarten, sind gesonderte Windkanalversuche erforderlich.
Tabelle 8
| Lfd. Nr. |
Form und Lage des Baukörpers | Bezugsfläche A | Kraftbeiwertcf | ||
| 1 | 2 | 3 | |||
| 1 | aus kantigen Stäben Querschnitte: ![]() |
Gesamtfläche der Stäbe und Knotenbleche der bzw. einer Fachwerkswand(Ansicht normal zur Wandebene) | cf0 *ψ
wobei: |
||
| cf0 | Grundkraftbeiwert für ebene Fachwerke nach Bild 5 bzw. für räumliche Fachwerke nach Bild 6 in Abhängigkeit vom VölligkeitsgradΦ1) | ||||
| ψ | Abminderungsfaktor nach Bild 14 | ||||
| 2 | aus Kreiszylinderrohren ohne Knotenbleche2) Querschnitte: ![]() |
Gesamtfläche der Stäbe der bzw. einer Fachwerkswand (Ansicht normal zur Wandebene) | cf0 *ψ
wobei: |
||
| cf0 | Grundkraftbeiwert3) nach den Bildern 7, 8 oder 9 in Abhängigkeit von der ReynoldszahlRe und dem VölligkeitsgradΦ1) | ||||
| ψ | Abminderungsfaktor nach Bild 14 | ||||
| 3 | sowohl aus Stäben mit kantigem Querschnitt als auch aus Kreiszylinderrohren Querschnitte: ![]() |
A =A1 + 0,75A2
wobei: |
cf0 *ψ
wobei: |
||
| A1 | Gesamtfläche der kantigen Stäbe und Knotenbleche bei Ansicht normal zur Wandebene | cf0 | Grundkraftbeiwert nach Bild 5 bzw. Bild 6 in Abhängigkeit vom VölligkeitsgradΦ1) | ||
| A2 | Gesamtfläche der Kreiszylinderrohre bei Ansicht normal zur Wandebene | ψ | Abminderungsfaktor nach Bild 14 | ||
| 1) VölligkeitsgradΦ =A /Au mitA nach Spalte 2 undAu =d *l (Umrißfläche) mitd nach Spalte 1 undl Länge des Fachwerkträgers.
2) Bei Fachwerken mit Knotenblechen ist die auf die Knotenbleche wirkende Windlast zusätzlich zu berücksichtigen. Sie darf dabei mit der Gesamtknotenfläche und einem Kraftbeiwertcf =1,6 ermittelt werden. Der Berechnung des Grundkraftbeiwertescf0 ist bei Fachwerken mit Knotenblechen der VölligkeitsgradΦ aus der Gesamtfläche der Rohre und Knotenbleche einer Fachwerkswand zugrunde zu legen. 3) Die angegebenen Grundkraftbeiwertecf0 berücksichtigen die üblichen Rauhigkeiten (Pinsellackierung, Anrostung). Es wird vorausgesetzt, dass die Umströmung der kreiszylindrischen Querschnitte nicht über eine erhebliche Länge (z.B. durch elektrische Leitungen) gestört wird. |
|||||
| Bild 5 | Grundkraftbeiwertcf0 für ebene Fachwerkswände aus kantigen Stäben in Abhängigkeit vom VölligkeitsgradΦ | Bild 6 | Grundkraftbeiwertcf0 für räumliche Fachwerke aus kantigen Stäben in Abhängigkeit vom VölligkeitsgradΦ |
![]() |
![]() |
||
| Bild 7 | Grundkraftbeiwertecf0 für ebene Fachwerke aus Kreiszylinderrohren in Abhängigkeit von der Reynoldszahl Re ³) | ||
| a) | ![]() |
b) | ![]() |
| Bild 8 | Grundkraftbeiwertecf0 für räumliche Fachwerke aus Kreiszylinderrohren mit gleichseitigem Dreieck als Fachwerkquerschnitt in Abhängigkeit von der Reynoldszahl Re ³) | ||
| a) | ![]() |
b) | ![]() |
| Bild 9 | Grundkraftbeiwertecf0 für räumliche Fachwerke aus Kreiszylinderrohren mit quadratischem Fachwerkquerschnitt in Abhängigkeit von der Reynoldszahl Re ³) | ||
| a) | ![]() |
b) | ![]() |
| 3) Reynoldszahl Re =v *d1 / 1,5 * 10-5; ; mit Windgeschwindigkeitv = 40q0,5 in m/s, Staudruckq in kN/m2 und Gurtdurchmesserd1 in m; fürd1q0,5 ergibt sich die Einheit (kN)0,5. | |||
6.2.7 Hintereinander liegende gleiche Stäbe, Tafeln oder Fachwerke
Anmerkung: Dieser Abschnitt gilt auch für eine Schräganströmung bis 5° und darf bei annähernd gleichen Einzelbaukörpern angewandt werden, wenn bei der Ermittlung der BezugsflächeA fürA1 die Bezugsfläche des größten Einzelbaukörpers zugrunde gelegt wird. Bei unterschiedlichen Abständen der Einzelbaukörper darf näherungsweise der Größtabstand der Körper als einheitlicher Abstand zugrunde gelegt werden. Es wird vorausgesetzt, dass die Einzelbaukörper an den Enden gehalten sind und im übrigen frei umströmt werden. Näherungsweise darf auch die Windlast auf hintereinander liegende Baukörper, die auf dem Boden stehen oder sich unter einer geschlossenen Decke befinden, nach diesem Abschnitt ermittelt werden.
Tabelle 9
| Form und Lage des Baukörpers | BezugsflächeA | Kraftbeiwertcf | |
| 1 | 2 | 3 | |
![]() |
Für das Gesamtsystem ausn Baukörpern
A =[1 +η + (n - 2)η2]A1 wobei: |
cf eines Einzelbaukörpers | |
| A1 | Bezugsfläche des Einzelbaukörpers | ||
| n | ≥ 2 die Anzahl der Einzelkörper | ||
| η | Abschattungsfaktor nach Bild 10 | ||
Bild 10 Abschattungsfaktorηfür hintereinander liegende gleiche Baukörper in Abhängigkeit vom Abstanda und vom VölligkeitsgradΦ (bei vollwandigen Baukörpern:Φ =1)
6.2.8 Flaggen
Tabelle 10
| Lfd. Nr. | Form und Lage des Baukörpers | BezugsflächeA | Kraftbeiwertcf | |
| Baukörper | Abmessungsverhältnisse | |||
| 1a | 1b | 2 | 3 | |
| 1 | Ansicht:
mit festgespanntem Flaggentuch |
d /b < 5 | b *d | 1,2 |
| d /b ≥ 5 | b *d | 1,6 | ||
| 2 | mit losem Flaggentuch | d /b < 5 | b *d / 4 | 1,2 |
| d /b ≥ 5 | b *d / 4 | 1,6 | ||
6.3 Druckbeiwertecp
Es wird zwischen positiven Druckbeiwerten und negativen Druckbeiwerten (Sog) unterschieden.
Bild 11 Vorzeichenfestlegung und Darstellung von Druckbeiwerten
6.3.1 Allseitig geschlossene prismatische Baukörper mit Sattel-, Pult- oder Flachdach
| Anmerkung: | Baukörper, die an einer oder mehreren Seiten ganz offen sind oder geöffnet werden können oder die an einer oder mehreren Seiten durch eine oder mehrere Öffnungen mindestens zu1/3 offen sind oder geöffnet werden können, gelten nicht als geschlossene Baukörper (cp Werte siehe Abschnitt 6.3.2, Tabelle 14). |
Tabelle 11
| Lfd. Nr. |
Form und Lage des Baukörpers | Druckbeiwertcp | |
| 1 | 2 | ||
| 1 | ![]() 0° ≤a ≤ 90°
a ≤b
Anmerkung: Die Windrichtungß = 0 wird unabhängig von der Firstrichtung rechtwinklig zur Grundrißseite mit der Längeb angenommen. |
Über einzelne Wand- oder Dachflächen gemittelte Werte fürß = 0° | |
| Ansicht: | Grundriß: | ||
![]() |
|||
| 2 | Über die angegebenen Teilbereiche von Wänden gemittelter Werte2) (Sogspitzen) fürß = 0° | ||
| Ansicht: | Grundriß: | ||
![]() |
![]() |
||
| 3 | Über die angegebenen Teilbereiche von Dächern ³) gemittelte Werte (Sogspitzen) fürß ≈ 45° | ||
![]() |
|||
| 4 | Genauere Werte für die angegebenen Teilbereiche bei Flachdächern | ||
| fürb ≤ 1,5a
Dachgrundriß: |
fürb > 1,5a
Dachgrundriß |
||
![]() |
![]() |
||
| 1) Für Verhältnisse 0,5 >h /a > 0,25 darf linear interpoliert werden.
2) In diesem Wert sind auch dynamische Windwirkungen berücksichtigt. 3) Bei Wohn- und Bürogebäuden sowie bei geschlossenen Hallen mita ≤ 30 m darf auch in der Dachfläche die Breite des Randbereichs auf 2 m begrenzt werden. Bei Dächern mit Überstand sind bei der Ermittlung der Dachteilbereiche die Abmessungen des Dachgrundrisses zugrunde zu legen. Der Druck von unten auf den Dachüberstand ist sinngemäß nach Abschnitt 6.3.2, Tabelle 14, lfd. Nr. 1, zu ermitteln. Bei Flachdächern (Neigungswinkel α bis ungefähr 8°) ohne Attika dürfen die Sogspitzen für die angegebenen Teilbereiche statt nach Tabelle 12 mit den genaueren Werten nach Tabelle 13 gerechnet werden (Attiken können die Sogspitzen verringern). In den Mittenbereichen (d. h. in Bereichen außerhalb der angegebenen Rand- und Eckbereiche) von Dächern mit Neigungswinkeln α < 25° können bei Baukörpern mith /a > 0,4 die auf die Dachhaut und etwaige Aufbauten auf der Dachfläche wirkenden örtlichen Sogspitzen Beiwerte voncp = -0,8 haben. |
|||
Bild 12. Beiwertcp für Sattel-, Pult- und Flachdächer

Tabelle 12
| Sogspitzen für angegebene Teilbereiche von Dächern beliebiger Neigung | ||
| Dachneigungswinkel ± | Beiwertcp | |
| im Eckbereich | im Randbereich | |
| ≤ 25° | -3,2 | -1,8 |
| 25° ≤ α ≤ 35° | -1,8 | -1,1 |
| > 35° | keine "Sogspitzen" | |
Tabelle 13
| Sogspitzen für angegebene Teilbereiche von Flachdächern | |||
| Abmessungsverhältnisse | Beiwertcp | ||
| b /a | h /a | im Eckbereich | im Randbereich |
| ≤ 1,5 | ≤ 0,4 | - 2 | - 1 |
| > 0,4 | - 2,8 | - 1,5 | |
| > 1,5 | ≤ 0,4 | - 2,5 | - 1 |
| > 0,4 | - 3 | - 1,7 | |
6.3.2 Seitlich offene prismatische Baukörper
Tabelle 14
| Lfd. Nr. |
Form und Lage des Baukörpers | Druckbeiwertcp |
| 1 | 2 | |
| 1 | Luv- oder Leeseite offen:
|
![]() |
| 2 | zwei gegenüberliegende Seiten offen:
|
![]() |
| 3 | drei Seiten offen:
|
![]() |
| 4 | Freistehende Dächer1)
Abmessungsverhältnisse: a ≤b ≤ 5a 0,5 ≤h /a ≤ 1 Querschnittshöhe der Dachscheibe ≤ 0,03a |
|
| 4.1 | Typ 1 (Ansicht):
|
![]() |
| mit Versperrung:
|
![]() |
|
| 4.2 | Typ 2 (Ansicht):
|
![]() |
| mit Versperrung: | cp entsprechend lfd. Nr. 4.1 | |
| 4.3 | Typ 3 (Ansicht):
|
![]() |
| mit Versperrung: | cp entsprechend lfd. Nr. 4.1 | |
| 1) Bei Anströmung in Richtung der Längsachse des Daches können die zum Dach tangentialen Windkräfte von Bedeutung sein. In Teilbereichen auf das Dach wirkende Sogspitzen können nach Tabelle 12 abgeschätzt werden.
2) Für Dachneigungen - 10° < α <+ 10° darf zwischen den Druckbeiwerten für α = - 10° und α = + 10° linear interpoliert werden; in den Beiwerten ist eine mögliche Versperrung der durchströmten Fläche unterhalb des Daches bis zu 15 % berücksichtigt. |
||
6.3.3 Kreiszylindrische Baukörper
Tabelle 15
| Form und Lage des Baukörpers | Druckbeiwertecp |
| 1 | 2 |
| Grundriß:
|
![]() |
Bild 13 Beiwertecp0 über dem abgewickelten Zylinderumfang; ZwischenwerteRe dürfen logarithmisch interpoliert werden.
k /d < 5 * 10-4 (Rechenwerkk für die Rauhigkeit nach Tabelle 4)
| Re | αmin | cp0min | αA | cp0 | Integration cf0 |
| 5 x 105 | 85 | -2,2 | 135 | -0,4 | 0,49 |
| 2 x 106 | 80 | -1,9 | 120 | -0,7 | 0,65 |
| 107 | 75 | -1,5 | 105 | -0,8 | 0,78 |
Bild 14. Abminderungsfaktorψ in Abhängigkeit von der effektiven Streckung λ (nach Tabelle 16) und dem VölligkeitsgradΦ
Tabelle 16
| Lfd. Nr. | Lage des Baukörpers, Anströmung senkrecht zur Zeichenebene | effektive Streckung λ |
| 1 | 2 | |
| 1 |
fürl ≥ 4d |
l /d |
| 2 |
fürd ≤l |
|
| 3 |
fürd ≤l |
1,4l /d ≤ 70 fürl ≥ 50 m
2l /d ≤ 70 fürl ≤ 15 m Für Kreiszylinder: 0,7l /d ≤ 70 fürl ≥ 50 m l /d ≤ 70 fürl ≤ 15 m |
| 4 | ![]() |
Zwischenwerte linear interpolieren |
| 5 | ![]() |
0,7l /d ≥ 70 fürl ≥ 50 m
l /d ≥ 70 fürl ≤ 15 m Zwischenwerte linear interpolieren |
| Zitierte Normen |
| DIN 1053 Teil 1 | Mauerwerk; Berechnung und Ausführung |
| DIN 1055 Teil 1 | Lastannahmen für Bauten; Lagerstoffe, Baustoffe und Bauteile, Eigenlasten und Reibungswinkel |
| DIN 1055 Teil 5 | Lastannahmen für Bauten; Verkehrslasten, Schneelast und Eislast |
Frühere Ausgaben
Beiblatt zu DIN 1055 Teil 4: 06.39, 02.41
DIN 1055 Teil 4: 06.38xxx, 05.77
Änderungen
Gegenüber Ausgabe Mai 1977 und dem im Jahre 1961 zurückgezogenen Beiblatt zu DIN 1055 Teil 4wurden folgende Änderungen vorgenommen:
| Erläuterungen |
Die vorliegende Folgeausgabe von DIN 1055 Teil 4 enthält die textlich nur unwesentlich geänderte Ausgabe Mai 1977 dieser Norm, ergänzt durch eine Sammlung aerodynamischer Beiwerte im Abschnitt 6. Diese Folgeausgabe ist damit das Ergebnis einer in zwei Schritten durchgeführten Überarbeitung der Norm DIN 1055 Teil 4 Lastannahmen im Hochbau; Verkehrslasten, Windlast.
Ausgabe Juni 1938xxx:
Im ersten Schritt wurden die Abschnitte, die sich mit den Nachweisen unter Windeinwirkung, den Berechnungsgleichungen für die Windlast und dem Staudruckansatz befassen, redaktionell überarbeitet und im übrigen materiell unverändert als DIN 1055 Teil 4 Lastannahmen für Bauten; Verkehrslasten, Windlasten nicht schwingungsanfälliger Bauwerke, Ausgabe Mai 1977, im Kurzverfahren herausgegeben. Dabei wurde mit dem einschränkenden Untertitel zum Ausdruck gebracht, dass diese Regeln nur für die Anwendung bei üblichen Konstruktionen des Hochbaus vorgesehen sind, die durch Wind nicht zu Resonanzschwingungen erregt werden können.
Im zweiten Schritt wurde die Beiwertzusammenstellung von Grund auf überarbeitet. Beiwerte waren in der Norm und in einem als 2. Ausgabe Februar 1941 erschienenen Beiblatt angegeben. Mit der Entwicklung der Baupraxis hatten einige der angegebenen Baukörperformen an Bedeutung verloren, während für andere, neu hinzugekommene, keine Werte zu finden waren. Hierfür, aber auch für weiterhin wichtige und in der Sammlung schon enthaltene Baukörperformen, lagen Messungen des In- und Auslandes in großer Zahl und nicht ohne gelegentliche Widersprüche vor. Neuere Messergebnisse hatten unter anderem gezeigt, dass gewisse Angaben des Beiblattes nur für bestimmte Parameterkombinationen galten und nicht das Maß an Allgemeingültigkeit haben, das die Darstellung zum Ausdruck brachte. Das DIN hatte sich dadurch 1961 veranlasst gesehen, das Beiblatt ersatzlos zurückzuziehen. Unter Beschränkung auf die heute baupraktisch bedeutsamen Grundformen hat der Arbeitsausschuss, zunächst ausgehend von dem vorhandenen Material, eine Sammlung von Kraft- und Druckbeiwerten aufgestellt und als Entwurf Mai 1977 von DIN 1055 Teil 4 5 der Öffentlichkeit zur Stellungnahme vorgelegt. Bei den Einspruchsberatungen waren gegenläufige Ansichten und Interessen auszugleichen, die sich vor allem auf die zu behandelnden Baukörper, die anzugebenden Werte, den Umfang der Informationen und auf die Form der Darstellung bezogen. Der Ausschuss hat sich bemüht, alle Angaben bis zur Grenze des Vertretbaren zu vereinfachen. Die Baupraxis war hiermit nicht immer einverstanden. Damit einige der Angaben auf Wunsch der Beteiligten verfeinert werden konnten, mussten auch gezielte zusätzliche Untersuchungen durchgeführt werden. Hieraus ergab sich die ungewöhnlich lange Zeit zwischen der Veröffentlichung des Entwurfs und der Herausgabe der endgültigen Norm.
Die vorliegende Ausgabe von DIN 1055 Teil 4 ist eine "konservative" Beschreibung statisch aufgefasster Windwirkungen, die vom Konzept her für eine wirklichkeitsnahe Erfassung aller im Bauwesen zu berücksichtigenden Windwirkungen nur bedingt geeignet ist. Der Arbeitsausschuss hat daher parallel zur Überarbeitung dieser Norm die Regeln zur Erfassung der Windwirkungen von Grund auf neu bearbeitet, um eine Grundlage für eine wirklichkeitsnahe und allgemeingültige Beschreibung der Windwirkungen bei beliebigen Baukonstruktionen zu schaffen. Die vorliegende Ausgabe von DIN 1055 Teil 4 wurde daher in der Arbeitsplanung des Ausschusses für Einheitliche Technische Baubestimmungen (ETB) als "Zwischenlösung" aufgefasst.
| Zu Abschnitt 1: | Anwendungsbereich und |
| zu Abschnitt 2: | Begriffe |
Wie die bisherige Norm erfasst auch die vorliegende Ausgabe von DIN 1055 Teil 4 keine Resonanzanregungen von Baukonstruktionen durch Wind und berücksichtigt nicht, dass die Werte der Windgeschwindigkeiten gleicher Auftretenswahrscheinlichkeit innerhalb des räumlichen Geltungsbereiches der Norm merklich unterschiedlich sind. Für Baukonstruktionen, deren Bemessung wesentlich von diesen Einflüssen auf die Windwirkung abhängt, mussten daher innerhalb des Normenwerks abweichende Windlastregeln aufgestellt werden, die dem ausreichend Rechnung tragen. Unter Berücksichtigung der vorliegenden Erfahrungen musste dementsprechend die Anwendung von DIN 1055 Teil 4 auf "übliche", im Abschnitt 2.1 beschriebene Hochbauten begrenzt werden. Um die Untersuchung einer Resonanzanregung von Baukonstruktionen durch Wind auf die Fälle zu beschränken, bei denen dies sicherheitstheoretisch unumgänglich ist, wurde ein Anteil der Resonanzerregung von 10 % -bezogen auf die ohne Resonanzerregung ermittelte Windlast - als tolerabel angegeben. Dieses wird auch für andere Konstruktionen als übliche" Hochbauten als vertretbar angesehen. Um dem Anwender in Zweifelsfällen bei schlanken Konstruktionen eine Entscheidungshilfe an die Hand zu geben, wurde mit diesen Kriterium für Kragkonstruktionen, d. h. einseitig z.B. im Fundament eingespannte Konstruktionen, die Grenzbedingung
entwickelt. Für die Anwendung dieses Kriteriums ist eine Abschätzung der Eigenfrequenzf und der Dämpfungδ erforderlich. Während die Eigenfrequenz nach bekannten Formeln (siehe z.B. Betonkalender 1978 Teil II, S.779) ermittelt oder in einfachen Fällen anhand von Erfahrungswerten vorgeschätzt werden kann (z.B. nach Ruscheweyh, Dynamische Windwirkung auf Bauwerke, Bauverlag 1982, Band 2, S. 35, oder für Kamine mitf= - 50 /h mith = Höhe in Meter), werden für Dämpfungswerte im Rahmen dieses Kriteriums grobe Anhaltswerte angegeben. Dabei darf zu den Grunddämpfungswerten jeweils nur ein Zuschlag Δδ hinzugezählt werden.
Entsprechend der meßtechnischen Ermittlung am Modell im Windkanal und der Übertragung der Ergebnisse bei ihrer Verwendung in Sicherheitsnachweisen für das Bauwerk ("Großausführung") werden unterschieden:
Kraftbeiwerte, als Ergebnisse von Kraftmessungen mittels Waagen am Gesamtmodell des Baukörpers:
| FWind,meß | ||
| cf = | und | |
| q'meß *A' |
Druckbeiwerte, als Ergebnisse von Druckmessungen mittels Manometer an einzelnen Punkten der Modelloberfläche:
cp = Δpmeß /q'meß
Kräfte wie Drücke sind "Lasten" im Sinne von DIN 1080 Teil 1, Ausgabe Juni 1976, Abschnitt 3.4. Man müsste also generell von "Lastbeiwerten" sprechen. Um jedoch Beiwerte für die Windlastresultierende (Einzellast) von den Beiwerten für die Drücke auf der Bauwerksoberfläche (Last je Fläche) unterscheiden zu können, wurden die Bezeichnungen "Kraftbeiwert" und "Druckbeiwert" gewählt (siehe DIN 1080 Teil 1, Ausgabe Juni 1976, Tabelle 4 mitP und Tabelle 5 mitp). Der "Staudruckρv2 / 2 wird, insbesondere in der internationalen Literatur, auch "Geschwindigkeitsdruck" genannt. Hierauf bezieht sich im Abschnitt 2.2 die Bezeichnung "Staudruck (Geschwindigkeitsdruck)". Der im Staupunkt eines umströmten Körpers herrschende Gesamtdruck setzt sich aus dem statischen Druck und dem Staudruck (Geschwindigkeitsdruck) zusammen:
Gesamtdruck:pGes =pstat +pdyn
mit Staudruck:pdyn =ρv2 / 2
Zur Bestimmung aerodynamischer Beiwerte werden die Meßergebnisse auf den Staudruck (Geschwindigkeitsdruck) bezogen. Zu Abschnitt 3: Berücksichtigung der Windwirkung
Bei der Untersuchung der ungünstigsten Windbeanspruchung von Gesamtbauwerken wird für den häufigsten Fall der orthogonalen Anordnung der Aussteifungselemente im Grundriss eine Untersuchung mit Windanströmung in Richtung der Grundrißhauptachsen im allgemeinen als ausreichend angesehen. Die Entscheidung, wann abweichend davon die ungünstigste Wirkung des Windes auf die Aussteifungselemente unabhängig von der Richtung dieser Hauptachsen zu untersuchen ist, d. h. unter Windanströmung über Eck", muss dem sachkundigen Ingenieur überlassen bleiben. Normative Regeln in knapper Form lassen sich hierfür nicht aufstellen.
Wird die Lagesicherheit (Umkippen und/oder Gleiten) mit einem Gesamtsicherheitsbeiwert nachgewiesen, muss dieser wie bisher mindestens 1,5 betragen. Beim Nachweis mit Teilsicherheitsbeiwerten können diese den betreffenden Fachnormen entnommen werden.
Die Schadensentwicklung der letzten Jahrzehnte hat ergeben, dass die Lagesicherheit insbesondere von Flachdachkonstruktionen bei Diagonalanströmung unter der Wirkung von Sogspitzen an der angeströmten Ecke zu untersuchen ist. In diesen Bereichen sind unmittelbar vom Sog belastete Einzelbauteile je nach ihrer Masse unterschiedlich gefährdet. Damit der Lagesicherheitsnachweis möglichst wirklichkeitsnah geführt werden kann, wird in der Anmerkung zu Abschnitt 3.3 eine Bemessungsgleichung mit Teilsicherheitsbeiwerten angegeben. Diese sind angesetzt an
Angaben über entlastend wirkende Windlasten, die simultan mit belastenden Windwirkungen auftreten, enthält die Norm nicht. Die Angaben der Beiwertsammlung sind für sich betrachtete obere Fraktilen räumlicher Mittelwerte einzelner Teile der Körperoberfläche, z.B. luv- oder leeseitige Wandfläche, luv- oder leeseitige Dachfläche, windparallele Seitenflächen usw. Diese Werte müssen weder simultan auftreten, noch überhaupt zu demselben Anströmzustand gehören. Die tatsächliche Druckverteilung in der betrachteten Bezugsfläche kann von der gemittelten konstanten Lastverteilung, die in der Norm angegeben ist, merklich abweichen. Tatsächlich wirkt die Resultierende deshalb nicht immer im Schwerpunkt der Angriffsfläche, sondern kann in merklichem Abstand davon angreifen. Damit also in bestimmten Fällen günstig wirkende Windlasten berücksichtigt werden könnten, müssten die hierfür erforderlichen Angaben (z.B. mit Sicherheit wirkende Mindestwerte) erst in die Norm aufgenommen werden. Sie würde dadurch erheblich anschwellen und in ihrer Anwendung erschwert. Der einfachen Handhabung wegen bleibt daher nur die Abschätzung "nach der sicheren Seite", indem günstig wirkende Windlasten nicht berücksichtigt werden. Eine Unterteilung innerhalb der oben genannten Teilflächen (luvseitig, leeseitig usw.) in ungünstige und günstige Windlasten wird nicht für sinnvoll gehalten.
Zu Abschnitt 4: Gleichzeitige Berücksichtigung von Wind- und Schneelast
Mit dem Bezug auf die Kombinationsregel nach DIN 1055 Teil 5, Ausgabe Juni 1975, Abschnitt 5.1, wird die Möglichkeit geboten, den Anteil der rechnerischen Windlast abzuschätzen, dessen gleichzeitiges Zusammenwirken mit dem Rechenwert der Schneelast zu erwarten ist, und umgekehrt. Dem Anwender wird damit folgende Alternative zur freien Wahl gestellt:
Dabei ist mit "s" ausschließlich der Rechenwert der Schneelast nach DIN 1055 Teil 5, Ausgabe Juni 1975, Abschnitt 3.1, gemeint. Insbesondere ist eine Kombination
| "w + | s / 2 | "= "w + | s | " |
| 2 | 4 |
nach DIN 1055 Teil 5, Ausgabe Juni 1975, Abschnitt 3.2, nicht möglich.
Zu Abschnitt 5: Rechenwert der Windlast
Das unter Beschränkung der Anwendbarkeit auf übliche Hochbauten aus der Ausgabe Juni 1938xxx der DIN 1055 Teil 4 unverändert übernommene Windlastmodell besteht aus Angaben über die resultierende Windlast am Bauwerk,W =cf *q *A, und die Oberflächenlasten,w =cp *q, die als statische Ersatzlasten stark vereinfachend beschrieben werden. Damit soll die Führung von Sicherheitsnachweisen soweit als möglich erleichtert werden. Führt der Berechnungsstaudruck nach Tabelle 1 zu unterschiedlichen Werten innerhalb der BezugsflächeA eines Bauwerks, so kann die Windlastresultierende nach der FormelW =cf * ∑qi * ΔAi ermittelt werden. Dabei ist jeweils ΔAi die zuqi = const gehörende Teilbezugsfläche (mit ∑ ΔAi=A).
Bild 15. Beispiel für Teilbezugsflächen
W =cf * (q1 * ΔA1 +q2 * ΔA2 +q3 * ΔA3)
ΔA1 + ΔA2 + ΔA3 =A
Bei der Bemessung "üblicher" Hochbauten, die häufig bereits aufgrund ihrer konstruktiven Ausbildung weitgehend widerstandsfähig gegen Windeinwirkungen sind, wurde dieses vereinfachende Lastmodell in den letzten Jahrzehnten offensichtlich als ausreichend empfunden. Bestandteil dieses Windlastmodells ist ein Modell für die Beschreibung des Windes selbst, das ebenfalls starke Vereinfachungen enthält und nur in seiner Gesamtheit gesehen werden kann. Wesentlich hieran ist, dass für den gesamten räumlichen Anwendungsbereich der Norm derselbe Berechnungsstaudruck gilt, der sich mit der Höhe nach der in Tabelle 1 angegebenen "Treppenlinie" ändert. Das in Tabelle 1, Spalte 2, angegebene Höhenprofil der Windgeschwindigkeit kann als Annäherung an die durchv(z) =v(10) * (z / 10)0,11 beschriebene "Einhüllende" möglicher Böenprofile aufgefasst werden. Dieses Profil mit seinem Bezugswertv(10) = 34,6 m/s in 10 m Höhe hat innerhalb des Anwendungsbereiches der Norm merklich unterschiedliche Auftretenswahrscheinlichkeiten. Teilt man, der eingangs erwähnten grundlegenden Neubearbeitung der Windlastregeln folgend, den Anwendungsbereich von DIN 1055 Teil 4 in 4 Windgeschwindigkeitszonen, so tritt dieser Bezugswert nach neueren Untersuchungsergebnissen des Deutschen Wetterdienstes in Zone I einmal in 50 Jahren, in Zone II einmal in 10 Jahren, in Zone III einmal pro Jahr und in Zone IV zehnmal pro Jahr auf. Diese Windgeschwindigkeitszonenkarte ist im Anhang a zu DIN 1056, Ausgabe Oktober 1984, Freistehende Schornsteine in Massivbauart; Berechnung und Ausführung, als Bestandteil des DIN-Normenwerkes veröffentlicht worden.
Das Windmodell von DIN 1055 Teil 4 ist in allen seinen Teilen eine derart vereinfachende Darstellung, dass die schärfere Erfassung bestimmter Einzelheiten kaum zu einer genaueren Beschreibung der Windlast insgesamt führen dürfte. Für wirklichkeitsnähere Ansätze muss generell auf die Grundlagen der modernen Windlasttheorie zurückgegriffen werden.
Für Bauwerke, bei denen neben der Eigenlast die Windlast das Bemessungsergebnis wesentlich bestimmt, werden die Angaben der vorliegenden Norm nicht als ausreichende Grundlage zur Erfassung der Windwirkungen im Rahmen von Sicherheitsnachweisen angesehen. Die Windlastregeln für derartige Baukonstruktionen, z.B. Antennentragwerke und freistehende Kamine, enthalten genauere Ansätze, die vor allem den bei gleicher Auftretenswahrscheinlichkeit unterschiedlichen Bezugswerten der Windgeschwindigkeit innerhalb der räumlichen Anwendungsbereiche dieser Regeln und den verschiedenen dynamischen Windwirkungen Rechnung tragen.
Regelwerte, wie sie Tabelle 1 enthält, können insbesondere aus wirtschaftlichen Gründen nicht nach den ungünstigsten Verhältnissen, z.B. besonders exponierten Lagen, ausgelegt werden. Daher musste wie bisher in Verbindung mit dieser Tabelle 1 darauf hingewiesen werden, dass für Bauwerke, die dem Windangriff besonders stark ausgesetzt sind, ein höherer Berechnungsstaudruck als erforderlich angesehen wird. Da es sich hierbei um die Ausnahmen, d. h. die eben nicht normbaren Fälle handelt, sah sich der Ausschuss außerstande, die hierfür maßgebenden Bedingungen abschließend aufzuzählen. Er hat lediglich als ein Beispiel Bauwerke angeführt, die auf einer das umliegende Gelände steil und hoch überragenden Erhebung stehen.
Die in Abschnitt 5.2.2 genannten und hierzu in Abschnitt 6.3 zahlenmäßig angegebenen aerodynamischen Druckbeiwerte sind über Teilbereiche der Bauwerksoberfläche räumlich gemittelte Werte. Sie werden daher an einzelnen Stellen dieser Mittlungsbereiche auch überschritten. Bei der Berechnung durch Wind unmittelbar beaufschlagter Einzelbauteile sind die Spitzenwerte zu berücksichtigen. Als Entscheidungshilfe in Zweifelsfällen kann Fußnote 1 herangezogen werden. Während im Druckbereich der Spitzenwert als 1,25facher Mittelwert allgemein beschrieben werden kann, sind im Sogbereich differenzierte Angaben, z.B. für Dach- und Wandbereiche, erforderlich.
Definitionsgemäß können aerodynamische Beiwerte ausschließlich aus Messergebnissen am umströmten Körper 1) durch Normierung, d. h. Bezug auf strömungs- und körperspezifische Größen ermittelt werden. Die zahlenmäßigen Ergebnisse hängen also bei ein und derselben Baukörperform noch ab von der Art der Strömung (z.B. turbulenzarme Strömung mit konstantem Geschwindigkeitsprofil oder "Grenzschichtströmungen" unterschiedlicher Profile und Turbulenzintensitäten) und den zur Normierung herangezogenen Werten der Strömung (z.B.q =ρ *v2 / 2 bei turbulenzarmer Strömung mit konstantem Geschwindigkeitsprofil oder zeitlicher Mittelwert der Anströmgeschwindigkeit in Höhe der Baukörperoberkante bei Messung im "Grenzschichtkanal"). Für die richtige Verwendung aerodynamischer Beiwerte bei der Ermittlung der Windwirkungen auf Bauwerke ist letztlich entscheidend, dass diese Werte wiederum mit den gleichen Größen multipliziert werden, die zu ihrer Normierung gedient haben. Die Definitionen der aus Messergebnissen in turbulenzarmen Kanälen mit konstantem Geschwindigkeitsprofil ermittelten aerodynamischen Beiwerte im Rahmen von DIN 1055 Teil 4 sind im Abschnitt 2.2 und die damit korrespondierenden Regeln zu ihrer Verwendung bei der Ermittlung von Windwirkungen auf Bauwerke sind im Abschnitt 5.2 angegeben. Um die Norm so kurz wie möglich zu halten, wurden aerodynamische Beiwerte im Abschnitt 6 nur für wichtige Baukörpergrundformen angegeben. In der Entwurfspraxis treten aber auch Baukörperformen auf, deren aerodynamische Beiwerte der Norm weder unmittelbar entnommen, noch über Analogieschlüsse nach der sicheren Seite" abgeschätzt werden können. Falls sich vorhandene Ergebnisse von Windkanalmessungen nicht heranziehen lassen, können gezielte Messungen erforderlich werden. Von einer einwandfreien Durchführung der Messungen zur Ermittlung der aerodynamischen Beiwerte nach den Definitionen des Abschnittes 2.2 kann dann ausgegangen werden, wenn diese durch Stellen ausgeführt werden, die im "Arbeitskreis aerodynamische Beiwerte" 2) zusammenarbeiten. In diesem Arbeitskreis stimmen speziell auf dem Gebiet der Bauwerksaerodynamik tätige Mess-Stellen und Ingenieure die Durchführung von Messungen und die Umsetzung der Ergebnisse in Lastannahmen ab. Diese Mess-Stellen haben unter anderem Einzelheiten des Modellaufbaus und der Verfahrensweise bei der Durchführung der Messungen vereinheitlicht und ihre Kanäle anhand von Ringversuchen abgeglichen.
Wird zur Beiwertermittlung auf vorliegende Untersuchungsberichte und Veröffentlichungen zurückgegriffen, sind das angewandte Meßverfahren und die Definition der Beiwerte auf ihre Übereinstimmung mit den Festlegungen von DIN 1055 Teil 4 zu überprüfen. Können diese Angaben dem Untersuchungsbericht bzw. der Veröffentlichung nicht entnommen werden und können sie bei der Meßstelle nicht erfragt werden, werden die Ergebnisse als Grundlagen für Lastansätze nach DIN 1055 Teil 4 grundsätzlich als ungeeignet angesehen.
Zu Abschnitt 6: Aerodynamische Beiwerte,
Zu Abschnitt 6.1: Allgemeines
Die im Abschnitt 6 als Berechnungsgrundlagen zusammengestellten Angaben über aerodynamische Beiwerte hängen nach komplizierten Gesetzmäßigkeiten von einer Vielzahl von Parametern ab. Derartige Parameter sind z.B. beim prismatischen Baukörper die Verhältnisse Länge zu Breite und Breite zu Höhe, die Kantenausbildung: gerundet, scharf, Überstand über die Wände (Dachüberstand) oder Überstand über die Dachfläche (Attika, Brüstung), die Strukturierung der Bauwerksoberfläche durch Fensternischen, Erker, Balkone, Laubengänge usw. Weitere Parameter sind z.B. die Neigung der Dachfläche und die Anströmrichtung. Bei Körpern mit gekrümmter Oberfläche, z.B. Zylindern, sind wesentliche Parameter die Reynoldszahl und die Oberflächenstrukturierung (Rauhigkeit) sowie gegebenenfalls die Streckung. Der Arbeitsausschuss stand vor der Aufgabe, diese Abhängigkeiten im Interesse der einfachen Anwendbarkeit in der Entwurfspraxis stark vereinfacht darzustellen. Hiervon wurde lediglich abgewichen, wenn von Seiten der Anwender der ausdrückliche Wunsch nach detaillierten Darstellungen geäußert worden ist. Bei den Vereinfachungen konnte wiederum nicht so weit gegangen werden, dass grundlegende Zusammenhänge nicht mehr erkennbar waren. Die Angaben der Norm sollten nachvollziehbar und für künftige Messergebnisse "anschließbar" gehalten werden.
Bei der Aufstellung der Beiwertsammlung ging der Arbeitsausschuß von folgenden Untersuchungsberichten aus:
Mit diesen Untersuchungen wurden die in den betreffenden Bereichen weltweit vorliegenden Meßergebnisse erfaßt. Zusätzlich wurden durch gezielte Messungen widersprüchliche Angaben geklärt und Lücken geschlossen. Zu diesen Arbeiten zählen:
Landesgewerbeanstalt Bayern, Aerodynamische Untersuchungsstelle für bauliche Anlagen (R. Frimberger und P. Schnabel):
R. Frimberger und P. Schnabel: Windkanaluntersuchungen zur Ermittlung der aerodynamischen Kraftbeiwerte für 1 und 2 geschossige Gebäude mit unterschiedlichen Dachformen,
C. Kramer und H.J. Gerhardt: Windlast auf Flachdächern; Bundesbaublatt 26,1977, S. 496-499,
W. Pieckert: Windkanalmessungen an kreiszylindrischen Körpern.
In einigen Einzelfragen lagen nicht nur merklich streuende Messergebnisse, sondern auch unterschiedliche Auffassungen über deren Interpretation vor. Der Arbeitsausschuss hatte erhebliche Zeit und Mühe aufzuwenden, um den nun in der Norm erreichten Ausgleich herbeizuführen. Insofern sind die Angaben der Norm mehr als eine bloße Zusammenstellung oder Wiedergabe aerodynamischer Meßergebnisse, wie sie auch guten Fachbüchern oder Forschungsberichten entnommen werden können.
Kraft- wie Druckbeiwerten liegen- mit Ausnahme der Angaben über Flaggen im Abschnitt 6.2.8 - Messungen an Modellen mit starrer und winddichter Oberfläche zugrunde. Diese Ergebnisse sind daher nicht ohne weiteres auf Baukonstruktionen mit anderen Eigenschaften, z.B. Zelte, anwendbar. Die Messungen wurden entsprechend den Definitionen des Abschnittes 2.2 ausschließlich in normalen Windkanälen mit geringer Turbulenz und praktisch stationärer homogener Anströmung über den Kanalquerschnitt durchgeführt. Der Arbeitsausschuss hat sich hierfür entschieden, weil in ausreichender Zahl zuverlässige Messergebnisse nur vorliegen, soweit sie nach diesem Verfahren ermittelt wurden, und weil er mehrheitlich der Auffassung ist, dass das Messen in so genannten Grenzschichtkanälen zumindest zur Zeit noch nicht normbar ist.
"Reibungskräfte" aus Wind können bei der Untersuchung baulicher Anlagen generell vernachlässigt werden. Es wird im Abschnitt 6.1 lediglich darauf hingewiesen, daß in besonderen Fällen, z.B. bei in Längsrichtung über- und unterströmten freistehenden langen Platten, eine Berücksichtigung erforderlich werden kann. Der Arbeitsausschuß hält dies zum Beispiel bei langen freistehenden Dächern, z.B. Bahnsteigüberdachungen, für zutreffend. In derartigen Fällen lassen sich Reibungsbeiwerte analog zum Kraftbeiwert wie folgt definieren:
cfr =Wfr /q *A
Dabei istWfr die Windlastresultierende aller Reibungskräfte,q der Staudruck undA die überströmte Fläche als Bezugsfläche. Als Anhalt wurden für verschiedene Oberflächenrauhigkeiten Werte des Reibungsbeiwertes angegeben.
Die Ausführungen des dritten Absatzes sollen als warnender Hinweis darauf verstanden werden, daß die Ermittlung des Gesamtwiderstandes eines aus Einzelbaukörpern zusammengesetzten Körpers als Summe der Widerstände der Einzelkörper auch zu Fehlergebnissen führen kann. Als anschauliches Beispiel sei der Widerstand eines Gitters aus zylindrischen Stäben angeführt. Dieser wird sicherlich falsch ermittelt als Summe der Widerstände der einzelnen Stäbe, aus denen sich das Gitter zusammensetzt. Es kommen hinzu die Interferenz-Widerstände der Stabkreuzungspunkte (Knoten) sowie je nach Gitterdichte der Interferenz-Widerstand der Stäbe untereinander. Je nach Gitterdichte kann die Summe der Interferenz-Widerstände die Summe der Einzelstab-Widerstände merklich übersteigen. In bestimmten Fällen kann sich die Interferenz auch günstig auf den Gesamtwiderstand auswirken.
Durch Baukörpergruppierungen können Spitzenwerte der Druck-Sog-Verteilung merklich erhöht werden. Z.B. kann der Spitzensog an den "Innenflächen" dicht beieinander stehender prismatischer Baukörper, d. h. an den einander zugewandten Wandflächen, gegenüber dem Wert beim freistehenden Baukörper merklich anwachsen. Es kann jedoch im allgemeinen davon ausgegangen werden, dass Druck- bzw. Sogerhöhungen bei Baukörpergruppierungen durch die Höhe des anzusetzenden Berechnungsstaudrucks als abgedeckt angesehen werden können und zusätzliche Untersuchungen nicht erforderlich sind.
Zu Abschnitt 6.2: Kraftbeiwertecf,
Zu Abschnitt 6.2.1: Von ebenen Flächen begrenzte Baukörper, ab Geländeoberfläche allseitig geschlossen
Angesichts der vielen in der Baupraxis auftretenden Bauwerksgrundrisse wurde davon Abstand genommen, für verschiedene Grundrissformen Kraftbeiwerte anzugeben. Lediglich der Rechteckgrundriss und als Sonderfall das Quadrat wurden durch je einen Kraftbeiwert erfasst, der bis zu einem Streckungsverhältnish/a ≤ 5 bzw.h/b ≤ 5 als ausreichend angesehen wird. Die Kraftbeiwerte anderer Grundrissformen können mit Hilfe dieser Angabe abgeschätzt werden, indem ein umschriebenes Rechteck zugrunde gelegt wird. Es ist davon auszugehen, dass infolge der Böentätigkeit des natürlichen Windes die Windlastresultierende bezogen auf die vertikale Körperachse auch mit einer gewissen Ausmitte angreifen kann, die mit einem Zehntel der Bauwerksabmessungen abgeschätzt wurde.
Der Kraftbeiwert von Punkthochhäusern mit beliebigem Grundriss lässt sich für die Proportionen 2,5 ≤h/r ≤ 10 folgendermaßen abschätzen:
maxcf ≈ 3 / 4 * (2 -V / π *r2 *h)
wobeiV das Volumen des Punkthochhauses,r der Radius des kleinsten das Punkthochhaus umhüllenden Zylinders undh die Bauwerkshöhe ist. Die BezugsflächeA ist die Ansichtsfläche des kleinsten das Punkthochhaus umhüllenden Zylinders mit dem Radiusr. Das ungünstigste Grundrissmoment (Torsionsmoment um die Längsachse) mit der vorgenannten Bezugsfläche und dem Mittelpunkt des zugehörigen Kreisquerschnittes als Drehpunkt kann aus Grundrissausmitte und größter Windlast ermittelt werden.
Dabei ist die bezogene Grundrissausmitte
| cM | = | 1 | * | ( 1- | V | ) |
| maxcf | 3 | π *r2 *h |
Bei gedrungenen Hochhausgrundrissen mit der kleinsten
Ansichtsbreite mina >r ist die größte Gesamtwindlast in der ungünstigsten Wirkung auf die Aussteifungselemente anzusetzen. Bei schlanken Hochhausgrundrissen, deren Schmalseitea ≤r ist, darf die Gesamtwindlast getrennt in zwei Richtungen, und zwar in voller Größe normal zur größten Ansichtsfläche und mit dem halben Wert tangential zu dieser Ansichtsfläche angesetzt werden 3).
Für gedrungene Baukörper ergeben sich in Abhängigkeit von den Proportionen auch merklich geringere Kraftbeiwerte. Hierzu zählen Wohngebäude bis zu zwei Vollgeschossen mit üblichen Geschoßhöhen. Fürdiese Baukörper darf der Kraftbeiwert des Dachkörpers bei um den Winkel a gegen die Horizontale geneigten Dachflächen durch Multiplikation der angegebenen Beiwerte mit sin a ermittelt werden. Dieses ergibt im folgenden Beispiel:
Bild 16. Beispiel für den Ansatz des Kraftbeiwertes bei geneigten Dachflächen
| W | = (1,3 *h1 *b + 1,3 * sin α *h2 *b) *q |
| = (1,3 * 4 * 12 + 1,3 * 0,64 * 3,36 * 12) *q | |
| = (62,4 + 33,55) *q | |
| W | = 95,95 *q ≈ 96q |
Die Ermittlung des Gesamtwiderstandes als Summe der Widerstände des Dachkörpers und des Geschoßkörpers wurde im obigen Fall experimentell als zutreffend nachgewiesen.
Zu den Abschnitten
6.2.2: Zylindrische und ähnliche Baukörper mit Kreisquerschnitt, allseitig geschlossen,
6.2.4: Stäbe aus □-, L-, T- und I-Profilen,
6.2.5: Stäbe mit polygonalem Querschnitt und
6.2.6: Ebene und räumliche Fachwerke (Fachwerkquerschnitt quadratisch oder gleichseitiges Dreieck)
Ist die Abmessung eines Baukörpers (Gesamtbauwerk wie Bauteil) in einer Richtung deutlich größer als in den beiden anderen Richtungen, so hängt bei Anströmung senkrecht zur Körperachse der mit dem Kraftbeiwert erfasste Gesamtströmungswiderstand des Baukörpers merklich von der Form der Strömung um die Körperenden und deren anteiligem Einfluss auf die Gesamtumströmung ab. Ein ~querschnittsspezifischer" Kraftbeiwert lässt sich also nur dann angeben, wenn der Einfluss einer derart "räumlichen" Umströmung der Stabenden ausgeschlossen wird und von einer "ebenen"(zweidimensionalen) Umströmung des Querschnitts ausgegangen werden kann. Eine derartige Umströmung liegt vor, wenn der Körper aerodynamisch als unendlich lang angesehen werden kann. Experimentell wird diese Bedingung am Modell erfüllt, indem durch Anbringen ausreichend großer Endscheiben senkrecht zur Körperachse eine räumliche Umströmung der Stabenden verhindert wird. Eine räumliche Strömung am Ende des Körpers verringert den Gesamtwiderstand demgegenüber. Dementsprechend nimmt die Abminderung mit der Zahl der frei umströmten Körperenden (ein oder zwei) und mit abnehmendem Verhältnis Körperlänge zu maßgebender Querschnittsabmessung zu. Dieses wurde bei den betreffenden Kraftbeiwerten erfasst, indem die Beiwerte mit einem Abminderungsfaktorψ multipliziert sind, der von der Lage des Körpers und seiner Streckung abhängt. Diese Zusammenhänge waren zu berücksichtigen bei den Kraftbeiwertangaben für zylindrische Körper (siehe Abschnitt 6.2.2), Profilstäbe aller Art (siehe Abschnitt 6.2.4), polygonale Stäbe (siehe Abschnitt 6.2.5) und Fachwerke (siehe Abschnitt 6.2.6). Die Streckungsabhängigkeiten dieser Baukörper sind nicht identisch. Sie sind jedoch soweit ähnlich, dass sie aus baupraktischer Sicht vereinfacht durch eine einzige Kurve im Bild 14 für den VölligkeitsgradΦ =1 erfasst wurden. Im selben Bild 14 konnte außerdem noch für Fachwerke der Einfluss der Völligkeit angegeben werden. In Tabelle 16 wurden - ausgehend von den nach dem "Spiegelanalogon" sich ergebenden Streckungswerten -Korrekturen unter Berücksichtigung der im natürlichen Wind auftretenden Korrelationslängen der Böenwindgeschwindigkeiten vorgenommen. Dieses schlägt sich in einer Verringerung und Begrenzung der Streckung für Baukörper mit größeren Längen als 50 m nieder.
Abgesehen von besonderen Ausnahmen hat der vereiste Zylinder gegenüber dem unvereisten eine größere Oberflächenrauhigkeit. Die sich hieraus ergebende Erhöhung des Kraftbeiwertes kann anhand des Bildes 2 abgeschätzt werden. Bei Fachwerken mit Rundstäben (siehe Abschnitt 6.2.6) treten analoge Verhältnisse auf.
Zu Abschnitt 6.2.4: Stäbe aus □-, L-, T- und I -Profilen
In der Definitionsgleichung des Kraftbeiwertes
cf =Fmeß /qmeß *A
kann man die BezugsflächeA als körperspezifische Größe aufgrund von Zweckmäßigkeitserwägungen frei wählen. Häufig wird wegen der Anschaulichkeit die Projektionsfläche des Körpers auf eine Fläche senkrecht zur Anströmrichtung gewählt, die dann auch als "Windangriffsfläche" bezeichnet wird. In der Beiwertsammlung ist die zum Kraftbeiwertcf gehörende BezugsflächeA in einer besonderen Spalte angegeben. Für Profilstäbe werden unabhängig von der Anströmrichtung grundsätzlich die Profilbreited multipliziert mit der Stablängel als Bezugsfläche festgelegt. Darauf ist vor allem bei der Ermittlung voncfz, d. h. bei Anströmung inz-Richtung, zu achten. Die Koordinatenorientierung für Stäbe wurde nach DIN 1080 Teil 1 gewählt. Damit wurde berücksichtigt, dass bei Berechnungen, insbesondere bei Computerberechnungen, die Stabachse immerx-Achse ist.
Zu Abschnitt 6.2.6: Ebene und räumliche Fachwerke (Fachwerkquerschnitt quadratisch oder gleichseitiges Dreieck)
Die Angaben in Tabelle 8, lfd. Nr. 2, gelten zunächst für Kreiszylinderrohre ohne Knotenbleche. Hierauf beziehen sich auch die Angaben über den Völligkeitsgrad. Liegen derartige Fachwerke mit Knotenblechen vor, darf näherungsweise der Völligkeitsgrad unter Einbeziehung der Knotenblechfläche zugrunde gelegt werden und der auf die Knotenbleche entfallende Windlastanteil als Zuschlag mit dem Kraftbeiwertcf = 1,6 ermittelt werden.
Zu Abschnitt 6.3: Druckbeiwertecp
Für die Druck- und Sogverteilung an Baukörpern sind in der Literatur unterschiedliche Darstellungen zu finden. Überwiegend werden folgende Darstellungsmöglichkeiten benutzt:
Bild 17. Druck
Bild 18. Sog
Da bei Berechnungsgrundlagen die einfache rechentechnische Weiterverarbeitbarkeit Vorrang haben muss, werden in der Beiwertsammlung positive oder negative Zahlenwerte angegeben, wobeicp > 0 Druck undcp < 0 Sog bedeutet.
Zu Abschnitt 6.3.1: Allseitig geschlossene prismatische Baukörper mit Sattel-, Pult- oder Flachdach
Wohl die einfachste Baukörperform ist der Rechteckgrundriss mit Sattel-, Pult- oder Flachdach. Bereits bei diesen einfachen Verhältnissen hängen die Windwirkungen von vielen Parametern ab. Der Ausschuss war bestrebt, gerade für diese häufige Baukörperform - hier als "prismatischer Baukörper" bezeichnet - die Beiwertangaben soweit als irgend vertretbar zu vereinfachen. So wurden die über Bauwerksteilflächen gemittelten Beiwertangaben "geglättet" (z.B. für Dächer das im Bereich der Neigungswinkel α von 15° bis 25° liegende Maximum der gemittelten Sogwerte), so dass für Windwinkelß von -75° bis +40° einheitlich mit einem Sogbeiwert voncp = -0,6 gerechnet werden kann. Neu ist, daß in einem Bereich der Dachneigung α von 25° bis 40° entweder Druck oder Sog anzusetzen ist, je nachdem, welcher Wert das ungünstigere Bemessungsergebnis liefert.
Für prismatische Baukörper unterschiedlicher Proportionen wurden die Druckbeiwerte getrennt nach Luv, Lee, windparallelen Wandflächen und Dachflächen angegeben, so daß die Werte für eine bestimmte Baukörperform leicht entnommen werden können. Hierfür wird folgendes Beispiel angegeben:
Bild 19. Beispiel für prismatische Baukörper
Örtliche Sogspitzen ergeben sich nach Abschnitt 6.3.1, Tabelle 11, lfd. Nr. 2 und lfd. Nr. 3.
Die Schadensentwicklung der letzten Jahrzehnte hat gezeigt, dass zusätzlich zu den gemittelten Sogwerten auch auf Teilbereiche bezogene Spitzensogbeiwerte berücksichtigt werden müssen, insbesondere zur Lagesicherheitsuntersuchung von Bauteilen mit kleinen Lasteinflussflächen in der Bauwerksoberfläche. Die Breite der Bereiche mit Spitzensogwerten beträgt im Wand- wie im Dachbereich etwaa/8. Für Dächer von Wohn- und Bürogebäuden und von geschlossenen Hallen mita ≤ 30 m sowie generell für Wände wurde dieser Bereich unter baupraktischen Erwägungen auf 2 m Breite begrenzt. Falls bei Inanspruchnahme dieser Erleichterung der beia = 30 m auftretende Sprung der Breite des Randbereiches als störend angesehen wird, kann zwischen den Breiten 2 m beia = 28 m und 3,75 m beia = 30 m linear interpoliert werden.
Für Dächer wurde die bisherige Regelung der "Ergänzenden Bestimmungen" beibehalten, wobei allerdings nunmehr Gesamtwerte für die Sogspitzen angegeben sind. Für Flachdächer (α bis ungefähr 8°) wurden zusätzliche, mehr ins Einzelne gehende Regelungen angegeben. Dabei wurden die Einflüsse einer Attika nicht erfasst, da diese im starken Maße von den Parametern Gebäudelänge, -breite, -höhe, Attikahöhe, -tiefe, Anströmrichtung und den Verhältnissen dieser Parameter zueinander abhängig sind. Der Arbeitsausschuss hat diesen Sachverhalt als zur Zeit nicht normbar angesehen. Die Ausbildung einer Attika wirkt sich im allgemeinen günstig auf die örtlichen Sogspitzen aus, d. h. es sind niedrigere Werte zu erwarten. Bei bestimmten Parameterkombinationen können sich die Windlasten allerdings auch erhöhen.
Die für Gebäudeseitenwände angegebenen Sogbeiwerte, insbesondere die Spitzenwerte, gelten für winddichte" Fassadenausbildungen. Bei vorgehängten Fassadenelementen, d. h. so genannten hinterlüfteten Fassaden, ändern sich die Verhältnisse, insbesondere an den Bauwerkskanten. Zu den Ursachen der hier gelegentlich aufgetretenen Schäden zählen vermutlich auch Schwingungen, die durch die Turbulenz der Grenzschicht am Bauwerk angeregt werden. Bis zum Vorliegen genauerer Erkenntnisse können mit den angegebenen Spitzensogwerten auch diese Wirkungen bei "hinterlüfteten Fassaden" abgedeckt werden.
Auch über die Verteilung des Drucks bzw. Sogs auf die hinterlüftete Fassade einerseits und die diese tragenden Teile des Bauwerks andererseits konnte nichts Allgemeingültiges angegebenen werden. Es empfiehlt sich, bei der Bemessung dieser Bauteile jeweils den vollen Druck bzw. Sog anzusetzen.
Zu Abschnitt 6.3.2: Seitlich offene prismatische Baukörper
Die Umströmung freistehender Dächer wird bei einer Versperrung des Raumes unter dem Dach, z.B. durch Fahrzeuge oder Lagergüter, durch den Grad der Versperrung entscheidend beeinflußt. Mögliche Formen der Versperrung sind daher bei der Windlastermittlung zu berücksichtigen.
Zu Abschnitt 6.3.3 Kreiszylindrische Baukörper
Die Druckverteilung am zylindrischen Baukörper wurde in Analogie zu den Angaben über den Kraftbeiwert zylindrischer Baukörper nach Abschnitt 6.2.2 in Abhängigkeit von der Reynoldszahl und dem Streckungseinfluss angegeben. Der Streckungseinfluss wird über den Abminderungsfaktorψ erfasst.
| Internationale Patentklassifikation |
E04B 1/00
E04B 1/98
| 1) | Vergleiche auch P. Bublitz, Ermittlung der aerodynamischen Lasten an Bauwerken mit Hilfe eines neuen Windkanals, VDI-Berichte Nr. 419,1981, insbesondere S.97198. |
| 2) | Auskunft über die im "Arbeitskreis aerodynamische Beiwerte" zusammenarbeitenden Stellen erteilt das Institut für Bautechnik, Berlin. |
| 3) | Siehe K. H. Schneider: Zur Gesamtwindlast von Punkthochhäusern; Beton- und Stahlbetonbau, Heft 11/1976, S. 266 ff.; Verlag W. Ernst & Sohn |
| 4) | Nach Abschnitt 6.3.1, Tabelle 11, lfd. Nr. 1, darf zwischen
cp = -0,7 fürh /a = 0,5 und cp = -0,5 fürh /a = 0,25 linear interpoliert werden; z.B. ergibt sich für h /a = 0,4 :cp = 0,62 ≈ 0,6 |
ENDE
![]() |
(Stand: 28.08.2021)
Alle vollständigen Texte in der aktuellen Fassung im Jahresabonnement
Nutzungsgebühr: ab 105.- € netto
(derzeit ca. 7200 Titel s.Übersicht - keine Unterteilung in Fachbereiche)
Die Zugangskennung wird kurzfristig übermittelt
? Fragen ?
Abonnentenzugang/Volltextversion