umwelt-online: DIN 18551 Spritzbeton; Herstellung und Güteüberwachung (2)
![]() |
zurück | ![]() |
8.4.2 Mindestquerschnitt
(1) Ist ein Nachweis nach Abschnitt 8.3.2 Absatz (1) nicht erforderlich, so darf bei Platten auf Verbundmittel verzichtet werden, siehe jedoch Abschnitt 8.7 Absatz (3).
(2) Muss bei Balken die Schubbewehrung verstärkt werden, so sind die Zulagebügel in der Druckzone zu verankern und nach Abschnitt 8.4.3 Absatz (2) zu bemessen. Verbundmittel in der Zugzone sind in diesem Fall nicht erforderlich.
(3) Sind Zulagebügel rechnerisch nicht erforderlich, so sind zur Übertragung der Verbundkräfte Verbundmittel anzuordnen, die mindestens für 0,4 τv zu bemessen sind. Auf diese Verbundmittel darf verzichtet werden, wenn τv< 0,5 τ012 ist und im Endbereich der Verstärkung eine konstruktive Verbundbewehrung vorgesehen wird.
(4) Für allseits verstärkte Stützen sind Verbundmittel nicht erforderlich, wenn in der Verstärkung Bügel angeordnet werden, die nach Abschnitt 8.5 bemessen und nach Abschnitt 8.7 ausgebildet werden.
Bild 3. Bemessungswerte zur Berechnung der Verbundmittel für Balken und Platten

8.4.3 Bemessung
(1) Ist ein Nachweis nach Abschnitt 8.3.2 Absatz (1) erforderlich, so sind bei Platten und Balken, bei denen keine Zulagebügel in der Druckzone verankert sind, die Verbundmittel für den Bemessungswertτ nach Bild 3 zu ermitteln.
(2) Werden bei Balken mit Stegverstärkung Zulagebügel in der Druckzone verankert, so ist diese Verankerung als Verdübelung des alten und neuen Querschnitts auszubilden. Wegen des Verbundes an den Stegflächen darf die Verankerung für 2/3 der Schubkraft bemessen werden.
8.5 Bemessung von Stützenverstärkungen
(1) Bei Stützen erfolgt eine Erhöhung der Tragfähigkeit im wesentlichen durch die Umschnürung des alten Stützenkerns, durch den Spritzbeton und durch die zugelegte Längsbewehrung (siehe Bild 4).
(2) Der Nachweis der Tragfähigkeit ist in der Regel in Stützenmitte für den Gesamtquerschnitt und im Einleitungsbereich zu führen.
Bild 4. Stütze mit quadratischem Querschnitt

(3) Im Einleitungsbereich sind die Bügel so zu bemessen, dass der alte Stützenkern einschließlich seiner Längsbewehrung die notwendige Tragfähigkeit erreicht. Zugelegte Längsbewehrung darf nur in Rechnung gestellt werden, wenn sie kraftschlüssig unmittelbar am Stützenkopf angeschlossen ist.
8.6 Verankerungen
(1) Die zugelegte Biegebewehrung ist nach DIN 1045/ 07.88, Abschnitt 18.7 zu verankern. Die Aufnahme der Auflagerkraft aus der Spritzbetonverstärkung ist nachzuweisen; gegebenenfalls sind stahlbaumäßige Elemente anzuordnen.
(2) Für die im Spritzbeton liegende Bewehrung gelten die Werte des Verbundbereiches II nach DIN 1045/07.88, Tabelle 19. Dabei sind die Werte der Festigkeitsklasse des nachträglich aufgebrachten Spritzbetons maßgebend.
8.7 Bauliche Durchbildung
(1) Bezüglich der Betondeckung gilt DIN 1045/07.88, Abschnitt 13.2. Bei spritzrauh belassenen Oberflächen sind die Mindest- und Nennmaße nach DIN 1045 um 5 mm zu erhöhen.
(2) Bei Auftragsdicken über 50 mm ist eine konstruktive Bewehrung anzuordnen; Abschnitt 4.4 ist dabei zu beachten.
(3) Bei der Verstärkung von flächenartigen Bauteilen, z.B. Platten und plattenartigen Bauteilen ist die Bewehrung im vorhandenen Beton mit mindestens 4 Stahldübeln M8 je m2 zu verankern.
Bild 5. Stütze mit Rechteckquerschnitt und Zwischenverankerung

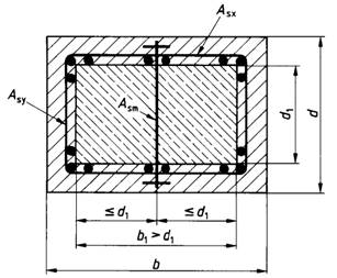
(4) Bei allseits verstärkten Stützen sind im Einleitungsbereich (le = 30ds) Bügel mit einem Abstand von maximal 80 mm vorzusehen und nach DIN 1045/07.88, Bild 26c oder 26d zu schließen. Ist das Seitenverhältnis nach der Verstärkungd/b > 1,5, sind Zwischenverankerungen auszubilden, siehe Bild 5. Die Zulagebewehrung ist in den Bügelecken zu konzentrieren.
(5) Bei nicht allseits verstärkten Stützen sind besondere Maßnahmen erforderlich.
Tabelle 1. Eigenüberwachung
| 1 | 2 | 3 | 4 | |
| Gegenstand der Prüfung | Art der Prüfung Prüfung an Prüfgröße |
Anforderungen | Häufigkeit | |
| Ausgangsstoffe | ||||
| 1 | Zement | Lieferschein und Verpackungsaufdruck bzw. Silozettel (gegebenenfalls auch Plomben) | Kennzeichnung (Art, Festigkeitsklasse und Nachweis der Oberwachung) nach DIN 1164 Teil 2 | Jede Lieferung |
| 2 | Betonzuschlag | Lieferschein | Bezeichnung nach DIN 4226 Teil 1 oder Teil 2 Überwachung nach DIN 4226 Teil 4 | Jede Lieferung |
| 3 | Sichtprüfung auf Zuschlagart, Kornzusammensetzung, Gesteinsbeschaffenheit und schädliche Bestandteile | Einhalten der Festlegungen nach DIN 4226 Teil 1 oder Teil 2 | Jede Lieferung | |
| 4 | Kornzusammensetzung durch Siebversuch nach DIN 4226 Teil 3 | Einhalten der Kornzusammensetzung und des Streubereichs nach DIN 1045/07.88, Abschnitte 6.2.2, 6.5.6.2 und 7.3 | Bei der ersten Lieferung, 1 x je Betonierwoche | |
| 5 | Betonzusatzstoffe | Lieferschein und gegebenenfalls Verpackungsaufdruck | Bezeichnung Prüfzeichen oder Zulassung und Nachweis der Überwachung |
Jede Lieferung |
| 6 | Betonzusatzmittel | Lieferschein und Verpackungsaufdruck, Kennzeichnung | Bezeichnung, Prüfzeichen und Nachweis der Überwachung | Jede Lieferung |
| 7 | Sichtprüfung | Keine auffälligen Veränderungen | Laufend | |
| 8 | Lagerung der Ausgangsstoffe | Lagerungsbedingungen | Nach Anweisung des Herstellers oder technischer Regelwerke | Bei der Einlagerung, in Zweifelsfällen |
| 9 | Zugabewasser | Auf erstarrungs- und erhärtungsstörende Bestandteile | Keine erstarrungs- und erhärtungsstörende Bestandteile, z.B. nach DBV-Merkblatt "Zugabewasser für Beton" | Nur, wenn kein Trinkwasser verwendet wird und Verdacht auf störende Verunreinigung besteht |
| Vorgefertigte Bereitstellungsgemische | ||||
| 10 | Transportbeton oder Werkfrischmörtel | Lieferschein | Vollständigkeit der Angaben nach DIN 1045/07.88, Abschnitt 5.5.3 oder DIN 18557/05.82, Abschnitt 6.4 | Jede Lieferung |
| 11 | Werkgemischte Trockenprodukte | Lieferschein und Verpackungsaufdruck, Kennzeichnung | Bezeichnung, Nachweis der Überwachung nach DAfStb-Richtlinie für die Herstellung und Verwendung von Trockenbeton und Trockenmörtel/07.88, Abschnitt 6 | Jede Lieferung |
| 12 | Sichtprüfung | Keine auffälligen Veränderungen | Laufend | |
| 13 | Lagerungsbedingungen | Nach Anweisung des Herstellers | Bei der Einlagerung, in Zweifelsfällen | |
| Bereitstellungsgemisch, Prüfebene 1 (siehe Bild 1) | ||||
| 14 | Beton | Eignungsprüfung nach Abschnitt 6.2 | Die jeweils verlangten Eigenschaften müssen erreicht sein | Vor Beginn der Arbeiten und wenn sich die Ausgangsstoffe oder die Verhältnisse auf der Baustelle wesentlich verändern |
| 15 | Baustellen-Beton BBe, BBn | Zusammensetzung der Mischung | Einhalten der Mischanweisung | Zu Beginn jedes Betoniertages; bei Herstellung der Probekörper für Festigkeitsprüfungen |
| 16 | Bereitstellungsgemisch, Trockenspritzverfahren TBe, BBe | Eigenfeuchte nach DIN 1048 Teil 1/06.91, Abschnitt 3.4.2 | Einhalten der vereinbarten Eigenfeuchte | bis 100 m3 (bzw. 500 m2): 1 Serie; über 100 m3 (bzw. 500 m2) bis 300 m3 (bzw. 1500 m2): 1 Serie je 100 m3(bzw. 500 m2); über 300 m3 (bzw. 1500 m2): 1 Serie bei Betonierbeginn und 1 Serie je 250 m3(bzw. 1250 m2); |
| 17 | Bereitstellungsgemisch, Naßspritzverfahren (TR, TBn) Trockenspritzverfahren mit Wasserzugabe nach Abschnitt 6.1.3.1 |
Konsistenz (mit Ausnahme von BBe) |
Einhalten des aufgrund der Eignungsprüfung festgelegten Konsistenzmaßes | bis 100 m3 (bzw. 500 m2): 1 Serie; über 100 m3 (bzw. 500 m2) bis 300 m3 (bzw. 1500 m2): 1 Serie je 100 m3 (bzw. 500 m2); über 300 m3 (bzw. 1500 m2 ): 1 Serie bei Betonierbeginn und 1 Serie je 250 m3 (bzw. 1250 m2); |
| 18 | Frischbetonrohdichte (mit Ausnahme von BBe) |
Einhalten der aufgrund der Eignungsprüfung festgelegten Frischbetonrohdichte | ||
| 19 | Druckfestigkeit nach DIN 1048 Teil 5 (mit Ausnahme von BBn und BBe) |
Einhalten der aufgrund der Eignungsprüfung festgelegten Druckfestigkeit | ||
| Spritzbeton, Prüfebene 2 (siehe Bild 1) | ||||
| 20 | Frischbeton | Frischbetonrohdichte | Einhalten der aufgrund der Eignungsprüfung festgelegten Frischbetonrohdichte | bis 100m3 (bzw. 500 m2): 1 Serie; über 100m3 (bzw. 500m2 ) bis 300 m3 (bzw. 1500 m2): 1 Serie je 100 m3 (bzw. 500 m2); über 300 m3 bzw. 1500 m2): 1 Serie bei Betonierbeginn und 1 Serie je 250 m3(bzw. 1250 m2); |
| 21 | Wassergehalt nach DIN 1048 Teil 1/06.91, Abschnitt 3.4.2*) | Einhalten des aufgrund der Eignungsprüfung festgelegten Wassergehaltes | ||
| 22 | Kornanteile < 0,25 mm in Anlehnung an DIN 52171 | Einhalten der aufgrund der Eignungsprüfung festgelegten Kornanteile | in Zweifelsfällen | |
| Festbeton, Prüfebene 3 (siehe Bild 1) | ||||
| 23 | Festbeton | Rohdichte bei Temperatur 20°C und relativer Luftfeuchte von 65 % | Einhalten der aufgrund der Eignungsprüfung festgelegten Rohdichte | bis 100 m3 bzw. 500 m2): 1 Serie; über 100 m3(bzw. 500m2) bis 300 m3 (bzw. 1500 m2): 1 Serie je 100 m3 bzw. 500 m2); über 300 m3 bzw. 1500 m2): 1 Serie bei Betonierbeginn und 1 Serie je 250 m3 (bzw. 1250 m2); |
| 24 | Druckfestigkeit nach DIN 1048 Teil 5 | Einhalten der aufgrund der Eignungsprüfung festgelegten Festigkeitsklasse | ||
| 25 | Wasserundurchlässigkeit nach DIN 1048 Teil 5 | Einhalten der aufgrund der Eignungsprüfung festgelegte Wasserundurchlässigkeit | Die Hälfte der Prüfungen der Druckfestigkeit, mindestens aber drei Probekörper | |
| Untergrund | ||||
| 26 | Auftragfläche | Anweisung für die Behandlung des Untergrunds und gegebenenfalls den Einbau der Bewehrung | Einhalten der Festlegungen nach Abschnitt 4.6 | Vor Beginn der Arbeiten |
| 27 | Auftragfläche | Sichtprüfung | Eignung für die vorgesehene Maßnahme | Vor Beginn der nachfolgenden Arbeiten |
| 28 | Auftragfläche | Feuchte | Eignung hinsichtlich der Feuchtigkeit für die vorgesehene Maßnahme nach Abschnitt 5 | Vor Beginn der nachfolgenden Arbeiten, oder in Zweifelsfällen |
| 29 | Temperatur | Einhalten der Festlegungen nach Abschnitt 5.5.2 | In Zweifelsfällen | |
| 30 | Oberflächenfestigkeit | Eignung für die vorgesehene Maßnahme nach Abschnitt 4.6 | Nach Vereinbarung | |
| Verarbeiten | ||||
| 31 | Arbeitsanweisung | Anweisung für das Herstellen (Mischanweisung); Fördern, Verarbeiten und Nachbehandeln | Einhalten der Festlegungen nach Abschnitt 5 | Vor Beginn der Arbeiten |
| 32 | Witterung | Lufttemperatur, Höchst- und Mindestwert, Witterungsverhältnisse | Einhalten der Festlegungen nach Abschnitt 5.5 und nach DIN 1045/ 07.88, Abschnitte 4.3 und 11 | Arbeitstäglich |
| 33 | Baustoff | Temperatur | Einhalten der Festlegungen nach Abschnitt 5.5 | Arbeitstäglich oder in Zweifelsfällen |
| 34 | Oberfläche des Spritzbetons | Nachbehandlung | Einhalten der Festlegungen nach Abschnitt 5.7 | Jeder Arbeitsabschnitt |
| 35 | fertiges Bauteil | Schichtdicke | Einhalten der vereinbarten Schichtdicke | Jeder Arbeitsabschnitt |
| 36 | Haftzugfestigkeit | Einhalten der Festlegungen nach Abschnitt 4.6 | Nach Abschnitt 4.4 oder in Zweifelsfällen | |
| 37 | Betondeckung | Einhalten der Festlegungen nach Abschnitt 4.4 und DIN 1045/07.88, Tabelle 10 | In Zweifelsfällen | |
| Technische Einrichtungen | ||||
| 38 | Abmessvorrichtung | Sichtprüfung | Einwandfreies Arbeiten | Wöchentlich |
| 39 | Ausgangsstoffe und für vorgefertigte Baustoffe | Funktionskontrolle die Ausgangsstoffe oder | Einhalten der Sollmengen nach DIN 1045 | Bei Beginn der Arbeiten, dann monatlich |
| 40 | Mischer, Spritzmaschine | Funktionskontrolle | Einwandfreies Arbeiten | Bei Beginn der Arbeiten, dann mindestens monatlich |
| 41 | Mess- und Prüfgeräte | Funktionskontrolle | Ausreichende Messgenauigkeit | Bei Inbetriebnahme, dann in angemessenen Zeitspannen |
| 42 | Gegebenenfalls eigene oder angemietete Fahrzeuge mit Rührwerk oder Mischfahrzeuge für Transport von Beton und Mörtel | Ausreichende Einweisung der Fahrer durch die Prüfstelle E | Einhalten der Bestimmungen nach DIN 1045/07.88, Abschnitte 5.4.6, 9.3.2 und 9.4 | Bei Inbetriebnahme, dann in angemessenen Zeitspannen |
| *) Bei Zugabe von Beschleunigern (BE) gegebenenfalls nicht messbar | ||||
| Zitierte Normen und andere Unterlagen |
| DIN 1045 | Beton und Stahlbeton, Bemessung und Ausführung |
| DIN 1048 Teil 1 | Prüfverfahren für Beton; Frischbeton |
| DIN 1048 Teil 2 | Prüfverfahren für Beton; Festbeton in Bauwerken und Bauteilen |
| DIN 1048 Teil 5 | Prüfverfahren für Beton; Festbeton, gesondert hergestellte Probekörper |
| DIN 1084 Teil 1 | Überwachung (Güteüberwachung) im Beton- und Stahlbetonbau; Beton B ff auf Baustellen |
| DIN 1084 Teil 3 | Überwachung (Güteüberwachung) im Beton- und Stahlbetonbau; Transportbeton |
| DIN 1164 Teil 1 | Portland-, Eisenportland-, Hochofen- und Trasszement; Begriffe, Bestandteile, Anforderungen, Lieferung |
| DIN 1164 Teil 2 | Portland-, Eisenportland-, Hochofen- und Trasszement; Überwachung (Güteüberwachung) |
| DIN 1164 Teil 100 | Zement; Portlandölschieferzement; Anforderungen, Prüfungen, Überwachung |
| DIN 4219 Teil 1 | Leichtbeton und Stahlleichtbeton mit geschlossenem Gefüge; Anforderungen an den Beton, Herstellung und Überwachung |
| DIN 4219 Teil 2 | Leichtbeton und Stahlleichtbeton mit geschlossenem Gefüge; Bemessung und Ausführung |
| DIN 4226 Teil 1 | Zuschlag für Beton; Zuschlag mit dichtem Gefüge; Begriffe, Bezeichnung und Anforderungen |
| DIN 4226 Teil 2 | Zuschlag für Beton; Zuschlag mit porigem Gefüge (Leichtzuschlag); Begriffe, Bezeichnung und Anforderungen |
| DIN 4226 Teil 3 | Zuschlag für Beton; Prüfung von Zuschlag mit dichtem oder porigem Gefüge |
| DIN 4226 Teil 4 | Zuschlag für Beton; Überwachung (Güteüberwachung) |
| DIN 4227 Teil 1 | Spannbeton; Bauteile aus Normalbeton mit beschränkter oder voller Vorspannung |
| DIN 4227 Teil 2 | Spannbeton; Bauteile mit teilweiser Vorspannung |
| DIN 4227 Teil 4 | Spannbeton; Bauteile aus Spannleichtbeton |
| DIN 4227 Teil 6 | Spannbeton; Bauteile mit Vorspannung ohne Verbund |
| DIN 18557 | Werkmörtel; Herstellung, Überwachung und Lieferung |
| DIN 52171 | Stoff mengen und Mischungsverhältnis im Frisch-Mörtel und Frisch-Beton |
| DAfStb Richtlinie für die Herstellung und Verwendung von Trockenbeton und Trockenmörtel, Ausgabe 07.88 | |
| DBV-Merkblatt Stahlfaserspritzbeton, Fassung 02.84 | |
| DBV-Merkblatt Zugabewasser für Beton, Fassung 01.82 | |
Frühere Ausgaben
DIN 18551 :12.74,07.79
Änderungen
Gegenüber der Ausgabe Juli 1979 wurden folgende Änderungen vorgenommen:
| Erläuterungen zu Abschnitt 6.1.3.2 |
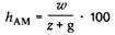
Die Feuchte des Bereitstellungsgemisches und des angelieferten Gemisches, der erforderliche Zugabewassergehalt des angelieferten Gemisches und das erforderliche Zugabewasser für die Probe können mit den folgenden Gleichungen ermittelt werden.
![]() |
(1) | |
| md1 | Trockenmasse der Probe in kg bei Ermittlung der Eigenfeuchte | |
| md2 | Trockenmasse der Probe in kg bei Herstellung des Frischbetons | |
| mh | Feuchtmasse der Probe in kg | |
![]() |
(2) | |
| g | Zuschlaggehalt in kg/m3 | |
| w | Wassergehalt in kg/m3 | |
| z | Zementgehalt in kg/m3 | |
![]() |
(3) |
Die Stoffmenge des erforderlichen Zugabewassers für die ProbeWPR wird in kg berechnet:
![]() |
(4) |
| Internationale Patentklassifikation |
C 04 B 7/00
C 04 B 11/00
C 04 B 12/00
C 04 B 14/00
C 04 B 18/00
C 04 B 20/00
C 04 B 28/00
C 04 B 40/00
E 02 D 17/20
E 21 D 11/10
E 04 G21/04
E 04 G 23/02
G 01 B
G 01 K
G 01 L 1/00
G 01 L 7/00
G01 N
G 01 N 3/00
G 01 N 27/00
______________
1) Institut für Bautechnik, Berlin
2) Zur Ermittlung der Eigenfeuchte des Bereitstellungsgemisches und des erforderlichen Zugabewassers für die Proben siehe Erläuterungen.
![]() |
ENDE | ![]() |
(Stand: 16.06.2018)
Alle vollständigen Texte in der aktuellen Fassung im Jahresabonnement
Nutzungsgebühr: ab 105.- € netto
(derzeit ca. 7200 Titel s.Übersicht - keine Unterteilung in Fachbereiche)
Die Zugangskennung wird kurzfristig übermittelt
? Fragen ?
Abonnentenzugang/Volltextversion