Für einen individuellen Ausdruck passen Sie bitte die
Einstellungen in der Druckvorschau Ihres Browsers an.
Brandschutz, Feuerwehrfläche

Richtlinie über Flächen für die Feuerwehr 1
- Niedersachsen -

Vom 28. September 2012
(Nds. MBl. Nr. 37q S. 159)


Zur Ausführung des § 1 Abs. 1 Satz 2, Abs. 2 und 3 und des § 2 DVO-NBauO wird bezüglich der Zu- und Durchgänge, der Zu- und Durchfahrten und der Aufstell- und Bewegungsflächen für die Feuerwehr folgendes bestimmt:

1 Befestigung und Tragfähigkeit

Zu- oder Durchfahrten für die Feuerwehr sowie Aufstell- und Bewegungsflächen müssen so befestigt sein, dass sie von Feuerwehrfahrzeugen mit einer Achslast bis zu 10 t und einem zulässigen Gesamtgewicht bis zu 16 t befahren werden können, mindestens jedoch entsprechend der Straßen-Bauklasse VI (Richtlinie für Standardisierung des Oberbaus von Verkehrsflächen - RStO 01). Zur Tragfähigkeit von Decken, die im Brandfall von Feuerwehrfahrzeugen befahren werden, wird auf DIN EN 1991-1-1:2010-12 in Verbindung mit DIN EN 1991-1-1/NA:2010-12 verwiesen.

2 Zu- oder Durchfahrten

Die lichte Breite der Zu- oder Durchfahrten muss mindestens 3 m, die lichte Höhe mindestens 3,50 m betragen. Die lichte Höhe der Zu- oder Durchfahrten ist senkrecht zur Fahrbahn zu messen. Wird eine Zu- oder Durchfahrt auf eine Länge von mehr als 12 m beidseitig durch Bauteile, wie Wände oder Pfeiler begrenzt, so muss die lichte Breite mindestens 3,50 m betragen. Wände und Decken von Durchfahrten müssen feuerbeständig sein.

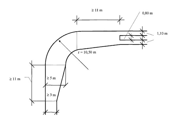
3 Kurven in Zu- oder Durchfahrten

Der Einsatz der Feuerwehrfahrzeuge wird durch Kurven in Zu- oder Durchfahrten nicht behindert, wenn die in der Tabelle den Außenradien der Gruppen zugeordneten Mindestbreiten nicht unterschritten werden. Dabei müssen vor oder hinter Kurven auf einer Länge von mindestens 11 m Übergangsbereiche vorhanden sein.

Tabelle

Außenradius der Kurve
(in m)
Breite mindestens
(in m)
10,5 bis 12 5,0
über 12 bis 15 4,5
über 15 bis 20 4,0
über 20 bis 40 3,5
über 40 bis 70 3,2
über 70 3,0

Bild 1

4 Fahrspuren

Geradlinig geführte Zu- oder Durchfahrten können außerhalb der Übergangsbereiche (Abschnitte 2 und 13) als Fahrspuren ausgebildet werden. Die beiden befestigten Streifen müssen voneinander einen Abstand von 0,80 m haben und mindestens je 1,10 m breit sein.

5 Neigungen in Zu- oder Durchfahrten

Zu- oder Durchfahrten dürfen längs geneigt sein. Jede Änderung der Fahrbahnneigung ist in Durchfahrten sowie innerhalb eines Abstandes von 8 m vor und hinter Durchfahrten unzulässig. Im übrigen sind die Übergänge mit einem Radius von mindestens 15 m auszurunden.

6 Stufen und Schwellen

Stufen und Schwellen im Zuge von Zu- oder Durchfahrten dürfen nicht höher als 8 cm sein. Eine Folge von Stufen oder Schwellen im Abstand von weniger als 10 m ist unzulässig. Im Bereich von Übergängen nach Nr. 5 dürfen keine Stufen sein.

7 Sperrvorrichtungen

Sperrvorrichtungen (Sperrbalken, Ketten, Sperrpfosten) sind in Zu- oder Durchfahrten zulässig, wenn sie von der Feuerwehr geöffnet werden können.

8 Aufstellflächen auf dem Grundstück

Aufstellflächen müssen mindestens 3,50 m breit und so angeordnet sein, daß alle zum Anleitern bestimmten Stellen von Hubrettungsfahrzeugen erreicht werden können.

9 Aufstellflächen entlang von Außenwänden

Für Aufstellflächen entlang von Außenwänden muss zusätzlich zur Mindestbreite von 3,50 m auf der gebäudeabgewandten Seite ein mindestens 2 m breiter hindernisfreier Geländestreifen vorhanden sein. Die Aufstellflächen müssen mit ihrer der anzuleiternden Außenwand zugekehrten Seite einen Abstand von mindestens 3 m zur Außenwand haben. Der Abstand darf höchstens 9 m und bei Brüstungshöhen von mehr als 18 m höchstens 6 m betragen. Die Aufstellfläche muss mindestens 8 m über die letzte Anleiterstelle hinausreichen.

Bild 2

10 Aufstellflächen rechtwinklig zu Außenwänden

Für rechtwinklig oder annähernd im rechten Winkel auf die anzuleiternde Außenwand zugeführte Aufstellflächen muss zusätzlich zur Mindestbreite von 3,50 m beidseitig ein mindestens 1,25 m breiter hindernisfreier Geländestreifen vorhanden sein; die Geländestreifen müssen mindestens 11 m lang sein. Die Aufstellflächen dürfen keinen größeren Abstand als 1 m zur Außenwand haben. Die Entfernung zwischen der Außenseite der Aufstellflächen und der entferntesten seitlichen Begrenzung der zum Anleitern bestimmten Stellen darf nicht mehr als 9 m, bei einer Brüstungshöhe von mehr als 18 m nicht mehr als 6 m nicht betragen.

Bild 3

11 Freihalten des Anleiterbereiches

Zwischen der anzuleiternden Außenwand und den Aufstellflächen dürfen sich keine den Einsatz von Hubrettungsfahrzeugen erschwerenden Hindernisse wie bauliche Anlagen oder Bäume befinden.

12 Neigung von Aufstellflächen

umwelt-online - Demo-Version


(Stand: 21.03.2025)

Alle vollständigen Texte in der aktuellen Fassung im Jahresabonnement
Nutzungsgebühr: ab 105.- € netto

(derzeit ca. 7200 Titel s.Übersicht - keine Unterteilung in Fachbereiche)

Preise & Bestellung

Die Zugangskennung wird kurzfristig übermittelt

? Fragen ?
Abonnentenzugang/Volltextversion