Für einen individuellen Ausdruck passen Sie bitte die
Einstellungen in der Druckvorschau Ihres Browsers an.
Regelwerk

LüAR -Lüftungsanlagen-Richtlinie
Richtlinie über brandschutztechnische Anforderungen an Lüftungsanlagen
*
- Niedersachsen -

Vom 19.Juli 2006
(MBl. Nr. 28 vom 16.08.2006 S. 782)


zur aktuellen Fassung

1 Geltungsbereich

Diese Richtlinie gilt für Lüftungsanlagen, an die Anforderungen nach § 39 NBauO gestellt werden. Sie gilt nicht für mit Luft arbeitende Transportanlagen (z.B. Späneabsaugung, Rohrpostanlagen).

Die bei der Errichtung von Lüftungsanlagen erforderlichen Verwendbarkeitsnachweise für Bauprodukte und Anwendbarkeitsnachweise für Bauarten richten sich nach den Regelungen der §§ 24 ff. NBauO i. V. m. den Bauregellisten2 in der jeweils geltenden Fassung. Die Verwendung von Bauprodukten und die Anwendung von Bauarten mit europäischen Klassifizierungen, die aufgrund der Zuordnung zu nationalen Anforderungen an das Brandverhalten oder die Feuerwiderstandsfähigkeit in den Bauregellisten als gleichwertig zu den in den folgenden Anforderungen genannten Klassifizierungen gelten, ist entsprechend der jeweiligen Anforderung zulässig.

2 Begriffe

Lüftungsanlagen i. S. dieser Richtlinie sind auch Klimaanlagen, raumlufttechnische Anlagen und Warmluftheizungen. Lüftungsanlagen bestehen aus Lüftungsleitungen und allen zu ihrer Funktion erforderlichen Bauteile und Einrichtungen.

Zu den Lüftungsleitungen gehören alle von Luft durchströmten Bauteile, wie Lüftungsrohre, -formstücke, -schächte und -kanäle, Schalldämpfer, Ventilatoren, Luftaufbereitungseinrichtungen, Absperrvorrichtungen gegen die Übertragung von Feuer und Rauch (Brandschutzklappen) und Absperrvorrichtungen gegen Rauchübertragung (Rauchschutzklappen), sowie Verbindungen, Befestigungen, Beschichtungen, Dampfsperren, Folien, Dämmschichten, Ummantelungen und Verkleidungen.

3 Anforderungen an die Feuerwiderstandsfähigkeit von Lüftungsleitungen und Absperrvorrichtungen

Die Anforderungen nach § 39 NBauO sowie nach § 21 DVNBauO an Lüftungsanlagen gelten als erfüllt, wenn die Lüftungsanlagen den Bestimmungen der folgenden Abschnitte 4 bis 8 einschließlich der zugehörigen schematischen Darstellungen 1 bis 6 mit ihren Bildern und Erläuterungen entsprechen.

Lüftungsleitungen, die Bauteile in den in § 21 Abs. 1 DVNBauO genannten Fällen überbrücken, müssen für die längste Zeitdauer, die dort für ein von der Leitung überbrücktes Bauteil gefordert ist, feuerwiderstandsfähig oder in einem entsprechend feuerwiderstandsfähigen Schacht verlegt sein (für mindestens 90 Minuten sind mindestens Bauteile der Klassifizierung L/F 90, für mindestens 60 Minuten mindestens Bauteile L/F 60 und für mindestens 30 Minuten mindestens Bauteile L/F 30 erforderlich) oder in den durchdrungenen Bauteilen jeweils entsprechend feuerwiderstandsfähige Brandschutzklappen (K 30/60/90) haben.

Lüftungsleitungen, die in nicht in § 21 Abs. 1 DVNBauO genannten Fällen raumabschließende Bauteile überbrücken, müssen der höchsten für die durchdrungenen Bauteile geforderten Feuerwiderstandsfähigkeit entsprechend feuerwiderstandsfähig sein, in einem entsprechend feuerwiderstandsfähigen Schacht verlegt sein oder in den durchdrungenen Bauteilen jeweils entsprechend feuerwiderstandsfähige Brandschutzklappen haben. In notwendigen Fluren mit feuerhemmenden Wänden genügen anstelle feuerhemmender Lüftungsleitungen solche aus Stahlblech ohne Öffnungen mit Abhängern aus Stahl (s. Bilder 3.1 und 3.2).

4 Anforderungen an das Brandverhalten von Baustoffen

Wenn die Anforderungen dieser Richtlinie eingehalten sind, liegen damit auch die Voraussetzungen für die Verwendung brennbarer Baustoffe i. S. des § 21 Abs. 2 Satz 2 DVNBauO vor.

4.1 Lüftungsleitungen Für Lüftungsleitungen, in denen

  1. Luft mit Temperaturen von mehr als 85° C gefördert wird oder
  2. sich in besonderem Maße brennbare Stoffe ablagern können (z. B, Abluftleitungen für Raumlüftungsanlagen in Holz verarbeitenden Betrieben),

ist die Verwendung brennbarer Baustoffe nicht zulässig. Für sonstige Lüftungsleitungen ist die Verwendung brennbarer Baustoffe zulässig, wenn sie schwer entflammbar sind und wenn die Leitungen

  1. nicht durch Bauteile hindurchgeführt sind, für die eine Feuerwiderstandsfähigkeit aus Gründen des Raumabschlusses gefordert ist,
  2. an den Durchdringungsstellen von Bauteilen, für die eine Feuerwiderstandsfähigkeit aus Gründen des Raumabschlusses gefordert ist, mindestens feuerhemmende Brandschutzklappen haben,
  3. mindestens feuerhemmend sind und schwer entflammbare Baustoffe nur in der inneren Schale der Leitungen vorkommen oder
  4. in einem mindestens feuerhemmenden Schacht verlegt sind.

In notwendigen Treppenräumen, in Räumen zwischen einem notwendigen Treppenraum und dem Ausgang ins Freie, in notwendigen Fluren sowie oberhalb von Unterdecken, die tragende Bauteile brandschutztechnisch schützen müssen, sind Lüftungsleitungen aus brennbaren Baustoffen jedoch nur zulässig, wenn sie Satz 2 Nr. 3 oder 4 entsprechen.

Anforderungen an die Feuerwiderstandsfähigkeit der Lüftungsleitungen nach den Abschnitten 3, 5 und 6 bleiben unberührt.

4.2 Beschichtungen, Dämmschichten und Verkleidungen

Für Beschichtungen, Dampfsperren, Folien, Dämmschichten und Verkleidungen von Lüftungsleitungen gilt Abschnitt 4.1 sinngemäß. Für Beschichtungen, Dampfsperren und Folien mit einer Dicke von nicht mehr als 0,5 mm dürfen anstelle schwer entflammbarer Baustoffe solche verwendet werden, die im eingebauten Zustand normal entflammbar sind.

Aus brennbaren Baustoffen bestehende Beschichtungen, Dampfsperren und Folien mit einer Dicke von nicht mehr als 0,5 mm dürfen abweichend von Abschnitt 4.1 durch Bauteile, für die eine Feuerwiderstandsfähigkeit aus Gründen des Raumabschlusses vorgeschrieben ist, hindurchgeführt werden.

4.3 Kleine und lokal begrenzte Bauteile von Lüftungsanlagen

Für kleine Teile, wie Bedienungsgriffe, Dichtungen, Lager und Messeinrichtungen, für lokal begrenzte Bauteile, wie in Einrichtungen zur Förderung und Aufbereitung der Luft und zur Regelung der Lüftungsanlage, für Ein- und Auslässe von Lüftungsleitungen und für elektrische und pneumatische Leitungen außerhalb von Lüftungsleitungen, die auf kürzestem Wege zu den zur Lüftungsanlage gehörenden Einrichtungen in Lüftungsleitungen führen, gilt Abschnitt 4.1 nicht.

4.4 Sonstige Bauteile und Einrichtungen von Lüftungsanlagen

Für bestimmte Bauteile und Einrichtungen sind bei der Verwendung brennbarer Baustoffe zusätzlich die Anforderungen der Abschnitte 5.10, 6.2 und 6.4.3 sowie der zugehörigen schematischen Darstellungen zu beachten.

5 Anforderungen an die Installation von Lüftungsleitungen

5.1 Lüftungsleitungen mit erhöhter Brand-, Explosions- oder Verschmutzungsgefahr

Lüftungsleitungen, in denen sich in besonderem Maße brennbare Stoffe ablagern können, einschließlich Abluftleitungen von Dunstabzugshauben in Wohnungsküchen, oder die der Lüftung von Räumen mit erhöhter Brand- oder Explosionsgefahr dienen, dürfen untereinander und mit anderen Lüftungsleitungen nicht verbunden sein, es sei denn, die Übertragung von Feuer und Rauch ist durch geeignete Brandschutzklappen verhindert.

Abluftleitungen aus Stahlblech von Dunstabzugshauben in Wohnungsküchen dürfen nur gemeinsam in Schächten verlegt sein, wenn die Schächte gemäß Abschnitt 3 feuerwiderstandsfähig sind und keine anderen Leitungen enthalten.

5.2 Mündungen von Außenluft- und Fortluftleitungen

Außenluft- und Fortluftöffnungen (Mündungen) von Lüftungsleitungen, aus denen Brandgase ins Freie gelangen können, müssen so angeordnet oder ausgebildet sein, dass durch sie Feuer oder Rauch nicht in andere Geschosse, Brandabschnitte, Nutzungseinheiten, notwendige Treppenräume, Räume zwischen einem notwendigen Treppenraum und dem Ausgang ins Freie oder notwendige Flure übertragen werden können. Dies gilt durch Einhaltung einer der folgenden Anforderungen als erfüllt:

  1. Mündungen müssen von Fenstern, anderen Außenwandöffnungen sowie Außenwänden und Verkleidungen aus brennbaren Baustoffen mindestens 2,5 m entfernt sein; dies gilt nicht für die Holzlattung hinterlüfteter Fassaden. Ein Abstand zu Fenstern und ähnlichen Öffnungen in Wänden ist nicht erforderlich, wenn diese Öffnungen gegenüber der Mündung durch 1,5 m auskragende, entsprechend den Decken feuerwiderstandsfähige und öffnungslose Bauteile aus nichtbrennbaren Baustoffen geschützt sind.
    Die Mündungen von Lüftungsleitungen über Dach müssen Bauteile aus brennbaren Baustoffen um mindestens 1 m überragen oder von diesen - waagerecht gemessen - 1,5 m entfernt sein. Diese Abstände sind nicht erforderlich, wenn die Baustoffe in einem Abstand bis mindestens 1,5 m von den Außenflächen der Lüftungsleitungen gegen Brandgefahr geschützt sind (z.B. durch eine mindestens 5 cm dicke Bekiesung oder durch mindestens 3 cm dicke, fugendicht verlegte Betonplatten).
  2. Die Mündungen von Lüftungsleitungen müssen durch Brandschutzklappen gesichert sein.

5.3 Zuluftanlagen

Die Übertragung von Rauch in das Gebäude mit der Außenluft über Zuluftanlagen muss durch Brandschutzklappen mit Rauchauslöseeinrichtungen oder durch Rauchschutzklappen verhindert werden. Auf diese Klappen kann verzichtet werden, wenn das Ansaugen von Rauch wegen der Lage der Außenluftöffnung ausgeschlossen ist.

5.4 Umluftanlagen

Bei Lüftungsanlagen mit Umluft muss die Zuluft gegen Eintritt von Rauch aus der Abluft durch Brandschutzklappen mit Rauchauslöseeinrichtungen oder durch Rauchschutzklappen geschützt sein. Die Rauchauslöseeinrichtungen dafür können in der Umluftleitung oder in der Abluftleitung angeordnet sein. Sie können auch in der Zuluftleitung nach Zusammenführung von Außenluft und Umluft angeordnet sein, wenn dadurch zugleich die Außenluftansaugung gegen Raucheintritt gesichert werden soll.

Die Anordnung der Rauchauslöseeinrichtungen darf deren Wirksamkeit durch Verdünnungseffekte nicht beeinträchtigen. Bei Ansprechen der Rauchauslöseeinrichtungen müssen die Ventilatoren abgeschaltet werden, soweit der Weiterbetrieb nicht der Rauchausbreitung entgegenwirkt.

5.5 Lüftungsleitungen und andere Installationen

Im luftführenden Querschnitt von Lüftungsleitungen dürfen nur Einrichtungen von Lüftungsanlagen und zugehörige Leitungen vorhanden sein, die keine brennbaren oder toxischen Stoffe (z.B. Brennstoffe, organische Wärmeträger oder Flüssigkeiten für hydraulische Systeme) und außer Wärmeträgern, die Lufterhitzern von außen auf kürzestem Leitungsweg zugeführt werden, keine Stoffe mit Temperaturen von mehr als 110°C enthalten.

In Schächten und Kanälen der Feuerwiderstandsklassen L 30/60/90 gemäß DIN 4102-4:1994-03, Abschnitte 8.5.1 bis 8.5.6 (s. Bild 1.2, Anordnung 2), dürfen neben Lüftungsleitungen nur Leitungen für Wasser, Abwasser und Wasserdampf (nur bis 110°C) sowie für Druckluft verlegt sein, die einschließlich ihrer Dämmschichten aus nichtbrennbaren Baustoffen bestehen.

Andere, insbesondere brennbare Installationen, sind neben Lüftungsleitungen in Schächten und Kanälen nur zulässig, wenn deren Wände gemäß Abschnitt 3 feuerwiderstandsfähig sind und der Feuerwiderstandsklasse F 30/60/90 entsprechen. Öffnungen in den Wänden müssen dichte Verschlüsse (z.B. mit umlaufendem Anschlag) mit der Feuerwiderstandsfähigkeit der Wände, und alle ein- und austretenden Lüftungsleitungen müssen an den Durchtrittsstellen (auch zur Lüftungszentrale) Brandschutzklappen K 30/60/90 (Feuerwiderstandsfähigkeit gemäß Abschnitt 3 ohne Zusatzkennzeichnung für eine eingeschränkte Verwendung) haben (s. Bild 1.2, Anordnung 1). Die Notwendigkeit brandschutztechnischer Maßnahmen für die anderen Installationen bleibt unberührt.

5.6 Begrenzung von Kräften

Lüftungsleitungen müssen so geführt und hergestellt sein, dass sie infolge ihrer Erwärmung, auch durch Brandeinwirkung, keine erheblichen Kräfte auf tragende Bauteile oder Bauteile ausüben können, die feuerwiderstandsfähig sein müssen. Dies gilt als erfüllt, wenn ausreichende Dehnungsmöglichkeiten, bei Lüftungsleitungen aus Stahl ca. 10 mm pro lfd. Meter Leitungslänge, vorhanden sind. Bei anderen Baustoffen der Lüftungsleitungen, wie hochlegierten Stählen und Nichteisenmetallen, sind deren Längenausdehnungskoeffizienten zu berücksichtigen.

Bei zweiseitig fester Einspannung einer Leitung gilt Satz 1 auch als erfüllt, wenn

  1. der Abstand zwischen zwei Einspannstellen nicht mehr als 5 m beträgt,
  2. die Leitung keine erhebliche Längssteifigkeit besitzt (z.B. Spiralfalzrohre mit Steckstutzen bis 250 mm Durchmesser oder Flexrohre),
  3. Längenänderungen in der Lüftungsleitung durch Bögen und Verziehungen aufgenommen werden, die zu anderen Leitungsverformungen (z.B. Ausknickungen) führen (s. Bild 5), oder
  4. Kompensatoren (z.B. Segeltuchstutzen) verwendet werden (Reaktionskraft < 1 kN).

5.7 Durchführungen durch feuerwiderstandsfähige raumabschließende Bauteile

Leitungsabschnitte, die brandschutztechnisch zu trennende Gebäudeabschnitte überbrücken, müssen die höchste bezogen auf die durchdrungenen raumabschließenden Bauteile nach Abschnitt 3 geforderte Feuerwiderstandsfähigkeit oder in diesen Bauteilen Absperrvorrichtungen haben (Schematische Darstellungen 1.1 und 1.2, Bilder 1.1 bis 1.4, und 3; Bilder 3.1 und 3.2). Absperrvorrichtungen dürfen außerhalb dieser Bauteile nur installiert werden, wenn ihre Verwendbarkeitsnachweise dies zulassen.

Soweit Lüftungsleitungen ohne Brandschutzklappen durch raumabschließende Bauteile, für die eine Feuerwiderstandsfähigkeit gefordert ist, hindurchgeführt werden dürfen, müssen verbleibende Querschnitte der Durchdringungsöffnungen mit geeigneten nichtbrennbaren mineralischen Baustoffen dicht und in der Dicke dieser Bauteile verschlossen sein. Zum Verschluss von Spalten bis zu einer Breite von 50 mm gelten Stopfungen aus Mineralfasern mit einem Schmelzpunkt > 1000° C ohne weiteren Nachweis als geeignet. Durch weitere Installationen darf die Stopfung nicht gemindert werden. Die für eine Lüftungsleitung geforderte Feuerwiderstandsfähigkeit muss auch innerhalb der Durchdringungsöffnungen der Bauteile gegeben sein.

5.8 Abstände zu brennbaren Baustoffen

Zwischen den äußeren Oberflächen von Leitungsabschnitten, die im Betrieb eine Temperatur von mehr als 85° C erreichen können, und flächig angrenzenden ungeschützten Bauteilen mit brennbaren Baustoffen muss ein Abstand von mindestens 40 cm eingehalten sein.

5.9 Leitungsabschnitte, die feuerwiderstandsfähig sein müssen

Leitungsabschnitte, für die eine Feuerwiderstandsfähigkeit gefordert ist, müssen an Bauteilen mit entsprechender Feuerwiderstandsfähigkeit befestigt sein.

5.10 Leitungsabschnitte im Freien

Leitungsabschnitte im Freien, die von Brandgasen durchströmt werden können, müssen entsprechend Abschnitt 3 Satz 3 feuerwiderstandsfähig sein. Abweichend von Satz 1 müssen die Leitungen nur aus Stahlblech bestehen, wenn sie zu Bauteilen aus brennbaren Baustoffen ein Abstand von mindestens 40 cm einhalten; der Abstand braucht nur 20 cm zu betragen, wenn die brennbaren Baustoffe durch eine mindestens 2 cm dicke Schicht aus mineralischen, nichtbrennbaren Baustoffen gegen Entflammen geschützt sind.

Abweichend von den Sätzen 1 und 2 dürfen Leitungsabschnitte aus schwer entflammbaren Baustoffen über Flachdächern verlaufen, wenn

  1. sie gegen Herabfallen auch im Brandfall gesichert sind,
  2. ihr Abstand von Bauteilen aus brennbaren Baustoffen, sofern die Baustoffe nicht innerhalb dieses Abstands gegen Entflammen geschützt sind, mindestens 1,5 m beträgt, und
  3. Dachoberflächen aus brennbaren Baustoffen unterhalb der Leitungen in einem Abstand bis mindestens 1,5 m von den Außenflächen der Leitung gegen Entflammen geschützt sind (z.B. durch eine mindestens 5 cm dicke Bekiesung oder durch mindestens 3 cm dicke, fugendicht verlegte Betonplatten).

5.11 Lüftungsleitungen oberhalb von Unterdecken

Lüftungsleitungen, die oberhalb von Unterdecken verlegt sind, für die als selbständiges Bauteil eine Feuerwiderstandsfähigkeit gefordert ist, müssen so befestigt sein, dass sie auch im Brandfall nicht herabfallen können (s. DIN 4102-4:1994-03, Abschnitt 8.5.7.5).

5.12 Lüftungsleitungen im Dachraum

Lüftungsleitungen, die eine Decke zwischen oberstem Geschoss und Dachraum durchdringen, für die eine Feuerwiderstandsfähigkeit gefordert ist, und durch den Dachraum geführt sind, müssen in sinngemäßer Anwendung des Abschnitts 5.7

  1. Absperrvorrichtungen haben (Bild 2.1),
  2. im Dachraum feuerwiderstandsfähig sein oder
  3. im Dachraum (bei Leitungen, die ins Freie führen, bis über die Dachhaut) eine feuerwiderstandsfähige Ummantelung haben (s. Bild 2.2).

6 Einrichtungen zur Luftaufbereitung und Lüftungszentralen

6.1 Lufterhitzer

Für Lufterhitzer, deren Heizflächen eine Temperatur von mehr als 160°C erreichen können, muss ein Sicherheitstemperaturbegrenzer im Abstand von 50 bis 100 cm in Richtung des Luftstroms hinter dem Lufterhitzer in die Lüftungsleitung eingebaut werden, der den Lufterhitzer bei Erreichen einer Lufttemperatur von 110° C selbsttätig abschaltet.

Direkt befeuerte Lufterhitzer müssen, wenn der Sicherheitstemperaturbegrenzer nicht so angeordnet ist, dass er die rechtzeitige Abschaltung der Beheizung gewährleistet, zusätzlich einen Strömungswächter haben, der bei ungenügendem Luftstrom die Beheizung selbsttätig abschaltet.

6.2 Filtermedien, Kontaktbefeuchter und Tropfenabscheider

Für Filtermedien, Kontaktbefeuchter und Tropfenabscheider aus brennbaren Baustoffen muss durch ein im Luftstrom nachgeschaltetes engmaschiges Gitter oder durch eine geeignete nachgeschaltete Luftaufbereitungseinrichtung aus nichtbrennbaren Baustoffen sichergestellt sein, dass brennende Teile nicht vom Luftstrom mitgeführt werden können.

6.3 Wärmerückgewinnungsanlagen

Bei Wärmerückgewinnungsanlagen muss die Brandübertragung zwischen Abluft und Zuluft durch geeignete Vorkehrungen, z.B. durch installationstechnische Maßnahmen, wie getrennter Wärmeaustausch über Wärmeträger bei Zu- und Abluftleitungen, Schutz der Zuluftleitung durch Brandschutzklappen mit Rauchauslöseeinrichtungen oder Rauchschutzklappen, ausgeschlossen sein.

6.4 Lüftungszentralen für Ventilatoren und Luftaufbereitungseinrichtungen

Ventilatoren und Luftaufbereitungseinrichtungen in Gebäuden müssen in einem besonderen Raum (Lüftungszentrale) aufgestellt werden, wenn die in der Richtung des Luftstroms an sie anschließenden Lüftungsleitungen in mehrere Geschosse (außer von Gebäuden geringer Höhe) oder Brandabschnitte des Gebäudes führen.

Die Lüftungszentrale darf nicht anderweitig genutzt werden; sie kann jedoch selbst luftdurchströmt sein (Kammerbauweise).

6.4.1 Bauteile, Fußböden und Öffnungen von Lüftungszentralen

Tragende oder aussteifende Bauteile von Lüftungszentralen sowie deren Decken und Wände zu anderen Räumen müssen der höchsten Feuerwiderstandsfähigkeit entsprechen, die für Decken oder Wände gefordert ist, durch die Lüftungsleitungen von der Lüftungszentrale aus hindurchgeführt sind; dabei bleiben Kellerdecken unberücksichtigt.

Andere Wände und Decken sowie Fußböden müssen aus nichtbrennbaren Baustoffen bestehen oder durch eine mindestens 2 cm dicke Schicht aus mineralischen, nichtbrennbaren Baustoffen gegen Entflammen geschützt sein.

Lüftungszentralen dürfen keine Öffnungen zu Aufenthaltsräumen haben. Öffnungen zu anderen Räumen müssen mindestens feuerhemmende, dicht- und selbstschließende Abschlüsse haben. Abschlüsse zu notwendigen Treppenräumen müssen zusätzlich rauchdicht sein.

6.4.2 Ausgänge von Lüftungszentralen

Von jeder Stelle der Lüftungszentrale muss in höchstens 35 m Entfernung ein Ausgang zu einem Flur in der Bauart notwendiger Flure, zu einem Treppenraum in der Bauart notwendiger Treppenräume oder unmittelbar ins Freie erreichbar sein.

6.4.3 Lüftungsleitungen in Lüftungszentralen

Lüftungsleitungen in Lüftungszentralen müssen

  1. aus Stahlblech und ohne brennbare Dämmschichten hergestellt sein,
  2. entsprechend Abschnitt 6.4.1 Satz 1 feuerwiderstandsfähig sein, oder
  3. an den Ein- und Austritten zur Lüftungszentrale, ausgenommen an Ein- und Austritten von Fortluft- oder Außenluftleitungen, die unmittelbar ins Freie führen, entsprechend Abschnitt 6.4.1 Satz 1 feuerwiderstandsfähige und mit Rauchauslöseeinrichtungen ausgestattete Brandschutzklappen haben.

Abweichend von Satz 1 Nrn. 2 und 3 dürfen, wenn die Lüftungszentrale

  1. im obersten Geschoss liegt und
  2. im Dach eine selbsttätig öffnende, durch Rauchmelder in der Lüftungszentrale auslösende Rauchabzugseinrichtung mit einem freien Querschnitt von mindestens dem 2,5-Fachen des lichten Querschnitts der größten in die Lüftungszentrale führenden Abluftleitung hat,

schwer entflammbare Baustoffe für Lüftungsleitungen verwendet werden, die durch das Dach der Lüftungszentrale unmittelbar ins Freie führen und gegenüber entsprechenden Bauteilen anderer Lüftungsleitungen in der Lüftungszentrale durch

  1. einen Abstand von mindestens 40 cm zwischen den Bauteilen,
  2. einen mindestens 2 cm dicken Strahlungsschutz aus mineralischen nichtbrennbaren Baustoffen zwischen den Bauteilen oder
  3. andere mindestens gleich gut schützende Bauteile gegen Entflammen geschützt sind (s. a. Bild 4).

7. Zusätzliche Bestimmungen für Entlüftungsanlagen nach DIN 18017-3:1990-08

In Entlüftungsanlagen nach DIN 18017-3:1990-08 dürfen Absperrvorrichtungen gegen Brandübertragung der Feuerwiderstandsklassen K 30/60/90- 18017 nur verwendet werden (s. Bilder 6.1 und 6.2.1 bis 6.2.3), wenn sie im Zusammenwirken mit den Bauteilen der Entlüftungsanlage die Brandübertragung in andere Geschosse verhindern. Diese Absperrvorrichtungen sind zur Verhinderung einer Brandübertragung innerhalb von Geschossen (insbesondere bei der Überbrückung von Flur- oder Trennwänden) nicht zulässig. Sie dürfen jedoch unter den Voraussetzungen nach Satz 1 über den Anwendungsbereich der DIN 18017-3:1990-08 hinaus auch für Abluftanlagen von Toiletten und Bädern in nicht zu Wohnzwecken genutzten Gebäuden, in Lüftungsanlagen der Bauart nach DIN 18017-3:1990-08, bei denen die Zuluft über Leitungen zugeführt wird, sowie nach Maßgabe bauaufsichtlicher Verwendbarkeits- oder Anwendbarkeitsnachweise in Abluftanlagen innenliegender Wohnungsküchen und Kochnischen verwendet werden.

Die Lüftungsleitungen und Absperrvorrichtungen müssen über die Bestimmungen der jeweiligen Verwendbarkeits- oder Anwendbarkeitsnachweise hinaus folgenden Anforderungen entsprechen:

  1. Vertikale Lüftungsleitungen (Hauptleitungen) und Schächte für Lüftungsleitungen müssen aus nichtbrennbaren Baustoffen bestehen und eine Feuerwiderstandsfähigkeit (L 30/60 oder F 30/60) haben, die der für die durchdrungenen Decken geforderten Feuerwiderstandsfähigkeit (bei Decken, die feuerbeständig sein müssen, L 60 oder F 60) entspricht. Davon abweichend müssen Hauptleitungen mit einem Querschnitt bis zu 350 cm2, die an den Durchdringungstellen der Decken entsprechend feuerwiderstandsfähige Absperrvorrichtungen haben, nur aus nichtbrennbaren Baustoffen bestehen.
  2. Hauptleitungen innerhalb von feuerwiderstandsfähigen Schächten sowie außerhalb der Schächte liegende Anschlussleitungen zwischen Absperrvorrichtungen und luftführenden Hauptleitungen müssen aus Stahlblech bestehen. Anschlussleitungen zwischen Schachtwandung und ausserhalb des Schachtes angeordneten Absperrvorrichtungen dürfen jeweils nicht länger als 6 m sein; die Anschlussleitungen dürfen keine Bauteile überbrücken, die feuerwiderstandsfähig sein müssen. Anschlussleitungen innerhalb von Schächten müssen aus nichtbrennbaren Baustoffen bestehen.
  3. Der erforderliche und vorhandene Querschnitt der Absperrvorrichtungen (Anschlussquerschnitt) darf höchstens 350 cm2 betragen.

Hauptleitungen, die nicht an den Durchdringungsstellen der Decken Absperrvorrichtungen mit der für die Decken geforderten Feuerwiderstandsfähigkeit haben, dürfen höchstens einen Querschnitt von 1000 cm2 haben und nur

  1. als feuerwiderstandsfähige Lüftungsleitungen oder als feuerwiderstandsfähige Schächte ausgebildet sein, in denen keine Installationen verlegt sind und die im Wesentlichen aus nichtbrennbaren Baustoffen bestehende Absperrvorrichtungen haben (Bild 6.2.1 ),
  2. in feuerwiderstandsfähigen Schächten bis 1000 cm2 Querschnitt verlegt sein, in denen keine weiteren Installationen untergebracht sind und die im Wesentlichen aus nichtbrennbaren Baustoffen bestehende Absperrvorrichtungen haben (Bild 6.2.2), oder
  3. in feuerwiderstandsfähigen Schächten ohne Beschränkung des Querschnitts verlegt sein, wenn der Restquerschnitt zwischen Schacht und Hauptleitung mit einem mindestens 100 mm dicken Mörtelverguss in der Ebene der jeweiligen Geschossdecke vollständig verschlossen ist und weitere Installationen nur aus nichtbrennbaren Baustoffen und für nichtbrennbare (Medien vorhanden sind (Bild 6.2.3). Die Notwendigkeit brandschutztechnischer Maßnahmen für diese weiteren Installationen bleibt unberührt.

Dunstabzugshauben dürfen an Lüftungsanlagen mit Absperrvorrichtungen der Feuerwiderstandsklassen K 30/60/90-18017 nur entsprechend den Bestimmungen der Verwendbarkeits- oder Anwendbarkeitsnachweise für die Absperrvorrichtungen angeschlossen sein.

8 Abluftleitungen von gewerblichen und vergleichbaren Küchen, ausgenommen Kaltküchen

8.1 Baustoffe und Feuerwiderstandsfähigkeit der Abluftleitungen

Abluftleitungen von gewerblichen und vergleichbaren Küchen, ausgenommen Kaltküchen, müssen aus nichtbrennbaren Baustoffen bestehen. Sie müssen, sofern die Ausbreitung von Feuer und Rauch nicht auf andere Weise, z.B. durch Absperrvorrichtungen mit einem bauaufsichtlicheir Verwendbarkeitsnachweis für diesen Zweck verhindert wird, vom Austritt aus der Küche an mindestens eine Feuerwiderstandsfähigkeit der Klassifizierung L 90 aufweisen. Für Leitungsabschnitte im Freien gilt Abschnitt 5.10 sinngemäß.

8.2 Ventilatoren

Ventilatoren müssen so ausgeführt und eingebaut sein, dass sie leicht zugänglich sind und leicht kontrolliert und gereinigt werden können. Sie müssen von der Küche aus abgeschaltet werden können. Die Antriebsmotoren müssen sich außerhalb des Abluftstromes befinden.

8.3 Fettdichtheit der Abluftleitungen

Durch die Wandungen der Abluftleitungen darf weder Fett noch Kondensat austreten können. Leitungen aus Blech mit gelöteten, geschweißten oder mit dauerelastischem und gegen chemische und mechanische Beanspruchung unempfindlichem Dichtungsmaterial hergestellten Verbindungsstellen können als fettdicht angesehen werden.

8.4 Vermeidung von Verschmutzungen; Reinigungsöffnungen

In oder unmittelbar hinter Abzugseinrichtungen, wie Hauben oder Lüftungsdecken, müssen geeignete Fettfilter oder andere geeignete Fettabscheideeinrichtungen angeordnet sein. Filter und Abscheider müssen einschließlich ihrer Befestigungen aus nichtbrennbaren Baustoffen bestehen. Filter müssen leicht ein- und ausgebaut werden können. Die innere Oberfläche der Abluftleitungen muss leicht zu reinigen sein. Leitungen mit profilierten Wandungen, wie flexible Rohre, und Leitungen aus porösen oder saugfähigen Baustoffen sind unzulässig.

Die Abluftleitungen müssen an jeder Richtungsänderung, vor und hinter Absperrvorrichtungen und in ausreichender Anzahl in gerade geführten Leitungsabschnitten Reinigungsöffnungen haben. Wenn im Bereich der Fettfilter und anderer Fettabscheideeinrichtungen die Reinigung nicht von der Abzugseinrichtung aus möglich oder durch technische Maßnahmen ausreichend sichergestellt ist, sind dort Reinigungsöffnungen erforderlich. Reinigungsöffnungen müssen einen mindestens der Abluftleitung entsprechenden lichten Querschnitt haben, es genügt jedoch ein lichter Querschnitt von 3600 cm2.

Abluftleitungen müssen an geeigneter Stelle Einrichtungen zum Auffangen und Ablassen von Kondensat und Reinigungsmittel haben.

9 Gemeinsame Abführung von Küchenabluft und Abgasen aus Feuerstätten

9.1 Küchenabluft und Abgase aus Feuerstätten für gasförmige Brennstoffe

Gegen die Ableitung der Abgase von Küchen-Gasgeräten über die Abzugseinrichtungen und Abluftleitungen der Küchen bestehen i. S. von § 21 Abs. 3 Satz 2 DVNBauO keine Bedenken, wenn dabei die technische Regel DVGW "Arbeitsblatt G 634: September 1998 - Installation von Gasgeräten in gewerblichen Küchen in Gebäuden" beachtet wird.

9.2 Küchenabluft und Abgase aus Kochgeräten für feste Brennstoffe

Die Betriebs- und Brandsicherheit der Lüftungsleitungen sowie der ordnungsgemäße Betrieb der Feuerungsanlagen i. S. von § 39 NBauO wird durch die Ableitung der Abgase von Kochgeräten für feste Brennstoffe (z.B. von Holzkohlegrillgeräten) über Abzugseinrichtungen und Abluftleitungen von Küchen nicht beeinträchtigt, wenn die Leitungen in der Bauart von Schornsteinen ausgeführt sind und in ihre Wandungen Fett in gefährlichen Mengen nicht eindringen kann.

Diesen Anforderungen genügen Lüftungsleitungen mit geschweißten oder nahtlosen Innenrohren aus Edelstahl und gegen chemische und mechanische Beanspruchungen unempfindlichen Dichtungen. Diese Lüftungsleitungen müssen zusätzlich an jeder Richtungsänderung Reinigungsöffnungen haben.

10 Anforderungen an Lüftungsanlagen in Sonderbauten

Die Anforderungen der vorstehenden Abschnitte 3 bis 9 entsprechen in der Regel den brandschutztechnischen Erfordernissen für Lüftungsanlagen in Sonderbauten.

Für Lüftungsanlagen in Gebäuden oder Räumen

  1. für große Menschenansammlungen,
  2. für kranke oder behinderte Menschen oder
  3. mit erhöhter Brand- oder Explosionsgefahr

können zusätzliche oder andere brandschutztechnische Maßnahmen, z.B. zusätzliche Rauchauslöseeinrichtungen für Brandschutzklappen zur Verhinderung der Rauchübertragung erforderlich sein. Die Anordnung der Rauchauslöseeinrichtungen darf deren Wirksamkeit durch Verdünnungseffekte nicht beeinträchtigen.

Schematische Darstellungen

1 Durchführung von Lüftungsleitungen durch raumabschließende Bauteile

1.1 Durchführung vertikaler Lüftungsleitungen durch raumabschließende Decken, an die Anforderungen hinsichtlich der Feuerwiderstandsfähigkeit gestellt werden

Bild 1.1: Schottlösung

Brandschutzklappen an den Durchdringungsstellen der feuerwiderstandsfähigen Decken

Lüftungszentrale, kann auch in anderen Geschossen angeordnet sein; Leitungen s. Abschnitt 6.4.3


Leitung ohne Feuerwiderstandsfähigkeit Zuluft-/Abluftöffnung
Ventilator
Brandschutzklappe

Für Entlüftungsanlagen nach DIN 18017-3:1990-08 können unter Beachtung des Abschnittes 7 und der Angaben in den Verwendbarkeits- oder Anwendbarkeitsnachweisen Absperrvorrichtungen K 30/60/90-18017 verwendet werden.

Bild 1.2: Schachtlösung

Brandschutzklappen an den Durchdringungsstellen der feuerwiderstandsfähigen Schachtwände


 
Lüftungszentrale, kann auch in anderen Geschossen angeordnet sein; Leitungen s. Abschnitt 6.4.3


- - Leitung ohne Feuerwiderstandsfähigkeit
Zuluft-/Abluftöffnung
Ventilator
Brandschutzklappe

Für Entlüftungsanlagen nach DIN 18017-3:1990-08 können unter Beachtung des Abschnittes 7 und der Angaben in den Verwendbarkeits- oder Anwendbarkeitsnachweisen Absperrvorrichtungen K 30/60/90-18017 verwendet werden.

Folgende Anordnungen sind zulässig:

1) feuerwiderstandsfähiger Schacht mit Wänden der Feuerwiderstandsklasse F 30/60/90 aus nichtbrennbaren Baustoffen z.B. nach DIN 4102 Teil 4 oder

2) feuerwiderstandsfähiger Schacht gemäß L-Klassifikation oder

3) selbständige feuerwiderstandsfähige Lüftungsleitung der Klassifikation L 30/60/90 (Schacht = luftführende Hauptleitung)

und jeweils Brandschutzklappen K 30/60/90* bei Abzweigen in den Geschossen an den Durchtrittsstellen durch die Schachtwand bzw. an den Anschlussstellen der Lüftungsleitung.

zu 1) Der Schacht aus F-Bauteilen bildet brandschutztechnisch einen eigenen Abschnitt im Gebäude, in dem auch andere Installationen zulässig sind. Diese Installationen dürfen aus brennbaren Baustoffen bestehen oder brennbare Medien enthalten, wenn die Ein- und Austritte von Lüftungsleitungen in den Schacht (auch zur Lüftungszentrale) durch Brandschutzklappen K 30/60/90 geschützt sind (s. auch Abschnitt 5.5). Schachtzugangstüren müssen die gleiche Feuerwiderstandsfähigkeit (z.B. T 30/60/90) wie die Schachtwände haben und zu notwendigen Rettungswegen rauchdicht sein.

zu 2) Der Schacht gemäß L-Klassifikation darf neben den Lüftungsleitungen nur nichtbrennbare Installationen für nichtbrennbare Medien bis 110°C enthalten (s. auch Abschnitt 5.5). Zwischen Schacht und Lüftungszentrale ist keine brandschutztechnische Abtrennung notwendig.

zu 3) In feuerwiderstandsfähigen Lüftungsleitungen selbst dürfen nur Einrichtungen von Lüftungsanlagen und zugehörige Leitungen eingebaut sein.

*) Für Entlüftungsanlagen nach DIN 18017-3:1990-08 können unter Beachtung des Abschnitts 7 und der Angaben in den Verwendbarkeits- oder Anwendbarkeitsnachweisen für die Lösungen 2) und 3) Absperrvorrichtungen K 30/60/90-18017 verwendet werden.

Bild 1.3:
Lüftungsanlagen mit getrennten Haupt- und getrennten Außenluft- oder Fortluftleitungen ohne Absperrvorrichtungen

Lüftungszentrale, kann auch in anderen Geschossen angeordnet sein; Leitungen s. Abschnitt 6.4.3
 - - Leitung ohne Feuerwiderstandsfähigkeit
___ Leitung mit Feuerwiderstandsfähigkeit
  Zuluft-/Abluftöffnung
  Ventilator

*) Die Feuerwiderstandsfähigkeit der Leitungen muss auch in den Durchdringungen der Decken oder Wände gegeben sein.

Bild 1.4:
Lüftungsanlagen mit getrennten Hauptleitungen und gemeinsamer Außenluft- oder Fortluftleitung mit Rauchschutzklappen

Lüftungszentrale, kann auch in anderen Geschossen angeordnet sein; Leitungen s. Abschnitt 6.4.3
- -  Leitung ohne Feuerwiderstandsfähigkeit
 ___ Leitung mit Feuerwiderstandsfähigkeit *
Zuluft-/Abluftöffnung
  Ventilator
  Rauchschutzklappe oder sonstige Vorrichtung, die bei Stillstand des Ventilators selbsttätig schließt

*) Die Feuerwiderstandsfähigkeit der Leitungen muss auch in den Durchdringungen der Decken oder Wände gegeben sein.

1.2 Durchführung horizontaler Lüftungsleitungen durch raumabschließende Wände, an die Anforderungen hinsichtlich der Feuerwiderstandsfähigkeit gestellt werden

Die in den Bildern 1.1 bis 1.4 dargestellten Lösungen gelten entsprechend für horizontal geführte Lüftungsleitungen, die feuerwiderstandsfähige raumabschließende Wände durchdringen, ausgenommen von Entlüftungsanlagen nach DIN 18017-3:1990-08.

Die Bilder 1.1 bis 1.4 sind irr diesen Fällen als Horizontalschnitte durch das Gebäude anzuwenden. Die Regelungen der Leitungsdurchführung durch feuerwiderstandsfähige Wände notwendiger Flure sind in den Bildern 3.1 und 3.2 enthalten.

2 Lüftungsleitungen im Dachraum

Lüftungsleitungen, die eine Decke zwischen oberstem Geschoss und Dachraum durchdringen, für die eine Feuerwiderstandsfähigkeit gefordert ist, und durch den Dachraum geführt sind, müssen

  1. Absperrvorrichtungen haben (Bild 2.1),
  2. im Dachraum feuerwiderstandsfähig sein oder
  3. im Dachraum (bei Leitungen, die ins Freie führen, bis über die Dachhaut) eine feuerwiderstandsfähige Ummantelung haben (Bild 2.2)

Bild 2.1: Schottlösung


- -  Leitung ohne Feuerwiderstandsfähigkeit
  Zuluft-/Abluftöffnung
Ventilator
Brandschutzklappe

Bild 2.2: Schachtlösung


- -  Leitung ohne Feuerwiderstandsfähigkeit
Ventilator
_____
_____ 
feuerwiderstandsfähige Ummantelung
Zuluft-/Abluftöffnung

3 Leitungsführung durch raumabschließende Wände notwendiger Flure, an die Anforderungen hinsichtlich der Feuerwiderstandsfähigkeit gestellt werden

Bild 3.1: notwendiger Flur, unbelüftet

f notwendiger Flur
e von f brandschutztechnisch getrennte Bereiche
- - Leitung ohne Feuerwiderstandsfähigkeit
____ Leitung mit Feuerwiderstandsfähigkeit; in Fluren mit feuerhemmenden Wänden s. bei Stahlblechleitungen Abschnitt 3 der Richtlinie
Zuluft-/Abluftöffnung
Brandschutzklappe
Decke mit entsprechender Feuerwiderstandsfähigkeit bei Beanspruchung von oben und unten; die Decke schließt die Leitung vollständig gegen das Innere des Brandabschnittes bzw. Rettungsweges ab

*) Die Feuerwiderstandsfähigkeit der Leitungen muss auch in den Durchdringungen der Decken oder Wände gegeben sein.

3.2: notwendiger Flur, belüftet

f notwendiger Flur
e,g,h,j von f und untereinander brandschutztechnisch getrennte Bereiche
- - Leitung ohne Feuerwiderstandsfähigkeit
____ Leitung mit Feuerwiderstandsfähigkeit; in Fluren mit feuerhemmenden Wänden s. bei Stahlblechleitungen Abschnitt 3 der Richtlinie*
  Zuluft-/Abluftöffnung
Brandschutzklappe
Unterdecke mit Feuerwiderstandsfähigkeit bei Beanspruchung von oben und unten; die Unterdecke schließt die Leitung vollständig gegen das Innere des Brandabschnittes bzw. Rettungsweges ab
Brandschutzklappe zum Einbau in feuerwiderstandsfähige Unterdecken

*) Die Feuerwiderstandsfähigkeit der Leitungen muss auch in den Durchdringungen der Decken oder Wände gegeben sein.

4 Abluftanlagen mit Leitungen und Ventilatoren aus brennbaren Baustoffen ohne Absperrvorrichtungen
(z.B. für Laborabluft; s. auch Abschnitt 6.4.3)


_____ Leitung mit Feuerwiderstandsfähigkeit (feuerwiderstandsfähige Lüftungsleitung mit brennbarer Innenschale)
- - Leitung ohne Feuerwiderstandsfähigkeit, aus schwer entflammbaren Baustoffen
  Abluftöffnung
  Ventilator
AH lichter Querschnitt der größten Einzelleitung

*) Die Feuerwiderstandsfähigkeit der Leitungen muss auch in den Durchdringungen der Decken oder Wände gegeben sein.

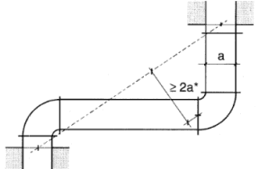
5 Begrenzung der Krafteinleitung durch Lüftungsleitungen in Bauteile des Gebäudes im Brandfall durch Bögen und Verziehungen
(s. auch Abschnitt 5.6)

Beispiele für die Anordnung von Bögen und Verziehungen, die Längenänderungen durch andere Leitungsverformungen wie Ausknickungen aufnehmen


Bild 5.1: Begrenzung der Krafteinleitung mit Leitungsverziehung Bild 5.2: Begrenzung der Krafteinleitung mit Bogen

a Kantenlänge des Lüftungskanals oder Durchmesser der Lüftungsleitung Es gilt die entfernteste Verbindungsstelle zwischen Bogen und Leitung.

6 Zusätzliche Bestimmungen für Entlüftungsanlagen nach DIN 18017-3:1990-08

Bild 6.1: Beispiel für Schottlösung maximaler Anschlussquerschnitt der Absperrvorrichtung: 350 cm2

6.2 Schachtlösung für Entlüftungsanlagen nach DIN 18017-3:1990-08

Bild 6.2.1
Bild 6.2.2 Bild 6.2.3
Schacht:
  • F 30/60/90 oder L 30/60/90
  • Querschnitt maximal 1000 cm2
  • F 30/60/90 oder L 30/60/90
  • Querschnitt maximal 1000 cm2
  • F 30/60/90 oder L 30/60/90
  • Querschnitt beliebig, auch > 1000 cm2
  • Mörtelverguss des freien Schachtquerschnittes mindestens 100 mm dick
Hauptleitung: Schacht = Hauptleitung
  • Querschnitt ohne Begrenzung, unter Beachtung des zulässigen Schachtquerschnittes,
  • Stahlblech
Querschnitt maximal 1000 cm2 ,

Stahlblech

Absperrvorrichtung:
  • Im Wesentlichen aus nichtbrennbaren Baustoffen,
  • Querschnitt maximal 350 cm2
Im Wesentlichen aus nicht brennbaren Baustoffen,

Querschnitt maximal 350 cm2

brennbare Baustoffe auch für wesentliche Teile der Absperrvorrichtung zulässig,

Querschnitt maximal 350 cm2

Anschlussleitung: -
  • aus nichtbrennbaren Baustoffen
aus nichtbrennbaren Baustoffen
Weitere Installationen
  • nicht zulässig
nicht zulässig nur aus nichtbrennbaren Baustoffen

und

nur für nichtbrennbare Medien

1) Die Verpflichtungen aus der Richtlinie 98/34/EG des Europäischen Parlaments und des Rates vom 22. Juni 1998 über ein Informationsverfahren auf dem Gebiet der Normen und technischen Vorschriften und der Vorschriften für die Dienste der Informationsgesellschaft (ABl. EG Nr. L 204 S. 37), geändert durch die Richtlinie 98/48/EG des Europäischen Parlaments und des Rates vom 20. Juli 1998 (Abt. EG Nr. L 217 S. 18), sind beachtet worden.

2) DIBt Mitteilungen des Deutschen Instituts für Bautechnik zu den Bauregellisten a und B und Liste C in der jeweils geltenden Fassung

Vertrieb:
Ernst & Sohn, Verlag für Architektur und technische Wissenschaften GmbH & Co. KG, Bühringstr. 10, 13.086 Berlin

Kunden-/Leserservice:
Wiley-VCH Kundenservice für Ernst & Sohn, Boschstr. 12, 69.469 Weinheim (service @ wileyvch.de)

Bauaufsicht: Technische Baubestimmungen;
Richtlinie über brandschutztechnische Anforderungen an Lüftungsanlagen
(LüAR - Lüftungsanlagen-Richtlinie)

Vom 19.Juli 2006
(MBl. Nr. 28 vom 16.08.2006 S. 782)

  1. Aufgrund des § 96 Abs. 1 NBauO i. d. F. vom 10.02.2003 (Nds. GVBl. S. 89), zuletzt geändert durch Artikel 1 des Gesetzes vom 23.06.2005 (Nds. GVBl. S. 208), wird die als Anlage abgedruckte Richtlinie über brandschutztechnische Anforderungen an Lüftungsanlagen als Technische Baubestimmung bekannt gemacht.
  2. Bezüglich der in dieser technischen Baubestimmung genannten Normen, anderen Unterlagen und technischen Anforderungen, die sich auf Produkte bzw. Prüfverfahren beziehen, gilt, dass auch Produkte bzw. Prüfverfahren angewandt werden dürfen, die Normen oder sonstigen Bestimmungen und/oder technischen Vorschriften anderer Vertragsstaaten des Abkommens vom 02.05.1992 über den Europäischen Wirtschaftsraum sowie der Türkei entsprechen, sofern das geforderte Schutzniveau in Bezug auf Sicherheit, Gesundheit und Gebrauchstauglichkeit gleichermaßen dauerhaft erreicht wird.
    Sofern für ein Produkt ein Übereinstimmungsnachweis oder der Nachweis der Verwendbarkeit, z.B. durch eine allgemeine bauaufsichtliche Zulassung oder ein allgemeines bauaufsichtliches Prüfzeugnis, vorgesehen ist, kann von einer Gleichwertigkeit nur ausgegangen werden, wenn für das Produkt der entsprechende Nachweis der Verwendbarkeit und/oder der Übereinstimmungsnachweis vorliegt und das Produkt ein Übereinstimmungszeichen trägt.
  3. Prüfungen, Überwachungen und Zertifizierungen, die von Stellen anderer Vertragsstaaten des Abkommens über den Europäischen Wirtschaftsraum sowie der Türkei erbracht werden, sind ebenfalls anzuerkennen, sofern die Stellen aufgrund ihrer Qualifikation, Integrität, Unparteilichkeit und technischen Ausstattung Gewähr dafür bieten, die Prüfung, Überwachung bzw. Zertifizierung gleichermaßen sachgerecht und aussagekräftig durchzuführen. Diese Voraussetzungen gelten insbesondere als erfüllt, wenn die Stellen nach Artikel 16 der Richtlinie 89/106/EWG des Rates vom 21.12.1988 zur Angleichung der Rechts- und Verwaltungsvorschriften der Mitgliedstaaten über Bauprodukte (ABl. EG Nr. L 40 S. 12) für diesen Zweck zugelassen worden sind.
  4. Die Verpflichtungen aus der Richtlinie 98/34/EG des Europäischen Parlaments und des Rates vom 22.06.1998 über ein Informationsverfahren auf dem Gebiet der Normen und technischen Vorschriften (ABl. EG Nr. L 204 S. 37), geändert durch die Richtlinie 98/48/EG des Europäischen Parlaments und des Rates vom 20.07.1998 (ABl. EG Nr. L 217 S. 18), sind beachtet worden.
ENDE

umwelt-online - Demo-Version


(Stand: 04.07.2022)

Alle vollständigen Texte in der aktuellen Fassung im Jahresabonnement
Nutzungsgebühr: ab 105.- € netto

(derzeit ca. 7200 Titel s.Übersicht - keine Unterteilung in Fachbereiche)

Preise & Bestellung

Die Zugangskennung wird kurzfristig übermittelt

? Fragen ?
Abonnentenzugang/Volltextversion