Für einen individuellen Ausdruck passen Sie bitte die
Einstellungen in der Druckvorschau Ihres Browsers an.
Regelwerk; Bau- und Planungsrecht

Richtlinie über Flächen für die Feuerwehr
- Rheinland-Pfalz -

(Grundlage; Fassung Juli 1998)
(MinBl. Nr. 11 vom 15.08.2000 S. 234/260;aufgehoben)



Nachfolgend geregelt durch siehe =>

Zur Ausführung der §§ 7 und 15 LBauO wird hinsichtlich der Flächen für die Feuerwehr Folgendes bestimmt:

1 Befestigung und Tragfähigkeit

Zu- oder Durchfahrten für die Feuerwehr, Aufstellflächen und Bewegungsflächen sind so zu befestigen, dass sie von Feuerwehrfahrzeugen mit einer Achslast bis zu 100 kN und einem zulässigen Gesamtgewicht bis zu 160 kN befahren werden können.

Zur Tragfähigkeit von Decken, die im Brandfall von Feuerwehrfahrzeugen befahren werden, wird auf Anlage 1.1/1 zu DIN 1055 Blatt 3 der Liste der Technischen Baubestimmungen verwiesen.

2 Zu- oder Durchfahrten

Die lichte Breite der Zu- oder Durchfahrten muss mindestens 3 m, die lichte Höhe mindestens 3,50 m betragen. Die lichte Höhe der Zu- oder Durchfahrten ist senkrecht zur Fahrbahn zu messen. Wird eine Zu- oder Durchfahrt auf einer Länge von mehr als 12 m beidseitig durch Bauteile, wie Wände oder Pfeiler, begrenzt, so muss die lichte Breite mindestens 3,50m betragen. Wände und Decken von Durchfahrten müssen feuerbeständig sein.

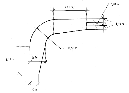
3 Kurven in Zu- oder Durchfahrten (Tabelle, Bild 1)

Der Einsatz der Feuerwehrfahrzeuge wird durch Kurven in Zu- oder Durchfahrten nicht behindert, wenn die in der folgenden Tabelle den Außenradien zugeordneten Mindestbreiten nicht unterschritten werden. Dabei müssen vor und hinter Kurven auf einer Länge von mindestens 11 m Übergangsbereiche vorhanden sein.

Tabelle

Außenradius der Kurve
(in m)
Breite mindestens
(in m)
10,5 bis 12 5,0
über 12 bis 15 4,5
über 15 bis 20 4,0
über 20 bis 40 3,5
über 40 bis 70 3,2
über 70 3,0

Bild 1

4 Fahrspuren

Geradlinig geführte Zu- oder Durchfahrten können außerhalb der Übergangsbereiche (Abschnitte 3 und 13) als Fahrspuren ausgebildet werden. Die beiden befestigten Streifen müssen voneinander einen Abstand von 0,80 m haben und mindestens je 1,10 m breit sein.

5 Neigungen In Zu- oder Durchfahrten

Zu- oder Durchfahrten dürfen längs geneigt sein. Jede Änderung der Fahrbahnneigung ist in Durchfahrten sowie innerhalb eines Abstandes von 8 m vor und hinter Durchfahrten unzulässig. Im Übrigen sind die Übergänge mit einem Radius von mindestens 15 m auszurunden.

6 Stufen und Schwellen

Stufen und Schwellen im Zuge von Zu- oder Durchfahrten dürfen nicht höher als 8 cm sein. Eine Folge von Stufen oder Schwellen im Abstand von weniger als 10 m ist unzulässig. Im Bereich von Übergängen nach Abschnitt 5 dürfen keine Stufen sein.

7 Sperrvorrichtungen

Sperrvorrichtungen (Sperrbalken, Ketten, Sperrpfosten) sind in Zu- oder Durchfahrten zulässig, wenn sie von der Feuerwehr geöffnet werden können (Verschlusseinrichtungen gemäß DIN 14925, ansonsten Vorrichtungen nicht dicker als 5 mm).

8 Aufstellflächen auf dem Grundstück

Aufstellflächen müssen mindestens 3,50 m breit und so angeordnet sein, dass alle zum Anleitern bestimmten Stellen (i. d. R. Fenster nach § 37 Abs. 2 LBauO) von Hubrettungsfahrzeugen erreicht werden können; sie sind zudem ausreichend zu befestigen (zulässige Bodenpressung mindestens 800 kN/m2).

9 Aufstellflächen entlang von Außenwänden
(Bild 2)

Für Aufstellflächen entlang von Außenwänden muss zusätzlich zur Mindestbreite von 3,50 m auf der gebäudeabgewandten Seite ein mindestens 2 m breiter hindernisfreier Geländestreifen vorhanden sein. Die Aufstellflächen müssen mit ihrer der anzuleiternden Außenwand zugekehrten Seite einen Abstand von mindestens 3 m zur Außenwand haben. Der Abstand darf höchstens 9 m und bei Höhen der anleiterbaren Stellen von mehr als 18 m höchstens 6 m betragen. Die Aufstellfläche muss mindestens 8 m über die letzte Anleiterstelle hinausreichen.

Bild 2

10 Aufstellflächen rechtwinklig zu Außenwänden
(Bild 3)

Für rechtwinklig oder annähernd im rechten Winkel auf die anzuleiternde Außenwand zugeführte Aufstellflächen muss zusätzlich zur Mindestbreite von 3,50 m beidseitig ein mindestens 125 m breiter hindernisfreier Geländestreifen vorhanden sein; die Geländestreifen müssen mindestens 11 m lang sein. Die Aufstellflächen dürfen keinen größeren Abstand als 1 m zur Außenwand haben. Die Entfernung zwischen der Außenseite der Aufstellflächen und der Entferntesten seitlichen Begrenzung der zum Anleitern bestimmten Stellen darf 9 m und bei Höhen der anleiterbaren Stellen von mehr als 18 m 6 m nicht überschreiten.

Bild 3

11 Freihalten des Anleiterbereiches

Zwischen der anzuleiternden Außenwand und den Aufstellflächen dürfen sich keine den Einsatz von Hubrettungsfahrzeugen erschwerenden Hindernisse (z.B. bauliche Anlagen oder Bäume) befinden.

12 Neigung von Aufstellflächen

Aufstellflächen dürfen nicht mehr als 5 v. H. geneigt sein.

13 Bewegungsflächen
(Bild 4)

Bewegungsflächen müssen für. jedes Fahrzeug mindestens 7 m x 12 m groß sein. Zufahrten sind keine Bewegungsflächen. Vor und hinter Bewegungsflächen an weiterführenden Zufahrten sind mindestens 4 m lange Übergangsbereiche anzuordnen.

Bild 4

14 Zu- oder Durchgänge

Zu- oder Durchgänge für die Feuerwehr sind geradlinig und mindestens 1,25 m breit auszubilden. Für Türöffnungen und andere geringfügige Einengungen in diesen Zu- oder Durchgängen genügt eine lichte Breite vom 1 m.

ENDE

umwelt-online - Demo-Version


(Stand: 07.08.2023)

Alle vollständigen Texte in der aktuellen Fassung im Jahresabonnement
Nutzungsgebühr: ab 105.- € netto

(derzeit ca. 7200 Titel s.Übersicht - keine Unterteilung in Fachbereiche)

Preise & Bestellung

Die Zugangskennung wird kurzfristig übermittelt

? Fragen ?
Abonnentenzugang/Volltextversion