Für einen individuellen Ausdruck passen Sie bitte die
Einstellungen in der Druckvorschau Ihres Browsers an.
Regelwerk

LüAR - Lüftungsanlagenrichtlinie
Richtlinie über brandschutztechnische Anforderungen an Lüftungsanlagen

- Rheinland-Pfalz -

Fassung Oktober 2005
(MBl. Nr. 14 vom 12.12.2006 S. 209aufgehoben)


Zur aktuellen Fassung

1 Geltungsbereich

Diese Richtlinie gilt für den Brandschutz von Lüftungsanlagen, an die Anforderungen nach § 40 LBauO gestellt werden.

Sie gilt nicht für mit Luft arbeitende Transportanlagen (z.B. Späneabsaugung, Rohrpostanlagen).

Die erforderlichen Verwendbarkeitsnachweise für Bauprodukte oder Anwendbarkeitsnachweise für Bauarten, die zur Errichtung von Lüftungsanlagen verwendet werden, richten sich nach den Regelungen der §§ 18 ff. LBauO i. V. m. den Bauregellisten, die vom Deutschen Institut für Bautechnik (DIBt) veröffentlicht werden, in der jeweils geltenden Fassung. Die Zuordnung gleichwertiger europäischer Klassifizierungen zu den nationalen Anforderungen an die Feuerwiderstandsfähigkeit ist in den Bauregellisten bestimmt.

2 Begriffe

Lüftungsanlagen i. S. dieser Richtlinie sind auch Klimaanlagen, raumlufttechnische Anlagen und Warmluftheizungen.

Lüftungsanlagen bestehen aus Lüftungsleitungen und allen zu ihrer Funktion erforderlichen Bauteilen und Einrichtungen.

Lüftungsleitungen bestehen aus allen von Luft durchströmten Bauteilen, wie Lüftungsrohren, -formstücken, -schächten und -kanälen, Schalldämpfern, Ventilatoren, Luftaufbereitungseinrichtungen, Absperrvorrichtungen gegen die Übertragung von Feuer und Rauch (Brandschutzklappen) und Absperrvorrichtungen gegen Rauchübertragung (Rauchschutzklappen) sowie aus ihren Verbindungen, Befestigungen, Dämmschichten, brandschutztechnischen Ummantelungen, Dampfsperren, Folien, Beschichtungen und Bekleidungen.

3 Anforderungen an das Brandverhalten von Baustoffen

3.1 Grundlegende Anforderungen

Gemäß § 40 Abs. 2 Satz 1 LBauO müssen Lüftungsleitungen sowie deren Bekleidungen und Dämmstoffe aus nicht brennbaren Baustoffen bestehen. Brennbare Baustoffe können zugelassen werden, wenn der Brandschutz gewährleistet ist (vgl. Abschnitt 3.2).

Bei der Kombination von Baustoffen ist auf die Verbundwirkung gemäß den Hinweisen in den Verwendbarkeitsnachweisen zu achten.

3.2 Verwendung brennbarer Baustoffe

3.2.1 Lüftungsleitungen

Die Verwendung schwer entflammbarer Baustoffe ist zulässig für

  1. Lüftungsleitungen, die nicht durch Bauteile hindurchgeführt werden, für die eine Feuerwiderstandsfähigkeit aus Gründen des Raumabschlusses vorgeschrieben ist,
  2. Lüftungsleitungen mit Brandschutzklappen am Durchtritt durch Bauteile, für die eine Feuerwiderstandsfähigkeit aus Gründen des Raumabschlusses vorgeschrieben ist; die Brandschutzklappen müssen mindestens feuerhemmend sein; die höheren Anforderungen an die Feuerwiderstandsfähigkeit aufgrund der Abschnitte 4 bis 6 bleiben unberührt oder
  3. Lüftungsleitungen, die mindestens feuerhemmend sind (schwer entflammbare Baustoffe jedoch nur für die innere Schale) sowie für Lüftungsleitungen, die in einem mindestens feuerhemmenden Schacht verlegt sind; die höheren Anforderungen an die Feuerwiderstandsfähigkeit aufgrund der Abschnitte 4 bis 6 bleiben unberührt.

Abweichend von Satz 1 Nr. 1) und 2) sind brennbare Baustoffe nicht zulässig für Lüftungsleitungen

  1. in notwendigen Treppenräumen, in Räumen zwischen den notwendigen Treppenräumen und den Ausgängen ins Freie, in notwendigen Fluren, es sei denn, diese Leitungen sind mindestens feuerhemmend, oder
  2. über Unterdecken, die tragende Bauteile brandschutztechnisch schützen müssen.

Abweichend von Satz 1 Nr. 1) bis 3) sind brennbare Baustoffe nicht zulässig für Lüftungsleitungen, in denen

  1. Luft mit Temperaturen von mehr als 85 °C gefördert wird oder
  2. sich im besonderen Maße brennbare Stoffe ablagern können (z.B. Abluftleitungen für gewerbliche Küchen, Raumlüftungsanlagen in holzverarbeitenden Betrieben).

3.2.2 Beschichtungen und Bekleidungen sowie Dämmschichten

Für Dämmschichten, Dampfsperren, Folien, Beschichtungen und Bekleidungen für Lüftungsleitungen gilt Abschnitt 3.2.1 sinngemäß. Anstelle schwer entflammbarer Baustoffe dürfen für Dampfsperren, Folien und Beschichtungen mit einer Dicke von nicht mehr als 0,5 mm Baustoffe verwendet werden, die im eingebauten Zustand normalentflammbar sind.

Aus brennbaren Baustoffen bestehende Dampfsperren, Folien und Beschichtungen mit einer Dicke von nicht mehr als 0,5 mm dürfen durch Bauteile, für die eine Feuerwiderstandsfähigkeit aus Gründen des Raumabschlusses vorgeschrieben ist, hindurchgeführt werden.

3.2.3 Lokal begrenzte und kleine Bauteile von Lüftungsanlagen

Für lokal begrenzte Bauteile, wie in Einrichtungen zur Förderung und Aufbereitung der Luft und zur Regelung der Lüftungsanlage sowie für kleine Teile, wie Bedienungsgriffe, Dichtungen, Lager, Messeinrichtungen dürfen brennbare Baustoffe verwendet werden.

Dies gilt auch für elektrische und pneumatische Leitungen, soweit sie außerhalb von Lüftungsleitungen liegen und den zur Lüftungsanlage gehörenden Einrichtungen in Lüftungsleitungen von außen auf kürzestem Wege zugeführt sind.

Ein- und Auslässe von Lüftungsleitungen dürfen aus brennbaren Baustoffen bestehen.

3.2.4 Übrige Bauteile und Einrichtungen von Lüftungsanlagen

Für die übrigen Bauteile und Einrichtungen dürfen brennbare Baustoffe nur nach Maßgabe der Anforderungen der nachfolgenden Abschnitte 5.2.3, 6.2 und 6.4.4 sowie der entsprechenden schematischen Darstellungen verwendet werden.

4 Anforderungen an die Feuerwiderstandsfähigkeit von Lüftungsleitungen und Absperrvorrichtungen von Lüftungsanlagen

Die Anforderungen des § 40 Abs. 2 Satz 2 LBauO gelten als erfüllt, wenn die Anforderungen der folgenden Abschnitte 5 bis 8 eingehalten werden und die Lüftungsanlagen entsprechend den schematischen Darstellungen der Bilder 1 bis 6 nach Maßgabe der Bildunterschriften ausgebildet werden.

Dabei gilt, dass die Feuerwiderstandsfähigkeit der Brandschutzklappen der vorgeschriebenen Feuerwiderstandsfähigkeit der Bauteile, die von den Lüftungsleitungen durchdrungen werden, entsprechen muss (in Bauteilen der Feuerwiderstandsklasse F 30 Klappen der Klassifizierung K 30, in Bauteilen F 60 Klappen K 60 und in Bauteilen F 90 Klappen K 90) oder die Feuerwiderstandsfähigkeit der Lüftungsleitungen bei erforderlicher Ausführung in feuerwiderstandsfähiger Bauart der höchsten vorgeschriebenen Feuerwiderstandsfähigkeit der von ihnen durchdrungenen raumabschließenden Bauteile entsprechen muss.

In notwendigen Fluren mit feuerhemmenden Wänden genügen anstelle von feuerhemmenden Lüftungsleitungen Lüftungsleitungen aus Stahlblech, ohne Öffnungen, mit Abhängern aus Stahl (vgl. Bild 3.1 und Bild 3.2).

5 Anforderungen an die Installation von Lüftungsleitungen

5.1 Auswahl und Anordnung der Bauteile

5.1.1 Lüftungsleitungen mit erhöhter Brand-, Explosion- oder Verschmutzungsgefahr

Lüftungsleitungen, in denen sich in besonderem Maße brennbare Stoffe ablagern können (z.B. Abluftleitungen von Dunstabzugshauben in Wohnungsküchen) oder die der Lüftung von Räumen mit erhöhter Brand- oder Explosionsgefahr dienen, dürfen untereinander und mit anderen Lüftungsleitungen nicht verbunden sein, es sei denn, die Übertragung von Feuer und Rauch ist durch geeignete Brandschutzklappen verhindert.

Abluftleitungen aus Stahlblech von Dunstabzugshauben in Wohnungsküchen dürfen gemeinsam in einem feuerwiderstandsfähigen Schacht (Feuerwiderstandsfähigkeit gemäß Abschnitt 4) verlegt sein; die Schächte dürfen keine anderen Leitungen enthalten.

5.1.2 Mündungen von Außenluft- und Fortluftleitungen

Außenluft- und Fortluftöffnungen (Mündungen) von Lüftungsleitungen, aus denen Brandgase ins Freie gelangen können, müssen so angeordnet oder ausgebildet sein, dass durch sie Feuer oder Rauch nicht in andere Geschosse, Brandabschnitte, Nutzungseinheiten, notwendige Treppenräume, Räumen zwischen den notwendigen Treppenräumen und den Ausgängen ins Freie oder notwendige Flure übertragen werden können. Dies gilt durch Einhaltung einer der folgenden Anforderungen als erfüllt:

  1. Mündungen müssen von Fenstern, anderen Außenwandöffnungen und von Außenwänden mit brennbaren Baustoffen und entsprechenden Verkleidungen mindestens 2,5 m entfernt sein; dies gilt nicht für Holzlattungen hinterlüfteter Fassaden.
    Ein Abstand zu Fenstern und anderen ähnlichen Öffnungen in Wänden ist nicht erforderlich, wenn diese Öffnungen gegenüber der Mündung durch 1,5 m auskragende, feuerwiderstandsfähige (entsprechend den Decken) und öffnungslose Bauteile aus nicht brennbaren Baustoffen geschützt sind.
    Die Mündungen von Lüftungsleitungen über Dach müssen Bauteile aus brennbaren Baustoffen mindestens 1 m überragen oder von diesen - waagerecht gemessen - 1,5 m entfernt sein. Diese Abstände sind nicht erforderlich, wenn diese Baustoffe von den Außenflächen der Lüftungsleitungen bis zu einem Abstand von mindestens 1,5 m gegen Brandgefahr geschützt sind (z.B. durch eine mindestens 5 cm dicke Bekiesung oder durch mindestens 3 cm dicke, fugendicht verlegte Betonplatten).
  2. Die Mündungen von Lüftungsleitungen sind durch Brandschutzklappen gesichert.

5.1.3 Zuluftanlagen

Über Zuluftanlagen darf kein Rauch in das Gebäude übertragen werden.

Die Übertragung von Rauch über die Außenluft ist durch Brandschutzklappen mit Rauchauslöseeinrichtungen oder durch Rauchschutzklappen zu verhindern.

Auf die Anordnung der Klappen kann verzichtet werden, wenn das Ansaugen von Rauch aufgrund der Lage der Außenluftöffnung ausgeschlossen werden kann.

5.1.4 Umluftanlagen

Bei Lüftungsanlagen mit Umluft muss die Zuluft gegen Eintritt von Rauch aus der Abluft durch Brandschutzklappen mit Rauchauslöseeinrichtungen oder durch Rauchschutzklappen geschützt sein.

Die Rauchauslöseeinrichtungen hierzu können in der Umluftleitung oder in der Abluftleitung angeordnet sein. Sie können jedoch auch in der Zuluftleitung nach Zusammenführung von Außenluft und Umluft angeordnet sein, wenn hierdurch gleichzeitig die Außenluftansaugung gegen Raucheintritt gesichert werden soll.

Die Anordnung der Rauchauslöseeinrichtungen darf deren Wirksamkeit durch Verdünnungseffekte nicht beeinträchtigen.

Bei Ansprechen der Rauchauslöseeinrichtungen müssen die Ventilatoren abgeschaltet werden, soweit der Weiterbetrieb nicht der Rauchausbreitung entgegenwirkt.

5.1.5 Lüftungsleitungen und andere Installationen

Im luftführenden Querschnitt von Lüftungsleitungen dürfen nur Einrichtungen von Lüftungsanlagen und zugehörigen Leitungen vorhanden sein. Diese Leitungen dürfen keine brennbaren oder toxischen Stoffe (z.B. Brennstoffe, organische Wärmeträger oder Flüssigkeiten für hydraulische Systeme) und keine Stoffe mit Temperaturen von mehr als 110 °C führen; zulässig sind jedoch Leitungen, die Lufterhitzern von außen Wärmeträger mit höheren Temperaturen auf dem kürzesten Wege zuführen.

In Schächten und Kanälen der Feuerwiderstandsklasse L 30/60/90 gemäß DIN 4102-4:1994-03, Abschnitte 8.5.1 bis 8.5.6 dürfen neben den Lüftungsleitungen auch Leitungen für Wasser, Abwasser und Wasserdampf bis 110 °C sowie für Druckluft verlegt werden, wenn sie einschließlich eventuell vorhandener Dämmschichten aus nicht brennbaren Baustoffen bestehen. Zwischen Schacht und Lüftungszentrale ist keine brandschutztechnische Abtrennung notwendig (s. Bild 1.2, Anordnung 2).

Darüber hinaus sind in Schächten und Kanälen, deren Wände der Feuerwiderstandsklasse F 30/60/90 (Feuerwiderstandsfähigkeit gemäß Abschnitt 4) entsprechen und deren Öffnungen in diesen Wänden dichte Verschlüsse (z.B. mit umlaufendem Anschlag) mit derselben Feuerwiderstandsfähigkeit wie die Wände haben, neben den Lüftungsleitungen auch andere (z.B. brennbare) Installationen zulässig, wenn alle ein- und ausführenden Lüftungsleitungen an den Durchtrittsstellen (auch zur Lüftungszentrale) durch Brandschutzklappen K 30/60/90 (Feuerwiderstandsfähigkeit gemäß Abschnitt 4), (ohne Zusatzkennzeichnung für eine einschränkende Verwendung) gesichert sind (s. Bild 1.2, Anordnung 1).

Die Notwendigkeit brandschutztechnischer Maßnahmen für diese anderen Installationen bleibt unberührt.

5.2 Verlegung von Lüftungsleitungen

5.2.1 Alle Leitungsabschnitte

5.2.1.1 Begrenzung von Kräften

Lüftungsleitungen sind so zu führen oder herzustellen, dass sie infolge ihrer Erwärmung durch Brandeinwirkung keine erheblichen Kräfte auf tragende oder feuerwiderstandsfähige Wände und Stützen ausüben können.

Dies ist erfüllt, wenn ausreichende Dehnungsmöglichkeiten, bei Lüftungsleitungen aus Stahl ca. 10 mm pro lfd. Meter Leitungslänge, vorhanden sind.

Bei anderen Baustoffen der Lüftungsleitungen, wie hochlegierten Stählen und Nichteisenmetallen, ist deren Längenausdehnungskoeffizient zu berücksichtigen.

Bei zweiseitig fester Einspannung der Leitungen ist Satz 1 erfüllt, wenn:

  1. der Abstand zwischen zwei Einspannstellen nicht mehr als 5 m beträgt,
  2. die Leitungen so ausgeführt werden, dass sie keine erhebliche Längssteifigkeit besitzen (z.B. Spiralfalzrohre mit Steckstutzen bis 250 mm Durchmesser oder Flexrohre),
  3. durch Winkel und Verziehungen in den Lüftungsleitungen auftretende Längenänderungen durch Leitungsverformungen (z.B. Ausknickungen) aufgenommen werden (s. Bild 5) oder
  4. Kompensatoren (z.B. Segeltuchstutzen) verwendet werden (Reaktionskraft < 1 kN).

5.2.1.2 Durchführung durch feuerwiderstandsfähige, raumabschließende Bauteile

Leitungsabschnitte, die brandschutztechnisch zu trennende Abschnitte überbrücken, sind in der höchsten vorgeschriebenen Feuerwiderstandsfähigkeit der durchdrungenen raumabschließenden Bauteile auszuführen; andernfalls sind Absperrvorrichtungen in den Bauteilen vorzusehen (Schematische Darstellungen 1.1 (Bild 1.1 bis Bild 1.4) und 1.2).

Absperrvorrichtungen dürfen außerhalb dieser Bauteile nur installiert werden, wenn der Verwendbarkeitsnachweis dies zulässt.

Soweit Lüftungsleitungen ohne Brandschutzklappen durch raumabschließende Bauteile, für die eine Feuerwiderstandsfähigkeit vorgeschrieben ist, hindurchgeführt werden dürfen, sind die verbleibenden Öffnungsquerschnitte mit geeigneten nicht brennbaren mineralischen Baustoffen dicht und in der Dicke dieser Bauteile zu verschließen. Ohne weiteren Nachweis gelten Stopfungen aus Mineralfasern mit einem Schmelzpunkt> 1000 °C bis zu einer Spaltbreite des verbleibenden Öffnungsquerschnittes von höchstens 50 mm als geeignet. Durch weitere Installationen darf die Stopfung nicht gemindert werden.

Bei feuerwiderstandsfähigen Lüftungsleitungen muss die Feuerwiderstandsfähigkeit der Leitungen auch in den feuerwiderstandsfähigen, raumabschließenden Bauteilen gegeben sein.

5.2.1.3 Abstände zu brennbaren Baustoffen

Leitungsabschnitte, deren äußere Oberflächen im Betrieb Temperaturen von mehr als 85 °C erreichen können, müssen von flächig angrenzenden, ungeschützten Bauteilen mit brennbaren Baustoffen einen Abstand von mindestens 40 cm einhalten.

5.2.2 Leitungsabschnitte, die feuerwiderstandsfähig sein müssen

Feuerwiderstandsfähige Leitungsabschnitte müssen an Bauteilen mit entsprechender Feuerwiderstandsfähigkeit befestigt sein.

5.2.3 Leitungen im Freien

Leitungsabschnitte im Freien, die von Brandgasen durchströmt werden können, müssen

  1. feuerwiderstandsfähig sein gemäß Abschnitt 4 Satz 2 zweiter Halbsatz oder
  2. aus Leitungsbauteilen aus Stahlblech bestehen, wenn ein Abstand von mindestens 40 cm zu Bauteilen aus brennbaren Baustoffen eingehalten ist; der Abstand braucht nur 20 cm zu betragen, wenn die brennbaren Baustoffe durch eine mindestens 2 cm dicke Schicht aus mineralischen, nicht brennbaren Baustoffen gegen Entflammen geschützt sind.

Abweichend davon dürfen auf Flachdächern Leitungsabschnitte, die im Brandfall von Brandgasen durchströmt werden, aus schwer entflammbaren Baustoffen ausgeführt werden, wenn

  1. sie gegen Herabfallen, auch im Hinblick auf den Brandfall, gesichert sind,
  2. der Abstand von Bauteilen aus brennbaren Baustoffen mindestens 1,5 m beträgt, sofern nicht diese Baustoffe bis zu diesem Abstand gegen Entflammen geschützt sind und
  3. die Dachoberfläche aus brennbaren Baustoffen unterhalb des Leitungsabschnittes in einer Breite von jeweils 1,5 m - bezogen auf die Außenkante - gegen Entflammen geschützt ist (z.B. durch eine mindestens 5 cm dicke Bekiesung oder durch mindestens 3 cm dicke, fugendicht verlegte Betonplatten).

5.2.4 Lüftungsleitungen oberhalb von Unterdecken

Werden Lüftungsleitungen oberhalb von Unterdecken, für die als selbstständiges Bauteil eine Feuerwiderstandsfähigkeit gefordert wird, verlegt, so sind diese Lüftungsleitungen so zu befestigen, dass sie auch im Brandfall nicht herabfallen können (s. DIN 4102-4:1994-03, Abschnitt 8.5.7.5).

5.2.5 Brandschutz im Dachraum

Führen Lüftungsleitungen durch einen Dachraum, müssen bei der Durchdringung einer Decke, die feuerwiderstandsfähig sein muss, zwischen oberstem Geschoss und Dachraum

  1. Absperrvorrichtungen eingesetzt werden (Bild 2.1),
  2. die Teile der Lüftungsanlage im Dachraum mit einer feuerwiderstandsfähigen Umkleidung (bei Leitungen, die ins Freie führen, bis über die Dachhaut) versehen werden oder
  3. die Lüftungsleitungen selbst feuerwiderstandsfähig ausgebildet sein

6 Einrichtungen zur Luftaufbereitung und Lüftungszentralen

6.1 Lufterhitzer

Bei Lufterhitzern, deren Heizflächentemperaturen mehr als 160 °C erreichen können, muss ein Sicherheitstemperaturbegrenzer im Abstand von 50 cm bis 100 cm in Strömungsrichtung hinter dem Lufterhitzer in die Lüftungsleitung eingebaut werden, der den Lufterhitzer bei Erreichen einer Lufttemperatur von 110 °C selbsttätig abschaltet.

Bei direkt befeuerten Lufterhitzern muss zusätzlich ein Strömungswächter vorhanden sein, der beim Nachlassen oder Ausbleiben des Luftstroms die Beheizung selbsttätig abschaltet, es sei denn, dass die Anordnung des Sicherheitstemperaturbegrenzers auch in diesen Fällen die rechtzeitige Abschaltung der Beheizung gewährleistet.

6.2 Filtermedien, Kontaktbefeuchter und Tropfenabscheider

Bei Filtermedien, Kontaktbefeuchtern und Tropfenabscheidern aus brennbaren Baustoffen muss durch ein im Luftstrom nachgeschaltetes engmaschiges Gitter oder durch eine geeignete nachgeschaltete Luftaufbereitungseinrichtung aus nicht brennbaren Baustoffen sichergestellt sein, dass brennende Teile nicht vom Luftstrom mitgeführt werden können.

6.3 Wärmerückgewinnungsanlagen

Bei Wärmerückgewinnungsanlagen ist die Brandübertragung zwischen Abluft und Zuluft durch installationstechnische Maßnahmen (z.B. getrennter Wärmeaustausch über Wärmeträger bei Zu- und Abluftleitungen, Schutz der Zuluftleitung durch Brandschutzklappen mit Rauchauslöseeinrichtungen oder durch Rauchschutzklappen) oder andere geeignete Vorkehrungen auszuschließen.

6.4 Lüftungszentralen für Ventilatoren und Luftaufbereitungseinrichtungen

6.4.1 Grundlegende Anforderung

Innerhalb von Gebäuden müssen Ventilatoren und Luftaufbereitungseinrichtungen in besonderen Räumen (Lüftungszentralen) aufgestellt werden, wenn an die Ventilatoren oder Luftaufbereitungseinrichtungen in Strömungsrichtung anschließende Leitungen in mehrere Geschosse (ausgenommen Gebäude der Gebäudeklasse 3) oder Brandabschnitte führen.

Diese Räume können selbst luftdurchströmt sein (Kammerbauweise). Die Lüftungszentralen dürfen nicht anderweitig genutzt werden.

6.4.2 Bauteile, Fußböden und Öffnungen der Lüftungszentralen

Tragende, aussteifende und raumabschließende (Bauteile zu anderen Räumen müssen der höchsten notwendigen Feuerwiderstandsfähigkeit der Decken und Wände entsprechen, durch die Lüftungsleitungen von der Lüftungszentrale aus hindurchgeführt werden; dabei bleiben Kellerdecken unberücksichtigt.

Andere Wände und Decken sowie Fußböden müssen aus nicht brennbaren Baustoffen bestehen oder durch mindestens 2 cm dicke Schichten aus mineralischen, nicht brennbaren Baustoffen gegen Entflammen geschützt sein.

Öffnungen in den Wänden zu anderen Räumen müssen durch mindestens feuerhemmende dicht- und selbstschließende Abschlüsse geschützt sein; die Abschlüsse zu notwendigen Treppenräumen müssen zusätzlich rauchdicht sein.

Lüftungszentralen dürfen keine Öffnungen zu Aufenthaltsräumen haben.

6.4.3 Ausgänge von Lüftungszentralen

Von jeder Stelle der Lüftungszentrale muss in höchstens 35 m Entfernung ein Ausgang zu einem Flur in der Bauart notwendiger Flure, zu Treppenräumen in der Bauart notwendiger Treppenräume oder unmittelbar ins Freie erreichbar sein.

6.4.4 Lüftungsleitungen in Lüftungszentralen

Lüftungsleitungen in Lüftungszentralen müssen

  1. aus Stahlblech (nicht mit brennbaren Dämmschichten) hergestellt sein,
  2. der Feuerwiderstandsfähigkeit der Decken und Wände der Lüftungszentrale zu anderen Räumen entsprechen oder
  3. am Ein- und Austritt der Lüftungszentrale (ausgenommen Fortluft- oder Außenluftleitungen, die unmittelbar ins Freie führen) Brandschutzklappen mit einer Feuerwiderstandsfähigkeit entsprechend Abschnitt 6.4.2 Satz 1 haben; die Brandschutzklappen müssen mit Rauchauslöseeinrichtungen ausgestattet sein.

Die Verwendung von Lüftungsleitungen aus schwer entflammbaren Baustoffen in Lüftungszentralen ist ohne Einhaltung der Anforderungen nach Satz 1 Nr. 2 und 3 zulässig, wenn (s. auch Bild 4):

  1. die Lüftungszentrale im obersten Geschoss liegt,
  2. die Lüftungszentrale im Dach eine selbsttätig öffnende, durch Rauchmelder in der Lüftungszentrale auslösende Rauchabzugseinrichtung hat; deren freier Querschnitt mindestens das 2,5-fache des lichten Querschnitts der größten in die Lüftungszentrale eingeführten Abluftleitung haben muss,
  3. die Lüftungsleitungen durch das Dach der Lüftungszentrale unmittelbar ins Freie geführt werden und
  4. in der Lüftungszentrale Bauteile von Lüftungsleitungen aus brennbaren Baustoffen gegenüber entsprechenden Bauteilen anderer Lüftungsleitungen gegen Entflammen geschützt sind entweder durch
    1. einen Abstand von mindestens 40 cm zwischen den entsprechenden Bauteilen beider Leitungen
    2. einen mindestens 2 cm dicken Strahlungsschutz aus mineralischen nicht brennbaren Baustoffen dazwischen oder
    3. andere mindestens gleich gut schützende Bauteile.

7 Besondere Bestimmungen für Lüftungsanlagen nach DIN 18017-3:1990-08

In Lüftungsanlagen nach DIN 18017-3:1990-08 dürfen Absperrvorrichtungen gegen Brandübertragung der Feuerwiderstandsklassen K 30/K 60/K 90-18017 verwendet werden (s. Bilder 6.1 und 6.2), um im Zusammenwirken mit den Bauteilen der Lüftungsanlagen nach DIN 18017-3:1990-08 zu verhindern, dass Feuer und Rauch in andere Geschosse übertragen werden. Die Absperrvorrichtungen sind zur Verhinderung einer Brandübertragung innerhalb von Geschossen nicht zulässig (z.B. bei der Überbrückung von Flur- oder Trennwänden).

Die Absperrvorrichtungen dürfen über den Anwendungsbereich von DIN 18017-3:1990-08 hinaus auch für Abluftanlagen von Toiletten und Bädern in nicht zu Wohnzwecken genutzten Gebäuden sowie nach Maßgabe bauaufsichtlicher Verwendbarkeits- oder Anwendbarkeitsnachweise in Anlagen zur Entlüftung innenliegender Wohnungsküchen und Kochnischen verwendet werden.

Die Absperrvorrichtungen und zugehörige Lüftungsleitungen müssen über die Bestimmungen der jeweiligen Verwendbarkeits- oder Anwendbarkeitsnachweise hinaus im Übrigen folgenden Anforderungen entsprechen:

  1. Vertikale feuerwiderstandsfähige Lüftungsleitungen (Hauptleitungen) müssen aus nicht brennbaren Baustoffen bestehen und eine Feuerwiderstandsklasse haben (L 30/L 60/L 90 oder F 30/F 60/F 90 oder europäisch hierzu gleichwertige Klassifizierung), die der Feuerwiderstandsfähigkeit der durchdrungenen Decken entspricht.
  2. Schächte für Lüftungsleitungen müssen aus nicht brennbaren Baustoffen bestehen und eine Feuerwiderstandsklasse haben (L 30/L 60/L 90 oder F 30/F 60/ F 90 oder europäisch hierzu gleichwertige Klassifizierung), die der Feuerwiderstandsfähigkeit der durchdrungenen Decken entspricht.
  3. Hauptleitungen im Innern von feuerwiderstandsfähigen Schächten sowie gegebenenfalls außerhalb der Schächte liegende Anschlussleitungen zwischen Absperrvorrichtung und luftführender Hauptleitung müssen aus Stahlblech bestehen. Die Anschlussleitungen zwischen Schachtwandung und außerhalb des Schachtes angeordneten Absperrvorrichtungen dürfen jeweils nicht länger als 6 m sein; die Anschlussleitungen dürfen keine Bauteile mit geforderter Feuerwiderstandsfähigkeit überbrücken. Anschlussleitungen innerhalb von Schächten müssen aus nicht brennbaren Baustoffen bestehen.
  4. der Querschnitt der Absperrvorrichtungen (Anschlussquerschnitt) darf maximal 350 cm2 betragen.

Luftführende Hauptleitungen dürfen einen maximalen Querschnitt von 1.000 cm2 nicht überschreiten. Sie dürfen

  1. als feuerwiderstandsfähige Lüftungsleitungen oder als feuerwiderstandsfähiger Schacht ausgebildet werden; innerhalb dieser luftführenden Hauptleitung dürfen keine Installationen verlegt sein und die Absperrvorrichtungen müssen im Wesentlichen aus nicht brennbaren Baustoffen bestehen (Bild 6.2.1),
  2. in einem feuerwiderstandsfähigen Schacht bis 1.000 cm2 Querschnitt verlegt werden; die Absperrvorrichtung muss im Wesentlichen aus nicht brennbaren Baustoffen bestehen; weitere Installationen im Schacht sind unzulässig (Bild 6.2.2); oder
  3. in einem feuerwiderstandsfähigen Schacht größer als 1.000 cm2Querschnitt verlegt werden, wenn der Restquerschnitt zwischen Schacht und luftführender Hauptleitung mit einem mindestens 100 mm dicken Mörtelverguss in der Ebene der jeweiligen Geschossdecke vollständig verschlossen ist; weitere Installationen sind nur aus nicht brennbaren Baustoffen für nicht brennbare Medien zulässig (Bild 6.2.3.). Die Notwendigkeit brandschutztechnischer Maßnahmen für diese weiteren Installationen bleibt unberührt.

Der Anschluss von Dunstabzugshauben an Lüftungsanlagen mit Absperrvorrichtungen der Feuerwiderstandsklassen K 30/K 60/K 90-18017 darf nur entsprechend den Bestimmungen der Verwendbarkeits- oder Anwendbarkeitsnachweise für die Absperrvorrichtungen erfolgen. Diese Absperrvorrichtungen können ferner in Anlagen der Bauart nach DIN 18017-3:1990-08 verwendet werden, bei denen die Zuluft über Leitungen herangeführt wird, wie auch in diesen Zuluftleitungen selbst.

8 Abluftleitungen von gewerblichen oder vergleichbaren Küchen, ausgenommen Kaltküchen

8.1 Baustoffe und Feuerwiderstandsfähigkeit der Abluftleitungen

Abluftleitungen müssen aus nicht brennbaren Baustoffen bestehen. Sie müssen vom Austritt aus der Küche an mindestens die Feuerwiderstandsklasse L 90 oder eine europäisch hierzu gleichwertige Klassifizierung aufweisen, sofern die Ausbreitung von Feuer und Rauch nicht auf andere Weise, z.B. durch Absperrvorrichtungen, für die ein bauaufsichtlicher Verwendbarkeitsnachweis für diesen Zweck vorliegt, verhindert wird.

Für Leitungsabschnitte im Freien gilt Abschnitt 5.2.3 sinngemäß.

8.2 Ventilatoren

Ventilatoren müssen so ausgeführt und eingebaut sein, dass sie leicht zugänglich sind und leicht kontrolliert und gereinigt werden können. Sie müssen von der Küche aus abgeschaltet werden können. Die Antriebsmotoren müssen sich außerhalb des Abluftstromes befinden.

8.3 Fettdichtheit der Abluftleitungen

Durch die Wandungen der Abluftleitungen darf weder Fett noch Kondensat austreten können. Lüftungsleitungen aus Blech mit gelöteten, geschweißten oder mittels dauerelastischem und gegen chemische und mechanische Beanspruchung unempfindlichem Dichtungsmaterial hergestellten Verbindungsstellen können als fettdicht angesehen werden.

8.4 Vermeidung von Verschmutzungen; Reinigungsöffnungen

Innerhalb einer Küche kann die Abluft mehrerer Abzugseinrichtungen zusammengeführt und über eine Lüftungsleitung aus der Küche abgeführt werden.

In oder unmittelbar hinter Abzugseinrichtungen, wie Hauben oder Lüftungsdecken, sind geeignete Fettfilter oder andere geeignete Fettabscheideeinrichtungen anzuordnen. Filter und Abscheider müssen einschließlich ihrer Befestigungen aus nicht brennbaren Baustoffen bestehen. Filter müssen leicht ein- und ausgebaut werden können. Die innere Oberfläche der Abluftleitungen muss leicht zu reinigen sein. Leitungen mit profilierten Wandungen, wie flexible Rohre, und Leitungen aus porösen oder saugfähigen Baustoffen sind unzulässig.

Die Abluftleitungen müssen an jeder Richtungsänderung, vor und hinter den Absperrvorrichtungen und in ausreichender Anzahl in gerade geführten Leitungsabschnitten Reinigungsöffnungen haben.

Im Bereich der Fettfilter und anderer Fettabscheideeinrichtungen sind Reinigungsöffnungen erforderlich, sofern nicht eine Reinigung dieses Leitungsbereiches von der Abzugseinrichtung aus möglich oder durch technische Maßnahmen eine ausreichende Reinigung sichergestellt ist.

Die Abmessung der Reinigungsöffnungen muss mindestens dem lichten Querschnitt der Abluftleitung entsprechen; es genügt jedoch ein lichter Querschnitt von 3.600 cm2.

Die Abluftleitungen müssen an geeigneter Stelle Einrichtungen zum Auffangen und Ablassen von Kondensat und Reinigungsmittel haben.

9 Gemeinsame Abführung von Küchenabluft und Abgas aus Feuerstätten

9.1 Grundlegende Anforderungen

Nach § 40 Abs. 4 LBauO dürfen Lüftungsanlagen nicht in Abgasanlagen eingeführt werden. Eine gemeinsame Benutzung von Lüftungsleitungen zur Lüftung und zur Ableitung der Abgase von Gasfeuerstätten ist zulässig, wenn die Betriebssicherheit und der Brandschutz gewährleistet sind. Die Abluft ist ins Freie zu führen.

9.2 Küchenabluft und Abgas aus Feuerstätten für gasförmige Brennstoffe

Zulässig i. S. von Abschnitt 9.1 ist die Abführung der Abgase von Küchen-Gasgeräten über die Abzugseinrichtungen und Abluftleitungen der Küchen, sofern hierbei nach der technischen Regel des DVGW "Arbeitsblatt G 634: September 1998 - Installation von Gasgeräten in gewerblichen Küchen in Gebäuden" verfahren wird.

10 Lüftungsanlagen in Sonderbauten

Die Anforderungen der vorstehenden Abschnitte 3 bis 9 entsprechen in der Regel den brandschutztechnischen Erfordernissen für Lüftungsanlagen in Sonderbauten.

Bei Lüftungsanlagen für

  1. Gebäude oder Räume mit großen Menschenansammlungen,
  2. Gebäude oder Räume für kranke oder behinderte Menschen,
  3. Räume mit erhöhter Brand- oder Explosionsgefahr

ist - unter Berücksichtigung der brandschutztechnischen Infrastruktur der Gebäude und der Betriebsart der Lüftungsanlagen wie Stunden- oder Dauerbetrieb - zu prüfen, ob zusätzliche oder andere brandschutztechnische Maßnahmen notwendig werden, z.B. Anordnung zusätzlicher Rauchauslöseeinrichtungen für Brandschutzklappen zur Verhinderung der (Kalt)Rauchübertragurg unter Beachtung von Abschnitt 5.1.4 Satz 4.

11 Bauunterlagen

Mit dem Bauantrag für Gebäude der Gebäudeklassen 3 und 4 sind für die Lüftungsanlagen folgende Unterlagen einzureichen:

Schematische Darstellung entsprechend den Beispiel-Bildern dieser Richtlinie und Beschreibung der Lüftungsanlagen (Betriebsarten, Leitungen, Lüftungszentralen, Absperrvorrichtungen, Rauchauslöseeinrichtungen, Mündungen) mit Angabe der Feuerwiderstands- und Baustoffklasse der Bauteile und Lüftungsleitungsabschnitte.

. Schematische Darstellungen

1 Führung von Lüftungsleitungen durch raumabschließende Bauteile

1.1 Führung vertikaler Lüftungsleitungen durch raumabschließende Decken, an die Anforderungen hinsichtlich der Feuerwiderstandsfähigkeit gestellt werden

Bild 1.1: Schottlösung

Brandschutzklappen an den Durchdringungsstellen der feuerwiderstandsfähigen Decken

 
Lüftungszentrale, kann auch in anderen Geschossen angeordnet sein; Leitungen s. Abschnitt 6.4.4
 - - Leitung ohne Feuerwiderstandsfähigkeit
Zuluft-/Abluftöffnung
Ventilator
Brandschutzklappe
  Für Entlüftungsanlagen nach DIN 18.017-3:1990-08 können unter Beachtung des Abschnittes 7 und der Angabe in den Zulassungsbescheiden Absperrvorrichtungen K30/K60//K90 - 18.017 verwendet werden.

Bild 1.2: Schachtlösung

Brandschutzklappen an den Durchdringungsstellen der feuerwiderstandsfähigen Schachtwände

 
Lüftungszentrale, kann auch in anderen Geschossen angeordnet sein; Leitungen s. Abschnitt 6.4.4
  - - Leitung ohne Feuerwiderstandsfähigkeit
   Zuluft-/Abluftöffnung
Ventilator
  Brandschutzklappe
 

Folgende Anordnungen sind zulässig:

  1. feuerwiderstandsfähiger Schacht aus Wänden der Feuerwiderstandsklasse F30/F60/F90 aus nicht brennbaren Baustoffen z.B. nach DIN 4102 Teil 4 oder
  2. feuerwiderstandsfähiger Schacht gemäß L-Klassifikation oder
  3. selbständige feuerwiderstandsfähige Lüftungsleitung der Klassifikation L30/L60/L90 (Schacht = luftführende Hauptleitung) und jeweils Brandschutzklappen K30/K60/K90 * bei Abzweigen in den Geschossen an den Durchtrittsstellen durch den Schacht bzw. an den Anschlussstellen der Lüftungsleitung.

zu 1) Der Schacht aus F-Bauteilen bildet brandschutztechnisch einen eigenen Abschnitt im Gebäude, in dem auch andere Installationen zulässig sind. Diese Installationen dürfen auch aus brennbaren Baustoffen bestehen oder brennbare Medien führen, wenn alle Ein- und Ausführungen von Lüftungsleitungen (also auch die zur Lüftungszentrale) durch Brandschutzklappen K30/K60/K90 geschützt sind (s. auch Abschnitt 5.1.4). Schacht-Zugangstüren müssen die gleiche Feuerwiderstandsfähigkeit (z.B. T30/T60/T90) wie die Schachtwände erfüllen und zu notwendigen Rettungswegen zudem rauchdicht sein.

zu 2) Der Schacht gemäß L-Klassifikation lässt neben den Lüftungsleitungen nur nicht brennbare Installationen mit nicht brennbaren Medien bis 110 °C zu (s. auch Abschnitt 5.1.5). Zwischen Schacht und Lüftungszentrale ist keine brandschutztechnische Abtrennung notwendig.

zu 3) In feuerwiderstandsfähigen Lüftungsleitungen selbst dürfen nur Einrichtungen von Lüftungsanlagen und zugehörige Leitungen eingebaut werden.

_______

* Für Entlüftungsanlagen nach DIN 18.017-3:1990-08 können unter Beachtung des Abschnitts 7 und der Angaben in den Zulassungsbescheiden für die Lösungen b) und c) Absperrvorrichtungen K30/K60/K90-18.017 verwendet werden.

Bild 1.3: Lüftungsanlagen mit getrennten Haupt- und getrennten Außenluft- oder Fortluftleitungen ohne Absperrvorrichtungen

  Lüftungszentrale, kann auch in anderen Geschossen angeordnet sein; Leitungen s. Abschnitt 6.4.4
- - Leitung ohne Feuerwiderstandsfähigkeit
___ Leitung mit Feuerwiderstandsfähigkeit1
  Zuluft-/Abluftöffnung
Ventilator

_______

1) Die Feuerwiderstandsfähigkeit der Leitungen muss auch in den Durchdringungen der Decken oder Wände gegeben sein.

Bild 1.4: Lüftungsanlagen mit getrennten Hauptleitungen und gemeinsamer Außenluft- oder Fortluftleitung mit Rauchschutzklappe

Lüftungszentrale, kann auch in anderen Geschossen angeordnet sein; Leitungen s. Abschnitt 6.4.4

 - -

___

Leitung ohne Feuerwiderstandsfähigkeit

Leitung mit Feuerwiderstandsfähigkeit1

Zuluft-/Abluftöffnung
Ventilator
  Rauchschutzklappe oder sonstige Vorrichtung, die bei Stillstand des Ventilators selbsttätig schließt

________

1) Die Feuerwiderstandsfähigkeit der Leitungen muss auch in den Durchdringungen der Decken oder Wände gegeben sein.

1.2 Führung horizontaler Lüftungsleitungen durch raumabschließende Wände, an die Anforderungen hinsichtlich der Feuerwiderstandsfähigkeit gestellt werden.

Die in den Bildern 1.1 bis 1.4 dargestellten Lösungen gelten für Lüftungsanlagen, ausgenommen Lüftungsanlagen nach DIN 18.017-3:1990-08, mit horizontal geführten Leitungen, die feuerwiderstandsfähige raumabschließende Wände durchdringen, entsprechend.

Die Bilder 1.1 bis 1.4 sind in diesen Fällen als Horizontalschnitte durch das Gebäude anzuwenden. Die Regelungen der Leitungsdurchführung durch feuerwiderstandsfähige Wände notwendiger Flure sind in den Bildern 3.1 und 3.2 enthalten.

2 Brandschutz im Dachraum

Führen Lüftungsleitungen durch einen Dachraum, müssen bei der Durchdringung einer Decke, die feuerwiderstandsfähig sein muss, zwischen oberstem Geschoss und Dachraum

  1. Absperrvorrichtungen eingesetzt werden (Bild 2.1),
  2. die Teile der Lüftungsanlage im Dachraum mit einer feuerwiderstandsfähigen Umkleidung (bei Leitungen, die ins Freie führen, bis über die Dachhaut) versehen werden oder
  3. die Lüftungsleitungen selbst feuerwiderstandsfähig ausgebildet sein.

Bild 2.1: Schottlösung

  - - Leitung ohne Feuerwiderstandsfähigkeit
  Zuluft-/Abluftöffnung
  Ventilator
  Brandschutzklappe

Bild 2.2: Schachtlösung

   - -  Leitung ohne Feuerwiderstandsfähigkeit
   Ventilator
___
___
feuerwiderstandsfähige Umkleidung
  Zuluft-/Abluftöffnung
 

3 Leitungsführung durch raumabschließende Wände notwendiger Flure, an die Anforderungen hinsichtlich der Feuerwiderstandsfähigkeit gestellt werden

Bild 3.1: notwendiger Flur - unbelüftet

f notwendiger Flur
e von f brandschutztechnisch getrennte Bereiche
 - - Leitung ohne Feuerwiderstandsfähigkeit
 ___ Leitung mit Feuerwiderstandsfähigkeit1; in Fluren mit feuerhemmenden Wänden genügen Stahlblechtleitungen gemäß Abschnitt 4 der Richtlinie
   Zuluft- /Abluftöffnung
Brandschutzklappe
Unterdecke mit entsprechender Feuerwiderstandsfähigkeit bei Beanspruchung von oben und unten; die Unterdecke schließt die Leitung vollständig gegen das Innere des Brandabschnittes bzw. Rettungsweges ab

________

1) Die Feuerwiderstandsfähigkeit der Leitungen muss auch in den Durchdringungen der Decken oder Wände gegeben sein.

Bild 3.2: notwendiger Flur - belüftet

 f notwendiger Flur
e, g, h, j von f und untereinander brandschutztechnisch getrennte Bereiche
  - - Leitung ohne Feuerwiderstandsfähigkeit
  ___ Leitung mit Feuerwiderstandsfähigkeit1; in Fluren mit feuerhemmenden Wänden siehe bei Stahlblechleitungen Abschnitt 4 der Richtlinie
   Zuluft-/Abluftöffnung
  Brandschutzklappe
  Unterdecke mit entsprechender Feuerwiderstandsfähigkeit bei Beanspruchung von oben und unten; die Unterdecke schließt die Leitung vollständig gegen das Innere des Brandabschnittes bzw. Rettungsweges ab
  Brandschutzklappe zum Einbau in feuerwiderstandsfähige Unterdecken

_________

1) Die Feuerwiderstandsfähigkeit der Leitungen muss auch in den Durchdringungen der Decken oder Wände gegeben sein.

4 Abluftanlagen mit Leitungen und Ventilatoren aus brennbaren Baustoffen ohne Absperrvorrichtungen (z.B. für Laborabluft; s. auch Abschnitt 6.4.4)

Bild 4: Lüftungsleitungen nach Abschnitt 6.4.4 Satz 2

___ Leitung mit Feuerwiderstandsfähigkeit1 (feuerwiderstandsfähige Lüftungsleitung mit brennbarer Innenschale)
 - - Leitung ohne Feuerwiderstandsfähigkeit, aus schwerentflammbaren Baustoffen
Abluftöffnung
Ventilator
AH lichter Querschnitt der größten Einzelleitung

_______

1) Die Feuerwiderstandsfähigkeit der Leitungen muss auch in den Durchdringungen der Decken oder Wände gegeben sein.

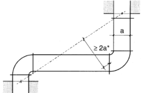
5 Begrenzung der Krafteinleitung durch Lüftungsleitungen in Bauteile des Gebäudes im Brandfall durch Winkel und Verziehungen (s. auch Abschnitt 5.2.1.1)

Bild 5.1: Begrenzung der Krafteinleitung mit Leitungsverziehung

Bild 5.2: Begrenzung der Krafteinleitung mit Bogen

a Kantenlänge des Lüftungskanals oder Durchmesser der Lüftungsleitung
* Es gilt die entfernteste Verbindungsstelle zwischen Bogen und Leitung.

Beispielhafte Darstellung von Winkel und Verziehungen, die in den Lüftungsleitungen auftretende Längenänderungen durch Leitungsverformungen z.B. durch Ausknickungen aufnehmen

6 Besondere Bestimmungen für Lüftungsanlagen nach DIN 18.017-3:1990-08

Bild 6.1: Beispiel für Schottlösung

maximaler Anschlussquerschnitt der Absperrvorrichtungen: 350 cm2

6.2 Schachtlösung für Lüftungsanlagen nach DIN 18.017-3:1990-08


Bild 6.2.1 Bild 6.2.2 Bild 6.2.3
Schacht:
  • F30/F60/F90 oder L30/L60/L90
  • Querschnitt maximal 1000 cm2
  • F30/F60/F90 oder L30/L60/L90
  • Querschnitt maximal 1000 cm2
  • F30/F60/F90 oder L30/L60/L90
  • Querschnitt beliebig, auch > 1000 cm2
  • Mörtelverguss des freien Schachtquerschnittes mindestens 100 mm dick
Hauptleitung: Schacht = Hauptleitung
  • Querschnitt ohne Begrenzung, unter Beachtung des zulässigen Schachtquerschnittes,
  • Stahlblech
  • Querschnitt maximal 1000 cm2,
  • Stahlblech
Absperrvorrichtung:
  • Im Wesentlichen aus nicht brennbaren Baustoffen,
    Querschnitt maximal 350 cm2
  • Im Wesentlichen aus nicht brennbaren Baustoffen,
  • Querschnitt maximal 350 cm2
  • brennbare Baustoffe auch für wesentliche Teile der Absperrvorrichtung zulässig,
  • Querschnitt maximal 350 cm 2
Anschlussleitung: ----
  • aus nicht brennbaren Baustoffen
  • aus nicht brennbaren Baustoffen
Weitere Installationen
  • nicht zulässig
  • nicht zulässig
  • nur aus nicht brennbaren Baustoffen und
  • nur für nicht brennbare Medien


ENDE

umwelt-online - Demo-Version


(Stand: 07.08.2023)

Alle vollständigen Texte in der aktuellen Fassung im Jahresabonnement
Nutzungsgebühr: ab 105.- € netto

(derzeit ca. 7200 Titel s.Übersicht - keine Unterteilung in Fachbereiche)

Preise & Bestellung

Die Zugangskennung wird kurzfristig übermittelt

? Fragen ?
Abonnentenzugang/Volltextversion