![]() |
![]() |
38 Mobilkrane
Geräuschemissionsgrundnorm: EN ISO 3744:1995Betriebsbedingungen während der Prüfung
Aufstellen der Geräte und Maschinen
Wenn der Mobilkran mit Stützarmen ausgerüstet ist, sind diese vollständig auszufahren, und der Mobilkran ist in mittlerer Stützhöhe horizontal auszurichten.
Prüfung unter Last
Der zu prüfende Mobilkran ist in der Standardversion entsprechend den Angaben des Herstellers vorzuführen. Zur Ermittlung der Geräuschemissionen wird die Nennleistung des für den Kranbetrieb verwendeten Motors berücksichtigt. Auf den drehbaren Oberwagen wird das maximal zulässige Gegengewicht aufgesetzt.
Vor den Messungen werden Motor und Hydrauliksystem des Mobilkrans entsprechend den Anweisungen des Herstellers auf normale Betriebstemperatur gebracht; ferner sind alle in der Betriebsanleitung angegebenen relevanten Sicherheitsvorkehrungen zu treffen.
Wenn der Mobilkran über mehrere Motoren verfügt, ist der Motor für den Kranbetrieb in Betrieb zu nehmen, während der Motor des Trägerfahrzeugs stillzusetzen ist.
Wenn der Motor des Mobilkrans mit einem Gebläse ausgerüstet ist, wird das Gebläse während der Prüfung betrieben. Falls mehrere Einstellungen möglich sind, ist das Gebläse während der Prüfung mit Höchstdrehzahl zu betreiben.
Die Messungen erfolgen für die folgenden 3(a)-c)) bzw. 4 (a)-d)) Betriebsarten:
Für alle Betriebsarten gelten folgende Bedingungen:
- Motordrehzahl bei 3/4 der für Kranbetrieb angegebenen Höchstdrehzahl mit einer zulässigen Abweichung von ± 2 %.
- Beschleunigung und Verzögerung mit Höchstwert ohne gefährliche Bewegungen der Last oder der Unterflasche.
- Bewegungen mit größtmöglicher Geschwindigkeit unter den gegebenen Bedingungen entsprechend den Angaben in der Betriebsanleitung.
- Heben und Senken einer Last
Der Mobilkran hebt eine Last, die 50 % der Höchstbelastung des Seils ausmacht. Die Prüfung umfaßt das Anheben der Last und das unmittelbar anschließende Herabsenken auf die Ausgangsposition. Die Auslegerlänge ist so zu wählen, daß die gesamte Prüfung 15-20s dauert.- Schwenken
Der Oberwagen wird um 90 nach links geschwenkt und unmittelbar anschließend wieder in die Ausgangsposition gebracht, wobei sich der Ausleger in einem Winkel von 40-50 zur Waagrechten befindet und keine Last trägt. Der Teleskopausleger ist soweit wie möglich eingezogen. Der Beobachtungszeitraum erstreckt sich über die erforderliche Dauer zur Ausführung des Betriebszyklus.- Heben und Senken des Auslegers
Zu Beginn der Prüfung wird der Ausleger aus der niedrigsten Betriebsstellung angehoben und unmittelbar anschließend wieder in die Ausgangsposition gebracht. Die Bewegung erfolgt ohne Last. Die Dauer der Prüfung beträgt 20 s.- Teleskopieren (falls anwendbar)
Der vollständig eingezogene Ausleger steht in einem Winkel von 40-50 zur Waagrechten und trägt keine Last; der Teleskopzylinder des ersten Teleskopteils wird zusammen mit dem ersten Teleskopteil auf volle Länge ausgefahren und unmittelbar anschließend zusammen mit dem ersten Teleskopteil wieder eingezogen.Beobachtungszeitraum/Ermittlung der Schalleistungspegel bei verschiedenen Betriebsbedingungen
Der Schalleistungspegel wird wie folgt berechnet:
- mit Teleskopieren (falls anwendbar)
LWA = 10 log (0,4 ξ 100,1 LWAa + 0,25 ξ 100,1 LWAb + 0,25 ξ 100,1 LWAc + 0,1 ξ 100,1 LWAd)- ohne Teleskopieren
Lwa = 10 log (0,4 ξ 100,1 LWAa + 0,3 ξ 100,1 LWAb + 0,3 ξ 100,1 LWAc)Dabei ist
LWAa der Schalleistungspegel für den Betriebszyklus "Heben und Senken einer Last" LWAb der Schalleistungspegel für den Betriebszyklus "Schwenken" LWAc der Schalleistungspegel für den Betriebszyklus "Heben und Senken des Auslegers" LWAd der Schalleistungspegel für den Betriebszyklus "Teleskopieren" (falls anwendbar)
39 Rollbare Müllbehälter
Geräuschemissionsgrundnorm: EN ISO 3744:1995Meßumgebung
- Schallreflektierende Fläche aus Beton oder nichtporösem Asphalt
- Laborraum mit einem Freifeld über einer schallreflektierenden Fläche
Umgebungskorrektur K2A
Messung im Freien
K2A = 0
Messung in geschlossenen Räumen
Der Wert der Konstanten K2A, der gemäß Norm EN ISO 3744:1995 Anhang a ermittelt wird, muß< 2,0 dB sein. In diesem Fall wird K2A vernachlässigt.
Meßfläche/Anzahl der Mikrophonpositionen/Meßabstand
Halbkugel/6 Mikrophonposition gemäß Teil a Nummer 5/r 3 m
Betriebsbedingungen während der Prüfung
Alle Messungen sind an einem leeren Behälter durchzuführen.
Prüfung 1: Zufallen des Deckels
um den Einfluß der Bedienungsperson auf die Messungen so gering wie möglich zu halten, muß diese hinter dem Behälter (Scharnierseite) stehen. Die Bedienungsperson hält den Deckel vor dessen Freigabe in der Mitte, um Verwindungsbewegungen des Deckels beim Zufallen zu verhindern.
Die Messung erfolgt während des folgenden Zyklus, der 20mal durchgeführt wird:
- Zunächst wird der Deckel senkrecht angehoben.
- Der Deckel wird - ohne Stoß - nach vorn freigegeben, wobei die Bedienungsperson an ihrer Position hinter dem Behälter verbleibt, bis der Deckel geschlossen ist.
- Wenn der Deckel vollständig geschlossen ist, wird er in seine Ausgangslage angehoben.
Anmerkung: Die Bedienungsperson kann ihre Position erforderlichenfalls vorübergehend verlassen, um den Deckel anzuheben.
Prüfung 2: Vollständiges Öffnen des Deckels nach hinten
Um den Einfluß der Bedienungsperson auf die Messungen so gering wie möglich zu halten, muß diese bei Behältern mit vier Rädern auf Messungen hinter dem Behälter (Scharnierseite) und bei Behältern mit zwei Rädern rechts neben dem Behälter (zwischen Mikrophonposition 10 und Mikrophonposition 12) stehen. Die Bedienungsperson hält den Deckel vor dessen Freigabe in der Mitte oder so nahe wie möglich an dessen Mitte.
Um jegliche Bewegung des Behälters auszuschließen, werden die Räder für die Dauer der Prüfung arretiert. Um ein Rückprallen von Behältern mit zwei Rädern zu verhindern, kann die Bedienungsperson den Behälter an der Oberkante mit der Hand festhalten.
Die Messung erfolgt während des folgenden Zyklus
- Zunächst wird der Deckel horizontal (nach hinten) geöffnet.
- Der Deckel wird ohne Stoß freigegeben.
- Wenn der Deckel vollständig geöffnet ist, wird er noch bevor er an der Behälterwand anschlägt in seine Ausgangslage angehoben.
Prüfung 3: Rollen des Behälters über eine unregelmäßige Prüfstrecke
Es wird eine Prüfstrecke verwendet, die eine unregelmäßige Oberfläche nachbildet. Die Prüfstrecke umfaßt zwei parallele Streifen, die mit Maschendraht belegt sind (Länge 6 m, Breite 400 mm), die im Abstand von jeweils 20 cm auf der schallreflektierenden Fläche befestigt sind. Der Abstand zwischen den beiden Streifen wird entsprechend dem Behältertyp eingestellt, damit die Räder über die gesamte Länge der Prüfstrecke auf den Streifen laufen. Die Anordnung ist so zu wählen, daß eine ebene Strecke entsteht. Bei Bedarf wird die Prüfbahn mit elastischem Material am Boden befestigt, um die Entstehung von Störgeräuschen zu verhindern.
Anmerkung: Es ist zulässig, die Laufstreifen aus verschiedenen, 400 mm breiten Elementen zusammenzusetzen. Abbildungen 39.1 und 39.2 zeigen ein Beispiel einer geeigneten Prüfstrecke.
Die Bedienungsperson befindet sich auf der Scharnierseite.
Die Messung erfolgt, während die Bedienungsperson den Behälter mit einer konstanten Geschwindigkeit von ca. 1 m/s zwischen den Punkten a und B (Abstand 4,24 m - siehe Abbildung 39.3) über die Prüfstrecke zieht, und zwar ab dem Zeitpunkt, zu dem bei Behältern mit zwei Rädern die Radachse - bei Behältern mit vier Rädern die erste Radachse - den Punkt a erreicht, bis zum Erreichen des Punkts B mit derselben Achse. Diese Prüfung wird in jede Richtung dreimal durchgeführt.
Bei Behältern mit zwei Rädern beträgt der Winkel zwischen dem Behälter und der Laufbahn während der Prüfung 45°. Bei Behältern mit vier Rädern muß die Bedienungsperson dafür sorgen, daß alle Räder angemessenen Kontakt mit der Laufbahn haben.
Beobachtungszeitraum/Ermittlung der Schalleistungspegel bei verschiedenen Betriebsbedingungen
Prüfung 1 und 2: Zufallen des Deckels und vollständiges Öffnen des Deckels nach hinten
Die Messungen werden nach Möglichkeit gleichzeitig an den sechs Mikrophonpositionen vorgenommen.
Ansonsten werden die an jeder Mikrophonposition gemessenen Schalleistungspegel in aufsteigender Reihenfolge klassifiziert und die Schalleistungspegel durch Zuordnung der Werte jeder Mikrophonposition der einzelnen Reihen ermittelt.
Der A-bewertete Einzelereignis-Schalldruckpegel wird für jeden der 20 Schließvorgänge und der 20 Öffnungsvorgänge an jedem einzelnen Meßpunkt gemessen. Die Schalleistungspegel LwAschließen und LWAöffnen werden aus dem quadratischen Mittelwert der fünf höchsten erzielten Werte berechnet.
Prüfung 3: Rollen des Behälters über eine unregelmäßige Prüfstrecke
Der Beobachtungszeitraum T entspricht der Zeit, die für das Zurücklegen des Abstands zwischen den Punkten a und B auf der Prüfstrecke erforderlich ist.
Der Schalleistungspegel LWArollen, entspricht dem Mittelwert von sechs Werten, die um weniger als 2 dB voneinander abweichen. Kann dieses Kriterium mit 6 Messungen nicht erfüllt werden, wird der Prüfzyklus soweit erforderlich wiederholt.
Der Schalleistungspegel wird wie folgt berechnet:
LWA = 10 log 1/3 {100,1 LWAschließen + 100,1 LWAöffen + 100,1 LWArollen}
Abbildung 39.1 Schema der Prüfstrecke
![]()
Abbildung 39.2: Ausführungsdetail und Montage der Laufbahn
![]()
Abbildung 39.3: Meßabstand
40 Motorhacken
SieheDas Aggregat ist während der Messung abzukoppeln.
41 Strassenfertiger
Geräuschemissionsgrundnorm: EN ISO 3744:1995Betriebsbedingungen während der Prüfung
Prüfung unter Last
Der Motor der Maschine ist mit der vom Hersteller angegebenen Nenndrehzahl zu betreiben. Sämtliche Geräteteile sind in Betrieb zu nehmen und wie folgt zu betreiben:
Fördersystem mindestens 10 % des Höchstwerts Verteilungssystem mindestens 40 % des Höchstwerts Stampfer (Drehzahl, Schläge) mindestens 50 % des Höchstwerts Vibrationseinrichtung (Drehzahl, Rüttlerunwucht) mindestens 50 % des Höchstwerts Druckbalken (Frequenz, Druck) mindestens 50 % des Höchstwerts Beobachtungszeitraum
Der Beobachtungszeitraum muß mindestens 15 s betragen.
42 Rammausrüstungen
Geräuschemissionsgrundnorm: EN ISO 3744:1995Meßumgebung
ISO 6395:1988
Betriebsbedingungen während der Prüfung
Prüfung unter Last
Die Rammausrüstung wird oben auf einem Rammelement angebracht, wobei ein ausreichender Bodenwiderstand für den Betrieb der Einrichtung mit gleichmäßiger Geschwindigkeit gegeben sein muß.
Im Fall von Schlaghämmern muß die Pfahlkappe mit einer neuen, aus Holz bestehenden Füllung versehen sein.
Das obere Ende des Rammelements befindet sich 0,50 m über der Meßumgebung.
Beobachtungszeitraum
Der Beobachtungszeitraum muß mindestens 15 s betragen.
43 Rohrleger
Siehe
44 Pistenraupen
Siehe
45 Kraftstromerzeuger
Geräuschemissionsgrundnorm: EN ISO 3744:1995Umgebungskorrektur K2A
Messung im Freien
K2A = 0
Messung in geschlossenen Räumen
Der Wert der Konstanten K2A, der gemäß Norm EN ISO 3744:1995 Anhang a ermitteln wird, muß< 2,0 dB sein. In diesem Fall wird K2A vernachlässigt.
Meßfläche/Anzahl der Mikrophonpositionen/Meßabstand
Halbkugel/6 Mikrophonpositionen gemäß Teil a Nummer 5/gemäß Teil a Nummer 5.
Wenn 1 > 2 m, kann ein Quader gemäß EN ISO 3744:1995 mit einem Meßabstand von d =1 m verwendet werden.
Betriebsbedingungen während der Prüfung
Aufstellen der Geräte und Maschinen
Die Kraftstromerzeuger sind auf der schallreflektierenden Fläche aufzustellen. Maschinen auf Gleitschienen sind auf einen 0,40 m hohen Träger zu steilen, wenn in der Anweisung des Herstellers nicht anders beschrieben.
Prüfung unter Last
ISO 8528-10:1998 Abschnitt 9
Beobachtungszeitraum
Der Beobachtungszeitraum muß mindestens 15 s betragen.
46 Kehrmaschinen
Geräuschemissionsgrundnorm: EN ISO 3744:1995Betriebsbedingungen während der Prüfung
Prüfung unter Last
Die Kehrmaschine ist im Stillstand zu prüfen. Der Hauptantrieb und die Zusatzaggregate sind mit der Drehzahl zu betreiben, die der Hersteller für den Betrieb der Arbeitsaggregate angegeben hat. Der Besen wird mit Höchstgeschwindigkeit betrieben, wobei er mit dem Boden nicht in Berührung kommt. Das Ansaugsystem ist mit maximaler Saugkraft zu betreiben, wobei der Abstand zwischen Boden und Einlaß des Saugsystems nicht mehr als 25 mm betragen darf.
Beobachtungszeitraum
Der Beobachtungszeitraum muß mindestens 15 s betragen.
47 Müllsammelfahrzeuge
Geräuschemissionsgrundnorm: EN ISO 3744:1995Betriebsbedingungen während der Prüfung
Prüfung unter Last
Das Müllfahrzeug wird im Stand in den folgenden Betriebsarten geprüft:
- Der Motor ist mit der vom Hersteller angegebenen Höchstdrehzahl zu betreiben. Die Arbeitsaggregate sind nicht in Betrieb. Diese Prüfung entfallt bei Fahrzeugen mit ausschließlich elektrischem Antrieb.
- Das Verdichtungssystem ist in Betrieb.
Das Müllsammelfahrzeug und der Müllaufnahmebehälter sind leer.
Wird die Motordrehzahl bei Betrieb des Verdichtungssystems automatisch angehoben, so ist diese Drehzahl zu messen. Liegt der gemessene Wert um mehr als 5 % unter der vom Hersteller angegebenen Drehzahl, wird während der Prüfung die Motordrehzahl über das Gaspedal im Führerhaus angehoben, damit die vom Hersteller angegebene Motordrehzahl eingehalten wird. Wenn der Hersteller keine Motordrehzahl für den Betrieb des Verdichtungssystems angegeben hat oder wenn das Fahrzeug über keine automatische Drehzahlanhebung verfügt, wird die Motordrehzahl mit Hilfe des Gaspedals im Führerhaus auf 1200 min-1 eingestellt.- Die Behälter-Schütteinrichtung wird ohne Last und ohne Behälter angehoben und abgesenkt. Die Motordrehzahl wird gemessen und wie bei Betrieb des Verdichtungssystems eingestellt (siehe Nummer 2).
- Ladegut wird in das Müllsammelfahrzeug entleert.
Loses Ladegut wird über die Schütteinrichtung in den (anfangs leeren) Müllaufnahmebehälter entleert. Es wird ein Müllbehälter auf zwei Rollen mit einem Fassungsvermögen von 2401 nach EN 840-1:1997 verwendet. Wenn die Schütteinrichtung dafür nicht ausgelegt ist, ist ein Behälter mit einem Fassungsvermögen von annähernd 240 1 zu verwenden. Das Ladegut besteht aus 30 PVC-Röhren mit einer Masse von ca. 0,4 kg und folgenden Abmessungen:
- Länge: 150 mm ± 0,5 mm
- Nenn-Außendurchmesser: 90 mm + 0,3/-0 mm
- Nenndicke: 6,7 mm + 0,9/-0 mm
Beobachtungszeitraum/Ermittlung der Schalleistungspegel bei verschiedenen Betriebsbedingungen
Beobachtungszeitraum:
- mindestens 15 s. Der hierbei ermittelte Schalleistungspegel ist LWA1
- mindestens drei vollständige Zyklen, wenn das Verdichtungssystem automatisch arbeitet. Wenn das Verdichtungssystem nicht automatisch, sondern zyklusabhängig arbeitet, werden die Messungen während mindestens drei Zyklen durchgeführt. Der hierbei ermittelte Schalleistungspegel (LWA2) ist der quadratische Mittelwert der drei (oder mehr) Messungen;
- mindestens drei kontinuierliche vollständige Betriebszyklen einschließlich des vollständigen Anhebens und Absenkens der Schüttvorrichtung. Der hierbei ermittelte Schalleistungspegel (LWA3) ist der quadratische Mittelwert der drei (oder mehr) Messungen;
- mindestens drei vollständige Betriebszyklen, wobei jeweils 30 Rohre in den Aufnahmebehälter entleert werden. Jeder Zyklus darf höchstens 5 s betragen. Bei diesen Messungen wird LpAeq,T durch LpA,1s. ersetzt. Der hierbei ermittelte Schalleistungspegel (LWA4) ist der quadratische Mittelwert der drei (oder mehr) Messungen.
Der resultierende Schalleistungspegel wird nach folgender Formel berechnet:
LWA = 10 log (0,06 ξ 100,1 LWA1 + 0,53 x 10ξ 100,1 LWA2 + 0,4 ξ 100,1 LWA3 + 0,01 ξ 100,1 LWA4)
- Hinweis:
- Bei Müllsammelfahrzeugen mit ausschließlich elektrischem Antrieb wird der LWA1 zugeordnete Koeffizient mit 0 angenommen.
48 Strassenfräsen
Geräuschemissionsgrundnorm: EN ISO 3744:1995Betriebsbedingungen während der Prüfung
Aufstellen der Maschinen
Die Längsachse der Straßenfräse muß parallel zur y-Achse sein.
Prüfung unter Last
Die Straßenfräse ist in dem in der Betriebsanleitung angegebenen Bereich gleichförmig zu betreiben. Der Motor und sämtliche Aggregate sind mit den jeweiligen Drehzahlen für den Leerlaufbetrieb zu betreiben.
Beobachtungszeitraum
Der Beobachtungszeitraum muß mindestens 15 s betragen.
49 Vertikutierer
Geräuschemissionsgrundnorm: EN ISO 3744:1995Meßumgebung
ISO 11094:1991
Im Streitfall sind die Messungen im Freien auf einem künstlichen Bodenbelag durchzuführen (ISO 11094:1991 Abschnitt 4.1.2).
Umgebungskorrektur K2A
Messung im Freien
K2A = 0
Messungen in geschlossenen Räumen
Der Wert der Konstanten K2A, der ohne den künstlichen Bodenbelag gemäß Norm EN ISO 3744:1995 Anhang a ermittelt wird, muß< 2,0 da sein. In diesem Fall wird K2A vernachlässigt.
Meßfläche/Anzahl der Mikrophonpositionen/Meßabstand
ISO 11094:1991
Betriebsbedingungen während der Prüfung
Prüfung unter Last
Der Vertikutierer ist mit Nenndrehzahl zu betreiben, die Arbeitsaggregate sind im Leerlauf (eingeschaltet, aber nicht im Aufreißbetrieb).
Beobachtungszeitraum
Der Beobachtungszeitraum muß mindestens 15 s betragen.
50 Schredder/Zerkleinerer
Geräuschemissionsgrundnorm: EN ISO 3744:1995Meßumgebung
ISO 11094:1991
Umgebungskorrektur K2A
Messung im Freien
K2A = 0
Messungen in geschlossenen Räumen
Der Wert der Konstanten K2A, der ohne den künstlichen Bodenbelag gemäß Norm EN ISO 3744:1995 Anhang a ermittelt wird, muß< 2,0 dB sein. In diesem Fall wird K2A, vernachlässigt.
Meßfläche/Anzahl der Mikrophonpositionen/Meßabstand
ISO 11094:1991
Betriebsbedingungen während der Prüfung
Prüfung unter Last
Der Schredder/Zerkleinerer ist beim Zerkleinern von einem oder mehreren Holzstücken zu prüfen.
Der Arbeitsgang besteht aus dem Zerkleinern eines runden Holzstabes (trockene Kiefer oder Sperrholz) von mindestens 1,5 m Länge, der an einem Ende angespitzt ist. Der Durchmesser des Stabes entspricht annähernd dem in der Betriebsanleitung angegebenen Höchstwert, für den das Gerät ausgelegt ist.
Beobachtungszeitraum/Ermittlung des Schalleistungspegels
Der Beobachtungszeitraum endet, wenn sich kein Material mehr in den Zerkleinerungsvorrichtungen befindet, spätestens aber nach 20 s. Sind beide Betriebsbedingungen möglich, ist der höhere Schalleistungspegel zu berücksichtigen.
51 Schneefräsen
Geräuschemissionsgrundnorm: EN ISO 3744:1995Betriebsbedingungen während der Prüfung
Prüfung unter Last
Die Schneefräse wird im Stillstand geprüft. Sie ist nach den Empfehlungen des Herstellers bei Höchstdrehzahl der Arbeitsaggregate und mit entsprechender Motordrehzahl zu betreiben.
Beobachtungszeitraum
Der Beobachtungszeitraum muß mindestens 15 s betragen.
52 Saugfahrzeuge
Geräuschemissionsgrundnorm: EN ISO 3744:1995Betriebsbedingungen während der Prüfung
Prüfung unter Last
Das Saugfahrzeug ist im Stillstand zu prüfen. Der Hauptantrieb und die Zusatzaggregate sind mit der Drehzahl zu betreiben, die der Hersteller für den Betrieb der Arbeitsaggregate angegeben hat. Die Vakuumpumpe(n) ist (sind) mit Höchstleistung zu betreiben. Das Saugaggregat ist so zu betreiben, daß der Innendruck gleich dem atmosphärischen Druck ist ("0 % Vakuum"). Die Strömungsgeräusche der Saugdüse dürfen die Ergebnisse der Messungen nicht beeinflussen.
Beobachtungszeitraum
Der Beobachtungszeitraum muß mindestens 15 s betragen.
53 Turmdrehkräne
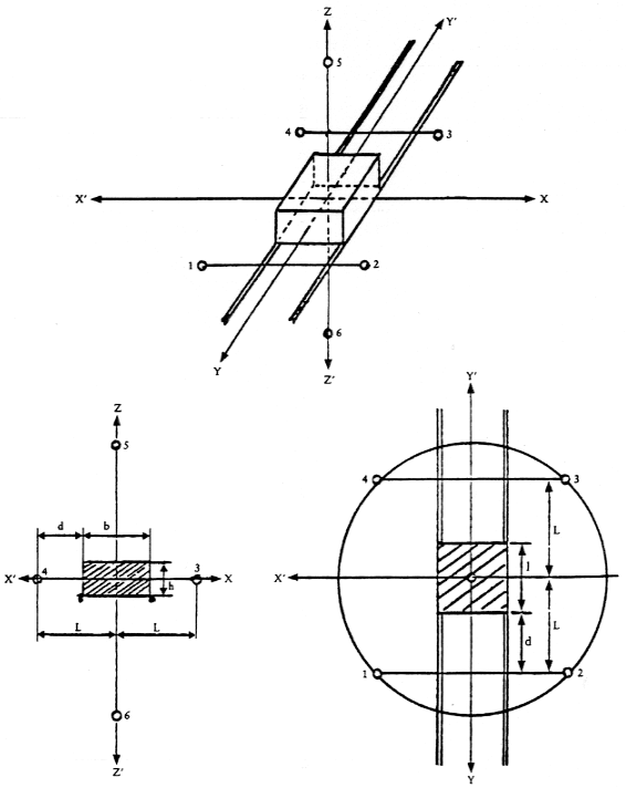
Geräuschemissionsgrundnorm: EN ISO 3744:1995Meßfläche/Anzahl der Mikrophonposition/Meßabstand
Messungen am Boden
Halbkugel/6 Mikrophonpositionen gemäß Teil a Nummer 5/gemäß Teil a Nummer 5
Messungen auf Höhe des Auslegers
Befindet sich das Hubwerk auf der Höhe des Auslegers, so ist die Meßfläche eine Kugel mit einem Radius von 4 m, deren Mittelpunkt mit dem geometrischen Mittelpunkt des Hubwerks zusammenfällt.
Werden die Messungen vorgenommen, wenn sich das Hubwerk auf dem Träger des Kranauslegers befindet, dann ist die Meßfläche eine Kugel; S ist 200 m2.
Die Mikrophonpositionen sind wie folgt (siehe Abbildung 53.1):
Vier Mikrophonpositionen auf einer horizontalen Ebene, auf der der geometrische Mittelpunkt des Hubwerks liegt (H = h/2).
Hierbei gilt:
L = 2,80m
d = 2,80-1/2
L = halber Abstand zwischen zwei aufeinanderfolgenden Mikrophonpositionen
l = Länge des Hubwerks (entlang der Achse des Auslegers)
b = Breite des Hubwerks
h = Höhe des Hubwerks
d = Abstand zwischen Mikrophonträger und dem Hubwerk in Richtung Ausleger
Die beiden anderen Mikrophonpositionen befinden sich an den Schnittpunkten der Kugel mit der Vertikalen durch den geometrischen Mittelpunkt des Hubwerks.
Betriebsbedingungen während der Prüfung
Aufstellen der Geräte und Maschinen
Messung der Geräuschemission des Hubwerks
Das Hubwerk ist bei der Messung in eine der folgenden Positionen zu bringen. Die Position ist im Prüfprotokoll zu beschreiben.
- Hubwerk am Boden
Der montierte Kran ist auf einer ebenen schallreflektierenden Fläche aus Beton oder nicht-porösem Asphalt aufzustellen.- Hubwerk auf Gegenausleger
Das Hubwerk befindet sich mindestens 12 m über dem Boden.- Hubwerk am Boden befestigt
Das Hubwerk ist auf einer ebenen schallreflektierenden Fläche aus Beton oder nicht-porösem Asphalt zu befestigen.Messung der Geräuschemission des Kraftstromerzeugers
Ist der Kraftstromerzeuger - gleichgültig, ob mit dem Hubwerk verbunden oder nicht - am Kran befestigt, so ist der Kran auf einer schallreflektierenden, ebenen Fläche aus Beton oder nicht-porösem Asphalt aufzustellen.
Befindet sich das Hubwerk auf dem Gegenausleger, so kann die Geräuschmessung vorgenommen werden, wenn das Hubwerk auf dem Gegenausleger montiert oder am Boden befestigt ist.
Ist die Kraftmaschine vom Kran unabhängig (Stromaggregat, Netz, Hydraulik, Kompressor), so wird nur die Schallemission des Hubwerks gemessen.
Ist die Kraftmaschine auf dem Kran montiert, so werden diese und das Hubwerk getrennt gemessen, wenn sie keine Einheit bilden. Bilden sie eine Einheit, so wird die gesamte Einheit gemessen.
Für die Schallmessung sind Hubwerk und Kraftmaschine wie vom Hersteller angegeben zu montieren und zu betreiben.
Prüfung ohne Last
Der eingebaute Kraftstromerzeuger des Krans wird mit der vom Hersteller angegebenen Höchstdrehzahl betrieben.
Das Hubwerk ist ohne Last mit der Drehzahl der Trommel, die der maximalen Hub- und Senkgeschwindigkeit des Hakens entspricht, zu betreiben. Diese Geschwindigkeit ist vom Hersteller anzugeben. Der höhere der beiden Schalleistungspegel (Hub- oder Senkbewegung) wird für die Darstellung der Ergebnisse verwendet.
Prüfung unter Last
Der eingebaute Kraftstromerzeuger des Krans wird mit der vom Hersteller angegebenen höchsten Drehzahl betrieben. Das Hubwerk ist mit der Kabelspannung an der Trommel die der maximalen Last (bei geringster Auslegung) entspricht, bei maximaler Hub- und Senkgeschwindigkeit des Hakens zu betreiben. Die Last- und Geschwindigkeitswerte sind vom Hersteller anzugeben. Der Geschwindigkeitswert ist während der Prüfung zu kontrollieren.
Beobachtungszeitraum/Ermittlung der Schalleistungspegel bei verschiedenen Betriebsbedingungen
Für die Messung der Schalldruckpegel des Hubwerks beträgt die Meßdauer (tr + tf) Sekunden.
Dabei ist
- tτ die Zeit in Sekunden vor dem Bremsimpuls, wobei das Hubwerk wie vorstehend beschrieben betrieben wird; für die Messungen beträgt tr = 3 Sekunden;
- tf die Zeit in Sekunden zwischen dem Bremsimpuls und dem Stillstand des Hakens.
Bei Verwendung eines Integrators muß die Integrationszeit gleich (tr + tf) Sekunden sein. Der quadratische Mittelwert an der Mikrophonposition i errechnet sich wie folgt: Lpi = 10 lg [(tr 100,l Lri + t tf°( 100,1 Lfi)/(tr + tf)]
Dabei ist
- Lri der Schalldruckpegel an der Mikrophonposition i während der Zeit tr°;
- Lfi der Schalldruckpegel an der Mikrophonposition während der Bremszeit tf.
Abbildung 53.1 Anordnung der Mikrophone, wenn sich das Hubwerk auf dem Träger des Kranauslegers befindet.
| weiter . | ![]() |
(Stand: 24.05.2024)
Alle vollständigen Texte in der aktuellen Fassung im Jahresabonnement
Nutzungsgebühr: 90.- € netto (Grundlizenz)
(derzeit ca. 7200 Titel s.Übersicht - keine Unterteilung in Fachbereiche)
Die Zugangskennung wird kurzfristig übermittelt
? Fragen ?
Abonnentenzugang/Volltextversion