Für einen individuellen Ausdruck passen Sie bitte die
Einstellungen in der Druckvorschau Ihres Browsers an.
Regelwerk, Gefahrgut/Transport / See / MSC

MSC/Rundschreiben 582 und 582/Corr. 1
Richtlinien für Löschleistung, Prüfbedingungen und Überwachung von Schaummittelkonzentraten für fest eingebaute Feuerlöschsysteme zur Erzeugung von Schwerschaum

Vom 23. April 1992
(VkBl. Nr. 14 vom 31.07.2003 S. 437; 27.07.2013 S. 753aufgehoben)



Zur Nachfolgeregelung MSC.1/Rundschreiben 1312

  1. Der Schiffssicherheitsausschusses hat auf seiner sechzigsten Tagung die "Richtlinien für Löschleistung, Prüfbedingungen und Überwachung von Schaummittelkonzentraten für fest eingebaute Feuerlöschsysteme zur Erzeugung von Schwerschaum" angenommen.
  2. Den Mitgliedsregierungen wird empfohlen sicherzustellen, dass die Prüfungen für die Typzulassung und die regelmäßige Überprüfung der Schaummittelkonzentrate zur Erzeugung von Schwerschaum in Übereinstimmung mit den beigefügten Richtlinien durchgeführt werden.

Richtlinien für Löschleistung, Prüfbedingungen und Überwachung von Schaummittelkonzentraten für fest eingebaute Feuerlöschsysteme zur Erzeugung von Schwerschaum

1 Allgemeines

1.1 Anwendungsbereich

Diese Richtlinien gelten für Schaummittelkonzentrate für fest eingebaute Feuerlöschsysteme zur Erzeugung von Schwerschaum auf Öltankschiffen entsprechend Regel II2/61 SOLAS 74(83) *. Sie gelten auch für Schaummittelkonzentrate für fest eingebaute Schwerschaum-Feuerlöschsysteme in Maschinenräumen entsprechend Regel II-2/8 SOLAS 74(83) **.

1.2 Begriffsbestimmungen

Für diese Richtlinien gelten die folgenden Begriffsbestimmungen:

  1. Schaum (Brandbekämpfung): eine Ansammlung luftgefüllter Blasen, die aus einer wässrigen Lösung eines geeigneten Schaummittelkonzentrates gebildet wird.
  2. Schaummittellösung: eine Lösung von Schaummittelkonzentrat in Wasser.
  3. Schaummittelkonzentrat: die Flüssigkeit, die mit Wasser in der erforderlichen Konzentration gemischt die Schaummittellösung ergibt.
  4. Verschäumungszahl: das Verhältnis des Schaumvolumen zum Volumen der Schaummittellösung, aus der der Schaum erzeugt wurde.
  5. Spreitungskoeffizient: ein Wert, der die Fähigkeit einer Flüssigkeit angibt, sich spontan über einer anderen auszubreiten.
  6. 25%- (50%-) Wasserabscheidung: die Zeit, die vergeht, bis 25% (50%) der in einem Schaum enthaltenen Flüssigkeit ausgeschieden ist.
  7. Sanfte Aufgabe: Aufbringen des Schaumes auf die Oberfläche eines flüssigen Brandstoffs über eine Rückwand, Tankwand oder andere Oberfläche.
  8. Sediment: unlösliche Teilchen im Schaummittelkonzentrat.

2 Probennahme

Das Verfahren der Probennahme soll sicherstellen, dass repräsentative Proben erhalten werden, die in vollständig gefüllten Behältern gelagert werden sollen.

Die Probenmenge soll betragen:

3 Prüfungen für die Typzulassung von Schaummittelkonzentraten

Für die Typzulassung eines Schaummittelkonzentrates sollen die in den Absätzen 3.1 bis 3.11 genannten Prüfungen durchgeführt werden. Sie sollen durch von der Verwaltung anerkannten Laboratorien ausgeführt werden.

3.1 Gefrieren und Auftauen

3.1.1 Vor und nach der Temperaturbehandlung entsprechend Absatz 3.1.2 soll das Schaummittelkonzentrat keine sichtbaren Anzeichen von Trübung, Inhomogenität und Sedimentation zeigen.

3.1.2 Gefrier- und Auftauprüfung

  1. Prüfgeräte:
  2. Durchführung:
    b.1) Die Temperatur der Tiefkühlkammer wird auf einen Wert 10 °C unter den nach BS 5117 Absatz 1.3 (außer Absatz 5.2 des Standards) bestimmten Erstarrungspunkt der Probe eingestellt.
    Um eine Zerstörung des Glasmesszylinders durch die Ausdehnung des Schaummittelkonzentrates beim Gefrieren zu verhindern, wird das Rohr mit dem verschlossenen Ende nach unten in den Messzylinder gestellt und, sofern notwendig, beschwert, um ein Aufschwimmen zu verhindern; die Abstandhalter halten es ungefähr in der Mitte des Zylinders.
    Die Probe wird im Zylinder in der Tiefkühlkammer platziert, abgekühlt und 24 h lang bei der erforderlichen Temperatur aufbewahrt. Nach diesem Zeitabschnitt wird die Probe in einem Zeitraum von nicht weniger als 24 h und nicht mehr als 96 h bei einer Umgebungstemperatur von 20 °C bis 25 °C aufgetaut.
    b.2) Der nach Absatz b.1 beschriebene Ablauf wird drei mal wiederholt, so dass insgesamt vier Gefrier- und Auftauzyklen stattgefunden haben.
    b.3) Die Probe wird auf Trübung und Inhomogenität untersucht.
    b.4) Die Probe wird 7 Tage lang bei 60°C und anschließend einen Tag lang bei Raumtemperatur konditioniert.

3.2 Wärmebeständigkeit

Ein originalverschlossener 20 l Behälter (oder ein anderer Standard-Versandbehälter) mit einer vom Hersteller gelieferten Charge soll 7 Tage lang bei 60 °C und anschließend einen Tag lang bei Raumtemperatur konditioniert werden. Nach dieser Konditionierung wird das Schaummittelkonzentrat nach vorherigem Umschütteln/Rühren der Brandprüfung nach Absatz 3.9 unterzogen und muss die dort geforderten Anforderungen dieser Richtlinie erfüllen.

3.3 Sediment

3.3.1 Jedes Sediment, das sich bei einer Behandlung der Probe entsprechend Abschnitt 2 bildet, soll durch ein 180 mm-Sieb dispergierbar sein, und bei der Prüfung nach Absatz 3.3.2 soll der prozentuale Volumenanteil an Sediment nicht mehr als 0,25 % betragen.

3.3.2 Die Prüfung soll wie folgt durchgeführt werden:

  1. Prüfgeräte:

    ANMERKUNG: Die in ISO 3734 beschriebene Zentrifuge und beschriebenen Zentrifugenröhrchen sind geeignet.
     

  2. Durchführung:
    Jede Probe wird 10 min lang zentrifugiert. Das Sedimentvolumen wird bestimmt und als prozentualer Volumenanteil der zentrifugierten Probe angegeben.
    Der Inhalt des Zentrifugenröhrchen wird in das Sieb gespült, und es ist zu prüfen, ob das Sediment mit Hilfe des Strahles aus der Kunststoff-Spritzflasche durch das Sieb dispergiert oder nicht dispergiert werden kann.

    ANMERKUNG: Es ist möglich, dass die Prüfmethode für einige nicht-Newtonsche Schaummittelkonzentrate nicht geeignet ist. In diesem Fall ist eine alternative, den Anforderungen der Verwaltung genügende Methode anzuwenden, mit der die Übereinstimmung mit diesen Anforderungen bestätigt wird.

3.4 Kinematische Viskosität

3.4.1 Die Prüfung soll entsprechend ASTM D 445-86 oder ISO 3104 durchgeführt werden. Die kinematische Viskosität soll den Wert von 200 mm2/s nicht überschreiten.

3.4.2 Die Methode zur Ermittlung der Viskosität nicht Newtonscher Schaummittelkonzentrate soll den Anforderungen der Verwaltung entsprechen.

3.5 pH-Wert

Der pH-Wert des Schaummittelkonzentrats, das entsprechend Abschnitt 2 entnommen wurde, soll bei einer Temperatur von (20 ± 2) °C nicht weniger als 6,0 und nicht mehr als 9,5 betragen.

3.6 Filmbildung der Schaummittellösung

3.6.1 Der Spreitungskoeffizient soll unter Verwendung der folgenden Formel berechnet werden:

S = Tc - Ts - Ti

dabei sind:

S = Spreitungskoeffizient (N/m

Tc= Oberflächenspannung von Cyclohexan (N/m)

Ts = Oberflächenspannung der Schaummittellösung (N/m)

Ti = Grenzflächenspannung zwischen der Schaummittellösung und Cyclohexan (N/m)

Tc , Ts und Ti sollen entsprechend Absatz 3.6.2 bestimmt werden. Der Spreitungskoeffizient S soll größer als 0 sein.

3.6.2 Bestimmung von Tc , Ts und Ti

  1. Reagenzien:

    ANMERKUNG: Die Lösung kann unter Verwendung eines 100 ml Maßkolbens hergestellt, das Schaummittelkonzentrat unter Verwendung einer Pipette abgemessen werden.

  2. Verfahren zur Bestimmung der Oberflächenspannung:
    Ts wird bei einer Temperatur von (20 ± 2) °C unter Verwendung des Ring- oder Plattenverfahrens nach ISO 304 bestimmt.
  3. Verfahren zur Bestimmung der Grenzflächenspannung:
    Nach der Messung der Oberflächenspannung entsprechend Absatz b wird auf die Schaummittellösung bei einer Temperatur von (20 ± 2) °C eine Schicht aus Cyclohexan aufgetragen; ein Kontakt zwischen dem Ring oder der Platte mit dem Cyclohexan ist zu vermeiden. Nach einer Wartezeit von 6 ± 1 min wird Ti bestimmt.

3.7 Verschäumung

3.7.1 Die Prüfung soll entsprechend Absatz 3.7.2 unter Verwendung von künstlichem Meerwasser mit einer Temperatur von ca. 20°C durchgeführt werden, welches die in Absatz 3.7.3 aufgeführten Bestandteile aufweist.

[Die Verschäumung, die mit den an Bord verwendeten Strahlrohren erreicht wird, soll mit der Verschäumung der bei den Brandprüfungen verwendeten Strahlrohren über einstimmen.]

3.7.2 Bestimmung der Verschäumungszahl

  1. Prüfgeräte:
  2. Durchführung:
    b.1) Überprüfen, dass die Rohrleitungen und die Schläuche vom Tank für die Schaummittellösung bis zur Düse vollständig mit der Lösung gefüllt sind. Die Düse wird waagerecht an der Vorderseite der Schaum-Auffangvorrichtung mit einem Abstand von (3 ± 0,3) m, gemessen von der Spitze der Düse bis zur Oberkante der Schaum-Auffangvorrichtung, aufgestellt.
    Das Auffanggefäß wird innen angefeuchtet und die Masse bestimmt (W1). Das Schaumrohr wird aufgesetzt und der Druck an der Düse eingestellt, so dass es zu einem Durchfluss von 11,4 I/min kommt. Schaum wird erzeugt und die Höhe der Düse so eingestellt, dass der Schaumstrahl in der Mitte der Schaum-Auffangvorrichtung auftrifft. Die waagerechte Ausrichtung der Düse wird beibehalten. Die Schaumerzeugung wird eingestellt und der gesamte Schaum von der Schaum-Auffangvorrichtung entfernt.
    Überprüfen, dass der Tank für die Schaummittellösung voll ist. Mit der Schaumerzeugung wird begonnen und nach (30 ± 5) s, wenn eine gleichmäßiger Schaumstrahl auftrifft, wird das Auffanggefäß mit geschlossenem Ablass unter die Schaum-Auffangvorrichtung gestellt. Sobald das Auffanggefäß voll ist, wird dieses von der Schaum-Auffangvorrichtung entfernt, die Schaumoberfläche wird in Höhe des Randes geglättet und die Uhr gestartet. Das Auffanggefäß wird gewogen (W2).
    b.2) Die Verschäumung E wird nach folgender Gleichung berechnet:
    E = V / W2 W1
    wobei angenommen wird, dass die Dichte der Schaummittellösung 1,0 kg/l beträgt und dabei sind:
    V = Volumen des Gefäßes (ml),
    W1 = Masse des leeren Gefäßes (g),
    W2 = Masse des gefüllten Gefäßes (g).
    b.3) Der Ablass wird geöffnet und die Schaummittellösung in einem Messzylinder aufgefangen, um die 25%-Wasserabscheidungzeit zu messen (siehe nachfolgenden Absatz 3.8.1).

3.7.3 Künstliches Meerwasser kann aus Leitungswasser durch Lösen von

25,0 g Natriumchlorid (NaCl),
11,0 g Magnesiumchlorid (MgCl2 6H2O),
1,6 g Calciumchlorid (CaCl2 2H2O),
4,0 g Natriumsulfat (Na2SO4)

je Liter hergestellt werden.

3.8 Wasserabscheidung

3.8.1 Die Wasserabscheidungszeit soll entsprechend vorstehendem Absatz 3.7.2 b.3) bestimmt werden, nachdem die Verschäumungszahl ermittelt wurde.

3.8.2 Die Prüfung soll unter Verwendung von künstlichem Meerwasser mit einer Temperatur von ca. 20°C durchgeführt werden, welches die in Absatz 3.7.3 aufgeführten Bestandteile aufweist.

3.8.3 Die Wasserabscheidungszeit, die mit den an Bord verwendeten Strahlrohren erreicht wird, soll mit der Wasserabscheidungszeit der bei den Brandprüfungen verwendeten Strahlrohren übereinstimmen.

3.9 Brandprüfung

Die Brandprüfungen sollen entsprechend den folgenden Absätzen 3.9.1 bis 3.9.7 durchgeführt werden.

ANMERKUNG: Die Brandprüfungen dieses Abschnitts 3.9 sind kostenintensiver und zeitaufwendiger als die anderen Prüfungen dieser Richtlinie. Es wird empfohlen, die Brandprüfungen erst am Ende des Prüfprogramms durchzuführen, damit die Kosten unnötiger Prüfungen von Schaummittelkonzentraten vermieden werden, welche die anderen Anforderungen nicht erfüllen.

3.9.1 Umgebungsbedingungen

ANMERKUNG: Falls notwendig, kann ein geeigneter Windschutz verwendet werden.

3.9.2 Aufzeichnungen

Während der Brandprüfung soll folgendes aufgezeichnet werden:

ANMERKUNG: Die Rückbrandzeit kann entweder visuell durch eine erfahrene Person oder durch die Messung der Wärmestrahlung bestimmt werden.

3.9.3 Schaummittellösung

  1. Die Schaummittellösung wird entsprechend den Empfehlungen des Herstellers/Lieferanten hinsichtlich der Konzentration, der maximalen Vormischzeit, der Verträglichkeit mit den Prüfgeräten, der Vermeidung von Verunreinigungen durch andere Schaumtypen usw. hergestellt.
  2. Die Prüfung soll unter Verwendung von künstlichem Meerwasser mit einer Temperatur von ca. 20°C durchgeführt werden, welches die in Absatz 3.7.3 aufgeführten Bestandteile aufweist.

3.9.4 Prüfgeräte

  1. Brandwanne Quadratische Brandwanne mit folgenden Abmessungen:

    mit einer senkrechten Stahlprallplatte (1 + 0,05) m hoch und (1 + 0,05) m lang.

  2. Schwerschaumrohr Entsprechend Absatz 3.7.2 a). c) Rückbrandgefäß

    Rundes Rückbrandgefäß mit folgenden Abmessungen:

3.9.5 Brennstoff

Es wird ein Gemisch aliphatischer Kohlenwasserstoffe mit den folgenden physikalischen Eigenschaften verwendet:

ANMERKUNG: Typische Brennstoffe, die diese Spezifikation erfüllen, sind n-Heptan und bestimmte Lösungsmittelfraktionen, die als "Heptan, technisch" bezeichnet werden.

Die Verwaltung kann zusätzliche Brandprüfungen unter Verwendung eines anderen Brennstoffs fordern.

3.9.6 Durchführung der Prüfung

  1. Die Brandwanne wird waagerecht und unmittelbar auf dem Boden aufgestellt. Etwa 90 I künstliches Meerwasser, welches die in Absatz 3.7.3 aufgeführten Bestandteile aufweist, wird eingefüllt und es wird überprüft, dass der Boden der Brandwanne vollständig bedeckt ist. Das Schaumrohr wird waagerecht etwa 1 m über dem Boden in eine Stellung gebracht, dass die Mitte des Schaumstrahls (0,35 ± 0,1) m über dem Rand der Brandwanne auf der Mittelachse der Prallplatte auftrifft (sanfte Aufgabe). Anschließend werden (144 ± 5) l Brennstoff eingefüllt, so dass ein nomineller Freibord von 150 mm verbleibt.
  2. Der Brennstoff in der Brandwanne wird in nicht mehr als 5 min nach dem Befüllen entzündet. Nach einer Vorbrennzeit von (60 ± 5) s, gemessen nach dem vollständigen Durchzünden, wird mit der Schaumaufgabe begonnen.
  3. Die Beschäumung erfolgt für die Dauer von (300 ± 2) s. Danach wird die Beschäumung eingestellt und nach weiteren (300 ± 10) s wird das Rückbrandgefäß, gefüllt mit (2 ± 0,1) I Brennstoff, in die Mitte der Brandwanne gestellt und entzündet. Die 25%-Rückbrandzeit wird aufgezeichnet.

3.9.7 Zulässige Werte

  1. Löschzeit:
    nicht mehr als 5 min,
  2. Rückzündzeit:
    nicht weniger als 15 min für 25% der Brandfläche.

3.10 Korrosionsverhalten

Der Lagerbehälter muss während der gesamten Lagerzeit des Schaummittelkonzentrates mit diesem so verträglich sein, dass die physikalischen und chemischen Eigenschaften nicht unter die von der Verwaltung anerkannten Ausgangswerte absinken.

3.11 Dichte

Die Bestimmung der Dichte erfolgt entsprechend ASTM D1298-85.

4 Regelmäßige Überprüfung von an Bord gelagerten Schaummittelkonzentraten

Die Verwaltung wird auf die Tatsache hingewiesen, dass spezielle Bedingungen vor Ort (erhöhte Umgebungstemperatur, unvollständige Füllung der Tanks usw.) zu einer vorzeitigen Alterung der Schaummittelkonzentrate führen kann.

Bei einer regelmäßigen Überprüfung der Schaummittelkonzentrate sollen die Prüfungen nach den Absätzen 4.1 bis 4.5 durchgeführt werden. Sie sollen durch von der Verwaltung anerkannte Laboratorien ausgeführt werden. Die Abweichungen der Werte, die bei diesen Prüfungen festgestellt werden, im Vergleich mit denen, die bei der Typzulassung festgestellt wurden, sollen innerhalb von der Verwaltung anerkannten Grenzen liegen.

Die Prüfungen nach den Absätzen 4.1, 4.3 und 4.4 sollen mit Proben durchgeführt werden, die zuvor 24 h lang bei 60 °C aufbewahrt und anschließend auf die Prüftemperatur abgekühlt wurden.

4.1 Sediment

Entsprechend obigem Absatz 3.3.

4.2 pH-Wert

Entsprechend obigem Absatz 3.5.

4.3 Verschäumung

Entsprechend obigem Absatz 3.7.

4.4 Wasserabscheidung

Entsprechend obigem Absatz 3.8.

4.5 Dichte

Entsprechend obigem Absatz 3.11.

5 Zeiträume für regelmäßige Überprüfungen

Die erste regelmäßige Überprüfung von an Bord gelagerten Schaummittelkonzentraten soll nach drei Jahren er folgen, danach jährlich.

Der Nachweis über das Alter des Schaummittelkonzentrates und die erfolgten Überprüfungen soll an Bord auf bewahrt werden.

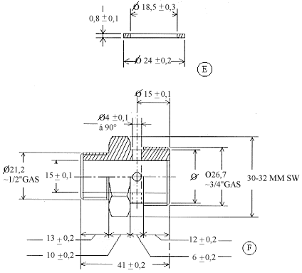
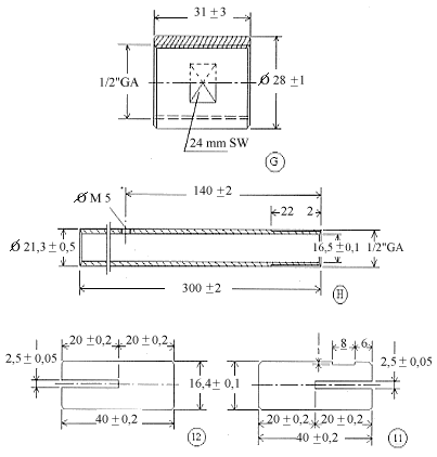
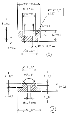
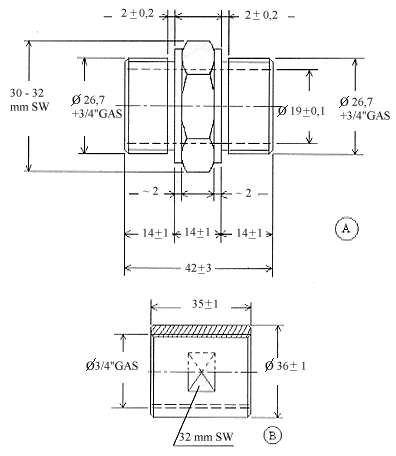
Abbildung 1: Typische Ausführung des Polyethylenrohrs

Abbildung 2: Auffanggefäß zur Bestimmung der Verschäumungszahl und der Wasserabscheidung 

Abbildung 3: Schaum-Auffangvorrichtung 

Abbildung 4: Schwerschaumrohr (Übersicht) 

Abbildung 4: Schwerschaumrohr (Einzelheiten) 

*)siehe auch Regel II-2/10.8.1 SOLAS 74(2000) und Kapitel 14 FSS-Code

**

umwelt-online - Demo-Version


(Stand: 29.11.2018)

Alle vollständigen Texte in der aktuellen Fassung im Jahresabonnement
Nutzungsgebühr: ab 105.- € netto

(derzeit ca. 7200 Titel s.Übersicht - keine Unterteilung in Fachbereiche)

Preise & Bestellung

Die Zugangskennung wird kurzfristig übermittelt

? Fragen ?
Abonnentenzugang/Volltextversion