Für einen individuellen Ausdruck passen Sie bitte die
Einstellungen in der Druckvorschau Ihres Browsers an.
Regelwerk

AU-Richtlinie
Richtlinie für die Durchführung der Untersuchung der Abgase von Kraftfahrzeugen nach Nummer 6.8.2 der Anlage VIIIa Straßenverkehrs-Zulassungs-Ordnung (StVZO)

Vom 7. Mai 2012
(VkBl. Nr. 10 vom 31.05.2012 S. 330; 27.08.2014 S. 658aufgehoben)


Zur aktuellen Fassung

Im Benehmen mit den der zuständigen obersten Landesbehörden gebe ich bekannt:

  1. Die Neufassung der Richtlinie für die Durchführung der Untersuchung der Abgase von Kraftfahrzeugen nach Nummer 6.8.2 der Anlage VIIIa StVZO (AU-Richtlinie). Sie ist ab dem 1.7.2012 anzuwenden.
  2. Das Muster eines Nachweises nach Nummer 3.1.1.1 der Anlage VIII StVZO.
  3. Die Richtlinie für die Durchführung der Untersuchung der Abgase von Kraftfahrzeugen nach Nummer 4.8.2 Anlage VIIIa StVZO und für die Durchführung von Abgasuntersuchungen an Kraftfahrzeugen nach § 47a StVZO vom 7. April 2008 (VkBl. 2008 S. 196) ist ab dem 1.7.2012 nicht mehr anzuwenden.
  4. Die Muster eines Nachweises nach Nummer 3.1.1.1 der Anlage VIII StVZO und einer Prüfbescheinigung nach § 47a Absatz 3 StVZO (VkBl. 2008 S. 634) sind ab dem 1.7.2012 nicht mehr anzuwenden.

1. Allgemeines

1.1 Anwendungsbereich und Sonderregelungen

1.1.1 Diese Richtlinie gilt für die Durchführung der Untersuchung der Abgase von Kraftfahrzeugen im Rahmen der Hauptuntersuchung nach Nummer 6.8.2 der Anlage VIIIa StVZO - im Folgenden als AU bezeichnet -, die mit Fremd- oder Kompressionszündungsmotor angetrieben werden.

1.1.2 Sie gilt für die nach Anlage VIII StVZO Nummer 1.2.1.1 in Verbindung mit Nummer 1.2.1.2 abgasuntersuchungspflichtigen Kraftfahrzeuge.

1.1.3 Als Krafträder im Sinne dieser Richtlinie gelten nach Nummer 1.2.1.2.2 der Anlage VIII StVZO Kraftfahrzeuge, der Klassen L3e, L4e, L5e und L7e nach Abschnitt 2 der Anlage XXIX StVZO, die ab denn 01.01.1989 erstmals in den Verkehr gekommen sind.

1.1.4 Als selbstfahrende Arbeitsmaschinen im Sinne dieser Richtlinie gelten nach § 2 Nummer 17 der Fahrzeug-Zulassungsverordnung grundsätzlich die selbstfahrenden Arbeitsmaschinen, die in der Veröffentlichung vom 20. Oktober 2006 (VkBl. 2006 S. 794) bekannt gemacht wurden in der Fassung der Ergänzung vom 30. April 2008 (VkBl. 2008 S. 222), die nicht den Baumerkmalen von Lastkraftwagen hinsichtlich des Antriebsmotors und des Fahrgestells entsprechen.

1.1.5 Die Untersuchung der Abgase der Kraftfahrzeuge nach Nummer 1.2.1.1 Anlage VIII StVZO in Verbindung mit Nummer 6.8.2 Anlage VIIIa StVZO kann nach Nummer 3.1.1.1 Anlage VIII StVZO als eigenständiger Teil der Hauptuntersuchungen von einer dafür nach Nummer 1 Anlage VIIIc StVZO anerkannten Kraftfahrzeugwerkstatt durchgeführt werden.

1.1.6 Für die Durchführung der AU gilt, dass sich für alle Kraftfahrzeuge im Allgemeinen die Untersuchung der Abgase nach Anlage VIIIa StVZO Nummer 6.8.2.1 auf den Untersuchungspunkt "Abgasreinigungssystem" und Nummer 6.8.2.2 auf den Untersuchungspunkt "Motormanagement-/ Abgasreinigungssystem" beschränkt.

1.1.7 Bei der Durchführung der AU ist festzustellen, ob das Abgasverhalten des untersuchten Kraftfahrzeugs nach dem jeweiligen Stand der Technik als "in Ordnung" eingestuft werden kann. Dazu sind die für das Fahrzeug geltenden und in den Nummern 3 näher beschriebenen Arbeiten auszuführen.

1.1.8 Kraftfahrzeuge mit einem OBD-System, die eine Typgenehmigung nach den Bestimmungen der Richtlinie 2005/55/EG oder nach Verordnung (EG) Nr. 595/2009 oder deren jeweils danach geänderten Fassungen haben, können nach den Bestimmungen und dem Prüfablauf nach Nummer 3.6 untersucht werden. Dies gilt jedoch nur, wenn

  1. der Fahrzeughersteller dieses Prüfverfahren für das zu untersuchende Kraftfahrzeug verbindlich vorgegeben hat,
  2. die Identifizierung des Kraftfahrzeugs anhand der Zulassungsdokumente sichergestellt ist und
  3. die notwendigen Informationen zur Untersuchung nach Nummer 3.6 vorliegen.

NOx-relevante Einträge, die nach Ziffer 3 vorn Fahrzeughersteller aufgelistet worden sind, müssen von der für die Durchführung der AU verantwortlichen Person gesondert bewertet werden. Sind ausschließlich NOxrelevante Einträge vorhanden und die Ergebnisse der Sichtprüfung, des Status und der Ansteuerung Kontrollleuchte Motordiagnose i.0, so ist im Feld "Bemerkungen" das Gesamtergebnis abweichend von Nummer 10 des Nachweises als "AU bestanden" mit dem Hinweis "NOxrelevanter Eintrag" zu erläutern. Die Bestimmungen nach Nummer 1.1.9 sind sinngemäß anzuwenden.

1.1.9 Sofern bestimmte Kraftfahrzeuge mit einem OBD-System nach den Prüfverfahren entsprechend Nummer 3.4 oder Nummer 3.6 nicht prüfbar sind, muss der Fahrzeughersteller dies dem Bundesministerium für Verkehr, Bau und Stadtentwicklung (BMVBS) mitteilen und ein entsprechendes Ersatzverfahren festlegen und bekannt machen. Die Eignung dieses Ersatzverfahrens muss vorab von einer für die Begutachtung der Zusatzanforderungen an die AU-Abgasmessgeräte in Nummer 1.2.2 genannten Stelle geprüft und bestätigt worden sein. Im Feld "Bemerkungen" ist in diesen Fällen der Hinweis "OBD-Verf. n. Fz-Hersteller nicht anwendbar; Bewertung nach Ersatzverfahren i.O." einzutragen.

1.2 Mess- und Prüfgeräte

1.2.1 Die nach Nr. 3 Anlage VIIId StVZO in der Tabelle unter den Nummern 17 bis 22 vorgeschriebenen Mess- und Prüfgeräte sind für die Durchführung der Untersuchung der Abgase zu verwenden und müssen den dort genannten Vorschriften entsprechen.

1.2.2 Die für die Untersuchung von Kraftfahrzeugen - ausgenommen Krafträder - mit

  1. Fremdzündungsmotor, Katalysator und lambdageregelter Gemischaufbereitung, ohne oder mit On-Board-Diagnosesystem oder
  2. Kompressionszündungsmotor, ohne oder mit OBD-System eingesetzten AU-Abgasmessgeräte müssen des Weiteren denn in dieser Richtlinie vorgegebenen Ablauf des Prüfverfahrens genügen, für das sie eingesetzt werden. Sie müssen über Einrichtungen verfügen oder mit Einrichtungen verbunden sein, die die angegebenen Daten und die ermittelten Messwerte aufnehmen, speichern und in Form eines Nachweises ausdrucken. Die Erfüllung dieser Zusatzanforderungen ist mit einem Gutachten der Abgasprüfstelle der TÜV-Nord Mobilität GmbH & Co.KG, Adlerstraße 7, 45307 Essen oder der Prüfstelle für AU-Abgasmessgeräte der DEKRa Automobil GmbH, Handwerkstr. 15, 70565 Stuttgart nachzuweisen.

Dies gilt entsprechend auch für den Ablauf der Prüfverfahren für Krafträder nach Nummer 3.8 oder 3.9, sofern diese Prüfverfahren optional verfügbar gemacht werden sollen.

1.2.3 Die imerstaatliche Bauartzulassung oder die EG-Baumusterprüfbescheinigung und das positive Gutachten einer der in Nummer 1.2.2 genannten Stellen sind die Voraussetzung dafür, dass ein AU-Abgasmessgerät entsprechend den im Gutachten festgelegten Bedingungen für AU eingesetzt werden darf. Jedem AU-Abgasmessgerät, das für AU eingesetzt werden kann, ist ein Abdruck des Gutachtens beizugeben. Zudem ist ein solches AU-Abgasmessgerät mit einem Aufkleber gemäß Anlage 4 kenntlich zu machen.

1.2.4 Die für die Durchführung der Untersuchungen nach dieser Richtlinie einsetzbaren Softwareversionen für die AU-Abgasmessgeräte sind im Leitfaden zur Begutachtung der Bedienerführung (AU-Geräteleitfaden) von AU-Abgasmessgeräten in der

  1. Version 3 vom 14.01.2005 oder
  2. Version 4 vom 30.04.2008

näher erläutert. Zulässig nach Nummer 3.4 Anlage VIIId StVZO für die Untersuchung nach Nummer sind:

Nummer Version 3 Version 4
3.2 (Otto ohne-/U-Kat) X X
3.3 (Otto G-Kat) X X
3.4 (Otto mit OBD-System) *

- EZ bis 31.12.2005
- EZ ab 01.01.2006

X

X
X

3.5 (Diesel) X X
3.6 (Diesel mit OBD-System) *

- EZ bis 31.12.2005
- EZ ab 01.01.2006

X

X
X

*) Gilt grundsätzlich nur für Kraftfahrzeuge mit Fremdzündungsmotor oder Kompressionszündungsmotor, die nach der Richtlinie 70/220/EWG oder der Verordnung (EG) Nr. 715/2007 typgenehmigt sind.

1.2.5 Der AU-Geräteleitfaden kann bei Bedarf von den unter Nummer 1.2.2 genannten Stellen bezogen oder beim BMVBS eingesehen werden.

1.2.6 Sofern erforderlich, sind auch nach dem Stand der Technik geeignete Mess- oder Prüfgeräte zur Ermittlung der Motortemperatur, des Schließwinkels, des Zündzeitpunktes sowie zur Regelkreisprüfung nach Nummer 3.3.1.8.4 oder 3.3.1.8.5 einzusetzen. Die mit diesen Geräten ermittelten Werte dürfen für die Erstellung des Nachweises über das AU-Abgasmessgerät manuell eingegeben werden. Die Eingabe ist durch das AU-Abgasmessgerät kenntlich zu machen. Dies gilt nicht für die Untersuchungsverfahren nach Nummer 3.4 und Nummer 3.6.

1.2.7 Bei der Untersuchung von Kraftfahrzeugen mit Fremdzündungsmotor, ohne Katalysator oder mit U-Kat und bei Krafträdern, können die geforderten Daten und ermittelten Messwerte auch handschriftlich in den Nachweis eingetragen werden.

1.3 Inkrafttreten der Richtlinie

Diese Richtlinie ist ab dem 01.07.2012 bei Untersuchungen nach Nummer 1.1.1 anzuwenden.

2. Vorbereitung der AU

2.1 Fahrzeug-Identifizierung

2.1.1 Zulassungsdokument (Fahrzeugschein oder Fahrzeugbrief bzw. Zulassungsbescheinigung Teil I oder Teil II) sowie ggf. den Nachweis der letzten Untersuchung vorlegen lassen.

2.1.2 Prüfen, ob das vorgelegte Zulassungsdokument zum vorgestellten Kraftfahrzeug gehört

2.1.3 Die nachfolgend genannten Identifizierungsangaben gemäß Zulassungsdokument sind aufzunehmen:

2.1.4 Feststellen, welches Untersuchungsverfahren nach dieser Richtlinie bei dem zu untersuchenden Kraftfahrzeug angewendet werden muss, und sicherstellen, dass die dafür notwendigen AU-Daten vorhanden sind.

2.2 Solldaten des Fahrzeugherstellers

Die beiden nachfolgenden Übersichten geben die für die einzelnen Untersuchungsverfahren erforderlichen und aufzunehmenden Solldaten an; darin sind auch die bei fehlenden Herstellervorgaben zu Grunde zu legenden Solldaten enthalten.

Die Herstellervorgaben müssen mindestens diese zu Grunde zu legenden Solldaten einhalten, es sei denn, der Hersteller weist gegenüber einer vom BMVBS bestimmten Stelle nach Nummer 1.2.2 nach, dass diese Werte auch bei ordnungsgemäßem Zustand des Motors und der schadstoffrelevanten Bauteile nicht eingehalten werden können.

1. Untersuchungsverfahren für Kraftfahrzeuge mit Fremdzündungsmotor:

Untersuchungsverfahren
Fremdzündungsmotor
Fremdzündungsmotor
allgemein
Krafträder Maßeinheit Hinweise
ohne Kat,
mit U-Kat
mit G-Kat mit OBD-
System *
ohne Kat,
mit U-Kat
mit
G-Kat
Solldaten:
Motortemperatur X *
[≥ 60 bezogen Lit]
X *
[≥ 60 bezogen Lit]
°C Motoröl, Kühlmittel oder Motorteile
[Motoröl] [Kühlmittel] [Motorteile]
Zündzeitpunkt X (X) - - - °Kw vor/nach OT bzw. +/-
Schließwinkel X - - - - °Kw auch als %
Leerlaufdrehzahl X * X - min-1
Erhöhte Leerlaufdrehzahl (X) X *
[2500 bis 3,000]
- X
[2000-
3000]
min-1
Anzahl Abgasanlagen und durchzu- führender Messungen X *
[1]
X
[1]
-
CO-Gehalt im Abgas bei Leerlauf X
[≤ 3,5]
X
[≤ 0,5]
bzw.
[≤ 0,3]
- X
[≤ 4,5]-
- %vol
CO-Gehalt im Abgas bei erhöhtem Leerlauf (X) X
[≤ 0,3]
bzw.
[≤ 0,2]
X *
[≤ 0,2]
- X
[≤ 0,3]
%vol
Lambda bei erhöhtem Leerlauf - X *
[0,97 bis 1,03]
- - -
Verfahren für Regelkreisprüfung: - X - - - -
Drehzahl für Störgrößenaufschaltung - X - - - min-1
Auslenkung bei der Regelkreisprüfung - X
[≥ 0,03]
bzw.
[≥ 0,02]
- - - -
Anzahl der Auslenkungen - X
[2 Halbwellen]
- - - -
OBD-System-Daten:
Prüfdrehzahl - Regelsonden - - X *
[Leerlaufdrehzahl]
- - min-1
Ausführung - Regelsonden - - X * - - - Sprungsonden: S Breitbandsonden: B
Sprungsonden - minimal zulässiger Spannungshub - - X *
[0,3]
- - V
Breitbandsonden - Wert für Lambda, Stromstärke oder Spannung - - X *
[λ = 0,97
bis 1,03]
- - -
mA
V

2. Untersuchungsverfahren für Kraftfahrzeuge mit Kompressionszündungsmotor1:

Untersuchungsverfahren Kompressionszündungsmotor Kompressionszündungsmotor allgemein Maßeinheit Hinweise
ohne
OBD-System
mit
OBD-System *
Solldaten:
Motortemperatur X *
[≥ 60 bezogen auf:]
°C Motoröl oder Kühlmittel
[Motoröl] [Kühlmittel]
Leerlaufdrehzahl X * min-1
Abregeldrehzahl X * min-1
Messzeit Abregeldrehzahl- ermittlung X *
[5]
s
Messzeitanteil Abregeldrehzahl (Trübungsmessung) X *
[0,5 bis 2]
s
Anzahl Abgasanlagen u. durchzuführender Messungen X *
[1]
-
Messmodus (a oder B) X *
[B]
- unterschiedliche Zeitkonstanten für die Messkreise
Rauchgastrübung X *
Korrigierter Absorptionskoeffizient auf dem Herstellerschild am Fahrzeug
(Plakettenwert) ** ansonsten [≥ 2,5] bzw. [≥ 1,5] ***
m-1 ausschließlich Trübungskoeffizient
Sondengröße (1 oder 2) X * Sonde 1 oder 2 für Auspuffendrohre bis 70 oder über 70 mm 0
Beschleunigungszeit [≤ 2,0] zGM ≤ 3,5 t
[≤ 4,0] zGM > 3,5 t
[≤ 2,0] * s maximale Bandbreite 0,5 s

1) Hinweis:
Für Krafträder, deren Antriebsmotor mit Dieselkraftstoff betrieben wird ist zurzeit noch kein AU-Verfahren praxistauglich verfügbar. Insoweit beschränkt sich die AU bei diesen Krafträdern auf eine Sichtprüfung und Identifikation der abgasrelevanten Bauteile.
Legende:
(X): Entsprechend gekennzeichnete Solldaten sind nur dann zu überprüfen, wenn der Hersteller hierzu eine Angabe gemacht hat.
[...]:Angabe des zu Grunde zu legenden Sollwertes bei fehlender Herstellervorgabe.
*) Bei Kraftfahrzeugen mit Fremdzündungsmotoren oder Kompressionszündungsmotor (Typgenehmigung nach Richtlinie 70/220/EWG oder Verordnung (EG) 715/2007), die ab dem 01. Januar 2006 erstmals für den Verkehr zugelassen wurden, kann auf die Messung und Bewertung des Abgasverhaltens verzichtet werden, wenn das Ergebnis nach Ziffer 5 in Nummer 3.4.4.6 oder 3.6.4.6 dies zulässt. Dies gilt entsprechend auch für die Kraftfahrzeuge nach Nummer 1.1.8 .
**) Ist der Plakettenwert nicht verfügbar oder ist technisch begründet, dass er nicht anzuwenden ist, gilt der vom Hersteller für das Kraftfahrzeug vorgegebene Sollwert.
***) Für Fahrzeuge, die ab dem 01.10.2006 erstmals in den Verkehr gekommen sind, gilt ein Trübungswert von max. 1,5 m-1.

3. Durchführung der AU

Untersuchungspunkt "Motormanagement-/Abgasreinigungssystem"

3.1 Eingabe der Fahrzeug-Ident.-Daten
- aus dem Zulassungsdokument
Fahrzeugschein ( - Feld Nr.) oder
Zulassungsbescheinigung ([ ] Feld)
mit Angabe der einzugebenden Stellen
- gilt für alle zu untersuchenden Kraftfahrzeuge
3.1.1 Kennzeichen max.10 Stellen
- komplett
[ ] komplett
3.1.2 Emissionsschlüsselnummer 4 Stellen
- Schlüssel-Nr. zu Feld Nr. 1
[ ] Feld 14.1 (Code zu Feld 14)
3.1.3 Fahrzeughersteller max. 25 Stellen
- Feld Nr. 2
[ ] Feld 2
- Schlüssel-Nr. zu Feld Nr. 2 4 Stellen
[ ] Feld 2.1 (Code zu Feld 2)
3.1.4 Typ und Ausführung/Typ max. 25 Stellen
- Feld Nr. 3
[ ] Feld D 2 (nur Typ)
- Schlüssel-Nr. zu Feld Nr. 3 (die ersten) 3 Stellen
[ ] Feld 2.2 (Code zu Feld D.2)
3.1.5 Fahrzeug-Ident.-Nr. max. 17 Stellen
- Feld Nr. 4 komplett
[ ] Feld E komplett
3.1.6 Kraftstoffart auswählen
- Benzin
- Flüssiggas
- Erdgas
- Diesel
- Wasserstoff
ggf. andere Kraftstoffart
3.1.7 Stand des Wegstreckenzählers 7 Stellen
- im Fahrzeug ablesen
3.1.8 Datum der Erstzulassung
(tt.mm.jjjj) max. 10 Stellen
- Feld Nr. 32 komplett
[ ] Feld B komplett
3.2 Untersuchung eines Kraftfahrzeugs (ausgenommen Kraftrad) mit Fremdzündungsmotor ohne Katalysator oder mit Katalysator, jedoch ohne lambdageregelte Gemischaufbereitung
3.2.1 Eingabe der Fahrzeug-Soll-Daten
3.2.1.1 Motortemperatur [°C]
(nach Herstellervorgabe, ansonsten min. 60°C Öltemperatur)
3.2.1.2 Zündzeitpunkt [+ °Kw/- °Kw]
- soweit darstellbar (min/max.)
3.2.1.3 Schließwinkel [Grad/%]
- bei kontaktgesteuerten Zündanlagen -
3.2.1.4 Leerlaufdrehzahl (min/max.) [min-1]
3.2.1.5 CO-Gehalt im Auspuffendrohr bei Leerlauf
(nach Herstellervorgabe, ansonsten max. 3,5 % vol)
[% vol]
3.2.1.6 Erhöhte Leerlaufdrehzahl [min-1]
- sofern gefordert (min/max.)
3.2.1.7 CO-Gehalt im Auspuffendrohr bei erhöhtem Leerlauf und Lambda > 1 [% vol]
- sofern gefordert (max.)

3.2.2 Motor und ggf. Katalysator auf Betriebstemperatur bringen; sofern vorgegeben, entsprechend den Anleitungen des Fahrzeugherstellers.

3.2.3 Funktionsprüfung

Kontrolle der schadstoffrelevanten Einstelldaten auf Einhaltung der vom Fahrzeughersteller für das Kraftfahrzeug vorgegebenen Sollwerte nach den Anleitungen des Fahrzeugherstellers.

3.2.3.1 Istwerte des Kraftfahrzeugs, entsprechend den in Nummer 3.2.1 vorgegebenen Sollwerten, ermitteln und aufnehmen.

Der Wert für Lambda ist bei erhöhtem Leerlauf nach Nummer 3.2.1.7 gemäß der in Anlage 2 dieser Richtlinie festgeschriebenen Formel zu errechnen. Dies erfordert den Einsatz eines AU-Abgasmessgerätes, das den Anforderungen entsprechend Nummer 1.2.2 genügt.

3.2.3.2 Sofern für das Kraftfahrzeug vom Hersteller keine Sollwerte angegeben sind, gilt die Einstellung nach dem jeweiligen Stand der Technik als erfüllt, wenn die Schadstoffemissionen bei betriebssicherer Funktion des Motors minimiert sind. Der CO-Gehalt im Leerlauf darf dabei den Wert von 3,5 % vol nicht übersteigen, es sei denn, es wird nachgewiesen, dass er auch bei ordnungsgemäßem Zustand des Motors und der schadstoffrelevanten Bauteile nicht eingehalten werden kann. Die für die Durchführung der AU verantwortliche Person hat dies im Nachweis darzulegen.

3.2.3.3 AU abschließen oder ab Nummer 3.2.2 wiederholen.

3.2.4 Nachweis erstellen

Die für die Durchführung der AU verantwortliche Person hat nach Abschluss der AU einen Nachweis auszustellen. Der Nachweis muss die nachfolgenden Angaben enthalten:

3.2.4.1 Datum, Uhrzeit, ausführende Stelle (Narine, Anschrift), Messgerätetyp, AU-Programmversion

Die AU-Programmversion entfällt bei einem Nachweis nach Nummer 1.2.7.

3.2.4.2 Fahrzeug-Ident.-Daten

3.2.4.3 Fahrzeug-Soll-Daten

3.2.4.4 Fahrzeuglst-Daten

3.2.4.5 Ergebnis der Einzelprüfungen Soll/Ist-Vergleich (i.O./n.i.O.)

3.2.4.6 Ggf. Abweichungen/Erläuterungen zu den einzelnen Punkten

3.2.4.7 Gesamtergebnis

3.2.4.8 Monat, Jahr des Ablaufs der Frist für die nächste AU

[--] (Angabe entfällt)

3.2.4.9 Unterschrift der für die Durchführung der AU verantwortlichen Person und bei anerkannten Kraftfahrzeugwerkstätten die Kontrollnummer und das Nachweis-Siegel.

3.3 Untersuchung eines Kraftfahrzeugs (ausgenommen Kraftrad) mit Fremdzündungsmotor, mit Katalysator und lambdageregelter Gemischaufbereitung

3.3.1 Eingabe der Fahrzeug-Soll-Daten

3.3.1.1 Motortemperatur
(nach Herstellervorgabe, ansonsten min. 60°C Öltemperatur)
[°C]
3.3.1.2 Zündzeitpunkt [+ °Kw/- °Kw]
- soweit darstellbar (min/max.)
3.3.1.3 Leerlaufdrehzahl
(min/max.)
[min-1]
3.3.1.4 CO-Gehalt im Auspuffendrohr bei Leerlauf
(nach Herstellervorgabe, ansonsten
[% vol]
- max. 0,5 % vol bei Kraftfahrzeugen die keine EG-Typgenehmigung haben oder die vor dem 1. Juli 2002 erstmals in den Verkehr gebracht worden sind
- max. 0,3 % vol bei allen übrigen Kraftfahrzeugen)
3.3.1.5 Erhöhte Leerlaufdrehzahl
(min./max. nach Herstellervorgabe, ansonsten 2500/3000)
[min-1]

3.3.1.6 Werte für Lambda bei erhöhtem Leerlauf im Auspuffendrohr

(min./max. nach Herstellervorgabe, ansonsten Lambda 0,97/1,03)

3.3.1.7 CO-Gehalt im Auspuffendrohr bei erhöhtem Leerlauf [% vol]

(nach Herstellervorgabe, ansonsten

3.3.1.8 Regelkreisprüfung

3.3.1.8.1 Störgrößenaufschaltung bei Drehzahl

(min./max.)

[min 1]

3.3.1.8.2 Anzahl der Lambda-Auslenkungen (nach Herstellervorgabe, ansonsten 2 Halbwellen)

3.3.1.8.3 Δλ≥ 0,03 oder sofern vom Hersteller in begründeten Einzelfällen vorgegeben Δλ≥ 0,02

3.3.1.8.4 Ersatzverfahren nach Herstellerangabe Die Eignung eines Ersatzverfahrens muss von einer für die Begutachtung der Zusatzanforderungen an die AU-Abgasmessgeräte in Nummer 1.2.2 genannten Stelle geprüft und bestätigt worden sein.

3.3.1.8.5 Alternatives Verfahren nach Herstellerangabe

3.3.2 Motor und Katalysator auf Betriebstemperatur bringen; sofern vorgegeben, entsprechend den Anleitungen des Fahrzeugherstellers.

3.3.3 Funktionsprüfung

Kontrolle der schadstoffrelevanten Einstelldaten auf Einhaltung der vom Fahrzeughersteller für das Kraftfahrzeug vorgegebenen Sollwerte nach den Anleitungen des Fahrzeugherstellers.

3.3.3.1 Motortemperatur ermitteln und aufnehmen [°C]
3.3.3.2 Istwerte des Kraftfahrzeugs bei erhöhtem

Leerlauf ermitteln und aufnehmen. Dazu ist die erhöhte Leerlaufdrehzahl anzufahren und mindestens 30 Sekunden vor der Messung zu halten.

3.3.3.2.1 Erhöhte Leerlaufdrehzahl [min-1]
3.3.3.2.2 Lambda-Wert

Der Wert für Lambda ist nach der in Anlage 2 dieser Richtlinie festgeschriebenen Formel zu errechnen.

3.3.3.2.3 CO-Gehalt im Auspuffendrohr [% vol]
3.3.3.3 Istwerte des Kraftfahrzeugs bei Leerlauf ermitteln und aufnehmen
3.3.3.3.1 Leerlaufdrehzahl [min-1]
3.3.3.3.2 CO-Gehalt im Auspuffendrohr [% vol]
3.3.3.3.3 Zündzeitpunkt

- soweit darstellbar -

[+ °Kw/- °Kw]
3.3.3.4 Regelkreisprüfung (Grundverfahren)
3.3.3.4.1 Prüfdrehzahl anfahren und halten sowie Lambda-Wert erfassen

3.3.3.4.2 Störgröße aufschalten (Δλ≥ 0,03 oder Δλ≥ 0,02 entsprechend Nummer 3.3.1.8.3)

3.3.3.4.3 Ausregelung abwarten (max. 60 s)

3.3.3.4.4 Störgröße zurücknehmen (Δλ≥ entsprechend Nummer 3.3.3.4.2)

3.3.3.4.5 Ausregelung abwarten (max. 60 s) und Lambda-Wert erfassen (|Δλ | zu Nummer 3.3.3.4.1 ≤ 0,01)

3.3.3.4.6 Bewertung des Regelkreises

3.3.3.5 Regelkreisprüfung (Ersatzverfahren)

3.3.3.5.1 Prüfung entsprechend den nach Nummer 3.3.1.8.4 geprüften und bestätigten Herstellervorgaben mit den dazu vom Hersteller bestimmten oder anderen geeigneten Prüfeinrichtungen

3.3.3.5.2 Bewertung des Regelkreises

3.3.3.6 Regelkreisprüfung (alternatives Verfahren)

3.3.3.6.1 Prüfung nach Herstellervorgabe mit den dazu vom Hersteller bestimmten oder anderen geeigneten Prüfeinrichtungen

3.3.3.6.2 Bewertung des Regelkreises

3.3.3.7 AU abschließen oder ab Nummer 3.3.2 wiederholen

3.3.4 Nachweis erstellen

Die für die Durchführung der AU verantwortliche Person hat nach Abschluss der AU einen Nachweis auszustellen. Der Nachweis muss die nachfolgenden Angaben enthalten:

3.3.4.1 Datum, Uhrzeit, ausführende Stelle (Name, Anschrift), Messgerätetyp, AU-Programmversion

3.3.4.2 Fahrzeug-Ident.-Daten

3.3.4.3 Fahrzeug-Soll-Daten

3.3.4.4 Fahrzeuglst-Daten

3.3.4.5 Ergebnis der Einzelprüfungen

Soll/Ist-Vergleich (i.O./n.i.O.) und Bewertung des Regelkreises (i.O./n.i.O.)

3.3.4.6 Ggf. Abweichungen/Erläuterungen zu den einzelnen Punkten

3.3.4.7 Gesamtergebnis

3.3.4.8 Monat, Jahr des Ablaufs der Frist für die nächste AU

[--] (Angabe entfällt)

3.3.4.9 Unterschrift der für die Durchführung der AU verantwortlichen Person und bei anerkannten Kraftfahrzeugwerkstätten die Kontrollnummer und das Nachweis-Siegel.

3.3.5 Bemerkungen zu den AU-Abgasmessgeräten

3.3.5.1 Die verwendeten AU-Abgasmessgeräte müssen die mit der Untersuchung befasste Person durch das Prüfverfahren führen (Bedienerführung).

3.3.5.2 Die Istdaten sind vom AU-Abgasmessgerät in der Regel automatisch zu ermitteln und aufzunehmen. Sofern dies entsprechend Nummer 1.2.6 nicht möglich ist, darf eine manuelle Eingabe des entsprechenden Istwertes erfolgen. Die Eingabe ist durch das AU-Abgasmessgerät auf dem Nachweis kenntlich zu machen.

3.3.5.3 Erfolgt auf eine Vorgabe der Bedienerführung nach Aufnahme der Motortemperatur innerhalb von 10 Minuten keine Eingabe oder Reaktion und somit kein Fortschritt im Prüfablauf, hat das AU-Abgasmessgerät die Untersuchung automatisch abzubrechen. Ein gewollter Abbruch der Untersuchung muss darüber hinaus jederzeit möglich sein. Nach Abbruch der Untersuchung ist der Nachweis mit den bis zum Abbruch erfassten Daten und der Bemerkung "Untersuchung abgebrochen" auszudrucken.

3.3.5.4 Die Bedienerführung des AU-Abgasmessgerätes muss die Möglichkeit eröffnen, nach den Untersuchungsschritten Nummer 3.3.3.1, 3.3.3.2, 3.3.3.3, 3.3.3.4, 3.3.3.5 oder Nummer 3.3.3.6 eine Wiederholung des jeweiligen Untersuchungsschrittes zuzulassen.

3.4 Untersuchung eines Kraftfahrzeugs (ausgenommen Kraftrad) mit Fremdzündungsmotor, mit Katalysator und lambdageregelter Gemischaufbereitung und mit On-Board-Diagnosesystem (OBD-System)

3.4.1 Verbinden des Auslesegerätes mit der Diagnoseschnittstelle des Fahrzeugs: Die Lage der Diagnoseschnittstelle muss vom Fahrzeughersteller in den Solldaten angegeben werden.

3.4.2 Sichtprüfung der Kontrollleuchte Motordiagnose auf Vorhandensein und Funktion

3.4.2.1 Zündung einschalten

3.4.2.2 Kontrollleuchte Motordiagnose muss leuchten

3.4.2.3 Ergebnis der Sichtprüfung der Kontrollleuchte Motordiagnose

3.4.2.4 Motor starten und im Leerlauf laufen lassen

3.4.3 Kommunikation Auslesegerät mit Steuergerät herstellen

Das Auslesegerät muss alle nach Richtlinie 70/220/EWG oder Verordnung (EG) Nr. 715/2007 zugelassenen Kommunikationsprotokolle automatisch erkennen.

Das Auslesegerät wählt automatisch (ggf.) den MODUS 09 und dann den MO-DUS 01 "Istdaten" im OBD-System des Steuergerätes an.

Wenn die Kommunikation beim ersten Mal nicht hergestellt werden kann, darf dieser Vorgang wiederholt werden. Dazu Zündung ausschalten und Auslesegerät von der Diagnoseschnittstelle trennen, danach ab Nummer 3.4.2.4 wiederholen.

Wenn die Kommunikation nicht aufgebaut werden kann, muss das Fahrzeug zurückgewiesen werden.

Das Gesamtergebnis der AU ist "nicht bestanden". Auf dem Nachweis ist unter Erläuterungen zu vermerken: "kein Kommunikationsaufbau möglich".

3.4.4 Funktionsprüfung OBD-System

Kontrolle von abgasrelevanten Systemdaten aus dem OBD-System.

Die nachfolgenden Systemdaten werden vom Auslesegerät automatisch ausgelesen und an das AU-Abgasmessgerät weitergeleitet. Eine Bewertung erfolgt automatisch durch das AU-Abgasmessgerät.

3.4.4.1 OBD-System-Status

Der OBD-System-Status gibt an, welches OBD-System eingebaut ist. Eine Bewertung dieser Angabe erfolgt nicht, sie dient nur zur Information.

3.4.4.2 Prüfbereitschafts-Tests

Die Prüfbereitschafts-Tests werden als Binärcode dargestellt. Alle unterstützten Tests müssen auf "0" gesetzt sein.

3.4.4.3 Kontonleuchte Motordiagnose

Status "aus":

Kontonleuchte aus = i.O.;
Kontonleuchte an = n.i.O.

Status "an":

Kontonleuchte an = i.O. ;
Kontonleuchte aus = n.i.O.

Die Bewertung der Ansteuerung wird vom Bediener vorgenommen.

3.4.4.4 Anzahl der im Fehlerspeicher (MODUS 01) abgelegten Fehler

3.4.4.5 Auslesen des Fehlerspeichers (MODUS 03)

Ist die Anzahl der Fehler nach Nummer 3.4.4.4 ungleich Null, so wird vom Auslesegerät automatisch der MODUS 03 angewählt und die Fehlercodes der abgespeicherten Fehler ausgelesen und an das AU-Abgasmessgerät weitergeleitet.

Ansonsten weiter mit Nummer 3.4.4.6

3.4.4.6 Bewertung und Anzeige der Ergebnisse aus der Funktionsprüfung

  1. Status Kontrollleuchte Motordiagnose i.O./n.i.O.
  2. Ansteuerung Kontrollleuchte Motordiagnose i.O./n.i.O.
  3. Anzahl gespeicherter Fehler:
  4. Ggf. Fehlercodes Prüfbereitschafts-Tests

Wenn das Datum der Erstzulassung nach Nummer 3.1.8 ab 01.01.2006 ist und Ziffer 5 mit "i.O." bewertet wird, weiter mit Nummer 3.4.7.

3.4.5 Eingabe der Fahrzeug-Soll-Daten

  1. wenn Datum der Erstzulassung des Kraftfahrzeugs vor dem 01.01.2006 liegt oder
  2. wenn nicht alle unterstützten Prüfbereitschaftstests gesetzt sind oder
  3. wenn die Anzahl der unterstützten Prüfbereitschaftstests = 0
3.4.5.1 Motortemperatur

(nach Herstellervorgabe, ansonsten min. 60°C)

[°C]
3.4.5.2 Leerlaufdrehzahl

(min./max.)

[min-1]
3.4.5.3 Erhöhte Leerlaufdrehzahl

(min./max., nach Herstellervorgabe, ansonsten 2500/3000)

[min-1]
3.4.5.4 Wert für Lambda bei erhöhtem Leerlauf im Auspuffendrohr

(min./max. nach Herstellervorgabe, ansonsten Lambda 0,97 bis 1,03)

3.4.5.5 CO-Gehalt im Auspuffendrohr bei erhöhtem Leerlauf

(max., nach Herstellervorgabe, ansonsten max. 0,2 % vol)

[% vol]
3.4.5.6 Abgasrelevante Systemdaten, die über die Diagnoseschnittstelle im MODUS 01 ausgelesen werden
3.4.5.6.1 Prüfdrehzahl zur Ermittlung des Signals der Regelsonde(n)

(min./max., Leerlaufdrehzahl nach Nummer 3.4.5.2 oder nach Herstellervorgabe)

[min-1]

3.4.5.6.2 Ausführung der Regelsonden (Sprungsonden "S" oder Breitbandsonden "B")

3.4.5.6.3 Sprungsonde(n):

minimal zulässiger Wert für den Spannungshub [V] der Regelsonde(n) bei Prüfdrehzahl

(nach Herstellervorgabe, ansonsten min. 0,3 V)

3.4.5.6.4 Breitbandsonde(n):

3.4.6 Abgasprüfung (soweit nach Nummer 3.4.5 erforderlich)

3.4.6.1 Motor und Katalysator auf Betriebstemperatur bringen; sofern vorgegeben, entsprechend den Anleitungen des Fahrzeugherstellers.

Die Motortemperatur und die Motordrehzahl werden über die Diagnoseschnittstelle im MODUS 01 ausgelesen und zum AU-Abgasmessgerät übertragen und dort angezeigt.

Wenn die Motortemperatur und/oder die Motordrehzahl nicht ausgegeben werden, muss das Fahrzeug zurückgewiesen werden. Das Gesamtergebnis der AU ist "nicht bestanden". Auf dem Nachweis ist unter Erläuterungen zu vermerken: "Motortemperatur fehlt" bzw. "Motordrehzahl fehlt".

3.4.6.2 Motortemperatur auslesen und aufnehmen [°C]
3.4.6.3 Istwerte des Kraftfahrzeugs bei erhöhtem

Leerlauf ermitteln und aufnehmen. Dazu ist die erhöhte Leerlaufdrehzahl anzufahren und mindestens 30 Sekunden vor der Messung zu halten.

3.4.6.3.1 Erhöhte Leerlaufdrehzahl [min-l]
3.4.6.3.2 Lambda-Wert

Der Wert für Lambda ist nach der in Anlage 2 dieser Richtlinie festgeschriebenen Formel zu errechnen.

3.4.6.3.3 CO-Gehalt im Auspuffendrohr [% vol]
3.4.6.4 Istwerte des Kraftfahrzeugs bei Leerlauf ermitteln und aufnehmen.
3.4.6.4.1 Leerlaufdrehzahl

Die Leerlaufdrehzahl ist über 5 Sekunden zu messen und muss sich während dieser Zeit im nach Nummer 3.4.5.2 vorgegebenen Bereich bewegen.

[min-l]
3.4.6.5 Prüfung des/der Signal(es/e) der Regelsonde(n)

Wenn unter Nummer 3.4.4.2 festgestellt wurde, dass nicht alle unterstützten Prüfbereitschaftstests gesetzt sind (Binärcodes = 0), oder wenn keine Prüfbereitschaftstests unterstützt werden, wird als Ergänzungsuntersuchung automatisch das/die Signal(e) der Regelsonde(n) ausgelesen und aufgenommen.

Ansonsten weiter mit Nummer 3.4.6.6.

3.4.6.5.1 Prüfdrehzahl anfahren und halten

Die Messzeit beträgt 20 Sekunden

[min-1]
3.4.6.5.2 Istwert(e) der Regelsonde(n) auslesen und aufnehmen
3.4.6.5.2.1 Sprungsonden

- Spannungshub

[V]
3.4.6.5.2.2 Breitbandsonden

- Lambdawert oder

[-]
- Spannung oder [V]
- Stromstärke [m A]
3.4.6.6 Bewertung und Anzeige der Ergebnisse der Abgasprüfung
1. Leerlaufdrehzahl i.O./n. i.O.
2. CO und Lambda bei erhöhtem Leerlauf i.O./n.i.O.
3. Ggf. Prüfdrehzahl i.O./n.i.O
4. Ggf. Prüfung Signal(e)

Regelsonde(n)

i.O./n.i.O.

3.4.6.7 AU abschließen oder ab Nummer 3.4.6 wiederholen

3.4.7 Nachweis erstellen

Die für die Durchführung der AU verantwortliche Person hat nach Abschluss der AU einen Nachweis auszustellen. Der Nachweis muss die nachfolgenden Angaben enthalten:

3.4.7.1 Datum, Uhrzeit, ausführende Stelle (Namen, Anschrift), Messgerätetyp, AU-Programmversion

3.4.7.2 Fahrzeug-Ident.-Daten

3.4.7.3 Ergebnis der Sichtprüfung Kontrollleuchte Motordiagnose

3.4.7.4 Ergebnis der Funktionsprüfung OBD-System

3.4.7.4.1 OBD-System-Status

3.4.7.4.2 Status Kontrollleuchte Motordiagnose

3.4.7.4.3 Ansteuerung Kontrollleuchte Motordiagnose

3.4.7.4.4 Anzahl der gespeicherten Fehler

3.4.7.4.5 Ggf. Fehlercodes mit Fehlertexten

3.4.7.4.6 Prüfbereitschaftstests

3.4.7.5 Ggf. Fahrzeug-Soll-Daten

3.4.7.6 Ggf. Fahrzeuglst-Daten

3.4.7.7 Ggf. Ergebnis der Abgasprüfung

Soll/Ist-Vergleich (i.O./n.i.O.)

3.4.7.7.1 Ggf. Signal(e) der Regelsonde(n)

Soll/Ist-Vergleich (i.O./n.i.O.)

3.4.7.8 Ggf. Abweichungen/Erläuterungen zu einzelnen Punkten

(Eingabe nur über Tastatur; handschriftliche Einträge sind nicht zulässig)

3.4.7.9 Gesamtergebnis

3.4.7.10 Monat, Jahr des Ablaufs der Frist für die nächste AU

[--] (Angabe entfällt)

3.4.7.11 Unterschrift der für die Durchführung der AU verantwortlichen Person und bei anerkannten Kraftfahrzeugwerkstätten die Kontrollnummer und das Nachweis-Siegel.

3.4.8 Bemerkungen zu den AU-Abgasmessgeräten

3.4.8.1 Die verwendeten AU-Abgasmessgeräte müssen den mit der Untersuchung befassten Mitarbeiter durch das Prüfverfahren führen (Bedienerführung).

3.4.8.2 Die Istdaten sind vom AU-Abgasmessgerät automatisch zu ermitteln und aufzunehmen. Eine manuelle Eingabe ist nur für die unter Nummer 3.4.7.8 genannten Abweichungen/Erläuterungen zugelassen. Eine manuelle Befundung (durch die für die Untersuchung verantwortliche Person) ist nur für die Sichtprüfung der Kontrollleuchte Motordiagnose nach Nummer 3.4.2 und für die Prüfung "Ansteuerung Kontrollleuchte Motordiagnose" nach Nummer 3.4.4.3 zugelassen. Die manuellen Eingaben sind durch das AU-Abgasmessgerät im Protokollausdruck kenntlich zu machen.

3.4.8.3 Erfolgt auf die Vorgabe der Bedienerführung nach Aufnahme der Motortemperatur innerhalb von 10 Minuten keine Eingabe oder Reaktion und somit kein Fortschritt im Prüfablauf, hat das AU-Abgasmessgerät die Untersuchung automatisch abzubrechen. Ein gewollter Abbruch der Untersuchung darf nur nach Nummer 3.4.3 (Kommunikationsaufbau) und Nummer 3.4.6.1 möglich sein. Nach Abbruch der Untersuchung ist der Nachweis mit den bis zum Abbruch erfassten Daten und der Bemerkung "Untersuchung abgebrochen" bzw. "kein Kommunikationsaufbau möglich" oder "Motortemperatur fehlt" bzw. "Motordrehzahl fehlt" auszudrucken. In diesem Fall ist das Gesamtergebnis der Prüfung: n.i.O.

3.4.8.4 Die Bedienerführung des AU-Abgasmessgerätes muss die Möglichkeit eröffnen, nach Nummer 3.4.3 eine Wiederholung ab Nummer 3.4.1 und nach Nummer 3.4.6.7 eine Wiederholung ab Nummer 3.4.6.2 zuzulassen.

3.4.8.5 Wird die Kommunikation zwischen Motorsteuergerät und Auslesegerät während der Prüfung unterbrochen und ist ein erneuter Kommunikationsaufbau problemlos möglich, so muss keine Dokumentation (Ausdruck) erfolgen, sondern die Prüfung kann an der Stelle wo sie unterbrochen wurde fortgesetzt werden.

3.4.8.6 Ist kein Auslesegerät an das AU-Abgasmessgerät angeschlossen bzw. findet keine Datenübertragung statt, darf entweder der Prüfablauf nach Nummer 3.4 (Kraftfahrzeug mit OBD-System) nicht aktiviert werden können oder es muss die Meldung "kein Diagnosegerät angeschlossen" bzw. "keine Verbindung" erfolgen.

3.4.8.7 Außerhalb des AU-Ablaufes können die Auslesegeräte auch für allgemeine Diagnosefunktionen genutzt werden. Innerhalb des AU-Ablaufes müssen diese Funktionen jedoch gesperrt sein.

3.5 Untersuchung eines Kraftfahrzeugs (ausgenommen Kraftrad) mit Kompressionszündungsmotor

3.5.1 Eingabe der Fahrzeug-Soll-Daten

3.5.1.1 Motortemperatur

(nach Herstellervorgabe ansonsten min. 60 °C Öltemperatur)

[°C]
3.5.1.2 Leerlaufdrehzahl

(min./max.)

[min-1]
3.5.1.3 Abregeldrehzahl

(min./max.)

[min-1]
3.5.1.4 Länge des Messzeitanteils tx nach Erreichen der Abregeldrehzahl entsprechend der Anlage 3 festlegen. (Nach Herstellerangabe, ansonsten min. 0,5 s; max. 2,0 s) [s]

3.5.1.5 Messmodus a oder B
(Verwendung nach Herstellervorgabe ansonsten Messmodus B)

Erläuterung:

3.5.1.6 Sonde 1 oder 2
(Verwendung entsprechend nachfolgender Erläuterung oder bei Auspuffendrohren mit einem Durchmesser von 60-80mm nach Herstellervorgabe)

Erläuterungen:

3.5.1.7 Trübungswert [m-1]

(Plakettenwert; ist dieser nicht verfügbar oder technisch begründet nicht anwendbar nach Herstellervorgabe, ansonsten

3.5.1.8 Messzeit für die Ermittlung der Abregeldrehzahl (Nummer 3.5.3.3)
(nach Herstellervorgabe, min. 1 s/max. 5 s, ansonsten 5 s)

3.5.2 Motor und, sofern vorhanden, Abgasreinigungssysteme auf Betriebstemperatur bringen; sofern vorgegeben, entsprechend den Anleitungen des Fahrzeugherstellers vorgehen.

3.5.3 Erfassen der Istwerte und Kontrolle auf Übereinstimmung mit den vorgegebenen Sollwerten.
3.5.3.1 Motortemperatur ermitteln und aufnehmen. [°C]
3.5.3.2 Leerlaufdrehzahl ermitteln und aufnehmen. [min-1]
3.5.3.3 Abregeldrehzahl ermitteln und aufnehmen. [min-1]
3.5.3.4 Freie Beschleunigung durchführen, Istwerte erfassen und aufnehmen.
3.5.3.4.1 Leerlaufdrehzahl

- mindestens 15 s halten -

[min-1]
3.5.3.4.2 Fahrpedal schnell (in weniger als 1 Sekunde) und anhaltend, jedoch nicht gewaltsam, vollständig betätigen und halten; tH, entsprechend der Bestimmung nach Anlage 3.
3.5.3.4.3 Beschleunigungszeit tsentsprechend der Bestimmung nach Anlage 3

Die Beurteilung von te erfolgt durch den Bediener. Falls keine Herstellervorgaben vorliegen:

  • te ≤ 2,0 s mit einer maximalen Bandbreite von 0,5 s
    (zul. Gesamtmasse ≤ 3,5 Tonnen)
  • te ≤ 4,0 s mit einer maximalen Bandbreite von 0,5 s
    (zul. Gesamtmasse > 3,5 Tonnen)
[s]
3.5.3.4.4 Abregeldrehzahl [min-1]
3.5.3.4.5 Spitzenwert der Rauchgastrübung [m-1]

3.5.3.5 Freie Beschleunigung nach Nummer

3.5.3.4 mindestens noch 3 mal wiederholen;

3.5.3.6 Bandbreite der Spitzenwerte der Rauchgastrübung bei in etwa gleicher tB für die letzten Einzelmessungen innerhalb von 0,5 m-1 bei Trübungskoeffizienten ≤ 2,5 m-1; 0,7 m-1 bei Trübungskoeffizienten > 2,5 m-1.

3.5.4 Nachweis erstellen

Die für die Durchführung der AU verantwortliche Person hat nach Abschluss der AU einen Nachweis auszustellen. Der Nachweis muss die nachfolgenden Angaben enthalten:

3.5.4.1 Datum, Uhrzeit, ausführende Stelle (Name, Anschrift), Messgerätetyp, AU-Programmversion

3.5.4.2 Fahrzeug-Ident.-Daten

3.5.4.3 Fahrzeug-Soll-Daten

3.5.4.4 Fahrzeuglst-Daten

3.5.4.5 Ergebnis der Einzelmessungen der 3 letzten durchgeführten freien Beschleunigungen ausweisen und vergleichen

3.5.4.5.1 Leerlaufdrehzahlen

3.5.4.5.2 Abregeldrehzahlen

3.5.4.5.3 Beschleunigungszeiten

3.5.4.5.4 Spitzenwerte der Rauchgastrübung

3.5.4.5.5 Ergebnis der Trübungsbandbreite nach Nummer 3.5.3.6

3.5.4.5.6 Ergebnis des arithmetischen Mittelwertes der 3 letzten Spitzenwerte der Rauchgastrübung

3.5.4.6 Ggf. Abweichungen/Erläuterungen zu den einzelnen Punkten

3.5.4.7 Gesamtergebnis

3.5.4.8 Monat, Jahr des Ablaufs der Frist für die nächste AU

[--] (Angabe entfällt)

3.5.4.9 Unterschrift der für die Durchführung der AU verantwortlichen Person und bei anerkannten Kraftfahrzeugwerkstätten die Kontrollnummer und das Nachweissiegel.

3.5.5 Bemerkungen zu den AU-Abgasmessgeräten

3.5.5.1 Die verwendeten AU-Abgasmessgeräte müssen den mit der Untersuchung befassten Mitarbeiter durch das Prüfverfahren führen (Bedienerführung).

3.5.5.2 Die Ist-Daten sind vom AU-Abgasmessgerät in der Regel automatisch zu ermitteln und aufzunehmen. Sofern dies entsprechend Nummer 1.2.6 nicht möglich ist, darf eine manuelle Eingabe des entsprechenden Ist-Wertes erfolgen. Die Eingabe ist durch das AU-Abgasmessgerät auf dem Nachweis kenntlich zu machen.

3.5.5.3 Erfolgt auf die Vorgabe der Bedienerführung nach Aufnahme der Motortemperatur innerhalb von 10 Minuten keine Eingabe oder Reaktion und somit kein Fortschritt im Prüfablauf, hat das AU-Abgasmessgerät die Untersuchung automatisch abzubrechen. Ein gewollter Abbruch der Untersuchung muss darüber hinaus jederzeit möglich sein. Nach Abbruch der Untersuchung ist der Nachweis mit den bis zum Abbruch erfassten Daten und der Bemerkung "Untersuchung abgebrochen" auszudrucken.

3.5.5.4 Die Bedienerführung des AU-Abgasmessgerätes muss die Möglichkeit eröffnen, nach den Untersuchungsschritten Nummer 3.5.3.2 und Nummer 3.5.3.3 eine Wiederholung des jeweiligen Untersuchungsschrittes zuzulassen.

3.6 Untersuchung eines Kraftfahrzeugs (ausgenommen Kraftrad) mit Kompressionszündungsmotor und mit On-Board-Diagnosesystem (OBD-System) nach Richtlinie 70/220/EG oder nach Verordnung (EG) Nr. 715/2007

3.6.1 Verbinden des Auslesegerätes mit der Diagnoseschnittstelle des Fahrzeugs; die Lage der Diagnoseschnittstelle muss vom Fahrzeughersteller in den Solldaten angegeben werden.

3.6.2 Sichtprüfung der Kontonleuchte Motordiagnose auf Vorhandensein und Funktion

3.6.2.1 Zündung einschalten

3.6.2.2 Kontonleuchte Motordiagnose muss leuchten

3.6.2.3 Ergebnis der Sichtprüfung der Kontrollleuchte Motordiagnose

3.6.2.4 Motor starten und im Leerlauf laufen lassen

3.6.3 Kommunikation Auslesegerät mit Steuergerät herstellen

Das Auslesegerät muss alle nach Richtlinie 70/220/EWG oder nach Verordnung (EG) Nr. 715/2007 zugelassenen Kommunikationsprotokolle automatisch erkennen.

Das Auslesegerät wählt automatisch (ggf.) MODUS 09 und dann den MODUS 01 "Ist-Daten" im OBD-System des Steuergerätes an.

Wenn die Kommunikation beim ersten Mal nicht hergestellt werden kann, darf dieser Vorgang wiederholt werden.

Dazu Zündung ausschalten und Auslesegerät von der Diagnoseschnittstelle trennen, danach ab Nummer 3.6.2.4 wiederholen.

Wenn die Kommunikation nicht aufgebaut werden kann, muss das Fahrzeug zurückgewiesen werden.

Das Gesamtergebnis der AU ist "nicht bestanden". Auf dem Nachweis ist unter Erläuterungen zu vermerken: "kein Kommunikationsaufbau möglich".

3.6.4 Funktionsprüfung OBD-System

Kontrolle von abgasrelevanten Systemdaten aus dem OBD-System.

Die nachfolgenden Systemdaten werden vom Auslesegerät automatisch ausgelesen und an das AU-Abgasmessgerät weitergeleitet. Eine Bewertung erfolgt automatisch durch das AU-Abgasmessgerät.

3.6.4.1 OBD-System-Status

Der OBD-System-Status gibt an, welches OBD-System eingebaut ist. Eine Bewertung dieser Angabe erlolgt nicht, sie dient nur zur Information.

3.6.4.2 Prüfbereitschafts-Tests

Die Prüfbereitschafts-Tests werden als Binärcode dargestellt. Alle unterstützten Tests müssen auf "0" gesetzt sein.

3.6.4.3 Kontonleuchte

Status "aus":

Kontrollleuchte aus = i.O.;
Kontrollleuchte an = n.i.O.

Status "an":

Kontrollleuchte an = i.O. ;
Kontrollleuchte aus = n.i.O.

Die Bewertung der Ansteuerung wird vom Bediener vorgenommen.

3.6.4.4 Anzahl der im Fehlerspeicher (MODUS 01) abgelegten Fehler

3.6.4.5 Auslesen des Fehlerspeichers (MODUS 03)

Ist die Anzahl der Fehler (Nummer 3.6.4.4) ungleich Null, so wird vom Auslesegerät automatisch der MODUS 03 angewählt und die Fehlercodes der abgespeicherten Fehler ausgelesen und an das AU-Abgasmessgerät weitergeleitet.

Ansonsten weiter mit Nummer 3.6.4.6

3.6.4.6 Bewertung und Anzeige der Ergebnisse aus der Funktionsprüfung

  1. Status Kontrollleuchte Motordiagnose i.O./n.i.O.
  2. Ansteuerung Kontrollleuchte Motordiagnose i.O./n.i.O.
  3. Anzahl gespeicherter Fehler:
  4. Ggf. Fehlercodes
  5. Prüfbereitschaftstests

Wenn das Datum der Erstzulassung nach Nummer 3.1.8 ab 01.01.2006 ist und Nr. 5 mit "1.0." bewertet wird, weiter mit Nummer 3.6.7.

3.6.5 Eingabe der Fahrzeug-Soll-Daten

  1. wenn Datum der Erstzulassung des Kraftfahrzeugs vor dem 01.01.2006 liegt oder:
  2. wenn nicht alle unterstützten Prüf bereitschaftstests gesetzt sind oder:
  3. wenn die Anzahl der unterstützten Prüfbereitschaftstests = 0
3.6.5.1 Motortemperatur

(nach Herstellervorgabe, ansonsten min. 60 °C)

[°C]
3.6.5.2 Leerlaufdrehzahl

(minlmax.)

[min-1]
3.6.5.3 Abregeldrehzahl

(minlmax.)

[min-1]
3.6.5.4 Länge des Messzeitanteils

nach Erreichen der Abregeldrehzahl entsprechend der Anlage 3 festlegen. (Nach Herstellervorgabe, ansonsten min. 0,5 s; max. 2,0 s)

[s]

3.6.5.5 Messmodus a oder B
(Verwendung nach Herstellervorgabe ansonsten Messmodus B)

Erläuterung :

3.6.5.6 Sonde 1 oder 2
(Verwendung entsprechend nachfolgender Erläuterung oder bei Auspuffendrohren mit einem Durchmesser von 60-80mm nach Herstellervorgabe)

Erläuterungen:

3.6.5.7 Trübungswert

(Plakettenwert; ist dieser nicht verfügbar oder technisch begründet nicht anwendbar nach Herstellervorgabe, ansonsten

  • für Kraftfahrzeuge, die vor dem 1. Oktober 2006 erstmals in den Verkehr gebracht worden sind max. 2,5 m-1, bezogen auf Messmodus B;
  • für Kraftfahrzeuge, die ab dem 1. Oktober 2006 erstmals in den Verkehr gebracht werden 1,5 m-1, bezogen auf Messmodus B)
[m-1]
3.6.5.8 Messzeit für die Ermittlung der Abregeldrehzahl ( 3.6.5.3)

(nach Herstellervorgabe, min. 1 s/max. 5 s, ansonsten 5 s)

3.6.5.9 Beschleunigungszeit te
(nach Herstellervorgabe, ansonsten:
  • tB≤ 2,0 s mit einer maximalen Bandbreite von 0,5 s)
    (zul. Gesamtmasse ≤ 3,5 Tonnen)
  • tB≤ 5 4,0 s mit einer maximalen Bandbreite von 0,5 s
    (zul. Gesammtmasse > 3,5 Tonnen)
[s]
3.6.6 Abgasprüfung (soweit nach Nummer 3.6.5 erforderlich)
3.6.6.1 Motor und Abgasreinigungssysteme auf Betriebstemperatur bringen; sofern vorgegeben, entsprechend den Anleitungen des Fahrzeugherstellers.

Die Motortemperatur und die Motordrehzahl werden über die Diagnoseschnittstelle im MODUS 01 ausgelesen und zum AU-Abgasmessgerät übertragen und dort angezeigt.

Wenn die Motortemperatur und/oder die Motordrehzahl nicht ausgegeben werden, muss das Fahrzeug zurückgewiesen werden. Das Gesamtergebnis der AU ist "nicht bestanden". Auf dem Nachweis ist unter Erläuterungen zu vermerken: "Motortemperatur fehlt" bzw. "Motordrehzahl fehlt".

3.6.6.2 Motortemperatur auslesen und aufnehmen. [°C]
3.6.6.3 Leerlaufdrehzahl auslesen und aufnehmen. [min-1]
3.6.6.4 Abregeldrehzahl auslesen und aufnehmen. [min-1]
3.6.6.5 Freie Beschleunigung durchführen, Istwerte ermitteln und aufnehmen.
3.6.6.5.1 Leerlaufdrehzahl

- mindestens 15 s halten -

[min-1]
3.6.6.5.2 Fahrpedal schnell (in weniger als 1 Sekunde) und anhaltend, jedoch nicht gewaltsam, vollständig betätigen und halten; tHentsprechend der Bestimmung nach Anlage 3.
3.6.6.5.3 Beschleunigungszeit tBentsprechend der Bestimmung nach Anlage 3.

Die Beurteilung von tB erfolgt:

  • bei Fahrzeugen mit Erstzulassung bis 01.01.2006 durch den Bediener
  • bei Fahrzeugen mit Erstzulassung ab 01.01.2006 durch das AU-Abgasmessgerät
[s]
3.6.6.5.4 Abregeldrehzahl [min-1]
3.6.6.5.5 Spitzenwert der Rauchgastrübung [m-1]

3.6.6.6 Freie Beschleunigung nach 3.6.6.5 mindestens noch 3 mal wiederholen;

3.6.6.7 Bandbreite der Spitzenwerte der Rauchgastrübung bei nach Nummer 3.6.5.9 vorgegebener tB für die 3 letzten Einzelmessungen innerhalb von 0,5 m-1 bei Trübungskoeffizienten ≥ 2,5 m-1; 0,7 m-1 bei Trübungskoeffizienten > 2,5 m-1.

3.6.6.8 Bewertung und Anzeige der Ergebnisse der Abgasprüfung

  1. Leerlaufdrehzahl i.O./n.i.O.
  2. Abregeldrehzahl i.O./n.i.O.
  3. Freie Beschleunigung i.O./n.i.O.
  4. Bandbreite der Spitzenwerte der Rauchgastrübung i.O./n.i.O.
  5. Beschleunigungs-Zeiten i.O./n.i.O.*

*) nur für Fahrzeuge mit Erstzulassung ab 01.01.2006

3.6.6.9 Untersuchung abschließen oder ab Nummer 3.6.6 wiederholen

3.6.7 Nachweis erstellen

Die für die Durchführung der AU verantwortliche Person hat nach Abschluss der AU einen Nachweis auszustellen. Der Nachweis muss die nachfolgenden Angaben enthalten:

3.6.7.1 Datum, Uhrzeit, ausführende Stelle (Name, Anschrift), Messgerätetyp, AU-Programmversion

3.6.7.2 Fahrzeug-Ident.-Daten

3.6.7.3 Ergebnis der Sichtprüfung Kontrollleuchte Motordiagnose

3.6.7.4 Ergebnis der Funktionsprüfung OBD-System

3.6.7.4.1 OBD-System-Status

3.6.7.4.2 Status Kontrollleuchte Motordiagnose

3.6.7.4.3 Ansteuerung Kontrollleuchte Motordiagnose

3.6.7.4.4 Anzahl der gespeicherten Fehler

3.6.7.4.5 Ggf. Fehlercodes mit Fehlertexten

3.6.7.4.6 Prüfbereitschaftstests

3.6.7.5 Ggf. Fahrzeug-Soll-Daten

3.6.7.6 Ggf. Fahrzeuglst-Daten

3.6.7.7 Ggf. Ergebnis der Einzelmessungen der 3 letzten durchgeführten freien Beschleunigungen ausweisen und vergleichen

3.6.7.7.1 Leerlaufdrehzahlen

3.6.7.7.2 Abregeldrehzahlen

3.6.7.7.3 Beschleunigungszeiten

3.6.7.7.4 Ergebnis der Beschleunigungszeit nach Nummer 3.6.6.5.3 und Bandbreite nach Nummer 3.6.6.7

3.6.7.7.5 Spitzenwerte der Rauchgastrübung

3.6.7.7.6 Ergebnis der Trübungsbandbreite nach Nummer 3.6.6.7

3.6.7.7.7 Ergebnis des arithmetischen Mittelwertes der 3 letzten Spitzenwerte der Rauchgastrübung

3.6.7.8 Ggf. Ergebnis der Abgasprüfung

Soll-/Ist-Vergleich (i.O./n.i.O.)

3.6.7.9 Ggf. Abweichungen/Erläuterungen zu den einzelnen Punkten

(Eingabe nur über Tastatur; handschriftliche Einträge sind nicht zulässig)

3.6.7.10 Gesamtergebnis

3.6.7.11 Monat, Jahr des Ablaufs der Frist für die nächste AU

[--] (Angabe entfällt)

3.6.7.12 Unterschrift der für die Durchführung der AU verantwortlichen Person und bei anerkannten Kraftfahrzeugwerkstätten die Kontrollnummer und das Nachweis-Siegel.

3.6.8 Bemerkungen zu den AU-Abgasmessgeräten

3.6.8.1 Die verwendeten AU-Abgasmessgeräte müssen den mit der Untersuchung befassten Mitarbeiter durch das Prüfverfahren führen (Bedienerführung).

3.6.8.2 Die Istdaten sind vom AU-Abgasmessgerät automatisch zu ermitteln und aufzunehmen. Eine manuelle Eingabe ist nur für die unter Nummer 3.6.7.9 genannten Abweichungen/Erläuterungen zugelassen. Eine manuelle Befundung (durch die für die Untersuchung verantwortliche Person) ist nur für die Sichtprüfung der Kontrollleuchte Motordiagnose nach Nummer 3.6.2 und für die Prüfung "Ansteuerung Kontrollleuchte Motordiagnose" nach Nummer 3.6.4.3 zugelassen. Die manuellen Eingaben sind durch das AU-Abgasmessgerät im Nachweis kenntlich zu machen.

3.6.8.3 Erfolgt auf eine Vorgabe der Bedienerführung nach Aufnahme der Motortemperatur innerhalb von 10 Minuten keine Eingabe oder Reaktion und somit kein Fortschritt im Prüfablauf, hat das AU-Abgasmessgerät die Untersuchung automatisch abzubrechen. Ein gewollter Abbruch der Untersuchung darf nur nach Nummer 3.6.3 (Kommunikationsaufbau) und Nummer 3.6.6.1 möglich sein. Nach Abbruch der Untersuchung ist der Nachweis mit den bis zum Abbruch erfassten Daten und der Bemerkung "Untersuchung abgebrochen" bzw. "kein Kommunikationsaufbau möglich" oder "Motortemperatur fehlt" bzw. "Motordrehzahl fehlt" auszudrucken.

In diesem Fall ist das Gesamtergebnis der Prüfung: n.i.O.

3.6.8.4 Die Bedienerführung des AU-Abgasmessgerätes muss die Möglichkeit eröffnen, nach Nummer 3.6.3 eine Wiederholung ab Nummer 3.6.1, und nach Nummer 3.6.6.9 eine Wiederholung ab Nummer 3.6.6.2 zuzulassen.

3.6.8.5 Wird die Kommunikation zwischen Motorsteuergerät und Auslesegerät während der Prüfung unterbrochen und ist ein erneuter Kommunikationsaufbau problemlos möglich, so muss keine Dokumentation (Ausdruck) erfolgen, sondern die Prüfung kann an der Stelle, wo sie unterbrochen wurde, automatisch fortgesetzt werden.

3.6.8.6 Ist kein Auslesegerät an das AU-Abgasmessgerät angeschlossen bzw. findet keine Datenübertragung statt, darf entweder der Prüfablauf nach Nummer 3.6 (Kraftfahrzeug mit OBD-System) nicht aktiviert werden können, oder es muss die Melciung "Kein Diagnosegerät angeschlossen bzw. keine Verbindung" erfolgen.

3.6.8.7 Außerhalb des AU-Ablaufes können die Auslesegeräte auch für allgemeine Diagnosefunktionen genutzt werden. Innerhalb des AU-Ablaufes müssen diese Funktionen jedoch gesperrt sein.

3.7 Untersuchung eines Kraftfahrzeugs (ausgenommen Kraftrad) mit Fremd- oder Kompressionszündungsmotor und alternativem Antrieb oder Kraftstoff

3.7.1 monovalent, gasförmiger Kraftstoff (z.B. Erdgas, LPG, Wasserstoff)

3.7.1.1 Eingabe der Fahrzeug-Soll-Daten (nach Herstellervorgaben)

3.7.1.2 Motor und ggf. Katalysator auf Betriebstemperatur bringen; sofern vorgegeben, entsprechend den Anleitungen des Fahrzeugherstellers

3.7.1.3 Funktionsprüfung

Kontrolle der schadstoffrelevanten Einstelldaten auf Einhaltung der vom Fahrzeughersteller für das Kraftfahrzeug anzugebenden Sollwerte nach den Anleitungen

3.7.1.3.1 Istwerte des Kraftfahrzeugs entsprechend den in Nummer 3.7.1.1 vorgegebenen Sollwerten ermitteln und aufnehmen

3.7.1.3.2 Sofern für ein ab dem

erstmals in den Verkehr gebrachtes Kraftfahrzeug vom Hersteller kein(e) Sollwert(e) für den CO-Gehalt im Leerlauf und/oder erhöhten Leerlauf vorgegeben ist/sind, darf der CO-Gehalt im Auspuffendrohr bei Leerlauf den Wert von 0,5 % vol bzw. 0,3 % vol entsprechend Nummer 3.3.1.4 und bei erhöhtem Leerlauf (min. 2500/ max. 3000 [min-1]) den Wert von 0,3 % vol bzw. 0,2 % vol entsprechend Nummer 3.3.1.7 nicht übersteigen. Ansonsten darf der Wert für den CO-Gehalt 3,5 % vol nicht übersteigen.

3.7.1.3.3 AU abschließen oder ab Nummer 3.7.1.2 wiederholen

3.7.1.4 Nachweis erstellen

Die für die Durchführung der AU verantwortliche Person hat nach Abschluss der AU einen Nachweis auszustellen. Der Nachweis muss die nachfolgenden Angaben enthalten:

3.7.1.4.1 Datum, Uhrzeit, ausführende Stelle (Name, Anschrift), Messgerätetyp, AU-Programmversion

3.7.1.4.2 Fahrzeug-Ident.-Daten 3.7.1.4.3 Fahrzeug-Soll-Daten

3.7.1.4.4 Fahrzeuglst-Daten

3.7.1.4.5 Ergebnis der Einzelprüfungen Soll/Ist-Vergleich (i.O/n.i.O.)

3.7.1.4.6 Ggf. Abweichungen/Erläuterungen zu den einzelnen Punkten
(Benennung der verwendeten Messgeräte)

3.7.1.4.7 Gesamtergebnis

3.7.1.4.8 Monat, Jahr des Ablaufs der Frist für die nächste AU

[--] (Angabe entfällt)

3.7.1.4.9 Unterschritt der für die Durchführung der AU verantwortlichen Person und bei anerkannten Kraftfahrzeugwerkstätten die Kontrollnummer und das Nachweis-Siegel.

3.7.2 bivalent

3.7.2.1 gasförmiger Krattstoff/Ottokrattstoff oder

3.7.2.2 gasförmiger Kraftstoff/Kraftstoff für Kompressionszündungsmotoren oder

3.7.2.3 Elektroantrieb Nerbrennungsantrieb

3.7.3 Die AU an den in Nummer 3.7.2 beschriebenen Kraftfahrzeugen ist durchzuführen

3.7.3.1 nur im Betrieb mit Ottokraftstoff nach dem entsprechenden, in Nummer 3.2, 3.3 oder 3.4 beschriebenen Verfahren oder

3.7.3.2 nur im Betrieb mit Kraftstoff für Kompressionszündungsmotoren nach dem in Nummer 3.5 oder 3.6 beschriebenen Verfahren oder

3.7.3.3 entsprechend dem vom Fahrzeug- oder Systemhersteller vorgegebenen Verfahren in Anlehnung an den Ablauf nach Nummer 3.7.1.

3.8 Untersuchung eines Kraftrads mit Fremdzündungsmotor ohne Katalysator oder mit Katalysator, jedoch ohne lambdageregelte Gemischaufbereitung

3.8.1 Eingabe/Erfassen der Fahrzeug-Soll-Daten

3.8.1.1 Motortemperatur

(nach Herstellervorgaben, ansonsten mindestens 60 °C)

[°C]
3.8.1.2 Leerlaufdrehzahl

(min/max.)

[min-1]
3.8.1.3 CO-Gehalt im Auspuffendrohr bei Leerlauf

(nach Herstellerangabe, ansonsten ≤ 4,5 % vol)

[% vol]
3.8.2 Motor auf Betriebstemperatur bringen; darauf achten, dass bei luftgekühltem Motor, dieser nicht überhitzt wird; sofern vorgegeben, Konditionierung entsprechend den Vorgaben des Fahrzeugherstellers.
3.8.3 Funktionsprüfung

Kontrolle der schadstoffrelevanten Einstelldaten auf Einhaltung der vom Fahrzeughersteller für das Kraftrad vorgegebenen Sollwerte nach den Anleitungen des Fahrzeugherstellers.

3.8.3.1 Motortemperatur ermitteln und aufnehmen [°C]
3.8.3.2 Istwerte des Kraftrades bei Leerlauf über AU-Abgasmessgerät und mittels externem Messgerät oder bordeigenem Drehzahlmesser ermitteln und aufnehmen.
3.8.3.2.1 Leerlaufdrehzahl [min-1]
3.8.3.2.2 CO-Gehalt im Auspuffendrohr [% vol]

3.8.4 AU abschließen oder ab Nummer 3.8.2 wiederholen

3.8.5 Nachweis erstellen

Die für die Durchführung der AU verantwortliche Person hat nach Abschluss der AU einen Nachweis auszustellen. Der Nachweis muss die nachfolgenden Angaben enthalten:

3.8.5.1 Datum, Uhrzeit, ausführende Stelle (Name, Anschrift)

3.8.5.2 Fahrzeug-Ident.-Daten

3.8.5.3 Fahrzeug-Soll-Daten

3.8.5.4 Fahrzeug-Ist-Daten

3.8.5.5 Ergebnis der Abgasprüfung

Soll/Ist-Vergleich

3.8.5.6 Ggf. Abweichungen/Erläuterungen zu den einzelnen Punkten

3.8.5.7 Gesamtergebnis

3.8.5.8 Monat, Jahr des Ablaufs der Frist für die nächste AU

[--] (Angabe entfällt)

3.8.5.9 Unterschrift der für die Durchführung der AU verantwortlichen Person und bei anerkannten Kraftfahrzeugwerkstätten die Kontrollnummer und das Nachweis-Siegel.

3.8.6 Bemerkungen zu den AU-Abgasmessgeräten

3.8.6.1 Eine wichtige Voraussetzung für eine wiederholbare und reproduzierbare Messung der CO-Konzentration ist die richtige Entnahme der Motorabgase. Bedingt durch die im Allgemeinen relativ kurzen Auspuffanlagen und damit fehlender Beruhigungsstrecken für den Abgasstrom, kann bei Krafträdern das Motorabgas je nach Auspuffführung und Motorkonzept am Austritt des Endschalldämpfers sehr stark pulsieren. Bei Krafträdern mit Ein- oder Zweizylindermotor und/oder mit großem Hubraum kann dieser Effekt durch Schwingungen der Motorabgase mit großer Amplitude besonders stark sein.

3.8.6.2 Wird bei der AU an Krafträdern das Abgas direkt aus dem Endrohr des Schalldämpfers entnommen, kommt es konstruktionsbedingt daher unter Umständen zu einer Vermischung der Motorabgase mit Umgebungsluft. Der gemessene CO-Wert weicht u. U. vom tatsächlichen Wert stark ab; die gemessene CO-Konzentration ist zu niedrig. Deutlich erkennbar ist dies an einem hohen O2-Anteil infolge von hohem Luftanteil im Bereich des Endrohrs (z.B. mit 4-Gas-Messgeräten im kontinuierlichen Messmodus feststellbar). Daher müssen bei der Gasentnahme am Auspuffendrohr zur Messung des CO-Gehaltes bei Krafträdern bestimmte Parameter unbedingt beachtet und zwingend eingehalten werden (Anlage 5).

Diese sind:

  1. Die Entnahmesonde muss mindestens 300 mm in den Endschalldämpfer eingeführt werden.
  2. Kann die Entnahmesonde nicht mindestens 300 mm eingeführt werden, so ist eine Verlängerung anzubringen, die auf geeignete Weise luftdicht am Endschalldämpfer anzubringen ist, um eine Abgasverdünnung sicher zu verhindern. Beispiele siehe Anlage 5.
  3. Die Verlängerung muss mindestens 400 mm lang sein und darf einen maximalen Innendurchmesser von 50 mm haben.
  4. Adaption und Verlängerung müssen hitzebeständig, abgasbeständig und dauerhaltbar sein.
  5. Besitzt das Kraftrad mehrere Auspuffendrohre und ist die Abgasführung nicht konstruktionsbedingt vor den Auspuffendrohren zusammengeführt, so ist in jedem Endrohr die Abgasemissionsmessung vorzunehmen, wobei als Messergebnis der arithmetische Mittelwert gilt. Es sind Entnahmesysteme zulässig, die alle Abgasteilströme zu einer Messung zusammenführen.
  6. Das Vorhandensein von Abgasreinigungssystemen nach dem Prinzip "Sekundärlufteinblasung" ist zu beachten. Ist dieses System während der AU aktiv, wird zusätzlich Luft nach dem Auslassventil den Abgasen zugeführt. Die Vorgaben des Fahrzeugbzw. Systemherstellers sind zu beachten.
  7. Bei Messungen an Krafträdern mit 2-Takt-Motor ist mit erhöhten HC- und Öl-Belastungen der Messgeräte zu rechnen. Es sind die Anweisungen des Messgeräteherstellers zu beachten.
  8. Durch das Anbringen des Adapters und der Verlängerung darf sich das Betriebsverhalten des Motors nicht verändern, d. h. die Endschalldämpfer-Verlängerung sollte so ausgeführt sein, das der Gegendruck so gering wie nur möglich ansteigt.
  9. Die Abdichtung zwischen Endschalldämpfer und Endschalldämpfer-Verlängerung muss während der gesamten Abgasmessung vorhanden sein.
  10. Beschädigungen am Kraftrad oder Teilen davon, insbesondere der Auspuffanlage, sind zu vermeiden.

3.8.6.3 Korrekturformeln für CO für Krafträder Sofern die Entnahmesonde nicht mindestens 300 mm in die Auspuffanlage eingeführt werden kann, ist die Anwendung einer Korrekturformel im Zusammenhang mit der Verwendung eines 4-Gas-Messgerätes erlaubt. Mit dieser Korrekturformel kann anhand der ermittelten CO- und CO2-Konzentrationen eine korrigierte CO-Konzentration berechnet werden.

Die Korrekturformel lautet für 2-Takt-Motoren:

4-Takt-Motoren:

Angewendet werden kann die Formel nur bei Verwendung von 4-Gas-Messgeräten

(AU) und nicht bei den einfachen CO-Testern, da zusätzlich CO2 als Messgröße benötigt wird. D. h. bei Verwendung von (einfachen) CO-Testern müssen weiterhin die Abgas-Adaptionen nach Anlage 5 verwendet werden.

3.9 Untersuchung eines Kraftrads mit Fremdzündungsmotor, mit Katalysator und lambdageregelter Gemischaufbereitung

3.9.1 Eingabe/Erfassen der Fahrzeug-Soll-Daten

3.9.1.1 Motortemperatur (nach Herstellervorgaben, ansonsten mindestens 60 °C)

3.9.1.2 Erhöhte Leerlaufdrehzahl (nach Herstellerangabe, ansonsten 2000 bis 3000) [min-1]
3.9.1.3 CO-Gehalt im Auspuffendrohr bei erhöhtem Leerlauf

(nach Herstellerangabe, ansonsten ≤ 0,3 % vol)

[% vol]

3.9.2 Motor auf Betriebstemperatur bringen; darauf achten, dass bei luftgekühltem Motor, dieser nicht überhitzt wird; sofern vorgegeben, Konditionierung entsprechend den Vorgaben des Fahrzeugherstellers

3.9.3 Funktionsprüfung

Kontrolle der schadstoffrelevanten Einstelldaten auf Einhaltung der vom Fahrzeughersteller für das Kraftrad vorgegebenen Sollwerte nach den Anleitungen des Fahrzeugherstellers.

3.9.3.1 Motortemperatur ermitteln und aufnehmen

3.9.3.2 Istwerte des Kraftrads bei erhöhtem Leerlauf über AU-Abgasmessgerät und mittels externem Messgerät oder bordeigenem Drehzahlmesser ermitteln und aufnehmen.

3.9.3.2.1 Erhöhte Leerlaufdrehzahl [min-1]
3.9.3.2.2 CO-Gehalt im Auspuffendrohr [% vol]

3.9.4 Untersuchung abschließen oder an Nummer 3.9.2 wiederholen

3.9.5 Nachweis erstellen

Die für die Durchführung der AU verantwortliche Person hat nach Abschluss der AU einen Nachweis auszustellen. Der Nachweis muss die nachfolgenden Angaben enthalten:

3.9.5.1 Datum, Uhrzeit, ausführende Stelle (Name, Anschrift)

3.9.5.2 Fahrzeug-Ident.-Daten

3.9.5.3 Fahrzeug-Soll-Daten

3.9.5.4 Fahrzeuglst-Daten

3.9.5.5 Ergebnis der AU Soll/Ist-Vergleich

3.9.5.6 Ggf. Abweichungen/Erläuterungen zu den einzelnen Punkten

3.9.5.7 Gesamtergebnis

3.9.5.8 Monat, Jahr des Ablaufs der Frist für die nächste AU

[--] (Angabe entfällt)

3.9.5.9 Unterschrift der für die Durchführung der AU verantwortlichen Person und bei anerkannten Kraftfahrzeugwerkstätten die Kontrollnummer und das Nachweis-Siegel.

3.9.6 Bemerkungen zu den AU-Abgasmessgeräten

3.9.6.1 Eine wichtige Voraussetzung für eine wiederholbare und reproduzierbare Messung der CO-Konzentration ist die richtige Entnahme der Motorabgase. Bedingt durch die im Allgemeinen relativ kurzen Auspuffanlagen und damit fehlender Beruhigungsstrecken für den Abgasstrom, kann bei Krafträdern das Motorabgas je nach Auspuffführung und Motorkonzept am Austritt des Endschalldämpfers sehr stark pulsieren. Bei Krafträdern mit Ein- oder Zweizylindermotor und/oder mit großem Hubraum kann dieser Effekt durch Schwingungen der Motorabgase mit großer Amplitude besonders stark sein.

3.9.6.2 Wird bei der AU an Krafträdern das Abgas direkt aus dem Endrohr des Schalldämpfers entnommen, kommt es konstruktionsbedingt daher unter Umständen zu einer Vermischung der Motorabgase mit Umgebungsluft. Der gemessene CO-Wert weicht u. U. vom tatsächlichen Wert stark ab; die gemessene CO-Konzentration ist zu niedrig. Deutlich erkennbar ist dies an einem hohen O2-Anteil infolge von hohem Luftanteil im Bereich des Endrohrs (z.B. mit 4-Gas-Messgeräten im kontinuierlichen Messmodus feststellbar). Daher müssen bei der Gasentnahme am Auspuffendrohr zur Messung des CO-Gehaltes bei Krafträdern bestimmte Parameter unbedingt beachtet und zwingend eingehalten werden (Anlage 5).

Diese sind:

  1. Die Entnahmesonde muss mindestens 300 mm in den Endschalldämpfer eingeführt werden.
  2. Kann die Entnahmesonde nicht mindestens 300 mm eingeführt werden, so ist eine Verlängerung anzubringen, die auf geeignete Weise luftdicht am Endschalldämpfer anzubringen ist, um eine Abgasverdünnung sicher zu verhindern. Beispiele siehe Anlage 5.
  3. Die Verlängerung muss mindestens 400 mm lang sein und darf einen maximalen Innendurchmesser von 50 mm haben.
  4. Adaption und Verlängerung müssen hitzebeständig, abgasbeständig und dauerhaltbar sein.
  5. Besitzt das Kraftrad mehrere Auspuffendrohre und ist die Abgasführung nicht konstruktionsbedingt vor den Auspuffendrohren zusammengeführt, so ist in jedem Endrohr die Abgasemissionsmessung vorzunehmen, wobei als Messergebnis der arithmetische Mittelwert gilt, Es sind Entnahmesysteme zulässig, die alle Abgasteilströme zu einer Messung zusammenführen.
  6. Das Vorhandensein von Abgasreinigungssystemen nach dem Prinzip "Sekundärlufteinblasung" ist zu beachten. Ist dieses Systern während der AU aktiv, wird zusätzlich Luft nach dem Auslassventil den Abgasen zugeführt. Die Vorgaben des Fahrzeugbzw. Systemherstellers sind zu beachten.
  7. Bei Messungen an Krafträdern mit 2-Takt-Motor ist mit erhöhten HC- und Öl-Belastungen der Messgeräte zu rechnen. Es sind die Anweisungen des Messgeräteherstellers zu beachten.
  8. Durch das Anbringen des Adapters und der Verlängerung darf sich das Betriebsverhalten des Motors nicht verändern, d. h. die Endschalldämpfer-Verlängerung sollte so ausgeführt sein, das der Gegendruck so gering wie nur möglich ansteigt.
  9. Die Abdichtung zwischen Endschalldämpfer und Endschalldämpfer-Verlängerung muss während der gesamten Abgasmessung vorhanden sein.
  10. Beschädigungen am Kraftrad oder Teilen davon, insbesondere der Auspuffanlage, sind zu vermeiden.

3.9.6.3 Korrekturformel für CO für Krafträder

Sofern die Entnahmesonde nicht mindestens 300 mm in die Auspuffanlage eingeführt werden kann, ist die Anwendung einer Korrekturformel im Zusammenhang mit der Verwendung eines 4-Gas-Messgerätes erlaubt. Mit dieser Korrekturformel kann anhand der ermittelten CO- und CO2-Konzentrationen eine korrigierte CO-Konzentration berechnet werden.

Die Korrekturformel lautet für 2-Takt-Motoren:

4-Takt-Motoren:

Angewendet werden kann die Formel nur bei Verwendung von 4-Gas-Messgeräten (AU) und nicht bei den einfachen CO-Testern da zusätzlich CO2 als Messgröße benötigt wird. D. h. bei Verwendung von (einfachen) CO-Testern müssen weiterhin die Abgas-Adaptionen nach Anlage 5 verwendet werden.

4. Beurteilung der Prüfergebnisse

4.1 Es gelten die Vorschriften der Nr. 3 Anlage VIIIa StVZO.

4.2 Im Ergebnis der Durchführung des Untersuchungspunktes "Motormanagement-/ Abgasreinigungssystem" als eigenständiger Teil der HU durch eine dafür anerkannte Kraftfahrzeugwerkstatt ist eine Gesamtbewertung mit "1.0" oder "n.i.O." vorzunehmen.

4.3 Werden von nach Anlage VIIIc StVZO anerkannten Kraftfahrzeugwerkstätten bei der Durchführung der Untersuchung des Motormanagement-/Abgasreinigungssystems im Rahmen des eigenständigen Teils der HU nach Nr. 3.1.1.1 Anlage VIII StVZO Mängel festgestellt, die vor Abschluss der Untersuchung des Motormanagement-/Abgasreinigungssystems, längstens innerhalb eines Kalendertages beseitigt werden, so sind diese in Form einer Mängelnummer ("Sammelmangel") auf dem Nachweis einzutragen und vom aaSoP oder PI in den Untersuchungsbericht zu übernehmen. Die sofortige Mängelbeseitigung ist in Verbindung mit einer eindeutigen Bestätigung der verantwortlichen Person zu bescheinigen ("Mängelschleife").

4.4 Um die bei der Untersuchung der Abgase festgestellten abgasrelevanten Mängel bei der Durchführung der HU nach § 29 StVZO in den Technischen Prüfstellen und bei Überwachungsorganisationen sowie bei der Durchführung der Untersuchung des Motormanagement-/Abgasreinigungssystems im Rahmen des eigenständigen Teils der Hauptuntersuchung nach Nr. 3.1.1.1 Anlage VIII StVZO in den dafür anerkannten Kfz-Werkstätten einheitlich zu erfassen und zu bewerten, müssen die nachfolgenden Mängel in allen Untersuchungsstellen intern dokumentiert werden:

Untersuchungsverfahren Fremdzündungsmotor allgemein Krafträder Kompressionszündungsmotor
ohne Kat,
mit U-Kat
mit G-Kat mit OBD-S. mit OBD-S. * ohne Kat, mit U-Kat mit G-Kat ohne OBD-S. mit OBD-S. mit OBD-S. *
Abgasrelevante Mängel:
Funktionsprüfung Abgas:
Leerlaufdrehzahl X X X (X)1 X X ** X X (X)1
Zündzeitpunkt X X
Schließwinkel X
CO-Konzentration im Ab-
gas bei Leerlaufdrehzahl
X X X
CO-Konzentration im Abgas bei erhöhter Leerlaufdrehzahl X X (X)1 X
X bei erhöhter Leerlauf- drehzahl X X (X)1
Regelkreisprüfung X
Abregeldrehzahl X X (X)1
Trübungswert X X (X)1
Funktionsprüfung OBD-System:
Sichtprüfung

"Kontrollleuchte"

X X X X
Kommunikationsaufbau X X X X
Status Kontrollleuchte Motordiagnose X X X X
Ansteuerung Kontrollleuchte Motordiagnose X X X X
Prüfbereitschaftstests X X X X
Fehlerspeicher (Anzahl gespeicherter Fehler - Modus 01) ggf. Auslesen der Fehlercodes (Modus 03) X X X X
*) Bei Kraftfahrzeugen mit Fremdzündungsmotoren oder Kompressionszündungsmotoren (Typgenehmigung nach Richtlinie 70/220/EWG oder VO (EG) Nr. 715/2007), die ab dem 01. Januar 2006 erstmals für den Verkehr zugelassen wurden, kann auf die Messung und Bewertung des Abgasverhaltens verzichtet werden, wenn das Ergebnis nach Nummer 3.4.4.6 oder 3.6.4.6 dies zulässt. Dies gilt entsprechend auch für Kraftfahrzeuge nach Nummer 1.1.8.
**) Erhöhte Leerlaufdrehzahl
1) Zu erfassen, wenn das Ergebnis nach Ziffer 5 in Nummer 3.4.4.6 oder 3.6.4.6 die Messung und Bewertung des Abgasverhaltens erforderlich macht.

4.5 Die nach Nummer 5.3 festgestellten Mängel außerhalb des eigenständigen Untersuchungsumfangs sind in die Bewertung nicht einzubeziehen.

5. Nachweis über die Untersuchung der Abgase

5.1 Wird die Untersuchung der Abgase im Rahmen einer HU nach § 29 StVZO von einem aaSoP oder PI durchgeführt, so hat dieser einen Nachweis über die Durchführung der AU nach dem im VkBl 2012 S. 330 veröffentlichten Muster auszustellen; dieser Nachweis ist Bestandteil des Hauptuntersuchungsberichts. Alternativ kann der Nachweis auch mit dem HU-Bericht erbracht werden. Dann sind alle erforderlichen Angaben einschließlich des angewendeten Prüfverfahrens und ggf. Abweichungen/Erläuterungen in den HU-Bericht zu übernehmen.

5.2 Wird nach Nr. 3.1.1.1 Anlage VIII StVZO der Untersuchungspunkt "Motormanagement-/ Abgasreinigungssystem" als eigenständiger Teil der HU von einer dafür nach Anlage VIIIc StVZO anerkannten Kraftfahrzeugwerkstatt durchgeführt, so hat diese einen Nachweis über die Durchführung der AU nach Nummer 3.1.1.1 Anlage VIII StVZO nach dem im VkBl. 2012 S. 330 veröffentlichten Muster mit fälschungserschwerenden Merkmalen auszustellen und dem Fahrzeughalter oder seinem Beauftragten zu übergeben und diesen darauf aufmerksam zu machen, dass der Nachweis dem aaSoP oder PI vor der Durchführung der HU zu übergeben ist. Dieser Nachweis wird Bestandteil des Hauptuntersuchungsberichts und ist mit diesem dem Fahrzeughalter oder seinem Beauftragten auszuhändigen.

5.3 Werden über den eigenständigen Untersuchungsumfang hinaus Mängel an schadstoffrelevanten Bauteilen oder an der Abgasanlage festgestellt, müssen diese in dem Nachweis unter Nummer 13 ("Erkannte Mängel") aufgeführt werden; der Fahrzeughalter oder sein Beauftragter ist auf seine Verpflichtung zur Behebung dieser Mängel ( § 31 StVZO und § 23 StVO) aufmerksam zu machen.

.

Begriffsbestimmungen Anlage 1

Abgase:

Gesamtheit der für die Menge und die Qualität (Zusammensetzung) der von Kraftfahrzeugen ausgestoßenen Abgase unter Berücksichtigung der relevanten Eigenschaften der Kraftfahrzeuge, Baugruppen, Bauteile und des Abgases.

Abgasverhalten:

Ermittlung der Zusammensetzung des aus dem Auspuff eines Kraftfahrzeuges ausgestoßenen Abgases.

Fehlfunktionsanzeige (Kontrollleuchte Motordiagnose oder anderes MI (Malfunction Indicator)-Signal):

Ein optisches oder akustisches Signal, das dem Fahrzeugführer anzeigt, wenn ein an das OBD-System angeschlossenes schadstoffrelevantes Bauteil oder das OBD-System selbst eine Fehlfunktion aufweist.

Üblich ist die Kontrollleuchte Motordiagnose (MIL - Malfunction Indicator Light), die im Sichtbereich des Fahrzeugführers angebracht ist.

Motormanagement-/Abgasreinigungssystem:

Ermittlung der Zusammensetzung des aus dem Auspuff eines Kraftfahrzeuges ausgestoßenen Abgases und/oder sofern vorgeschrieben der OBD-System-Daten im Modus 01. Eigenständiger Teil der HU, der gemäß Anlage VIII StVZO durch eine anerkannte Kfz-Werkstatt ausgeführt werden kann. Dieser Teil besteht aus einer Abgasmessung und/oder, sofern vorgeschrieben, dem Auslesen der OBD-System-Daten im Modus 01 in Verbindung mit der Ergänzungsuntersuchung Auslesen der OBD-System-Fehlercodes im Modus 03.

OBD-System-Daten:

Auslesen der OBD-System-Daten anhand des AU-Abgasmessgerätes in Verbindung mit dem Auslesegerät im Modus 01 als Pflichtuntersuchung; erforderlichenfalls Auslesen der OBD-System-Fehlercodes im Modus 03 als Ergänzungsuntersuchung.

Dokumentation gem. Muster "Nachweis über die Durchführung der AU nach Nummer 3.1.1.1 Anlage VIII StVZO", wenn der eigenständige Teil durch eine anerkannte Werkstatt durchgeführt wird.

OBD-System:

Ein an Bord des Fahrzeugs installiertes Diagnosesystem für die Eniissionsüberwachung, das in der Lage sein muss, mit Hilfe rechnergespeicherter Fehlercodes Fehlfunktionen und deren wahrscheinliche Ursachen anzuzeigen. Es muss eine EG-Typgenehmigung nach den Vorschriften

Plakettenwert:

Auf dem Herstellerschild/Kennzeichen am Fahrzeug angegebener Nert für den korrigierten Absorptionskoeffizienten inm-1, der zum Zeitpunkt der Erteilung der Genehmigung bei der Prüfung bei freier Beschleunigung ermittelt wurde. Die Einzelheiten dazu sind in Anhang IV Anlage 2 der Verordnung (EG) Nr. 692/2008 der Kommission vom 18. Juli 2008 zur IDurchführung und Änderung der Verordnung (EG) Nr. 715/2007 (ABl. EG Nr. L 199 S. 1), der auf Anhang 5 der UN/ECE-Regelung 24 verweist, beschrieben.

.

Lambda-Wert-Berechnung Anlage 2

Berechnung des Lambda-Wertes nach Brettschneider
(BOSCH TECHNISCHE BERICHTE, Band 6 (1979), Laufnr. 50277)

- Berechnung des Lambda-Wertes

Lambda = a 1 a 2 mit

Folgende Vereinfachungen werden gemacht:x

Benzin Flüssiggas Erdgas Ethanol
X = Luftfeuchte in kg Wasserdampf je kg Luft. A1 = 1 gesetzt = sehr klein
Wcv = Verhältnis Wasser zu Kohlenstoff = 0
Ocv = Atomzahlenverhältnis Sauerstoff zu Kohlenstoff = 0,02 0 0 0,5
Hcv = Atomzahlenverhältnis Wasserstoff zu Kohlenstoff = 1,73 2,53 4 3
K = Wassergas-Gleichgewichtskonstante = 3,5
K1 = Umrechnungsfaktor für FID-Messung zu NDIR-Messung; ist vom Messgerätehersteller anzugeben
NO/2 = Stickoxyd = 0

x) Bei Änderungen der Kraftstoffzusammensetzung werden die entsprechenden Konstanten den Gegebenheiten angepasst und Im Verkehrsblatt bekannt gemacht. Die Werte der in der Formel verwandten Konstanten müssen überprüfbar sein. Zudem müssen die zur Berechnung des Lambda-Wertes notwendigen Messwerte (CO2, CO, HC und O2 und Konstanten) bei Bedarf ausgedruckt werden können. Bei vom Sollwert abweichendem Lambda sollte dieser Kontrollausdruck dem Nachweis stets beigefügt werden.

- Vereinfachte Lambda-Berechnung :

Die eckigen Klammern bezeichnen die Volumenkonzentration der Abgaskomponenten in der Einheit "% vol".

.

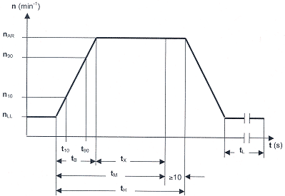
Erläuterungen zur Durchführung der freien Beschleunigung
(Definition Messzyklus "freie Besc:hleunigung")
Anlage 3

nLL: Leerlaufdrehzahl; = + 10 %

nAR: Abregeldrehzahl; n90 = nAR - 1 0 % nAR

tB: Beschleunigungszeit; der Drehzahlanstieg innerhalb tB muß monoton sein;

tx : Messzeitanteil nach Erreichen der Abregeldrehzahl (nach Herstellerangabe, ansonsten min. 0,5 s; max. 2,0 s);

tM: Messzeit = tB + tX;

tH: Haltezeit Fahrpedal = tT + mindestens 1 Sekunde;

tL: Leerlaufverweilzeit (mindestens 15 Sekunden).

(nAR - nLL) · (t90 - t10
tB =

n90 - n10

.

Aufkleber für AU-Abgasmessgeräte
(Maßangaben in Millimeter)
Anlage 4

Inhalt der Felder des Aufklebers:

Feld A: Name der für das Gutachten verantwortlichen Stelle mit Angabe der Registriernummer des Gutachtens;

Feld B: Gerätenummer (Seriennummer);

Feld C: Angabe für welche Untersuchungen der Abgase nach Nr. 6.8.2 Anlage VIIIa StVZO das AU-Abgasmessgerät und gegebenenfalls in Verbindung mit welchem(n) anderem(n) Gerät(en) eingesetzt werden darf.

.

Sondenadaption
(Nr. 3.8.6.2 und Nr. 3.9.6.2)
Anlage 5

Prinzipskizze 1a: Adaption/Abdichtung "außen" am Endschalldämpfer, Entnahme der Abgase in der Verlängerung

Prinzipskizze 1b: Adaption/Abdichtung "außen" am Endschalldämpfer, Entnahme der Abgase am Endrohr der Verlängerung

Erläuterung:

Bei den Prinzipskizzen I a/lb ist die Verlängerung direkt auf dem Endschalldämpfer befestigt. Eine vorhandene Adaption (Dichtung) läuft um den Endschalldämpfer und lässt die Motorabgase nicht entweichen bzw. Falschluft eintreten.

Prinzipskizze 2a: Adaption/Abdichtung "innen" am Endschalldämpfer, Entnahme der Abgase in der Verlängerung

Prinzipskizze 2b: Adaption/Abdichtung "innen" am Endschalldämpfer, Entnahme der Abgase am Endrohr der Verlängerung

Erläuterung:

Bei den Prinzipskizzen 2a/2b stellt die Adaption ein flexibles Konusstück dar. Mittels der Adaption wird die Verlängerung luftdicht am Endrohr bzw. Abgasaustritt des Endschalldämpfers angebracht.

Die Abgassonde wird bei beiden Systemen am Ende der Auspuff-Verlängerung (1 b, 2b) oder über eine seitliche Öffnung in die Verlängerung (1a, 2a) so weit eingeführt, dass keine Vermischung der Motorabgase mit der Umgebungsluft stattfindet.

Das Vorhandensein von Abgasreinigungssystemen nach dem Prinzip "Sekundärlufteinblasung" ist zu beachten. Ist dieses System während der AU aktiv, wird zusätzlich Luft nach dem Auslassventil den Abgasen zugeführt. Die Vorgaben des Fahrzeug- bzw. Systemherstellers sind zu beachten.

ENDE

umwelt-online - Demo-Version


(Stand: 25.05.2021)

Alle vollständigen Texte in der aktuellen Fassung im Jahresabonnement
Nutzungsgebühr: ab 105.- € netto

(derzeit ca. 7200 Titel s.Übersicht - keine Unterteilung in Fachbereiche)

Preise & Bestellung

Die Zugangskennung wird kurzfristig übermittelt

? Fragen ?
Abonnentenzugang/Volltextversion