Für einen individuellen Ausdruck passen Sie bitte die
Einstellungen in der Druckvorschau Ihres Browsers an.
Regelwerk

KTA 1503.1 - Überwachung der Ableitung gasförmiger und an Schwebstoffen gebundener radioaktiver Stoffe
Teil 1: Überwachung der Ableitung radioaktiver Stoffe mit der Kaminfortluft bei bestimmungsgemäßem Betrieb

Fassung vom November 2013
(BAnz. AT vom 17.01.2014 B3; 10.03.2017 B5aufgehooben)



Zur aktuellen Fassung

Archiv: 2002
Siehe Fn. *

Grundlagen

(1) Die Regeln des Kerntechnischen Ausschusses (KTA) haben die Aufgabe, sicherheitstechnische Anforderungen anzugeben, bei deren Einhaltung die nach dem Stand von Wissenschaft und Technik erforderliche Vorsorge gegen Schäden durch die Errichtung und den Betrieb der Anlage getroffen ist ( § 7 Abs. 2 Nr. 3 Atomgesetz - AtG), um die im AtG und in der Strahlenschutzverordnung ( StrlSchV) festgelegten sowie in den "Sicherheitskriterien für Kernkraftwerke", den "Störfall-Leitlinien" und den "Sicherheitsanforderungen an Kernkraftwerke" (SiAnf) weiter konkretisierten Schutzziele zu erreichen.

(2) Die festinstallierte und nicht festinstallierte Strahlenschutzinstrumentierung dient unter anderem denn Schutz von Personen innerhalb und außerhalb der Anlage vor ionisierenden Strahlen und der Kontrolle der bestimmungsgemäßen Funktion von Einrichtungen zur

  1. Rückhaltung fester, flüssiger und gasförmiger radioaktiver Stoffe in den vorgesehenen Umschließungen,
  2. Handhabung und kontrollierten Führung der radioaktiven Stoffe innerhalb der Anlage und
  3. Überwachung der Ableitung radioaktiver Stoffe.

An diese Instrumentierung werden in den Regeln der Reihe KTA 1500 konkrete sicherheitstechnische Anforderungen gestellt.

(3) Die Regeln KTA 1503.1 bis KTA 1503.3 beinhalten Anforderungen an technische Einrichtungen und ergänzende organisatorische Maßnahmen, die als notwendig angesehen werden, um die Emissionen zu überwachen. Die Regeln gliedern sich in

Teil 1: "Überwachung der Ableitung radioaktiver Stoffe mit der Kaminfortluft bei bestimmungsgemäßem Betrieb"
Teil 2: "Überwachung der Ableitung radioaktiver Stoffe mit der Kaminfortluft bei Störfällen",
Teil 3: "Überwachung der nicht mit der Kaminfortluft abgeleiteten radioaktiven Stoffe".

(4) Die Überwachung der Ableitungen radioaktiver Stoffe liefert einen Beitrag zur Erfüllung der Anforderungen der §§ 6, 47 und 48 StrlSchV, nach denen dafür zu sorgen ist, dass

  1. jede Strahlenexposition oder Kontamination von Mensch und Umwelt unter Beachtung des Standes von Wissenschaft und Technik und unter Berücksichtigung aller Umstände des Einzelfalles auch unterhalb der in der StrlSchV festgelegten Grenzwerte so gering wie möglich gehalten wird ( § 6 Abs. 2 StrlSchV),
  2. radioaktive Stoffe nicht unkontrolliert in die Umwelt abgeleitet werden ( § 47 Abs. 1 Satz 2 StrlSchV) und
  3. die Ableitungen überwacht und nach Art und Aktivität spezifiziert der zuständigen Behörde mindestens jährlich angezeigt werden ( § 48 Abs. 1 StrlSchV). Diese Überwachungseinrichtungen müssen die Anforderungen des § 67 StrlSchV erfüllen.

(5) Die Überwachung der Ableitung radioaktiver Stoffe mit der Kaminfortluft bei bestimmungsgemäßem Betrieb hat folgende Aufgaben zu erfüllen:

  1. Bilanzierung der Ableitungen radioaktiver Stoffe mit der Kaminfortluft als eine Grundlage zur Beurteilung der radiologischen Auswirkungen und
  2. automatische Auslösung von Signalen.

(6) Die für diese Aufgaben erforderlichen Einrichtungen gliedern sich auf in:

  1. festinstallierte Mess- oder Sammeleinrichtungen und
  2. nicht festinstallierte Messeinrichtungen, die zur Bestimmung der Aktivität von Sammelproben herangezogen werden (siehe Tabelle 3-4).

1 Anwendungsbereich

Diese Regel ist anzuwenden auf die Einrichtungen zur Überwachung der Ableitung gasförmiger und an Schwebstoffen gebundener radioaktiver Stoffe mit der Kaminfortluft von Kernkraftwerken mit Leichtwasserreaktoren während des bestimmungsgemäßen Betriebs.

2 Begriffe

(1) Ableitungsrate

Die Ableitungsrate ist der Quotient aus der während einer Zeitspanne abgeleiteten Aktivität und dieser Zeitspanne.

(2) Ableitung radioaktiver Stoffe

Die Ableitung radioaktiver Stoffe ist die Abgabe flüssiger, an Schwebstoffen gebundener oder gasförmiger radioaktiver Stoffe aus der Anlage auf hierfür vorgesehenen Wegen.

(3) Aerosolmonitor

Ein Aerosolmonitor ist eine Überwachungseinrichtung zur Messung der Gesamt-Beta- oder Gesamt-Gamma-Aktivitätskonzentrationen von an Schwebstoffen gebundenen radioaktiven Stoffen in der Luft.

(4) Ansprechvermögen einer Messeinrichtung

Das Ansprechvermögen einer Messeinrichtung ist das Verhältnis des angezeigten Wertes einer Messgröße zum richtigen Wert dieser Messgröße.

(5) Betrieb, bestimmungsgemäßer

Der bestimmungsgemäße Betrieb umfasst

  1. Betriebsvorgänge, für die die Anlage bei funktionsfähigem Zustand der Systeme (ungestörter Zustand) bestimmt und geeignet ist (Normalbetrieb);
  2. Betriebsvorgänge, die bei Fehlfunktion von Anlageteilen oder Systemen (gestörter Zustand) ablaufen, soweit hierbei einer Fortführung des Betriebes sicherheitstechnische Gründe nicht entgegenstehen (anomaler Betrieb);
  3. Instandhaltungsvorgänge (Inspektion, Wartung, Instandsetzung).

(6) Bilanzierung radioaktiver Stoffe

Die Bilanzierung ist eine besondere Form der Überwachung und besteht aus der Identifizierung und Aktivitätsbestimmung der in einer vorgegebenen Zeitspanne abgeleiteten Radionuklide oder Radionuklidgruppen.

(7) Erkennungsgrenze

Die Erkennungsgrenze ist ein berechneter Wert einer Größe (z.B. Aktivität, Aktivitätskonzentration, spezifische Aktivität), die mit einem Messwert verglichen wird, um zu entscheiden, ob bei dieser Messung ein Beitrag dieser Größe vorliegt oder lediglich Nulleffekt gemessen wurde.

Hinweis:
Erkennungsgrenzen werden nach DIN ISO 11929 ermittelt.

(8) Gesamt-Beta-Aktivität

Die Gesamt-Beta-Aktivität ist die aus der Integralen Erfassung von Betastrahlung eines radioaktiven Stoffes ermittelte Aktivität, die auf ein für das Kalibrieren der Messeinrichtung verwendetes Referenznuklid bezogen wird.

(9) Gesamt-Gamma-Aktivität

Die Gesamt-Gamma-Aktivität ist die aus der integralen Erfassung von Gammastrahlung eines radioaktiven Stoffes ermittelte Aktivität, die auf ein für das Kalibrieren der Messeinrichtung verwendetes Referenznuklid bezogen wird.

(10) Gesamtverlustfaktor bei der Probenentnahme von luftgetragenen Stoffen

Der Gesamtverlustfaktor ist ein Korrekturfaktor, der bei der Bestimmung der Ableitung radioaktiver Stoffe anzuwenden ist. Er setzt sich maßgeblich zusammen aus Faktoren, die sich ergeben aus Änderungen der Aktivitätskonzentrationen luftgetragener radioaktiver Stoffe

  1. bei der Erfassung eines Teilluftstromes mittels Probenentnahmerechen,
  2. bei anisokinetischer Probenentnahme,
  3. beim Transport durch die Probenentnahmeleitung (Rohrfaktor) und
  4. beim Transport in den Sammel- und Messeinrichtungen.

(11) Kalibrierung einer Messeinrichtung der Strahlungsüberwachung

Die Kalibrierung einer Messeinrichtung der Strahlungsüberwachung ist die Ermittlung des Zusammenhangs zwischen dem durch Normale festgelegten Wert einer Messgröße (z.B. Aktivität im Kalibrierpräparat) und dem ausgegebenen Wert (z.B. Zählrate).

(12) Messeinrichtung

Die Messeinrichtung umfasst die Gesamtheit aller Messgeräte und Hilfsgeräte, die zum Aufnehmen einer Messgröße, zum Weitergeben und Anpassen eines Messsignals und zum Ausgeben eines Messwertes als Abbild einer Messgröße erforderlich sind.

(13) Messmedium

Das Messmedium ist eine aus dem zu überwachenden Medium entnommene Probe, die, ggf. nach einer verfahrenstechnischen Behandlung, wie z.B. Aufheizen, Filtern, Verdünnen, das Messvolumen (d. h. den Bereich, für den das Ansprechvermögen der zugehörigen Messeinrichtung bei der Kalibrierung ermittelt wurde) durchströmt.

(14) Mischprobe

Die Mischprobe ist eine Mischung von Einzelproben oder Sammelproben oder von Teilen dieser Proben aus einer spezifizierten Zeitspanne.

(15) Nachweisgrenze

Die Nachweisgrenze ist ein berechneter Wert einer Größe (z.B. Aktivität, Aktivitätskonzentration, spezifische Aktivität), der mit einem vorgegebenen Richtwert verglichen werden soll, um zu entscheiden, ob ein Messverfahren für einen bestimmten Messzweck geeignet ist.

Hinweis:
Nachweisgrenzen werden nach DIN ISO 11929 ermittelt.

(16) Repräsentative Probe (Fortluft)

Eine repräsentative Probe ist eine solche Probe, deren Untersuchung die Ermittlung der mit der Kaminfortluft abgeleiteten radioaktiven Stoffe nach Art und Aktivität gestattet.

(17) Rohrfaktor

Der Rohrfaktor ist das Verhältnis der Aktivitätskonzentration eines Radionuklids oder einer Radionuklidgruppe an der Eintrittsöffnung der Probenentnahmesonde zur Aktivitätskonzentration am Anschluss der Sammel- oder Messeinrichtung zur Überwachung der Aktivitätskonzentrationen gasförmiger oder an Schwebstoffen gebundener radioaktiver Stoffe im stationären Zustand.

(18) Sammelprobe

Die Sammelprobe ist eine in einer vorgegebenen Zeitspanne durch kontinuierliche oder quasikontinuierliche Entnahme erstellte Probe.

(19) Schwebstoffe

Schwebstoffe sind in der Luft oder einem Gas suspendierte feste oder flüssige Partikeln.

(20) Überwachung

Die Überwachung ist ein Sammelbegriff für alle Arten einer kontrollierten Erfassung von physikalischen Größen einschließlich eines Vergleichs mit vorgegebenen Werten.

Hinweise:

(1) Die Überwachung erfolgt z.B. durch

  1. die kontinuierliche Messung,
  2. die Analyse von Proben (z.B. im Labor) oder
  3. die Verknüpfung von Messwerten

jeweils in Verbindung mit dem Vergleich mit vorgegebenen Werten der physikalischen Größen (z.B. Genehmigungswerten, betrieblichen Werten).

(2) Beim Vergleich des Wertes der physikalischen Größe mit einem vorgegebenen Wert, z.B. Genehmigungswert, wird die obere Grenze des Vertrauensbereichs der physikalischen Größe verwendet.

(2) Vertrauensbereich

Der Vertrauensbereich beschreibt ein Intervall, das den wahren Wert der Messgröße mit einer vorgegebenen Wahrscheinlichkeit enthält.

3 Messobjekte und Messverfahren

3.1 Allgemeine Anforderungen

(1) Die abgeleiteten radioaktiven Stoffe sind nach Art und Aktivität nach den Anforderungen dieser Regel zu bestimmen.

(2) Im Hinblick auf die physikalische Beschaffenheit, sowie die Sammel- und Messverfahren und die radiologische Bedeutung der abgeleiteten radioaktiven Stoffe sind zu unterscheiden:

  1. radioaktive Edelgase,
  2. an Schwebstoffen gebundene radioaktive Stoffe,
  3. radioaktives gasförmiges Jod,
  4. Tritium,
  5. radioaktives Strontium,
  6. Alphastrahler und
  7. Kohlenstoff-14.

(3) Die Überwachung der Ableitung radioaktiver Stoffe soll an einem Teilluftstrom der Fortluft vorgenommen werden. Die Volumenströme dieser Teilluftströme sind kontinuierlich zu überwachen.

(4) Der Volumenstrom der Fortluft ist kontinuierlich zu messen und aufzuzeichnen. Der Messbereich muss von mindestens 25 % bis 110 % des Nennvolumenstromes der Fortluft reichen. Die Messunsicherheit des Volumenstromes darf im Bereich des bestimmungsgemäßen Betriebs höchstens einen absoluten Betrag erreichen, der 5 % des Nennvolumenstromes entspricht.

(5) Bei der kontinuierlichen Messung von an Schwebstoffen gebundenen radioaktiven Stoffen und radioaktivem gasförmigen Jod ist eine Abweichung des Volumenstroms des Teilluftstroms von mehr als 20 % seines Nenndurchflusses auf der Warte zu melden.

(6) Bei der Bilanzierung von an Schwebstoffen gebundenen radioaktiven Stoffen, radioaktivem Jod, Tritium, radioaktivem Strontium, Kohlenstoff-14 und Alphastrahlern ist die Durchflussmenge zu messen. Eine Abweichung des Volumenstroms des Teilluftstroms von mehr als 20 % seines Nenndurchflusses ist auf der Warte zu melden; diese Meldung entfällt beim Einsatz von Kolbenpumpen.

Hinweis:
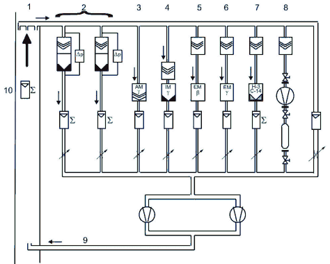
Tabelle 3-4 gibt einen Überblick über die durchzuführenden Messungen. Zur Veranschaulichung des Regeltextes sind in Bild 3-1 die Überwachungseinrichtungen beispielhaft dargestellt.

(7) Für die Bestimmung der Aktivität in den Sammelproben nach Tabelle 3-4 sind geeignete Messeinrichtungen vorzusehen. Anforderungen an die Messeinrichtungen sind in den Abschnitten 5 und 6 geregelt.

(8) Für vom Betreiberbeauftragte Laborr müssen geeignete Qualifizierungsnachweise nach den Anforderungen der RL "Kontrolle der Eigenüberwachung" vorliegen.

3.2 Radioaktive Edelgase

3.2.1 Kontinuierliche Messung

(1) Die Ableitung radioaktiver Edelgase mit der Fortluft ist kontinuierlich durch die Messung der Aktivitätskonzentration und des Fortluftvolumenstromes zu überwachen. Die Aktivitätskonzentration ist mit Hilfe von zweifach ausgeführten Messeinrichtungen zu ermitteln und auf Schwellenwerte hin zu überwachen. Mindestens eine dieser Messeinrichtungen muss die Überwachung der Gesamt-Beta-Aktivitätskonzentration der Edelgase ermöglichen.

(2) Zur Vermeidung einer Messwertverfälschung ist den Messeinrichtungen ein Schwebstofffilter mindestens der Filterklasse E/2 nach DIN EN /822-1 vorzuschalten.

(3) Die Nachweisgrenze der Messeinrichtungen zur Messung der Aktivitätskonzentration darf bei einer Messdauer von zehn Minuten den Wert von 1 ⋅ 104Bq/m3für Xenon-133 nicht überschreiten.

(4) Der Messbereich der Messeinrichtung muss unter Berücksichtigung des Volumenstromes der Fortluft die Erfassung von Ableitungsraten von 4 ⋅ 109Bq/h bis 4 ⋅ 1013Bq/hm3 bezogen auf den Nennvolumenstrom der Fortluft, ermöglichen.

3.2.2 Bilanzierung

(1) Die Aktivitäten der mit der Fortluft abgeleiteten radioaktiven Edelgase sind zu bilanzieren. Die Bilanzierung hat mit Hilfe von gammaspektrometrischer Messung zu erfolgen. Dabei sind die in Tabelle 3-1 aufgeführten Radionuklide zu berücksichtigen.

Tabelle 3-1: Bei der Bilanzierung der Aktivitäten radioaktiver Edelgase zu berücksichtigende Radionuklide

Radionuklid Radionuklid
Argon-41 Xenon-131 m
Krypton-85 Xenon-133
Krypton-85 m Xenon-133 m
Krypton-87 Xenon-135
Krypton-88 Xenon-135 m
Krypton-89 Xenon-137
Xenon-138

(2) Die Messeinrichtungen zur nuklidspezifischen Bilanzierung radioaktiver Edelgase müssen so ausgelegt sein, dass für Xenon-133 als Bezugsnuklid eine Aktivitätskonzentration von 5 ⋅ 102Bq/m3und für Krypton-85 von 1 ⋅ 104Bq/m3 in der Fortluft bei ansonsten aktivitätsfreier Luft als Messmedium innerhalb einer Messdauer von höchstens 24 Stunden nachgewiesen werden kann.

(3) Für in Tabelle 3-1 aufgelisteten, nicht nachgewiesenen Radionuklide sind die bei der Jeweiligen Messung mit der Messeinrichtung erreichten Erkennungsgrenzen anzugeben.

(4) Weitere, in der Kaminfortluft nachgewiesene Radionuklide, die bei der Messung in der Edelgasfraktion gefunden werden, sind, auch wenn sie keine Edelgase sind, im Berichtsbogen (siehe Bild 7-1) unter Edelgase einzeln unter "Sonstige" anzugeben.

(5) Für die kontinuierliche Messung zur Bilanzierung der Aktivitäten radioaktiver Edelgase sind grundsätzlich die gemessenen Tagesspektren heranzuziehen. Die Ergebnisse der stündlich (oder in anderen Zeitabständen kleiner als oder gleich 24 Stunden) durchgeführten Auswertung der gemessenen Spektren sind zusätzlich nur dann für die Bilanzierung heranzuziehen, wenn bei diesen Messungen radioaktive Edelgase identifiziert werden, z.B. aufgrund einer kurzzeitig erhöhten Aktivitätsableitung, die im Tagesspektrum nicht nachgewiesen werden können. Wird bei diesem Verfahren die Nachweisgrenze von 1 ⋅ 104Bq/m3 nicht erreicht, so ist der Beitrag von Krypton-85 zur Gesamtableitung z.B. durch Probenentnahme aus der Fortluft und durch zusätzliche Messungen zu ermitteln.

(6) Erfolgt die Bilanzierung der abgeleiteten Aktivitäten radioaktiver Edelgase nicht durch die vorrangig durchzuführende kontinuierliche nuklidspezifische Messung, ist die mit der Beta-Messung ermittelte Gesamtableitungsrate unter Berücksichtigung der Anteile der Einzelnuklide an der Nuklidzusammensetzung zugrunde zu legen. In diesem Fall ist die Einrichtung zur Erfassung der Ableitungsrate radioaktiver Edelgase nach 3.2.1 als zweifache Beta-Messeinrichtung auszuführen. Die diskontinuierliche Bestimmung der Nuklidzusammensetzung muss durch Entnahme einer repräsentativen Probe einmal wöchentlich erfolgen. Die Proben sind unverzüglich auszumessen. Wird bei der Messung Xenon-133 mit einer Aktivitätskonzentration oberhalb von 5 ⋅ 102Bq/m3, Jedoch kein Krypton-85, nachgewiesen, so ist nach frühestens zwei Tagen Abklingzeit eine zweite Analyse der Probe zur Bestimmung der Krypton-85- Aktivitätskonzentration durchzuführen.

(7) Bei Ausfall der Messeinrichtung zur kontinuierlichen nuklidspezifischen Bilanzierung der Aktivitäten radioaktiver Edelgase ist die mit der Beta-Messung ermittelte Gesamtableitungsrate unter Berücksichtigung der Anteile der Einzelnuklide an der Nuklidzusammensetzung zugrunde zu legen. Die Bestimmung der Nuklidzusammensetzung muss durch Entnahme einer repräsentativen Probe mindestens einmal wöchentlich erfolgen, wobei die Messung dieser Proben und deren Auswertung nach (6) zu erfolgen hat.

(8) Bei diskontinuierlicher Bestimmung der Nuklidzusammensetzung sind zusätzlich zur wöchentlichen Probenentnahme unverzüglich weitere repräsentative Proben zu nehmen und zu analysieren, wenn

  1. ein oberer Schwellenwert der Edelgasüberwachung oder
  2. ein oberer Schwellenwert der Überwachung der an Schwebstoffen gebundenen radioaktiven Stoffe oder
  3. ein oberer Schwellenwert der Jodüberwachung anspricht.

(9) Solange einer der oberen Schwellenwerte ansteht, ist möglichst stündlich die Nuklidzusammensetzung zu bestimmen.

(10) Bei einer diskontinuierlichen Probenentnahme ist die Nuklidzusammensetzung rückwirkend zwischen zwei Probenentnahmen als unverändert anzusehen.

Bild 3-1: Beispieleinerüberwachungseinrichtung

1 Probenentnahmerechen
2 Sammeleinrichtung zur Bilanzierung der Aktivitätsableitung von an Schwebstoffen gebundenen radioaktiven Stoffen und von Jodverbindungen
3 Aerosolmonitor
4 Jodmonitor
5 Edelgasmonitor (Gesamt-Beta-Messung)
6 Edelgasmonitor und nuklidspezifische Messeinrichtung zur Bilanzierung der Ableitung radioaktiver Edelgase
7 Sammeleinrichtung zur Bilanzierung der Ableitung von H3- und C14-Verbindungen
8 diskontinuierliche Probenentnahme
9 Rückgabeleitung
10 Durchflußmessung im Kamin

Semmeleinrichtung für Schwebstoffe Edelgas-Monitor (Geseret-Bete-Messung Durchflußmesser
Sammeleinrichtung für gasförmige Jodverbindungen Edelgas-Monitor (nuklidspezifische Messung} Integrierender Durchflußmesser
Sammeleinrichtung für H3 und C14 Ventil Differenzdrucküberwachung
Aerosol-Monitor Luftfördergerät Gasflasche
Jod-Monitor Drossel

3.3 An Schwebstoffen gebundene radioaktive Stoffe

3.3.1 Kontinuierliche Messung

(1) Die Ableitung von an Schwebstoffen gebundenen radioaktiven Stoffen mit der Fortluft ist durch kontinuierliche Messung zu überwachen. Dazu sind an Schwebstoffen gebundene radioaktive Stoffe kontinuierlich auf einem Schwebstofffilter mindestens der Filterklasse E12 nach DIN EN 1822-1 aus einem Teilluftstrom abzuscheiden und während dessen die Aktivität auf dem Schwebstofffilter zu messen.

(2) Die Messeinrichtung muss so ausgelegt sein, dass bei zuvor unbeladenem Schwebstofffilter bei einer kurzzeitig (höchstens eine Stunde lang) anstehenden Caesium-137- Aktivitätskonzentration mit einem Zeitintegral von 4 (Bq/m3)⋅ h innerhalb von höchstens einer Stunde die Anzeige des Messwertes "Aktivität auf dem Filter" oder des Messwertes "Anstieg der Aktivität auf dem Filter" die Nachweisgrenze überschreitet.

Hinweis:
Die genannten Anforderungen an die Nachweisgrenze gelten für den anlagenunabhängigen Nachweis der Geräteeigenschaften.

(3) Der Messbereich der Messeinrichtungen muss die Erfassung von Ableitungsraten von 4 ⋅ 106 Bq/h bis 4⋅ 109Bq/h, bezogen auf den Nennvolumenstrom der Fortluft, ermöglichen.

(4) Die Aktivität auf dem Filter ist auf einen Wert hin zu überwachen, bei dem eine Ableitung von 2 ⋅ 108 Bq innerhalb einer Stunde noch mit einer Standardabweichung von höchstens 10 % erkannt werden kann. Sofern bei einer Oberschreitung dieses Wertes die Ableitung nicht mehr mit einer Standardabweichung von höchstens 10 % erfasst wird, ist das Filter zu wechseln. Unabhängig davon ist es mindestens 14- täglich zu wechseln.

(5) Bei Messeinrichtungen mit kontinuierlich oder diskontinuierlich bewegtem Filter muss eine Warnschwelle so eingestellt werden, dass mindestens noch eine Ableitungsrate von 2⋅ 108Bq/h, bezogen auf den Nennvolumenstrom der Fortluft, erfasst wird.

(6) Bezugsnuklid für die Anforderungen (2) bis (5) ist Caesium-137.

3.3.2 Bilanzierung

(1) Die Aktivitäten der mit der Fortluft abgeleiteten an Schwebstoffen gebundenen radioaktiven Stoffe sind zu bilanzieren. Dazu sind diese durch kontinuierliche Abscheidung auf zwei getrennten Schwebstofffiltern mindestens der Filterklasse E12 nach DIN EN 1822-1 zu sammeln.

(2) Der Sammelzeitraum darf eine Woche nicht überschreiten.

(3) Die Schwebstofffilter sind innerhalb von zwei Tagen nach Entnahme des Filters durch gammaspektrometrische Messung zu analysieren. Der radioaktive 2erfall zwischen Sammlung und Messung ist dabei zu berücksichtigen. Bei der Bilanzierung sind die in Tabelle 3-2 aufgeführten Radionuklide zu berücksichtigen.

(4) Das Schwebstofffilter ist unverzüglich auszumessen, wenn einer der oberen Schwellenwerte der Oberwachung der Fortluft erreicht wird. Sofern automatisch startende Sammler zusätzlich vorhanden sind, dürfen ersatzweise die Filter dieser Sammler ausgemessen werden.

(5) Die Nachweisgrenze der Messeinrichtung zur Bestimmung der Aktivitätskonzentration darf den Wert von 30 mBq/m3 für Caesium-137 und 10 mBq/m3für Kobalt-60 in der Fortluft nicht überschreiten. Dabei sind für die in Tabelle 3-2 aufgelisteten, nicht nachgewiesenen Radionuklide die bei der jeweiligen Messung mit der Messeinrichtung erreichten Erkennungsgrenzen in der Fortluft anzugeben.

Tabelle 3-2: Bei der Bilanzierung der Aktivitätsableitungen von an Schwebstoffen gebundener radioaktiver Stoffe zu berücksichtigende Radionuklide

Radionuklid Radionuklid
Chrom-51 Ruthenium-106
Mangan-54 Silber-110 m
Kobalt-57 Antimon-124
Kobalt-58 Antimon-125
Eisen-59 Jod-131
Kobalt-60 Cäsium-134
2ink-65 Cäsium-137
2irkonium-95 Barium-140
Niob-95 Lanthan-140
Ruthenium-103 Cer-141
Cer-144

(6) Weitere nachgewiesene Radionuklide mit Halbwertszeiten von mehr als acht Tagen sind im Berichtsbogen (siehe Bild 7-1) einzeln unter "Sonstige" anzugeben.

Hinweis:
Die Bilanzierung der Jod-131-Ableitung erfolgt nach 3.4.2, von radioaktivem Strontium nach 3.6 und von Alphastrahlern nach 3.7.

3.4 Radioaktives gasförmiges Jod

3.4.1 Kontinuierliche Messung

(1) Die Ableitung von gasförmigem radioaktiven Jod mit der Fortluft ist durch kontinuierliche Messung zu überwachen. Dazu ist Jod kontinuierlich auf einem Jodfilter aus einem Teilluftstrom abzuscheiden und während der Anreicherung die abgeschiedene Aktivität von Jod-131 zu messen.

(2) Die Messeinrichtung muss so ausgelegt sein, dass bei zuvor unbeladenem Filter bei einer kurzzeitig (höchstens eine Stunde lang) anstehenden Aktivitätskonzentration mit einem Zeitintegral von 2 (Bq/m3) h für Jod-131 innerhalb von höchstens einer Stunde die Anzeige des Messwertes "Aktivität auf dem Filter" oder des Messwertes "Anstieg der Aktivität auf dem Filter" die Nachweisgrenze überschreitet.

Hinweis:
Die genannten Anforderungen an die Nachweisgrenze gelten für den anlagenunabhängigen Nachweis der Geräteeigenschaften.

(3) Der Messbereich der Messeinrichtung muss unter Berücksichtigung des Volumenstromes der Fortluft die Erfassung von Ableitungsraten von 4⋅ 105 Bq/h bis 4 ⋅ 108Bq/h für Jod-131 ermöglichen.

(4) Die Aktivität auf dem Filter ist auf einen Wert hin zu überwachen, bei dem eine Ableitung von 4 ⋅ 107Bq innerhalb einer Stunde noch mit einer Standardabweichung von höchstens 10 % erkannt werden kann. Sofern bei einer Oberschreitung dieses Wertes die Ableitung nicht mehr mit einer Standardabweichung von höchstens 10 % erfasst wird, ist das Filter zu wechseln.

(5) Abscheidegrad und Beladekapazität der Filter müssen sowohl für elementares als auch für organisch gebundenes Jod bei der Auswahl des Sorptionsmaterials berücksichtigt werden. Es sind Jodsorbentien mit einer geringen Edelgasadsorption einzusetzen.

Hinweis:
Bei der Bestimmung von Abscheidegraden wird üblicherweise auf die organische Verbindung Methyljodid Bezug genommen.

(6) Zur Vermeidung einer Verfälschung der Messung ist dem Jodfilter ein Schwebstofffilter mindestens der Filterklasse E12 nach DIN EN 1822-1 vorzuschalten.

3.4.2 Bilanzierung

(1) Die Aktivität des mit der Fortluft abgeleiteten Jod-131 ist zu bilanzieren. Dazu sind getrennt elementares und organisch gebundenes radioaktives Jod in der Fortluft durch kontinuierliche Abscheidung auf zwei getrennten Jodfiltern zu sammeln.

(2) Der Abscheidegrad und die Beladekapazität der Filter müssen sowohl für elementares als auch für organisch gebundenes Jod bekannt sein und bei der Auswahl der Filter berücksichtigt werden.

(3) Zur Vermeidung einer Messwertverfälschung ist dem Jodfilter ein Schwebstofffilter mindestens der Filterklasse E12 nach DIN EN 1822-1 vorzuschalten, das mit dem in 3.3.2 (1) genannten Filter identisch sein darf.

(4) Der Sammelzeitraum darf eine Woche nicht überschreiten; es ist der radioaktive Zerfall zwischen Sammlung und Messung zu berücksichtigen.

(5) Die Aktivität von Jod-131 auf dem Jodfilter und dem Schwebstofffilter nach (3) ist durch eine gammaspektrometrische Messung innerhalb eines Tages nach Entnahme der Filter zu ermitteln. Die Filter sind unverzüglich auszumessen, wenn einer der oberen Schwellenwerte der Überwachung der Fortluft erreicht wird. Sofern automatisch startende Sammler zusätzlich vorhanden sind, dürfen ersatzweise die Filter dieser Sammler ausgemessen werden.

(6) Die Nachweisgrenze zur Bestimmung der Aktivitätskonzentration von gasförmigem Jod-131 darf den Wert von 2⋅ 10-2Bq/m3in der Fortluft nicht überschreiten.

3.5 Tritium

(1) Die Aktivitätsableitung von Tritium in der chemischen Verbindung von Wasser mit der Fortluft ist zu überwachen. Dazu sind kontinuierlich Proben zu sammeln.

(2) Die Bestimmung der Aktivität von Tritium in den Proben ist vierteljährlich durchzuführen. Sie darf anhand von Einzelproben, die nach (1) gewonnen wurden, oder anhand einer repräsentativen Mischprobe durchgeführt werden.

(3) Die mit der Fortluft abgeleitete Aktivität von Tritium ist zu bilanzieren. Es muss eine Tritium-Aktivitätskonzentration von 100 Bq/m3 in der Fortluft nachgewiesen werden können.

(4) Sind wegen der Art der Probenentnahme die in der Fortluft herrschende Temperatur und Luftfeuchte zu berücksichtigen, so sind diese Größen kontinuierlich zu bestimmen.

3.6 Radioaktives Strontium

(1) Für die Überwachung der Ableitung von radioaktivem Strontium mit der Fortluft ist Strontium kontinuierlich auf einem Schwebstofffilter mindestens der Filterklasse E12 nach DIN EN 1822-1 aus einem Teilluftstrom abzuscheiden. Dieses Filter darf identisch mit dem Schwebstofffilter nach 3.3.2 (1) sein.

(2) Die Analyse auf Strontium-89 und Strontium-90 ist vierteljährlich an Mischproben durchzuführen, die aus den im betreffenden Zeitraum exponierten Schwebstofffiltern hergestellt werden dürfen. Bei Strontium-89 ist der radioaktive Zerfall zwischen Sammlung und Messung zu berücksichtigen.

(3) Die mit der Fortluft abgeleitete Aktivität von radioaktivem Strontium ist zu bilanzieren. Es muss für Strontium-89 und Strontium-90 eine Aktivitätskonzentration von 1⋅ 10-3Bq/m3in der Fortluft nachgewiesen werden können.

3.7 Alphastrahler

(1) Für die Überwachung der Ableitung von alphastrahlenden Radionukliden (Alphastrahler) mit der Fortluft sind an Schwebstoffen gebundene Alphastrahler kontinuierlich auf einem Schwebstofffilter mindestens der Filterklasse E12 nach DIN EN 1822-1 aus einem Teilluftstrom der Fortluft abzuscheiden. Dieses Schwebstofffilter darf identisch mit dem Schwebstofffilter nach 3.3.2 (1) sein.

(2) Die nuklidspezifische Analyse auf Alphastrahler ist vierteljährlich an Mischproben durchzuführen, die aus den im betreffenden Zeitraum exponierten Schwebstofffiltern hergestellt werden dürfen.

(3) Die Aktivitäten der mit der Fortluft abgeleiteten Alphastrahler sind zu bilanzieren. Bei der Bilanzierung der Aktivitäten von Alphastrahlern sind die in Tabelle 3-3 aufgeführten Radionuklide zu berücksichtigen. Die Nachweisgrenze der Messeinrichtung zur Messung der Aktivitätskonzentration darf den Wert von 5 ⋅ 10-3Bq/m3 für Americium-241 in der Fortluft nicht überschreiten. Dabei sind für die in Tabelle 3-3 aufgelisteten, nicht nachgewiesenen Radionuklide die bei der jeweiligen Messung mit der Messeinrichtung erreichten Erkennungsgrenzen anzugeben. Bei der Bilanzierung ist eine Zusammenfassung der Nuklidpaare Plutonium-238 und Americium-241 sowie Plutonium-239 und Plutonium-240 zulässig.

(4) Weitere nachgewiesene Alphastrahler sind im Berichtsbogen (siehe Bild 7-1) einzeln unter "Sonstige" anzugeben.

Tabelle 3-3: Bei der Bilanzierung der Aktivitäten von Alphastrahlern zu berücksichtigende Radionuklide

Radionuklid Radionuklid
Uran-234 Plutonium-240
Plutonium-238 Americium-241
Plutonium-239 Curium-242
Curium-244

3.8 Kohlenstoff-14

(1) Die Ableitung von Kohlenstoff-14 in der chemischen Verbindung von Kohlendioxid mit der Fortluft ist zu überwachen. Dazu sind kontinuierlich Proben aus der Fortluft zu sammeln und mindestens vierteljährlich zu analysieren.

(2) Die Aktivitätsableitung mit der Fortluft von Kohlenstoff-14 in der radiologisch relevanten chemischen Verbindung von Kohlenstoffdioxid ist zu bilanzieren. Es muss eine vierteljährliche Ableitung von 109Bq nachweisbar sein.

(3) Die jährliche Aktivitätsableitung von Kohlenstoff-14 ist zu ermitteln. Dies darf auch rechnerisch erfolgen.

Tabelle 3-4: Oberwachung der Ableitung radioaktiver Stoffe in der Fortluft

Messaufgabe Messverfahren Redundanz Mess- oder. Sammeleinrichtung Messbereich (bei Nenn-Vol.-Strom) Nachweisgrenze Bemerkung
Edelgase
a) kontinuierliche Messung a1) integral kontinuierlich oder: ja b- undg-Detektor 4 ⋅ 109bis
4 ⋅ 1013Bq/h
1 ⋅ 104Bq/m3
für Xe-133
siehe 3.2.1 (3)
a2) integral kontinuierlich ja 2 ⋅b-Detektor
b) Bilanzierung nuklidspezifisch kontinuierlich oder: nein γ-Detektor 5 ⋅ 102 Bq/m3
für Xe-133
zulässig als Redundanz zumb-Detektor nach a1)

siehe 3.2.2 (2)

Nuklidspezifisch
diskontinuierlich
nein Sammler 1 ⋅ 104 Bq/m3
für Kr-85
nur in Verbindung mit a2) zulässig

siehe 3.2.2 (2)

in Verbindung mit integral kontinuierlich b-Detektor gleiche Messeinrichtung wie a) "kontinuierliche Messung"
An Schwebstoffen gebundene radioaktive Stoffe
a) kontinuierliche Messung integral kontinuierlich nein γ- oderb-Detektor 4 ⋅ 106 bis
4 ⋅ 109 Bq/h
4 (Bq/m3)h
für Cs-137
siehe 3.3.1 (2)
b) Bilanzierung diskontinuierlich ja Filter-Sammler 3 ⋅ 10-2 Bq/m3
für Cs-137
siehe 3.3.2 (5)
Jod
a) kontinuierliche Messung nuklidspezifisch für Jod-131 nein γ-Detektor 4 ⋅ 105 bis
4 ⋅ 108 Bq/h
2 (Bq/m3)h siehe 3.4.1 (2)
b) Bilanzierung diskontinuierlich Ja Filter-Sammler 2 ⋅ 10-2 Bq/m3 siehe 3.4.2 (6)
Tritium Bilanzierung diskontinuierlich nein Sammler 1 ⋅ 102 Bq/m3
Strontium Bilanzierung diskontinuierlich ja Filter-Sammler 1 ⋅ 10-3Bq/m3 die radioaktiven Strontiumisotope auf den Schwebstofffiltern sind zu analysieren, siehe 3.6 (2)
Alphastrahler Bilanzierung diskontinuierlich ja Filter- Sammler 5 ⋅ 10-3 Bq/m3
für Am-241
die Alphastrahler auf den Schwebstofffiltern sind zu analysieren, siehe 3.7 (2)
Kohlenstoff-14 (als CO2) diskontinuierlich nein Sammler 1 ⋅ 109Bq pro Vierteljahr siehe 3.8 (2)
Kohlenstoff-14 (gesamt) diskontinuierlich nein Sammler 5 ⋅ 109 Bq pro Jahr siehe 3.8 (3)

4 Probenentnahme

(1) Der Probenentnahmeort und das Probenentnahmeverfahren sind so zu wählen, dass die entnommenen Proben repräsentativ für die zu überwachenden Aktivitätsableitungen sind. Die Anzahl der Probenentnahmestellen ist dabei abhängig vom Durchmischungsgrad der Fortluft am Ort der Probenentnahme.

Hinweis:
Die erforderliche Anzahl und Anordnung der Probenentnahmesonden können DIN ISO 2889 entnommen werden.

(2) Der Volumenstrom des aus der Fortluft entnommenen Teilluftstroms sollte ein Tausendstel des Fortluftnennvolumenstroms nicht unterschreiten.

Hinweis:
Details zur Wahl des Teilluftstromes können DIN ISO 2889 entnommen werden.

(3) Die Probenentnahmeleitungen sind so auszulegen, zu verlegen und aus solchen Werkstoffen herzustellen, dass möglichst wenig an Schwebstoffen gebundene radioaktive Stoffe und gasförmige radioaktive Jodverbindungen zurückgehalten werden.

Hinweis:
Details zur Auslegung können DIN ISO 2889 entnommen werden.

(4) Bei der Auswahl und der Lagerung des Sorptionsmaterials der Filter müssen Alterungseffekte berücksichtigt werden. Der spezifizierte Temperaturbereich muss eingehalten werden.

(5) Bei der Auslegung von Komponenten von Schwebstoff- und Jodfiltern ist zu beachten:

  1. Im Betrieb muss Gasdichtheit sichergestellt sein. Dies ist dann gegeben, wenn der Leckluftvolumenstrom bei einem Differenzdruck von etwa 100 hPa nicht größer als 1 % des Probevolumenstroms ist.
  2. Eine Beschädigung des Filters im Bereich der Filterdichtung ist zu vermeiden.
  3. Der Wert des Durchflusses des Bypassluftstromes um das Sammelmedium sollte weniger als 1 % des Probevolumenstroms betragen.
  4. Die Filter müssen leicht austauschbar sein.
  5. Die mechanischen Teile müssen korrosionsfest sein.
  6. Die mit dem Messmedium in Verbindung stehenden Teile der Filterhalterung müssen leicht dekontaminierbar sein.

(6) Erfolgt die Probenentnahme diskontinuierlich, so sind Zeitpunkt und Zeitdauer der Probenentnahmen so zu wählen, dass die Proben für die zwischen zwei Probenentnahmen abgeleiteten radioaktiven Stoffe repräsentativ sind.

(7) Die Probenentnahmeeinrichtung zur kontinuierlichen Sammlung von an Schwebstoffen gebundenen radioaktiven Stoffen ist so auszulegen, dass der für die Bestimmung der Aktivitätsableitung relevante Teil von Schwebstoffen mit einem aerodynamisch äquivalenten Durchmesser im Bereich von 0,1 m bis 20 m zum Schwebstofffilter gelangt. Der Gesamtverlustfaktor für an Schwebstoffen gebundene radioaktive Stoffe ist für die Probenentnahmeeinrichtung zu bestimmen. Geeignete Verfahren hierfür sind z.B.:

  1. Der Gesamtverlustfaktor für an Schwebstoffen gebundene radioaktive Stoffe ist mit Prüfaerosolpartikeln, deren Partikelgrößenverteilung für die betrachtete Mengenart (Anzahl oder Masse der Prüfaerosolpartikeln) einen Medianwert des aerodynamisch äquivalenten Durchmessers von ungefähr 1 m und eine geometrische Standardabweichung zwischen 2 und 3 aufweist, zu bestimmen. Diese Prüfaerosolpartikeln sind in den Fortluftkanal aufzugeben und der Gesamtverlustfaktor ist aus der aufgegebenen Menge und der Menge auf dem Sammelmedium zu ermitteln.
  2. Zur Ermittlung des Gesamtverlustfaktors für an Schwebstoffen gebundene radioaktive Stoffe darf allein der Rohrfaktor für die in a) geforderte Partikelgrößenverteilung bestimmt werden. Der Rohrfaktor darf auch ohne Aufgabe von Prüfaerosolpartikeln mit den anlageneigenen Schwebstoffen im Fortluftkamin und an der Probenentnahmestelle ermittelt werden. In diesem Fall sind die übrigen zur Bestimmung des Gesamtverlustfaktors erforderlichen Einflussgrößen durch gesonderte Messung oder Rechnung zu ermitteln.
  3. Der Gesamtverlustfaktor für an Schwebstoffen gebundene radioaktive Stoffe wird durch Vergleich der aus Messungen unmittelbar im Fortluftkanal bestimmten Aktivitätskonzentration mit der aus den Messwerten der Sammel- und Messeinrichtungen bestimmten Aktivitätskonzentrationen ermittelt.

(8) Der Gesamtverlustfaktor ist bei Inbetriebnahme der Probenentnahmeeinrichtung, nach Veränderungen, die den Gesamtverlustfaktor wesentlich beeinflussen können, sowie alle 5 Jahre zu bestimmen. Sein Wert sollte nicht größer als 2 und darf nicht größer als 3 sein.

(9) Der Gesamtverlustfaktor ist bei der Bilanzierung der Ableitung von an Schwebstoffen gebundener radioaktiver Stoffe zu berücksichtigen.

Hinweise:
(1) Zu den an Schwebstoffen gebundenen radioaktiven Stoffen gehören außer den gammastrahlenden Radionukliden auch die Strontiumisotope Sr-89 und Sr-90 und die alphastrahlenden Radionuklide.
(2) Bei der Bilanzierung wird der Gesamtverlustfaktor bei der Berechnung der Aktivitätsableitung, der Erkennungs- und Nachweisgrenze einbezogen.

(10) Die Probenentnahmeeinrichtung einschließlich der Filter ist so auszulegen oder unterzubringen, dass Taupunktunterschreitungen nicht auftreten können.

5 Ausführung der Überwachungseinrichtungen

Hinweis:
Die Anforderungen des Abschnitts 5 gelten, soweit nicht anders angegeben, für fest- und nicht festinstallierte Messeinrichtungen.

5.1 Auslegung und Unterbringung

5.1.1 Allgemeine Anforderungen

(1) Alle Komponenten der Überwachungseinrichtungen, z.B. Probenentnahmeeinrichtung, Messwertaufnehmer, Messumformer, müssen so ausgelegt sein, dass sie auch bei an ihrem Einbau- oder Aufstellungsort auftretenden Umgebungs- und Mediumsbedingungen gemäß den Anforderungen dieser Regel betrieben werden können.

(2) Die Mess- und Probenentnahmeeinrichtungen sind so zu installieren oder unterzubringen, dass

  1. die in den jeweiligen Gerätespezifikationen angegebenen Nenngebrauchsbereiche eingehalten werden und
  2. Prüfung, Wartung und Instandsetzung leicht möglich sind.

5.1.2 Anforderungen an festinstallierte Messeinrichtungen

(1) Der Messwert darf sich bei Variation jeweils einer Einflussgröße innerhalb der in Tabelle 5-1 genannten Nenngebrauchsbereiche nur um ± 30 % gegenüber dem Messwert ändern, den man bei dem Bezugswert dieser Einflussgröße erhalten hat. Bei dieser Variation müssen alle übrigen Einflussgrößen mit Ausnahme des Drucks der Umgebungsluft und des Messmediums in der Nähe der Bezugswerte möglichst unverändert bleiben. Dabei soll jedoch eine Druckdifferenz von 200 hPa zwischen Messmedium und Umgebung nicht überschritten werden.

(2) Für die in Tabelle 5-1 aufgeführten Einflussgrößen sind die dort genannten Bezugswerte anzuwenden. Für die Filterbeladung gilt der unbeladene Zustand als Bezugswert. Für die Untergrundstrahlung ist der Bezugswert vom Hersteller der Überwachungseinrichtung anzugeben.

(3) Bei Ausfall der Lüftung der Messräume ist unter Berücksichtigung der zu erwartenden Umgebungsbedingungen innerhalb der ersten Stunde nach Ausfall der Lüftung der Kalibrierwert auf ± 30 % einzuhalten.

(4) In Hinblick auf die Störfestigkeit der Messeinrichtungen gegen elektromagnetische Störgrößen, wie z.B. elektrostatische Entladungen, elektromagnetische Felder, Störspannungen, ist das Gesetz über die elektromagnetische Verträglichkeit von Geräten (EMVG) einzuhalten.

(5) Die Messgeräte der kontinuierlich zu betreibenden Überwachungseinrichtungen sollen möglichst in zentralen Messräumen installiert oder untergebracht werden.

(6) Ist ein Betriebsmedium für eine Messeinrichtung erforderlich, z.B. Zählgas, so ist die Versorgung mit dem Betriebsmedium sicherzustellen und auf einen Ausfall hin zu überwachen.

(7) Elektrische Verbraucher sind an das Notstromsystem anzuschließen. Redundante elektrische Verbraucher sind an redundante Schienen anzuschließen.

(8) Kontinuierlich zu betreibende Überwachungseinrichtungen sind selbstüberwachend auszuführen; es ist sicherzustellen, dass bei Umschaltung auf Notstromversorgung die Messung und Messwertverarbeitung nicht derart unterbrochen werden, dass gespeicherte Daten, z.B. Messwerte für eine Integration, verloren gehen.

(9) Nach einer Stromunterbrechung müssen alle Strahlungs- und Aktivitätsüberwachungseinrichtungen einschließlich der peripheren Geräte selbsttätig wieder anlaufen.

(10) Bei Messeinrichtungen, die an oder in einem Bypass angeordnet sind, ist der Durchfluss im Bypass zu überwachen.

(11) Die Messeinrichtung zur integralen Edelgasbestimmung sowie die Lüfter zur Entnahme des Teilluftstromes aus der Fortluft und die Filter zur Bilanzierung der Ableitungen von an Schwebstoffen gebundenen radioaktiven Stoffen und von radioaktivem Jod müssen zweifach vorhanden sein.

(12) Die Nachweisgrenzen sind bei einer Umgebungsdosisleistung von 0,25 pGy/h (Caesium-137) zu ermitteln.

Hinweis:

Die Ermittlung der Nachweisgrenzen bei Kernstrahlungsmessungen ist in DIN ISO 11929 enthalten.

5.2 Statistische Sicherheit

(1) Der Faktor k1-αnach DIN ISO 11929 hat den Wert 1,645.

(2) Der Faktor k1-β nach DIN ISO 11929 hat den Wert 1,645.

5.3 Schwellenwerte der festinstallierten Messeinrichtungen

(1) Müssen Geräte im Betrieb nachjustiert werden, so sind fest eingebaute Einstellmöglichkeiten hierfür vorzusehen. Alle Einstellmöglichkeiten an den elektronischen Geräten der Überwachungseinrichtungen sind so anzuordnen oder abzusichern, dass eine Verstellung durch Unbefugte weitgehend ausgeschlossen ist. Eine selbsttätige Verstellung muss ausgeschlossen werden.

(2) Geräteausfall und Überschreiten von Schwellenwerten müssen optisch und akustisch in der Warte angezeigt und aufgezeichnet werden. Sammelmeldungen sind zulässig, wenn in der Warte oder in einem Wartennebenraum angezeigt wird, von welcher Messeinrichtung die Meldung kommt. Die akustischen Meldungen dürfen vor Behebung der Ursachen einzeln oder gemeinsam gelöscht werden.

(3) Die optischen Signale in der Warte bei Ausfallmeldung oder bei Überschreitung eines oberen Schwellenwertes müssen den Meldezustand erkennen lassen.

5.4 Messwertanzeige und Aufzeichnung der festinstallierten Messeinrichtungen

(1) Bei analoger Anzeige sollen die Messeinrichtungen für jede Messgröße nur einen Anzeigebereich haben. Sind mehrere Anzeigebereiche notwendig, so müssen

  1. bei mehreren linearen Anzeigebereichen die Anzeigebereiche sich um mindestens 10 % überlappen, wobei sich die Skalenendwerte höchstens um den Faktor 10 unterscheiden dürfen,
  2. bei mehreren logarithmischen Anzeigebereichen die Anzeigebereiche sich um mindestens eine Dekade überlappen.

(2) Der Messwert sollte an der Messeinrichtung angezeigt werden. In der Warte sind folgende Werte anzuzeigen und zu aufzuzeichnen:

a) Fortluft: Volumenstrom
b) radioaktive Edelgase: Gesamt-Beta-Aktivitätskonzentration, Ableitungsrate (Bq/h)
c) an Schwebstoffen gebundene radioaktive Stoffe: Filterbeladung (Aktivität), bei Messeinrichtungen mit festem Filter:
Aktivitätsänderung pro Zeiteinheit
d) radioaktives gasförmiges Jod: Filterbeladung (Aktivität), Aktivitätskonzentration, Ableitungsrate (Bq/h).

(3) Die Aufzeichnungen müssen für einen Zeitraum von mindestens 3 Stunden direkt sichtbar und gut lesbar sein.

5.5 Prüfbarkeit

Die Überwachungseinrichtungen sind so auszulegen und auszuführen, dass das einwandfreie Funktionieren der Einzelgeräte im Rahmen von erstmaligen Prüfungen nach 6.2.2 und wiederkehrenden Prüfungen nach 6.2.3 und für nicht festinstallierte Messeinrichtungen nach 6.3 festgestellt werden kann. Funktionsprüfungen müssen auch während des Leistungsbetriebs des Kernkraftwerks durchgeführt werden können.

Tabelle 5-1: Nenngebrauchsbereiche und Bezugswerte für Einflussgrößen

Einflussgrößen Nenngebrauchsbereich Bezugswert
Betriebsspannung
- Wechselspannungsversorgung 85 % bis 110 % des Nennwerts der Betriebsspannung Herstellerangabe
- Gleichspannungsversorgung spezifizierter Spannungsbereich des Gleichspannungsnetzes Herstellerangabe
Umgebungstemperatur in °C 15 bis 40 20
Druck der Umgebungsluft in hPa 900 bis 1100 Herstellerangabe
Rel. Feuchte der Umgebungsluft in % 10 bis 95, nicht betauend 60
Temperatur des Messmediums in °C 15 bis 40 20
Druck des Messmediums1 in hPa 700 bis 1100 Herstellerangabe
Rel. Feuchte des Messmediums in % 10 bis 95, nicht betauend 60
1) Druckdifferenz zwischen Umgebung und Messmedium nicht größer als 200 hPa

6 Instandhaltung der Überwachungseinrichtungen

Hinweis:
Die Anforderungen des Abschnitts 6 gelten, soweit nicht anders angegeben, für fest- und nicht festinstallierte Messeinrichtungen.

6.1 Wartung und Instandsetzung

6.1.1 Durchführung

Wartung und Instandsetzung der Überwachungseinrichtungen müssen nach den jeweiligen Betriebs- und Instandsetzungsanweisungen von fachkundigen Personen vorgenommen werden.

6.1.2 Dokumentation

(1) Alle durchgeführten Wartungs- und Instandsetzungsarbeiten sind zu dokumentieren.

(2) Für festinstallierte Messeinrichtungen muss die Dokumentation folgende Angaben enthalten:

  1. eindeutige Bezeichnung der Überwachungseinrichtung,
  2. Art der durchgeführten Wartung oder Instandsetzung,
  3. Art und Anzahl der ausgewechselten Teile,
  4. Gründe für das Auswechseln von Teilen,
  5. für die neu eingesetzten Teile: Datum und nähere Bezeichnung der Prüfzeugnisse und der nach dieser Regel erforderlichen Prüfnachweise,
  6. Angaben über Ausfallzeiten,
  7. Datum der Wartung oder Instandsetzung und
  8. Namen und Unterschriften der fachkundigen Personen.

6.2 Prüfungen für festinstallierte Messeinrichtungen

6.2.1 Durchzuführende Prüfungen

Die Überwachungseinrichtungen sind folgenden Prüfungen zu unterziehen:

  1. vor ihrem Einsatz in einem Kernkraftwerk:
    aa) Nachweis der Eignung,
    ab) Kalibrierung,
  2. vor ihrem ersten Einsatz in einem bestimmten Kernkraftwerk:
    ba) Eignungsüberprüfung und
    bb) Werksprüfung,
    bc) Überprüfung der Kalibrierung mit Festpräparaten und
    bd) Inbetriebsetzungsprüfung,
  3. während des Einsatzes im Kernkraftwerk:
    ca) regelmäßig wiederkehrenden Prüfungen und
    cb) Prüfungen nach Wartungs- und Instandsetzungsarbeiten.

6.2.2 Erstmalige Prüfungen

6.2.2.1 Nachweis der Eignung

(1) Vor dem erstmaligem Einsatz in einem Kernkraftwerk ist nachzuweisen, dass die Überwachungseinrichtungen ihre Aufgaben erfüllen und den spezifizierten Anforderungen genügen.

Hinweis:
Anforderungen an den Nachweis der Eignung von festinstallierten Messeinrichtungen zur Strahlungsüberwachung" sind in KTA 1505 geregelt.

(2) Der Nachweis der Eignung besteht aus dem (anlagenunabhängigen) Nachweis von Geräteeigenschaften und der anlagenbezogenen Eignungsüberprüfung.

(3) Die anlagenbezogene Eignungsüberprüfung ist durch die Behörde oder einen zugezogenen Sachverständigen durchzuführen.

6.2.2.2 Kalibrierung und Überprüfung der Kalibrierung

(1) Für die Überwachungseinrichtungen einschließlich der Volumenstrommesseinrichtungen müssen vor ihrem ersten Einsatz geeignete Kalibrierfaktoren bestimmt worden sein. Die Bestimmung der Kalibrierfaktoren darf auch an einer typgleichen Messeinrichtung durchgeführt werden. Die Kalibrierung ist bei den in Tabelle 5-1 genannten Bezugswerten durchzuführen.

(2) Die Messeinrichtung zur Überwachung der Gesamt-Beta-Aktivität der radioaktiven Edelgase ist mit Xenon-133 und Krypton-85 zu kalibrieren. Die Energieabhängigkeit des Ansprechvermögens der Messeinrichtung zur Erfassung der Betastrahlung der radioaktiven Edelgase muss mit mindestens drei repräsentativen Betastrahlern mit einer maximalen Beta-Energie aus dem Bereich von 150 keV bis 2500 keV ermittelt werden. Die Energieabhängigkeit des Ansprechvermögens der Messeinrichtung zur Erfassung der Gammastrahlung der radioaktiven Edelgase muss für Gammastrahlung im Energiebereich von 60 keV bis 2500 keV bekannt sein.

(3) Die Messeinrichtung zur kontinuierlichen gammaspektrometrischen Messung nach 3.2.2 ist mit Krypton-85 und Xenon-133 zu kalibrieren.

(4) Die Messeinrichtung zur Überwachung von an Schwebstoffen gebundenen radioaktiven Stoffen für Betastrahlung ist sowohl mit Technetium-99 oder Kobalt-60 als auch mit Chlor-36 oder Caesium-137, die für Gammastrahlung mit Barium-133 und Caesium-137 zu kalibrieren. Die Energieabhängigkeit des Ansprechvermögens muss für Betastrahlung im Energiebereich von 150 keV bis 2500 keV, die für Gammastrahlung im Energiebereich von 100 keV bis 1700 keV bekannt sein. Um die Nachweiswahrscheinlichkeit für Störnuklide und Untergrundstrahlung zu verringern, darf bei Messeinrichtungen zur Überwachung von an Schwebstoffen gebundenen radioaktiven Stoffen für Gammastrahlung die untere Schwelle bis auf maximal 250 keV erhöht werden.

(5) Die Messeinrichtung zur Jodüberwachung ist mit Jod-131 zu kalibrieren.

(6) Die Messeinrichtung für wassergebundenes Tritium ist mit tritiumhaltigem Wasser zu kalibrieren.

(7) Die Messeinrichtung für Alphastrahler ist mit Americium 241 zu kalibrieren.

(8) Bei der Erstkalibrierung ist ein Satz von Festpräparaten festzulegen, mit denen jeweils ein Anzeigewert in einer der unteren und einer der oberen Dekaden des Messbereichs kontrolliert werden kann. Dafür sind folgende Festpräparate vorzusehen:

  1. für die Edelgasüberwachung Kobalt-60, Technetium-99 oder Caesium-137 bei Messeinrichtungen für Betastrahlung sowie Barium-133 oder Kobalt-57 bei Messeinrichtungen für Gammastrahlung sowie Americium-241 und Europium-152 bei der kontinuierlichen gammaspektrometrischen Messeinrichtung,
  2. für die Überwachung von an Schwebstoffen gebundenen radioaktiven Stoffen Kobalt-60 oder Technetium-99 bei Messeinrichtungen für Betastrahlung sowie Barium-133 oder Kobalt-57 bei Messeinrichtungen für Gammastrahlung und
  3. für die Jodüberwachung Barium-133.

(9) Im Anschluss an die Erstkalibrierung der Überwachungseinrichtungen ist mittels Festpräparat in definierter und reproduzierbarer Geometrie ein Anzeigewert zu bestimmen, der später eine Überprüfung der Kalibrierung und den Anschluss weiterer typgleicher Geräte ermöglicht.

6.2.2.3 Werksprüfung

(1) In einer Werksprüfung sind die ordnungsgemäße Herstellung und die einwandfreie Funktion der Überwachungseinrichtungen nachzuweisen. Setzen sich die Überwachungseinrichtungen aus Komponenten verschiedener Hersteller zusammen, so müssen die ordnungsgemäße Herstellung und einwandfreie Funktion dieser Komponenten durch Prüfungen beim jeweiligen Hersteller nachgewiesen werden.

(2) Die Werksprüfung ist als eine Stückprüfung durchzuführen und muss umfassen:

  1. Sichtprüfung,
  2. Prüfung des Ausgangswertes in Abhängigkeit von der spezifizierten Betriebsspannungsschwankung,
  3. Prüfung der Kennlinie mit einem Impuls- oder Stromgenerator mit mindestens einem Prüfwert pro Dekade des Messbereichs,
  4. Prüfung der Übersteuerungsfestigkeit (elektronisch oder mittels Präparat),
  5. Funktionsprüfung mit einem Festpräparat,
  6. Durchflussüberwachung oder Mengenmessung und
  7. Dichtheitsmessung.

(3) Die Werksprüfung ist durch Werkssachverständige durchzuführen, in begründeten Fällen in Anwesenheit der zuständigen Behörde oder eines zugezogenen Sachverständigen.

6.2.2.4 Inbetriebsetzungsprüfung

(1) In der Inbetriebsetzungsprüfung nach Installation sind die einwandfreie Ausführung und Funktion der Überwachungseinrichtungen nachzuweisen. Es müssen geprüft werden:

  1. Ausführung der Überwachungseinrichtungen,
  2. Installation der Überwachungseinrichtungen,
  3. Anzeige (mit mindestens einem Prüfwert pro Dekade des Messbereichs),
  4. Überprüfung der Kalibrierung (mittels Festpräparat),
  5. Anschluss an das Notstromsystem,
  6. Durchflussüberwachung,
  7. Messwertverarbeitung,
  8. Versorgung mit Betriebsmedien,
  9. Geräteausfallmeldung,
  10. Schwellenwerteinstellung und Signalisierung,
  11. selbständiges Wiederanlaufen nach Unterbrechung der Stromversorgung und
  12. Verknüpfung mit dem Fortluft-Volumenstrom.

(2) Die Inbetriebsetzungsprüfung ist durch den Betreiber sowie in einem von der zuständigen Behörde festgelegten Umfang durch die Behörde oder einen zugezogenen Sachverständigen oder in deren Anwesenheit durchzuführen.

6.2.3 Wiederkehrende Prüfungen

6.2.3.1 Allgemeines

(1) Für die Prüfliste, die Prüfanweisungen und die Prüfnachweise ist KTA 1202 anzuwenden.

(2) Die Prüfungen müssen ohne Eingriff in die Schaltung, z.B. Löten, erfolgen können.

6.2.3.2 Regelmäßig wiederkehrende Prüfungen

(1) Durch regelmäßig wiederkehrende Prüfungen ist die einwandfreie Funktion der Überwachungseinrichtungen nachzuweisen. Dabei sind die in Tabelle 6-1 angegebenen Prüfungen und Prüfhäufigkeiten zugrunde zu legen.

(2) Die Überprüfung der Kalibrierung nach lfd. Nr. 1 b) der Tabelle 6-1 ist in der bei der Erstkalibrierung der Messeinrichtung definierten Geometrie mittels Festpräparat entsprechend 6.2.2.2 durchzuführen. Der Sollwert der Anzeige muss mit der im Prüfhandbuch festgelegten Genauigkeit erreicht werden.

(3) Die Prüfungen sind durch den Betreiber oder die Behörde oder einen zugezogenen Sachverständigen durchzuführen.

6.2.3.3 Prüfung nach einer Instandsetzung

Nach einer Instandsetzung ist die einwandfreie Funktion durch eine dem Umfang der Instandsetzung entsprechende Inbetriebsetzungsprüfung nach 6.2.2.4 nachzuweisen.

6.2.3.4 Beseitigung von Mängeln

Zur Beseitigung von Mängeln sind im Betriebshandbuch Reparaturzeiten und ggf. Ersatzmaßnahmen festzulegen. Die Mängel einschließlich der zu ihrer Beseitigung getroffenen Maßnahmen sind zu protokollieren.

6.3 Prüfungen für nicht festinstallierte Messeinrichtungen

(1) Es ist nachzuweisen, dass die Messeinrichtungen ihre Aufgaben erfüllen und den spezifizierten Anforderungen dieser Regel genügen.

(2) Die Messeinrichtungen sind für ihren jeweiligen Messzweck zu kalibrieren.

(3) In der Inbetriebsetzungsprüfung sind die einwandfreie Ausführung und Funktion der Messeinrichtungen nachzuweisen. Es müssen geprüft werden:

  1. Ausführung der Messeinrichtungen,
  2. Aufstellung der Messeinrichtungen,
  3. Funktionsprüfung und Überprüfung der Kalibrierung und
  4. Versorgung mit Betriebsmedien.

(4) Die Inbetriebsetzungsprüfung ist durch den Betreiber sowie in einem von der zuständigen Behörde festgelegten Umfang durch die Behörde oder einen zugezogenen Sachverständigen oder in deren Anwesenheit durchzuführen.

(5) Es sind regelmäßig wiederkehrende Prüfungen durchzuführen.

(6) Für die Prüfliste, die Prüfanweisungen und die Prüfnachweise ist KTA 1202 anzuwenden.

(7) Durch regelmäßig wiederkehrende Prüfungen ist die einwandfreie Funktion der Messeinrichtungen nachzuweisen. Dabei sind die in Tabelle 6-1 lfd. Nr. 2 und 8 angegebenen Prüfungen und Prüfhäufigkeiten zugrunde zu legen.

(8) Nach einer Instandsetzung ist die einwandfreie Funktion durch eine dem Umfang der Instandsetzung entsprechende Inbetriebsetzungsprüfung nachzuweisen.

7 Messergebnisse

7.1 Dokumentation

7.1.1 Fließschema

(1) Die für die Messung der abgeleiteten gasförmigen und an Schwebstoffen gebundenen radioaktiven Stoffe eingerichteten Probenentnahme- und Überwachungseinrichtungen sind in ein übersichtliches Fließschema einzuzeichnen. Durch unterschiedliche Symbole sind Art der Probenentnahme und Messung zu kennzeichnen.

(2) In einer dem Fließschema zugeordneten Beschreibung, z.B. in Form einer Tabelle, sind für jede Probenentnahme- und Überwachungseinrichtung die erforderliche Messaufgabe und Messdurchführung festzuhalten. Für Probenentnahmen sind Zweck, Art, Ort und Häufigkeit sowie die durchzuführen- den Messungen aufzuführen. Für die Überwachungseinrichtungen sind die Messaufgaben und die messtechnischen Anforderungen, insbesondere Messart, Messanordnung einschließlich Abschirmung, Kalibrierung, Messbereiche, Nachweisgrenzen und Messunsicherheiten anzugeben. Für das Messlabor sind ebenfalls die Messaufgaben und die messtechnischen Anforderungen zu beschreiben.

7.1.2 Umfang

Die Dokumentation muss so angelegt werden, dass ein lückenloser Nachweis der Ableitung der radioaktiven Stoffe möglich ist. Dazu gehören die Aufzeichnungen über

  1. Aktivitätsmessungen (Einzelnuklid-Aktivitätskonzentrationen und Ableitungsraten),
  2. Probenentnahmen (kontinuierlich, diskontinuierlich; Zeitpunkt, Zeitspanne),
  3. Fortluftvolumenstrom im Kamin und
  4. Verantwortliche und Ausführende.

7.2 Berichterstattung an die Behörden

7.2.1 Inhalt

Die Berichterstattung über die Ableitung gasförmiger und an Schwebstoffen gebundener radioaktiver Stoffe an die zuständige Aufsichtsbehörde muss umfassen:

  1. Fortluftmenge,
  2. Genehmigungswerte,
  3. nuklidspezifische Aktivitätsableitung und deren Messunsicherheiten,
  4. die im Berichtszeitraum mit den benutzten Messeinrichtungen erreichten minimalen und maximalen Erkennungsgrenzen und
  5. Gesamtverlustfaktor.

7.2.2 Bilanzierung

Der nuklidspezifische Nachweis der Aktivitätsableitungen in der Fortluft und der Vergleich mit den Genehmigungswerten müssen vierteljährlich und für die Zeitspanne seit Jahresanfang vorgenommen werden. In der Bilanzierung bleiben Nuklide mit Aktivitätskonzentrationen unterhalb der erreichten Erkennungsgrenzen außer Betracht.

7.2.3 Berichtsbogen

(1) Für die regelmäßige Berichterstattung soll der Berichtsbogen nach Bild 7-1 benutzt werden.

(2) In der Spalte "abgeleitete Aktivität" sind nur Werte einzutragen, die sich aus Messwerten der Aktivitätskonzentration oberhalb der Erkennungsgrenze ergeben. Wurden keine Werte oberhalb der Erkennungsgrenze ermittelt, sind die entsprechenden Felder mit z.B. "kleiner EG" oder "n.n." zu kennzeichnen.

Tabelle 6-1: Wiederkehrende Prüfungen

Lfd.
Nr.
Prüfobjekt Prüfverfahren durch Betreiber Prüfhäufigkeit durch die zuständige Behörde oder zugezogenen Sachverständigen
1 Überwachungseinrichtungen a) Besichtigung bei Kontrollgängen jährlich
b) Überprüfung der Kalibrierung mittels Festpräparat vierteljährlich jährlich
bei Zählrohren: gegebenenfalls Überprüfung des Plateaus - jährlich
2 Prüf- und Wartungsaufzeichnungen Einsichtnahme - jährlich
3 Elektronikbaugruppen Einspeisung von geeigneten Signalen an vorgesehenen Eingängen oder Simulation von Signalen direkt im Messumformereingang mit mindestens einem Wert pro Dekade des Messbereichs1 zur integralen Prüfung des Messumformers.

Zur Prüfung des Messumformerausgangs sowie registrierender Einrichtungen wie Anzeiger, Schreiber, Überwachungsrechner, ist pro Dekade mindestens ein Wert des Messbereichs zu simulieren, der bei rechnerbasierten Messeinrichtungen auch tastaturgestützt mittels Rechnerprogramm erzeugt werden kann.

Vergleich aller Anzeigen und Aufzeichnungen

jährlich jährlich
4 Signalisierung a) Betriebsbereitschaft: visuell bei Kontrollgängen jährlich
b) Ausfallmeldung:
durch Unterbrechung der Spannungszufuhr oder durch Auftrennen der Signalverbindung zwischen Messumformer und Detektor oder durch Vorgabe eines Wertes unterhalb der Ausfallschwelle
vierteljährlich jährlich
c) Gefahrenmeldung: mit Strahlenquelle oder elektrisch vierteljährlich jährlich
d) Durchflussüberwachung
durch Änderung des Volumenstroms außerhalb der Alarmschwellen
jährlich jährlich
5 Durchflussüberwachung und Betriebsmedienversorgung ohne automatische Funktionskontrolle mit automatischer Funktionskontrolle Sichtprüfung bei Kontrollgängen jährlich
Vergleich des Sollwertes mit dem Istwert vierteljährlich jährlich
6 Fortluft-Volumenstrom Vergleich des Sollwertes mit dem Istwert bei Nennvolumenstrom jährlich jährlich
7a Probenentnahmeeinrichtung Besichtigung, Überprüfung der Umschaltung der Ventilatoren oder Gebläse jährlich jährlich
7b Probenentnahmeeinrichtung Bestimmung des Gesamtverlustfaktors 5 jährlich 5 jährlich
8 nicht festinstallierte Messeinrichtungen a) Sichtprüfung vierteljährlich jährlich
b) Überprüfung der Kalibrierung vierteljährlich jährlich
1) Die Prüfmethode der Simulation von Detektorsignalen am Messumformereingang zur integralen Prüfung von Messumformer und Messkreisen - mit wenigstens einem Wert pro Dekade - ist bei rechnerbasiert arbeitenden Messeinrichtungen nicht erforderlich, wenn das Programm qualifiziert ist. Hier genügt die Einspeisung eines Signals in der obersten Dekade des Messbereiches, wenn in der vorverarbeitenden Elektronik im gesamten Messbereich keine Umschaltungen vorgenommen werden. Auch diese kann entfallen, wenn bei der Überprüfung der Kalibrierung ein Messwert in die oberste Dekade des Messbereichs fällt.

Bild 7-1: Muster eines Berichtsbogens über die abgeleiteten Aktivitäten

KKW: Im .... Quartal 20.. seit Jahresanfang 20..
Fortluftmenge in m3 berücksichtigter Gesamtverlustfaktor
Radionuklid Erkennungsgrenze der
Aktivitätskonzentration in der Fortluft (Bq/m3)
abgeleitete Aktivität (Bq) und deren Unsicherheit (Bq) Genehmigungswert der Aktivitätsableitung (Bq/a) Bemerkung
min. max. im Quartal seit Jahresanfang
Teil 1
Radioaktive Edelgase:
Ar-41
Kr-85
Kr-85m
Kr-87
Kr-88
Kr-89
Xe-131m
Xe-133
Xe-133m
Xe-135
Xe-135m
Xe-137
Xe-138
Sonst. radioaktive Edelgase1
Summe radioaktive Edelgase
Summe radioaktive Edelgase (Gesamt-Beta-Aktivität)2
H-3 als Wasserdampf
C-14
C-14 als CO2
C-14 (Summe aller gasförmigen Verbindungen)
Summe Radionuklide als Gase oder gasförmige Verbindungen (außer Jod)
Jod:
I-131 gasf. elementar
I-131 gasf. organisch geb.
I-131 an Schwebstoffen gebunden3
Summe I-131
Sonstige gasförmige Jodisotope
Sonstige an Schwebstoffen gebundene Jodisotope
Teil 2
An Schwebstoffen gebundene Radionuklide3:
Cr-51
Mn-54
Co-57
Co-58
Fe-59
Co-60
Zn-65
Zr-95
Nb-95
Ru-103
Ru-106
Ag-110m
Sb-124
Sb-125
Cs-134
Cs-137
Ba-140
La-140
Ce-141
Ce-144
Sonstige gammastrahlende Radionuklide
Sr-89
Sr-90
U-234
Pu-238
Pu-238 + Am-241
Pu-239
Pu-239 + Pu-240
Pu-240
Am-241
Cm-242
Cm-244
Sonstige alphastrahlende Radionuklide
Summe an Schwebstoffen gebundene Radionuklide
1) Summe der Aktivitätsableitung beider nuklidspezifischen Messung
2) Summe der Aktivitätsableitung bei der integralen Messung
3) enthält Korrektur mit Gesamtverlustfaktor (auch bei Strontiumisotopen und alphastrahlenden Radionukliden)

.


Bestimmungen, auf die in dieser Regel verwiesen wird
Anhang

(Die Verweise beziehen sich nur auf die in diesem Anhang angegebene Fassung.
Darin enthaltene Zitate von Bestimmungen beziehen sich jeweils auf die Fassung, die vorlag, als die verweisende Bestimmung aufgestellt oder ausgegeben wurde.) 

AtG Gesetz über die friedliche Verwendung der Kernenergie und den Schutz gegen ihre Gefahren (Atomgesetz - AtG) in der Fassung der Bekanntmachung vom 15. Juli 1985 (BGBl. I S. 1565), das zuletzt durch Artikel 5 des Gesetzes vom 28. August 2013 (BGBl. I 2013, Nr. 52, S. 3313) geändert worden ist.
StrlSchV Verordnung über den Schutz vor Schäden durch ionisierende Strahlen (Strahlenschutzverordnung - StrlSchV) vom 20. Juli 2001 (BGBl. I S. 1714; 2002 1 S. 1459), die zuletzt durch Artikel 5 Absatz 7 des Gesetzes vom 24. Februar 2012 (BGBl. I 2012, Nr. 10, S. 212) geändert worden ist
SiAnf (2012-11) Sicherheitsanforderungen an Kernkraftwerke vom 22. November 2012 (BAnz. Vom 24. Januar 2013)
Sicherheitskriterien (1977-10) Sicherheitskriterien für Kernkraftwerke vom 21. Oktober 1977 (BAnz. Nr. 206 vom 3. November 1977)
Störfall-Leitlinien (1983-10) Leitlinien zur Beurteilung der Auslegung von Kernkraftwerken mit Druckwasserreaktoren gegen Störfälle im Sinne des § 28 Abs. 3 StrlSchV (Störfall-Leitlinien) vom 18. Oktober 1983 (Beilage zum BAnz. Nr. 245 vom 31. Dezember 1983)
EMVG Gesetz über die elektromagnetische Verträglichkeit von Betriebsmitteln vom 26. Februar 2008 (BGBl. I S. 220), das zuletzt durch Artikel 1 des Gesetzes vom 20. April 2012 (BGBl. I S. 606) geändert worden ist
RL Kontrolle der Eigenüberwachung Kontrolle der Eigenüberwachung radioaktiver Emissionen aus Kernkraftwerken vom 5. Februar 1996 (GMBl. 1996, Nr. 9/10, S. 247)
KTA 1202 (2009-11) Anforderungen an das Prüfhandbuch
KTA 1503.2 (2013-11) Überwachung der Ableitung gasförmiger und an Schwebstoffen gebundener radioaktiver Stoffe;
Teil 2: Überwachung mit der Kaminfortluft bei Störfällen
KTA 1503.3 (2013-11) Überwachung der Ableitung gasförmiger und an Schwebstoffen gebundener radioaktiver Stoffe;
Teil 3: Überwachung der nicht mit der Kaminfortluft abgeleiteten radioaktiven Stoffe
KTA 1505 (2011-11) Nachweis der Eignung von festinstallierten Messeinrichtungen zur Strahlungsüberwachung
DIN EN 1822-1 (2011-01) Schwebstofffilter (EPA, HEPa und ULPA);
Teil 1: Klassifikation, Leistungsprüfung, Kennzeichnung; Deutsche Fassung EN 1822- 1:2009
DIN ISO 2889 (2012-07) Probenentnahme von luftgetragenen radioaktiven Stoffen aus Kanälen und Kaminen kerntechnischer Anlagen (ISO 2889:2010)
DIN ISO 11929 (2011-01) Bestimmung der charakteristischen Grenzen (Erkennungsgrenze, Nachweisgrenze und Grenzen des Vertrauensbereichs) bei Messungen ionisierender Strahlung - Grundlagen und Anwendungen (ISO 11929:2010)

*) Gemäß § 7 Absatz 6 der Bekanntmachung über die Neufassung der Bekanntmachung über die Bildung eines Kerntechnischen Ausschusses vom 26. November 2012 (BAnz AT 10.12.2012 B2) gebe ich nachstehend die vom Kerntechnischen Ausschuss am 19. November 2013 beschlossenen Regeln (Regeländerungen)

KTA 1401 Allgemeine Anforderungen an die Qualitätssicherung
KTA 1404 Dokumentation beim Bau und Betrieb von Kernkraftwerken
KTA 1502 Überwachung der Aktivitätskonzentrationen radioaktiver Stoffe in der Raumluft von Kernkraftwerken
KTA 1503.1 Überwachung der Ableitung gasförmiger und an Schwebstoffen gebundener radioaktiver Stoffe;
Teil 1: Überwachung der Ableitung radioaktiver Stoffe mit der Kaminfortluft bei bestimmungsgemäßem Betrieb
KTA 1503.2 Überwachung der Ableitung gasförmiger und an Schwebstoffen gebundener radioaktiver Stoffe;
Teil 2: Überwachung der Ableitung radioaktiver Stoffe mit der Kaminfortluft bei Störfällen
KTA 1503.3 Überwachung der Ableitung gasförmiger und an Schwebstoffen gebundener radioaktiver Stoffe;
Teil 3: Überwachung der nicht mit der Kaminfortluft abgeleiteten radioaktiven Stoffe
KTA 2201.3 Auslegung von Kernkraftwerken gegen seismische Einwirkungen;
Teil 3: Bauliche Anlagen
 

KTA 3201.2

Komponenten des Primärkreises von Leichtwasserreaktoren;
Teil 2: Auslegung, Konstruktion und Berechnung
KTA 3211.2 Druck- und aktivitätsführende Komponenten von Systemen außerhalb des Primärkreises;
Teil 2: Auslegung, Konstruktion und Berechnung
KTA 3704 Notstromanlagen mit statischen oder rotierenden Umformern in Kernkraftwerken
KTA 3901 Kommunikationseinrichtungen für Kernkraftwerke

in der Fassung 2013-11 bekannt.

ENDE

umwelt-online - Demo-Version


(Stand: 20.08.2018)

Alle vollständigen Texte in der aktuellen Fassung im Jahresabonnement
Nutzungsgebühr: ab 105.- € netto

(derzeit ca. 7200 Titel s.Übersicht - keine Unterteilung in Fachbereiche)

Preise & Bestellung

Die Zugangskennung wird kurzfristig übermittelt

? Fragen ?
Abonnentenzugang/Volltextversion