Für einen individuellen Ausdruck passen Sie bitte die
Einstellungen in der Druckvorschau Ihres Browsers an.
Regelwerk, Technische Regeln, KTA

KTA 1503.3- Überwachung der Ableitung gasförmiger und an Schwebstoffen gebundener radioaktiver Stoffe
Teil 3: Überwachung der nicht mit der Kaminfortluft abgeleiteten radioaktiven Stoffe

Fassung vom November 2013
(BAnz. AT vom 17.01.2014 B3; 05.02.2018 B3aufgehoben)


Zur aktuellen Fassung

Siehe Fn. *

Frühere Fassung der Regel: 1999-06
(BAnz. Nr. 243b vom 23. Dezember 1999)

Grundlagen

(1) Die Regeln des Kerntechnischen Ausschusses (KTA) haben die Aufgabe, sicherheitstechnische Anforderungen anzugeben, bei deren Einhaltung die nach dem Stand von Wissenschaft und Technik erforderliche Vorsorge gegen Schäden durch die Errichtung und den Betrieb der Anlage getroffen ist (§ 7 Abs. 2 Nr. 3 Atomgesetz - AtG), um die im AtG und in der Strahlenschutzverordnung ( StrlSchV) festgelegten sowie in den "Sicherheitskriterien für Kernkraftwerke", den "Störfall-Leitlinien" und den "Sicherheitsanforderungen an Kernkraftwerke" (SiAnf) weiter konkretisierten Schutzziele zu erreichen.

(2) Die festinstallierte und nicht festinstallierte Strahlenschutzinstrumentierung dient unter anderem dem Schutz von Personen innerhalb und außerhalb der Anlage vor ionisierenden Strahlen und der Kontrolle der bestimmungsgemäßen Funktion von Einrichtungen zur

  1. Rückhaltung fester, flüssiger und gasförmiger radioaktiver Stoffe in den vorgesehenen Umschließungen,
  2. Handhabung und kontrollierten Führung der radioaktiven Stoffe innerhalb der Anlage und
  3. Überwachung der Ableitung radioaktiver Stoffe.

An diese Instrumentierung werden in den Regeln der Reihe KTA 1500 konkrete sicherheitstechnische Anforderungen gestellt.

(3) Die Regeln KTA 1503.1 bis KTA 1503.3 beinhalten Anforderungen an technische Einrichtungen und ergänzende organisatorische Maßnahmen, die als notwendig angesehen werden, um die Emission gasförmiger und an Schwebstoffen gebundener radioaktiver Stoffe zu überwachen. Sie gliedern sich in

Teil 1: Überwachung der Ableitung radioaktiver Stoffe mit der Kaminfortluft bei bestimmungsgemäßem Betrieb,
Teil 2: Überwachung der Ableitung radioaktiver Stoffe mit der Kaminfortluft bei Störfällen,
Teil 3: Überwachung der nicht mit der Kaminfortluft abgeleiteten radioaktiven Stoffe.

(4) Die Überwachung der Ableitungen radioaktiver Stoffe liefert einen Beitrag zur Erfüllung der Anforderungen der §§ 6, 47 und 48 StrlSchV, nach denen dafür zu sorgen ist, dass

  1. jede Strahlenexposition oder Kontamination von Mensch und Umwelt unter Beachtung des Standes von Wissenschaft und Technik und unter Berücksichtigung aller Umstände des Einzelfalles auch unterhalb der in der StrlSchV festgelegten Grenzwerte so gering wie möglich gehalten wird (§ 6 Abs. 2 StrlSchV),
  2. radioaktive Stoffe nicht unkontrolliert in die Umwelt abgeleitet werden ( § 47 Abs. 1 Satz 2 StrlSchV) und
  3. die Ableitungen überwacht und nach Art und Aktivität spezifiziert der zuständigen Behörde mindestens jährlich angezeigt werden ( § 48 Abs. 1 StrlSchV). Diese Überwachungseinrichtungen müssen die Anforderungen des § 67 StrlSchV erfüllen.

(5) § 51 StrlSchV fordert die unverzügliche Einleitung aller notwendigen Maßnahmen bei Störfällen und Unfällen zur Beschränkung der Gefahren für Leben, Gesundheit und Sachgüter auf ein Mindestmaß. Nach den Forderungen des § 53 StrlSchV sind zur Vorbereitung der Schadensbekämpfung bei Störfällen und Unfällen die erforderlichen Hilfsmittel vorzuhalten. Als Grundlage für die Einleitung dieser Maßnahmen sowie deren Art, Umfang und Dauer dient unter anderem die mit der Strahlenschutzinstrumentierung durchgeführte Überwachung der Aktivitätsableitungen.

(6) KTA 1503.3 gibt die zur Wahrnehmung der Aufgaben nach den Absätzen 4 und 5 erforderlichen Einrichtungen und Maßnahmen an, soweit Ableitungen radioaktiver Stoffe nicht mit der Kaminfortluft erfolgen. Sie liefert damit einen Beitrag zur Erfüllung der Forderungen der §§ 6 Abs. 2, 51, 58, 47 Abs. 1 Satz 2, 48 (1) und 67 Abs. 1 StrlSchV.

(7) Durch Überwachung der Aktivität der abgeleiteten radioaktiven Stoffe (Emissionsüberwachung), in Verbindung mit den Ausbreitungsbedingungen einerseits und durch direkte Messungen in der Umgebung (Immissionsüberwachung) andererseits lassen sich Aussagen über radiologische Auswirkungen in der Umgebung der Anlage treffen. Während im bestimmungsgemäßen Betrieb die von der Emissionsüberwachung gewonnenen Daten wesentlich sind, da die Immissionsmesswerte dann innerhalb der Schwankungsbreite der natürlichen Strahlung liegen, nimmt bei Störfällen die Bedeutung der Immissionsmessung zu, da diese die Feststellung der radiologischen Auswirkungen ermöglicht.

(8) Die für diese Aufgaben erforderlichen Einrichtungen gliedern sich auf in:

  1. festinstallierte Mess- oder Sammeleinrichtungen und
  2. nicht festinstallierte Messeinrichtungen, die zur Bestimmung der Aktivität von Sammelproben herangezogen werden.

1 Anwendungsbereich

(1) Diese Regel ist anzuwenden auf Einrichtungen und Verfahren zur Überwachung der nicht mit der Kaminfortluft abgeleiteten gasförmigen und an Schwebstoffen gebundenen radioaktiven Stoffe bei Kernkraftwerken mit Leichtwasserreaktoren im bestimmungsgemäßen Betrieb und bei Störfällen.

(2) Zur Erreichung des Überwachungsziels sind die grundlegenden Anforderungen gemäß Abschnitt 3 für jedes Kernkraftwerk mit Leichtwasserreaktor zu erfüllen. Die Erfüllung dieser grundlegenden Anforderungen mit unterschiedlichen technischen Einrichtungen und administrativen Maßnahmen ist zulässig; entsprechend sind in den Abschnitten 4, 5, 6 und 7 für Druckwasserreaktoren- (DWR) und Siedewasserreaktoren- (SWR) Anlagen die technischen Einrichtungen und administrativen Maßnahmen angegeben, mit denen die Umsetzung der grundlegenden Anforderungen des Abschnitts 3 als ausreichend angesehen werden kann.

Hinweis
Die zur Erfüllung der grundlegenden Anforderungen des Abschnitts 3 erforderlichen technischen Einrichtungen und administrativen Maßnahmen erlauben auch bei Ereignissen, die über die der Auslegung zugrunde gelegten Störfälle hinausgehen, noch eine Ermittlung der Aktivitätsableitungen, wenn diese auf den hier betrachteten Ableitungswegen erfolgen. Wenn eine Überwachung der abgeleiteten radioaktiven Stoffe mit diesen technischen Einrichtungen und administrativen Maßnahmen nicht mehr sichergestellt werden kann, wird auf Messungen im Rahmen der Umgebungsüberwachung (Immissionsüberwachung) zurückgegriffen werden.

(3) Nicht Gegenstand dieser Regel sind Überwachungseinrichtungen und -verfahren für Ereignisse, die Maßnahmen des anlageninternen Notfallschutzes erfordern.

2 Begriffe

(1) Ableitung radioaktiver Stoffe

Die Ableitung radioaktiver Stoffe ist die Abgabe flüssiger, an Schwebstoffen gebundener oder gasförmiger radioaktiver Stoffe aus der Anlage auf hierfür vorgesehenen Wegen.

(2) Bestimmungsgemäßer Betrieb Der bestimmungsgemäße Betrieb umfasst

  1. Betriebsvorgänge, für die die Anlage bei funktionsfähigem Zustand der Systeme (ungestörter Zustand) bestimmt und geeignet ist (Normalbetrieb);
  2. Betriebsvorgänge, die bei Fehlfunktion von Anlagenteilen oder Systemen (gestörter Zustand) ablaufen, soweit hierbei einer Fortführung des Betriebes sicherheitstechnische Gründe nicht entgegenstehen (anomaler Betrieb);
  3. Instandhaltungsvorgänge (Inspektion, Wartung, Instandsetzung).

(3) Bilanzierung radioaktiver Stoffe

Die Bilanzierung radioaktiver Stoffe ist eine besondere Form der Überwachung und besteht aus der Identifizierung und Aktivitätsbestimmung der in einer vorgegebenen Zeitspanne abgeleiteten Radionuklide oder Radionuklidgruppen.

(4) Erkennungsgrenze

Die Erkennungsgrenze ist ein berechneter Wert einer Größe (z.B. Aktivität, Aktivitätskonzentration, spezifische Aktivität), die mit einem Messwert verglichen wird, um zu entscheiden, ob bei dieser Messung ein Beitrag dieser Größe vorliegt oder lediglich Nulleffekt gemessen wurde.

Hinweis:
Erkennungsgrenzen werden nach DIN ISO 11929 ermittelt.

(5) Freisetzung radioaktiver Stoffe

Eine Freisetzung radioaktiver Stoffe ist das Entweichen radioaktiver Stoffe aus den vorgesehenen Umschließungen in die Anlage oder in die Umgebung.

(6) Kalibrierung einer Messeinrichtung der Strahlungsüberwachung

Die Kalibrierung einer Messeinrichtung der Strahlungsüberwachung ist die Ermittlung des Zusammenhangs zwischen dem durch Normale festgelegten Wert einer Messgröße (z.B. Aktivität im Kalibrierpräparat) und dem ausgegebenen Wert (z.B. Zählrate).

(7) Mischprobe

Mischprobe ist eine Mischung von Einzelproben oder Sammelproben oder von Teilen dieser Proben aus einer spezifizierten Zeitspanne.

(8) Nachweisgrenze

Die Nachweisgrenze ist ein berechneter Wert einer Größe (z.B. Aktivität, Aktivitätskonzentration, spezifische Aktivität), der mit einem vorgegebenen Richtwert verglichen werden soll, um zu entscheiden, ob ein Messverfahren für einen bestimmten Messzweck geeignet ist.

Hinweis:
Nachweisgrenzen werden nach DIN ISO 11929 ermittelt.

(9) Störfall

Ein Störfall ist ein Ereignisablauf, bei dessen Eintreten der Betrieb der Anlage oder die Tätigkeit aus sicherheitstechnischen Gründen nicht fortgeführt werden kann und für den die Anlage auszulegen ist oder für den bei der Tätigkeit vorsorglich Schutzvorkehrungen vorzusehen sind.

(10) Überwachung

Die Überwachung ist ein Sammelbegriff für alle Arten einer kontrollierten Erfassung von physikalischen Größen einschließlich eines Vergleichs mit vorgegebenen Werten.

Hinweise:
(1) Die Überwachung erfolgt z.B. durch

  1. die kontinuierliche Messung,
  2. die Analyse von Proben (z.B. im Labor) oder
  3. die Verknüpfung von Messwerten jeweils in Verbindung mit dem Vergleich mit vorgegebenen Werten der physikalischen Größen (z.B. Genehmigungswerten, betrieblichen Werten).

(2) Beim Vergleich des Wertes der physikalischen Größe mit einem vorgegebenen Wert, z.B. Genehmigungswert, wird die obere Grenze des Vertrauensbereichs der physikalischen Größe verwendet.

(11) Vertrauensbereich

Der Vertrauensbereich beschreibt ein Intervall, das den wahren Wert der Messgröße mit einer vorgegebenen Wahrscheinlichkeit enthält.

3 Ermittlung der Ableitungswege und Überwachungskonzept

3.1 Kriterien zur Ermittlung der zu überwachenden Ableitungswege

(1) Zur Festlegung erforderlicher Überwachungsmaßnahmen für nicht mit der Kaminfortluft abgeleitete radioaktive Stoffe ist die Kenntnis möglicher weiterer Ableitungswege notwendig. Es sind alle weiteren Wege zu betrachten, auf denen im bestimmungsgemäßen Betrieb oder bei Störfällen gasförmige oder an Schwebstoffen gebundene radioaktive Stoffe in solchen Mengen in die Umgebung abgeleitet werden können, dass von einer Emissionsüberwachung nicht abgesehen werden darf.

(2) Die Möglichkeit einer Aktivitätsableitung braucht nicht angenommen zu werden, wenn zwischen dem betrachteten System und der Umgebung mindestens zwei Materialbarrieren oder eine Materialbarriere und eine Druckbarriere vorhanden sind und wenn auch unter Störfallbedingungen eine Materialbarriere vorhanden ist.

(3) Für Ableitungswege, für die festgestellt wird, dass die Aktivitätsableitungen an die Umgebung das Kriterium der Geringfügigkeit erfüllen, ist die Bilanzierung der Aktivitätsableitungen im bestimmungsgemäßen Betrieb nicht erforderlich. Das Kriterium gilt als erfüllt, wenn die Aktivität, die im bestimmungsgemäßen Betrieb in einer Woche abgegeben werden kann, kleiner ist als ein Zehntel der Aktivität, die sich als Produkt des Kaminfortluftvolumens in dieser Zeit mit der nach KTA 1503.1 Tabelle 3-4 geforderten Nachweisgrenze für die Bilanzierung der jeweiligen Radionuklidgruppe ergibt.

3.2 Überwachungskonzept

(1) Zur Überwachung der Aktivitätsableitungen sind für jeden nach den Kriterien des Abschnitts 3.1 zu überwachenden Ableitungsweg die spezifische Aktivität oder Aktivitätskonzentration des Mediums in dem betreffenden System und die Menge des abgeleiteten Mediums zu ermitteln und daraus die Aktivitätsableitung zu berechnen.

(2) Ein Verfahren zur Bestimmung der Menge des Mediums, das im Falle einer Freisetzung entweichen könnte, braucht nicht vorgesehen zu werden, wenn die Aktivitätskonzentration in dem betrachteten System kontinuierlich überwacht wird und wenn eine Freisetzung aus dem System durch Absperrung des Systems bei Überschreitung eines Schwellenwertes der Aktivitätskonzentration verhindert wird. Der Schwellenwert muss dann so eingestellt sein und die Absperrung so erfolgen, dass die mögliche Aktivitätsableitung das Kriterium nach 3.1 (3) erfüllt.

(3) Anforderungen an nicht festinstallierte Einrichtungen sind in den Regeln KTA 1503.1 und KTA 1503.2 festgelegt.

4 Technische Einrichtungen, administrative Maßnahmen und Durchführung der Überwachung

4.1 Ableitungswege

Nach den Kriterien des Abschnittes 3 sind bei DWR die in Tabelle 4-1 und bei SWR die in Tabelle 4-2 jeweils in der ersten Spalte genannten Ableitungswege (bei DWR) oder der genannte Ableitungsweg (bei SWR) zu überwachen.

Hinweis:
Die bei der Regelerstellung durchgeführte Oberprüfung, welche der möglichen Ableitungswege nach den Kriterien des Abschnitts 3.1 der Emissionsüberwachung bedürfen, hat zu dem Ergebnis geführt, dass mit den in den Tabellen 4-1 und 4-2 genannten Ableitungswegen für die betrachteten DWR- und SWR-Anlagen eine abschließende Regelung zur Umsetzung von § 47 Abs. 1 Satz 2 StrlSchV im Anwendungsbereich der KTA-Regel 1503.3 getroffen ist.

4.2 Oberwachungsmaßnahmen

Für DWR sind die vorzusehenden Oberwachungsmaßnahmen in Tabelle 4-1 und für SWR in Tabelle 4-2 jeweils bezüglich der spezifischen Aktivität in Spalte 2 und bezüglich der Mengen der Medien in Spalte 3 angegeben. Die danach erforderlichen Oberwachungseinrichtungen sind in den Bildern 4-1 bis 4-2 für die jeweiligen Reaktortypen dargestellt.

4.3 Durchführung der Oberwachung

4.3.1 Druckwasserreaktoren

4.3.1.1 Aktivitätsableitungen aus dem Sekundärkreis durch Leckagen in die Maschinenhausraumluft und über Dachlüfter an die Umgebung im bestimmungsgemäßen Betrieb

(1) Die Aktivität im Abschlämmwasser jedes Dampferzeugers ist mittels einer kontinuierlich integral messenden Gamma-Messeinrichtung zu überwachen.

(2) Bei Ausfall einer Gamma-Messeinrichtung in der Dampferzeugerabschlämmung ist täglich aus dem zugehörigen Abschlämmstrang eine Probe von einem Liter zu entnehmen und das Caesium-137-Äquivalent in dieser Probe durch integrale Messung der Gamma-Strahlung im Energiebereich oberhalb 60 keV zu bestimmen.

(3) Bei Oberschreitung eines Wertes des Caesium-137- Äquivalentes von 4 * 105 Bq/m3 an einer der Messeinrichtungen nach (1) ist täglich eine Probe aus der zugehörigen Abschlämmleitung zu entnehmen (P 1) und die Ableitung mit der Maschinenhausfortluft nach Anhang a zu ermitteln.

(4) Nach jeder Probenentnahme nach (3) sind die Proben entsprechend Anhang C Abschnitt C 1 auszuwerten. Für die im Ableitungszeitraum entnommenen Proben ist deren Gehalt an Strontium-89 und Strontium-90 sowie Tritium zu untersuchen. Dazu darf eine mengenproportionale Mischprobe verwendet werden (Anhang C Abschnitt C 2 und C 3).

(5) Die Deionat-Nachspeisemengen in den Sekundärkreis QN und die messtechnisch erfassten Entnahmen von Wässern aus dem Sekundärkreis QE sollen als zeitliche Mittelwerte aus Messungen über eine Zeitspanne von z.B. einer Woche bestimmt werden, um bei der Bilanzierung unregelmäßige Einspeisungen oder Entnahmen auszugleichen.

Hinweis:
Da im allgemeinen nicht alle Entnahmen von Wässern aus dem Sekundärkreis messtechnisch erfasst werden, ergibt sich daraus eine Oberschätzung der dampfförmigen Leckagen mit der Maschinenhausfortluft.

(6) Für die nach (5) festgelegte Zeitspanne ist der zeitliche Mittelwert der spezifischen Aktivität für alle bei der Auswertung nach Anhang C nachgewiesenen Radionuklide und Radionuklidgruppen zu bestimmen und nach Anhang a Abschnitt a 1 die Emission dieser Radionuklide und Radionuklidgruppen mit der Maschinenhausfortluft zu ermitteln.

4.3.1.2 Aktivitätsableitungen aus dem Sekundärkreis über die Sicherheits- und Abblaseregelventile im bestimmungsgemäßen Betrieb und bei Störfallen

(1) Bei Aktivitätsableitungen über die Sicherheits- oder Abblaseregelventile ist, wenn gleichzeitig an einer der Messeinrichtungen nach 4.3.1.1 (1) ein Wert des Caesium-137- Äquivalentes von 4 * 105 Bq/m3 überschritten wird, unverzüglich eine Probe aus dem Abschlämmwasser jedes Dampferzeugers zu entnehmen (P 1) und entsprechend Anhang C nuklidspezifisch auszuwerten. Nach der ersten Probenentnahme ist bis zum Ende der Aktivitätsableitungen halbstündlich eine weitere Probe zu entnehmen und ebenfalls entsprechend Anhang C nuklidspezifisch auszuwerten. Aus diesen Messdaten ist unter Berücksichtigung der Transportzeit des Mediums vom Dampferzeuger bis zum Probenentnahmeort und des Obertragungsfaktors im Dampferzeuger der zeitliche Verlauf der spezifischen Frischdampfaktivität - mit Ausnahme der Edelgase - zu ermitteln. Bei Störfällen ist zusätzlich die spezifische Aktivität der Edelgase im Frischdampf zu ermitteln.

Hinweis:
Die spezifische Aktivität der Edelgase im Frischdampf kann aus der Primärkühlmittelaktivität und der Obertrittsrate bestimmt werden.

(2) Für die Bestimmung der Ableitung vo n Frischdampf über die Sicherheits- oder Abblaseregelventile sind die Stellungen der Frischdampf-Sicherheitsventile (Stellung AUF oder ZU), der Frischdampf-Abschlussarmaturen (Stellung AUF oder ZU), der Abblaseregelventile (Hubstellung) und die Stellungen der Absperrarmaturen vor den Sicherheits- und Abblaseregelventilen zu erfassen und zu dokumentieren. Der Öffnungsquerschnitt der Abblaseregelventile ist zu ermitteln. Er darf aus der Hubstellung der Abblaseregelventile abgeleitet werden.

(3) Es ist entweder der genaue Ereignisablauf zu analysieren oder konservativerweise davon auszugehen, dass die gesamte Aktivitätsableitung aus dem Dampferzeuger erfolgte, in dem die höchste Aktivitätskonzentration ermittelt wurde.

(4) Der Druck PE ist in den Frischdampfleitungen zwischen dem Dampferzeuger und der Abblasestation kontinuierlich zu erfassen und aufzuzeichnen.

(5) Die Menge des über Sicherheits- oder Abblaseregelventile abgegebenen Frischdampfs ist zu ermitteln. Dies darf dadurch geschehen, dass bei einem Bezugspunkt die Dampfableitungsrate bei einem definierten Dampfdruck und einem definierten Öffnungsquerschnitt während der Inbetriebsetzung ermittelt wird und die zu ermittelnde Ableitungsmenge aus dem zeitlichen Verlauf des Frischdampfdrucks, dem nach (2) bestimmten Öffnungsquerschnitt und dem Wert am Bezugspunkt berechnet wird.

(6) Die Aktivitätsableitung ist für jeden Strang des Frischdampfsystems mit den nach (1) und (5) ermittelten Daten zu bestimmen.

4.3.1.3 Aktivitätsableitungen beim Störfall "Leck einer Frischdampfleitung hinter den Frischdampfabschlussarmaturen"

(1) Bei Lecks einer Frischdampfleitung, die zum Schließen der Frischdampf-Abschlussarmaturen führen, ist aufgrund einer Analyse des Verlaufs des Frischdampfdrucks, des Schließverhaltens der Frischdampf-Abschlussarmaturen und der Frischdampfaktivität, die freigesetzte Aktivität zu ermitteln.

Hinweis:
In diesem Fall ist nur von einer geringen Aktivitätsfreisetzung aus einem solchen Leck auszugehen.

(2) Die Frischdampfaktivität ist aus den Messwerten der Gamma-Messeinrichtung zur kontinuierlichen Überwachung der Aktivität in der zugehörigen Dampferzeugerabschlämmleitung sowie den Ergebnissen der gammaspektrometrischen Untersuchung je einer Probe aus der zugehörigen Dampferzeugerabschlämmleitung und dem Primärkühlmittel zu ermitteln.

4.3.2 Siedewasserreaktoren

4.3.2.1 Aktivitätsableitungen aus dem Frischdampf-/Speisewassersystem bei Öffnen der Maschinenhausdachklappen infolge eines Lecks einer Frischdampf- oder Speisewasserleitung im Reaktorgebäude oder im Maschinenhaus

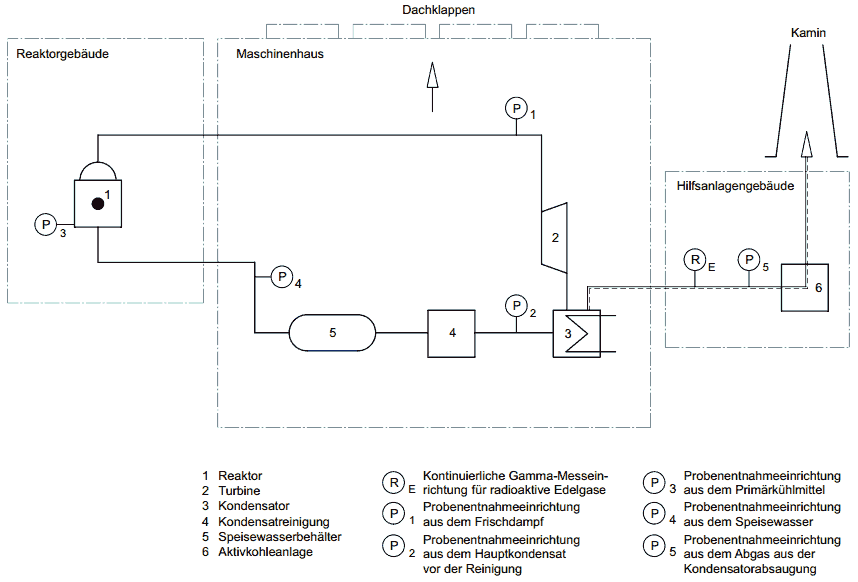
(1) Es sind wöchentlich einmal Probenentnahmen an folgenden Systemen durchzuführen:

  1. Frischdampf (P 1) oder Hauptkondensat vor der Reinigung (P 2),
  2. Reaktorwasser (P 3),
  3. Speisewasser (P 4),
  4. Abgas aus der Kondensatorevakuierung (P 5).

(2) Die spezifische Aktivität in den nach (1) entnommenen Proben ist im Labor gammaspektrometrisch zu bestimmen. Dabei sind die in Tabelle 4-3 aufgeführten Radionuklide zu berücksichtigen. Die gemessenen Werte oder die erreichten Erkennungsgrenzen sind zu dokumentieren.

(3) Die Aktivitätskonzentration des Abgases aus der Kondensatorevakuierung ist vor der Verzögerungsstrecke der Abgasanlage kontinuierlich mit einer Gamma-Messeinrichtung zu überwachen. Basierend auf anlagenspezifischen Betriebserfahrungen ist bei dieser Messeinrichtung ein Schwellenwert für Warnmeldungen so einzustellen, dass bei seinem Überschreiten auf das Vorliegen von Brennelementschäden geschlossen werden kann. Bei Überschreitung dieses Schwellenwertes sowie bei jeder weiteren Verdopplung des Messwertes sind zusätzlich die Probenentnahmen und Messungen nach den Absätzen 1 und 2 durchzuführen.

Tabelle 4-3: Bei der Ermittlung der Aktivitätsableitungen zu berücksichtigende Radionuklide: Gammastrahler

Radionuklid
Chrom-51 Silber-110m
Mangan-54 Tellur-123m
Kobalt-57 Antimon-124
Kobalt-58 Antimon-125
Kobalt-60 Jod-131
Eisen-59 Caesium-134
Zink-65 Caesium-137
Zirkon-95 Barium-140
Niob-95 Lanthan-140
Ruthenium-103 Cer-141
Ruthenium-106 Cer-144

(4) Es sind alle Systemfüllstände, Nachspeisemengen und Systeminnendrücke kontinuierlich zu überwachen, die erforderlich sind, um im Falle eines Lecks einer Frischdampf- oder Speisewasserleitung die Masse des freigesetzten Mediums zu bestimmen. Die erforderlichen Messeinrichtungen und die Methoden zur Bestimmung der Masse des freigesetzten Mediums sind in einer Betriebsanweisung festzulegen.

(5) Die ordnungsgemäße Verriegelung der Maschinenhausdachklappen ist regelmäßig zu überprüfen. Die Druckdifferenz zwischen der Außenluft und der Maschinenhausraumluft ist kontinuierlich zu überwachen und aufzuzeichnen.

(6) Im Falle eines Lecks einer Frischdampf- oder Speisewasserleitung und einer Aktivitätsableitung über die Maschinenhausdachklappen sind folgende Berechnungen durchzuführen:

  1. Bestimmung der Masse des freigesetzten Mediums aus den Systemfüllständen oder aus der Leckgröße in Verbindung mit dem Systeminnendruck nach (4),
  2. Ermittlung der Menge des an die Umgebung abgegebenen Dampf-Luftgemisches unter Berücksichtigung des Öffnungsquerschnittes der Dachklappen, der Druckdifferenz zwischen Maschinenhausraumluft und Umgebung,
  3. Bestimmung der Aktivitätsableitung nach Anhang B für die Radionuklide nach Tabelle 4-3.

Tabelle 4-1: Ableitungswege und Verfahren zur Bestimmung der Aktivitätsableitung bei Druckwasserreaktoren

Abschnitt Ableitungsweg Bestimmung der spezifischen Aktivität Ermittlung der Ableitungsmenge
4.3.1.1 Aktivitätsableitungen aus dem Sekundärkreis durch Leckagen in die Maschinenhausraumluft und über Dachlüfter an die Umgebung im bestimmungsgemäßen Betrieb. Kontinuierliche Überwachung der Gamma-Aktivität im Abschlämmwasser jedes Dampferzeugers.

Probenentnahme aus den zugehörigen Abschlämmleitungen und nuklidspezifische Auswertung der Proben zur Bestimmung der spezifischen Aktivität im Frischdampf.

Erfassung der Deionat-Nachspeisemengen in den Sekundärkreis und der Entnahmen von Wässern aus dem Sekundärkreis.
4.3.1.2 Aktivitätsableitungen aus dem Sekundärkreis über die Sicherheits- und Abblaseregelventile im bestimmungsgemäßen Betrieb und bei Störfällen. Probenentnahmen aus den Dampferzeugerabschlämmleitungen und bei Störfällen auch aus dem Primärkühlmittel.

Gammaspektrometrische Auswertung der Proben zur Bestimmung der spezifischen Aktivität im Frischdampf.

Bestimmung der abgegebenen Frischdampfmenge durch Messung des Frischdampfdrucks, Erfassung der Stellungen der Sicherheits- und Abblaseregelventile, der Frischdampfabschlussarmaturen und der Absperrarmaturen vor den Sicherheits- und Abblaseregelventilen, Ermittlung der Öffnungszeit und des Öffnungsverhaltens der Ventile.
4.3.1.3 Aktivitätsableitungen beim Störfall "Leck einer Frischdampfleitung hinter den Frischdampfabschlussarmaturen". Kontinuierliche Oberwachung der Gamma-Aktivität im Abschlämmwasser jedes Dampferzeugers. Probenentnahmen aus der zugehörigen Dampferzeugerabschlämmleitung und dem Primärkühlmittel. Gammaspektrometrische Auswertung der Proben zur Bestimmung der spezifischen Aktivität im Frischdampf. Bestimmung der abgegebenen Frischdampfmenge durch Messung des Frischdampfdrucks und Berücksichtigung des Schließverhaltens der Frischdampfabschlussarmaturen.

Tabelle 4-2: Ableitungsweg und Verfahren zur Bestimmung der Aktivitätsableitung bei Anlagen mit Siedewasserreaktor

Abschnitt Ableitungsweg Bestimmung der spezifischen Aktivität Ermittlung der Ableitungsmenge
4.3.2.1 Aktivitätsableitungen aus dem Frischdampf-/ Speisewassersystem bei Öffnen der Maschinenhausdachklappen infolge eines Lecks einer Frischdampf- oder Speisewasserleitung im Reaktorgebäude oder im Maschinenhaus. Probenentnahmen aus Frischdampf oder Hauptkondensat, Reaktorwasser und Speisewasser und gammaspektrometrische Auswertung der entnommenen Proben zur Bestimmung der spezifischen Aktivität.

Kontinuierliche Oberwachung der Aktivitätskonzentration des Abgases aus der Kondensatorevakuierung zur Erkennung von Änderungen der spezifischen Aktivität im Frischdampf und Speisewasser zwischen zwei Probenentnahmen.

Bei großen Leckagen mit Öffnen der Maschinenhausdachklappen ist die ausgetretene Dampfmenge aus den Systemfüllständen, Nachspeisemengen und Systemdrücken zu ermitteln.

Die an die Umgebung abgegebene Dampfmenge wird nach Anhang B ermittelt.

Bild 4-1: Prinzipdarstellung der zu überwachenden Ableitungswege sowie der Mess- und Probenentnahmestellen bei Druckwasserreaktoren

Bild 4-2: Prinzipdarstellung der zu überwachenden Ableitungswege sowie der Mess- und Probenentnahmestellen bei Siedewasserreaktoren

5 Ausführung der Einrichtungen für kontinuierliche Aktivitätsmessungen und Probenentnahmen

Hinweis:
Einrichtungen, z.B. Abschlussarmaturen und Wasserzähler, die nicht in diesem Abschnitt erfasst werden, sind, unter Berücksichtigung der Messaufgaben, nach den einschlägigen Regeln und Richtlinien der Technik auszulegen.

5.1 Allgemeine Anforderungen

5.1.1 Auslegung und Unterbringung

(1) Für nicht im Labor aufgestellte Geräte muss die Ausführung der Schutzart IP 54 nach D/N EN 60529 (Fremdkörper- und Wasserschutz) entsprechen.

(2) Die Mess- und Probenentnahmeeinrichtungen sind so zu installieren und unterzubringen, dass

  1. die in den jeweiligen Gerätespezifikationen angegebenen Nenngebrauchsbereiche eingehalten werden und
  2. Prüfung, Wartung und Instandsetzung leicht möglich sind.

(3) Messbehälter und Probenentnahmebehälter müssen auszubauen und dekontaminierbar sein.

(4) In Hinblick auf die Störfestigkeit der Messeinrichtungen gegen elektromagnetische Störgrößen, wie z.B. elektrostatische Entladungen, elektromagnetische Felder, Störspannungen, ist das Gesetz über die elektromagnetische Verträglichkeit von Geräten (EMVG) zu beachten.

5.1.2 Ausfallsicherheit

(1) Kontinuierlich betriebene Aktivitätsmesseinrichtungen sind an eine Notstromversorgung anzuschließen.

(2) Kontinuierlich betriebene Aktivitätsmesseinrichtungen sind selbstüberwachend auszuführen.

(3) Nach einer Stromunterbrechung müssen alle Überwachungseinrichtungen selbsttätig wieder anlaufen.

(4) Bei Messeinrichtungen, die an oder in einem Bypass angeordnet sind, ist der Durchfluss im Bypass zu überwachen. Für Messeinrichtungen, die direkt an einem System angeordnet sind, ist der Durchfluss des Messmediums zu überwachen.

(5) Eventuelle Zählratenverluste der Messeinrichtungen (z.B. durch Totzeiten) innerhalb des Messbereichs müssen als Funktion der Zählrate bekannt sein und berücksichtigt werden. Eine Abnahme der Anzeige bei zunehmender Messgröße (Übersteuerung) darf nicht auftreten.

5.1.3 Statistische Sicherheit

(1) Der Faktor k1-α nach DIN ISO 11929 hat den Wert 1,645.

(2) Der Faktor k1-β nach DIN I/SO 11929 hat den Wert 1,645.

5.1.4 Schwellenwerte

(1) Müssen Geräte im Betrieb nachjustiert werden, so sind fest eingebaute Einstellmöglichkeiten hierfür vorzusehen. Alle Einstellmöglichkeiten an den elektronischen Geräten der Überwachungseinrichtungen sind so anzuordnen oder abzusichern, dass eine Verstellung durch Unbefugte weitgehend ausgeschlossen ist. Eine selbsttätige Verstellung muss ausgeschlossen werden.

(2) Geräteausfall und Überschreiten von Schwellenwerten müssen optisch und akustisch in der Warte angezeigt und aufgezeichnet werden. Sammelmeldungen sind zulässig, wenn in der Warte oder in einem Wartennebenraum angezeigt wird, von welcher Messeinrichtung die Meldung kommt. Die akustischen Meldungen dürfen vor Behebung der Ursachen einzeln oder gemeinsam gelöscht werden.

(3) Die optischen Signale in der Warte zur Ausfallmeldung und bei Überschreitung der oberen Schwellenwerte müssen den Meldezustand erkennen lassen.

5.1.5 Messwertanzeige und Aufzeichnung

(1) Die Messeinrichtungen sollen nur einen Anzeigebereich haben. Sind mehrere Anzeigebereiche notwendig, so müssen

  1. bei mehreren linearen Anzeigebereichen die Anzeigebereiche sich um mindestens 10 % überlappen, wobei sich die Skalenendwerte höchstens um den Faktor 10 unterscheiden dürfen,
  2. bei mehreren logarithmischen Anzeigebereichen die Anzeigebereiche sich um mindestens eine Dekade überlappen.

(2) Alle Messwerte sollen an den Messeinrichtungen angezeigt und müssen in der Warte angezeigt und aufgezeichnet werden.

(3) Die Aufzeichnungen müssen über einen Zeitraum von 3 Stunden direkt sichtbar und gut lesbar sein.

5.1.6 Prüfbarkeit

Die Einrichtungen sind so auszulegen und auszuführen, dass das einwandfreie Funktionieren der Einzelgeräte im Rahmen von erstmaligen Prüfungen nach Abschnitt 6.2.1 und wiederkehrenden Prüfungen nach Abschnitt 6.2.2 festgestellt werden kann. Funktionsprüfungen müssen auch während des Leistungsbetriebs des Kernkraftwerks durchgeführt werden können.

5.2 Messeinrichtungen für kontinuierliche Aktivitätsmessungen

5.2.1 Nachweisgrenzen

Die Nachweisgrenzen dürfen für die Messeinrichtungen für kontinuierliche Aktivitätsmessungen nicht größer sein als die unteren Grenzen der im Folgenden angegebenen Mindestmessbereiche.

5.2.2 Gamma-Messeinrichtungen in Dampferzeugerabschlämmsträngen (DWR)

(1) Der Messbereich der Gamma-Messeinrichtungen für kontinuierliche Messungen des Caesium-137-Äquivalents in Dampferzeugerabschlämmsträngen muss mindestens von 1*105 bis 2*108 Bq/m3 reichen.

(2) Sowohl die Überschreitung eines Wertes des Caesium-137-Äquivalentes von 4*105 Bq/m3 als auch der Ausfall einer Messeinrichtung sind auf der Warte automatisch zu melden und aufzuzeichnen.

5.2.3 Gamma-Messeinrichtung zur Überwachung des Abgases aus der Kondensatorevakuierung vor der Verzögerungsstrecke der Abgasanlage (SWR)

(1) Der Messbereich der Messeinrichtung für die kontinuierliche Überwachung der Aktivitätskonzentration im Abgas aus der Kondensatorevakuierung vor der Verzögerungsstrecke der Abgasanlage muss mindestens vom 0,5-fachen bis zum 10- fachen des Schwellenwertes nach 4.3.2.1 (4) reichen.

(2) Sowohl die Überschreitung des Schwellenwertes für Warnmeldungen nach 4.3.2.1 (4) als auch der Ausfall der Messeinrichtung sind auf der Warte automatisch zu melden und aufzuzeichnen.

6 Instandhaltung der Einrichtungen für kontinuierliche Aktivitätsmessungen und Probenentnahmen

6.1 Wartung und Instandsetzung

6.1.1 Durchführung

Wartung und Instandsetzung der Überwachungseinrichtungen müssen nach den jeweiligen Betriebs- und Instandsetzungsanweisungen von fachkundigen Personen vorgenommen werden.

6.1.2 Buchführung

Über alle durchgeführten Wartungs- und Instandsetzungsarbeiten ist Buch zu führen. Die Aufzeichnungen müssen folgende Angaben enthalten:

  1. eindeutige Bezeichnung der Überwachungseinrichtung,
  2. Art der durchgeführten Wartung oder Instandsetzung,
  3. Art und Anzahl der ausgewechselten Teile,
  4. Gründe für das Auswechseln von Teilen,
  5. für die neu eingesetzten Teile:
    Datum und nähere Bezeichnung der Prüfzeugnisse und der nach dieser Regel erforderlichen Prüfnachweise,
  6. Angaben über Ausfallzeiten,
  7. Datum der Wartung oder Instandsetzung und
  8. Namen und Unterschriften der fachkundigen Personen.

6.2 Prüfungen

Die Überwachungseinrichtungen sind folgenden Prüfungen zu unterziehen:

  1. vor ihrem Einsatz in einem Kernkraftwerk:
    aa) Nachweis der Eignung und
    ab) Kalibrierung,
  2. vor ihrem ersten Einsatz in einem bestimmten Kernkraftwerk:
    ba) Eignungsüberprüfung,
    bb) Überprüfung der Kalibrierung mit Festpräparaten,
    bc) Werksprüfung und
    bd) Inbetriebsetzungsprüfung,
  3. während des Einsatzes im Kernkraftwerk:
    ca) regelmäßig wiederkehrenden Prüfungen und
    cb) Prüfungen nach Wartungs- und Instandsetzungsarbeiten.

6.2.1 Erstmalige Prüfungen

6.2.1.1 Nachweis der Eignung

(1) Vor erstmaligem Einsatz in einem Kernkraftwerk ist nachzuweisen, dass die Überwachungseinrichtungen ihre Aufgaben erfüllen und den spezifizierten Anforderungen genügen.

Hinweis:
Anforderungen an den Nachweis der Eignung von festinstallierten Messeinrichtungen zur Strahlungsüberwachung" sind in KTA 1505 geregelt.

(2) Der Nachweis der Eignung besteht aus dem (anlagenunabhängigen) Nachweis von Geräteeigenschaften und der anlagenbezogenen Eignungsüberprüfung.

(3) Die anlagenbezogene Eignungsüberprüfung ist durch die Behörde oder einen zugezogenen Sachverständigen durchzuführen.

6.2.1.2 Kalibrierung und Überprüfung der Kalibrierung

(1) Die Messeinrichtungen nach Abschnitt 5.2 sind vor ihrem ersten Einsatz in einem Kernkraftwerk zu kalibrieren. Diese Kalibrierung darf auch an einem typgleichen Gerät durchgeführt werden.

(2) Die Messeinrichtungen in den Dampferzeugerabschlämmsträngen (DWR) sind mit Caesium-137 zu kalibrieren. Das Ansprechvermögen muss für Gamma-Strahlung im Energiebereich von 100 bis 1700 keV bekannt sein.

(3) Der Kalibrierfaktor der Messeinrichtung zur Überwachung des Abgases aus der Kondensatorevakuierung vor der Verzögerungsstrecke der Abgasanlage (SWR) ist rechnerisch zu ermitteln. Das Ansprechvermögen muss für Gamma-Strahlung im Energiebereich von 80 keV bis 3 MeV bekannt sein.

(4) Bei der Erstkalibrierung der Messeinrichtungen nach (2) ist ein Satz von Festpräparaten festzulegen, mit denen jeweils ein Anzeigewert in einer der beiden unteren und einer der beiden oberen Dekaden des Messbereichs kontrolliert werden kann. Dafür sind folgende Festpräparate vorzusehen:

  1. für die Wasserüberwachung Caesium-137 und ein Festpräparat zur Überprüfung der unteren Energieschwelle,
  2. für die Gammamesseinrichtung der Kondensatorevakuierung nach 4.3.2.1 Caesium-137.

(5) Im Anschluss an die Erstkalibrierung der Überwachungseinrichtungen ist mit einem Festpräparat in definierter und reproduzierbarer Geometrie ein Anschlusswert zu bestimmen, der später eine Überprüfung der Kalibrierung und den Anschluss weiterer typgleicher Geräte ermöglicht.

6.2.1.3 Werksprüfung

(1) In einer Werksprüfung sind die ordnungsgemäße Herstellung und die einwandfreie Funktion der Überwachungseinrichtungen nachzuweisen.

(2) Setzen sich die Überwachungseinrichtungen aus Komponenten verschiedener Hersteller zusammen, so müssen die ordnungsgemäße Herstellung und einwandfreie Funktion dieser Komponenten durch Prüfungen beim jeweiligen Hersteller nachgewiesen werden.

(3) Die Werksprüfung ist als eine Stückprüfung durchzuführen und muss umfassen:

  1. Sichtprüfung,
  2. Prüfung des Ausgangswertes in Abhängigkeit von der spezifizierten Betriebsspannungsschwankung,
  3. Prüfung der Kennlinie mit einem Impuls- oder Stromgenerator mit mindestens einem Prüfwert pro Dekade des Messbereichs,
  4. Prüfung der Übersteuerungsfestigkeit (elektronisch oder mittels Präparat) und
  5. Funktionsprüfung mit einem Festpräparat.

(4) Die Werksprüfung ist durch Werkssachverständige durchzuführen, in begründeten Fällen in Anwesenheit der zuständigen Behörde oder eines zugezogenen Sachverständigen.

6.2.1.4 Inbetriebsetzungsprüfung

(1) In der Inbetriebsetzungsprüfung nach Installation sind die einwandfreie Ausführung und Funktion der Überwachungseinrichtungen nachzuweisen. Es müssen geprüft werden:

  1. Ausführung der Überwachungseinrichtungen,
  2. Installation der Überwachungseinrichtungen,
  3. Anzeige (mit mindestens einem Prüfwert pro Dekade des Messbereichs),
  4. Überprüfung der Kalibrierung (mittels Festpräparat),
  5. Anschluss an das Notstromsystem,
  6. Durchflussüberwachung,
  7. Messwertverarbeitung,
  8. Versorgung mit Betriebsmedien,
  9. Geräteausfallmeldung,
  10. Schwellwerteinstellung und Signalisierung und
  11. selbsttätiges Wiederanlaufen nach Unterbrechung der Stromversorgung.

(2) Die Inbetriebsetzungsprüfung ist durch den Betreiber sowie in einem von der zuständigen Behörde festgelegten Umfang durch die Behörde oder einen zugezogenen Sachverständigen durchzuführen.

6.2.2 Wiederkehrende Prüfungen

6.2.2.1 Allgemeines

(1) Für die Prüfliste, die Prüfanweisungen und die Prüfnachweise ist KTA 1202 anzuwenden.

(2) Die Prüfungen müssen ohne Eingriff in die Schaltung (z.B. Löten) erfolgen können.

6.2.2.2 Regelmäßig wiederkehrende Prüfungen

(1) Durch regelmäßig wiederkehrende Prüfungen ist die einwandfreie Funktion der Überwachungseinrichtungen nachzuweisen. Dabei sind die in Tabelle 6-1 angegebenen Prüfungen und Prüfhäufigkeiten zugrunde zu legen.

(2) Die Überprüfung der Kalibrierung nach lfd. Nr. 1 der Tabelle 6-1 ist in der bei der Erstkalibrierung der Messeinrichtung definierten Geometrie mittels Festpräparate nach 6.2.1.2 (5) durchzuführen. Der Sollwert der Anzeige muss mit der im Prüfhandbuch festgelegten Genauigkeit erreicht werden.

(3) Die Prüfungen sind durch den Betreiber oder die Behörde oder einen zugezogenen Sachverständigen durchzuführen.

6.2.2.3 Prüfung nach einer Instandsetzung

Nach einer Instandsetzung ist die einwandfreie Funktion durch eine dem Umfang der Instandsetzung entsprechende Inbetriebsetzungsprüfung nach 6.2.1.4 nachzuweisen.

6.3 Beseitigung von Mängeln

Zur Beseitigung von Mängeln sind im Betriebshandbuch Reparaturzeiten und ggf. Ersatzmaßnahmen festzulegen. Die Mängel einschließlich der zu ihrer Beseitigung getroffenen Maßnahmen sind zu protokollieren.

7 Dokumentation der Messergebnisse

7.1 Fließschema

(1) Die zur Erfüllung der gestellten Anforderungen eingerichteten Probenentnahme- und Überwachungseinrichtungen sind in ein übersichtliches Fließschema einzuzeichnen. Durch unterschiedliche Symbole sind Art der Probenentnahme und Überwachung zu kennzeichnen.

(2) In einer dem Fließschema zugeordneten Beschreibung, z.B. in Form einer Tabelle, sind für jede Probenentnahme- und Überwachungseinrichtung die erforderliche Messaufgabe und Messdurchführung festzuhalten. Für Probenentnahmen sind Zweck, Art, Ort und Häufigkeit sowie die durchzuführenden Auswertungen aufzuführen. Für die Überwachungseinrichtungen sind die Messaufgaben und die messtechnischen Anforderungen, insbesondere Messart, Messeinrichtung einschließlich Abschirmung, Kalibrierung und Messbereiche anzugeben. Für das Messlabor sind ebenfalls die Messaufgaben zu beschreiben.

7.2 Umfang der Dokumentation

(1) Falls nach den Anforderungen des Abschnitts 3 im bestimmungsgemäßen Betrieb eine Bestimmung der abgeleiteten Aktivität erfolgen muss, sollen Berichtsbögen nach Bild 7-1 benutzt werden. Diese sind am Ende eines Vierteljahres an die Behörde weiterzuleiten.

(2) In der Spalte "abgeleitete Aktivität" sind nur Werte einzutragen, die sich aus Messwerten oberhalb der Erkennungsgrenze ergeben. Die Messunsicherheiten sind anzugeben. Wurden keine Werte oberhalb der Erkennungsgrenze ermittelt, sind die entsprechenden Felder mit z.B. "kleiner EG" oder "n.n." zu kennzeichnen.

(3) Die Dokumentation über die Aktivitätsableitungen bei Störfällen ist so anzulegen, dass

  1. der Ableitungsweg eindeutig dargestellt ist,
  2. der zeitliche Verlauf der durch den Störfall bedingten Aktivitätsableitung beschrieben wird,
  3. die Probenentnahmen
    ca) vor Eintritt des Störfalls,
    cb) während des Störfalls und
    cc) nach dem Störfall mit den Angaben wie Zeitpunkt, Zeitspanne der Probenentnahme, Art der Probenentnahme (kontinuierlich, diskontinuierlich) und die bei der Probenentnahme sonst noch auftretenden Randbedingungen aufgelistet werden,
  4. die Methoden zur Bestimmung der spezifischen Aktivität und der Ableitungsmengen umfassend beschrieben werden und die Ermittlung der spezifischen Aktivität und der Ableitungsmengen für den abgelaufenen Störfall nachvollzogen werden kann.

Tabelle 6-1: Regelmäßig wiederkehrende Prüfungen

Lfd. Nr. Prüfobjekt Prüfmethode Prüfhäufigkeit1
durch Betreiber durch Behörde oder zugezogenen Sachverständigen
1 Messeinrichtungen für kontinuierliche Aktivitätsmessungen a) Besichtigung bei Kontrollgängen jährlich
b) Überprüfung der Kalibrierung mittels Festpräparat vierteljährlich
2 Prüf- und Wartungsaufzeichnungen Einsichtnahme -
3 Elektronikbaugruppen Einspeisung von geeigneten Signalen an vorgesehenen Eingängen oder Simulation von Signalen direkt im Messumformereingang mit mindestens einem Wert pro Dekade des Messbereichs2 zur integralen Prüfung des Messumformers.

Zur Prüfung des Messumformerausgangs sowie registrierender Einrichtungen wie Anzeiger, Schreiber, Überwachungsrechner, ist pro Dekade mindestens ein Wert des Messbereichs zu simulieren, der bei rechnerbasierten Messeinrichtungen auch tastaturgestützt mittels Rechnerprogramm erzeugt werden kann.

Vergleich aller Anzeigen und Aufzeichnungen

jährlich
4 Signalisierung a) Betriebsbereitschaft: visuell bei Kontrollgängen
b) Ausfallmeldung:
durch Unterbrechung der Spannungszufuhr oder durch Auftrennen der Signalverbindung zwischen Messumformer und Detektor oder durch Vorgabe eines Wertes unterhalb der Ausfallschwelle
vierteljährlich
c) Gefahrenmeldung: mit Strahlenquelle oder elektrisch vierteljährlich
d) Durchflussüberwachung

durch Änderung des Volumenstroms außerhalb der Alarmschwellen

jährlich
5 Durchflussüberwachung und Betriebsmedienversorgung ohne automatische Funktionskontrolle Sichtprüfung bei Kontrollgängen
mit automatischer Funktionskontrolle Vergleich des Sollwertes mit dem Istwert vierteljährlich
1) Wenn eine Prüfung nach Spalte 5 durchgeführt wird, darf die zu diesem Zeitpunkt fällige Prüfung nach Spalte 4 entfallen.

2) Die Prüfmethode der Simulation von Detektorsignalen am Messumformereingang zur integralen Prüfung von Messumformer und Messkreisen - mit wenigstens einem Wert pro Dekade - ist bei rechnerbasiert arbeitenden Messeinrichtungen nicht erforderlich, wenn das Programm qualifiziert ist. Hier genügt die Einspeisung eines Signals in der obersten Dekade des Messbereiches, wenn in der vorverarbeitenden Elektronik im gesamten Messbereich keine Umschaltungen vorgenommen werden. Auch diese kann entfallen, wenn bei der Überprüfung der Kalibrierung ein Messwert in die oberste Dekade des Messbereichs fällt.

Bild 7-1: Muster eines Berichtsbogens über die nicht mit der Kaminfortluft abgeleiteten radioaktiven Stoffe im bestimmungsgemäßen Betrieb

Berichtsbogen gemäß KTA 1503.3
Kraftwerk: Ableitungszeitraum: Quartal:
Ableitungsweg:
Radionuklid Erkennungsgrenze der analysierten Proben in Bq /m3 abgeleitete Aktivität
in Bq und deren Unsicherheit (Bq)
Bemerkungen
min. max.
Cr-51



Mn-54



Co-57



Co-58



Fe-59



Co-60



Zn-65



Zr-95



Nb-95



Ru-103



Ru-106



Ag-110m



Te-123m



Sb-124



Sb-125



Cs-134



Cs-137



Ba-140



La-140



Ce-141



Ce-144



1-131



1



Sr-89



Sr-90



Summe



Tritium



1) ggf. weitere Gammastrahler

.

Rechenvorschriften DWR  Anhang A

a 1 Rechenvorschriften für DWR-Anlagen

a 1.1 Bestimmung der mit der Maschinenhausfortluft (Dachüfter) abgeleiteten radioaktiven Stoffe

Die in einem Zeitintervall durch den Beitrag eines defekten Dampferzeugers mit der Maschinenhausfortluft abgeleitete Aktivität a ist nach der Gleichung

a = AA*QN - QE


* f (A-1)
n

zu bestimmen.

Dabei bedeuten:

AA Spezifische Aktivität oder Aktivitätskonzentration eines Radionuklids oder einer Radionuklidgruppe im Dampferzeuger-Abschlämmwasser, bestimmt nach 4.3.1.1
QN Im betrachteten Zeitintervall in den Sekundärkreislauf nachgespeiste Deionatmenge (bestimmt als zeitlicher Mittelwert aus z.B. wöchentlichen Messungen)
QE Im betrachteten Zeitintervall angefallene flüssige Entnahmen aus dem Sekundärkreis, soweit sie messtechnisch erfasst wurden
n Zahl der Dampferzeuger
f Übertragungsfaktor Wasser-/Dampfphase. Fs ist für alle Spalt- und Korrosionsprodukte (außer Edelgasen und Tritium) ein Wert von 0,001 anzunehmen, wenn kein anderer Wert nachgewiesen werden kann.

Falls ein Schwellenwert nach 4.3.1.1 (3) bis (5) bei mehr als einem Dampferzeuger ansteht, ist die Gesamtaktivitätsableitung als Summe der Anteile der betroffenen Dampferzeuger zu bilden.

.

Rechenvorschriften SWR Anhang B

Bestimmung der Aktivität des an die Umgebung abgegebenen Dampf-/Luftgemisches bei Öffnen der Maschinenhausdachklappen infolge eines Lecks einer Frischdampf- oder Speisewasserleitung im Reaktorgebäude oder im Maschinenhaus

Hinweis:
Um die Nachvollziehbarkeit und die Anwendbarkeit der Rechenvorschriften zu erleichtern, ist zu den verschiedenen Messgrößen auch ein Satz in sich konsistenter Dimensionen angegeben. Durch den Zusatz "z.B." soll klargestellt werden, dass die betreffenden Messgrößen auch in anderen Einheiten gemessen werden dürfen.

(1) Die Aktivitätsableitung a z.B. in Bq über die Maschinenhausdachklappen bei einem Leck einer Frischdampfleitung oder einer Speisewasserleitung ist nach der Gleichung

a = AA * QA * FA * ÜA


* VU (B-1)
VA

zu bestimmen.

Dabei bedeuten:

AA spezifische Aktivität im Frischdampf oder Speisewasser z.B. in Bq/kg
(wobei die spezifische Aktivität radioaktiver Edelgase im Frischdampf AAE dabei wie folgt zu ermitteln ist:

AKE * VG


AAE =




(B-2)

RFD


Dabei bedeuten:
AKE Aktivitätskonzentration radioaktiver Edelgase im Abgas aus der Kondensatorevakuierung
(bestimmt nach Abschnitt 4.3.2./ Absätze / und 2) z.B. in Bq/m3

VG Volumenstrom zur Abgasanlage z.B. in m3/h

RFD Frischdampferzeugungsrate z.B. in kg/h)
QA Masse des in das Maschinenhaus freigesetzten Mediums (ermittelt nach 4.3.2./ (4)) z.B. in kg
VA freies Volumen der Turbinenhalle z.B. in m3
FA als Dampf freigesetzter Anteil der Leckage

FA = 1 für den Fall "Leck einer Frischdampfleitung"

FA = 0,2 für den Fall "Leck einer Speisewasserleitung"
ÜA Übertragungsfaktor der Radionuklide in den freigesetzten Dampf

ÜA= 1 für den Fall "Leck einer Frischdampfleitung"

ÜA = 0,04 für den Fall "Leck einer Speisewasserleitung"
VU über die Maschinenhausdachklappen an die Umgebung abgegebenes Volumen aus Dampf und Luft (berechnet nach Gleichung B-3) z.B. in m3

(2) Das bei einem Öffnen der Maschinenhausdachklappen an die Umgebung abgegebene Volumen aus Dampf und Luft VU ist nach der Gleichung.

(B-3)

zu bestimmen. Dabei bedeuten:

n Anzahl der ausgelösten Dachklappen
(ist nach dem Störfall durch Ortsbegehung zu ermitteln)
Fe freie Öffnungsfläche einer Dachklappe z.B. in m2
(konservativ ist jede Dachklappe während der gesamten Öffnungszeit als zu 100 % geöffnet zu betrachten)

ξ
Verlustbeiwert der einzelnen Dachklappen
(ist konservativ gleich 0 zu setzen)

ρ
Dichte des Dampf-/Luftgemisches (ungefähr 1 kg/m3)

Δp(t)
Druckdifferenz zwischen Maschinenhausraumluft und Umgebung
(als Funktion der Zeit) z.B. in kg/(m * s2)
Öffnungszeit der Dachklappen z.B. in s

(Die Werte von Δpi(t) und Δti sind aus den Schreiberaufzeichnungen der Druckdifferenz zwischen Maschinenhausraumluft und Umgebung zu ermitteln.)

.

  Nuklidspezifische Auswertung im bestimmungsgemäßen Betrieb von Proben aus dem Abschlämmwasser
(DWR)
Anhang C

C 1 Gammastrahler

Für die Ermittlung der Aktivitätsableitung sind die Proben gammaspektrometrisch zu untersuchen. Dabei sind mindestens die in Tabelle C-1 aufgeführten Radionuklide zu berücksichtigen. Die Nachweisgrenze der Messeinrichtung zur Bestimmung der Aktivitätskonzentrationen darf bei Messung einer Deionatprobe den Wert von 1 * 103 Bq/m3 für Kobalt-60 nicht überschreiten. Die Messdauer für eine Probe muss mindestens der Messdauer entsprechen, die zum Erreichen der geforderten Nachweisgrenze für Kobalt-60 erforderlich ist. 1m Rahmen der gammaspektrometrischen Untersuchungen ist zu überprüfen, ob anlagenspezifisch weitere Radionuklide auftreten, die nicht in Tabelle C-1 aufgeführt sind. Werden solche nachgewiesen, so sind auch diese bei der Ermittlung der Aktivitätsableitungen zu berücksichtigen.

C 2 Radioaktives Strontium

Für die im Ableitungszeitraum entnommenen Proben ist deren Gehalt an Strontium-89 und Strontium-90 zu untersuchen. Dazu darf eine mengenproportionale Mischprobe verwendet werden. Die Nachweisgrenze des Verfahrens zur Bestimmung der Aktivitätskonzentration darf den Wert von 5*102 Bq/m3 nicht überschreiten.

C 3 Tritium

(1) Für die im Ableitungszeitraum entnommenen Proben ist deren Gehalt an Tritium zu untersuchen. Dazu darf eine mengenproportionale Mischprobe verwendet werden. Die Nachweisgrenze des Verfahrens zur Bestimmung der Aktivitätskonzentration darf den Wert von 4 * 104 Bq/m3 nicht überschreiten.

(2) Bei Überschreitung einer Tritium-Aktivitätskonzentration von 1 * 106 Bq/m3 in der Dampferzeugerabschlämmung ist die Ableitung von Tritium zu bilanzieren.

Tabelle C-1: Bei der Ermittlung der Aktivitätsableitungen zu berücksichtigende Radionuklide: Gammastrahler

Radionuklid
Chrom-51 Silber-110m
Mangan-54 Tellur-123m
Kobalt-57 Antimon-124
Kobalt-58 Antimon-125
Kobalt-60 Jod-1 31
Eisen-59 Caesium-134
Zink-65 Caesium-137
Zirkon-95 Barium-140
Niob-95 Lanthan-140
Ruthenium-103 Cer-141
Ruthenium-106 Cer-144

.

Bestimmungen, auf die in dieser Regel verwiesen wird  Anhang D

(Die Verweise beziehen sich nur auf die in diesem Anhang angegebene Fassung. Darin enthaltene Zitate von Bestimmungen beziehen sich jeweils auf die Fassung, die vorlag, als die verweisende Bestimmung aufgestellt oder ausgegeben wurde.)

AtG Gesetz über die friedliche Verwendung der Kernenergie und den Schutz gegen ihre Gefahren (Atomgesetz - AtG) in der Fassung der Bekanntmachung vom 15. Juli 1985 (BGBl. I S. 1565), das zuletzt durch Artikel 5 des Gesetzes vom 28. August 2013 (BGBl.1 2013, Nr. 52, S. 3313) geändert worden ist.
StrlSchV Verordnung über den Schutz vor Schäden durch ionisierende Strahlen (Strahlenschutzverordnung - StrlSchV) vom 20. Juli 2001 (BGBl. I S. 1714; 2002 1 S. 1459), die zuletzt durch Artikel 5 Absatz 7 des Gesetzes vom 24. Februar 2012 (BGBl.1 2012, Nr. 10, S. 212) geändert worden ist
SiAnf (2012-11) Sicherheitsanforderungen an Kernkraftwerke vom 22. November 201 (BAnz. vom 24.Januar2013)
Sicherheitskriterien (1977-10) Sicherheitskriterien für Kernkraftwerke vom 21. Oktober 1977 (BAnz. Nr. 206 vom 3. November 1977)
Störfall-Leitlinien (1983-10) Leitlinien zur Beurteilung der Auslegung von Kernkraftwerken mit Druckwasserreaktoren gegen Störfälle im Sinne des § 28 Abs. 3 StrlSchV (Störfall-Leitlinien) vom 18. Oktober 1983 (Beilage zum BAnz. Nr. 245 vom 31. Dezember 1983)
EMVG Gesetz über die elektromagnetische Verträglichkeit von Betriebsmitteln vom 26. Februar 2008 (BGBl. I S. 220), das zuletzt durch Artikel 1 des Gesetzes vom 20. April 2012 (BGBl. I S. 606) geändert worden ist
KTA 1202 (2009-11) Anforderungen an das Prüfhandbuch
KTA 1503.1 (2013-11) Überwachung der Ableitung gasförmiger und an Schwebstoffen gebundener radioaktiver Stoffe;
Teil 1: Überwachung der Ableitung radioaktiver Stoffe mit der Kaminfortluft bei bestimmungsgemäßem Betrieb
KTA 1503.2 (2013-11) Überwachung der Ableitung gasförmiger und an Schwebstoffen gebundener radioaktiver Stoffe;
Teil 2: Überwachung mit der Kaminfortluft bei Störfällen
KTA 1505 (2011-11) Nachweis der Eignung von festinstallierten Messeinrichtungen zur Strahlungsüberwachung
DIN ISO 11929 (2011-01) Bestimmung der charakteristischen Grenzen (Erkennungsgrenze, Nachweisgrenze und Grenzen des Vertrauensbereichs) bei Messungen ionisierender Strahlung - Grundlagen und Anwendungen (ISO 11929:2010)
DIN EN 60529 (2000-09) (Schutzarten durch Gehäuse (IP Code); (IEC 60529:1989 + A1:1999); Deutsche Fassung EN 60529:1991+A1:2000

*) Gemäß § 7 Absatz 6 der Bekanntmachung über die Neufassung der Bekanntmachung über die Bildung eines Kerntechnischen Ausschusses vom 26. November 2012 (BAnz AT 10.12.2012 B2) gebe ich nachstehend die vom Kerntechnischen Ausschuss am 19. November 2013 beschlossenen Regeln (Regeländerungen)

KTA 1401 Allgemeine Anforderungen an die Qualitätssicherung
KTA 1404 Dokumentation beim Bau und Betrieb von Kernkraftwerken
KTA 1502 Überwachung der Aktivitätskonzentrationen radioaktiver Stoffe in der Raumluft von Kernkraftwerken
KTA 1503.1 Überwachung der Ableitung gasförmiger und an Schwebstoffen gebundener radioaktiver Stoffe;
Teil 1: Überwachung der Ableitung radioaktiver Stoffe mit der Kaminfortluft bei bestimmungsgemäßem Betrieb
KTA 1503.2 Überwachung der Ableitung gasförmiger und an Schwebstoffen gebundener radioaktiver Stoffe;
Teil 2: Überwachung der Ableitung radioaktiver Stoffe mit der Kaminfortluft bei Störfällen
KTA 1503.3 Überwachung der Ableitung gasförmiger und an Schwebstoffen gebundener radioaktiver Stoffe;
Teil 3: Überwachung der nicht mit der Kaminfortluft abgeleiteten radioaktiven Stoffe
KTA 2201.3 Auslegung von Kernkraftwerken gegen seismische Einwirkungen;
Teil 3: Bauliche Anlagen
 

KTA 3201.2

Komponenten des Primärkreises von Leichtwasserreaktoren;
Teil 2: Auslegung, Konstruktion und Berechnung
KTA 3211.2 Druck- und aktivitätsführende Komponenten von Systemen außerhalb des Primärkreises;
Teil 2: Auslegung, Konstruktion und Berechnung
KTA 3704 Notstromanlagen mit statischen oder rotierenden Umformern in Kernkraftwerken
KTA 3901 Kommunikationseinrichtungen für Kernkraftwerke

in der Fassung 2013-11 bekannt.

ENDE

umwelt-online - Demo-Version


(Stand: 27.11.2019)

Alle vollständigen Texte in der aktuellen Fassung im Jahresabonnement
Nutzungsgebühr: ab 105.- € netto

(derzeit ca. 7200 Titel s.Übersicht - keine Unterteilung in Fachbereiche)

Preise & Bestellung

Die Zugangskennung wird kurzfristig übermittelt

? Fragen ?
Abonnentenzugang/Volltextversion