zurück

4 Ausführung der Überwachungseinrichtungen

4.1 Allgemeine Anforderungen an festinstallierte Überwachungseinrichtungen

4.1.1 Auslegung und Unterbringung

(1) Die einzelnen Überwachungseinrichtungen sind für die in Tabelle 4-1 genannten Umgebungs- und Mediumsbedingungen sowie den dort genannten Betriebsspannungsbereich auszulegen.

(2) Der Messwert darf sich bei der Variation jeweils einer Einflussgröße innerhalb der in Tabelle 4-1 genannten Nenngebrauchsbereiche nur um ± 30% gegenüber dem bei der Kalibrierung nach 5.2.1.2 erhaltenen Messwert ändern, wenn alle übrigen Einflussgrößen in der Nähe der Bezugswerte der Kalibrierung möglichst unverändert bleiben.

(3) Für die in Tabelle 4-1 aufgeführten Einflussgrößen sind die dort genannten Bezugswerte anzuwenden. Der Bezugswert für die Untergrundstrahlung ist vom Hersteller der Messeinrichtung anzugeben.

(4) Die Nachweisgrenzen sind bei einer Umgebungsdosisleistung von 0,25 gGy/h (Caesium 137) zu ermitteln.

Hinweis:
Die Ermittlung der Nachweisgrenzen bei Kernstrahlungsmessungen ist in den Normen der Reihe DIN 25482 enthalten.

(5) Für nicht im Labor aufgestellte Geräte muss die Ausführung der Schutzart IP 54 nach DIN EN 60529 (Fremdkörper- und Wasserschutz) entsprechen.

(6) Die Mess- und Probeentnahmeeinrichtungen sind so zu installieren und unterzubringen, dass

  1. sie gegen Einflüsse, die einen einwandfreien Betrieb verhindern können, geschützt sind,
  2. die in den jeweiligen Gerätespezifikationen angegebenen Nenngebrauchsbereiche eingehalten werden,
  3. Prüfung, Wartung und Instandsetzung leicht möglich sind,
  4. sie für Befugte während des bestimmungsgemäßen Betriebs jederzeit leicht zugänglich sind.

(7) Messbehälter und Probeentnahmebehälter müssen auszubauen, dekontaminierbar und spülbar sein.

(8) In Hinblick auf die Störfestigkeit der Messeinrichtungen gegen elektromagnetische Störgrößen, z.B. elektrostatische Entladungen, elektromagnetische Felder, Störspannungen, ist das Gesetz über die elektromagnetische Verträglichkeit von Geräten (EMVG) einzuhalten.

4.1.2 Ausfallsicherheit

(1) Kontinuierlich betriebene Überwachungseinrichtungen sind an eine Notstromversorgung anzuschließen.

(2) Kontinuierlich betriebene Überwachungseinrichtungen sind selbstüberwachend auszuführen.

(3) Nach einer Stromunterbrechung müssen die Überwachungseinrichtungen nach (1) selbsttätig wieder anlaufen.

(4) Bei Messeinrichtungen, die an oder in einem Bypass angeordnet sind, ist der Durchfluss im Bypass zu überwachen. Für Messeinrichtungen, die direkt an einem System angeordnet sind, ist der Durchfluss des Messmediums zu überwachen.

(5) Eventuelle Zählratenverluste der Messeinrichtungen (z.B. durch Totzeiten) innerhalb des Messbereichs müssen als Funktion der Zählrate bekannt sein und berücksichtigt werden. Eine Abnahme der Anzeige bei zunehmender Messgröße (Übersteuerung) darf nicht auftreten.

4.1.3 Faktoren für die statistische Sicherheit

(1) Der Faktor für die statistische Sicherheit hat bei der Erkennungsgrenze bei allen Messeinrichtungen für kontinuierliche Messungen den Wert kE= 1,645, für alle bilanzierenden Messungen und für Entscheidungsmessungen den Wert kE= 3,0.

(2) Der Faktor für die statistische Sicherheit bei der Nachweisgrenze hat einheitlich den Wert kN= kE+ 1,645.

4.1.4 Einstellung der Energieschwelle

Es muss sichergestellt sein, dass die untere Energieschwelle unter Berücksichtigung ihrer Schwankungen so eingestellt wird, dass alle Radionuklide mit Gamma-Energien oberhalb 0,1 MeV erfasst werden.

4.1.5 Grenzwerte

(1) Müssen Geräte im Betrieb nachjustiert werden, so sind fest eingebaute Einstellmöglichkeiten hierfür vorzusehen. Alle Einstellmöglichkeiten an den elektronischen Geräten der Mess- und Überwachungseinrichtungen sind so anzuordnen oder abzusichern, dass eine Verstellung durch Unbefugte weitgehend ausgeschlossen ist. Eine selbsttätige Verstellung muss ausgeschlossen werden.

(2) Das Unterschreiten des unteren Grenzwertes zur Meldung des Geräteausfalls und das Überschreiten des oberen Grenzwertes müssen optisch und akustisch in der Warte angezeigt werden. Sammelmeldungen sind zulässig, wenn in der Warte oder in einem Wartennebenraum angezeigt wird, von welcher Messstelle die Meldung kommt. Die akustischen Meldungen dürfen vor Behebung der Ursachen einzeln oder gemeinsam gelöscht werden.

(3) Die optischen Signale in der Warte zur Ausfallmeldung und bei Überschreitung der oberen Grenzwerte müssen den Meldezustand erkennen lassen.

Einflussgrößen Nenngebrauchsbereich Bezugswert
Betriebsspannung    
- Wechselspannungsversorgung 85 bis 110 % des Nennwertes der Betriebsspannung Herstellerangabe
- Gleichspannungsversorgung spezifizierter Spannungsbereich des Gleichspannungsnetzes Herstellerangabe
Umgebungstemperatur in °C 15 bis 40 20
Druck der Umgebungsluft in mbar 900 bis 1100 1013
Relative Feuchte der Umgebungsluft in % 10 bis 95, nicht betauend 60
Temperatur des Messmediums in °C 10 bis 60 20

Tabelle 4-1: Nenngebrauchsbereiche und Bezugswerte für Einflussgrößen

Überwachtes Wasser  Mindestmessbereich in Bq/m3 (Cs-137-Äquivalent) Grenz- oder Schaltwert in Bq/m3 (Cs-137-Äquivalent)
Kontinuierliche Gesamt-Gamma-Messeinrichtung
Abwasser (Übergabebehälter) 4 · 105 bis 4 · 107 2 . 107
Nukleare Zwischenkühlkreisläufe (Nebenkühlwasser) 4 · 105 bis 4 · 107 siehe 3.3
DE-Abschlämmung (Maschinenhausabwasser) 1 · 105 bis 4 · 106 4 .105
Hilfsdampfkondensat 2 · 104 bis 1 · 107 siehe 3.5.1 und 3.5.2
Hauptkühlwasser (Auslauf) 1 · 104 bis 2 · 108 4 .105
Diskontinuierliche Gesamt-Gamma-Messeinrichtungen
Abwasser (Übergabebehälter/Entscheidungsmessung) 1 · 104 bis 2 · 108 -
Sonstige Entscheidungsmessungen 1 · 104 bis 2 · 108 -

Tabelle 4-2: Übersicht über Mindestmessbereiche und Grenz- oder Schaltwerte für Gesamt-Gamma-Messeinrichtungen

4.1.6 Messwertanzeige und Registrierung

(1) Die Messgeräte sollen nur einen Anzeigebereich haben. Sind mehrere Anzeigebereiche notwendig, so müssen

  1. bei mehreren linearen Anzeigebereichen die Messbereiche sich um mindestens 10 % überlappen, wobei der Messbereichsfaktor nicht größer als 10 sein darf,
  2. bei mehreren logarithmischen Anzeigebereichen die Messbereiche sich um mindestens eine Zehnerpotenz überlappen.

(2) Alle Messwerte sollen an den Messeinrichtungen angezeigt und müssen in der Warte angezeigt und aufgezeichnet werden.

(3) Die Aufzeichnungen müssen über einen Zeitraum von 3 h direkt sichtbar und gut lesbar sein.

4.1.7 Prüfbarkeit

Die Mess- und Überwachungseinrichtungen sind so auszulegen und auszuführen, dass das einwandfreie Funktionieren der Einzelgeräte im Rahmen von erstmaligen Prüfungen nach 5.2.1 und wiederkehrenden Prüfungen nach 5.2.2 festgestellt werden kann. Funktionsprüfungen müssen auch während des Leistungsbetriebs des Kernkraftwerks durchgeführt werden können.

4.2 Gamma-Messeinrichtungen für kontinuierliche Messungen

Hinweis:
Tabelle 4-2 gibt einen Überblick über die Mindestmessbereiche und die Grenzwerte und Schaltwerte der Gesamt-Gamma-Messeinrichtungen

4.2.1 Nachweisgrenzen

Die Nachweisgrenzen im Sinne von 2.8 dürfen für die Messeinrichtungen für kontinuierliche Messungen nicht größer sein als die unteren Grenzen der im Folgenden angegebenen Mindestmessbereiche.

4.2.2 Gamma-Messeinrichtung in der Ablaufleitung aus dem Übergabebehälter

(1) Der Messbereich der Gamma-Messeinrichtung zur kontinuierlichen Messung des Caesium 137-Äquivalents in der Ablaufleitung aus dem Übergabebehälter muss mindestens von 4 · 105 bis 4 · 107 Bq/m3 reichen.

(2) Sowohl die Überschreitung des Wertes des Caesium 137-Äquivalents von 2 · 107 Bq/m3 als auch der Ausfall der Messeinrichtung sind auf der Warte automatisch zu melden und zu registrieren. Das Ablaufventil des Übergabebehälters ist in diesen Fällen automatisch zu schließen und die Förderpumpe abzuschalten.

4.2.3 Gamma-Messeinrichtungen in nuklearen Zwischenkühlkreisläufen

Der Messbereich der Gamma-Messeinrichtungen zur kontinuierlichen Messung des Caesium 137-Äquivalents in nuklearen Zwischenkühlkreisläufen muss mindestens von 4 · 105 bis 4 · 107 Bq/m3 reichen. Sowohl die Überschreitung des Wertes des Caesium 137-Äquivalents von 4 · 106 Bq/m3 als auch der Ausfall der Messeinrichtung sind auf der Warte zu melden und zu registrieren.

4.2.4 Gamma-Messeinrichtungen in Dampferzeugerabschlämmsträngen bei Druckwasserreaktoren

Der Messbereich der Gamma-Messeinrichtungen zur kontinuierlichen Messung des Caesium 137-Äquivalents in Dampferzeugerabschlämmsträngen muss mindestens von 1 · 105 bis 4 · 106 Bq/m3 reichen. Sowohl die Überschreitung eines Wertes des Caesium 137-Äquivalents von 4 · 105 Bq/m3 als auch der Ausfall einer Messeinrichtung sind auf der Warte zu melden und zu registrieren.

4.2.5 Messeinrichtungen im Hilfsdampfsystem

(1) Der Messbereich der Gamma-Messeinrichtung zur kontinuierlichen Messung des Caesium 137-Äquivalents im Hilfsdampfkondensat muss grundsätzlich mindestens von 2 · 104 bis 1 · 107 Bq/m3 reichen. Der Beginn des Messbereiches darf auf 50% des Schaltwertes angehoben werden.

(2) Sowohl der Ausfall der Messeinrichtung nach (1) als auch die Überschreitung des Schaltwertes nach 3.5.1 (2) sind auf der Warte zu melden und zu registrieren.

(3) Bei Dampfentnahme aus einem Hilfskesselsystem außerhalb des Kontrollbereiches ist die Überschreitung des Schaltwertes nach 3.5.2 (1) auf der Warte zu melden und zu registrieren.

(4) Der Messbereich der Überwachungseinrichtung nach Abschnitt 3.5.1 (6) soll den Bereich von 5% bis 200% des Schaltwertes nach 3.5.1 (6 ) umfassen.

(5) Sowohl der Ausfall der Überwachungseinrichtung nach (4) als auch die Überschreitung des Schaltwertes nach 3.5.1 (6) sind auf der Warte zu melden und zu registrieren.

4.2.6 Gamma-Messeinrichtung im Rücklaufkanal oder Einleitungsbauwerk

Der Messbereich der Gamma-Messeinrichtung zur kontinuierlichen Messung des Caesium 137-Äquivalents im Rücklaufkanal oder Einleitungsbauwerk muss mindestens von 1 · 104 bis 2 · 108 Bq/m3 reichen. Sowohl die Überschreitung eines Wertes des Caesium 137-Äquivalents von 4 · 105 Bq/m3 als auch der Ausfall der Messeinrichtung sind auf der Warte zu melden und zu registrieren.

4.2.7 Ausfall der Gamma-Messeinrichtungen für kontinuierliche Messungen

Die bei Ausfall der Gamma-Messeinrichtungen zur kontinuierlichen Messung des Caesium 137-Äquivalents an den Proben nach 3.3.4, 3.4.1.4, 3.5.3 und 3.6.4 durchzuführenden integralen Messungen sind mit einer Gamma-Messeinrichtung für diskontinuierliche Messungen vorzunehmen, deren Messbereich mindestens von 1 · 104 bis 2 · 108 Bq/m3 reicht.

4.3 Messeinrichtungen für diskontinuierliche Messungen

4.3.1 Gesamt-Gamma-Messeinrichtungen

Hinweis:
Tabelle 4-2 gibt einen Überblick über die Mindestmessbereiche und die Grenzwerte/Schaltwerte der Gesamt-Gamma-Messeinrichtungen

(1) Der Messbereich der Gamma-Messeinrichtungen zur Entscheidungsmessung nach 3.2.2, 3.4.1.5, 3.4.1.6, 3.4.1.7, 3.4.2 (2), 3.5.1 (4), 3.5.2 (4) und 3.6.4 muss mindestens von 1 · 104 bis 2 · 108 Bq/m3(Caesium 137-Äquivalent) reichen.

(2) Die Nachweisgrenze im Sinne von 2.8 darf für die Messeinrichtungen nach (1) nicht größer sein als die untere Grenze der dort angegebenen Mindestmessbereiche.

4.3.2 Einrichtungen zur Einzelnuklidanalyse

Die Anforderungen hinsichtlich der Nachweisgrenze für Gammastrahler nach 3.2.4.1 sind einzuhalten.

4.3.3 Alpha- und Beta-Messeinrichtungen für diskontinuierliche Messungen

Die Anforderungen hinsichtlich der Nachweisgrenzen für Alpha- und Betastrahler nach 3.2.4 sind einzuhalten.

5 Instandhaltung der festinstallierten Überwachungseinrichtungen

5.1 Wartung und Instandsetzung

5.1.1 Durchführung

Wartung und Instandsetzung der Überwachungseinrichtungen müssen nach den jeweiligen Betriebs- und Instandsetzungsanweisungen von fachkundigen Personen vorgenommen werden.

5.1.2 Buchführung

Über alle durchgeführten Wartungs- und Instandsetzungsarbeiten ist Buch zu führen. Die Aufzeichnungen müssen folgende Angaben enthalten:

  1. eindeutige Bezeichnung der Überwachungseinrichtung,
  2. Art der durchgeführten Wartung oder Instandsetzung,
  3. Art und Anzahl der ausgewechselten Teile,
  4. Gründe für das Auswechseln von Teilen,
  5. für die neu eingesetzten Teile: Datum und nähere Bezeichnung der Prüfzeugnisse und der nach dieser Regel erforderlichen Prüfnachweise,
  6. Angaben über Ausfallzeiten,
  7. Datum der Wartung oder Instandsetzung,
  8. Namen und Unterschriften der fachkundigen Personen.

5.2 Prüfungen

Die Überwachungseinrichtungen sind folgenden Prüfungen zu unterziehen:

  1. vor dem ersten Einsatz eines Gerätetyps in einem Kernkraftwerk:
    aa) Nachweis der Eignung,
    ab) Kalibrierung,
  2. vor dem ersten Einsatz jedes einzelnen Gerätes in einem Kernkraftwerk:
    ba) Eignungsüberprüfung,
    bb) Überprüfung der Kalibrierung mit Festpräparaten,
    bc) Werksprüfung,
    bd) Inbetriebsetzungsprüfung,
  3. während des Einsatzes im Kernkraftwerk:
    ca) regelmäßig wiederkehrenden Prüfungen,
    cb) Prüfungen nach Wartungs- und Instandsetzungsarbeiten.

Alle durchgeführten Prüfungen sind durch Prüfnachweise zu belegen. Die Prüfnachweise sind aufzubewahren.

5.2.1 Prüfungen vor dem ersten Einsatz in einem Kernkraftwerk

5.2.1.1 Nachweis der Eignung

Vor erstmaligem Einsatz in einem Kernkraftwerk ist nachzuweisen, dass die Überwachungseinrichtungen ihre Aufgaben erfüllen und den spezifizierten Anforderungen genügen.

Hinweis:
Hierzu sind weitere Anforderungen in KTA 1505 "Nachweis der Eignung von Strahlungsmesseinrichtungen" enthalten.

5.2.1.2 Kalibrierung und Überprüfung der Kalibrierung

(1) Die Messeinrichtungen nach 4.2 sind vor ihrem ersten Einsatz in einem Kernkraftwerk mit Caesium 137 zu kalibrieren. Diese Kalibrierung darf auch an einem typgleichen Gerät durchgeführt werden.

(2) Das Ansprechvermögen der Messeinrichtungen muss für Gamma-Strahlung im Energiebereich von 100 keV bis 1700 keV bekannt sein, bei Dosisleistungsmesseinrichtungen nach 3.5.1 (6) bis zu den Energien, die beim Zerfall von Stickstoff 16 emittiert werden.

Hinweis:
Bei diesen Dosisleistungsmesseinrichtungen kann durch geeignete Maßnahmen, z.B. Abschirmungen, die relative Nachweisempfindlichkeit für die beim Zerfall des Stickstoffs 16 emittierten Gammastrahlen im Vergleich zur Nachweisempfindlichkeit für Gammastrahlen im Energiebereich unter 1 MeV verbessert werden.

(3) Bei der Kalibrierung ist ein Satz von Festpräparaten festzulegen, mit denen jeweils ein Anzeigewert in einer der unteren und einer der oberen Dekaden des Messbereichs kontrolliert werden kann.

(4) Im Anschluss an die Erstkalibrierung der Messgeräte der Überwachungseinrichtungen ist mit einem Festpräparat in definierter und reproduzierbarer Geometrie ein Anschlusswert zu bestimmen, der später eine Überprüfung der Kalibrierung und den Anschluss weiterer typgleicher Geräte ermöglicht.

5.2.1.3 Werksprüfung

(1) In einer Werksprüfung sind die ordnungsgemäße Herstellung und die einwandfreie Funktion der Überwachungseinrichtungen nachzuweisen.

(2) Setzen sich die Überwachungseinrichtungen aus Komponenten verschiedener Hersteller zusammen, so müssen die ordnungsgemäße Herstellung und einwandfreie Funktion dieser Komponenten durch Prüfungen beim jeweiligen Hersteller nachgewiesen werden.

(3) Die Werksprüfung ist als eine Stückprüfung durchzuführen und muss umfassen:

  1. Sichtkontrolle,
  2. Prüfung des Ausgangswertes in Abhängigkeit von der spezifizierten Betriebsspannungsschwankung,
  3. Prüfung der Kennlinie mit einem Impuls- oder Stromgenerator mit mindestens einem Prüfwert pro Dekade des Messbereichs.

(4) Die Werksprüfung ist durch Werkssachverständige durchzuführen, in begründeten Fällen in Anwesenheit von durch die zuständige Behörde zugezogenen Sachverständigen.

5.2.1.4 Inbetriebsetzungsprüfung

(1) In der Inbetriebsetzungsprüfung nach Installation sind die einwandfreie Ausführung und Funktion der Überwachungseinrichtungen nachzuweisen. Es müssen geprüft werden:

  1. Ausführung der Überwachungseinrichtungen,
  2. Installation der Überwachungseinrichtungen,
  3. Anzeige,
  4. Überprüfung der Kalibrierung (mittels Festpräparat),
  5. Grenzwerteinstellung und Signalisierung,
  6. Geräteausfallmeldung,
  7. Anschluss an das Notstromsystem,
  8. selbsttätiges Wiederanlaufen nach Unterbrechung der Stromversorgung,
  9. Durchflussüberwachung,
  10. Messwertverarbeitung,
  11. Versorgung mit Betriebsmedien.

(2) Die Inbetriebsetzungsprüfung ist durch den Betreiber sowie in einem von der zuständigen Behörde festgelegten Umfang durch zugezogene Sachverständige durchzuführen.

5.2.2 Wiederkehrende Prüfungen

5.2.2.1 Allgemeines

(1) An den Überwachungseinrichtungen sind während des Betriebs des Kernkraftwerks wiederkehrende Prüfungen durchzuführen.

Hinweis:
Dabei handelt es sich um regelmäßig wiederkehrende Prüfungen und um Prüfungen nach Instandsetzungen.

(2) Die Prüfungen müssen ohne Eingriff in die Schaltung (z.B. Löten) erfolgen können.

(3) Die Prüfungen sind nach den Prüfunterlagen entsprechend KTA 1202 vorzunehmen.

5.2.2.2 Regelmäßig wiederkehrende Prüfungen

(1) Durch regelmäßig wiederkehrende Prüfungen ist die einwandfreie Funktion der Überwachungseinrichtungen nachzuweisen. Dabei sind die in Tabelle 5-1 angegebenen Prüfungen und Prüfhäufigkeiten zugrunde zu legen.

(2) Die Prüfungen sind durch den Betreiber sowie in einem von der zuständigen Behörde festgelegten Umfang durch zugezogene Sachverständige durchzuführen.

5.2.2.3 Prüfung nach einer Instandsetzung

Nach einer Instandsetzung ist die einwandfreie Funktion durch eine dem Umfang der Instandsetzung entsprechende Inbetriebsetzungsprüfung nach 5.2.1.4 nachzuweisen.

5.3 Beseitigung von Mängeln

Mängel sind im Rahmen der im Betriebshandbuch festgelegten Reparaturzeiten zu beseitigen und einschließlich der zu ihrer Beseitigung getroffenen Maßnahmen zu protokollieren.

6 Messergebnisse

6.1 Dokumentation

6.1.1 Fließschema

(1) Die für die Überwachung der mit Wasser abgeleiteten radioaktiven Stoffe eingerichteten Probeentnahme- und Messeinrichtungen in den zu überwachenden Systemen sind in ein übersichtliches Fließschema einzuzeichnen. Durch unterschiedliche Symbole sind Art der Probeentnahme und Messung zu kennzeichnen.

(2) In einer dem Fließschema zugeordneten Beschreibung, z.B. in Form einer Tabelle, sind für jede Probeentnahme- und Messeinrichtung die erforderliche Messaufgabe und Messdurchführung festzuhalten. Für Probeentnahmen sind Zweck, Art, Ort und Häufigkeit sowie die durchzuführenden Messungen aufzuführen. Für die Messeinrichtungen sind die Messaufgaben und die messtechnischen Anforderungen, insbesondere Messart, Messeinrichtung einschließlich Abschirmung, Kalibrierung, Messbereiche, Nachweisgrenzen und Messunsicherheit anzugeben. Für das Messlabor sind ebenfalls die Messaufgaben und die messtechnischen Anforderungen zu beschreiben.

6.1.2 Umfang

Die Dokumentation muss so angelegt werden, dass ein lückenloser Nachweis der Ableitung der radioaktiven Stoffe mit Wasser möglich ist. Dazu gehören die Aufzeichnungen über

  1. Aktivitätsmessungen (Einzelnuklid-Konzentrationen und Abgaberaten),
  2. Probeentnahmen (kontinuierlich, diskontinuierlich; Zeitpunkt, Zeitspanne),
  3. Wassermengen (Menge, Zeitpunkt, Zeitspanne, Einleitungsstelle) und
  4. Verantwortliche und Ausführende.

6.2 Berichterstattung an die Behörden

6.2.1 Inhalt

Die Berichterstattung über die Ableitung radioaktiver Stoffe mit Wasser an die zuständige Aufsichtsbehörde muss umfassen:

  1. Menge der Wasserabgaben,
  2. Genehmigungswerte,
  3. nuklidspezifische Aktivitätsableitung und
  4. die im Berichtszeitraum mit den benutzten Messeinrichtungen erreichten minimalen und maximalen Erkennungsgrenzen.

6.2.2 Bilanzierung

(1) Der nuklidspezifische Nachweis der Aktivitätsableitungen und der Vergleich mit den Genehmigungswerten müssen vierteljährlich und für die Zeitspanne seit Jahresanfang vorgenommen werden. In der Bilanzierung bleiben Radionuklide mit Konzentrationen unterhalb der erreichten Erkennungsgrenzen außer Betracht.

(2) Ist für das Nebenkühlwasser und das Maschinenhausabwasser eine Bilanzierung nach 3.3.3 oder 3.4.1.3 erforderlich, muss jeweils ein gesonderter Berichtsbogen erstellt werden.

6.2.3 Berichtsbögen

(1) Für die regelmäßige Berichterstattung sollen Berichtsbögen nach Bild 6-1 benutzt werden.

(2) In der Spalte "Abgeleitete Aktivität" sind nur Werte einzutragen, die sich aus Messwerten der Aktivitätskonzentration oberhalb der Erkennungsgrenze ergeben.

Lfd.-Nr. Prüfobjekt Prüfart Prüfhäufigkeit
durch Betreiber durch von der zuständigen Behörde zugezogene Sachverständige
1 Überwachungseinrichtungen a) Sichtprüfung bei Kontrollgängen -
b) Sichtprüfung und Überprüfung der Kalibrierung mittels Festpräparat vierteljährlich jährlich
2 Prüf- und Wartungsaufzeichnungen Einsichtnahme - jährlich
3 Elektronikbaugruppen Einspeisung von Standardsignalen in die Transmitter (mindestens ein Wert pro Dekade des Messbereichs)1) Vergleich aller Anzeigen und Registrierungen jährlich jährlich
4 Signalisierung Betriebsbereitschaft: visuell

Ausfallmeldungen:

  1. durch Unterbrechung der Spannungszufuhr oder
  2. durch Auftrennen der Signalverbindung zwischen Messumformer und Detektor oder
  3. bei digital arbeitenden Mess- und Sammeleinrichtungen genügt es, die Signalisierung über die im Programm vorgesehene Funktion zu prüfen, wenn das Programm geprüft ist und sich selbst überwacht.
bei Kontrollgängen jährlich
vierteljährlich jährlich
Grenzwertmeldungen: mit Strahlenquelle oder elektrisch vierteljährlich jährlich
5 Durchflussüberwachung und Betriebsmedienversorgung
ohne automatische Funktionskontrolle Sichtprüfung bei Kontrollgängen -
mit automatischer Funktionskontrolle Sichtprüfung und Vergleich des Sollwertes mit dem Istwert vierteljährlich jährlich
1) Die Prüfmethode der Einspeisung von Standardsignalen in den Transmitter mit wenigstens einem Wert pro Dekade ist bei digital arbeitenden Messgeräten nicht erforderlich, wenn das Programm geprüft ist und sich selbst überwacht. Hier genügt, wenn im gesamten Messbereich in der vorverarbeitenden Elektronik keine Umschaltungen vorgenommen werden, die Einspeisung eines Signals in mindestens der untersten und der obersten Dekade des Messbereiches.

Tabelle 5-1: Regelmäßig wiederkehrende Prüfungen

Berichtsbogen über die Ableitung radioaktiver Stoffe mit Wasser Blatt   von  
Kraftwerk: Quartal: Jahr:
Wasserabgabe Übergabebehälter      Sonstige Systeme  
im Quartal m3 Nebenkühlwasser      
seit Jahresanfang m3 Maschinenhausabwasser      
Radionuklid Erkennungsgrenze (Bq/m3) Abgeleitete Aktivität (Bq) Genehmigungswert in Bq/a Bemerkungen
min. max. im Quartal seit Jahresanfang
Cr-51

Mn-54

Fe-59

Co-57

Co-58

Co-60

Zn-65

Zr-95

Nb-95

Ru-103

Ru-106

Ag-110m

Te-123m

Sb-124

Sb-125

I-131

Cs-134

Cs-137

Ba-140

La-140

Ce-141

Ce-144

......1)

           
Sr-89

Sr-90

           
Fe-552)

Ni-632)

           
Summe            
H-3            
Ges.-α-Akt.            
Pu-238

Pu-239/240

Am-241

Cm-242

Cm-244

           
Summe            
1) ggf. weitere Gammastrahler mit Halbwertszeiten größer als 8 Tage

2) Entsprechende Angaben entfallen hier ggf., da die Bestimmung der Radionuklide Fe-55 und Ni-63 nach 3.2.4.4 nur an Jahresmischproben durchzuführen ist.

Bild 6-1 : Berichtsbogen über die Ableitung radioaktiver Stoffe mit Wasser

.

Erläuterungen Anhang A

Abschnitt 3.5.1 "Überwachung"

Bei Druckwasserreaktoren wird die Überwachung der Aktivitätsableitung mit dem Maschinenhausabwasser nach 3.4.1.1 indirekt durch die Überwachung der Dampferzeugerabschlämmung mittels kontinuierlich integral messender Gamma-Messeinrichtungen durchgeführt. Eine Bilanzierung ist erforderlich, sobald der Wert des Caesium 137-Äquivalents in der Dampferzeugerabschlämmung 4 × 105 Bq/m3 überschreitet ( 3.4.1.3).

Ein vergleichbarer Hinweis auf mögliche Aktivitätseinträge in das Maschinenhausabwasser darf aus der Überwachung des Hilfsdampfkondensats abgeleitet werden. Daraus ergibt sich die Notwendigkeit, die Abgaben mit dem Maschinenhausabwasser auch dann zu bilanzieren, wenn der Wert des Caesium 137-Äquivalents im Hilfsdampfkondensat, das ins Maschinenhaus zurückgefördert wird, 4 × 105 Bq/m3überschreitet.

Im Regeltext darf auf eine entsprechende Ausformulierung verzichtet werden, da durch die Maßnahmen, die in 3.5.1 gefordert werden, sichergestellt ist, dass Hilfsdampfkondensat, in dem der Wert des Caesium 137-Äquivalents 2 · 105 Bq/m3 überschreitet, nicht oder nur kurzzeitig ins Maschinenhaus zurückgefördert wird.

.

Anleitung zur Herstellung der Wochen-, Vierteljahres- und Jahresmischproben für Bilanzierungsmessungen Anhang B

B 1 Allgemeines

Proportional zur Menge der Ableitung des Abwassers aus dem Übergabebehälter sind für die Durchführung der Bilanzierungsmessungen Wochen-, Vierteljahres- und Jahresmischproben herzustellen. Dabei werden zunächst die Wochenmischproben, aus diesen die Vierteljahresmischproben und daraus die Jahresmischprobe hergestellt.

B 2 Ansäuerung und Trägerung

Die zur Herstellung der Wochenmischproben aus dem Übergabebehälter entnommenen Proben sind anzusäuern und anschließend mit Trägermischlösung 1 und 2 zu trägern.

B 2.1 Ansäuerung der Proben

Zur Ansäuerung der Proben aus dem Übergabebehälter wird auf 1 Liter Probe 10 ml konzentrierte Salpetersäure gegeben. Nach der Zugabe der Salpetersäure sollte der pH-Wert 1 bis 2 betragen. Der pH-Wert ist zu überprüfen.

B 2.2 Trägerung der Proben

Zur Herstellung der Trägermischlösung 1 werden die in der Tabelle angegebenen 13 Substanzen in 100 ml Salzsäure (0,1 mol l-1) gelöst. Trägermischlösung 2 ergibt sich durch das Lösen der beiden Substanzen SbCl3 . 6 H2O und Weinsäure in 100 ml Wasser. Die Trägerung der Proben erfolgt durch Zugabe von jeweils 1 ml beider Trägermischlösungen auf 1 Liter Probe.

Trägermischlösung 1 Trägermischlösung 2
Verbindung Menge in g Verbindung Menge in g
1. CrCl3.6 H2O 2,0 1. SbCl3.6 H2O 1,1
2. MnCl2.4 H2O 1,4 2. Weinsäure 4,0
3. FeCl3.6 H2O 1,9    
4. CoCl2.6 H2O 1,6    
5. ZrOCl2.8 H2O 1,4    
6. CsCl 0,5    
7. BaCl2.2 H2O 0,7    
8. LaCl3.7 H2O 1,0    
9. CeCl3.7 H2O 1,0    
10. SrCl2.6 H2O 1,2    
11. YCl3.6 H2O 1,3    
12. ZnCl2 0,8    
13. NiCl2.6 H2O 1,6    

Tabelle B-1: Zusammenstellung der Substanzen zur Herstellung der Trägermischlösungen 1 und 2

.

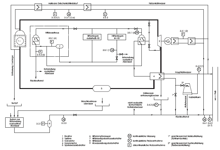
(Informativ) Anhang C

Beispiel einer Abwasser- und Kühlwasserüberwachung bei Anlagen mit Druckwasserreaktoren

.

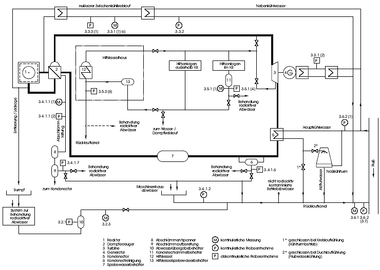
(Informativ) Anhang D

Beispiel einer Abwasser- und Kühlwasserüberwachung bei Anlagen mit Siedewasserreaktionen

.

Bestimmungen, auf die in dieser Regel verwiesen wird Anhang E

(Die Verweise beziehen sich nur auf die in diesem Anhang angegebene Fassung. Darin enthaltene Zitate von Bestimmungen
beziehen sich jeweils auf die Fassung, die vorlag, als die verweisende Bestimmung aufgestellt oder ausgegeben wurde.)

AtG   Gesetz über die friedliche Verwendung der Kernenergie und den Schutz gegen ihre Gefahren (Atomgesetz - AtG) vom 23. Dezember 1959, Neufassung vom 15. Juli 1985 (BGBl. I 1985, Nr. 41), zuletzt geändert am 31. Oktober 2006 (BGBl. I 2006, Nr.50)
StrlSchV   Verordnung über den Schutz vor Schäden durch ionisierende Strahlen (Strahlenschutzverordnung - StrlSchV) vom 20. Juli 2001 (BGBl. I S. 1714), zuletzt geändert durch Gesetz vom 1. September 2005 (BGBl. I S. 2618)
WHG   Gesetz zur Ordnung des Wasserhaushalts (Wasserhaushaltsgesetz - WHG) in der Fassung der Bekanntmachung vom 19. August 2002 (BGBl. I S. 3245), zuletzt geändert durch Artikel 2 des Gesetzes vom 25. Juni 2005 (BGBl. I S. 1746)
EMVG   Gesetz über die elektromagnetische Verträglichkeit von Geräten ( EMVG) vom 18. September 1998 (BGBl. I S. 2882), zuletzt geändert durch Artikel 3 Absatz 5 des Gesetzes vom 7. Juli 2005 (BGBl. I S. 1970)
KTA 1202 (6/84) Anforderungen an das Prüfhandbuch
DIN EN 60529 (9/00) Schutzarten durch Gehäuse (IP-Code)


ENDE

umwelt-online - Demo-Version


(Stand: 27.11.2019)

Alle vollständigen Texte in der aktuellen Fassung im Jahresabonnement
Nutzungsgebühr: ab 105.- € netto

(derzeit ca. 7200 Titel s.Übersicht - keine Unterteilung in Fachbereiche)

Preise & Bestellung

Die Zugangskennung wird kurzfristig übermittelt

? Fragen ?
Abonnentenzugang/Volltextversion