Für einen individuellen Ausdruck passen Sie bitte dieEinstellungen in der Druckvorschau Ihres Browsers an. Regelwerk |
![]() |
TRbF 521 - Richtlinie für den kathodischen Korrosionsschutz (KKS)
von unterirdischen Tankanlagen und Rohrleitungen aus metallischen Werkstoffen
(KKS Richtlinie)
Technische Regeln für brennbare Flüssigkeiten (TRbF)
Ausgabe Februar 1984
(BArbBl. 2/1984 S. 106aufgehoben)
als Technische Regel aufgehoben (BArbBl. 6/2002 S. 62) -
Beschaffenheitsanforderungen gelten bis Ablösung durch EU-Regelung weiter
Diese Richtlinie gilt für die Prüfung der Notwendigkeit, die Planung, den Einbau, den Betrieb und die technische Prüfung kathodischer Korrosionsschutzanlagen (KKS-Anlagen) für unterirdische Tankanlagen und unterirdische Rohrleitungen nach TRbF 131, 231 und 302 aus metallischen Werkstoffen Für brennbare Flüssigkeiten aller Gefahrklassen.
Die Richtlinie ist zugrunde zu legen, wenn in Vorschriften im Hinblick auf Korrosionsgefahren durch korrosive Böden oder Streuströme aus Gleichstromanlagen für den Außenkorrosionsschutz ein zusätzlicher kathodischer Korrosionsschutz (KKS) gefordert wird. Die entsprechend dieser Richtlinie ausgeführten und betriebenen KKS-Anlagen stellen ausreichend sicher, daß an Tankanlagen und Rohrleitungen Außenkorrosionsschäden verhindert bzw., soweit bereits vorhanden, zum Stillstand gebracht werden.
Ist in bestimmten Fällen ein KKS nach dieser Richtlinie nicht möglich, weil zwischen den zu schützenden Anlagen und anderen Anlageteilen eine metallenleitende 1 Verbindung nicht vollständig aufgehoben werden kann, kommt ggf. ein lokaler kathodischer Korrosionsschutz (LKS) nach TRbF 522 (in Vorbereitung) in Betracht.
Für den KKS von Fernleitungen gilt TRbF 301.
1. Begriffe
1.1 KKS-Anlagen sind Einrichtungen, die an Tankanlagen und Rohrleitungen - jeweils auch Schutzobjekt genannt - Außenkorrosionsschäden durch einen entsprechend bemessenen Schutzstrom, der
erzeugt wird, verhindern.
1.2 Die für den KKS gebräuchlichen Begriffe sind in DIN 50900 sind in DIN 57 150/VDE 0150 aufgeführt.
2 Allgemeines
2.1 Für die Außenkorrosion von Tankanlagen und Rohrleitunen sind mehrere Einflußgrößen maßgebend. Bei der Beurteilung der Korrosionsgefährdung werden insbesondere die Einflüsse, die die Ausbildung von Korrosionselementen verursachen, sowie ein eventuell vorliegender Streustromeinfluß berücksichtigt.
2.2 (1) Um die Ausbildung eines Korrosionselementes zwischen den Anlageteilen nach Nummer 2.1 und mit diesen metallenleitend verbundenen Installationen sowie um Streustromeinflüsse zu vermeiden, ist es notwendig, alle diese Objekte nicht metallenleitend, z.B. durch Isolierstücke, von geerdeten Anlagen abzutrennen.
(2) Die Trennung nach Absatz 1 muß vor der in Nummer 3 beschriebenen Beurteilung erfolgen und muß bestehen bleiben, auch wenn kein KKS erforderlich ist.
2.3 Es muß eine vermaßte Lageskizze vorliegen, die folgende Angaben enthalten soll:
3 Beurteilung der Korrosionsgefährdung
3.1 Einflußgrößen
(1) Für die Beurteilung der Korrosionsgefährdung von Tankanlagen und Rohrleitungen sowie der Notwendigkeit eines KKS sind die Einflußgrößen nach Nummer 4 bzw. 5 zu ermitteln.
(2) Für die Beurteilung nach Absatz 1 sind unter Tankanlagen ein oder mehrere miteinander durch Rohrleitungen verbundene Tanks und die zugehörigen Rohrleitungen bis zu einer Länge von je 40 m zu verstehen.
(3) Für die Beurteilung nach Absatz 1 sind Rohrleitungen über 40 m Länge wie Verbindungsleitungen zu behandeln. Wegen Verbindungsleitungen wird auf TRbF 302 verwiesen.
(4) Jede betriebsmäßig metallenleitend verbundene Anlage oder jedes Anlageteil ist als ein Objekt zu beurteilen.
(5) Jede betriebsmäßig nicht metallenleitend verbundene Anlage oder jedes Anlageteil ist für sich zu beurteilen.
3.2 Kennzahlen
(1) Den Werten für die Einflußgrößen nach Nummer 4 und 5 werden Kennzahlen zugeordnet.
(2) Für jede betriebsmäßig metallenleitend verbundene Anlage oder jedes Anlageteil werden die ermittelten Kennzahlen nach Nummer 4.1 bis 4.3 bzw. 5.1 bis 5.3 summiert.
3.3 Beurteilungs-Grenzwert
(1) Beträgt die Summe der Kennzahlen 18 oder mehr, so ist ein KKS notwendig.
(2) Das Ergebnis der Prüfung über die Notwendigkeit eines KKS ist in die Bescheinigung nach Anlage 1 einzutragen.
4 Einflußgrößen für Tankanlagen
4.1 Spezifischer Bodenwiderstand, Homogenität des Erdbodens
4.11 Messungen
(1) Der spezifische Bodenwiderstand ρ wird nach dem Wenner-Verfahren (siehe Bild 1) gemessen.
Bild 1 Ermittlung des Ausbreitungswiderstandes

(2) Bei Messungen nach dem Wenner-Verfahren sind mindestens zwei Meßreihen möglichst im Bereich der Tankanlage mit je vier verschiedenen Abständen, und zwar von 1,6 m, 2,4 m, 3,2 m und, wegen der Erfassung von Grundwasser, von 4 m durchzuführen.
(3) Überschreiten die zu einer Tankanlage gehörenden Rohrleitungen die Länge von 40 m, so sind zusätzliche Messungen nach Nummer 5.11 erforderlich.
(4) Ist eine Messung nach dem Wenner-Verfahren nicht durchführbar, kann der spezifische Bodenwiderstand z.B. auch in der Soil-Box mit Boden aus den entsprechenden Tiefen gemessen werden.
4.12 Bewertung
(1) Die Kennzahl für den spezifischen Bodenwiderstand wird in Abhängigkeit vom niedrigsten Wert des spezifischen Bodenwiderstandes im Bereich der Tankanlage nach Tafel 1 bestimmt.
(2) Unterscheiden sich die Bodenwiderstandswerte einer Meßreihe nach Absatz 1 zur Tiefe hin (zunehmende Sondenabstände) bzw. bei mehreren Meßreihen auch in vergleichbaren Meßtiefen, so ist zur Bestimmung der Homogenität des Erdbodens das Verhältnis des größten zum kleinsten Wert zu bilden. Die Kennzahl wird in Abhängigkeit vom Bodenwiderstandsverhältnis nach Tafel 2 bestimmt.
(3) Beträgt der niedrigste Wert des spezifischen Bodenwiderstandes nach Absatz 1> 50.000 Ohm ⋅ cm, entfällt die Bewertung nach Absatz 2.
4.2 Tank/Boden-Potential, Streustrom-Einflüsse
4.21 Messungen
(1) Vor Messung der Potentiale ist nachzuweisen, ob die Tankanlage von fremden geerdeten Anlagen elektrisch getrennt ist 2. Dies gilt auch für Kontakte bei Leitungskreuzungen und Wanddurchführungen.
(2) Das Tank/Boden-Potential bzw. eventuelle Potentialschwankungen infolge von Streuströmen werden je Tank einer Tankanlage an mindestens drei Stellen und am Ende der zugehörigen Rohrleitungen gemessen (siehe Bild 2).
Bild 2 Potentialmessungen
(3) Eine Messung soll möglichst in Domschachtnähe, die weiteren Messungen sollen an den Tankenden vorgenommen werden.
4.22 Bewertung
Die Kennzahl für die Potentialdifferenz ΔU wird in Abhängigkeit von der größten Differenz aller an der Tankanlage ermittelten Potentiale nach Tafel 3 bestimmt.
4.3 Ausbreitungswiderstand
4.31 Messung
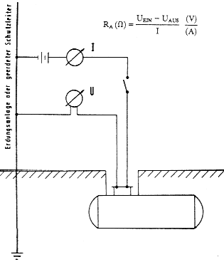
Der Ausbreitungswiderstand wird durch eine Gleichstromwiderstandsmessung zwischen der Tankanlage und der Erdungsanlage ermittelt (siehe Bild 3).
Bild 3 Ermittlung des Ausbreitungswiderstandes
4.32 Bewertung
Die Kennzahl für den Ausbreitungswiderstand RA wird in Abhängigkeit vom niedrigsten Wert nach Tafel 4 bestimmt.
5 Einflußgrößen für Rohrleitungen > 40 m Länge
5.1 Spezifischer Bodenwiderstand, Homogenität des Erdbodens
5.11 Messungen
(1) Der spezifische Bodenwiderstand p wird nach dem Wenner-Verfahren (siehe Bild 1) gemessen.
(2) Bei Messungen nach dem Wenner-Verfahren sind entlang der Rohrleitungen mindestens drei Messungen bzw. Messungen in Abständen von max. 50 m durchzuführen. Es ist ein Sondenabstand zu wählen, der mindestens der Verlegetiefe der Rohrleitung entspricht (z.B. bei Tiefen von
(3) Ist eine Messung nach dem Wenner-Verfahren nicht durchführbar, kann der spezifische Bodenwiderstand z.B. auch in der Soil-Box mit Boden aus den entsprechenden Tiefen gemessen werden.
5.12 Bewertung
(1) Die Kennzahl für den spezifischen Bodenwiderstand wird in Abhängigkeit vom niedrigsten Wert des spezifischen Bodenwiderstandes im Bereich der Rohrleitungen nach Tafel 1 bestimmt.
(2) Unterscheiden sich die Bodenwiderstandswerte nach Absatz 1 in vergleichbaren Meßtiefen, so ist zur Bestimmung der Homogenität des Erdbodens das Verhältnis des größten zum kleinsten Wert zu bilden. Die Kennzahl wird in Abhängigkeit vom Bodenwiderstandsverhältnis nach Tafel 2 bestimmt.
(3) Beträgt der niedrigste Wert des spezifischen Bodenwiderstandes nach Absatz 1> 50.000 Ohm ⋅ cm, entfällt die Bewertung nach Absatz 2.
5.2 Rohr/BodenPotential, Streustrom-Einflüsse
5.21 Messungen
(1) Vor Messung der Potentiale ist nachzuweisen, ob die Rohrleitung von fremden geerdeten Anlagen elektrisch getrennt ist. Dies gilt auch für Kontakte bei Leitungskreuzungen und Wanddurchführungen.
(2) Das Rohr/Boden- Potential bzw. eventuelle Potentialschwankungen infolge von Streuströmen werden entlang der Rohrleitungen an mindestens drei Stellen bzw. in Abständen von höchstens 50 m gemessen (siehe sinngemäß Bild 2).
5.22 Bewertung
Die Kennzahl für die Potentialdifferenz ΔU wird in Abhängigkeit von der größten Differenz aller an der Rohrleitung ermittelten Potentiale nach Tafel 3 bestimmt.
5.3 Ausbreitungswiderstand
5.31 Messung
(1) Der Ausbreitungswiderstand kann nur gemessen werden, wenn die Rohrleitung von allen Anlagen bzw. Anlageteilen und Erdern elektrisch getrennt 2 ist.
(2) Der Ausbreitungswiderstand wird durch eine Gleichstromwiderstandsmessung zwischen der Rohrleitung und der Erdungsanlage ermittelt (siehe sinngemäß Bild 3).
5.32 Bewertung
(1) Die Kennzahl für den Ausbreitungswiderstand RA wird in Abhängigkeit vom niedrigsten Wert nach Tafel 5 bestimmt.
(2) Ist eine elektrische Trennung von anderen Anlagen bzw. Anlageteilen nicht durchführbar, beträgt die Kennzahl 4.
6 Ausführung
6.1 Allgemeines
(1) KKS-Anlagen sind von Fachbetrieben zu errichten, die über erfahrenes, geschultes Personal verfügen und eine geeignete Ausrüstung besitzen.
(2) Fachbetriebe sind solche, die ihre Qualifikation über diese Arbeiten nachweisen, z.B. durch eine regelmäßige Überprüfung durch den Fachverband Kathodischer Korrosionsschutz, Esslingen, unter Beteiligung der Technischen Überwachungs-Organisationen.
(3) Die Fachbetriebe müssen die Errichtung der KKS-Anlage nach dieser Richtlinie gewährleisten.
(4) Bei der Ausführung sind die entsprechenden sicherheitstechnischen Vorschriften zu beachten, insbesondere
6.2 Schutzkriterium
Das Potential des Schutzobjektes ist auf der gesamten Oberfläche auf ein Ausschaltpotential von
UCu/CuSO4= -0,85V 3
oder negativer gegen den umgebenden Elektrolyten abzusenken. Als Ausschaltpotential gilt z.B. das Potential, das innerhalb von 1 Sekunde nach Ausschaltung des Schutzstromes gemessen wird. Die Ermittlung des Ausschaltpotentials kann auch nach der Umschalt- bzw. Modulationsmethode erfolgen.
6.3 Voraussetzungen
(1) Zur Begrenzung des Schutzstromes und zur Sicherstellung einer ausreichenden Polarisation wird vorausgesetzt, daß die Schutzobjekte keine metallenleitende Verbindung mit geerdeten Anlagen und eine isolierende Umhüllung haben.
(2) Damit der Schutzstrom ungehindert zu den Fehlstellen der Umhüllung gelangen kann, ist es erforderlich, daß in der unmittelbaren Nähe der Schutzobjekte keine für den elektrischen Strom undurchlässigen oder den Strom ableitenden Materialien vorhanden sind und ein Mindestabstand der Schutzobjekte von 1 m zu benachbarten metallischen oder nichtmetallischen Bauteilen im Erdreich bzw. der Tanks untereinander von 0,40 m gegeben ist.
6.4 Anwendungsbereiche und -grenzen
(1) KKS-Anlagen können mit galvanischen Anoden oder als Fremdstromanlagen errichtet werden.
(2) Galvanische Anlagen sollten nur angewendet werden, wenn der Schutzstrombedarf für eine Absenkung des Potentials auf
UCu/CuSO4 = -0,85 V
im allgemeinen unter 0,5 ma je m2 Objektoberfläche liegt.
(3) Bei Fremdstromanlagen soll der Schutzstrombedarf für eine Absenkung des Potentials auf
UCu/CuSO4 = -0 ,85 V
im allgemeinen weniger als 5 ma je m2 Objektoberfläche betragen.
(4) Bei höherem als in Absatz 3 festgelegtem Strombedarf ist die Ursache zu ermitteln, ggf. sind vorhandene Kontakte mit fremden Anlagen zu beseitigen. In Abhängigkeit von Lage und Größe eventueller Umhüllungsschäden ist sachkundig zu entscheiden, ob diese Umhüllungsfehler beseitigt werden müssen oder ob durch Einbau zusätzlicher Anoden und erhöhtem Strombedarf ein sicherer KKS erreicht werden kann.
(5) Fremdstromanlagen können Streuströme erzeugen und daher Metallkonstruktionen im Erdreich gefährden. DIN 57150/ VDE 0150 ist zu beachten. Zur Vermeidung schädigender Beeinflussungen fremder unterirdischer Anlagen soll die Anodenspannung in Volt in der Regel nicht größer sein als der Abstand der Anoden von diesen Anlagen in Metern. Bei Tanklägern und Verbindungsleitungen soll sie 20 V, bei Einzeltanks und Tankstellen 10 V möglichst nicht übersteigen. Ist eine schädigende Beeinflussung fremder Anlagen vorhanden, so sind diese über einen entsprechend bemessenen Widerstand an die kathodisch geschützten Objekte anzuschließen.
6.5 Errichtung
6.51 Trennung der metallenen Verbindung zu geerdeten Anlagen
(1) Tankanlagen und Rohrleitungen müssen durch Isolierstücke von fremden, geerdeten Anlagen metallen getrennt werden.
(2) Isolierstücke müssen den mechanischen, thermischen und chemischen Anforderungen am Einbauort genügen und eine Prüfspannung von 5 kV nach DIN 57303/VDE 0303 standhalten.
(3) Ist das zu schützende Objekt mit einem elektrischen Betriebsmittel verbunden, so muß als Schutzmaßnahme bei indirektem Berühren entweder eine erdungsfreie Schutzmaßnahme (Schutztrennung) oder die Fehlerstrom-Schutzschaltung mit einem Schutzschalter nach DIN 57664/VDE 0664 vorgesehen werden.
(4) Wegen zusätzlicher Erdung bei Fehlerstrom-Schutzschaltung wird auf TRbF 100 Nr. 6.2 Abs. 1 verwiesen.
(5) Isolierstücke sind möglichst so anzuordnen, daß alle unterirdischen Teile in das Schutzsystem einbezogen werden, auch wenn sie aus unterschiedlichen Metallen bestehen. Auf TRbF 131 Teil 1 Nr. 5.3 Abs. 6 wird verwiesen.
Tafel 1. Spezifischer Bodenwiderstand
| Spezifischer Bodenwiderstand ρ (Ohm ⋅ cm) | Kennzahl |
| bis 10.000 | 18 |
| > 10.000 bis 13.000 | 12 |
| > 13.000 bis 20.000 | 6 |
| > 20.000 | 2 |
Tafel 2. Homogenität des Erdbodens
| Bodenwiderstandsverhältnis (ρmax : ρmin) |
Kennzahl |
| bis 1,5 | 0 |
| > 1,5 bis 2 | 3 |
| > 2 bis 3 | 6 |
| > 3 bis 4 | 9 |
| > 4 | 12 |
Tafel 3. Potentialdifferenz
| Potentialdifferenz ΔU (mV) | Kennzahl |
| bis 20 | 0 |
| > 20 bis 50 | 2 |
| > 50 bis 100 | 4 |
| > 100 bis 200 | 9 |
| > 200 | 18 |
Tafel 4. Ausbreitungswiderstand (Tankanlagen)
| Ausbreitungswiderstand RA (Ω ) | Kennzahl |
| bis 10.000 | 0 |
| > 10.000 | - 4 |
Tafel 5. Ausbreitungswiderstand (Rohrleitungen)
| Ausbreitungswiderstand RA (Ω ) | Kennzahl |
| bis 100 | 4 |
| > 100 bis 10.000 | 2 |
| > 10.000 bis 100.000 | 0 |
| > 100.000 | - 4 |
![]() |
weiter | ![]() |
(Stand: 20.08.2018)
Alle vollständigen Texte in der aktuellen Fassung im Jahresabonnement
Nutzungsgebühr: ab 105.- € netto
(derzeit ca. 7200 Titel s.Übersicht - keine Unterteilung in Fachbereiche)
Die Zugangskennung wird kurzfristig übermittelt
? Fragen ?
Abonnentenzugang/Volltextversion