| Bild 4. Ausschnittsformen in Kugelschalen | |
| a unverstärkt | b Mannlochverstärkungsring |
![]() |
![]() |
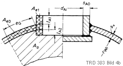
| c ausgehalst | d scheibenförmige Verstärkung |
![]() |
![]() |
| e eingeschweißte rohrförmige Verstärkung | f aufgeschweißte rohrförmige Verstärkung |
![]() |
![]() |
(Stand: 13.12.2018)
Alle vollständigen Texte in der aktuellen Fassung im Jahresabonnement
Nutzungsgebühr: ab 105.- € netto
(derzeit ca. 7200 Titel s.Übersicht - keine Unterteilung in Fachbereiche)
Die Zugangskennung wird kurzfristig übermittelt
? Fragen ?
Abonnentenzugang/Volltextversion