Für einen individuellen Ausdruck passen Sie bitte dieEinstellungen in der Druckvorschau Ihres Browsers an. Regelwerk |
![]() |
TRD 305 - Ebene Wandungen, Verankerungen und Versteifungsträger
- Berechnung -
Technische Regeln für Dampfkessel (TRD)
Ausgabe Juni 1977
(ArbSch. 8-9/1977 S. 210; 5/1981 S. 69; 4/1983 S. 55; 6/1989 S. 103; 7-8/1996 S. 78.aufgehoben)
1 Geltungsbereich
Die nachstehenden Berechnungsregeln gelten für unverankerte und verankerte ebene Wandungen, die mit oder ohne Krempe am Umfang angeschweißt sind oder ohne Krempe frei aufliegen oder verschraubt sind, sowie für die Berechnung von Längsankern, Ankerrohren, Stehbolzen, Eckankern und Versteifungsträgern (Deckenträgern).
2 Berechnungsgroßen und -einheiten
Siehe TRD 300 Abschnitt 2. Darüber hinaus gilt Tafel 1.
3 Allgemeines
3.1 Ebene Wandungen und Böden
3.1.1 Bei Rauchrohrkesseln, deren ebene Rohrplatten verschiedene Durchmesser haben, heben sich die Belastungen der Platten durch den Dampfdruck nur zum Teil auf, so daß ein Axialschub bleibt. In solchen Fällen müssen entweder besondere konstruktive Maßnahmen zum Auffangen des Axialschubs getroffen werden, oder die ebenen Böden müssen so bemessen sein, daß sie außer dem Dampfdruck auch den Axialschub aufnehmen können 1.
3.1.2 Voraussetzung für die Anwendung der nachstehenden Berechnungsregeln für gekrempte Böden nach den Bildern 2, 6, 8a und 8b ist, daß die Krempenradien in Abhängigkeit vom äußeren Bodendurchmesser mindestens wie folgt ausgebildet sind:
| bei äußerem Bodendurchmesser | Krempenradius |
| bis 50 mm | 30 mm |
| über 500 bis 1400 mm | 35 mm |
| über 1400 bis 1600 mm | 40 mm |
| über 1600 bis 1900 mm | 45 mm |
| über 1900 mm | 50 mm |
Die Krempenradien rK müssen außerdem mindestens gleich dem 1,3fachen der Wanddicke sein.
Bei ebenen Böden - geschmiedet oder ausgedreht - nach Bild 1 a sind die folgenden Bedingungen einzuhalten:
0,33 se< rK> 8 mm
und
hB> s,
wobei s bei Böden mit Ausschnitten die Dicke eines Vollbodens ohne Ausschnitte bedeutet. Des weiteren muß die Wanddicke s2 nach Bild 1a größer oder gleich der erforderlichen Wanddicke s0 des angeschlossenen Mantels sein.
3.1.3 Bei Böden mit Entlastungsnut muß die wirksame Entlastung der Schweißnähte gewährleistet sein. Die Wanddicke s1 in der Entlastungsnut soll daher bei runden Böden der Bedingung s1< 0,77 s2 und bei eckigen Böden s1< 0,55 s2 entsprechen.
Für den Radius rK der Entlastungsnut ist die Bedingung einzuhalten
0,2 se< rK> 5 mm
Des weiteren muß die Wanddicke s nach Bild 1b größer oder gleich der erforderlichen Wanddicke s0 des angeschlossenen Mantels sein.
Andere als kreisrunde Querschnittsformen der Entlastungsnut (z.B. mittels zweier unterschiedlicher Radien angenäherte parabolische Formen) können spannungsgünstiger sein und sind bei dementsprechendem Nachweis zulässig.
3.1.4 Bei Herstellung von Vorschweißböden aus Blechen nach Bild 1 ist die Beanspruchung senkrecht zur Walzfaser durch entsprechende Wahl und Prüfung des Werkstoffes, z.B. zerstörungsfreie Prüfung am Umfang, zu berücksichtigen.
3.1.5 Die Mindeststegbreite bei eingewalzten Rohren richtet sich nach dem Einwalzverfahren. Der Stegquerschnitt zwischen zwei Rohrlöchern soll bei eingewalzten Rohren betragen:
| bei Stahl | 15 + 3,4 dain mm2 |
| bei Kupfer | 25 + 9,5 da in mm2 |
3.1.6 Zwischen einem Kesselmantel und eingebauten Rohren soll ein Abstand eingehalten werden, der es gestattet, die Wandungen zu reinigen und zu besichtigen. Zwischen zwei Flammrohren muß mindestens ein lichter Abstand von 120 mm vorhanden sein.
3.2 Anker, Ankerrohre und Stehbolzen
3.2.1 Werden volle Längsanker mit Gewinde in Stirn- oder Rohrwände eingeschraubt, so sind außen und innen Unterlegscheiben und Muttern vorzusehen.
3.2.2 Bei der Verankerung feuerberührter ebener Flächen durch Stehbolzen soll der Stehbolzenmittenabstand im allgemeinen nicht größer als 200 mm sein.
3.2.3 Der Querschnitt der Eckanker soll entsprechend der Neigung zur Kesselachse größer gewählt werden als der der Längsanker. Die Eckanker sollen möglichst nicht steiler als 30° zur Längsachse des Kessels verlaufen.
3.2.4 Die zur Befestigung der Anker dienenden Schweißnähte sind den wirkenden Kräften entsprechend zu bemessen. Bei Flammrohrkesseln sollen die Eckanker mindestens 200 mm vom Flammrohr entfernt sein.
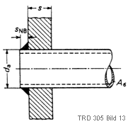
3.2.5 Bei eingeschweißten Längsankern, Ankerrohren oder Stehbolzen soll der Abscherquerschnitt der Kehlnaht mindestens das 1,25fache des erforderlichen Bolzen- oder Ankerrohr-Querschnittes betragen, z.B. in den Bildern 11 bis 13 da × π × sNB> 1,25 Aσ
3.2.6 Längsanker ohne Verstärkungsscheiben sind auf beiden Seiten der zu verankernden Wandung zu verschweißen.
Tafel 1. Berechnungsgrößen mit Symbolen und Einheiten
| Symbol | Berechnungsgröße | Einheit |
| b | Kurze Seite rechteckiger Platten bzw. kurze Achse elliptischer Platten (Bild 7) oder kurze Seite von Rechtecken, die innerhalb von freien unversteiften Flächen verankerter ebener Wandungen eingezeichnet werden können (Bilder 8a und 8b) | mm |
| bT | Breite eines Versteifungsträgers (Bild 16) | mm |
| c1 | Zuschlag zur Wanddicke zur Berücksichtigung von Wanddickenunterschreitungen | mm |
| c2 | Korrosions- und Abnutzungszuschlag | mm |
| da | äußerer Durchmesser von Ankern, Stehbolzen oder Ankerrohren (Bilder 11 bis 13 und 15) | mm |
| de | Durchmesser des größten Kreises, der auf einer ebenen Platte innerhalb von mindestens drei Verankerungen beschrieben werden kann (Bilder 8a und 8b) | mm |
| di | innerer Durchmesser von Ankerrohren (Bild 15) | mm |
| dAi | Durchmesser von Ausschnitten oder innerer Durchmesser von Abzweigen (Bild 14) | mm |
| dB | innerer Durchmesser von ebenen gekrempten Böden oder Berechnungsdurchmesser von ebenen Verschlußplatten ( Bilder 1 bis 5) | mm |
| dL | Lochkreisdurchmesser einer Platte mit zusätzlichem Biegemoment (Bild 4) | mm |
| d1, d2 | Durchmesser von ringförmigen Platten (Bild 6) | mm |
| h | Höhe eines Versteifungsträgers (Bilder 16 und 17) | mm |
| hB | innere Höhe von flachen Böden (Bild 1a) | mm |
| l | lange Seite rechteckiger Platten bzw. lange Achse elliptischer Platten (Bild 7) oder lange Seite von Rechtecken, die innerhalb von freien unversteiften Flächen verankerter ebener Wandungen eingezeichnet werden können (Bilder 8a und 8b) | mm |
| lT | freie Stützlänge eines Versteifungsträgers (Bilder 16 und 17) | mm |
| lw | Einwalzlänge bei eingewalzten Rohren | mm |
| rK | Radius von Krempen oder Entlastungsnuten ebener Böden | mm |
| sNB | Dicke der Schweißnaht in Richtung der Beanspruchung (Bilder 11 bis 13) | mm |
| s1 | Wanddicke in einer Entlastungsnut (Bild 1) | mm |
| s2 | ausgeführte Wanddicke des zylindrischen Teils eines kreisrunden ebenen Bodens im Anschluß an einen zylindrischen Mantel oder des Übergangsteils eines eckigen ebenen Bodens im Anschluß an einen eckigen Mantel | mm |
| s | erforderliche Wanddicke von ebenen Wandungen, Böden und Platten mit Zuschlägen | mm |
| se | ausgeführte Wanddicke von ebenen Wandungen, Böden und Platten | mm |
| tV1, tV2 | Abstände von Verankerungen mit gleichmäßiger Teilung (Bild 9) | mm |
| tVu1, tVu2 | Abstände von Verankerungen mit ungleichmäßiger Teilung (Bild 10) | mm |
| tT | Mittenabstand von Versteifungsträgern (Bilder 16 und 17) | mm |
| z | Beiwert zum Widerstandsmoment | - |
| ApR | auf einen Anker, Stehbolzen oder ein Ankerrohr entfallende Belastungsfläche (Bild 15) | mm2 |
| As | Stützfläche bei eingewalzten Rohren | mm2 |
| Aσ | rechnerisch erforderlicher Querschnitt von Ankern, Stehbolzen und Ankerrohren (Bilder 12 und 13) | mm2 |
| C1 | Berechnungsbeiwert für nicht verankerte ebene Wandungen, Böden und Platten (Tafel 2) | - |
| C2 | Berechnungsbeiwert für rechteckige und elliptische Platten (Tafel 3) | - |
| C3 | Berechnungsbeiwert für verankerte ebene Wandungen, Böden und Platten(Tafel 4) | - |
| C4 | Berechnungsbeiwert für ebene Platten mit Ausschnitt (Bild 14) | - |
| FR | auf einen Anker, Stehbolzen oder ein Rohr entfallende Belastung | N |
| FT | auf einen Versteifungsträger entfallende Belastung | N |
| Mb | Biegemoment eines Versteifungsträgers bei der jeweiligen Belastung | N mm |
| W | Widerstandsmoment eines Versteifungsträgers | mm3 |
3.2.7 Bei eingeschweißten Ankern ist durch entsprechende Formgebung und Lage der Schweißnaht etwaigen Schwingungsbeanspruchungen, besonders bei Schiffskesseln, Rechnung zu tragen.
3.2.8 Stehbolzen sind von beiden Seiten derart anzubohren, daß die Bohrungen mindestens 25 mm in den Wasserraum hineinreichen.
1) Die Berechnungsweise von solchen ebenen kreisringförmigen Platten und des Axialschubs für die Berechnung der Anker ist in dem Aufsatz L. Winn: Die Berechnung von Kreisringplatten, Konstruktion 16 (1964) Nr. 1 angegeben.
![]() |
weiter | ![]() |
(Stand: 20.08.2018)
Alle vollständigen Texte in der aktuellen Fassung im Jahresabonnement
Nutzungsgebühr: ab 105.- € netto
(derzeit ca. 7200 Titel s.Übersicht - keine Unterteilung in Fachbereiche)
Die Zugangskennung wird kurzfristig übermittelt
? Fragen ?
Abonnentenzugang/Volltextversion