![]() |
zurück | ![]() |
9.6.2 Rettungsgeräte
Geeignete Rettungsgeräte sind an der Arbeitsstelle bereitzuhalten, wenn bei Arbeiten auf und am Wasser die Gefahr des Ertrinkens besteht.
Geeignete Rettungsgeräte sind z.B.
- Boote,
- Rettungsringe,
- Enterhaken
und- Wurfleinen (mindestens 30 m lang).
9.6.3 Einstellung der Arbeiten
Vermessungsarbeiten unmittelbar an oder auf Wasserstraßen und Seen sind bei Sturmwarnung, Hochwasser und Eisgang einzustellen. Dies gilt nicht, wenn besondere Umstände diese Arbeiten erfordern.
9.6.4 Vermessungsarbeiten im Wattengebiet
9.6.4.1 Äußere Bedingungen
Über den Einsatz im Wattengebiet ohne Wasserfahrzeuge entscheidet der Verantwortliche (Messtruppführer) nach Prüfung der Tide-, Watten-, Gelände- und Wetterverhältnisse, gegebenenfalls nach Absprache mit erfahrenen Vermessungsgehilfen.
Das Land-Einsatzfahrzeug hat bis zur Rückkehr des Messtrupps am Einsatzort zu verbleiben bzw. den Messtrupp außerhalb des Wattengebietes zu begleiten.
9.6.4.2 Rettungsmittel
Im Wattengebiet hat jeder selbständig arbeitende Messtrupp Kompass und Übersichtskarte der Watttopographie sowie Signalmittel, insbesondere zwei Flaggen, Leuchtraketen oder Rotfeuer nach Vorschrift der See-Berufsgenossenschaft sowie ein handliches leistungsfähiges Sprechfunkgerät mit Ersatz-Stromquellen zur Verbindung mit der Revierzentrale, mit Begleitfahrzeugen und anderen Vermessungstrupps mitzuführen.
9.6.4.3 Funkkontakt
Erfolgt der Einsatz von Bord eines Vermessungsschiffes oder Versetzbootes aus, ist mit diesem Funkverbindung zu halten. Dies gilt auch bei Einsatz eines Hubschraubers.
9.6.4.4 Aktionsradius
Das Begleitboot soll in Sicht- oder Rufweite zu den Vermessungstrupps bleiben. Ist dies nicht möglich, muss ständige Funkverbindung gewährleistet sein. Die vom Bootsführer in nautischer Hinsicht gegebenen Anordnungen sind zu beachten.
9.7 Vermessungsarbeiten im Bereich von Versorgungsleitungen
9.7.1 Freileitungen
Bei Vermessungsarbeiten im Bereich von unter Spannung stehenden elektrischen Leitungen sind die nachfolgenden Schutzabstände entsprechend Tabelle 4 der Durchführungsanweisungen zu § 7 der Unfallverhütungsvorschrift "Elektrische Anlagen und Betriebsmittel" (BGV A3) einzuhalten.
Tabelle: Schutzabstände in Abhängigkeit von der Nennspannung
| Netz-Nennspannung Un (Effektivwert) kV |
Schutzabstand (Abstand in Luft von ungeschützten unter Spannung stehenden Teilen) |
| bis 1 | 1,00 m |
| über 1 bis 110 | 3,00 m |
| über 110 bis 220 | 4,00 m |
| über 220 bis 380 | 5,00 m |
9.7.2 Absprache mit dem Energieversorgungsunternehmen
Können die Schutzabstände nach Abschnitt 9.7.1 nicht eingehalten werden, sind Art und Zeitpunkt der Arbeiten sowie die erforderlichen Sicherheitsmaßnahmen mit dem zuständigen Energieversorgungsunternehmen abzusprechen.
9.7.3 Versorgungsleitungen
Vor Grabarbeiten, dem Einbringen von Schlagmarken und Setzen von Vermessungsbolzen ist die Lage von Versorgungsleitungen mit dem zuständigen Versorgungsunternehmen bzw. Grundstückseigentümer hinreichend genau zu ermitteln. Die von dem Versorgungsunternehmen festgelegten Sicherheitsabstände von den Leitungen sind einzuhalten.
Versorgungsleitungen sind z.B. Strom-, Gas-, Wasser-, Ölleitungen.
9.8 Vermessungsarbeiten in kontaminierten Bereichen
Werden Vermessungsarbeiten in kontaminierten Bereichen durchgeführt, hat sich der Aufsichtführende vor Beginn der Arbeiten über Art und Umfang der Gefährdung zu informieren und die erforderlichen Sicherheitsmaßnahmen zu ergreifen.
Für Arbeiten in kontaminierten Bereichen siehe auch BG Regel "Kontaminierte Bereiche" (BGR 128).
9.9 Vermarkungsarbeiten
Für das Setzen schwerer Vermessungsmarken sind maschinelle Hilfsmittel zu verwenden.
Hilfsmittel sind z.B. Bagger, Hebezeuge.Schwere Vermessungsmarken sind z.B.
- Trigonometrische Pfeiler,
- Gemarkungsgrenzsteine.
9.10 Zusätzliche Anforderungen für trigonometrische Signalhochbauten
9.10.1 Allgemeines
9.10.1.1 Der Standort trigonometrischer Signalhochbauten muss in angemessener Entfernung - in etwa die 2fache Bauhöhe - von elektrischen Freileitungen gewählt werden. Bei der Wahl des Standortes im Bereich von Flughäfen, Bahnanlagen, Autobahnen und dergleichen sind die für diese Bereiche geltenden besonderen Bestimmungen zu beachten.
Bis zu 10 km im Umkreis vom Flughafenbezugspunkt sind nach dem Luftverkehrsgesetz Bauschutzbereiche vorzusehen, wenn Signalhochbauten Bauhöhen von mehr als 30 m erreichen und sie sich auf herausragenden Geländeerhebungen befinden. Die Genehmigung zur Errichtung solcher Signalhochbauten erteilt die zuständige Luftfahrtbehörde. Diese entscheidet auch über eine Kennzeichnung der Signalhochbauten als Luftfahrthindernis.Soweit Landesbauordnungen bzw. andere Bestimmungen eine Meldepflicht für Signalhochbauten, die eine bestimmte Höhe überschreiten, vorschreiben, ist die zuständige Bauaufsichtsbehörde zu unterrichten.
9.10.1.2 Vor Beginn der Bauarbeiten ist die Baustelle von Hindernissen frei zu machen. Dies gilt auch für eventuell erforderliche Lagerplätze und Verkehrswege. Es sind sicher befahrbare Zufahrten auszuwählen und gegebenenfalls anzulegen.
9.10.1.3 Für die Bauarbeiten ist die nach der Montageanweisung erforderliche Anzahl von Signalbauarbeitern sowie Bautruppführer einzusetzen. Während des Auf- und Abbaus von Signalbauten haben alle Bautruppangehörigen im Bereich der Baustelle die erforderlichen persönlichen Schutzausrüstungen und eng anliegende Arbeitskleidung zu tragen.
Erforderliche persönliche Schutzausrüstungen sind z.B. Industrieschutzhelm, Fußschutz, persönliche Schutzausrüstungen gegen Absturz bzw. zum Halten und Retten.Siehe auch BG-Regeln
9.10.2 Materialtransport
9.10.2.1 Zum Befördern schwerer Lasten müssen geeignete Transporteinrichtungen eingesetzt werden.
Siehe auch Lastenhandhabungsverordnung.
9.10.2.2 Zum Be- und Entladen und Bewegen von Lasten sind die Fahrzeuge gegen Umstürzen oder Aufbäumen zu sichern. Insbesondere sind einachsige Langmaterial- Nachläufer beim Be- und Entladen gegen Kippen in Fahrzeuglängsachse zu sichern.
9.10.2.3 Das Be- und Entladen von Fahrzeugen hat so zu erfolgen, dass Personen nicht durch herabfallende, umfallende oder wegrollende Gegenstände gefährdet werden.
Zusätzlich ist beim Entladen darauf zu achten, dass eine Gefährdung durch Verlagerung der Ladung infolge des Fahrbetriebes bestehen kann.
9.10.2.4 Am Fahrzeug angelegte Be- und Entladehilfen sind gegen Umklappen oder Herabfallen zu sichern.
Solche Be- und Entladehilfen sind z.B.
- Auffahrrampen,
- Ladebleche
und- Holzbohlen.
9.10.3 Materiallagerung
9.10.3.1 Beim Lagern und Stapeln des Baumaterials ist dafür zu sorgen, dass keine Person durch herabstürzende oder umfallende Gegenstände gefährdet wird.
Stapel dürfen nur auf ebenem und festem Grund, möglichst lotrecht errichtet werden.
Dies wird z.B. beim Stapeln von Holzbauteilen in mehreren Lagen durch Querauflegen von Brettern oder Latten jeweils vor dem Aufbringen der nächsten Lage erreicht.
9.10.3.2 Das Betreten der Stapel ist nur gestattet, wenn ein Umstürzen, Zusammenrutschen oder Abrollen des gestapelten Materials nicht zu befürchten ist.
9.10.4 Auf- und Abbau
9.10.4.1 Trigonometrische Signalhochbauten müssen vor ihrer Erstellung zeichnerisch festgelegt oder statisch berechnet werden. Bei Verwendung von besteigbaren Regelkonstruktionen müssen Zeichnung und statische Berechnung für ein Baumuster vorliegen; bei Nutzung nicht besteigbarer Regelkonstruktionen muss wenigstens eine Zeichnung für ein Baumuster vorliegen.
Besteigbare Regelkonstruktionen sind z.B. eine Beobachtungsleiter oder ein Treppenturm.Eine nicht besteigbare Regelkonstruktion ist z.B. ein Signalmast.
9.10.4.2 Der Aufbau von Signalhochbauten hat nach den dafür erstellten Plänen oder Montageanweisungen zu erfolgen. Diese müssen insbesondere Angaben über Fundamentierung, Montageablauf, Maßnahmen für die Standsicherheit, Aufstiege, Arbeitsplätze, Laufstege, Abspannungen enthalten. Abweichungen von den Montageanleitungen beim Auf- und Abbau von Signalhochbauten sind nicht zulässig.
9.10.4.3 Auf- und Abbauarbeiten dürfen nur bei Tageslicht ausgeführt werden. Diese Arbeiten sind bei Beginn der Dämmerung, dichtem Nebel, aufziehendem Gewitter, Regen, Schneetreiben, Eis- und Reifglätte sowie starkem Wind einzustellen.
"Starker Wind" herrscht ab Windstärke 6 nach Beaufort (d.h. > 10 m/s).
9.10.4.4 Für den Zusammenbau von Signalhochbauten müssen sichere Aufstiegsmöglichkeiten sowie abgesicherte Arbeitsplätze vorhanden sein. Bei einer Absturzhöhe von mehr als 2 m haben sich die Signalbauarbeiter entsprechend Abschnitt 8.1 zu sichern, sofern keine Bühnen und Arbeitsgerüste mit Absturzsicherung vorhanden sind. Das Verbindungsmittel (Seil oder Gurt) ist dabei an einem tragfähigen Anschlagpunkt - möglichst oberhalb der Arbeitsstelle - sicher zu befestigen.
Können sich Signalbauarbeiter zeitweilig nicht anseilen, haben sie die Verbindungsmittel am Körper, z.B. über Brust-Nacken-Brust, so festlegen, dass ein Hängenbleiben mit dem Verbindungsmittel vermieden wird.
Sichere Aufstiegsmittel sind z.B.
- mit der Konstruktion fest verbundene Leitern
oder- dem Baufortschritt entsprechend eingebaute Treppen.
Sichere Arbeitsplätze sind z.B.
- Bühnen und Arbeitsgerüste mit Geländern
oder- Standplätze mit Anseilmöglichkeit.
9.10.4.5 Solange auf dem Signalhochbau Bauteile befestigt oder gelöst werden, darf der Raum unter diesen Arbeitsstellen nur von Personen betreten werden, die an den Arbeiten beteiligt sind. Der Gefahrbereich ist abzusperren.
Lose Bretter und Hölzer sind gegen Herabfallen zu sichern und so abzulegen bzw. zu verlegen, dass keine Wippen entstehen können. Metallbauteile (Profile, Träger) sind einzeln zu der Einbaustelle zu verbringen und einzubauen, bevor das nächste Metallbauteil herangeschafft wird.
9.10.4.6 Bauteile, deren Standsicherheit nicht gewährleistet ist, sind vor dem Lösen des Anschlagmittels gegen Umfallen, Abgleiten und Herabfallen zu sichern. Beim Aufstellen von Bauwerken sind für die Standsicherheit erforderliche Stabilisierungselemente rechtzeitig einzubauen. Zusätzlich auftretenden Spannungen ist dabei Rechnung zu tragen.
Solche Stabilisierungselemente sind z.B.
- Horizontal- und Diagonalverband,
- Rahmen,
- Seilverspannungen,
- Hilfsverankerungen,
- Arretierungen im Montagezustand,
- Hilfsunterstützungen
und- Montageverbände.
9.10.4.7 Abspannungen sind bis zu einer Höhe von 2 m über dem Boden oder sonstigen begehbaren Flächen so zu kennzeichnen, dass sie nicht übersehen werden können.
Zur Ausführung der Kennzeichnung siehe Abschnitt 7 der Anlage 1 zur Unfallverhütungsvorschrift "Sicherheits- und Gesundheitsschutzkennzeichnung am Arbeitsplatz" (BGV A8).
9.10.5 Leitern
9.10.5.1 Steigleitern, die zu Gerüstlagen, Bühnen und begehbaren Dächern führen, müssen mit einem oder beiden Holmen um wenigstens 1 m über die zu besteigende Stelle hinausragen, wenn nicht eine andere Haltemöglichkeit genügend Sicherheit gegen Absturz bietet.
Siehe auch § 15 Abs. 3 der Unfallverhütungsvorschrift "Leitern und Tritte" (BGV D36).
9.10.5.2 Steigleitern in trigonometrischen Signalhochbauten müssen mit dem Bauwerk fest verbunden sein. Der Abstand zwischen der Sprossenachse und dahinter liegenden festen Bauwerksteilen muss mindestens 15 cm betragen.
9.10.5.3 Leiterzüge in Signalhochbauten sind nach Möglichkeit versetzt anzuordnen, und zwar so, dass ein Podestabsatz den Leiterzug unterbricht und der nächste Leiterzug mindestens um eine Leiterbreite versetzt weitergeführt wird.
9.10.5.4 Bei Beobachtungsleitern sind in Abständen von höchstens 10 m innerhalb der Leitern aufklappbare Zwischenpodeste einzulegen und gegen Herausfallen zu sichern.
Siehe § 15 Abs. 6 der Unfallverhütungsvorschrift "Leitern und Tritte" (BGV D36).
9.10.5.5 Steigleitern mit möglichen Absturzhöhen von mehr als 5 m müssen, soweit es betrieblich möglich ist, mit Einrichtungen zum Schutz gegen Absturz von Personen ausgerüstet sein.
Siehe § 15 Abs. 4 der Unfallverhütungsvorschrift "Leitern und Tritte" (BGV D36).
9.10.5.6 Steigleitern mit Absturzhöhen von mehr als 10 m müssen mit Einrichtungen ausgerüstet sein, die den Einsatz von Steigschutz ermöglichen.
Siehe § 15 Abs. 5 der Unfallverhütungsvorschrift "Leitern und Tritte" (BGV D36).
9.10.5.7 Anlegeleitern dürfen als Arbeitsplatz nur verwendet werden, wenn
Siehe § 7 Abs. 5 der Unfallverhütungsvorschrift "Bauarbeiten" (BGV C22).
Anlegeleitern sind standsicher aufzustellen und müssen gegen Ausgleiten, Abrutschen, Umkanten, Umstürzen, Schwanken und Durchbiegen gesichert sein.
Die Benutzung von einholmigen Leitern als Anlegeleitern ist nicht zulässig.
9.10.5.8 Bei der Verwendung von Holzleitern ist darauf zu achten, dass keine Holme oder Sprossen behelfsmäßig instand gesetzt sind. Schadhafte oder fehlende Sprossen sind durch fehlerfreie Sprossen gleicher Art zu ersetzen. Ersatzsprossen sind so zu befestigen, wie die übrigen Sprossen. Es ist nicht zulässig, Sprossen nur durch Aufnageln oder Aufschrauben zu befestigen.
9.10.6 Hebezeuge
9.10.6.1 Zum Heben und Senken von Lasten müssen geeignete Einrichtungen vorhanden sein. Dabei ist folgendes zu beachten:
Geeignete Einrichtungen zum Heben und Senken von Lasten sind z.B. Flaschenzüge, Winden.
9.10.6.2 Müssen Personen mit Hebezeugen befördert werden, sind die erhöhten Anforderungen der BG-Regel "Hochziehbare Personenaufnahmemittel" (BGR 159) zu beachten.
9.10.6.3 Müssen Drahtseilverbindungen für Anschlagmittel ausnahmsweise an Ort und Stelle hergestellt werden, sind sie fachgerecht auszuführen. Seilendverbindungen dürfen nicht mit Schraubklemmen hergestellt werden. Dies gilt nicht für Anschlagmittel, die jeweils nur für eine spezielle einmalige Verwendung hergestellt werden. Es dürfen dafür nur Drahtseilklemmen nach DIN EN 13411-5 "Endverbindungen für Drahtseile aus Stahldraht; Sicherheit; Teil 5: Drahtseilklemmen mit U-förmigem Klemmbügel" verwendet werden.
9.10.6.4 Seilrollen, auch Umlenkrollen, sind fachgerecht zu befestigen. Eingehängte Rollen sind so durch Sperren zu sichern, dass sie sich nicht von selbst aushängen können.
9.10.6.5 Lasten sind so unter das Hebezeug zu bringen, dass Schrägzug vermieden wird. Darüber hinaus sind Vorkehrungen zu treffen, dass sich die Lasten nirgends an Bauteilen verfangen können.
Eine Vorkehrung ist z.B. das Dirigieren der Last mit Hilfe eines Führungsseiles.
9.10.6.6 Die Lasten sind so anzuschlagen, dass sie nicht aus dem Anschlagmittel rutschen können.
Anschlagmittel sind z.B. Seile, Ketten.
9.10.6.7 Gegenstände, die nicht zuverlässig angeschlagen werden können, sind in geeigneten Gefäßen zu befördern. Sie dürfen nicht abgeworfen werden.
Solche Gegenstände sind z.B. Werkzeuge, Kleinmaterial.
9.10.6.8 Lasten sind bis zur Beendigung des Bewegungsvorganges zu beobachten. Personen dürfen sich im Gefahrbereich schwebender Lasten und belasteter Windenseile nicht aufhalten. Vor Arbeitsunterbrechungen oder Arbeitsschluss sind die Lasten abzusetzen.
Beim Handbetrieb von Hebezeugen muss der Arbeitsplatz der damit beschäftigten Personen einen Schutzabstand von mindestens 5 m zur unteren Ladestelle aufweisen.
9.10.6.9 Für das Bewegen von Lasten sind Zeichen festzulegen und anzuwenden sofern eine verbale Verständigung nicht ausreicht.
Weitergehende Zeichen enthält DIN 33409 "Sicherheitsgerechte Arbeitsorganisation; Handzeichen zum Einweisen".Zur verbalen Verständigung können auch Sprechfunkgeräte benutzt werden.
9.10.7 Benutzung von trigonometrischen Signalhochbauten
9.10.7.1 Trigonometrische Signalhochbauten dürfen erst nach endgültiger Fertigstellung und ausdrücklicher Freigabe durch den Leiter des Signalbaues durch Dritte benutzt werden.
9.10.7.2 Steigleitern, die länger als 5 m sind, dürfen erst begangen werden, wenn Einrichtungen vorhanden sind, die den Einsatz von Steigschutz ermöglichen.
9.10.7.3 Auf einer Beobachtungsleiter bzw. auf einem Leiterabschnitt darf sich nur eine Person befinden. Instrumente, Geräte, Karten und dergleichen sind in Rucksäcken, Umhängetaschen oder durch Seilzug zu befördern. Beobachtungsleitern dürfen von außen nicht bestiegen werden.
9.10.7.4 Aufklappbare Zwischenpodeste in Signalhochbauten sind nach Benutzung sofort wieder zu schließen.
9.10.7.5 In trigonometrischen Signalhochbauten muss die zulässige Tragfähigkeit der Plattformen und Zwischenböden in kN/m2 und zulässiger Personenzahl deutlich erkennbar und dauerhaft angegeben werden.
9.10.7.6 Trigonometrische Signalhochbauten dürfen bei dichtem Nebel, Gewitter, Regen, Schneetreiben sowie bei Eis- und Reifglätte nicht bestiegen werden. Müssen sie bei Dunkelheit bestiegen werden, sind die Verkehrswege ausreichend und blendfrei zu beleuchten.
9.11 Vermessungsarbeiten im Bereich von Bahnanlagen
9.11.1 Absprache mit dem Bahnbetreiber
Sind Vermessungsarbeiten im Bereich von Bahnanlagen durchzuführen, sind rechtzeitig vor Beginn der Arbeiten die Sicherungsmaßnahmen gegen die Gefahren aus dem Bahnbetrieb mit dem Bahnbetreiber abzustimmen.
Siehe auch Unfallverhütungsvorschrift "Arbeiten im Bereich von Gleisen" (BGV D33).
9.11.2 Betreten von Gleisanlagen
Gleisanlagen dürfen im Zuge von Vermessungsarbeiten nicht betreten werden.
9.11.3 Überqueren von Bahnkörpern
Bahnkörper dürfen nur an den dafür bestimmten Stellen überquert werden. Beim Überqueren von Bahnkörpern mit Vermessungsgeräten ist auf ausreichenden Schutzabstand zu unter Spannung stehenden elektrischen Leitungen zu achten.
Zum Überqueren von Bahnkörpern bestimmte Stellen sind z.B.
- Bahnübergänge
und- Bahnunter- und -überführungen.
Siehe auch Eisenbahn-Bau- und Betriebsordnung (EBO) und § 58 Abs. 1 der Straßenbahn-Bau- und Betriebsordnung (BOStrab).
Ein ausreichender Schutzabstand kann z.B. durch waagerechtes Tragen von Messlatten erreicht werden.
9.12 Arbeitsmittel und Kraftfahrzeuge
9.12.1 Geräte und Werkzeuge
9.12.1.1 Arbeitsgeräte sind so zu befördern und aufzubewahren, dass Personen sich an ihnen nicht verletzen können. Die Schneiden der Werkzeuge sind mit einer Schutzhülle zu sichern.
Werkzeuge mit Schneiden sind z.B. Sägen, Haumesser, Sensen, Äxte.
9.12.1.2 Geräte und Werkzeuge dürfen nur zu Arbeiten benutzt werden, für die sie bestimmt sind. Fahrzeuge und Maschinen sind bestimmungsgemäß zu verwenden. Dabei sind die Betriebs- und Bedienungsanleitungen der Hersteller sowie die Betriebsanweisungen des Unternehmers zu beachten.
Siehe auch § 17 der Unfallverhütungsvorschrift "Grundsätze der Prävention" (BGV A1).
9.12.1.3 Werkzeuge dürfen einer anderen Person nicht zugeworfen werden.
9.12.1.4 Werkzeuge, die bei Arbeiten im Bereich von elektrischen Leitungen verwendet werden, müssen isoliert sein.
Isolierte Werkzeuge sind geeignet, wenn sie mit dem Symbol des Isolators nach DIN 48699 "Kennzeichnung von Hilfsmitteln zum Arbeiten an unter Spannung stehenden Teilen" und der zugeordneten Spannungs- oder Spannungsbereichsangabe gekennzeichnet sind. Dies gilt insbesondere für Brechstangen und Sonden (Plattensucher).
9.12.2 Kraftbetriebene Arbeitsmittel
9.12.2.1 Das kraftbetriebene Arbeitsmittel darf bei laufendem Motor nicht instand gesetzt oder gewartet werden. Dies gilt auch für das Beseitigen von Störungen. Ausgenommen sind Arbeiten, die nur bei laufendem Motor vorgenommen werden können. Verbrennungsmotoren sind still zu setzen und gegen zufälliges Anlaufen zu sichern, Elektrogeräte sind von der Stromquelle zu trennen.
Als Beseitigen von Störungen gilt auch das Entfernen eingeklemmter Gegenstände.Zu den Arbeiten, die nur bei laufendem Motor vorgenommen werden können, zählt z.B. das Einstellen des Vergasers.
Ein zufälliges Anlaufen wird z.B. durch Abziehen des Zündkerzensteckers bei Motoren mit Magnetzündung verhindert.
9.12.2.2 Geräte mit Verbrennungsmotoren sind so zu betreiben, dass Versicherte nicht durch Abgase oder Explosion von Kraftstoff-Luft-Gemischen gefährdet werden.
Dies wird z.B. erreicht, wenn
- Geräte mit Verbrennungsmotoren nicht in der Nähe von offenem Feuer gewartet, betankt und aufbewahrt werden, beim Warten des Geräts nicht geraucht wird und Kraftstoffbehälter nicht in der Nähe von offenem Feuer abgestellt werden,
- Geräte mit Verbrennungsmotoren nicht bei laufendem Motor betankt werden,
- Geräte so aufgestellt werden, dass Abgase möglichst nicht eingeatmet werden,
- Verbrennungsmotoren in geschlossenen Räumen nur laufen, wenn die Abgasleitung ins Freie führt.
9.12.2.3 Motorsägen sind beim Anwerfen sicher abzustützen und festzuhalten. Dabei müssen Ketten und Kettenschiene freistehen.
9.12.2.4 Das Reinigen und Schärfen schneidender Geräteteile darf nur mit Werkzeugen oder geschützter Hand vorgenommen werden.
Geräteteile sind z.B. Sägeketten.
9.12.2.5 Mobile Stromerzeuger dürfen nur betrieben werden, wenn Sicherheitsmaßnahmen gegen zu hohe Berührungsspannung getroffen worden sind.
Mobile Stromerzeuger sind üblicherweise vom Hersteller mit Schutztrennung ausgestattet oder dafür vorbereitet. Diese Schutzmaßnahme ist jedoch nicht mehr zuverlässig wirksam, wenn mehr als ein Gerät angeschlossen wird.Schutztrennung nach DIN VDE 0100 Teil 410 "Errichten von Starkstromanlagen mit Nennspannungen bis 1 000 V; Teil 4: Schutzmaßnahmen; Kapitel 41: Schutz gegen elektrischen Schlag" wird erreicht durch Verwendung eines Trenntransformators. Durch die hiermit erreichte Abtrennung vom geerdeten Stromnetz kann sich im Fehlerfall gegenüber der Erde kein Potential aufbauen.
9.12.3 Kraftfahrzeuge
9.12.3.1 Auf Kraftfahrzeugen dürfen außer dem Fahrzeugführer Personen nur dann mitfahren, wenn Plätze vorhanden sind, die einen sicheren Aufenthalt gewährleisten.
9.12.3.2 Der Fahrzeugführer darf erst anfahren, nachdem alle Mitfahrenden die vorgesehenen Plätze eingenommen haben. Das Auf- und Abspringen während der Fahrt ist verboten.
9.12.3.3 Die Versicherten haben vorhandene Sicherheitsgurte während der Fahrt, auch außerhalb öffentlicher Straßen, bestimmungsgemäß zu benutzen. Dies gilt nicht für Fahrten mit Schrittgeschwindigkeit, Rückwärtsfahren und Fahrten auf Parkplätzen.
9.12.3.4 Der Fahrzeugführer darf nur rückwärts fahren, wenn er den Bereich hinter dem Kraftfahrzeug einsehen kann, oder wenn sichergestellt ist, dass keine Person gefährdet wird. Erforderlichenfalls hat sich der Fahrzeugführer einweisen zu lassen.
9.12.3.5 Die Ladung ist so zu verstauen und bei Bedarf zu sichern, dass bei üblichen Verkehrsbedingungen eine Gefährdung von Personen ausgeschlossen ist.
Zu den "üblichen Verkehrsbedingungen" zählen auch Vollbremsungen und Unebenheiten der Fahrbahn.Eine Gefährdung kann z.B. durch Verrutschen, Wegrollen, Umfallen oder Herabfallen der Ladung hervorgerufen werden.
9.12.3.6 Kraftfahrzeuge, die mit Abgaskatalysatoren ausgerüstet sind, dürfen nicht auf Flächen abgestellt werden, bei denen eine erhöhte Brandgefahr besteht. Gegebenenfalls sind die Flächen abzumähen.
Eine erhöhte Brandgefahr besteht bei Flächen mit hohem trockenem Bewuchs.
9.12.3.7 In Kraftfahrzeugen sind geeignete Handfeuerlöscher mitzuführen sowie beim Einsatz fahrbarer Maschinen bereitzuhalten.
9.13 Lasereinrichtungen
9.13.1 Leistungsklassen
Für Vermessungsarbeiten dürfen nur folgende Lasereinrichtungen verwendet werden:
Dies wird z.B. erreicht, wenn
- Lasereinrichtungen der Klassen 1, 1M, 2, 2M oder 3 a eingesetzt werden
oder- Lasereinrichtungen der Klasse 3R im sichtbaren Wellenlängenbereich eingesetzt werden, bei denen die Strahlachse oder Strahlfläche so eingerichtet und gesichert ist, dass keine Gefährdung der Augen vorhanden ist.
Siehe auch BG-Information "Betrieb von Lasereinrichtungen" (BGI 832) Anwendung der Unfallverhütungsvorschrift "Laserstrahlung" (BGV B2) auf neue Laserklassen und MZB-Werte nach DIN EN 60825-1 (VDE 0837-1) "Sicherheit von Laser-Einrichtungen; Teil 1: Klassifizierung von Anlagen, Anforderungen und Benutzer-Richtlinien".
Werden Lasereinrichtungen der Klasse 3 B mit maximal 5 mW Ausgangsleistung im sichtbaren Wellenlängenbereich verwendet, bei denen wahlweise eine Umschaltung auf richtungsveränderliche Laserstrahlung möglich ist (Ablenk- oder Scanning-Betrieb), dürfen nur solche Lasereinrichtungen verwendet werden, die im Ablenk-Betrieb der Klasse 1 entsprechen. Dabei muss sichergestellt sein, dass eine Mindest-Ablenkgeschwindigkeit nicht unterschritten werden kann; andernfalls muss eine automatische Abschaltung oder eine andere Leistungsbegrenzung erfolgen.
Optisch sammelnde Instrumente sind z.B. Nivelliergeräte, Ferngläser oder Teleskope.Lasereinrichtungen können äußerst intensive, stark gebündelte Strahlung erzeugen. Durch Wärmewirkung und photochemische Wirkung kann die Laserstrahlung Schädigungen erzeugen. In erster Linie besteht die Gefahr irreparabler Augenschädigungen. Die Strahlungsintensität nimmt mit der Entfernung nur sehr langsam ab; deshalb kann sich der Gefahrbereich über ein weites Gebiet erstrecken.
Bei der Verwendung von Lasereinrichtungen der Klasse 3 B mit maximal 5 mW Ausgangsleistung im sichtbaren Wellenlängenbereich (400 nm bis 700 nm) und bei denen die Strahlrichtung konstant ist, haben sich folgende Maßnahmen bewährt:
- Die Ausgangsleistung des Lasers wird auf das für die Anwendung erforderliche Maß beschränkt. Dieser Forderung kann durch die Auswahl des Lasergerätes oder durch Vorschalten abschwächender Filter entsprochen werden.
- Der Laserstrahl soll möglichst außerhalb des Arbeits- und Verkehrsbereiches verlaufen.
- Die Strahlachse wird so gesichert, dass ein Auswandern des Laserstrahles nicht möglich ist. Diese Sicherung kann beispielsweise aus einem Rohr vor dem Lasergerät bestehen.
- Der Bereich um den Laserstrahl wird in einem Abstand von wenigstens 1,5 m, z.B. mit einer Flatterleine, abgegrenzt und mit Laserwarnzeichen gekennzeichnet. Kann die Abgrenzung nicht durchgeführt werden, z.B. unter Tage, ist auf andere Weise, z.B. durch Warnposten, zu verhindern, dass Versicherte in den Bereich des Laserstrahles geraten können.
An gefährlichen Stellen sind folgende Ersatzmaßnahmen geeignet:
- Umwehren des Strahlenganges, z.B. mit Maschendraht,
- Anbringen von Vorrichtungen zur Strahlunterbrechung, z.B. Klappen, die eine matte Oberfläche besitzen, wobei wichtig ist, dass diese Vorrichtungen betätigt werden können, ohne dabei in den gefährlichen Bereich zu geraten,
- Hochlegen des Strahles.
- Ein Laserstrahl darf sich nur soweit erstrecken, wie es für die Art des Einsatzes notwendig ist. Der Strahl wird am Ende dieser Nutzentfernung durch eine matte Zielfläche aufgefangen. Zu beachten bleibt, dass die Bestrahlungsstärke mit der Entfernung nur wenig abnimmt. Der Strahl kann beispielsweise noch in einer Entfernung von 100 m und mehr für das Auge gefährlich sein.
- Spiegelnde oder glänzende Gegenstände, z.B. Metallteile, Fahrzeugscheiben, Rückspiegel, sind aus der Umgebung des Laserstrahles zu entfernen oder abzudecken.
9.13.2 Höhere Leistungen
Abweichend von Abschnitt 9.13.1 sind stärkere Lasereinrichtungen zulässig, wenn die beabsichtigte Verwendung und die hierbei zu treffenden Sicherungsmaßnahmen dem zuständigen Unfallversicherungsträger mindestens 14 Tage vor Aufnahme der Arbeiten unter Angabe der Gründe schriftlich mitgeteilt werden und der zuständige Unfallversicherungsträger nicht widerspricht.
Zugängliche Laserstrahlung der Klassen 3 B und 4 ist gefährlich für Auge und Haut. Auch diffus gestreute Laserstrahlung kann gefährlich sein!Siehe § 14 Abs. 2 der Unfallverhütungsvorschrift "Laserstrahlung" (BGV B2).
10 Zeitpunkt der Anwendung
Diese BG-Regel ist anzuwenden ab April 1995, soweit nicht Inhalte dieser BG-Regel nach geltenden Rechtsnormen oder als allgemein anerkannte Regeln der Technik bereits zu beachten sind. Sie ersetzt die "Sicherheitsregeln für Vermessungsarbeiten" (ZH 1/544) vom Mai 1976.
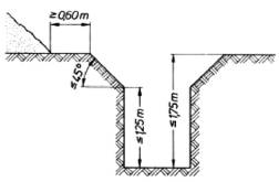
| Grabenböschungen, Normverbau | Anhang 1 |
Graben mit abgeböschten Kanten
| Beispiele für Absperrungen nach den "Richtlinien für die Sicherung von Arbeitsstellen an Straßen" RSa 95 | Anhang 2 |
Regelplan CII/1: Für Arbeitsstellen von kürzerer Dauer außerorts
Regelplan CII/5: Für Arbeitsstellen von kürzerer Dauer außerorts
| Vorschriften und Regeln | Anhang 3 |
Nachstehend sind die insbesondere zu beachtenden einschlägigen Vorschriften und Regeln zusammengestellt; siehe auch Abschnitt 3.2:
1. Gesetze und Verordnungen
Siebtes Buch Sozialgesetzbuch (SGB VII),
Geräte- und Produktsicherheitsgesetz ( GPSG),
Arbeitsschutzgesetz ( ArbSchG),
Bundesberggesetz ( BBergG),
Betriebssicherheitsverordnung ( BetrSichV),
Straßenverkehrs-Ordnung ( StVO),
Straßenverkehrs-Zulassungs-Ordnung ( StVZO),
Allgemeine Verwaltungsvorschrift zur Straßenverkehrs-Ordnung (VwV-StVO),
Allgemeine Verwaltungsvorschriften zu § 43 Straßenverkehrs-Ordnung (VwV-StVO)
"Richtlinien für die Sicherung von Arbeitsstellen an Straßen" (RSA),
Ausführungsvorschriften der Länder zur StVO,
Bauordnungen der Länder,
Eisenbahn-Bau- und Betriebsordnung (EBO),
Eisenbahn-Bau- und Betriebsordnung für Schmalspurbahnen (ESBO),
Verordnung über den Bau und Betrieb der Straßenbahnen (BOStrab),
Verordnung über den Betrieb von Seilbahnen (BOSeil).
2. Berufsgenossenschaftliche Vorschriften, Regeln und Informationen für Sicherheit und Gesundheit bei der Arbeit
Unfallverhütungsvorschriften
BG-Regeln
BG-Informationen
Unfallverhütungsvorschrift "Forsten" (GUV-V C51).
3. Normen
(Bezugsquelle: Beuth Verlag GmbH,
Burggrafenstraße 6, 10787 Berlin
bzw.
VDE-Verlag GmbH,
Bismarckstraße 33, 10625 Berlin)
| DIN 4124 | Baugruben und Gräben; Böschungen, Verbau, Arbeitsraumbreiten, |
| DIN 6171-1 | Aufsichtfarben für Verkehrszeichen und Verkehrseinrichtungen; Teil 1: Farbbereiche bei Beleuchtung mit Tageslicht, |
| DIN 13169 | Erste-Hilfe-Material; Verbandkasten E, |
| DIN 15106 | Lasthaken für Hebezeuge; Hakenmaulsicherung für Einfachhaken, |
| DIN 30710 | Sicherheitskennzeichnung von Fahrzeugen und Geräten, |
| DIN 33409 | Sicherheitsgerechte Arbeitsorganisation; Handzeichen zum Einweisen, |
| DIN 48699 | Kennzeichnung von Hilfsmitteln zum Arbeiten unter an Spannung stehenden Teilen, |
| DIN EN 166 | Persönlicher Augenschutz; Anforderungen, |
| DIN EN 340 | Schutzkleidung; Allgemeine Anforderungen, |
| DIN EN 343 | Schutzkleidung gegen Regen, |
| DIN EN 352-1 | Gehörschützer; Allgemeine Anforderungen; Teil 1: Kapselgehörschützer, |
| DIN EN 352-2 | Gehörschützer; Allgemeine Anforderungen; Teil 2: Gehörschutzstöpsel, |
| DIN EN 352-3 | Gehörschützer; Allgemeine Anforderungen; Teil 3: An Industrieschutzhelmen befestigte Kapselgehörschützer, |
| DIN EN 353-1 | Persönliche Schutzausrüstungen gegen Absturz; Teil 1: Steigschutzeinrichtungen einschließlich fester Führung, |
| DIN EN 353-2 | Persönliche Schutzausrüstungen gegen Absturz; Teil 2: Mitlaufende Auffanggeräte einschließlich beweglicher Führung, |
| DIN EN 358 | Persönliche Schutzausrüstung für Haltefunktionen und zur Verhinderung von Abstürzen; Haltegurte und Verbindungsmittel für Haltegurte, |
| DIN EN 361 | Persönliche Schutzausrüstungen gegen Absturz; Auffanggurte, |
| DIN EN 363 | Persönliche Schutzausrüstungen gegen Absturz; Auffangsysteme, |
| DIN EN 374-1 | Schutzhandschuhe gegen Chemikalien und Mikroorganismen; Teil 1: Terminologie und Leistungsanforderungen, |
| DIN EN 374-2 | Schutzhandschuhe gegen Chemikalien und Mikroorganismen; Teil 2: Bestimmung des Widerstandes gegen Penetration, |
| DIN EN 381-7 | Schutzkleidung für die Benutzer von handgeführten Kettensägen; Teil 7: Anforderungen an Schutzhandschuhe für Kettensägen, |
| DIN EN 393 | Rettungswesten und Schwimmhilfen; Schwimmhilfen, 50 N, |
| DIN EN 394 | Rettungswesten und Schwimmhilfen; Zubehörteile, |
| DIN EN 395 | Rettungswesten und Schwimmhilfen; Rettungswesten, 100 N, |
| DIN EN 397 | Industrieschutzhelme, |
| DIN EN 420 | Schutzhandschuhe; Allgemeine Anforderungen und Prüfverfahren, |
| DIN EN 458 | Gehörschutz; Empfehlungen für Auswahl, Einsatz, Pflege und Instandhaltung; Leitfaden-Dokument, |
| DIN EN 471 | Warnkleidung; Prüfverfahren und Anforderungen, |
| DIN EN 813 | Persönliche Schutzausrüstungen zur Verhinderung von Abstürzen; Sitzgurte, |
| DIN EN 13411-4 | Endverbindungen für Drahtseile aus Stahldraht; Sicherheit; Teil 4: Vergießen mit Metall oder Kunstharz, |
| DIN EN 13411-5 | Endverbindungen für Drahtseile aus Stahldraht; Sicherheit; Teil 5: Drahtseilklemmen mit U-förmigem Klemmbügel, |
| DIN EN ISO 20346 | Persönliche Schutzausrüstung; Schutzschuhe, |
| DIN EN 60825-1 (VDE 0837-1) | Sicherheit von Laser-Einrichtungen; Teil 1: Klassifizierung von Anlagen, Anforderungen und Benutzer-Richtlinien, |
| DIN VDE 0100 Teil 410 | Errichten von Starkstromanlagen mit Nennspannungen bis 1000 V; Teil 4: Schutzmaßnahmen; Kapitel 41: Schutz gegen elektrischen Schlag. |
4. Andere Schriften
(Bezugsquelle: Drucksachenverwaltung der Deutschen Bahn AG,
Stuttgarter Straße 61a, 76137 Karlsruhe)
Bestimmung zum Schutz gegen Gefahren aus dem Eisenbahnbetrieb bei Arbeiten im Bereich von Gleisen (UVV 3),
Sicherheitsregeln für die Mitarbeiter im Dienstzweig 021 (Oberbau, bauliche Anlagen) DS 132 90 21.
![]() |
ENDE | ![]() |
(Stand: 09.12.2022)
Alle vollständigen Texte in der aktuellen Fassung im Jahresabonnement
Nutzungsgebühr: ab 105.- € netto
(derzeit ca. 7200 Titel s.Übersicht - keine Unterteilung in Fachbereiche)
Die Zugangskennung wird kurzfristig übermittelt
? Fragen ?
Abonnentenzugang/Volltextversion