zurück

FF 2 Druckluftbremsen für Güterzüge und Reisezüge

FF 2.1 Steuerventile für neue, umgerüstete und erneuerte Wagen 12

Bremsenbauart

Kurzbezeichnung

Kürzel

Druckluftbremse
Güterzug (G)
Personenzug (P)
Knorr-Bremse KE 1da, b
KE 2db,
KERdc, b
KE G/P-Bremse
Oerlikon-Bremse ESG 121d, e 0 G/P-Bremse
Oerlikon-Bremse ESG 121-1d, e 0 G/P-Bremse
Knorr-Bremse KE 1 a/3,8a, b, f KE G/P-Bremse
Oerlikon-Bremse ESH 100g 0 G/P-Bremse
Oerlikon-Bremse ESH 200h 0 G/P-Bremse
Knorr-Bremse KE 1ada, b
KE 2adb
KE G/P-Bremse
SAB-WABCO-Bremse SW 4i SW G/P-Bremse
SAB-WABCO-Bremse SW 4Cj SW G/P-Bremse
SAB-WABCO-Bremse SW 4/3k SW G/P-Bremse
DAKO-Bremse CV1 nDl OK G/P-Bremse
SAB-WABCO-Bremse C3WRd, e Ch G/P-Bremse
SAB-WABCO-Bremse C3W mit AC3Db Ch G/P-Bremse
SAB-WABCO-Bremse WU-Cd, e WU G/P-Bremse
Oerlikon-Bremse Est3f 1 HBG 300d, m, n 0 G/P-Bremse
MZT-HEPOS-Bremse MH3f/HBG310/100d
MH3f/HBG310/200d
MH3f/HBG310/3xxc, d
MH G/P-Bremse
Knorr-Bremse KE1dv
KE2dv
KERdvc
KE G/P-Bremse
a) Nachträgliches Anbringen anderer Wiegeventile unzulässig.
b) Zur Anwendung bei Neufahrzeugen bis 1.01.2007.
c) Bremsbaugruppe verbunden mit einem Bremssystem mit automatischer Lastabbremsung und Zulassung nach FF3.
d) Getrennter Druckminderer erforderlich, wenn die Rückführung über die Hauptluftleitung erfolgt.
e) Bremsbaugruppe bestehend aus Steuerventil, Relais und Halter.
f) Zusätzliche Instandhaltungsmaßnahmen am MAV, um sicherzustellen, dass der max. Bremszylinderdruck von 3,8 bar immer erreicht wird.
g) Standardfunktionen bis 14 Liter Bremszylindervolumen bzw. Steuervolumen (Scheinvolumen).
h) Standardfunktion.
i) SW 4 - Kontrolliertes Füllen der Hilfsluftbehälter.
j) SW 4C - Kontrolliertes Füllen des Kontrollbehälters mit Überladungsschutz beim Lösen der Bremse.
k) SW 4/3 - Mit Absperrventil C3W muss das Füllen des Kontroll- und des Hilfsluftbehälters in etwa die gleiche Zeit beanspruchen.
l) Die Drossel des Steuerventils sollte schrittweise an das jeweilige Volumen des Hilfsluftbehälters angepasst werden.
m) Nur mit zusätzlichem Relais zu verwenden.
n) Die Identitätsprüfung war bei bestimmten Punkten negativ, daher ist die Wiederverwendung dieser Steuerventile bei PKP und ÖBB bis zum 1.01.2010 befristet.

FF 2.2 Ventile für bis 2005 bestehende Fahrzeuge, die umgerüstet oder erneuert werden 12

Bremsenbauart Kurzbezeichnung Kürzel Druckluftbremse
Güterzug (G)
Personenzug (P)
Knorr-Bremse KEs
KE 2c AL
KE G/P-Bremse
Dako-Bremse CV
CV1
DK G/P-Bremse
Westinghouse-Bremse U WU G/P-Bremse
Charmilles-Bremse C 3 A Ch G/P-Bremse
Oerlikon-Bremse Est 3f mit HBG 300 0 G/P-Bremse
Charmilles-Bremse C 3 W Ch G/P-Bremse
Knorr-Bremse KE Od
KE 1d
KE 2d
KE G/P-Bremse
Westinghouse-Bremse C3 W2 WE G/P-Bremse
Oerlikon-Bremse ESG 101 0 P-Bremse
Oerlikon-Bremse ESG 121 0 G/P-Bremse
Oerlikon-Bremse ESG 131 0 P-Bremse
Oerlikon-Bremse ESG 141 0 G/P-Bremse
Oerlikon-Bremse ESG 101-1 0 P-Bremse
Oerlikon-Bremse ESG 121-1 0 G/P-Bremse
Oerlikon-Bremse ESG 131-1 0 P-Bremse
Oerlikon-Bremse ESG 141-1 0 G/P-Bremse
Knorr-Bremse KE 1 a/3,8 KE G/P-Bremse
Knorr-Bremse KE Oa/3,8 KE G/P-Bremse
Oerlikon-Bremse ESH 100 O G/P-Bremse
ohne universale Wirkung, wenn der angeschlossene Bremszylinder oder die voreingestellten Volumen bis zu 14 l betragen
Oerlikon-Bremse ESH 200 O G/P-Bremse
ohne universale Wirkung, wenn der angeschlossene Bremszylinder oder die voreingestellten Volumen bis 14 l betragen
Knorr-Bremse KE 1 ad KE G/P-Bremse
Knorr-Bremse KE 0 ad KE G/P-Bremse
Knorr-Bremse KE 2 ad KE G/P-Bremse
SAB-WABCO-Bremse SW 4a SW G/P-Bremse
SAB-WABCO-Bremse SW 4Cb SW G/P-Bremse
SAB-WABCO-Bremse SW 4/3c SW G/P-Bremse
DAKO-Bremse CV1 nDd DK G/P-Bremse
a) SW 4 - Kontrolliertes Füllen des Hilfsluftbehälters.
b) SW 4C - Kontrolliertes Füllen des Kontrollbehälters mit Überladungsschutz beim Lösen der Bremse.
c) SW 4/3 - Mit Absperrventil C3W (Füllen des Kontroll- und des Hilfsluftbehälters beansprucht in etwa die gleiche Zeit.).
d) Die Drossel des Steuerventils sollte schrittweise an das jeweilige Volumen des Hilfsluftbehälters angepasst werden.

FF 3 Im internationalen Verkehr zugelassene Bremseinrichtungen mit automatischer Lastabbremsung 12

Herstellerfirma Bauart Kurzzeichen
SAB I - Mechanische Bauarten

Wiegeventil und Lastbremsautomat

II - Pneumatische Bauarten

AC 3 D
WESTINGHOUSE Wiegeventil und Differentialzylinder WDC 14 und WDC 16
KNORR Wiegeventil und Doppelbremszylinder RLV 12/10 DGB 10"/12"
OERLIKON Wiegeventil und Doppelbremszylinder ALM-ALT
OERLIKON Mechanische Übertragung und Doppelbremszylinder ALS-ALT
WESTINGHOUSE 16"-Bremszylinder WDR
OERLIKON Regelbares Lastbremsventil mit einzelnem Bremszylinder ALM/ALR 150
KNORR Regelbares Lastbremsventil mit einzelnem Bremszylinder RLV 11d
METALSKI ZAVOD-TITO Regelbares Lastbremsventil mit einzelnem Bremszylinder für den SS-Verkehr AKR SS/10
METALSKI ZAVOD-TITO Regelbares Lastbremsventil mit einzelnem Bremszylinder für den SS-Verkehr AKR S/01
KNORR Regelbares Lastbremsventil mit einzelnem Bremszylinder RLV 11d
DAKO Regelbares Lastbremsventil DSS mit Wiegeventilen SL1 für den SS-Verkehr DAKO-DSS
DAKO Regelbares Lastbremsventil DS mit Wiegeventilen SL1 für den SS-Verkehr DAKO-DS
DAKO Wiegeventil SL1 oder SL2 DAKO-DSS
DAKO Wiegeventil SL1 oder SL2 DAKO-DS
SAB-WABCO Wiegeventil und Doppelbremszylinder SWDR-2
SAB-WABCO Regelbares Lastventil für VCAV mit Steuerventil SW 4, SW 4-C oder SW 4/3 und Lastbremsventil DP1 oder F87 GF4 SS1
GF4 SS2
GF6 SS1
GF6 SS2
SAB WABCO Regelbares Lastventil für integrierten VCAV mit Steuerventil SW 4, SW 4-C oder SW 4/3 und Lastbremsventil DP1 oder F87 GFSW4-D-AV
GFSW4-S-AV

FF 4 Im internationalen Verkehr zugelassene Schnellbremsbeschleuniger für Bremsleitungen

Herstellerfirma Bauart Anmerkungen
Dako-Kovalis Dako-Z Anwendung bei der Bremsbauart CV1-R zugelassen
Knorr-Bremse EB3 Anwendung bei der Bremsbauart KEs zugelassen
EB3-S Für Anwendung mit NBÜ (~ SAFI)
EB3-S/L Für Anwendung mit NBÜ (~ SAFI)
Oerlikon-Buhrle SB 3 Anwendung bei der Bremsbauart Est 3e zugelassen
SBS 100  
Davies and Metcalfe BPa 1 Für Anwendung mit NBÜ (~ SAFI)
MZT HEPOS VBK 100 Für Anwendung mit NBÜ (~ SAFI)

FF 5 Im internationalen Verkehr zugelassene Schnelllöseventile

Tabelle 1: Schnelllöseventile für moderne Bremsena

Herstellerfirma Bauart
Im Steuerventil eingebaut
OERLIKON LV3:LV3F
OERLIKON LV7
CHARM ILLES C3P1
CHARM ILLES C3P2
KNORR ALV3a, ALV7,ALV9,ALV9a
WESTINGHOUSE (Italien) SA1
WESTINGHOUSE (Italien) SA1V
KNORR AL V11
WESTINGHOUSE (Großbritannien) A1 und A2
Anwendung bei bestehenden Steuerventilen, wenn deren Leitungen nur zum Leeren des Kontrollbehälters dienen
OERLIKON LV3
OERLIKON LV4F
WESTINGHOUSE (Frankreich) W 104, W 204
WESTINGHOUSE (Italien) SA1
WESTINGHOUSE (Italien) SA1V
a) Unter "modernen Bremsen" sind Bremsen zu verstehen, die seit 1.01.1948 von internationalen Stellen zugelassen sind.

Tabelle 2: Schnelllöseventile für Bremsen älterer Bauart

Herstellerfirma Bauart
KNORR ALV4a
OERLIKON LV3
OERLIKON LV4F
WESTINGHOUSE (Frankreich) W 104, W 204
WESTINGHOUSE (Italien) SA/CG, SA/RA
WESTINGHOUSE (Italien) SA1
KNORR L2b
WESTINGHOUSE (Italien) SARAV
HARDY L3b
a) Das Schnelllöseventil KNORR ALV4 findet beim modernen Steuerventil KNORR KE Anwendung, da mit dessen Löseventil nur der Kontrollbehälter geleert wird (während der Hilfsluftbehälter mit einem Absperrventil geleert wird).

b) Nur in Verbindung mit Steuerventil HIK.

Tabelle 3: Schnelllöseventile für modernea oder ältere Bremsen

Herstellerfirma Bauart
WESTINGHOUSE (Frankreich) W3,W4
DAKO 0S1
KNORR ALV4b
BDZ BRVb
a) Unter "modernen Bremse" sind Bremsen zu verstehen, die seit 1.01.1948 für den internationalen Einsatz zugelassen sind.

b) Nur in Verbindung mit Steuerventil HIK.

FF 6 Im internationalen Verkehr zugelassene Bremsbeläge für Scheibenbremsen

Hersteller/Produkt Bauart Anmerkungen Eisenbahnunternehmen
1 2 4 5
Jurid Jurid 869 bis 200 km/h SNCF
Becorit Becorit 9181 bis 200 km/h DB
Ferodo ID 425 L2 bis 200 km/h FS
Bremskerl 58182 bis 200 km/h FS
Bremskerl 67921 bis 200 km/h DB
Jurid 8771 bis 200 km/h DB
Bremskerl 72401 bis 200 km/h DB
Frendo 21262 bis 200 km/h FS
Faist Licence Textar T 5432 bis 200 km/h FS
ICER ICER 9182 bis 200 km/h RENFE
Flertex Flertex 664 HD3 bis 200 km/h SNCF
Rona (Ungarn) Licence Becorit Rona 9182 bis 200 km/h MAV
Textar T 5502 bis 200 km/h DB
Frenoplast x. FR20H.22 bis 200 km/h PKP
Textar T5502 bis 200 km/h DB
Becorit V302 bis 200 km/h DB
Bremskerl Bremskerl 20002 bis 200 km/h DB
Bremskerl 7.699 bis 200 km/h FS
Italian Brakes FS 5M11 bis 200 km/h FS
1) an Scheibenbremsen aus Grauguss und Stahlguss getestet.

2) an Scheibenbremsen aus Grauguss getestet

3) an Scheibenbremsen aus Stahlguss getestet

FF 7 Im internationalen Verkehr zugelassene automatische "leer-beladen"-Kontrollvorrichtungen

Herstellerfirma Bauart
a) Mehrzweckanwendungen
Westinghouse WAD
SAB Va 2
SAB DP 2
KNORR Du-111 WM
OERLIKON ALM/ALR 140
b) Anwendung nur bei beladenen oder bei leeren Wagen
Westinghouse WAN
SAB VTA

FF 8 Bis Juni 2004 als geeignet eingestufte Prüfstände für die Abnahme von Bremsbelägen 12

Unternehmen Ort
DB Minden
FS Florenz
SNCF Vitry MF1
Vitry MF3
CFR Bukarest
CD Prag
PKP Poznan
CNTK Warschau
ZSR Zilina

.

Sonderfälle Anhang GG

Irische Lademaße

.

Sonderfälle Anhang HH


Republik Irland und Nordirland

Schnittstelle zwischen Fahrzeugen

.

Fahrzeug-Fahrweg-Wechselwirkung und Fahrzeugbegrenzungslinie Anhang II


Bewertungsverfahren: Grenzwerte für Änderungen bei Güterwagen, die keine neue Genehmigung erfordern

Güterwagen mit Änderungen der technischen Parameter innerhalb der Grenzwerte nach diesem Anhang im Vergleich zur ursprünglichen Konstruktion der zugelassenen Güterwagen erfordern keine neue Konformitätsbewertung.

Drehzapfenabstand
(bei Güterwagen mit Drehgestellen)
2a* ≥ 9m -15 % bis + ∞
2a* < 9m -5 % bis + ∞
Radsatzabstand
(bei Güterwagen mit zwei Radsätzen)
2a* ≥ 8m -15 % bis + ∞
2a* < 8m -5 % bis + ∞
Höhe des Schwerpunkts leeres Fahrzeug -100 % bis + 20 %
beladenes Fahrzeug -100 % bis + 50 %
Verwindungssteifigkeit
Ct * (1010 kN/mm2/rad)
Ct* ≤ 3 -66 % bis + 200 %
Ct* > 3 -50 % bis + ∞
Eigengewicht des Fahrzeugs ≥ 16t
(Güterwagen mit Drehgestellen)
-15 % bis + ∞
≥ 12t
(Güterwagen mit zwei Radsätzen)
Änderung der max. Radsatzlast   +1,5t
Massenträgheitsmoment des Wagenkastens (um die z-Achse - nur bei Güterwagen mit zwei Radsätzen)   -100 % bis + 10 %
Vertikale Aufhängung
primär oder sekundär
Steifigkeit 0 bis + 25 %
Übergangslasten -5 % bis 0
Ausdrehmoment des Drehgestells   -20 % bis + 20 %
Massenträgheitsmoment des ganzen Drehgestels (um die z-Achse)   -100 % bis + 10 %
Nenndurchmesser des Rades   -10 % bis + 15 %

Für den Nachweis für die oben erwähnten wie für die begleitenden Kriterien wie Festigkeit, Bremsvermögen, kinematische Begrenzungslinie usw. ist unter der Hersteller bzw. der Auftragnehmer verantwortlich.

.

Anhang JJ 09

(Änderungen gültig ab dem 1. Juli 2009 gemäß Art. 4 der Entscheidung2009/107/EG)

JJ.1. Liste der offenen Punkte

In der folgenden Tabelle sind die offenen Punkte dieser TSI zusammengefasst und es ist jeweils angegeben, ob sie mit der technischen Kompatibilität zwischen Infrastruktur und Fahrzeugen im Zusammenhang stehen (Spalte "JA") o oder nicht (Spalte "NEIN").

TSI-Abschnitt Titel JA NEIN
4.2.3.3.2. Heißläuferortung X  
4.2.6.2. Aerodynamische Effekte   X
4.2.6.3. Seitenwinde X  
4.3.3. Teilsystem Verkehrsbetrieb und Verkehrssteuerung   X
6.1.2.2. Die Bewertung der Qualität von Schweißverbindungen hat nach den nationalen Vorschriften zu erfolgen. X  
6.2.2.1. Die Bewertung der Qualität von Schweißverbindungen hat nach den nationalen Vorschriften zu erfolgen. X  
6.2.2.3. Bewertung der Instandhaltung X  
6.2.3.4.2. Aerodynamische Effekte   X
6.2.3.4.3. Seitenwinde X  
Anhang E Laufflächen bleiben ein offener Punkt, bis die EN veröffentlicht ist X  
Anhang L Die Spezifikation für Räder aus Stahlguss ist ein offener Punkt. Eine neue EN ist beantragt. X  
Anhang P      
P.1.1. Steuerventil   X
P.1.2. Regelbares Lastbremsventil und automatischer Lastwechsel   X
P.1.3. Gleitschutzeinrichtung   X
P.1.7. Absperrhähne   X
P.1.10. Bremsbacken - Entwurfsbewertung X  
P.1.11. Schnellbremsbeschleuniger   X
P.1.12. Wiegeventil und Lastwechseleinrichtung   X
P.2.10. Bremsbacken - Produktbewertung X  

JJ.2. Schliessung offener Punkte und zusätzliche Spezifikationen für Güterwagen nach Abschnitt 7.6.4

1. Schliessung offener Punkte

Für Wagen, die in Abschnitt 7.6 dieser TSI genannt sind, werden die offenen Punkte, die in der Spalte ,JJa von Anhang JJ-1 angegeben sind, in diesem Abschnitt geschlossen.

1.1. Heißläuferortung

Der offene Punkt, der in Abschnitt 4.2.3.3.2 dieser TSI genannt ist, ist geschlossen, falls der Wagen den Spezifikationen des einschlägigen Technischen ERA-Dokuments entspricht.

1.2. Seitenwinde

Der offene Punkt, der in den Abschnitten 4.2.6.3 und 6.2.3.4.3 dieser TSI genannt ist, ist ohne verbindliche Bestimmung zum Wagenentwurf geschlossen. Eventuell finden Maßnahmen für den Betrieb Anwendung.

1.3. Bewertung der Qualität von Schweißverbindungen

Der offene Punkt, der in den Abschnitten 6.1.2.2 und 6.2.21 dieser TSI genannt ist, ist mit der Anwendung der EN 15085-5 vom Oktober 2007 geschlossen.

1.4. Bewertung der Instandhaltung

Der offene Punkt, der in Anhang D dieser TSI genannt ist, ist wie folgt geschlossen: Alle Instandhaltungsunterlagen, die

  1. von einem früheren registrierten Eisenbahnunternehmen, das zum Zeitpunkt der Aufhebung der RIV-Vereinbarung RIV-Mitglied war, angewendet wurden, oder
  2. gemäß einer nationalen oder internationalen Bestimmung genehmigt wurden und auch die Anforderungen dieser TSI erfüllen, sind gültig. Die Betriebsleistungen gelten als befriedigend.

1.5. Laufflächen

Der offene Punkt, der in Anhang E dieser TSI genannt ist, ist wie folgt geschlossen: Laufflächendefekte werden im Rahmen der Instandhaltung berücksichtigt.

1.6. Gussräder

Der offene Punkt, der in Anhang L dieser TSI genannt ist, ist wie folgt geschlossen: Räder aus Gussstahl sind bis zur Veröffentlichung einer Europäischen Norm nicht genehmigt.

1.7. Entwurf und Bewertung von Verbundwerkstoff-Bremsbacken

Der offene Punkt, der in den Anhängen P.1.10 und P.2.10 dieser TSI genannt ist, ist mit dem einschlägigen Technischen Dokument geschlossen, das auf der ERA-Internetseite veröffentlicht ist.

2. Zusätzliche Spezifikationen

Die folgenden zusätzlichen Spezifikationen sind für Wagen, die in Abschnitt 7.6.4 genannt sind, ebenfalls vorgeschrieben.

2.1. Puffer und Zugeinrichtungen

Bedingungen für die dynamischen Musterprüfungen

Betriebsanforderungen Aufzubringende Kräfte
Lebens-
dauer
(J)
Überlebens-
wahrschein-
lichkeit
(%)
Sicherheits-
faktor
(fN)
Bezeichnung Schritt 1 Schritt 2
      1 MN ΔF1 = 200 kN ΔF2 = 675 kN
      1,2 MN ΔF1 = 240 kN ΔF2 = 810 kN
      1,5 MN ΔF1 = 300 kN ΔF2 = 1.015 kN
        N1 in Zyklen N2 in Zyklen
20 97,5 1,7 Alle 106 1,45 × 103
30 97,5 1,7 Alle 1,5 × 106 2,15 × 103

Die dynamischen Musterprüfungen sind an drei Zugeinrichtungen ohne elastische Vorrichtung durchzuführen. Alle drei Prüflinge müssen die Prüfungen ohne sichtbare Schädigung überstehen. Es dürfen keine Risse eintreten und die Zugkraft darf nicht unter 1.000 kN sinken.

2.2. Festigkeit der Fahrzeugstruktur

Zusätzlich zu den Spezifikationen von Abschnitt 4.2.2.3.1 dieser TSI ist Folgendes vorgeschrieben:

2.3. Hebepunkte

Zusätzlich zu den Spezifikationen von Abschnitt 4.2.2.3.2.4 dieser TSI müssen die Hebepunkte der folgenden Abbildung entsprechen:

Abbildung Relevage sur la voie/Rerailing

2.4. Radsatzwellen

Zusätzlich zu den Spezifikationen von Abschnitt 5.4.2.4 und Anhang M 1.4 dieser TSI gelten für die zulässigen Höchstlasten die folgenden Normen: EN 13103 Abschnitt 7, EN 13260 Abschnitt 3.2.2 und EN 13261 Abschnitt 3.2.3.

2.5. Dynamikverhalten des Fahrzeugs

Zusätzlich zu den Spezifikationen von Abschnitt 4.2.3.4 dieser TSI ist in den Sonderfällen, in denen die Drehgestelle nicht in Anhang Y aufgeführt sind, die EN 14363 oder das UIC-Merkblatt 432 anzuwenden.

Zusätzlich zu den Spezifikationen von Abschnitt 4.2.3.4.2.2 dieser TSI gilt für die Sicherheit gegen Entgleisen beim Befahren von Gleisverwindungen:

2.6. Längsdruckkräfte

Zusätzlich zu den Spezifikationen von Abschnitt 4.2.3.5 und Anhang R dieser TSI ist die Einhaltung von Abschnitt 3.2 des UIC-Merkblattes 530-2 vorgeschrieben, außer bezüglich der Anforderungen, mit der UICStudiengruppe (SG) 2 in Austausch zu treten und deren Zustimmung einzuholen.

2.7. Bremsen

2.7.1. Energiespeicher

Zusätzlich zu den Spezifikationen von Abschnitt 4.2.4.1.2.4 dieser TSI muss der Energiespeicher so ausgelegt sein, dass nach Betätigung der Bremse (bei maximalem Bremszylinderdruck und maximalem Zylinderhub ungeachtet des Beladungszustands des Wagens) ohne weitere Energiezufuhr der Druck im Hilfsreservoir um mindestens 0,3 bar höher ist als der Bremszylinderdruck.

2.8. Zweiachsige Güterwagen

Zusätzlich zu den Spezifikationen von Abschnitt 4.2.3.4.2.4 dieser TSI ist die Anwendung des UIC-Merkblattes 517 für die Berechnung der Federung von zweiachsigen Güterwagen vorgeschrieben.

2.9. Elektrische oder elektromagnetische Interferenz

Wagen, die mit einer Energieversorgung ausgerüstet sind, die elektrische Interferenz verursachen kann, ist nach den UIC-Merkblättern 550-2 und 550-3 zu prüfen. Die elektromagnetische Signatur von maximalen Zugbildungen ist zu validieren.

2.10. Güterwagen der Sonderbauart

Für die folgenden Wagenarten gelten jeweils die entsprechenden zusätzlichen Spezifikationen:

2.11. In das VK kommende Wagen

Wagen, die in das VK kommen, müssen auch die Anforderungen des UIC-Merkblatts 503 bezüglich der spezifischen Bedingungen des VK erfüllen.


.

- gestrichen - Anhang KK 12

.

Referenzdokument Heissläuferortung Anhang LL 09

(Änderungen gültig ab dem 1. Juli 2009 gemäß Art. 4 der Entscheidung2009/107/EG)

Hinweis: Dieser Anhang wird auch als Technisches Dokument der Europäischen Eisenbahnagentur (ERA) veröffentlicht und gemäß Artikel 1a Absatz 4 weiter aktualisiert.

1. Benennungen und Definitionen

Im Sinne dieses Anhangs gelten die folgenden Benennungen und Definitionen:

Achslager: Lager oder Lagerbaugruppe an der Radsatzwelle eines Schienenfahrzeugs, das/die einen Teil des Gewichts des Schienenfahrzeugs direkt auf den Radsatz überträgt.

Radsatzlager: Bauteil, einschließlich zum Beispiel des Kartuschenlageradapters, das das Achsschenkellager aufnimmt oder damit in Berührung ist und eine Verbindung zum Drehgestell und/oder der Federungsvorrichtung herstellt.

Heißläuferortungsanlage (HABD):

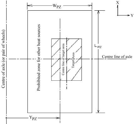
Zielzone: festgelegter Bereich auf der Unterseite eines Radsatzlagers, dessen Temperatur auslegungsgemäß durch eine Heißläuferortungsanlage (HABD) überwacht wird.

Zielfläche: Abmessungen der Zielzone im Grundriss, d. h. in der X-Y-Ebene.

Verbotszone: Zone, in der Wärmequellen, wie Abgasleitungen, die das Verhalten einer Heißläuferortungsanlage (HABD) beeinflussen können, ausgeschlossen oder thermisch abgeschirmt sind.

Fahrzeugkoordinaten: Fahrzeugkoordinaten, Abbildung 1, beruhen auf einem rechtshändigen kartesischen Koordinatensystem, bei dem die positive X-Achse (Längsachse) entlang des Fahrzeugs in Fahrtrichtung und die Z-Achse senkrecht nach oben weist und dessen Ursprung sich im Mittelpunkt der Radsatzwelle befindet. Die Y-Achse ist die Querachse.

Abbildung 1 Fahrzeugkoordinaten

Radsatz: Einheit bestehend aus: einer Achswelle, zwei Rädern und deren Radlagern oder aus einem Paar unabhängiger Räder an derselben Längsposition und deren Lager.

Wärmequelle: Teil des Fahrzeugs, das eine Temperatur oberhalb der Betriebstemperatur an der Unterseite des Radsatzlagers aufweisen kann, wie eine Heißladung oder eine Abgasleitung.

2. Symbole und Abkürzungen

Im Sinne dieses Anhangs gelten die folgenden Symbole und Abkürzungen:

HABD Heißläuferortungsanlage
IM Infrastrukturverwalter (gemäß Definition der TSI)
LPZ Länge der Verbotszone in Längsrichtung (in mm)
LTA Länge der Zielfläche in Längsrichtung (in mm)
PZ Verbotszone
RST Fahrzeug (gemäß Definition der TSI)
RU Eisenbahnunternehmen (gemäß Definition der TSI)
TA Zielfläche
TSI Technische Spezifikation für die Interoperabilität WPZ Breite der Verbotszone in Querrichtung (in mm)
WTA Breite der Zielfläche in Querrichtung (in mm)
YPZ Querposition des Mittelpunkts der Verbotszone bezogen auf die Fahrzeugmittellinie (in mm)
XTA Längsposition des Mittelpunkts der Zielfläche bezogen auf die Fahrzeugmittellinie
YTA Querposition des Mittelpunkts der Zielfläche bezogen auf die Fahrzeugmittellinie

3. Anforderungen an das Fahrzeug

Dieser Abschnitt enthält die fahrzeugseitigen Anforderungen an die HABD-Schnittstelle.

3.1. Zielzone

Die Zielzone ist ein Bereich auf der unteren Oberfläche eines Radsatzlagers, der durch die Schnittfläche des Radsatzlagers mit einem virtuellen Würfel beschrieben wird, dessen waagerechte Querschnittsfläche unter Verwendung der Fahrzeugkoordinaten durch die Abmessungen XTa und YTa gegeben ist. Die waagerechte Querschnittsfläche des virtuellen Würfels ist daher mit der Grundrissfläche der Zielzone (d. h. in der X-Y-Ebene), im Folgenden als "Zielfläche" bezeichnet, deckungsgleich.

3.2. Zielfläche

Die Zielfläche ist räumlich in Bezug auf die Achsabmessungen angeordnet und legt eine Fläche fest, innerhalb der eine Heißläuferortungsanlage (HABD) die Temperatur eines Radsatzlagers fokussiert überwachen kann. Abbildung 2 zeigt die Position und die Mindestabmessungen der Zielfläche unter Verwendung der Fahrzeugkoordinaten.

Abbildung 2 Abmessungen und Position der Zielfläche (TA) in der X-Y-Ebene (Ansicht von unten)

3.3. Abmessungen der Zielfläche

Unter Berücksichtigung der mechanischen Toleranzen muss die Zielfläche

3.4. Position der Zielfläche in der X-Y-Ebene

In der X-Y-Ebene liegt die Mittellinie der Zielfläche in einem Abstand in Querrichtung (YTA) von der Mittellinie der Achse (oder der Mittellinie eines Räderpaars an derselben Position), wobei YTa größer oder gleich 1 065 mm und kleiner oder gleich 1.095 mm ist. In der Längsachse muss die Mittellinie der Zielfläche mit der Mittellinie der Achse zusammenfallen.

3.5. Sichtanforderungen an die Zielfläche

Die Fahrzeuge sind so zu konstruieren, dass zwischen Zielzone und Heißläuferortungsanlage (HABD) kein Hindernis liegt, die ein Fokussieren der HABD innerhalb der Zielzone beeinträchtigen oder verhindern würde und somit eine Messung der Wärmestrahlung der Zielzone verhindern würde.

Hinweis: Die Konstruktion des Radsatzlagers des Fahrzeugs sollte eine homogene Temperaturverteilung innerhalb der Zielzone zum Ziel haben.

4. Andere mechanische Konstruktionsanforderungen

Um die Möglichkeit zu minimieren, dass eine HABD die Temperatur einer Wärmequelle ermittelt, die kein Radsatzlager ist, sind die Fahrzeuge so zu konstruieren, dass sich keine anderen Wärmequellen, z.B. Heißladung oder Abgasleitungen, unmittelbar neben oder über der Zielfläche befinden. Um dies auf einfache Weise zu erreichen, darf keine andere Wärmequelle innerhalb der in diesem Dokument definierten Verbotszone angeordnet werden.

Hinweis 1: Falls sich aufgrund der Fahrzeugkonstruktion eine andere Wärmequelle außer einem Radsatzlager möglicherweise oder unvermeidlich innerhalb der Verbotszone befindet, muss diese Wärmequelle thermisch abgeschirmt werden, um fehlerhafte Temperaturberechnungen durch eine HABD, die die Wärmestrahlung misst, zu vermeiden.

Hinweis 2: Die Verbotszone ist für alle Fahrzeuge einzuhalten, einschließlich beispielsweise Fahrzeuge mit innengelagerten Achsen.

4.1. Verbotszone

Die Verbotszone wird durch eine Rechteckfläche bestimmt, die die Zielfläche einschließt und durch Ausdehnung in senkrechter Richtung einen virtuellen Würfel bildet. Die Abmessungen des Würfels sind LPZ und WPZ in der X-Y-Ebene und HPZ in der Hochachse. Abbildung 3 zeigt eine mögliche Position der Zielfläche in der Verbotszone unter Verwendung der Fahrzeugkoordinaten.

Der Würfel der Verbotszone muss unter Berücksichtigung mechanischer Toleranzen die folgenden Abmessungen haben:

Der Mittelpunkt der Verbotszone muss folgende Position in der X-Y-Ebene haben:

Abbildung 3 Abmessungen der Verbotszone (PZ) in der X-Y-Ebene (Ansicht von unten), dargestellt ist die mögliche
Position einer Zielfläche

5. Verweistabelle

Zum Zweck der Nachverfolgbarkeit ist eine Verweistabelle beigefügt, die dieses Dokument zur ursprünglichen prEN 15437 in Beziehung setzt.

Dokument - Abschnitt prEN 15437 - Abschnitt
1 3.0
2 4.0
3 5
3.1 5.1
3.2 5.1.1
3.3 5.1.2
3.4 5.1.3
3.5 5.1.4
4 5.2
4.1 5.2.1

.

Fahrzeugstrukturen und Anbauteile Anhang YY


Festigkeitsanforderungen an bestimmte arten von Wagenbauteilen

YY.1 Einführung

Dieser Anhang enthält die Anforderungen an die Auslegung von Wagenbauteilen und Systemen zur Ladungssicherung. Die Anforderungen sind so anzuwenden, dass sie dem beabsichtigten Einsatz entsprechen.

YY.2 Festigkeit der Konstruktion des Wagenkastens

YY.2.1 Beanspruchungen durch vertikale Lasten

Für den vertikalen Lastfall müssen die Ladungen auf dem Fahrzeug verteilt werden:

je nachdem, was die ungünstigste Beanspruchung auf das Untergestell ergibt.

Die größte Durchbiegung des Untergestells darf bei diesen Lastfällen 3o/oo vom Radsatz- oder Drehzapfenabstand ggü. der Ausgangslage nicht überschreiten (einschließlich der Auswirkungen von Durchbiegungen in Gegenrichtung -Vorsprengungen).

YY.2.2 Kombinierte Beanspruchungen

Für bestimmte Wagenbauarten, wie die mit gekröpfter/abgesenkter Ladefläche, ist die Kombination der Beanspruchungen aus horizontaler und vertikaler Last besonders zu berücksichtigen.

Kesselwagen für den Transport von unter Druck stehenden Erzeugnissen müssen sowohl der Belastung entsprechend der höchstzulässigen Tragfähigkeit als auch der Belastung durch den größtmöglichen Betriebsdruck gemäß RID, für den der Tank auszulegen ist, standhalten, ohne bleibende Schäden davonzutragen.

YY.2.3 Festigkeit des Wagenbodens unter der Beanspruchung durch Flurförderzeuge und Straßenfahrzeuge

Der Wagenboden muss den nachfolgenden Belastungen ohne bleibende Verformung standhalten können:

Anmerkung: Wiederholte Belastungen dieser Art müssen unter Umständen als Fälle von Dauerbeanspruchung betrachtet werden.

YY.3 Gedeckte Wagen mit festem Dach und festen oder beweglichen Seitenwänden und gedeckte Wagen mit öffnungsfähige Dächern

YY.3.1 Festigkeit der festen Seiten- und Stirnwände

In einer Höhe von 1 m über dem Boden müssen die Wände den unten definierten Kräften standhalten {Kraftrichtung: von der Innenseite nach außen}. Bei Kühlwagen müssen die Merkmale des Werkstoffs, aus dem die Innenverkleidung und die Isolierung bestehen, berücksichtigt werden. Es gibt vier Lastfälle:

  1. Querkraft wirkt auf alle Seitenwandsäulen
  2. Längskraft wirkt auf alle Stirnwandsäulen
  3. bei Metallwänden wirkt eine Querkraft an einem Punkt an der Lüftungsöffnung und in deren Achse auf die Seitenwand.
  4. bei Metallwänden wirkt eine Längskraft in der Achse der Stirnwand
Lastfall Aufzubringende Mindestbelastung
kN
Zulässige bleibende Verformung
- mm
a 8 2
b 40 1
c 10 3
d 18 2

Bei den obigen Lastfällen c) und d) muss die Belastungsfläche 100 x 100 mm betragen.

Anmerkung: Wände aus Holzplatten müssen den gleichen Belastungen standhalten wie Metallwände - Die Platten müssen in einer Weise gefertigt sein, die eine gleichbleibende Qualität und Leistungsfähigkeit sicherstellt.

YY.3.2 Festigkeit der Seitenwandtüren

Schiebetüren (ein- und zweiteilige Türen)

Querbelastung

Die geschlossenen und verschlossenen Türen müssen einer vom Wageninnern nach außen wirkenden horizontalen Normalkraft standhalten, die den Kräften bei einer Verschiebung der Ladung wie auch den Druckunterschieden, die sich bei der Begegnung von Hochgeschwindigkeitspersonenzügen in Tunneln ergeben. Diese Kraft wird unter folgenden Bedingungen aufgebracht:

  1. In der Mitte der Tür wird eine Kraft von 8 kN auf eine Fläche von 1 x 1 m aufgebracht;
  2. An jedem Anlenkpunkt der Tür wird eine Kraft von 5 kN auf eine Fläche von 300 x 300 mm aufgebracht.

Aus dieser Belastung darf sich keine bleibende Verformung und kein Verlust an Funktionalität ergeben, weder an der Tür selbst (Türblatt und Rahmen) noch an der Verriegelung, den Schiebe- oder Führungsteilen.

YY.3.3 Festigkeit von Schiebewänden

Die Schiebewände, geschlossen und abgeschlossen, müssen einer vom Wageninnern nach außen wirkenden horizontalen Querkraft standhalten, die den Kräften bei einer Verschiebung der Ladung wie auch den Druckunterschieden entspricht, die sich bei der Begegnung von Hochgeschwindigkeitspersonenzügen in Tunneln ergeben. Die Lastfälle sind wie folgt:

  1. Schiebewände, die weniger als 2,5 m lang sind, müssen die gleichen Lastfälle erfüllen wie Schiebetüren;
  2. Auf Schiebewände von 2,5 m bis zu 5 m Länge wird in der Wandmitte auf eine Fläche von 1 x 1 m eine Belastung von 20 kN aufgebracht.

  3. Auf Schiebewände über 5 m < 7 m Länge wird in jedem Fall in einem Abstand von 1/4 der Länge der Schiebewand vom Ende der Schiebewand aus und in einer Höhe von 1 m auf eine Fläche von 1 x 1 m eine Belastung von 15 kN aufgebracht.

  4. Auf Schiebewände über 7 m Länge wird in jedem Fall in einem Abstand von 1/4 der Länge der Schiebewand vom Ende der Schiebewand aus und in einer Höhe von 1 m auf eine Fläche von 1 x 1 m eine Belastung von 20 kN aufgebracht.

Zusätzlich ist eine 10 kN-Belastung auf eine Fläche von 200 mm Höhe und 300 mm Breite auf den Schiebewanduntergurt zwischen zwei Anlenkpunkten unmittelbar über dem Boden aufzubringen.

YY.3.4 Kräfte, die sich aus der Begegnung von Zügen ergeben

Einzelne Festigkeitsanforderungen an die äußeren Anlenkpunkte der Schiebewände (Vorderseite auf einer Fläche von 200 mm Höhe und 300 mm Breite):

  1. bei Wagen mit zwei Radsätzen und bei Drehgestellwagen mit mehr als 2 Schiebewänden pro Seite; Kraft = 11,5 kN
  2. bei Drehgestellwagen mit 2 Schiebewänden pro Seite; Kraft = 14 kN.

Der Kraftangriffspunkt muss unmittelbar über dem Boden und im Dachbereich so nahe wie möglich am oberen Anlenkpunkt sein. Für die obere Belastung ist es zulässig, diese noch auf den senkrechten Abschnitt der Schiebewand aufzubringen.

Aus den v. g. Lastfällen darf sich keine sichtbare bleibende Verformung oder Beschädigung an den Schließ-, Roll- und Führungsteilen der Schiebewände ergeben. Es muss möglich sein, die Schiebewände ohne Schwierigkeiten zu bewegen. Die zulässige bleibende Verformung darf höchstens so groß sein wie der halbe Abstand zwischen der inneren Seite einer geöffneten Wand und dem am weitesten hervorspringenden Punkt einer geschlossenen Wand.

YY.3.5 Festigkeit der verriegelbaren Trennwände von Schiebewandwagen

Wenn die Trennwand verriegelt ist, wird auf eine quadratische Fläche von 1 x 1 m in 600 mm und 1,100 mm über der Bodenoberkante eine Kraft aufgebracht, die einem Auflaufstoß von 5 t bei einer Geschwindigkeit von 13 km/h entspricht und die Beanspruchung simuliert, die von einer palettierten Ladung erzeugt wird. Die auf die Trennwand wirkenden Kräfte und die entstehende Verformung sind zu messen. Die Verformung darf nicht zur Folge haben, dass die Trennwand abgeschert wird oder ein Schaden am Verriegelungsmechanismus entsteht.

Auf den Sitz des unteren Bolzens wird über eine Druckplatte von 100 x 100 mm eine Kraft von 50 kN aufgebracht. Aus der Belastung darf sich keine Beschädigung und keine verbleibende Verformung ergeben.

YY.3.6 Festigkeit des Dachs

Das Dach muss einer von außen nach innen auf eine Fläche von 200 cm2 wirkenden Kraft von 1 kN ohne wesentliche Verformung standhalten.

Zusätzlich müssen Schiebedächer einer von innen nach außen auf eine Fläche von 300 x 300 mm wirkenden senkrechten Kraft von 4,5 kN pro Anlenkpunkt standhalten. An den Schließ-, Roll- und Führungsteilen der Schiebedächer dürfen sich aus dieser Belastung keine Beschädigungen oder bleibenden Verformungen ergeben.

YY.4 Wagen mit voll öffnungsfähigem Dach (Roll- und Schwenkdächer)

YY.4.1 Wagen für den Transport schwerer Stückgüter

Festigkeit der Seitenwände

Die Seitenwände müssen einer Gesamtkraft von 30 kN standhalten, die in einer Höhe von 1,5 m über dem Boden auf die 4 Mittelsäulen aufgebracht wird. Gegebenenfalls muss die elastische Verformung des oberen Gurtes unterhalb der Grenze liegen, bei der sich das Dach aus der Führungsschiene löst. Nach Beseitigung der Belastung muss das Dach wieder voll funktionstüchtig sein.

Festigkeit der Seitenwandtür

Die Standardanforderungen an Türen nach 3.2 müssen erfüllt sein.

Festigkeit des Dachs

Wo vorhersehbar ist, dass das Dach von Personen begangen werden könnte, muss das Dach dem Gewicht einer darauf gehenden Person standhalten. Es muss in der Lage sein, eine Kraft von 1 kN am ungünstigsten Punkt auf einer Fläche von 300 x 300 mm aufzunehmen.

YY.4.2 Wagen für den Transport schwerer Massengüter

Festigkeit der Seitenwände

Entsprechend 4.1.

Festigkeit der Seitenwandtür

Entsprechend 3.2.

Festigkeit des Dachs

Entsprechend 3.6

YY.5 Offene Wagen

YY.5.1 Festigkeit der Seitenwände gegenüber seitlich wirkenden Kräften, Schlagfestigkeit der oberen Saumeisen der Seiten- und Stirnwände

Die folgenden Beanspruchungen werden 1,5 m über dem Wagenboden horizontal nach außen aufgebracht.

  1. eine Kraft von 100 kN, aufgebracht auf vier Mittelsäulen jeder Seitenwand, wie unten angezeigt;
  2. eine Kraft von 40 kN, aufgebracht auf die Ecksäulen der mit Kopfklappen ausgerüsteten Wagen
  3. eine Kraft von 25 kN in der Mitte der Saumeisen der Seitenwände;
  4. eine Kraft von 60 kN in der Mitte des Obergurtes der Kopfklappen bei den Güterwagen, die damit ausgerüstet sind.

Anmerkung: Bei den Versuchen a) und b) sind die festgesetzten Kräfte zweimal aufeinanderfolgend aufzubringen und nur die Verformungen zu berücksichtigen, die während der zweiten Lastaufbringung gemessen werden.

Die bleibende Verformung im Bereich der Aufbringung der Kraft darf 1 mm nicht überschreiten. Außerdem darf die elastische Verformung keine Lademaßüberschreitung verursachen.

Lokale Verformungsversuche

An den Saumeisen der Seitenwände sind durch Aufbringung einer senkrechten Kraft von 40 kN Eindrückversuche, wie unten dargestellt, durchzuführen. Die bleibende Verformung darf im Bereich der Aufbringung der Kraft 2 mm nicht überschreiten.

YY.5.2 Festigkeit der Seitenwandtüren

In Höhe des Schließriegels der Tür oder 1 m über dem Wagenboden und auf der Mittellinie der Türöffnung muss eine horizontale Kraft von 20 kN aufgebracht werden. Die bleibende Verformung an der Tür selbst darf 1 mm nicht überschreiten, und es dürfen sich keine Beschädigungen oder bleibenden Verformungen an den Gelenken und Verschlussteilen ergeben.

YY.6 Flachwagen und gemischte flach-/offene Wagen

YY.6.1 Festigkeit der Seiten- und Stirnwandklappen

Anforderung: Die heruntergeklappten Klappen, die auf den Puffern oder bei Stirnwandklappen auf fest mit dem Pufferträger verbundenen Stützen aufliegen und bei Seitenwandklappen auf einer hohen Laderampe, müssen einer Last standhalten, wie sie sich durch einen Lkw ergibt, der bis zu einer Radlast von 65 kN je tragendes Zwillingslaufrad beladen ist und auf eine Gesamtfläche von 700 cm2 drückt (Radbreite ca. 200 mm).

Aus der Anwendung dieses Lastfalls darf sich keine sichtbare bleibende Verformung ergeben. Für Stirnwandklappen aus Aluminiumlegierung sind unter Umständen zusätzliche dynamische Prüfungen notwendig. Zusätzlich zu dem vorgenannten Versuchen sind die unten aufgezeigten Lastfälle und statischen Versuche auszuführen.

Stirnwandklappe

Seitenwandklappe

YY.6.2 Festigkeit der festen Seitenwandborde

Auf die festen Seitenwandborde ist eine Kraft von 30 kN aufzubringen, die auf eine Fläche von ungefähr 350 x 200 mm am Saumeisen in der Mitte der Seitenwand aufgebracht wird und in horizontaler Richtung vom Inneren des Wagens nach außen wirkt.

YY.6.3 Festigkeit der Seitenwandrungen

Drehrungen oder Einsteckrungen müssen die folgenden Belastungen aufnehmen:

YY.6.4 Festigkeit der Stirnwandrungen

Jede Stirnwandrunge muss eine nach außen gerichtete horizontale Belastung von 80 kN aufnehmen, die 350 mm über der Bodenoberkante einwirkt.

YY.7 Schwerkraft-Selbstentladewagen

YY.7.1 Festigkeit der Wände

Die Wände müssen den Kräften standhalten, die aus der höchstzulässigen Last der Ladung resultiert, für die die Wagen ausgelegt sind.

YY.8 Wagen für die Beförderung von ISO-Containern und/oder Wechselbehältern

YY.8.1 Befestigung von ISO-Containern und Wechselbehältern

Für die Befestigung von ISO-Containern und Wechselbehältern auf Schienenfahrzeugen müssen Festlegeeinrichtungen verwendet werden, die mit den ISO-Eckbeschlägen oder Befestigungsblechen der Ladeeinheiten kompatibel sind. Zur Zeit werden als Ladungssicherungseinrichtungen Aufsetzzapfen und Drehverschlüsse benutzt.

YY.8.2 Festigkeitsanforderungen an die Festlegeeinrichtungen für ISO-Container/Wechselbehälter

Die Festlegeeinrichtungen für ISO-Container/Wechselbehälter, ihre zugehörigen Halterungen und ihre Befestigung am Fahrzeug müssen den nachstehend angeführten Beschleunigungen standhalten können. Die Beschleunigungen beziehen sich dabei auf das maximale Bruttogewicht der ISO-Container/Wechselbehälter. Die resultierende Kraft ist auf die Grundplatte des ISO-Containers/Wechselbehälters aufzubringen, wenn dieser mit der in der nachstehenden Tabelle angegebenen Anzahl von Festlegeeinrichtungen befestigt ist, wobei angenommen wird, dass diese die Last gleichmäßig aufnehmen. Für den Nachweis der Dauerschwingfestigkeit sind 107 Schwingzyklen oder die in den Dauerfestigkeitsschaubildern angegebene Anzahl von Zyklen durchzuführen (wenn diese geringer ist).

  Richtung Beschleunigung Anzahl der Befestigungspunkte
Prüflasten Längs 2g Gehalten an 2 beliebigen Punkten
Quer 1g Gehalten an 2 beliebigen Punkten
Senkrecht nach unten 2g Gehalten an 4 Punkten
Senkrecht nach oben 1g Gehalten an 2 beliebigen Punkten
Dauerbelastungen Längs ± 0,2 g Gehalten an 4 Punkten
Quer ± 0,25 g Gehalten an 4 Punkten
Senkrecht ± 0,6 g Gehalten an 4 Punkten

Die Aufsetzzapfenbefestigung muss, einer senkrecht nach oben gerichteten Belastung von 150 kN, aufgebracht entlang der Mittellinie des Aufsetzzapfens, standhalten, ohne dass Verformungen auftreten, die den Zapfen für die Verwendung unbrauchbar machen.

YY.8.3 Anordnung der Festlegeeinrichtungen für ISO-Container/Wechselbehälter

Längsanordnung

Die Festlegeeinrichtungen müssen so positioniert werden, dass sie mit der Länge der Container/Wechselbehälter übereinstimmen, die der jeweilige Wagen tragen soll. In der folgenden Tabelle sind die Längsabstände zwischen den Festlegeeinrichtungen für verschiedene Längen von Containern und Wechselbehältern aufgeführt.

Container / Wechselbehälter
Abmessungs-Code
Container / Wechselbehälter
Länge
Längsabstand zwischen den Festlegeeinrichtungen (mm)
mm Fuß/Zoll
1 2.991 10" 2.787 ± 2
2 6.058 20" 5.853 ± 3
3 9.125 30" 8.918 ± 4
4 12.192 40" 11.985 ± 5
A 7.150   5.853 ± 3
B 7.315 24" 5.853 ± 3
C 7.420   5.853 ± 3
D 7.430 24"6" 5.853 ± 3
E 7.800   5.853 ± 3
F 8.100   5.853 ± 3
G 12.500 41" 11.985 ± 5
H 13.106 43" 11.985 ± 5
K 13.600   11.985 ± 5
L 13.716 45" 11.985 ± 5
M 14.630 48" 11.985 ± 5
N 14.935 49" 11.985 ± 5
P 16.154   11.985 ± 5

Seitliche Anordnung

Feste Aufsetzzapfen

Die festen Aufsetzzapfen müssen seitlich in einem Abstand von 2.259 ± 2 mm auf dem Wagen angebracht werden.

Klappriegel (Klappbare Aufsetzzapfen)

Die nachfolgende Abbildung zeigt die Abmessungen (a1, a2 und C) für Paare von Aufsetzzapfen nach Entfernen der Spiele in der von den Pfeilen angezeigten Richtung. Diese Abmessungen sind während des Betriebs einzuhalten, unabhängig von der Bauart der Aufsetzzapfen (z.B. Klappriegel, feste Aufsetzzapfen):

Abmessungen der Aufsetzzapfen

Die Betriebsgrenzmaße der Aufsetzzapfen sind wie folgt:

Herstellungsmaße Betriebsgrenzmaße
R3 Maximal R15
45° Maximal 65°
4+ 0,5/0 Mindestens 3,5 mm
90°0/+ 1,5 Maximal 90°0/+ 2,0 (siehe Anmerkung)

Anmerkung: Der Winkel ist wie folgt zu messen: bei seitlicher Belastung des Aufsetzzapfenkopfes zur Wagenmitte hin (d. h. Entfernen sämtlicher Spiele) zwischen dem Schaft des Aufsetzzapfens und einem Stahllineal, das auf den Langträgerbereichen beider gegenüberliegender Aufsetzzapfen aufliegt.

Die Aufsetzzapfen müssen folgende Herstellungsmaße aufweisen:

YY.9 Anforderungen an andere Ladungssicherungseinrichtungen

Die Mindestanforderungen an die Dehngrenze von Spannwinden, Gewebegurten und Sicherungsringen sind folgendermaßen:

Spannwinden, die zusammen mit Gewebegurten benutzt werden, müssen einer Belastung von 76 kN standhalten.

Gewebegurte müssen eine Festigkeit von mindestens 45 kN aufweisen.

Weitere Anforderungen sind in der nachfolgenden Tabelle beispielhaft für eine Reihe bestehender europäischer Güterwagen angegeben.

Wagenbauart und Länge über Puffer Alphacode Bauart, Anzahl und Anordnung der erforderlichen Ladungssicherungseinrichtungen Lastfall (oder Abmessungen) für jede Ladungssicherungseinrichtung
Geschlossene Wagen der Bauarten 1 und 3 mit zwei Radsätzen
14,02 m
Gbs 18 Klappringe oder feste Stege zur Ladungssicherung an jeder Seitenwand, davon 8 in der oberen Reihe (1,1 m über dem Boden) und 10 in der unteren Reihe (0,35 m über dem Boden) Sicherungsringe müssen aus Rundstahl mit einem Durchmesser von mindestens 14 mm hergestellt sein.
Wenn Wagen mit Ladungssicherungseinrichtungen ausgestattet sind, die sich im Wagenboden befinden, dann müssen sollten jeweils 6 davon gleichmäßig über jede der beiden Seitenwände verteilt sein (insgesamt 12). Muss einer Zugkraft von 85 kN standhalten können, aufgebracht im Winkel von 45° zur Bodenfläche und von 30° zur Längsmittenachse des Wagens
Geschlossene Wagen der Bauart 2 mit zwei Radsätzen
10,58 m
Gs 14 Klappringe oder feste Stege zur Ladungssicherung an jeder Seitenwand, davon 6 in der oberen Reihe und 8 in der unteren Reihe Sicherungsringe sollten aus Rundstahl mit einem Durchmesser von mindestens 14 mm hergestellt sein.
Wenn Wagen mit Ladungssicherungseinrichtungen ausgestattet sind, die sich im Wagenboden befinden, dann sollten jeweils 4 davon gleichmäßig über jede der beiden Seitenwände verteilt sein (insgesamt 8). Sollten einer Zugkraft von 85 kN standhalten können, aufgebracht im Winkel von 45° zur Bodenfläche und von 30° zur Längsmittenachse des Wagens
Geschlossene Wagen der Bauart 3 mit zwei Radsätzen
14,02 m
Hbfs 18 Klappringe oder feste Stege zur Ladungssicherung an jeder Seitenwand, davon 8 in der oberen Reihe (1,1 m über dem Boden) und 10 in der unteren Reihe (0,35 m über dem Boden) Sicherungsringe sollten aus Rundstahl mit einem Durchmesser von mindestens 14 mm hergestellt sein.
Wenn Wagen mit Ladungssicherungseinrichtungen ausgestattet sind, die sich im Wagenboden befinden, dann sollten jeweils 4 gleichmäßig über jede der beiden Seitenwände verteilt sein (insgesamt 8). Sollten einer Zugkraft von 85 kN standhalten können, aufgebracht im Winkel von 45° zur Bodenfläche und von 30° zur Längsmittenachse des Wagens
Hochbordige Wagen mit zwei Radsätzen
10,0 m
Es Um die Abdeckung oder Sicherung der Ladung zu ermöglichen, sollten an der Außenseite des Wagenkastens Ladungssicherungseinrichtungen befestigt werden, und zwar 8 auf jeder Seitenwand. Sollten aus Rundstahl mit einem Durchmesser von mindestens 16 mm hergestellt sein
Flachwagen mit zwei Radsätzen
13,86 m
Ks Bindeösen oder Bindestege zur Befestigung der Abdeckung. 24 außen an den Seitenwandklappen und 8 außen an den Stirnwandklappen Sollten aus Rundstahl mit einem Durchmesser von mindestens 16 mm hergestellt sein
8 Bindeösen oder Bindestege (4 je Seitenwand), die bündig mit der Innenseite der Seitenwandklappen abschließen Sollten aus Rundstahl mit einem Durchmesser von mindestens 16 mm hergestellt sein
12 in den Wagenboden eingelassene Ladungssicherungseinrichtungen, gleichmäßig über die Seitenwände verteilt Muss einer Zugkraft von 170 kN standhalten können, aufgebracht im Winkel von 45° zur Bodenfläche und von 30° zur Längsmittenachse des Wagens
Gemischte offene/Flachwagen mit zwei Radsätzen
13,86 m
Os Am Bodenrahmen außen angebrachte Wagendeckenringe, 12 an jeder Seitenwand und 4 an jeder Stirnwand Sollten aus Rundstahl mit einem Durchmesser von mindestens 16 mm hergestellt sein
An jeder Seitenwand sollten 4 Bindeösen am Bodenrahmen angebracht werden. Sollten aus Rundstahl mit einem Durchmesser von mindestens 16 mm hergestellt sein
Geschlossene Drehgestellwagen der Bauart 1
16,52 m
Gas/Gass 16 Klappringe oder feste Stege, d. h. 8 an jeder Seitenwand. Die Ladungssicherungseinrichtungen sollten 0,35 m über dem Wagenboden angebracht werden und dürfen nicht vorstehen. Keine Festigkeitsanforderungen spezifiziert
Geschlossene Drehgestellwagen der Bauart 2
21,7 m
Gabs/Gabss Insgesamt 14 Ladungssicherungseinrichtungen auf den Seitenwänden, d. h eines an jedem Ende der Seitenwände, eines an jedem Türpfosten und eines in der Mitte jeder Seitenwand. Die Ladungssicherungseinrichtungen sollten ungefähr 1,5 m oberhalb des Wagenbodens angebracht werden. Sie müssen bündig mit der Wand abschließen. Müssen einer Zugkraft von 40 kN standhalten können, aufgebracht parallel zur Längsmittenachse des Wagens
Typ 1 Hochbordige Drehgestellwagen der Bauart 1
14,04 m
Eas/Eaos 13 Bindeösen außen an jeder Seitenwand
2 Bindeösen außen an jeder Stirnwand
Sollten aus Rundstahl mit einem Durchmesser von mindestens 16 mm hergestellt sein
Hochbordige Drehestellwagen der Bauart 2
15,74 m.
gsein

Eanos

6 Bindeösen innen an jeder Seitenwand
2 Bindeösen innen an jeder Stirnwand. Die Ösen sollten in möglichst gleichmäßigen Abständen ungefähr 0,2 m über dem Wagenboden angebracht und müssen bündig mit den Wänden abschließen, wenn sie nicht benutzt werden.
Müssen einer Zugkraft von 40 kN standhalten, aufgebracht im Winkel von 45° zur Bodenfläche und von 30° zur Längsmittenachse des Wagens
14 Bindeösen außen an jeder Seitenwand
2 Bindeösen außen an jeder Stirnwand
Sollten aus Rundstahl mit einem Durchmesser von mindestens 16 mm hergestellt sein
Drehgestell-Flachwagen der Bauart 1 (ohne Seitenwand)
19,9 m
Rs/Res 36 Bindeösen an den Außenlangträgern Sollten aus Rundstahl mit einem Durchmesser von mindestens 16 mm hergestellt sein
8 Bindeösen außen an den Stirnwand-

klappen

Sollten aus Rundstahl mit einem Durchmesser von mindestens 16 mm hergestellt stellt sein
18 Haken an den Außenlangträgern Jeder Haken sollte einen Querschnitt haben, der mindestens einem Durchmesser von 40 mm entspricht.
Drehgestell-Flachwagen der Bauart 1 (mit Seitenwandklappen)
19,9 m
Rns/Rens 36 Bindeösen an den Außenlangträgern Sollten aus Rundstahl mit einem Durchmesser von mindestens 16mm hergestellt sein
8 Bindeösen außen an den Stirnwandklappen Sollten aus Rundstahl mit einem Durchmesser von mindestens 16 mm hergestellt sein
18 Bindestege, die bündig mit der Innenseite der Seitenwandklappen/Stirnwandklappen abschließen Sollten aus Rundstahl mit einem Durchmesser von mindestens 16mm hergestellt sein
18 Ladungssicherungseinrichtungen im Wagenboden, gleichmäßig über die Länge verteilt. Sie dürfen nicht über den Boden hinausragen, wenn sie nicht benutzt werden Müssen einer Zugkraft von 170 kN standhalten können, aufgebracht im Winkel von 45° zur Bodenfläche und von 30° zur Längsmittenachse des Wagens
Drehgestell-Flachwagen der Bauart 2 (ohne Seitenwandklappen)
14,04 m
Rmms / Rmmns 24 Bindeösen an den Außenlangträgern Sollten aus Rundstahl mit einem Durchmesser von mindestens 16 mm hergestellt sein
8 Bindeösen außen an den Stirnwandklappen( Sollten aus Rundstahl mit einem Durchmesser von mindestens 16 mm hergestellt sein
14 Haken an den Außenlangträgern Jeder Haken sollte einen Querschnitt haben, der mindestens einem Durchmesser von 40 mm entspricht.
Drehgestell-Flachwagen der Bauart 2 (ohne Seitenwandklappen)
19,9 m
Remms / Remmns 24 Bindeösen an den Außenlangträgern Sollten aus Rundstahl mit einem Durchmesser von mindestens 16 mm hergestellt sein
8 Bindeösen außen an den Stirnwandklappen Sollten aus Rundstahl mit einem Durchmesser von mindestens 16 mm hergestellt sein
12 Bindestege, die bündig mit der Innenseite der Seitenwandklappen / Stirnwandklappen abschließen Sollten aus Rundstahl mit einem Durchmesser von mindestens 16 mm hergestellt sein
12 Ladungssicherungseinrichtungen im Wagenboden, gleichmäßig über die Längsseiten verteilt. Sie dürfen nicht über den Boden hinausragen, wenn sie nicht benutzt werden Muss einer Zugkraft von 170 kN standhalten können, aufgebracht im Winkel von 45° zur Bodenfläche und von 30° zur Längsmittenachse des Wagens
Drehgestellwagen mit öffnungsfähigem Dach
14,04 m. - 14,29 m.
Taems Der Wagenboden kann mit 6 Ladungssicherungseinrichtungen ausgerüstet werden, die gleichmäßig auf jeder Seite des Wagens verteilt sind (insgesamt 12). Wenn solche Ladungssicherungseinrichtungen vorhanden sind und nicht benutzt werden, müssen sie bündig mit dem Wagenboden abschließen und die in der nebenstehenden Spalte angegebenen Festigkeitsanforderungen erfüllen. Müssen einer Zugkraft von 170 kN standhalten können, aufgebracht im Winkel von 45° zur Bodenfläche und von 30° zur Längsmittenachse des Wagens
Geschlossene Drehgestellwagen der Bauart 1 mit Schiebewänden
21,7 m
Habiss Es wird empfohlen, den Wagenboden mit 16 Ladungssicherungseinrichtungen auszustatten. Wenn solche Ladungssicherungseinrichtungen angebracht werden, dann sollten sie in Abständen von 4.370 mm/600 mm/4.200 mm/1.000 mm/4.200 mm/600 mm/4.370 mm in Längsrichtung angeordnet werden. In seitlicher Richtung sollten die Ladungssicherungseinrichtungen 970 mm von der Längsmittenachse des Wagens entfernt angebracht werden. Sie dürfen nicht über die Bodenoberfläche hinausragen, wenn sie nicht benutzt werden. Muss einer Zugkraft von 85 kN standhalten können, aufgebracht im Winkel von 45° zur Bodenfläche und von 30° zur Längsmittenachse des Wagens
Geschlossene Drehgestellwagen der Bauart 2a mit Schiebewänden
24,13 m
Habbins Der Wagen sollte mit 16 Ladungssicherungseinrichtungen im Wagenboden ausgestattet sein. Die Ladungssicherungseinrichtungen sollten in einheitlichen Abständen an beiden Seitenwänden angebracht werden. Sie dürfen nicht über den Boden hinausragen, wenn sie nicht benutzt werden Muss einer Zugkraft von 85 kN standhalten können, aufgebracht im Winkel von 45° zur Bodenfläche und von 30° zur Längsmittenachse des Wagens
Beide Stirnwände des Wagens sollten mit jeweils 4 Ladungssicherungseinrichtungen ausgestattet sein, die in 2er-Gruppen in der Nähe der Ecksäulen im Innern des Wagens in einer Höhe von ungefähr 0,75 und 1,5 m über dem Boden angebracht werden. Muss einer Zugkraft von 30 kN in allen Richtungen standhalten können, wenn diese Kraft gleichzeitig auf zwei in gleicher Höhe angebrachte Ladungssicherungseinrichtungen aufgebracht wird.
Geschlossene Wagen der Bauarten 1a und 2a mit Schiebewänden und mit zwei Radsätzen
14,2 m. beziehungsweise 15,5 m.
Hbins/Hbbins Der Wagen sollte mit 12 Ladungssicherungseinrichtungen im Wagenboden ausgestattet sein. Diese müssen in einheitlichen Abständen an beiden Seiten angebracht werden. Sie dürfen nicht über den Boden hinausragen, wenn sie nicht benutzt werden Muss einer Zugkraft von 85 kN standhalten können, aufgebracht im Winkel von 45° zur Bodenfläche und von 30° zur Längsmittenachse des Wagens
Beide Stirnwände des Wagens sollten mit 4 Ladungssicherungseinrichtungen ausgestattet sein, die in 2er-Gruppen in der Nähe der Ecksäule im Innern des Wagens in einer Höhe von ungefähr 0,75 und 1,5 m über dem Boden angebracht werden. Sie dürfen nicht aus der Wand hervorragen, wenn sie nicht benutzt werden. Muss einer Zugkraft von 30 kN in allen Richtungen standhalten können, wenn diese Kraft gleichzeitig auf zwei in gleicher Höhe angebrachte Ladungssicherungseinrichtungen aufgebracht wird.
Drehgestellflachwagen mit verschiebbarem Planenverdeck
19,9 m beziehungsweise 20,09 m
Rils/Rilns Es wird empfohlen,10 versenkbare Bindeösen anzubringen. Diese sollten gleichmäßig in Längsrichtung verteilt werden und bündig mit dem Boden abschließen, wenn sie nicht benutzt werden. Muss einer Zugkraft von 170 kN standhalten können, aufgebracht im Winkel von 45° zur Bodenfläche und von 30° zur senkrechten Ebene der Längsmittenachse des Wagens
Es wird empfohlen, 4 Bindeösen an den Innenseiten der Stirnwände anzubringen. Keine Anforderungen an die Festigkeit spezifiziert
Flachwagen mit 2 Drehgestellen mit jeweils drei Radsätzen
16,4 m
Sammns An den Längsträgern sollten 26 Bindeösen aus Rundstahl befestigt werden Sollten aus Rundstahl mit einem Durchmesser von mindestens 16 mm hergestellt werden
Am Boden sollten 12 Bindeösen befestigt werden; sie sollten gleichmäßig über die beiden Wagenseiten verteilt werden und bündig mit dem Boden abschließen, wenn sie nicht benutzt werden. Muss einer Zugkraft von 170 kN standhalten können, aufgebracht im Winkel von 45° zur Bodenfläche und von 30° zur senkrechten Ebene der Längsmittenachse des Wagens

YY.10 Seilhaken

Sind Seilhaken vorhanden, dann müssen sie die folgenden Anforderungen erfüllen:

Wagenmerkmal Anzahl der Seilhaken Anbringungsort der Seilhaken
Allgemeiner Fall Zwei auf jeder Seite In der Nähe der Ecken
Ein oder zwei Endbühnen oder Übergangsstege, deren Breite in Höhe des Untergestelles ≤ 2.500 mm ist Einer auf jeder Seite frei
Es ist unmöglich, Seilhaken an den Ecken anzubringen. Einer auf jeder Seite In der Mitte

Der Seilhaken und seine Befestigung am Untergestell müssen so stabil sein, dass eine Wagengruppe mit der Gesamtmasse von 240 t mit einem einzigen Haken gezogen werden kann, wobei die Zugkraft nach außen gerichtet ist und unter einem Winkel von 30° zur Gleisachse wirkt. Um dies zu erreichen, muss der Haken so konstruiert sein, dass er einer Zugkraft von 50 kN standhält.

Anmerkungen

  1. Der Seilhaken muss so angebracht sein, dass keine Gefahr besteht, die Tritte, Betätigungseinrichtung für die Kupplungen und der Bremsen durch das Abschleppseil zu beschädigen.
  2. Der Seilhaken muss so angebracht sein, dass kein Risiko besteht, dass sich die Kleidung eines Rangierers (besonders die Hosenbeine) beim Auf- und Absteigen verfängt.
  3. Um die potentielle Gefahr für Personal seitlich des Zuges zu reduzieren, dürfen keine Teile der Seilhaken mehr als 250mm über das Wagenuntergestell oder den Wagenkasten hinausragen. Wo Teile des Hakens zwischen 150 mm und 250 mm über das Wagenuntergestell oder den Wagenkasten hinausragen, müssen der Haken und seine Halterung gelb angestrichen werden.

.

Strukturen und mechanische Teile Anhang ZZ


Zulässige Beanspruchung auf der Grundlage von Dehnungskriterien

ZZ.1 Baustähle

Für Baustähle kann der Sicherheitsgrad, der in Abschnitt 3.4.3 der EN12663:2000 durch den Faktor S2 ausgedrückt wird, anhand der Zugfestigkeit bestimmt werden. In der folgenden Tabelle sind ein verringerter Wert für S2 und praxisbewährte zulässige Kriterien nach dieser Vorgehensweise aufgeführt.

  Materialeigenschaft Zulässige Beanspruchung
  Faktor S 2
Grundmetall R < 0,8 Rm S2 = 1,25 σc = R
R > 0,8 Rm a > 10 % S2 < 1,25 σc = R
R > 0,8 Rm a < 10 % S2 = 1,25 σc ≤ Rm/1,25
Schweißverbindung R < 0,8 R m S2 = 1,25 σc ≤ R/1,1
R > 0,8 Rm a > 10 % S2 < 1,25 σc ≤ R/1,1
R > 0,8 Rm a < 10 % S2 = 1,25 σc ≤ Rm/1,375

Anmerkung: Die Notierung ist wie in EN12663:2000; a = Bruchdehnung des Werkstoffes

ZZ.2 Andere Werkstoffe

Für andere Werkstoffe ist die zulässige Beanspruchung der niedrigere der beiden Werte von Streckgrenze (oder Dehngrenze) des Werkstoffes und Zugfestigkeit des Werkstoffes geteilt durch den Faktor S2 gemäß der Definition in Abschnitt 3.4.3 der EN12663. S2 ist als 1,5 anzusetzen, sofern die in der Euronorm vorgegeben Kriterien keinen niedrigeren Wert zulassen.


ENDE

umwelt-online - Demo-Version


(Stand: 03.06.2025)

Alle vollständigen Texte in der aktuellen Fassung im Jahresabonnement
Nutzungsgebühr: ab 105.- € netto

(derzeit ca. 7200 Titel s.Übersicht - keine Unterteilung in Fachbereiche)

Preise & Bestellung

Die Zugangskennung wird kurzfristig übermittelt

? Fragen ?
Abonnentenzugang/Volltextversion