umwelt-online: Entscheidung 2008/232/EG über die technische Spezifikation für die Interoperabilität des Teilsystems "Fahrzeuge" des transeuropäischen Hochgeschwindigkeitsbahnsystems (10)
![]() |
zurück | ![]() |
G.5 Bewertung der charakteristischen Windkurven
G.5.1 Bestimmung der aerodynamischen Eigenschaften
G.5.1.1 Allgemeine Hinweise
Derzeit werden nur Windkanalversuche als geeignet erachtet, um ausreichend zuverlässige Werte für die aerodynamischen Eigenschaften von Zügen zu erhalten.
Die aerodynamischen Eigenschaften sind sowohl für einen flachen Untergrund als auch für einen Bahndamm mittels eines Referenzbahndamms von 6 m Höhe zu bestimmen.
Bei der Untersuchung eines neuen Fahrzeugs sind ein Referenzfahrzeug, und zwar das erste Fahrzeugs eines ICE3, eines TGV Duplex oder eines ETR500, gefolgt vom betreffenden zweiten Fahrzeug auf dieselbe Weise in demselben Windkanal zu testen und zu messen.
Die Definition des aerodynamischen Koordinatensystems und der aerodynamischen Beiwerte muss gemäß EN 14067-1:2003 erfolgen.
G.5.1.2 Anforderungen an Windkanalversuche
Für den Windkanal müssen so große Abmessungen wie möglich gewählt werden, um störende Einwirkungen von Grenzschichten (z.B. von den Wänden, der Grenzschicht von Decke und Boden) und die Wirkung von Windkanalversperrungen zu vermeiden. Insbesondere ist bei der Untersuchung der aerodynamischen Kräfte und Momente auf einem Bahndamm die Wirkung von Versperrungen zu berücksichtigen.
G.5.1.2.1 Abmessungen des Testabschnitts
Für Gierwinkel von bis zu 30° darf die Versperrung 10 % nicht überschreiten, selbst wenn ein Bahndamm vorhanden ist.
Bei Windkanälen mit geschlossenem Testabschnitt werden für Versperrungsverhältnisse von über 5 % Versperrungskorrekturen empfohlen.
Bei Windkanälen mit offenem oder teilweise offenem Testabschnitt muss das Versperrungsverhältnis bei einem Gierwinkel von 30° unter 5 %liegen, und es sind keine Korrekturen erforderlich.
G.5.1.2.2 Turbulenzniveau
Die atmosphärische Turbulenzschicht ist in den Windkanalversuchen nicht darzustellen. Es ist ein Turbulenzniveau von Tux ≤ 2,5 % sicherzustellen, mit Tux =
, wobei u die Geschwindigkeitskomponente in Strömungsrichtung angibt.
G.5.1.2.3 Grenzschicht
Das Geschwindigkeitsprofil des Windkanals muss ein gleichförmiges Profil, d. h. ein Blockprofil sein. Die Strömungsgeschwindigkeit muss unabhängig von der Höhe über dem Boden sein, ausgenommen für eine dünne Grenzschicht am Windkanalboden. Die Dicke der Grenzschicht, δ95%, muss gegenüber der Höhe des Fahrzeugs gering sein.
G.5.1.2.4 Reynolds-Zahl
Die Reynolds-Zahl auf Basis der Windgeschwindigkeit im Kanal, der charakteristischen Länge von 3 m (dividiert durch den Maßstab des Modells) sollte den kritischen Wert überschreiten, oberhalb dem die Kräfte und Momente sich mit steigender Reynolds-Zahl nicht wesentlich ändern. Dies ist durch Versuchsergebnisse nachzuweisen.
Die Mach-Zahl darf nicht größer als 0,3 sein. Wenn der reale Zug bei Mach-Zahlen über 0,3 betrieben wird, dann darf die Mach-Zahl nicht größer sein als die des realen Zuges.
G.5.1.2.5 Messinstrumente
Die Dichte der Luft im Windkanal sowie ihre Temperatur, ihr Druck und ihre Feuchtigkeit müssen bestimmt werden.
Die aerodynamischen Kräfte und die aerodynamischen Momente sind mit einem Fünf-Komponenten-Dynamometer zu messen (CFx ist nicht erforderlich). Die Empfindlichkeit und die Montage der Waage muss dem Bereich der gemessenen Lasten entsprechen.
G.5.1.3 Anforderungen an das Modell
Die Maßgenauigkeit des Modells muss in Bezug auf die natürlichen Maße höher als 10 mm sein. Alle in aerodynamischer Hinsicht wichtigen Details, wie die Windschutzscheibe oder die Aussparungen für die Stromabnehmer, müssen maßstabsgetreu nachgebildet werden.
Der Stromabnehmer selbst ist nicht im Modell wiederzugeben.
Eine Vereinfachung der Drehgestelle ist erlaubt. Es müssen nur die grundlegenden geometrischen Eigenschaften der Drehgestelle dargestellt werden, um den korrekten Massenstrom und den Druckabfall im Strömungsbereich unter dem Wagenkasten sicherzustellen.
Das Modell muss symmetrisch sein, auch wenn der reale Zug keine perfekte symmetrische Bauweise aufweist (z.B. aufgrund von Details im Unterflurbereich). Dies erlaubt eine Überprüfung der Symmetrie im Windkanal, um Fehlerquellen in der Messung aufgrund von Strömungsasymmetrien zu untersuchen.
G.5.1.4 Anforderungen an das Versuchsprogramm
Um die Gültigkeit der Ergebnisse zu gewährleisten, müssen Überprüfungen der Symmetrie und der Reproduzierbarkeit durchgeführt werden.
Gierwinkel
Es sind Gierwinkel zwischen 0° und 70°, in Schritten von 5°, zu betrachten.
Für alle dazwischen liegenden Gierwinkel ist eine lineare oder höherwertige Interpolation zu verwenden.
Anström- und Abströmkörper
Für alle zu untersuchenden Fahrzeuge muss ein Abströmkörper mit mindestens der halben Fahrzeuglänge neben dem Modell angeordnet werden. Der echte Querschnitt ist für mindestens ein Drittel der Länge eines Fahrzeugs darzustellen. Die Hinterkante dieses Körpers muss stromlinienförmig sein.
Wenn das zu untersuchende Fahrzeug kein führendes Fahrzeug ist, muss mindestens ein komplettes vorausgereihtes Fahrzeug vorhanden sein, um realistische Bedingungen vorne im Sinne der Anströmung sicherzustellen. Der echte Wagenabstand zwischen den Fahrzeugen muss dargestellt werden. Der mechanische Kontakt zwischen dem Versuchsmodell und den passiven Körpern muss jederzeit ausgeschlossen sein. Schwingungen des Modells und der benachbarten passiven Körper sind zu vermeiden.
Konfigurationen des Untergrunds
Bis zur eindeutigen Definition der Konfigurationen des Untergrunds in einer europäischen Norm gilt Folgendes: Die Messungen sind für zwei Szenarien durchzuführen:
Der aerodynamische Beiwert Cmx,lee, der für die betreffenden Gierwinkel aus dem Versuch für das Referenzfahrzeug erhalten wird, muss eine Qualität innerhalb von 10 % für den flachen Untergrund und innerhalb von 20 % für den Bahndamm bestätigen.
Abbildung G.2 Schotter und Schiene
Abbildung G.3 Standardbahndamm von 6 m Höhe
G.5.2 Beschreibung des Windszenarios
Die für die Methode erzeugte Windböe entspricht einer festen Amplitude (die der Wahrscheinlichkeit einer Amplitude von ~ 99 % entspricht) und einer Wahrscheinlichkeit von über 50 % für die Böendauer (Art der Verteilung). Des Weiteren hat der gewählte Ansatz folgende Merkmale:
Die Eingabedaten für das Szenario sind:
Vtr Zuggeschwindigkeit
Umax maximale Windgeschwindigkeit
γ Windrichtung in Bezug auf die Strecke
Die folgenden Parameter sind fest:
z = 4 m Referenzhöhe
à = 2,84 normierte Amplitude der Böe à = (Umax - U)/σu mit der mittleren Windgeschwindigkeit U,
zo = 0,07 m Rauigkeitslänge von Streckenabschnitten, die für interoperable Strecken repräsentativ sind
Pr(T) = 0,5 Wahrscheinlichkeit einer Böe der Dauer T für eine gegebene Amplitude A
G.5.3 Berechnung der Eigenschaften der Turbulenz
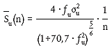
G.5.3.1 Turbulenzintensität
Auf einem Streckenabschnitt mit der Höhe z = 4 m ist die Turbulenzintensität I gleich 0,245. Das Böenlastvielfache wird aus der Turbulenzintensität und der normierten Amplitude der Böe berechnet.
G = 1 + Ã ⋅ 1 = 1,6946.
Für die normierte Amplitude und somit für das Böenlastvielfache wird ein fester Faktor gewählt. In speziellen Bereichen oder für spezifische Anwendungen können verschiedene Werte für Ä aus der Analyse meteorologischer Messungen gewählt werden.
Aus dem Böenlastvielfachen kann von einer gegebenen maximalen Windgeschwindigkeit Umax die mittlere Windgeschwindigkeit Umean abgeleitet werden:
Umean = Umax/ G = Umax/ 1,6946
Anschließend ergibt sich aus der mittleren Windgeschwindigkeit und der Turbulenzintensität die Standardabweichung der Längskomponente (der mittleren Windgeschwindigkeit folgend) des Windes σu;
σu = l ⋅ Umean = l(Umax/G) = 0,1443Umax.
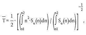
G.5.3.2 Böendauer
Die Berechnung der Zeitkonstanten der Böe leitet sich aus den Spektraleigenschaften (Leistungsspektraldichte) der charakteristischen Länge in Längsrichtung Lux ab (d. h. Böe, x-Richtung und u-Komponente folgend):
Die mittlere Böendauer T, ergibt sich aus folgender Integralgleichung:
wobei die Leistungsspektraldichte der Turbulenz Su(n) durch die von Karmansche Gleichung ausgedrückt wird:
wobei
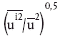
die normierte Frequenz ist und
n die Frequenz vom minimalen Wert (n1) bis zum maximalen Wert (n2). Die Werte n1 und n2 sind die Grenzwerte für die Integration des Frequenzspektrums der Windböe. Für die untere Frequenz n1 wird 1/300 Hz und für die obere Frequenz n2 1 Hz angenommen.
Die Dauer der maximalen Böe ergibt sich aus:
wobei der Exponent q durch Messungen erhalten wurde und mit 1,42 angenommen wird.
G.5.3.3 Ableitung des resultierenden zeitlichen Verlaufs der Windböe
Wenn die Zeitkonstanten bekannt sind, kann der zeitliche Verlauf der dimensionslosen Windschwankungen in Längs- und Querrichtung der mittleren Windrichtung folgend abgeleitet werden. Die dimensionslosen Schwankungen der Windgeschwindigkeit der Komponente u in Längsrichtung ax und in Querrichtung ay können dann als Abstand s des Maximums der Windböe wie folgt ausgedrückt werden:
wobei s die Koordinate in Richtung des Gleises mit s = Vtr ⋅(t-tmax) ist; tmax ist die Zeit der maximalen Einwirkung der Böe auf den Zug und D ist der Winkel zwischen Gleis und Windrichtung.
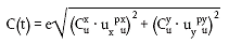
Aus dem Kohärenzabnahmekoeffizienten und dem Exponentialkoeffizienten der Böe parallel und senkrecht zur mittleren Windgeschwindigkeit kann eine Korrelationsfunktion zum Zeitpunkt t wie folgt berechnet werden:
mit
C(t): Korrelationsfunktion zwischen der Amplitude der Böe zum Zeitpunkt t und der maximalen Amplitude der Böe
Cux: Kohärenzabnahmekoeffizient in mittlerer Windrichtung (Parameterwert: 5,0)
Cuy: Kohärenzabnahmekoeffizient senkrecht zur mittleren Windrichtung (Parameterwert: 16,0)
pux: Exponentialkoeffizient in mittlerer Windrichtung (Parameterwert: 1,0)
puy: Exponentialkoeffizient senkrecht zur mittleren Windrichtung (Parameterwert: 1,0)
Alle Parameterwerte basieren auf Messungen.
Die auf den Zug einwirkende Windgeschwindigkeit lässt sich anschließend mit folgender Formel ermitteln:
vwind (t) = Umean+ Ã ⋅ σ ⋅ C(t).
Für das Windszenario ist der folgende zeitliche Verlauf zu berücksichtigen (die Dauer der maximalen Windböe ist t3 = 14 s):
Von t = 0 bis t = t1 = 0,5 s: vwind (t) = 0;
Von t = t1 = 0,5 s bis t = t2 = 3 s: lineare Erhöhung von vwind bis zum Erreichen von Umean bei t = t2 = 3 s;
Von t = t2 = 3 s bis t = t3 = 10 s: vwind (t) = Umean:
Von t = t3 = 10 s bis t = t4 = 14 s: vwind (t) = Umean+ Ã ⋅σu ⋅C(t),
Von t = t4 = 14 s bis t = t5 = 17 s: vwind (t) = Umean+ Ã ⋅σu ⋅C(t);
Von t = t5 = 17 s bis t = t6 = 30 s vwind (t) = Umean.
Der zeitliche Verlauf der Windgeschwindigkeit ist in Abbildung G.1 dargestellt.
Abbildung G.1 Zeitlicher Verlauf der Windgeschwindigkeit
Hinweis: Dieses Windböenszenario ist für komplette Gliedertriebzüge nicht geeignet. Für diese Triebzüge muss ein alternatives Windböenszenario entwickelt werden.
Das räumliche Windszenario ist mit Hilfe eines räumlichen Mittelwertfilters auf der Basis eines Fensters, dessen Größe der Fahrzeuglänge entspricht, und in Schritten kleiner als 0,5 m zu filtern.
G.5.4 Bestimmung des dynamischen Verhaltens des Fahrzeugs
G.5.4.1 Allgemeine Hinweise
Das dynamische Verhalten des Fahrzeugs bei starkem Wind ist mit Hilfe von Mehrkörpersimulationen (MKS) zu bestimmen.
Ein allgemeinen Zwecken dienendes validiertes MKS-Programm ist in Verbindung mit einem Windböenszenario zu verwenden. Im Modellversuch ist das kritischste Fahrzeug des Zuges zu betrachten, wobei dieses Fahrzeug leer sein und sich im Betriebszustand befinden muss. Es ist zu überprüfen, ob eine gleichmäßige Verteilung von Fahrgästen nicht kritischer ist als ein leeres Fahrzeug (z.B. durch Verlagerung des Schwerpunkts), z.B. durch vereinfachte Prüfung mit einem komplett statischen Ansatz.
Wenn keine Wankeinschränkungen an der Kupplung vorliegen, ist nur die Modellierung des kritischen Fahrzeugs notwendig, andernfalls müssen benachbarte Fahrzeuge ebenfalls modelliert werden.
Gleisunregelmäßigkeiten sind nicht zu berücksichtigen.
Die Berechnung muss mit der Standardspurweite, dem UIC60-Schienenprofil, neuem Radprofil und Schienenneigungen von 120 und 140 durchgeführt werden. In der Bewertung hinsichtlich der Grenzwerte ist der ungünstigste Fall zu betrachten.
Die aerodynamischen Kräfte und Momente sind einzubeziehen.
Das Kriterium zur Definition der charakteristischen Windkurven (CWC) ist die durchschnittliche Radentlastung, ΔQ, des kritischsten Laufwerks (Drehgestell oder Einzelachse bei Laufwerken mit Einzelachsen). Diese Entlastung darf 90 % der statischen Radsatzlasten, Qo, des Laufwerks nicht überschreiten (siehe folgende Gleichung):
ΔQ / Qo < 0,9.
G.5.4.2 Modellierung
Die Modellierung des Fahrzeugs muss sich für die Untersuchung von Seitenwindeigenschaften eignen. Das dynamische Modell des Fahrzeugs muss ein 3-D-Modell sein.
Das dynamische Modell des Fahrzeugs muss mindestens die folgenden Elemente umfassen:
G.5.4.3 Überprüfung des Fahrzeugmodells
Das MKS-Modell ist auf der Basis von Daten aus Versuchen im Maßstab 1:1 zu überprüfen. Es ist wichtig, den Neigungskoeffizienten sowie die Massen und Schwerpunkte zwischen der Simulation und den Versuchen jeweils mit leerem (unbelastetem) Fahrzeug zu vergleichen.
Die Definition des Neigungskoeffizienten s muss gemäß Abschnitt 4.2.3.9 dieser TSI erfolgen. Wenn aus dem Versuch mehrere Werte für s vorliegen, ist der Durchschnitt zu verwenden. Die Differenz zwischen Simulation und Versuch darf nicht mehr als 10 % betragen.
Die Richtigkeit der Federpuffermodellierung ist nachzuweisen. Die Simulationsergebnisse hinsichtlich der Verschiebungen der Federpuffer müssen mit den Konstruktionsdaten übereinstimmen.
Die Gesamtmasse des Fahrzeugs wird gemessen als die Summe aller vertikalen Qo-Kräfte. Die durchschnittliche gemessene Masse der ersten beiden Serienfahrzeuge darf 99 % der in der Simulation verwendeten Fahrzeugmasse nicht unterschreiten. Des Weiteren darf die gemessene einzelne Radsatzlast, als Durchschnittswert für die ersten beiden Serienfahrzeuge, nicht weniger als 99 % der in der Simulation verwendeten einzelnen Radsatzlasten betragen.
Sofern Informationen verfügbar sind, müssen die folgenden Versuchsergebnisse ausgewertet werden:
G.6 Aerodynamische Kräfte und Momente als Eingabe für die Mehrkörpersimulation
Für jeden in Abschnitt G.7.4 definierten Fall sind verschiedene Berechnungen für die Reaktion des Fahrzeugs auf Windböen, die durch ihre maximale Geschwindigkeit Umax definiert sind, für steigende Werte von Umax durchzuführen, bis die in Abschnitt G.7.1 angegebenen Kriterien erfüllt sind. Die entsprechenden Diagramme der Werte für Umax, die die maximalen Entlastungskriterien für die Fahrzeuggeschwindigkeit und/oder den Windwinkel erfüllen, werden als charakteristische Windkurven (CWC) bezeichnet. Die Darstellung der CWC wird in Abschnitt G.7.4 ausführlich beschrieben.
Die Simulation der Reaktion des Fahrzeugs auf eine Böe ist unter Verwendung des in Abschnitt G.5 beschriebenen Windböenszenarios durchzuführen.
Für beide Konfigurationen, mit flachem Untergrund und mit Bahndamm, sind die fünf Komponenten der Kräfte und Momente (Fy, Fz, Mx, My und Mz) mit den folgenden Formeln zu berechnen:
wobei
G(t) ist der momentane Böenlastfaktor, berechnet durch Division der momentanen Windgeschwindigkeit des Scheibenventils durch die mittlere Geschwindigkeit.
Die für die Berechnung der aerodynamischen Kräfte und Momente verwendete Dichte ist ρ= 1,225 kg/m3.
Bei der Simulation werden keine Gleisunregelmäßigkeiten berücksichtigt.
Es ist nachzuweisen, dass die Integrationsmethode einen Integrationsschritt bei der maximalen Windspitze berechnet. Die ausgegebene Schrittgröße der Berechnung muss kleiner als 130 s sein.
G.7 Berechnung und Darstellung der charakteristischen Windkurven
G.7.1 Bewertung der Kriterien
Aus jedem Simulationslauf für variierte Parameter werden die Zeitdaten der Q-Kräfte für jedes Rad erhalten.
Die folgenden Berechnungsschritte sind erforderlich:
Hierbei bezeichnet Qo die Q-Kräfte für das leere (unbelastete) Fahrzeug ohne Erregung, Qi1 bezeichnet die Q-Kräfte des unbelasteten Rades des ersten Radsatzes im Drehgestell, und Qj1 bezeichnet die Q-Kräfte des unbelasteten Rades des zweiten Radsatzes im Drehgestell.
G.7.2 Berechnung der Windwerte und der Grenzwerte für ΔQ/Qo
Bei gekrümmten Gleisen wirkt zusätzlich zum Seitenwind die Zentrifugalkraft auf das Fahrzeug.
Die Berechnung ist mittels einer Mehrkörpersimulation auf einem geraden Gleis mit einer Elberhöhung entsprechend den Werten von aq durchzuführen.
G.7.3 Betrachtung verschiedener Windwinkel
Die berechneten charakteristischen Windgeschwindigkeiten können auf andere Kombinationen von Zuggeschwindigkeit und Winkel übertragen werden.
Die charakteristische Windgeschwindigkeit ergibt sich normalerweise für einen Windwinkel von 90° gegenüber dem Gleis. Um die charakteristischen Windkurven für andere Winkel zu erhalten, müssen die Geschwindigkeitsvektoren zuerst auf geometrische Weise zerlegt bzw. addiert werden (siehe Abbildung G.4).
Abbildung G.4 Geometrischer Ansatz zur Betrachtung des Angriffswinkels
Hierbei ist va der auf das Fahrzeug einwirkende Wind. Die Zerlegung von va in eine Komponente aus der Zuggeschwindigkeit (vtr0 und vtr1) und in eine Komponente aus der Windgeschwindigkeit (vw0 und vw1) ist auf verschiedene Arten möglich. Für die Vektorkette vw0 und vtr0 ist der Windwinkel βw0, und für die Vektorkette vw1 und vtr1 ist der Windwinkel βw1. Anschließend kann für die neue Dreiergruppe (vtr, vw, βw) die charakteristische Windgeschwindigkeit aus den charakteristischen Windkurven (CWC) abgeleitet werden, die ursprünglich auf einer anderen Dreiergruppe (vtr, vw, βw) basierten. Für ein gerades Gleis kann die Windgeschwindigkeit für verschiedene Angriffswinkel direkt in einem Diagramm ausgegeben werden. Ein Beispiel ist in Abbildung G.5 dargestellt.
Abbildung G.5 Geometrischer Ansatz zur Betrachtung des Angriffswinkels der CWC auf einem geraden Gleis
G.7.4 Darstellung der Windcharakteristika durch einzelne Punkte
Die charakteristischen Windkurven basieren auf den folgenden Punkten. Für diese Punkte müssen die charakteristischen Windgeschwindigkeiten berechnet werden.
G.7.4.1 Fahrzeug auf geradem Gleis
Für einen Windwinkel von βw = 90° gegenüber dem Gleis müssen die charakteristischen Windgeschwindigkeiten für die Zuggeschwindigkeiten vtr = 120 km/h, 160 km/h, 200 km/h, 250 km/h, 300 km/h und vtr,max sowohl für die Konfiguration mit flachem Untergrund als auch für die Konfiguration mit Bahndamm berechnet werden.
Zudem müssen für die maximale Betriebsgeschwindigkeit des Zuges die charakteristischen Windgeschwindigkeiten für die Winkel βw = 80° 70° 60°, 50°, 40°, 30° und 20° für beide Konfigurationen, mit flachem Untergrund und mit Bahndamm, berechnet werden. Die Konfiguration mit Bahndamm erfordert eine zusätzliche Berechnung für βw = 10°.
G.7.4.2 Fahrzeug in einer Kurve
Um den Lauf von Fahrzeugen in Kurven zu berücksichtigen, sind die Werte für ΔQ/Q0,curve für die Konfiguration mit flachem Untergrund für aq = 0,5 m/s2 und 1 m/s2 für die Zuggeschwindigkeiten vtr = 250 km/h, vtr = 300 km/h und vtr = vtr,max bei ungünstigen Bedingungen für ay zu berechnen.
G.8 Erforderliche Dokumentation
Die Bestimmung und Bewertung der charakteristischen Windkurven erfordern eine ausführliche Dokumentation, in der die zugrunde liegenden Parameter, die getroffenen Annahmen und die Schlussfolgerungen angegeben und erläutert sind. Die wichtigsten Schritte bei der Bestimmung und Bewertung der CWC sowie die Konformität mit Anhang G müssen klar nachgewiesen werden.
Demzufolge müssen die folgenden Dokumente zur Verfügung gestellt werden:
| Front- und Heckleuchten | Anhang H |
H.1 Begriffsbestimmungen
Frontscheinwerfer
Ein weißes Licht an der Spitze des Zuges, das eine visuelle Warnung vor einem sich nähernden Zug darstellt und zur Beleuchtung der Streckensignale dient.
Kennlicht
Ein weißes Licht an der Spitze des Zuges, das die Präsenz eines Zuges anzeigt.
Schlussleuchte
Ein rotes Licht am rückwärtigen Ende des Zuges, das die Präsenz eines Zuges anzeigt.
Kombinationsleuchten
Kombinationsleuchten (z.B. Leuchten, die verschiedene Funktionen erfüllen können) sind nur zulässig, wenn die Anforderungen an die einzelnen Funktionen der Leuchten erfüllt sind.
Normfarbsystem nach CIE 1931 (x, y, z)
System zur Angabe der Farbe, indem die Dreifarbenwerte (Tristimulus-Werte) der spektralen Leistungsverteilung von farbigem Licht unter Verwendung der Referenzfarbreize [X], [Y], [Z] und der drei CIE-Spektralwertfunktionen x(λ), y(λ), z(λ), die von der CIE 1931 festgelegt wurden, bestimmt werden (siehe CIE-Publikation Nr. 15.2-1986).
H.2 Frontleuchten
a) Frontscheinwerfer
Jeder Frontscheinwerfer muss eine weiße Lichtquelle mit einem Durchmesser von 170 mm liefern. Es können nichtrunde Frontscheinwerfer verwendet werden, wobei der Leuchtbereich mindestens 22.000 mm2 umfassen muss mit einem Mindestdurchmesser von 110 mm.
Fotometrische Anforderungen
Die entlang der Mittellinie des Frontscheinwerfers gemessene Lichtstärke muss die in Tabelle H1 angegebenen Werte liefern.
Die geforderten Lichtstärken müssen bei in das Fahrzeug eingebauten Frontscheinwerfern erreicht werden.
Tabelle H1 Lichtstärken von Frontscheinwerfern
| Frontscheinwerfer abgeblendet | Frontscheinwerfer voll aufgeblendet | |
| Lichtstärke (cd) entlang der Mittellinie | 12.000-16.000 | > 40.000 |
| Lichtstärke (cd) bei allen Winkeln innerhalb von 5° beidseitig der Mittellinie in horizontaler Ebene | > 3.000 | > 10.000 |
Die Bewertung ist in Abschnitt H.4 (b) beschrieben.
b) Kennlichter
Jedes Kennlicht muss eine weiße Lichtquelle mit einem Durchmesser von mindestens 170 mm liefern. Es können nichtrunde Kennlichter verwendet werden, wobei der Leuchtbereich mindestens 22.000 mm2 umfassen muss mit einem Mindestdurchmesser von 110 mm.
Fotometrische Anforderungen
Die entlang der Mittellinie des Kennlichts gemessene Lichtstärke muss die in den Tabellen H2 und H3 angegebenen Werte liefern.
Tabelle H2 Lichtstärken der unteren Kennlichter
| Unteres Kennlicht abgeblendet | Unteres Kennlicht aufgeblendet | |
| Lichtstärke (cd) entlang der Mittellinie | Minimum 100 | 300-700 |
| Lichtstärke (cd) bei 45° beidseitig der Mittellinie in horizontaler Ebene | 20-40 | |
Tabelle H3 Lichtstärken der oberen Kennlichter
| Oberes Kennlicht abgeblendet | Oberes Kennlicht aufgeblendet | |
| Lichtstärke (cd) entlang der Mittellinie | Minimum 50 | 150-350 |
Die Bewertung ist in Abschnitt H.4 (b) beschrieben.
c) Kolorimetrische und spektrale Anforderungen
Die Farbe des von Frontscheinwerfern und Kennlichtern ausgestrahlten Lichts muss die Anforderungen von CIE SO041E-2001 erfüllen (siehe folgende Tabelle H4):
Tabelle H4 Schnittpunkte des Farbbereichs
| Farbe des Lichts | Farbkoordinaten nach CIE 1931 der Schnittpunkte | ||||
| Weiß Klasse A | Schnittpunkt | I | J | K | L |
| x | 0,300 | 0,440 | 0,440 | 0,300 | |
| y | 0,342 | 0,432 | 0,382 | 0,276 | |
Die Bewertung ist in Abschnitt H.4 (a) beschrieben.
Spektrale Strahlungsverteilung von Licht
Die spektrale Strahlungsverteilung des verwendeten Lichts ist im Wesentlichen für die farbliche Erkennung von Zeichen verantwortlich. Alle Lichtarten müssen sicherstellen, dass sie zu keiner wesentlichen Verzerrung der Farben bei der farblichen Erkennung von Zeichen und anderen Objekten führen.
Um die Erfüllung dieser Anforderung nachzuweisen, gilt das Verhältnis kcolour zwischen dem gesamten sichtbaren Lichtbereich und den zu betrachtenden individuellen Spektralfarbenbereichen.
Das Verhältnis kcolour ist durch folgende Gleichung zu bestimmen:
S(λ) - spektrale Energieverteilung (durch Spektralmessung) als spektrale Strahlung in W/m2 sr oder als spektrale Verteilung der Bestrahlungsstärke in W/m2
V(λ) - relative spektrale Leuchtkraft (spektraler Hellempfindlichkeitsgrad einer monochromatischen Strahlung mit der Wellenlänge λ)
λcolour - Wellenlängenbereich des zu betrachtenden gesamten Farbbereichs (siehe Tabelle H5)
λtotal - Wellenlängenbereich des gesamten sichtbaren Farbbereichs 380 bis 780 nm
Tabelle H5 Farbverhältnisse
| λcolour[nm] | kcolour | |
| krot | 610-780 | ≥ 0,14 |
| korange | 560-660 | ≥ 0,50 |
| kgelb | 505-780 | ≥ 0,90 |
| kblau | 380-505 | ≤ 0,10 |
H.3 Heckleuchten
a) Schlussleuchten
Jede Leuchte muss eine rote Lichtquelle mit einem Durchmesser von mindestens 170 mm liefern. Es können nichtrunde Schlussleuchten verwendet werden, wobei der Leuchtbereich mindestens 22.000 mm2 umfassen muss mit einem Mindestdurchmesser von 110 mm.
b) Fotometrische Anforderungen
Die entlang der Mittellinie der Schlussleuchten gemessene Lichtstärke muss die in Tabelle H6 angegebenen Werte liefern.
Tabelle H6 Lichtstärken der Schlussleuchten
| Schlussleuchte | |
| Lichtstärke (cd) entlang der Mittellinie | 15-40 |
| Lichtstärke (cd) bei 7,5° beidseitig der Mittellinie in horizontaler Ebene | Minimum 10 |
| Lichtstärke (cd) bei 2,5° beidseitig der Mittellinie in vertikaler Ebene | Minimum 10 |
Die Bewertung ist in Abschnitt H.4 b) beschrieben.
c) Kolorimetrische Anforderungen
Die Farbe des von Schlussleuchten ausgestrahlten Lichts muss die Anforderungen von CIE SO041E-2001 erfüllen (siehe folgende Tabelle H7):
Tabelle H7 Schnittpunkte des Farbbereichs (Bewertung ist in Abschnitt H.4 a) beschrieben)
| Farbe des Lichts | Farbkoordinaten nach CIE 1931 der Schnittpunkte | ||||
| Rot | Schnittpunkt | A | B | C | D |
| x | 0,690 | 0,705 | 0,705 | 0,720 | |
| y | 0,295 | 0,295 | 0,280 | 0,280 | |
H.4 Konformitätsprüfung der interoperablen Komponenten
a) Kolorimetrische Prüfungen
Bei diesen Prüfungen ist die Farbe des von der Lampe ausgestrahlten Lichts für die Winkel zu testen, für die Lichtstärken angegeben sind, wobei der gesamte Leuchtbereich der Lampe einzubeziehen ist.
Prüfungsanforderungen
Die kolorimetrischen Prüfungen sind mit mindestens einer Lampe für jeden Typ bei der jeweiligen Nennspannung durchzuführen.
Die kolorimetrischen Prüfungen müssen in einer geeigneten Dunkelkammer mit einer kontrollierten Umgebungstemperatur im Bereich von 20 °C ± 2 °C durchgeführt werden.
Die Farbe des von den Lampen ausgestrahlten Lichts ist mit Hilfe eines Präzisionskolorimeters für absolute Messungen zu prüfen. Die CIE-Publikation Nr. 15.2 enthält Informationen und Empfehlungen zu Verfahren und Formeln für kolorimetrische Prüfungen sowie zur Berechnung der Tristimulus-Werte und der Farbwertkoordinaten. ISO/CIE 10527 enthält Informationen zur partiellen Filterung für die geforderte 2°-Feldgröße.
Das für die Farbmessung verwendete Messsystem muss vor jeder Prüfung mit Hilfe einer geeigneten kalibrierten Lichtquelle überprüft werden. Diese Überprüfung ist zu dokumentieren.
Die Kalibrierung des Kolorimeters und der Lichtquelle muss sich gemäß der nationalen Norm nachverfolgen lassen, die in dem Land gilt, in dem die Lampe geprüft wird.
Die kolorimetrische Prüfung ist mittels eines Goniometers durchzuführen. Die Lampe ist am Goniometer zu befestigen und horizontal und vertikal um den Mittelpunkt ihres Leuchtbereichs zu neigen.
Die Messdistanz zwischen Lampe und Kolorimeter muss ausreichend sein, um sicherzustellen, dass die Oberfläche des Detektors vollständig und einheitlich beleuchtet ist, ohne strukturelle Details des Lichtstrahls zu zeigen. Diese Messdistanz ist zu dokumentieren.
Während der Prüfungen muss die elektrische Lampe mit einer konstanten Prüfspannung betrieben werden, die ihrer Nennspannung entspricht. Um ein genaues Ergebnis zu erhalten, muss die Spannung so nah wie möglich an der Lampe gemessen werden. Prüfspannung und -strom sind zu dokumentieren.
Elektrische Lichtquellen müssen vor der Prüfung einem Alterungsprozess unterzogen und direkt vor den Prüfungen stabilisiert werden. Die entsprechenden Zeitspannen enthält Tabelle H8.
Tabelle H8 Alterungs- und Stabilisierungsdauer verschiedener Arten von Lichtquellen
| Art der Lichtquelle | Alterungsdauer | Stabilisierungsdauer |
| Glühlampe | 1 % der nominalen Lebensdauer, mindestens 1 Stunde | 15 Minuten |
| LED | 50 Stunden | 1 Stunde |
| Halogen-Metalldampflampe | 100 Stunden | 30 Minuten |
| Quecksilberdampf-Hochdrucklampe | 100 Stunden | 20 Minuten |
| Natriumdampf-Hochdrucklampe | 100 Stunden | 20 Minuten |
b) Fotometrische Prüfungen
Bei diesen Prüfungen ist die Lichtstärke des von der Lampe ausgestrahlten Lichts für die Winkel zu testen, für die Lichtstärken angegeben sind, wobei der gesamte Leuchtbereich der Lampe einzubeziehen ist.
Die fotometrischen Prüfungen sind mit mindestens einer Lampe für jeden Typ bei der jeweiligen Nennspannung durchzuführen.
Die fotometrischen Prüfungen müssen in einer geeigneten Dunkelkammer mit einer kontrollierten Umgebungstemperatur im Bereich von 20 °C ± 2 °C durchgeführt werden.
Die Lichtstärke ist mit einem Fotometer mit einem Messbereich von mindestens 1 bis 100.000 Candela zu messen.
Der fl-Fehler des Fotometers in Bezug auf die spektrale Empfindlichkeit V(A), gemäß CIE-Publikation Nr. 69, darf 1,5 % nicht überschreiten. Das Fotometer muss eine oder mehrere Vorrichtungen aufweisen, um die internen Reflexionen zu verringern, ohne Teile der Detektoroberfläche zu bedecken.
Das für die Messung der Lichtstärke verwendete Messsystem muss vor jeder Prüfung mit Hilfe einer geeigneten kalibrierten Lichtquelle überprüft werden. Diese Überprüfung ist zu dokumentieren.
Die Kalibrierung des Fotometers und der Lichtquelle muss sich gemäß der nationalen Norm nachverfolgen lassen, die in dem Land gilt, in dem die Lampe geprüft wird.
Die fotometrischen Prüfungen sind mittels eines entsprechend kalibrierten Goniometers durchzuführen. Die Lampe ist am Goniometer zu befestigen und horizontal und vertikal um den Mittelpunkt ihres Leuchtbereichs zu neigen.
Die Messdistanz zwischen Lampe und Fotometer muss ausreichend sein, um sicherzustellen, dass die Oberfläche des Detektors vollständig und einheitlich beleuchtet ist, ohne strukturelle Details des Lichtstrahls zu zeigen. Diese Messdistanz ist zu dokumentieren.
Während der Prüfungen muss die elektrische Lampe mit einer konstanten Prüfspannung betrieben werden, die ihrer Nennspannung entspricht. Um ein genaues Ergebnis zu erhalten, muss die Spannung so nah wie möglich an der Lampe gemessen werden. Prüfspannung und -strom sind zu dokumentieren.
Elektrische Lichtquellen müssen vor der Prüfung einem Alterungsprozess unterzogen und direkt vor den Prüfungen stabilisiert werden. Die entsprechenden Zeitspannen enthält Tabelle H8.
Wenn die fotometrischen Prüfungen nur pro Lichteinheit durchgeführt werden, ist eine Typprüfung für die gewählte Installation durchzuführen, um Änderungen bei der Energieversorgung, den Linsen und den Schutzabdeckungen zu berücksichtigen.
| - gestrichen - | Anhang I 12 |
| Eigenschaften der Windschutzscheibe | Anhang J |
J.1 Optische Eigenschaften
Die Windschutzscheibe, so wie sie im Führerstand ausgerichtet und montiert ist, darf nur eine minimale Verzerrung der Sicht über das gesamte Sichtfeld aufweisen.
J.1.1 Optische Verzerrung
Einfache Verzerrungen der Sicht, die gemäß der in ECE R 43 A319.2 oder in Abschnitt 5.3 der ISO 3538:1997 festgelegten Methode gemessen werden, dürfen die folgenden Werte nicht überschreiten:
Innerhalb des Haupt- und des sekundären Sichtfelds dürfen keine nennenswerten Diskontinuitäten der projizierten Linien auftreten.
Abbildung J.1 Bereiche der Windschutzscheibe
Legende
| 1 | Außenseite | Bereich A | Hauptsichtfeld |
| 2 | Innenseite | Bereich B | sekundäres Sichtfeld |
| Bereich C | Randbereich |
Die vier Punkte W, X, Y und Z sind das Ergebnis der Kreuzung zwischen der Außenseite der Windschutzscheibe und den virtuellen Linien zwischen den Augen des Triebfahrzeugführers und den hohen und tiefen Signalen.
Diese Punkte sind durch eine Linie miteinander zu verbinden, wie in der oben stehenden Abbildung gezeigt.
J.1.2 Doppelbilder
Die in den Führerstand eingebaute Windschutzscheibe darf keine Doppelbilder verursachen, die den Triebfahrzeugführer irritieren oder ablenken können.
Der zulässige Winkel zwischen Haupt- und Doppelbildern in eingebauter Position der Scheibe darf folgende Werte nicht überschreiten:
J.1.3 Trübung
Der maximale Wert für die Trübung darf 2 % nicht überschreiten, wenn die Messung gemäß ECE R 43 A314 durchgeführt wird.
J.1.4 Durchlässigkeit
Hauptsichtfeld und sekundäres Sichtfeld der Windschutzscheibe müssen in eingebautem Zustand eine Durchlässigkeit von 65 % aufweisen, wenn die Messung gemäß ECE R 43 A319.1 oder gemäß Abschnitt 5.1 der ISO 3538:1997 durchgeführt wird.
J.1.5 Farbart
Die Anforderungen bezüglich Farbart bleiben ein offener Punkt.
J.2 Strukturelle Anforderungen
J.2.1 Einschläge
Die Geschossfestigkeit der Windschutzscheiben ist wie folgt zu bewerten:
Auf die Windschutzscheibe ist ein zylindrisches Projektil abzufeuern. Das Projektil muss in seiner Form und in seinen Magen Abbildung J.2 entsprechen. Wenn das Projektil nach dem Aufprall dauerhaften Schaden nimmt, ist es auszutauschen.
Für die Prüfung ist die Windschutzscheibe in einen Rahmen derselben Bauart wie im Fahrzeug einzuspannen.
Die Temperatur der Windschutzscheibe muss während der Prüfungen zwischen + 15 °C und + 35 °C liegen. Das Projektil muss im rechten Winkel auf die Windschutzscheibe treffen. Alternativ kann die zu prüfende Scheibe im selben Winkel zum Gleis montiert werden, in dem sie sich auch im Fahrzeug befindet.
Die Aufprallgeschwindigkeit des Projektils wird bestimmt durch:
Vp = Vmax+ 160 km/h
Vp = Geschwindigkeit des Projektils in km/h beim Aufprall
Vmax = Höchstgeschwindigkeit des Triebzuges in km/h
Die Prüfung gilt als bestanden, wenn:
Abbildung J.2 Skizze des Projektils
Legende
| 1 | Schnitt A-A | 4 | Kugeloberfläche gerändelt (1 mm) |
| 2 | Abdeckplatte aus Stahl | 5 | Projektil aus Aluminiumlegierung |
| 3 | Zur Tarierung kann hier Material abgedreht werden | Das Projektil muss eine Masse von 1.000 g haben. |
J.2.2 Absplitterung
Der Triebfahrzeugführer muss vor dem Absplittern der Scheiben geschützt werden.
Die Prüfung auf Absplitterung ist im Rahmen der Prüfung auf Geschossfestigkeit gemäß Abschnitt 4.2.2.7 c dieser TSI durchzuführen. Eine Aluminiumfolie mit einer maximalen Dicke von 0,15 mm und mit den Maßen 500 mm mal 500 mm ist senkrecht hinter der geprüften Scheibe in einer Entfernung von 500 mm und in Bewegungsrichtung der Projektils anzubringen. Die Prüfung auf Absplitterung gilt als bestanden, wenn die Aluminiumfolie nicht perforiert ist. .
| Kupplung | Anhang K |
K.1 Schematische Darstellung der Kupplung
Die Schleppkupplung muss die in Abbildung K1 gezeigten Maße haben, eine andere Form ist jedoch zulässig.
Abbildung K1 Maße der Kupplung
Der Mittelpunkt der Endkupplung muss sich bei einem leeren Fahrzeug im Betriebszustand und mit neuen Rädern in einer Höhe von 1.025 mm, + 15 mm/- 5 mm, über der Schienenlauffläche befinden.
K.2 Schleppkupplung für die Bergung
K.2.1 Begriffsbestimmungen
Abschleppfahrzeuge (Lokomotiven, Züge) werden mit dem Begriff "Abschleppfahrzeug" bezeichnet.
Die in diesem Anhang behandelte Abschleppkupplung und Hilfskupplung am Abschleppfahrzeug wird mit dem Begriff "Schleppkupplung" bezeichnet.
Das automatische Kupplungssystem muss geometrisch und funktional mit einer "Mittelpufferkupplung vom Typ 10" (auch als "Scharfenberg"-Kupplung bezeichnet) kompatibel sein. Eine solche Kupplung wird in diesem Anhang als "automatische Kupplung" bezeichnet.
Der Begriff "Zughaken" bezieht sich auf einen Zughaken mit der Form und den Maßen, die Abschnitt 4.2.2.1.2 der TSI 2005 für das Teilsystem "Fahrzeuge - Güterwagen" entsprechen. Die Bezugshöhe über der Schienenoberkante muss bei einem leeren Fahrzeug im Betriebszustand und mit neuen Rädern 1.025 mm, + 15 mm/- 5 mm, betragen.
Der Begriff "Halbkupplung" beschreibt die Bremskupplungen, die an die Luftleitungen zwischen dem Fahrzeug und der Schleppkupplung anzuschließen sind (Hauptbremsleitung und Hauptluftbehälterleitung).
K.2.2 Allgemeine Bedingungen
K.2.2.1 Geschwindigkeiten
Die zulässigen Geschwindigkeiten beim Abschleppen von Zügen sind:
| Mindestgeschwindigkeit | Empfohlene Geschwindigkeit | |
| Beim Ziehen | 30 km/h | 100 km/h |
| Beim Schieben | 30 km/h |
K.2.2.2 Bremsen
Der abzuschleppende Zug muss an die Bremsleitung des Abschleppfahrzeugs angeschlossen und darüber gebremst werden.
K.2.2.3 Allgemeine pneumatische Verbindung
Alle Züge müssen sicher fortbewegt und gebremst werden können, wenn nur die Hauptbremsleitung angeschlossen ist. Der Anschluss der Hauptluftbehälterleitung ist nur zulässig, wenn ein vom Betreiber des abgeschleppten Fahrzeugs definiertes spezielles Verfahren dies erlaubt. Wenn kein Anschluss der Hauptluftbehälterleitung möglich ist, müssen Betriebsvorschriften vorliegen, um die Sicherheit der Fahrgäste zu gewährleisten.
K.2.2.4 Kupplungsprozess
Das Abschleppfahrzeug muss vor dem abzuschleppenden Fahrzeug vollständig zum Stillstand kommen. Anschließend muss sich das Abschleppfahrzeug mit einer Geschwindigkeit von maximal 2 km/h fortbewegen, damit die beiden Kupplungen eingreifen.
K.2.2.5 Bedingungen zum Entkuppeln
Die Entkupplung kann manuell oder automatisch erfolgen.
K.2.3 Abschleppen eines mit einer automatischen Kupplung ausgerüsteten Zuges mit Hilfe einer Schleppkupplung
K.2.3.1 Allgemeine Bedingungen
Wenn ein mit einer automatischen Kupplung ausgerüsteter Zug durch ein Triebfahrzeug gezogen wird, das mit Zug- und Stoßeinrichtungen und einer Schleppkupplung ausgerüstet ist, muss die Schleppkupplung mindestens den folgenden statischen Kräften standhalten, ohne eine permanente Verformung zu erfahren:
K.2.3.2 Kupplungsbedingungen
Mechanische Verbindung
Die Schleppkupplung ist so zu konstruieren, dass sie von zwei Personen in maximal 15 Minuten montiert werden kann. Ihr maximales Gewicht darf 45 kg nicht überschreiten.
Die mechanische Verbindung zwischen der Kupplung des Zuges und der am Abschleppfahrzeug montierten Schleppkupplung muss automatisch vorgenommen werden.
Es muss sichergestellt sein, dass die an einem Fahrzeug mit Zug- und Stoßeinrichtungen montierte Schleppkupplung an die automatische Kupplung des abzuschleppenden Fahrzeugs so angeschlossen werden kann, dass der Zug horizontale Kurven mit R ≥ 150 m oder vertikale Kurven mit R ≥ 600 m für eine Kuppe oder R ≥ 900 m für eine Wanne bewältigen kann (siehe Abschnitt 4.2.25.3 der TSI 2006 "Infrastruktur Hochgeschwindigkeit").
Um das Abschleppfahrzeug für den Ziehvorgang funktionsbereit zu machen, muss die Schleppkupplung in den Zughaken am Abschleppfahrzeug eingehakt und am Zughaken selbst befestigt werden.
Die Schleppkupplung ist so zu befestigen, dass sie sich weder durch entsprechende Bewegungen lösen kann, noch die Bewegungsfreiheit des Zughakens beeinträchtigt.
Die Schleppkupplung muss alle für die Montage notwendigen Teile aufweisen, und es dürfen keine zusätzlichen Werkzeuge für ihre Montage benötigt werden.
Nachdem die Schleppkupplung am Zughaken des Fahrzeugs montiert wurde:
Damit die mechanische Festigkeit der Schleppkupplung nicht überschritten wird, dürfen sich die Mittelpunkte der Abschleppkupplung und der Kupplung am abzuschleppenden Zug in ihrer Höhe um nicht mehr als 75 mm unterscheiden.
Pneumatische Verbindung
Die Luftleitungen (Hauptbremsleitung und Hauptluftbehälterleitung) sind wie folgt zu verbinden:
Die Luftschläuche am Abschleppfahrzeug sind mittels Halbkupplungen an die betreffenden Luftanschlüsse an der Kupplung anzuschließen (siehe Abbildung K2).
Es ist sicherzustellen, dass sich die Luftleitungen entlang ihrer Längsachse frei bewegen können.
Abbildung K2 Anschluss der Luftleitungen zwischen Kupplung und Abschlepptriebfahrzeug
Mit automatischen Kupplungen ausgerüstete Fahrzeuge der Klasse 1 und 2 können mit zusätzlichen Luftleitungsanschlüssen ausgestattet werden, um die Luftleitungen direkt an das Abschleppfahrzeug anzuschließen.
K.2.4 Abschleppen eines mit einem Zughaken ausgerüsteten Zuges mit Hilfe einer Schleppkupplung
K.2.4.1 Allgemeine Bedingungen
Es gelten alle im vorherigen Abschnitt K.2.3 beschriebenen Anforderungen, wobei die folgenden Änderungen, die aus der Montage der Schleppkupplung resultieren, berücksichtigt werden müssen.
K.2.4.2 Kupplungsbedingungen
Mechanische Verbindung
Die mechanische Verbindung zwischen der Schleppkupplung des abzuschleppenden Zuges und der am Abschleppfahrzeug montierten automatischen Kupplung muss automatisch vorgenommen werden.
Pneumatische Verbindung
Die Luftleitungen (Hauptbremsleitung und Hauptluftbehälterleitung) sind über die entsprechenden Luftkanäle zu verbinden. Es ist keine pneumatische Verbindung der Entkupplungsleitungen notwendig.
| Aspekte, die nicht in der TSI für das Teilsystem "Fahrzeuge" des Hochgeschwindigkeitsbahnsystems angegeben sind und für die die nationalen Vorschriften mitgeteilt werden müssen | Anhang L |
| Allgemein |
| Zusätzliche Anforderungen an Fahrzeuge mit einer Höchstgeschwindigkeit von über 351 km/h (Abschnitt 1.1) |
| Mechanische Teile |
| Drehgestelle: Entwurf, Herstellung und Zulassung -verwendete Stahlsorte - Festigkeit - Schwingungsdämpfung, kritische Verwindungsresonanz (Triebfahrzeug) |
| Verhalten des Drehgestells in Kurven |
| Radsätze: Entwurf, Herstellung und Zulassung - im Betrieb zugelassene Laufflächenschäden |
| An Wagenkästen, Drehgestellrahmen und Achslagern montierte Ausrüstung und Anforderungen an deren Montage |
| Ermüdungsgrenze |
| Zertifizierungsverfahren für zerstörungsfreie Prüfungen |
| Eignung zum Verschub durch Abrollen: Kupplungen, Elberfahren von Abrollbergen, Widerstand gegen Rangierstöße |
| Identifizierung von Fahrzeugen (Abschnitt 4.2.7.15) |
| Einstiegsstufen (Abschnitt 4.2.2.4.1) |
| Heißläuferortungsanlage: Alarmschwellen (Abschnitt 4.2.3.3.2) |
| Anforderungen an Triebfahrzeugführersitze hinsichtlich Sicherheit, Gesundheitsschutz und Ergonomie ( 4.2.2.6) |
| Anforderungen an die Farbart von Windschutzscheiben |
| Dynamisches Verhalten |
| Begrenzung der quasistatischen Führungskraft Yqst |
| Bremsen |
| Pneumatische Bremse: Merkmale (einschließlich automatischer Bremsung bei Kupplungsbruch) |
| Andere Bremsarten |
| Verwendung von Verbundstoff-Bremssohlen |
| Verringerung des Reibungsbeiwerts von Bremsbelag/Bremsscheibe aufgrund von Nässe (Anhang P) |
| Traktion/Energie |
| Elektrische Schutzeinrichtung: Anordnung des Hauptschalters, Schäden unterhalb des Zughauptschalters |
| Steuerung der Stromabnehmer, Reservemechanismus zum Hochfahren der Stromabnehmer bei Luftmangel im Hauptbehälter |
| Schutz der Oberleitung: vor heißen Abgasen |
| Diesel- und andere thermische Antriebssysteme |
| Qualität von Dieseltreibstoffen und Treibstoffen für andere thermische Antriebssysteme |
| Betankungsanlagen (Abschnitt 4.2.9.8) |
| Zugsteuerung/Zugsicherung und Schnittstellen zur Signalgebung |
| Störungen der Signalanlagen und des Telekommunikationsnetzes (Abschnitt 4.2.6.6.1) |
| Ausrüstung für Einmannbedienung (zugbegleiterlosen Betrieb) |
| Sicherheit |
| Safety Integrity Levels (SIL) für sicherheitsbezogene Funktionen |
| Sicherheit und Gesundheit von Personen (bereits durch EU-Richtlinie 582001 abgedeckt?) |
| (A) Sicherheitsanweisungen und Verhaltensregeln für Reisende, Angaben zu Evakuierungs- und Notausstiegsverfahren in verschiedenen Sprachen |
| Zubereitung und Lagerung von Speisen * |
| Elektromagnetische Verträglichkeit mit Herzschrittmachern * |
| Interne Kollisionsgerechtigkeit |
| Brandschutz |
| Maßnahmen zur Verhütung von Bränden (Abschnitt 4.2.7.2.2) |
| Umwelt |
| Abgase von Wärmekraftmaschinen |
| Verwendung von verbotenen oder begrenzt zugelassenen Werkstoffen oder Produkten (Asbest, PCB, FCKW usw.) |
| Betrieb |
| Fahrzeugbergung |
| Aerodynamik |
| Wirkung von Seitenwinden für Neigezüge der Klasse 1 und Züge der Klasse 2 (Abschnitt 4.2.6.3) |
| Schotterflug ( 4.2.3.11) |
| Bewertung |
| Bewertung der Instandhaltungsvorkehrungen: Konformitätsbewertungsverfahren (Anhang F, Abschnitt F.4) |
| * ) Gesundheitsaspekte, die nicht eisenbahnspezifisch sind, jedoch spezifiziert werden müssen. |
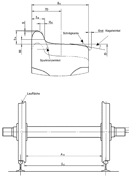
| Grenzwerte im Betrieb für geometrische Abmessungen von Rädern und Radsätzen | Anhang M |
Tabelle M.1 Maße für Spurweite 1.435 mm
| Bezeichnung | Raddurchmesser D (mm) | Mindestwert (mm) | Höchstwert (mm) |
| Anforderungen in Bezug auf das Teilsystem | |||
| Abstand zwischen Radkontaktflächen (SR) SR = AR+ Sd (linkes Rad) + Sd (rechtes Rad) | ≥ 840 | 1.410 | 1.426 |
| < 840 und ≥ 330 | 1.415 | 1.426 | |
| Radrückenabstand (AR) | ≥ 840 | 1.357 | 1.363 |
| < 840 und ≥ 330 | 1.359 | 1.363 | |
| Anforderungen in Bezug auf die Interoperabilitätskomponente "Räder" | |||
| Breite der Felge (BR+ Grat) | ≥ 330 | 133 | 145 |
| Spurkranzdicke (Sd) | ≥ 840 | 22 | 33 |
| < 840 und ≥ 330 | 27,5 | 33 | |
| Spurkranzhöhe (Sh) | ≥ 760 | 27,5 | 36 |
| < 760 und ≥ 630 | 30 | 36 | |
| < 630 und ≥ 330 | 32 | 36 | |
| Spurkranzflanke (qR) | ≥ 330 | 6,5 | |
| Defekte der Radlauffläche, z.B. Flachstellen, Hohllauf, Risse, Riefen, Ausbröckelungen usw. | Bis zur Veröffentlichung der EN gelten die nationalen Vorschriften | ||
Das Maß AR wird an der Oberkante der Schiene gemessen. Die Maße AR and SR müssen auf die Zustände "beladen" und "leer" und auf Losradsätze abgestimmt sein. Für bestimmte Fahrzeuge können vom Fahrzeuglieferanten gegebenenfalls geringere Toleranzen innerhalb der oben angegebenen Grenzwerte festgelegt sein.
Abbildung M.1 Maße
Tabelle M.2 Maße für Spurweite 1.520 mm und 1.524 mm
| Bezeichnung | Raddurchmesser (mm) | Spurweite (mm) | Mindestwert (mm) | Höchstwert (mm) |
| Anforderungen in Bezug auf das Teilsystem | ||||
| Abstand zwischen Außenflächen des Spurkranzes (SR) | ≥ 840 | 1.520 | 1.487 | 1.509 |
| 1.524 | 1.487 | 1.514 | ||
| Abstand zwischen Innenflächen des Spurkranzes (AR) | ≥ 840 | 1.520 | 1.437 | 1.443 |
| 1.524 | 1.442 | 1.448 | ||
| Anforderungen in Bezug auf die Interoperabilitätskomponente "Räder" | ||||
| Radkranzbreite (BR) | ≥ 840 | 1.520 | 130 | 1451 |
| 1.524 | 134 | 1451 | ||
| Spurkranzdicke (Sd) | ≥ 840 | 20 | 33
362 |
|
| Spurkranzhöhe (Sh) | ≥ 840 | 28 | 36 | |
| Spurkranzflanke (QR) | ≥ 840 | 6,5 | ||
| Die oben stehenden Maße sind in Abhängigkeit von der Höhe der Schienenoberkante angegeben und müssen von leeren und beladenen Fahrzeugen eingehalten werden.
1) Wert des Grates eingeschlossen. 2) Nur zulässig, wenn AR1.442 beträgt. |
||||
| Anhang M I |
Nicht verwendet
| Anhang M II |
Nicht verwendet
| Anhang M III |
Nicht verwendet
![]() |
weiter . | ![]() |
(Stand: 18.08.2022)
Alle vollständigen Texte in der aktuellen Fassung im Jahresabonnement
Nutzungsgebühr: ab 105.- € netto
(derzeit ca. 7200 Titel s.Übersicht - keine Unterteilung in Fachbereiche)
Die Zugangskennung wird kurzfristig übermittelt
? Fragen ?
Abonnentenzugang/Volltextversion