umwelt-online: Durchführungsverordnung (EU) 2016/799 zur Durchführung der Verordnung (EU) Nr. 165/2014 zur Festlegung der Vorschriften über Bauart, Prüfung, Einbau, Betrieb und Reparatur von Fahrtenschreibern und ihren Komponenten (3)
![]() |
zurück | ![]() |
3.5.7 PSO: VERIFY CERTIFICATE
Dieser Befehl entspricht den Festlegungen von ISO/IEC 7816-8, seine Verwendung ist jedoch im Vergleich zu dem in der Norm definierten Befehl eingeschränkt.
Der Befehl VERIFY CERTIFICATE wird von der Karte zur Einholung eines öffentlichen Schlüssels von außen und zur Prüfung seiner Gültigkeit verwendet.
3.5.7.1 Befehl-Antwort-Paar der 1. Generation
TCS_81 Diese Befehlsvariante wird lediglich durch eine Fahrtenschreiberanwendung der 1. Generation unterstützt.
TCS_82 Ist der Befehl VERIFY CERTIFICATE erfolgreich, wird der öffentliche Schlüssel zur künftigen Verwendung in der Sicherheitsumgebung gespeichert. Dieser Schlüssel wird explizit zur Verwendung in sicherheitsbezogenen Befehlen (INTERNAL AUTHENTICATE, EXTERNAL AUTHENTICATE oder VERIFY CERTIFICATE) durch den Befehl MSE (siehe Abschnitt 3.5.11) unter Verwendung seines Schlüsselbezeichners gesetzt.
TCS_83 Auf jeden Fall verwendet der Befehl VERIFY CERTIFICATE den zuvor vom Befehl MSE zur Eröffnung des Zertifikats ausgewählten öffentlichen Schlüssel. Dabei muss es sich um den öffentlichen Schlüssel eines Mitgliedstaates oder Europas handeln.
TCS_84 Befehlsnachricht
| Byte | Länge | Wert | Beschreibung |
| CLA | 1 | '00h' | |
| INS | 1 | '2Ah' | Perform Security Operation |
| P1 | 1 | '00h' | P1 |
| P2 | 1 | 'AEh' | P2: nicht BER-TLV kodierte Daten (Verkettung von Datenelementen) |
| Lc | 1 | 'C2h' | Lc: Länge des Zertifikats, 194 Bytes |
| #6-#199 | 194 | 'XX..XXh' | Zertifikat: Verkettung von Datenelementen (gemäß Beschreibung in Anlage 11) |
TCS_85 Antwortnachricht
| Byte | Länge | Wert | Beschreibung |
| SW | 2 | 'XXXXh' | Statusbytes (SW1, SW2) |
3.5.7.2 Befehl-Antwort-Paar der 2. Generation
Je nach Kurvengröße können ECC-Zertifikate so lang sein, dass sie sich nicht in einem einzigen APDU übermitteln lassen. In einem solchen Fall muss eine Befehlsverkettung gemäß ISO/IEC 7816-4 erfolgen und das Zertifikat in zwei aufeinander folgenden PSO: Verify Certificate APDU-Befehlen übermittelt werden.
Zertifikatstruktur und Domänenparameter werden in Anlage 11 definiert.
TCS_86 Der Befehl kann in MF, DF Tachograph und DF Tachograph_G2 ausgeführt werden, siehe auch TCS_33.
TCS_87 Befehlsnachricht
| Byte | Länge | Wert | Beschreibung |
| CLA | 1 | 'X0h' | CLA-Byte zur Angabe einer Befehlsverkettung: '00h' als einziger oder letzter Befehl der Kette '10h' nicht als letzter Befehl einer Kette |
| INS | 1 | '2Ah' | Perform Security Operation |
| P1 | 1 | '00h' | |
| P2 | 1 | 'BEh' | Selbstbeschreibendes Zertifikat verifizieren |
| Lc | 1 | 'XXh' | Länge des Befehlsdatenfelds, siehe TCS_88 und TCS_89. |
| #6-#5+L | L | 'XX..XXh' | DER-TLV-kodierte Daten: Datenobjekt "ECC Certificate body" als erstes Datenobjekt, verkettet mit dem Datenobjekt "ECC Certificate Signature" als zweites Datenobjekt oder als Teil dieser Verkettung. Der Tag '7F21' und die damit einhergehende Länge sind nicht zu übermitteln. Die Reihenfolge dieser Datenobjekte ist fest. |
TCS_88 Für APDU mit kurzen Längenfeldern gilt Folgendes: Das IFD verwendet die Mindestanzahl an APDU, die erforderlich sind, um die Befehlsdaten zu übermitteln und die Höchstzahl an Bytes im APDU des ersten Befehls gemäß dem Wert des Byte für die Informationsfeldgröße der Karte zu übermitteln (siehe TCS_14). Wenn das IFD ein anderes Verhalten zeigt, liegt das Verhalten der Karte außerhalb des Gültigkeitsbereichs.
TCS_89 Für APDU mit erweiterten Längenfeldern gilt Folgendes: Passt das Zertifikat nicht in eine einzige APDU, so unterstützt die Karte die Befehlsverkettung. Das IFD verwendet die Mindestanzahl an APDU, die erforderlich sind, um die Befehlsdaten zu übermitteln und die Höchstzahl an Bytes im ersten APDU-Befehl zu übermitteln. Wenn das IFD ein anderes Verhalten zeigt, liegt das Verhalten der Karte außerhalb des Gültigkeitsbereichs.
Hinweis: Gemäß Anlage 11 speichert die Karte das Zertifikat oder die relevanten Inhalte des Zertifikats und aktualisiert ihren Wert current AuthenticatedTime.
Struktur und Statusbytes der Antwortnachricht entsprechen der Definition in TCS_85.
TCS_90 Zusätzlich zu den in TCS_85 aufgeführten Fehlercodes kann die Karte die folgenden Fehlercodes zurücksenden:
3.5.8 INTERNAL AUTHENTICATE18
Dieser Befehl entspricht den Festlegungen von ISO/IEC 7816-4.
TCS_91 Alle Fahrtenschreiberkarten müssen diesen Befehl in DF Tachograph der 1. Generation verwenden. Der Befehl kann in MF und/oder DF Tachograph_G2 gegebenenfalls zur Verfügung stehen. In einem solchen Fall muss der Befehl mit einem geeigneten Fehlercode enden, da der private Schlüssel der Karte (Card.SK) für das Authentisierungsprotokoll der 1. Generation nur in DF_Tachograph der 1. Generation zugreifbar ist.
Mit Hilfe des Befehls INTERNAL AUTHENTICATE kann das IFD die Karte authentisieren. Der Authentisierungsvorgang wird in Anlage 11 beschrieben. Er beinhaltet folgende Aussagen:
TCS_92 Der Befehl INTERNAL AUTHENTICATE verwendet den (implizit ausgewählten) privaten Kartenschlüssel zum Signieren von Authentisierungsdaten einschließlich K1 (erstes Element für die Sitzungsschlüsselvereinbarung) und RND1 und verwendet den aktuell (durch den letzten MSE-Befehl) ausgewählten öffentlichen Schlüssel zur Verschlüsselung der Signatur und zur Bildung des Authentisierungstokens (nähere Angaben in Anlage 11).
TCS_93 Befehlsnachricht
| Byte | Länge | Wert | Beschreibung |
| CLA | 1 | '00h' | CLA |
| INS | 1 | '88h' | INS |
| P1 | 1 | '00h' | P1 |
| P2 | 1 | '00h' | P2 |
| Lc | 1 | '10h' | Länge der an die Karte gesendeten Daten |
| #6 - #13 | 8 | 'XX..XXh' | Zur Authentisierung der Karte verwendete Zufallszahl |
| #14 -#21 | 8 | 'XX..XXh' | VU.CHR (siehe Anlage 11) |
| Le | 1 | '80h' | Länge der von der Karte erwarteten Daten |
TCS_94 Antwortnachricht
| Byte | Länge | Wert | Beschreibung |
| #1-#128 | 128 | 'XX..XXh' | Token zur Authentisierung der Karte (siehe Anlage 11) |
| SW | 2 | 'XXXXh' | Statusbytes (SW1, SW2) |
TCS_95 Ist der Befehl INTERNAL AUTHENTICATE erfolgreich, wird der aktuelle Sitzungsschlüssel der 1. Generation, sofern vorhanden, gelöscht und ist nicht mehr verfügbar. Um einen neuen Sitzungsschlüssel der 1. Generation zur Verfügung zu haben, muss der Befehl EXTERNAL AUTHENTICATE für den Authentisierungsmechanismus der 1. Generation erfolgreich ausgeführt werden.
Hinweis: Für Sitzungsschlüssel der 2. Generation siehe Anlage 11 CSM_193 und CSM_195. Werden Sitzungsschlüssel der 2. Generation erstellt und erhält die Fahrtenschreiberkarte den APDU-Klartextbefehl INTERNAL AUTHENTICATE, bricht sie die Secure-Messaging-Sitzung der 2. Generation ab und vernichtet die Sitzungsschlüssel der 2. Generation.
3.5.9 EXTERNAL AUTHENTICATE18
Dieser Befehl entspricht den Festlegungen von ISO/IEC 7816-4.
Mit Hilfe des Befehls EXTERNAL AUTHENTICATE kann die Karte das IFD authentisieren. Das Authentisierungsverfahren wird in Anlage 11 für die Fahrtenschreiber der 1. und 2. Generation beschrieben (VU-Authentisierung).
TCS_96 Die Befehlsvariante für den Mechanismus zur gegenseitigen Authentisierung der 1. Generation wird nur von einer Fahrtenschreiberanwendung der 1. Generation unterstützt.
TCS_97 Die Befehlsvariante für die gegenseitige VU-Karten-Authentisierung der 2. Generation kann in MF, DF Tachograph und DF Tachograph_G2 erfolgen (siehe auch TCS_34). Ist der Befehl EXTERNAL AUTHENTICATE der 2. Generation erfolgreich, wird der aktuelle Sitzungsschlüssel der 1. Generation, sofern vorhanden, gelöscht und ist nicht mehr verfügbar.
Hinweis: Für Sitzungsschlüssel der 2. Generation siehe Anlage 11 CSM_193 und CSM_195. Werden Sitzungsschlüssel der 2. Generation erstellt und erhält die Fahrtenschreiberkarte den APDU-Klartextbefehl EXTERNAL AUTHENTICATE, bricht sie die Secure-Messaging-Sitzung der 2. Generation ab und vernichtet die Sitzungsschlüssel der 2. Generation.
TCS_98 Befehlsnachricht
| Byte | Länge | Wert | Beschreibung |
| CLA | 1 | '00h' | CLA |
| INS | 1 | '82h' | INS |
| P1 | 1 | '00h' | Schlüssel und Algorithmen implizit bekannt |
| P2 | 1 | '00h' | |
| Lc | 1 | 'XXh' | Lc (Länge der an die Karte gesendeten Daten) |
| #6-#(5+L) | L | 'XX..XXh' | Authentisierung der 1. Generation: Kryptogramm (siehe Anlage 11 Teil A) Authentisierung der 2 Generation: Vom IFD erstellte Signatur (siehe Anlage 11 Teil B) |
TCS_99 Antwortnachricht
| Byte | Länge | Wert | Beschreibung |
| SW | 2 | 'XXXXh' | Statusbytes (SW1, SW2) |
Die Fahrtenschreiberanwendung der 1. Generation kann gegebenenfalls die folgenden Fehlercodes zurücksenden:
Die Befehlsvariante für die Authentisierung der 2. Generation kann gegebenenfalls die folgenden Fehlercodes zurücksenden:
3.5.10 GENERAL AUTHENTICATE18
Dieser Befehl wird für das Chip-Authentisierungsprotokoll der 2. Generation gemäß Anlage 11 Teil B verwendet und entspricht den Festlegungen von ISO/IEC 7816-4.
TCS_100 Der Befehl kann in MF, DF Tachograph und DF Tachograph_G2 ausgeführt werden, siehe auch TCS_34.
TCS_101 Befehlsnachricht
| Byte | Länge | Wert | Beschreibung |
| CLA | 1 | '00h' | |
| INS | 1 | '86h' | |
| P1 | 1 | '00h' | Schlüssel und Protokoll implizit bekannt |
| P2 | 1 | '00h' | |
| Lc | 1 | 'NNh' | Lc: Länge des folgenden Datenfelds |
| #6-#(5+L) | L | '7Ch' + L7C + '80h' + L80 + 'XX..XXh' | DER-TLV-kodierter Wert des flüchtigen öffentlichen Schlüssels (siehe Anlage 11) Die VU sendet die Datenobjekte in dieser Reihenfolge. |
| 5 + L + 1 | 1 | '00h' | Gemäß ISO/IEC 7816-4 |
TCS_102 Antwortnachricht
| Byte | Länge | Wert | Beschreibung |
| #1-#L | L | '7Ch' + L7C + '81h' + '08h' + 'XX..XXh' + '82h' + L82 + 'XX..XXh' | DER-TLV-kodierte Dynamic Authentication Data: Nonce und Authentisierungstoken (siehe Anlage 11) |
| SW | 2 | 'XXXXh' | Statusbytes (SW1, SW2) |
Das Datenobjekt Dynamic Authentication - 7Chv
3.5.11 MANAGE SECURITY ENVIRONMENT
Dieser Befehl wird zum Setzen eines öffentlichen Schlüssels zu Authentisierungszwecken verwendet.
3.5.11.1 Befehl-Antwort-Paar der 1. Generation
Dieser Befehl entspricht den Festlegungen von ISO/IEC 7816-4. Die Verwendung des Befehls ist jedoch im Vergleich zur entsprechenden Norm eingeschränkt.
TCS_103 Dieser Befehl wird lediglich durch eine Fahrtenschreiberanwendung der 1. Generation unterstützt.
TCS_104 Der Schlüssel, auf den im MSE-Datenfeld verwiesen wird, bleibt der aktuelle öffentliche Schlüssel, bis der nächste korrekte MSE-Befehl eingeht, ein DF ausgewählt wird oder die Karte zurückgesetzt wird.
TCS_105 Ist der Schlüssel, auf den verwiesen wird, (noch) nicht in der Karte vorhanden, bleibt die Sicherheitsumgebung unverändert.
TCS_106 Befehlsnachricht
| Byte | Länge | Wert | Beschreibung |
| CLA | 1 | '00h' | CLA |
| INS | 1 | '22h' | INS |
| P1 | 1 | 'C1h' | P1: Schlüssel, auf den verwiesen wird, gültig für alle kryptografischen Operationen |
| P2 | 1 | 'B6h' | P2 (mit Verweis versehene Daten zur digitalen Signatur) |
| Lc | 1 | '0Ah' | Lc: Länge des folgenden Datenfelds |
| #6 | 1 | '83h' | Tag zum Verweis auf einen öffentlichen Schlüssel in asymmetrischen Fällen |
| #7 | 1 | '08h' | Länge des Schlüsselverweises (Schlüsselbezeichner) |
| #8-#15 | 8 | 'XX..XXh' | Schlüsselbezeichner laut Anlage 11 |
TCS_107 Antwortnachricht
| Byte | Länge | Wert | Beschreibung |
| SW | 2 | 'XXXXh' | Statusbytes (SW1, SW2) |
3.5.11.2 Befehl-Antwort-Paare der 2. Generation
Für die Authentisierung der 2. Generation unterstützt die Fahrtenschreiberkarte folgenden MSE: Befehlsvarianten zum Setzen, die den Festlegungen von ISO/IEC 7816-4 entsprechen. Diese Befehlsvarianten werden bei der Authentisierung der 1. Generation nicht unterstützt.
3.5.11.2.1 MSE:SET AT für die Chip-Authentisierung
Mit Hilfe des folgenden Befehls MSE:SET AT werden die Parameter für die Chip-Authentisierung ausgewählt, die durch einen nachfolgenden Befehl General Authenticate durchgeführt wird.
TCS_108 Der Befehl kann in MF, DF Tachograph und DF Tachograph_G2 ausgeführt werden, siehe auch TCS_34.
TCS_109 MSE:SET AT Befehlsnachricht für die Chip-Authentisierung
| Byte | Länge | Wert | Beschreibung |
| CLA | 1 | '00h' | |
| INS | 1 | '22h' | |
| P1 | 1 | '41h' | Zur internen Authentisierung gesetzt |
| P2 | 1 | 'A4h' | Authentisierung |
| Lc | 1 | 'NNh' | Lc: Länge des folgenden Datenfelds |
| #6-#(5+L) | L | '80h' + 0Ah + 'XX..XXh' | DER-TLV-kodierter Verweis zu kryptografischen Mechanismen: Objektkennung der Chip-Authentisierung (nur Wert, Tag '06h' wird weggelassen). Für die Werte der Objektkennungen siehe Anlage 1; es wird die Byte-Notation verwendet. Anleitungen zur Auswahl einer dieser Objektkennungen befinden sich in Anlage 11. |
3.5.11.2.2 MSE:SET AT für die VU-Authentisierung
Mit Hilfe des folgenden Befehls MSE:SET AT werden die Parameter und Schlüssel für die VU-Authentisierung ausgewählt, die durch einen nachfolgenden Befehl External Authenticate durchgeführt wird.
TCS_110 Der Befehl kann in MF, DF Tachograph und DF Tachograph_G2 ausgeführt werden, siehe auch TCS_34.
TCS_111 MSE:SET AT Befehlsnachricht für die VU-Authentisierung
| Byte | Länge | Wert | Beschreibung |
| CLA | 1 | '00h' | |
| INS | 1 | '22h' | |
| P1 | 1 | '81h' | Zur externen Authentisierung gesetzt |
| P2 | 1 | 'A4h' | Authentisierung |
| Lc | 1 | 'NNh' | Lc: Länge des folgenden Datenfelds |
| #6-#(5+L) | L | '80h' + 0Ah + 'XX..XXh' | DER-TLV-kodierter Verweis zu kryptografischen Mechanismen: Objektkennung der VU-Authentisierung (nur Wert, Tag '06h' wird weggelassen). Für die Werte der Objektkennungen siehe Anlage 1; es wird die Byte-Notation verwendet. Anleitungen zur Auswahl einer dieser Objektkennungen befinden sich in Anlage 11. |
| '83h' + 08h + 'XX..XXh' | DER-TLV-kodierter Verweis auf den öffentlichen Schlüssel der FE durch die im Zertifikat erwähnte Referenz des Zertifikatinhabers. | ||
| '91h' + L91 + 'XX..XXh' | DER-TLV-kodierte komprimierte Darstellung des flüchtigen öffentlichen Schlüssels der VU, die während der Chip-Authentisierung verwendet wird (siehe Anlage 11) |
3.5.11.2.3 MSE:SET DST18
Der folgende Befehls MSE:SET AT wird verwendet, um einen öffentlichen Schlüssel entweder
TCS_112 Der Befehl kann in MF, DF Tachograph und DF Tachograph_G2 ausgeführt werden, siehe auch TCS_33.
TCS_113 MSE:SET DST Befehlsnachricht
| Byte | Länge | Wert | Beschreibung |
| CLA | 1 | '00h' | |
| INS | 1 | '22h' | |
| P1 | 1 | '81h' | Zur Verifizierung gesetzt |
| P2 | 1 | 'B6h' | Digitale Signatur |
| Lc | 1 | 'NNh' | Lc: Länge des folgenden Datenfelds |
| #6-#(5+L) | L | '83h' + '08h' + 'XX...XXh' | DER-TLV-kodierter Verweis auf einen öffentlichen Schlüssel, d. h. die Referenz des Zertifikatinhabers im Zertifikat eines öffentlichen Schlüssels (siehe Anlage 11) |
Für sämtliche Befehlsversionen werden Struktur und Statusbytes der Antwortnachricht bereitgestellt durch:
TCS_114 Antwortnachricht
| Byte | Länge | Wert | Beschreibung |
| SW | 2 | 'XXXXh' | Statusbytes (SW1, SW2) |
Hinweis: Im Fall eines Befehls MSE:SET AT für die VU-Authentisierung ist der Schlüssel, auf den verwiesen wird, ein öffentlicher VU_MA-Schlüssel. Die Karte legt, falls in ihrem Speicher vorhanden, den öffentlichen VU_MA-Schlüssel für die Nutzung fest, der der im Befehlsdatenfeld angegebenen Referenz des Zertifikatinhabers (Certificate Holder Reference, CHR) entspricht (die Karte kann öffentliche VU_MA-Schlüssel anhand des CHA-Felds des Zertifikats identifizieren). Die Karte sendet '6a 88' auf diesen Befehl zurück, falls nur der öffentliche Schlüssel VU_Sign oder kein öffentlicher Schlüssel der Fahrzeugeinheit verfügbar ist. Siehe die Definition des CHA-Felds in Anlage 11 sowie des Datentyps EquipmentType in Anlage 1.
Ebenso ist der Schlüssel, auf den verwiesen wird, immer ein EQT_Sign-Schlüssel, der für die Verifizierung einer digitalen Signatur zu verwenden ist, wenn ein Befehl MSE: SET DST, der auf ein Gerät (EQT) (d. h. auf eine Fahrzeugeinheit oder Karte) verweist, an eine Kontrollkarte gesendet wird. Nach Anlage 11 Abbildung 13 hat die Kontrollkarte den relevanten öffentlichen Schlüssel EQT_Sign immer gespeichert. In manchen Fällen kann die Kontrollkarte auch den entsprechenden öffentlichen Schlüssel EQT_Ma gespeichert haben. Die Kontrollkarte muss den zu verwendenden öffentlichen Schlüssel EQT_Sign immer festlegen, wenn sie einen Befehl MSE: SET DST erhält.
3.5.12 PSO: HASH
Dieser Befehl dient dazu, Ergebnisse der Hashwertberechnung für bestimmte Daten an die Karte zu übertragen. Dieser Befehl wird zur Verifizierung digitaler Signaturen verwendet. Der Hashwert wird temporär gespeichert für den folgenden Befehl PSO: Verify Digital Signature
Dieser Befehl entspricht den Festlegungen von ISO/IEC 7816-8. Die Verwendung des Befehls ist jedoch im Vergleich zur entsprechenden Norm eingeschränkt.
Nur die Kontrollkarte wird benötigt, um diesen Befehl in DF Tachograph und DF Tachograph_G2 zu unterstützen.
Andere Arten von Fahrtenschreiberkarten können diesen Befehl gegebenenfalls implementieren. Der Befehl kann in MF gegebenenfalls zur Verfügung stehen.
Die Kontrollkartenanwendung der 1. Generation unterstützt nur SHA-1.
TCS_115 Der vorübergehend gespeicherte Hashwert ist zu löschen, wenn mithilfe des Befehls PSO: HASH ein neuer Hashwert berechnet wird, wenn ein DF ausgewählt wird und wenn die Fahrtenschreiberkarte zurückgesetzt wird.
TCS_116 Befehlsnachricht
| Byte | Länge | Wert | Beschreibung |
| CLA | 1 | '00h' | CLA |
| INS | 1 | '2Ah' | Perform Security Operation |
| P1 | 1 | '90h' | Hashcode zurücksenden |
| P2 | 1 | 'A0h' | Tag: Datenfeld enthält für Hashing relevante DO |
| Lc | 1 | 'XXh' | Länge Lc des nachfolgenden Datenfelds |
| #6 | 1 | '90h' | Tag für den Hashcode |
| #7 | 1 | 'XXh' | Länge L des Hashcodes: '14h' in Anwendung der 1. Generation (siehe Anlage 11 Teil A) '20h', '30h' oder '40h' in Anwendung der 2. Generation (siehe Anlage 11 Teil B) |
| #8-#(7+L) | L | 'XX..XXh' | Hashcode |
TCS_117 Antwortnachricht
| Byte | Länge | Wert | Beschreibung |
| SW | 2 | 'XXXXh' | Statusbytes (SW1, SW2) |
3.5.13 PERFORM HASH of FILE18
Dieser Befehl entspricht nicht den Festlegungen von ISO/IEC 7816-8. Das CLA-Byte dieses Befehls gibt daher an, dass eine proprietäre Verwendung von PERFORM SECURITY OPERATION/HASH erfolgt.
Nur die Fahrer- und die Werkstattkarte müssen diesen Befehl in DF Tachograph und DF Tachograph_G2 unterstützen.
Andere Arten von Fahrtenschreiberkarten können diesen Befehl gegebenenfalls implementieren. Wenn eine Unternehmens- oder Kontrollkarte diesen Befehl implementiert, muss dies gemäß den Angaben dieses Kapitels erfolgen.
Der Befehl kann in der MF gegebenenfalls zur Verfügung stehen. Wenn ja, muss er gemäß den Angaben dieses Kapitels implementiert werden, d. h. der Befehl darf nicht die Berechnung eines Hashwerts zulassen, sondern muss mit einem geeigneten Fehlercode abschließen.
TCS_118 Der Befehl PERFORM HASH of FILE wird zur Hashwertberechnung des Datenbereichs der zu dem entsprechenden Zeitpunkt ausgewählten transparenten EF verwendet.
TCS_119 Eine Fahrtenschreiberkarte darf diesen Befehl nur für die im Kapitel 4 aufgeführten EF im Rahmen von DF_Tachograph und DF_Tachograph_G2 unterstützen, mit folgender Ausnahme. Eine Fahrtenschreiberkarte darf den Befehl nicht für den EF Sensor_Installation_Data von DF Tachograph_G2 unterstützen.
TCS_120 Das Ergebnis der Hash-Operation wird auf der Karte temporär gespeichert. Es kann dann zur Einholung einer digitalen Signatur der Datei mit Hilfe des Befehls PSO: COMPUTE DIGITAL SIGNATURE verwendet werden.
TCS_121 Der temporär gespeicherte 'hash of file'-Wert ist zu löschen, wenn mithilfe des Befehls PERFORM HASH of FILE ein neuer Hashwert berechnet wird, wenn ein DF ausgewählt wird und wenn die Fahrtenschreiberkarte zurückgesetzt wird.
TCS_122 Die Fahrtenschreiberanwendung der 1. Generation muss SHA-1 unterstützen.
TCS_123 Die Fahrtenschreiberanwendung der 2. Generation muss den Algorithmus SHA-2, SHA-256, SHA-384 oder SHA-512 unterstützen, der durch die Cipher Suite in Anlage 11 Teil B für den Kartensignaturschlüssel Card_Sign spezifiziert wird.
TCS_124 Befehlsnachricht
| Byte | Länge | Wert | Beschreibung |
| CLA | 1 | '80h' | CLA |
| INS | 1 | '2Ah' | Perform Security Operation |
| P1 | 1 | '90h' | Tag: Hash |
| P2 | 1 | '00h' | Algorithmus implizit bekannt
Für die Fahrtenschreiberanwendung der 1. Generation: SHA-1 Für die Fahrtenschreiberanwendung der 2. Generation: SHA-2-Algorithmus (SHA-256, SHA-384 oder SHA-512) entsprechend der Cipher Suite in Anlage 11 Teil B für den Kartensignaturschlüssel Card_Sign |
TCS_125 Antwortnachricht
| Byte | Länge | Wert | Beschreibung |
| SW | 2 | 'XXXXh' | Statusbytes (SW1, SW2) |
3.5.14 PSO: COMPUTE DIGITAL SIGNATURE18
Dieser Befehl wird zur Berechnung der digitalen Signatur des zuvor berechneten Hashcodes (siehe PERFORM HASH of FILE, Abschnitt 3.5.13) verwendet.
Nur die Fahrer- und die Werkstattkarte müssen diesen Befehl in DF Tachograph und DF Tachograph_G2 unterstützen.
Andere Arten von Fahrtenschreiberkarten können diesen Befehl gegebenenfalls implementieren. Im Falle einer Fahrtenschreiberanwendung der 2. Generation haben nur die Fahrerkarte und die Werkstattkarte einen Signaturschlüssel der 2. Generation, während andere Karten den Befehl nicht erfolgreich ausführen können und mit einem geeigneten Fehlercode abschließen.
Der Befehl kann in MF gegebenenfalls zur Verfügung stehen. Steht der Befehl in MF nicht zur Verfügung, schließt er mit einem geeigneten Fehlercode ab.
Dieser Befehl entspricht den Festlegungen von ISO/IEC 7816-8. Die Verwendung des Befehls ist jedoch im Vergleich zur entsprechenden Norm eingeschränkt.
TCS_126 Dieser Befehl darf keine digitale Signatur eines zuvor mit dem Befehl PSO: HASH berechneten Hashcodes verarbeiten.
TCS_127 Zur Berechnung der digitalen Signatur wird der private Schlüssel der Karte, der der Karte implizit bekannt ist, herangezogen.
TCS_128 Die Fahrtenschreiberanwendung der 1. Generation führt eine digitale Signatur mit Hilfe einer Auffüllmethode gemäß PKCS1 aus (Einzelheiten siehe Anlage 11).
TCS_129 Die Fahrtenschreiberanwendung der 2. Generation berechnet eine auf elliptischen Kurven basierende digitale Signatur (Einzelheiten siehe Anlage 11).
TCS_130 Befehlsnachricht
| Byte | Länge | Wert | Beschreibung |
| CLA | 1 | "00h" | CLA |
| INS | 1 | "2Ah" | Perform Security Operation |
| P1 | 1 | "9Eh" | Zurückzusendende digitale Signatur |
| P2 | 1 | "9Ah" | Tag: Datenfeld enthält zu signierende Daten. Da kein Datenfeld vorhanden ist, wird davon ausgegangen, dass die Daten bereits in der Karte vorhanden sind (Hash of File). |
| Le | 1 | "NNh" | Länge der erwarteten Signatur |
TCS_131 Antwortnachricht
| Byte | Länge | Wert | Beschreibung |
| #1-#L | L | 'XX..XXh' | Signatur des zuvor berechneten Hash |
| SW | 2 | 'XXXXh' | Statusbytes (SW1, SW2) |
3.5.15 PSO: VERIFY DIGITAL SIGNATURE18
Dieser Befehl wird zur Verifizierung der als Eingabe bereitgestellten digitalen Signatur verwendet, deren Hash der Karte bekannt ist. Der Signaturalgorithmus ist der Karte implizit bekannt.
Dieser Befehl entspricht den Festlegungen von ISO/IEC 7816-8. Die Verwendung des Befehls ist jedoch im Vergleich zur entsprechenden Norm eingeschränkt.
Nur die Kontrollkarte wird benötigt, um diesen Befehl in DF Tachograph und DF Tachograph_G2 zu unterstützen.
Andere Arten von Fahrtenschreiberkarten können diesen Befehl gegebenenfalls implementieren. Der Befehl kann in MF gegebenenfalls zur Verfügung stehen.
TCS_132 Der Befehl VERIFY DIGITAL SIGNATURE verwendet stets den vom vorhergehenden Befehl Manage Security Environment MSE: Set DST ausgewählten öffentlichen Schlüssel sowie den von einem PSO: HASH- Befehl eingegebenen Hashcode.
TCS_133 Befehlsnachricht
| Byte | Länge | Wert | Beschreibung |
| CLA | 1 | '00h' | CLA |
| INS | 1 | '2Ah' | Perform Security Operation |
| P1 | 1 | '00h' | |
| P2 | 1 | 'A8h' | Tag: Datenfeld enthält für die Verifizierung relevante DO |
| Lc | 1 | 'XXh' | Länge Lc des nachfolgenden Datenfelds |
| #6 | 1 | '9Eh' | Tag für digitale Signatur |
| #7 oder #7 - #8 |
L | 'NNh' oder '81 NNh' | Länge der digitalen Signatur (L gleich 2 Bytes, wenn die Länge der digitalen Signatur mehr als 127 Bytes beträgt):
128 Bytes, kodiert gemäß Anlage 11 Teil a für Fahrtenschreiberanwendung der 1. Generation. Je nach der für die Fahrtenschreiberanwendung der 2. Generation ausgewählten Kurve (siehe Anlage 11 Teil B). |
| #(7+L) - #(6+L+NN) | NN | 'XX..XXh' | Inhalt der digitalen Signatur |
TCS_134 Antwortnachricht
| Byte | Länge | Wert | Beschreibung |
| SW | 2 | 'XXXXh' | Statusbytes (SW1, SW2) |
3.5.16 PROCESS DSRC MESSAGE18
Dieser Befehl wird verwendet, um die Integrität und Authentizität der DSRC-Nachricht zu verifizieren und um die von einer VU per DSRC-Link an eine Kontrollbehörde oder eine Werkstatt gesendeten Daten zu entschlüsseln. Die Karte leitet den zur Sicherung der DSRC-Nachricht gemäß Anlage 11 Teil B Kapitel 13 verwendeten Kodierungsschlüssel samt MAC-Schlüssel ab.
Nur die Kontroll- und die Werkstattkarte müssen diesen Befehl in DF Tachograph_G2 unterstützen.
Andere Arten von Fahrtenschreiberkarten können diesen Befehl gegebenenfalls implementieren, dürfen aber nicht über einen DSRC-Hauptschlüssel verfügen. Aus diesem Grund können diese Karten den Befehl nicht erfolgreich ausführen, sondern schließen mit einem geeigneten Fehlercode ab.
Der Befehl kann in MF und/oder DF Tachograph gegebenenfalls zur Verfügung stehen. Wenn ja, muss der Befehl mit einem geeigneten Fehlercode abschließen.
TCS_135 Der DSRC-Hauptschlüssel ist nur in DF Tachograph_G2 zugreifbar, d. h. Kontroll- und Werkstattkarte unterstützen die erfolgreiche Ausführung des Befehls lediglich in DF Tachograph_G2.
TCS_136 Der Befehl darf lediglich die DSRC-Daten entschlüsseln und die kryptografische Prüfsumme verifizieren, nicht aber die Eingabedaten interpretieren.
TCS_137 Die Reihenfolge der Datenobjekte im Befehlsdatenfeld ist durch diese Spezifikation festgelegt.
TCS_138 Befehlsnachricht
| Byte | Länge | Wert | Beschreibung |
| CLA | 1 | '80h' | Proprietäres CLA |
| INS | 1 | '2Ah' | Perform Security Operation |
| P1 | 1 | '80h' | Antwortdaten: Klarwert |
| P2 | 1 | 'B0h' | Befehlsdaten: in BER-TLV kodierter Klarwert mit SM DO |
| Lc | 1 | 'NNh' | Länge Lc des nachfolgenden Datenfelds |
| #6-#(5+L) | L | '87h' + L87 + 'XX..XXh' | DER-TLV-kodiertes Padding-Content Indicator-Byte, gefolgt von den verschlüsselten Fahrtenschreiberdaten. Für das Padding-Content Indicator-Byte ist der Wert '00h' ("keine weitere Angabe" gemäß ISO/IEC 7816-4:2013 Tabelle 52) zu verwenden. Zur Verschlüsselung siehe Anlage 11 Teil B Kapitel 13. Zulässige Werte für die Länge L87 sind Vielfache der AES-Blocklänge zuzüglich 1 für das Padding-Content Indicator-Byte, d. h. von 17 Bytes bis einschließlich 193 Bytes. Hinweis: Siehe ISO/IEC 7816-4:2013 Tabelle 49 für das SM-Datenobjekt mit Tag '87h'. |
| '81h' + '10h' | DER-TLV-kodiertes Control Reference Template for Confidentiality, das die Verkettung der folgenden Datenelemente gewährleistet (siehe Anlage 1 DSRCSecurity Data und Anlage 11 Teil B Kapitel 13):
Hinweis: Siehe ISO/IEC 7816-4:2013 Tabelle 49 für das SM-Datenobjekt mit Tag '81h'. |
||
| '8Eh' + L8E + 'XX..XXh' | DER-TLV-kodiertes MAC über der DSRC-Nachricht. Zu MAC-Algorithmus und Berechnung siehe Anlage 11 Teil B Kapitel 13. Hinweis: Siehe ISO/IEC 7816-4:2013 Tabelle 49 für das SM-Datenobjekt mit Tag '8Eh'. |
||
| 5 + L + 1 | 1 | '00h' | Gemäß ISO/IEC 7816-4 |
TCS_139 Antwortnachricht
| Byte | Länge | Wert | Beschreibung |
| #1-#L | L | 'XX..XXh' | Fehlende (im Falle eines Fehlers) oder entschlüsselte Daten (Auffüllung entfernt) |
| SW | 2 | 'XXXXh' | Statusbytes (SW1, SW2) |
4. Struktur der Fahrtenschreiberkarten
In diesem Abschnitt werden die Dateistrukturen, die auf den Fahrtenschreiberkarten der Speicherung zugänglicher Daten dienen, spezifiziert.
Nicht spezifiziert werden vom Kartenhersteller abhängige interne Strukturen, wie z.B. Dateianfangskennsätze oder die Speicherung und Verarbeitung von Datenelementen, die nur für den internen Gebrauch benötigt werden, z.B.
TCS_140 Eine Fahrtenschreiberkarte der 2. Generation muss das Wurzelverzeichnis (MF) und eine Fahrtenschreiberanwendung gleichen Typs der 1. und 2. Generation aufnehmen (z.B. Fahrerkartenanwendungen).
TCS_141 Eine Fahrtenschreiberkarte muss zumindest die Mindestzahl der für die entsprechenden Anwendungen angegebenen Datensätze unterstützen und darf nicht mehr als die Höchstzahl der für die entsprechenden Anwendungen angegebenen Datensätze unterstützen.
Die Höchst- und die Mindestzahl an Datensätzen sind in diesem Kapitel für die unterschiedlichen Anwendungen angegeben.
Zu den Sicherheitsbedingungen, die in den in diesem Kapitel verwendeten Zugriffsregeln verwendet werden, siehe Kapitel 3.3. Generell bezeichnet der Zugriffsmodus "Lesen" den Befehl READ BINARY mit geradem und bei entsprechender Unterstützung mit ungeradem INS-Byte, ausgenommen die EF Sensor_Installation_Data auf der Werkstattkarte, siehe TCS_156 und TCS_160. Der Zugriffsmodus "Aktualisieren" bezeichnet den Befehl Update Binary mit geraden und bei entsprechender Unterstützung mit ungeradem INS-Byte und der Zugriffsmodus "Auswählen" den Befehl SELECT.
4.1. Wurzelverzeichnis (MF)
TCS_142 Nach der Personalisierung weist das Wurzelverzeichnis (MF) folgende permanente Dateistruktur und Dateizugriffsregeln auf:
Hinweis: Die Kurz-Elementardateikennung SFID wird als Dezimalzahl ausgedrückt; beispielsweise entspricht der Wert 30 dem Binärwert 11110.
In dieser Tabelle wird die folgende Abkürzung für die Sicherheitsbedingung verwendet:
SC1 ALW ODER SM-MAC-G2
TCS_143 Die Strukturen aller EF sind transparent.
TCS_144 Das Wurzelverzeichnis (MF) hat folgende Datenstruktur:
TCS_145 Die Elementardatei EF DIR muss die folgenden anwendungsbezogenen Datenobjekte enthalten: '61 08 4F 06 FF 54 41 43 48 4F 61 08 4F 06 FF 53 4D 52 44 54'
TCS_146 Die Elementardatei EF ATR/INFO muss vorhanden sein, wenn die Fahrtenschreiberkarte in ihrer ATR angibt, dass sie erweiterte Längenfelder unterstützt. In diesem Fall muss EF ATR/INFO das Datenobjekt mit der erweiterten Längenangabe (DO'7F66') gemäß ISO/IEC 7816-4:2013 Punkt 12.7.1 enthalten.
TCS_147 Die Elementardatei EF Extended_Length muss vorhanden sein, wenn die Fahrtenschreiberkarte in ihrer ATR angibt, dass sie erweiterte Längenfelder unterstützt. In diesem Fall muss die Elementardatei das folgende Datenobjekt enthalten: '02 01 xx', wobei der Wert 'xx' angibt, ob erweiterte Längenfelder für das Protokoll T = 1 und/oder T = 0 unterstützt werden.
Der Wert '01' zeigt die Unterstützung erweiterter Längenfelder für das Protokoll T = 1 an.
Der Wert '10' zeigt die Unterstützung erweiterter Längenfelder für das Protokoll T = 0 an.
Der Wert '11' zeigt die Unterstützung erweiterter Längenfelder für das Protokoll T = 1 und T = 0 an.
4.2. Fahrerkartenanwendungen
4.2.1 Fahrerkartenanwendung der 1. Generation
TCS_148 Nach der Personalisierung weist die Fahrerkartenanwendung der 1. Generation folgende permanente Dateistruktur und Dateizugriffsregeln auf:
In dieser Tabelle werden die folgenden Abkürzungen für die Sicherheitsbedingung verwendet:
SC1 ALW ODER SM-MAC-G2
SC2 ALW ODER SM-MAC-G1 ODER SM-MAC-G2
SC3 SM-MAC-G1 ODER SM-MAC-G2
TCS_149 Die Strukturen aller EF sind transparent.
TCS_150 Die Fahrerkartenanwendung der 1. Generation hat folgende Datenstruktur:
TCS_151 Die folgenden, in der vorstehenden Tabelle zur Größenangabe herangezogenen Werte sind die Mindest- und die Höchstwerte für die Anzahl der Datensätze, die die Datenstruktur der Fahrerkarte für eine Anwendung der 1. Generation verwenden muss:
4.2.2 Fahrerkartenanwendung der 2. Generation18
TCS_152 Nach der Personalisierung weist die Fahrerkartenanwendung der 2. Generation folgende permanente Dateistruktur und Dateizugriffsregeln auf:
Hinweis: Die Kurz-Elementardateikennung SFID wird als Dezimalzahl ausgedrückt; beispielsweise entspricht der Wert 30 dem Binärwert 11110.
In dieser Tabelle wird die folgende Abkürzung für die Sicherheitsbedingung verwendet:
SC1 ALW ODER SM-MAC-G2
TCS_153 Die Strukturen aller EF sind transparent.
TCS_154 Die Fahrerkartenanwendung der 2. Generation hat folgende Datenstruktur:

TCS_155 Die folgenden, in der vorstehenden Tabelle zur Größenangabe herangezogenen Werte sind die Mindest- und die Höchstwerte für die Anzahl der Datensätze, die die Datenstruktur der Fahrerkarte für eine Anwendung der 2. Generation verwenden muss:
4.3. Werkstattkartenanwendungen
4.3.1 Werkstattkartenanwendung der 1. Generation18
TCS_156 Nach der Personalisierung weist die Werkstattkartenanwendung der 1. Generation folgende permanente Dateistruktur und Dateizugriffsregeln auf:
In dieser Tabelle werden die folgenden Abkürzungen für die Sicherheitsbedingung verwendet:
| SC1 | ALW ODER SM-MAC-G2 |
| SC2 | ALW ODER SM-MAC-G1 ODER SM-MAC-G2 |
| SC3 | SM-MAC-G1 ODER SM-MAC-G2 |
| SC4 | Für den Befehl READ BINARY mit geradem INS-Byte:
(SM-C-MAC-G1 UND SM-R-ENC-MAC-G1) ODER (SM-C-MAC-G2 UND SM-R-ENC-MAC-G2) Für den Befehl READ BINARY mit ungeradem INS-Byte (falls unterstützt): NEV |
TCS_157 Die Strukturen aller EF sind transparent.
TCS_158 Die Werkstattkartenanwendung der 1. Generation hat folgende Datenstruktur:
TCS_159 Die folgenden, in der vorstehenden Tabelle zur Größenangabe herangezogenen Werte sind die Mindest- und die Höchstwerte für die Anzahl der Datensätze, die die Datenstruktur der Werkstattkarte für eine Anwendung der 1. Generation verwenden muss:
4.3.2 Werkstattkartenanwendung der 2. Generation18
TCS_160 Nach der Personalisierung weist die Werkstattkartenanwendung der 2. Generation folgende permanente Dateistruktur und Dateizugriffsregeln auf:
Hinweis: Die Kurz-Elementardateikennung SFID wird als Dezimalzahl ausgedrückt; beispielsweise entspricht der Wert 30 dem Binärwert 11110.
In dieser Tabelle werden die folgenden Abkürzungen für die Sicherheitsbedingung verwendet:
| SC1 | ALW ODER SM-MAC-G2 |
| SC5 | Für den Befehl Read Binary mit geradem INS-Byte: SM-C-MAC-G2 UND SM-R-ENC-MAC-G2
Für den Befehl Read Binary mit ungeradem INS-Byte (falls unterstützt): NEV |
TCS_161 Die Strukturen aller EF sind transparent.
TCS_162 Die Werkstattkartenanwendung der 2. Generation hat folgende Datenstruktur:
TCS_163 Die folgenden, in der vorstehenden Tabelle zur Größenangabe herangezogenen Werte sind die Mindest- und die Höchstwerte für die Anzahl der Datensätze, die die Datenstruktur der Werkstattkarte für eine Anwendung der 2. Generation verwenden muss:
4.4. Kontrollkartenanwendungen
4.4.1 Kontrollkartenanwendung der 1. Generation
TCS_164 Nach der Personalisierung weist die Kontrollkartenanwendung der 1. Generation folgende permanente Dateistruktur und Dateizugriffsregeln auf:
In dieser Tabelle werden die folgenden Abkürzungen für die Sicherheitsbedingung verwendet:
SC1 ALW ODER SM-MAC-G2
SC2 ALW ODER SM-MAC-G1 ODER SM-MAC-G2
SC3 SM-MAC-G1 ODER SM-MAC-G2
SC6 EXT-AUT-G1 ODER SM-MAC-G1 ODER SM-MAC-G2
TCS_165 Die Strukturen aller EF sind transparent.
TCS_166 Die Kontrollkartenanwendung der 1. Generation hat folgende Datenstruktur:
TCS_167 Die folgenden, in der vorstehenden Tabelle zur Größenangabe herangezogenen Werte sind die Mindest- und die Höchstwerte für die Anzahl der Datensätze, die die Datenstruktur der Kontrollkarte für eine Anwendung der 1. Generation verwenden muss:
4.4.2 Kontrollkartenanwendung der 2. Generation
TCS_168 Nach der Personalisierung weist die Kontrollkartenanwendung der 2. Generation folgende permanente Dateistruktur und Dateizugriffsregeln auf:
Hinweis: Die Kurz-Elementardateikennung SFID wird als Dezimalzahl ausgedrückt; beispielsweise entspricht der Wert 30 dem Binärwert 11110.
In dieser Tabelle wird die folgende Abkürzung für die Sicherheitsbedingung verwendet:
SC1 ALW ODER SM-MAC-G2
TCS_169 Die Strukturen aller EF sind transparent.
TCS_170 Die Kontrollkartenanwendung der 2. Generation hat folgende Datenstruktur:
TCS_171 Die folgenden, in der vorstehenden Tabelle zur Größenangabe herangezogenen Werte sind die Mindest- und die Höchstwerte für die Anzahl der Datensätze, die die Datenstruktur der Kontrollkarte für eine Anwendung der 2. Generation verwenden muss:
4.5. Unternehmenskartenanwendungen
4.5.1 Unternehmenskartenanwendung der 1. Generation
TCS_172 Nach der Personalisierung weist die Unternehmenskartenanwendung der 1. Generation folgende permanente Dateistruktur und Dateizugriffsregeln auf:
In dieser Tabelle werden die folgenden Abkürzungen für die Sicherheitsbedingung verwendet:
SC1 ALW ODER SM-MAC-G2
SC2 ALW ODER SM-MAC-G1 ODER SM-MAC-G2
SC3 SM-MAC-G1 ODER SM-MAC-G2
SC6 EXT-AUT-G1 ODER SM-MAC-G1 ODER SM-MAC-G2
TCS_173 Die Strukturen aller EF sind transparent.
TCS_174 Die Unternehmenskartenanwendung der 1. Generation hat folgende Datenstruktur:
TCS_175 Die folgenden, in der vorstehenden Tabelle zur Größenangabe herangezogenen Werte sind die Mindest- und die Höchstwerte für die Anzahl der Datensätze, die die Datenstruktur der Unternehmenskarte für eine Anwendung der 1. Generation verwenden muss:
4.5.2 Unternehmenskartenanwendung der 2. Generation
TCS_176 Nach der Personalisierung weist die Unternehmenskartenanwendung der 2. Generation folgende permanente Dateistruktur und Dateizugriffsregeln auf:
Hinweis: Die Kurz-Elementardateikennung SFID wird als Dezimalzahl ausgedrückt; beispielsweise entspricht der Wert 30 dem Binärwert 11110.
In dieser Tabelle wird die folgende Abkürzung für die Sicherheitsbedingung verwendet:
SC1 ALW ODER SM-MAC-G2
TCS_177 Die Strukturen aller EF sind transparent.
TCS_178 Die Unternehmenskartenanwendung der 2. Generation hat folgende Datenstruktur:
TCS_179 Die folgenden, in der vorstehenden Tabelle zur Größenangabe herangezogenen Werte sind die Mindest- und die Höchstwerte für die Anzahl der Datensätze, die die Datenstruktur der Unternehmenskarte für eine Anwendung der 2. Generation verwenden muss:
| Piktogramme | Anlage 318 |
PIC_001 Vom Fahrtenschreiber können fakultativ folgende Piktogramme und Piktogrammkombinationen (oder Piktogramme und Kombinationen, die hinreichend ähnlich sind, um eindeutig als diese erkannt zu werden) verwendet werden:
1. Einzelpiktogramme
2. Piktogrammkombinationen18
Anmerkung: Weitere Piktogrammkombinationen als Block- oder Datensatzbezeichner auf Ausdrucken sind in Anlage 4 festgelegt.
| Ausdrucke | Anlage 418 |
1. Allgemeines
Jeder Ausdruck besteht aus einer Aneinanderreihung verschiedener Datenblöcke, die durch einen Blockbezeichner ausgewiesen werden können.
Ein Datenblock enthält einen oder mehrere Datensätze, die durch einen Datensatzbezeichner ausgewiesen werden können.
PRT_001 Steht ein Blockbezeichner unmittelbar vor einem Datensatzbezeichner, wird der Datensatzbezeichner nicht gedruckt.
PRT_002 Ist eine Datenangabe unbekannt oder darf aus datenzugriffsrechtlichen Gründen nicht gedruckt werden, werden stattdessen Leerzeichen ausgedruckt.
PRT_003 Ist der Inhalt einer ganzen Zeile unbekannt oder braucht nicht gedruckt zu werden, wird die gesamte Zeile weggelassen.
PRT_004 Nummerische Datenfelder werden rechtsbündig, mit einer Leerstelle zur Abtrennung von Tausendern und Millionen und ohne Führungsnullen gedruckt.
PRT_005 Datenfelder mit Zeichenfolgen werden linksbündig gedruckt und nach Bedarf bis zur Datenelementlänge mit Leerzeichen aufgefüllt oder auf Datenelementlänge abgeschnitten (Namen und Anschriften).
PRT_006 Bei einem Zeilenumbruch aufgrund eines langen Textes muss die neue Zeile mit einem Sonderzeichen (Punkt auf Mitte der Zeilenhöhe, "•") beginnen.
2. Spezifikation der Datenblöcke18
In diesem Kapitel wurden folgende Konventionen für die Notation verwendet:
PRT_007 Ausdrucke verwenden die folgenden Datenblöcke und/oder Datensätze in der jeweiligen Bedeutung und Form:
3. Spezifikation der Ausdrucke
In diesem Kapitel werden die folgenden Konventionen für die Notation verwendet:
3.1. Tagesausdruck Fahrertätigkeiten von der Karte18
PRT_008 Der Tagesausdruck der Fahrertätigkeiten von der Karte hat folgendes Format:
3.2. Tagesausdruck Fahrertätigkeiten von der Fahrzeugeinheit (VU)18
PRT_009 Der Tagesausdruck der Fahrertätigkeiten von der VU hat folgendes Format:
3.3. Ausdruck Ereignisse und Störungen von der Karte
PRT_010 Der Ausdruck Ereignisse und Störungen von der Karte hat folgendes Format:
3.4. Ausdruck Ereignisse und Störungen von der VU
PRT_011 Der Ausdruck Ereignisse und Störungen von der VU hat folgendes Format:
3.5. Ausdruck Technische Daten
PRT_012 Der Ausdruck Technische Daten hat folgendes Format:
3.6. Ausdruck Geschwindigkeitsüberschreitung
PRT_013 Der Ausdruck Geschwindigkeitsüberschreitung hat folgendes Format:
3.7. Historie der eingesteckten Karten18
PRT_014 Der Ausdruck Historie der eingesteckten Karten hat folgendes Format:
| Anzeige | Anlage 5 |
In dieser Anlage werden folgende Konventionen für die Notation verwendet:
DIS_001 Die Anzeige von Daten durch den Fahrtenschreiber erfolgt in folgendem Format:
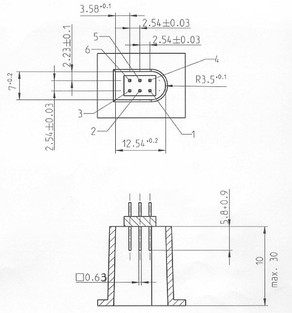
| Steckanschluss an der Vorderseite für Kalibrierung und Herunterladen | Anlage 6 |
1. Hardware
1.1. Steckanschluss
INT_001 Das Herunterladen/Kalibrieren erfolgt über eine sechspolige Steckverbindung, die an der Frontplatte zugänglich ist, ohne dass ein Teil des Fahrtenschreibers abgetrennt werden muss. Sie ist entsprechend der folgenden Abbildung auszulegen (sämtliche Maßangaben in mm):
Die folgende Abbildung zeigt einen typischen sechspoligen Stecker:
1.2. Belegung der Kontakte
INT_002 Die Kontakte sind entsprechend der nachstehenden Tabelle zu belegen:
| Stift | Beschreibung | Anmerkung |
| 1 | Batterie minus | Zum Minuspol der Fahrzeugbatterie |
| 2 | Datenkommunikation | K-Leitung (ISO 14230-1) |
| 3 | RxD - Herunterladen | Dateneingang Fahrtenschreiber |
| 4 | Eingabe-/Ausgabesignal | Kalibrierung |
| 5 | Dauerausgangsleistung | Zur Berücksichtigung des Spannungsabfalls am Schutzstromkreis entspricht der Spannungsbereich dem des Fahrzeugs minus 3 V Ausgangsleistung: 40 mA |
| 6 | TxD - Herunterladen | Datenausgang Fahrtenschreiber |
1.3. Blockschaltbild
INT_003 Folgendes Blockschaltbild ist vorgegeben:
2. Schnittstelle zum Herunterladen
INT_004 Die Schnittstelle zum Herunterladen entspricht den RS232-Spezifikationen.
INT_005 Die Schnittstelle zum Herunterladen verwendet ein Startbit, 8 Datenbits mit dem niedrigstwertigen Bit an erster Stelle, ein Bit geradzahliger Parität und 1 Stoppbit.
Aufbau der Datenbytes
| Startbit: | Ein Bit mit dem Logikpegel 0 |
| Datenbits: | An erster Stelle Übertragung des niedrigstwertigen Bits |
| Paritätsbit: | Gerade Parität |
| Stoppbit: | Ein Bit mit dem Logikpegel 1 |
Bei der Übermittlung nummerischer Daten, die aus mehr als einem Byte bestehen, wird das höchstwertige Byte an erster Stelle und das niedrigstwertige Byte an letzter Stelle übertragen.
INT_006 Die Baudrate bei der Übertragung ist zwischen 9 600 und 115 200 bit/s einstellbar. Die Übertragung hat mit der höchstmöglichen Übertragungsgeschwindigkeit zu erfolgen, wobei die anfängliche Bitgeschwindigkeit nach dem Aufbau der Verbindung auf 9 600 bit/s gesetzt wird.
3. Kalibrierungsschnittstelle
INT_007 Die Datenkommunikation erfolgt nach ISO 14230-1 Straßenfahrzeuge - Diagnosesysteme - Schlüsselwort 2000 - Teil 1: Bitübertragungsschicht, Erste Ausgabe: 1999.
INT_008 Das Eingabe-/Ausgabesignal entspricht den folgenden elektrischen Spezifikationen:
| Parameter | Minimum | Typisch | Maximum | Anmerkung |
| UL-Pegel (Eingang) | 1,0 V | I = 750 µA | ||
| UH-Pegel (Eingang) | 4 V | I = 200 µA | ||
| Frequenz | 4 kHz | |||
| UL-Pegel (Ausgang) | 1,0 V | I = 1 mA | ||
| UH-Pegel (Ausgang) | 4 V | I = 1 mA |
INT_009 Für das Eingabe-/Ausgabesignal gelten die folgenden Zeitdiagramme:
| Protokolle zum Herunterladen der Daten | Anlage 718 |
1. Einleitung
Diese Anlage enthält die Spezifizierung der Verfahren für die verschiedenen Arten der Übertragung der Daten von der Karte auf ein externes Speichermedium (ESM) sowie die Protokolle, die zur Sicherung der korrekten Datenübertragung und der vollständigen Kompatibilität des heruntergeladenen Datenformats zu implementieren sind, damit ein Kontrolleur diese Daten inspizieren und vor ihrer Analyse ihre Echtheit und Integrität kontrollieren kann.
1.1. Geltungsbereich18
Das Herunterladen von Daten auf ein ESM kann erfolgen:
Um eine Prüfung der Echtheit und Integrität der auf einem ESM gespeicherten heruntergeladenen Daten zu ermöglichen, werden die Daten mit einer gemäß Anlage 11 (Gemeinsame Sicherheitsmechanismen) angefügten Signatur heruntergeladen. Ebenfalls heruntergeladen werden die Kennung des Ursprungsgeräts (VU oder Karte) und dessen Sicherheitszertifikate (Mitgliedstaatszertifikat und Gerätezertifikat). Der Prüfer der Daten muss einen zuverlässigen europäischen öffentlichen Schlüssel besitzen.
Daten, die von einer VU heruntergeladen werden, werden gemäß Anlage 11 (Gemeinsame Sicherheitsmechanismen Teil B, Fahrtenschreibersystem der 2. Generation) unterzeichnet, außer wenn Fahrer von einer Nicht-EU-Kontrollbehörde mit einer Kontrollkarte der 1. Generation kontrolliert werden; in diesem Fall werden die Daten im Einklang mit Anlage 15 (Migration) Randnummer MIG_015 gemäß Anlage 11 (Gemeinsame Sicherheitsmechanismen Teil A, Fahrtenschreibersystem der 1. Generation) unterzeichnet.
In dieser Anlage werden daher zwei Arten des Datendownloads von VU spezifiziert:
Ebenso gibt es, wie in den Abschnitten 3 und 4 dieser Anlage ausgeführt, zwei Arten von Datendownloads von in VU eingesetzten Fahrerkarten der 2. Generation.
DDP_001 Die während eines Download-Vorgangs heruntergeladenen Daten müssen auf dem ESM in einer einzigen Datei gespeichert werden.
1.2. Akronyme und Notationen
In dieser Anlage werden folgende Akronyme verwendet:
| AID | Application Identifier (Anwendungskennung) |
| ATR | Answer To Reset (Antwort auf Zurücksetzen) |
| CS | Checksum Byte (Prüfsummenbyte) |
| DF | Dedicated File (Verzeichnis) |
| DS_ | Diagnostic Session (Diagnosevorgang) |
| EF | Elementary File (Elementardatei) |
| ESM | External Storage Medium (externes Speichermedium) |
| FID | File Identifier (File ID, Dateikennung) |
| FMT | Formatbyte (erstes Byte eines Nachrichtenkopfes) |
| ICC | Integrated Circuit Card (Chipkarte) |
| IDE | Intelligent Dedicated Equipment: Gerät, das zum Herunterladen von Daten auf das ESM verwendet wird (z.B. Personalcomputer) |
| IFD | Interface Device (Schnittstellengerät, Kartenterminal) |
| KWP | Keyword Protocol 2000 |
| LEN | Length Byte (Längenbyte, letztes Byte eines Nachrichtenkopfes) |
| PPS | Protocol Parameter Selection (Auswahl der Protokollparameter) |
| PSO | Perform Security Operation (Sicherheitsoperation ausführen) |
| SID | Service Identifier (Dienstkennung) |
| SRC | Source Byte (Quellbyte) |
| TGT | target Byte (Zielbyte) |
| TLV | Tag Length Value (Taglängenwert) |
| TREP | Transfer Response Parameter (Antwortübertragungsparameter) |
| TRTP | Transfer Request Parameter (Anfrageübertragungsparameter) |
| VU | Fahrzeugeinheit (Vehicle Unit) |
2. Herunterladen von Daten von der Fahrzeugeinheit
2.1. Download-Verfahren
Zur Durchführung eines VU-Datendownloads muss der Bediener folgende Arbeitsschritte ausführen:
2.2. Datendownload-Protokoll
Das Protokoll ist auf Master/Slave-Basis aufgebaut, wobei das IDE den Master und die VU den Slave bildet.
Nachrichtenstruktur, -typ und -fluss beruhen prinzipiell auf dem Keyword Protocol 2000 (KWP) (ISO 14230-2 Road vehicles - Diagnostic systems - Keyword protocol 2000 - Part2: Data link layer). (Straßenfahrzeuge - Diagnosesysteme - Schlüsselwort 2000 - Teil 2: Sicherungsschicht).
Die Anwendungsschicht beruht grundsätzlich auf dem aktuellen Normentwurf ISO 14229-1 (Road vehicles - Diagnostic systems - Part 1: Diagnostic services (Straßenfahrzeuge - Diagnosesysteme - Teil 1: Diagnosedienste), Version 6 vom 22. Februar 2001).
2.2.1 Nachrichtenstruktur
DDP_002 Alle zwischen dem IDE und der VU ausgetauschten Nachrichten sind mit einer dreiteiligen Struktur formatiert, die sich zusammensetzt aus
| Kopf | Datenfeld | Prüfsumme | |||||||
| FMT | TGT | SRC | LEN | SID | DATA | ... | ... | ... | CS |
| 4 Bytes | Max. 255 Bytes | 1 Byte | |||||||
TGT- und SRC-Byte stellen die physische Adresse des Empfängers und des Absenders der Nachricht dar. Die Werte sind F0 Hex für das IDE und EE Hex für die VU.
Das LEN-Byte ist die Länge des Datenfeldteils.
Das Prüfsummenbyte ist die 8-Bit-Summenreihe modulo 256 aller Bytes der Nachricht außer CS selbst.
Die Bytes FMT, SID, DS_, TRTP und TREP werden an anderer Stelle dieses Dokuments definiert.
DDP_003 Sind die von der Nachricht aufzunehmenden Daten länger als der im Datenfeldteil zur Verfügung stehende Platz, wird die Nachricht in mehreren Teilnachrichten gesendet. Jede Teilnachricht hat einen Kopf, die gleiche SID, TREP sowie einen 2-Byte-Teilnachrichtenzähler, der die Teilnachrichtnummer innerhalb der Gesamtnachricht angibt. Damit Fehlerprüfung und Abbruch möglich sind, bestätigt das IDE jede Teilnachricht. Das IDE kann die Teilnachricht annehmen, ihre erneute Übertragung anfordern sowie die VU zum Neubeginn oder zum Abbruch der Übertragung auffordern.
DDP_004 Enthält die letzte Teilnachricht genau 255 Bytes im Datenfeld, muss eine abschließende Teilnachricht mit leerem Datenfeld (außer SID, TREP und Teilnachrichtenzähler) angefügt werden, die das Ende der Nachricht anzeigt.
Beispiel:
| Kopf | SID | TREP | Nachricht | CS |
| 4 Bytes | Länger als 255 Bytes | |||
wird übertragen als:
| Kopf | SID | TREP | 00 | 01 | Teilnachricht 1 | CS |
| 4 Bytes | 255 Bytes | |||||
| Kopf | SID | TREP | 00 | 02 | Teilnachricht 2 | CS |
| 4 Bytes | 255 Bytes | |||||
...
| Kopf | SID | TREP | xx | yy | Teilnachricht n | CS |
| 4 Bytes | Weniger als 255 Bytes | |||||
oder als:
| Kopf | SID | TREP | 00 | 01 | Teilnachricht 1 | CS |
| 4 Bytes | 255 Bytes | |||||
| Kopf | SID | TREP | 00 | 02 | Teilnachricht 2 | CS |
| 4 Bytes | 255 Bytes | |||||
...
| Kopf | SID | TREP | xx | yy | Teilnachricht n | CS |
| 4 Bytes | 255 Bytes | |||||
| Kopf | SID | TREP | xx | yy + 1 | CS |
| 4 Bytes | 4 Bytes | ||||
2.2.2 Nachrichtentypen18
Das Kommunikationsprotokoll für das Herunterladen von Daten zwischen der VU und dem IDE verlangt den Austausch von 8 verschiedenen Nachrichtentypen.
In der folgenden Tabelle sind diese Nachrichten zusammengefasst.
| "Nachrichtenstruktur | Max. 4 Bytes Kopf | Max. 255 Bytes Daten | 1 Byte Prüfsumme | ||||||
| IDE - > | < - VU | FMT | TGT | SRC | LEN | SID | DS_ / TRTP | DATA | CS |
| Start Communication Request | 81 | EE | F0 | 81 | E0 | ||||
| Positive Response Start Communication | 80 | F0 | EE | 03 | C1 | EA, 8F | 9B | ||
| Start Diagnostic Session Request | 80 | EE | F0 | 02 | 10 | 81 | F1 | ||
|
Positive Response Start Diagnostic |
80 | F0 | EE | 02 | 50 | 81 | 31 | ||
Link Control Service
Verify Baud Rate (stage 1) |
|||||||||
| 9.600 Baud | 80 | EE | F0 | 04 | 87 | 01,01,01 | EC | ||
| 19.200 Bd | 80 | EE | F0 | 04 | 87 | 01,01,02 | ED | ||
| 38.400 Bd | 80 | EE | F0 | 04 | 87 | 01,01,03 | EE | ||
| 57.600 Bd | 80 | EE | F0 | 04 | 87 | 01,01,04 | EF | ||
| 115.200 Bd | 80 | EE | F0 | 04 | 87 | 01,01,05 | F0 | ||
| Positive Response Verify Baud Rate | 80 | F0 | EE | 02 | C7 | 01 | 28 | ||
Transition Baud Rate (stage 2) |
80 | EE | F0 | 03 | 87 | 02,03 | ED | ||
| Request Upload | 80 | EE | F0 | 0A | 35 | 00,00,00, 00,00,FF,FF, FF,FF | 99 | ||
|
Positive Response Request Upload |
80 | F0 | EE | 03 | 75 | 00,FF | D5 | ||
| Transfer Data Request | |||||||||
Overview |
80 | EE | F0 | 02 | 36 | 01 oder 21 | 97 | ||
Activities |
80 | EE | F0 | 06 | 36 | 02 oder 22 | Datum | CS | |
Events & Faults |
80 | EE | F0 | 02 | 36 | 03 oder 23 | 99 | ||
Detailed Speed |
80 | EE | F0 | 02 | 36 | 04 oder 24 | 9A | ||
Technical Data |
80 | EE | F0 | 02 | 36 | 05 oder 25 | 9B | ||
Card download |
80 | EE | F0 | 02 | 36 | 06 | Slot | CS | |
|
Positive Response Transfer Data |
80 | F0 | EE | Len | 76 | TREP | Daten | CS | |
| Request Transfer Exit | 80 | EE | F0 | 01 | 37 | 96 | |||
|
Positive Response Request Transfer Exit |
80 | F0 | EE | 01 | 77 | D6 | |||
| Stop Communication Request | 80 | EE | F0 | 01 | 82 | E1 | |||
|
Positive Response Stop Communication |
80 | F0 | EE | 01 | C2 | 21 | |||
| Acknowledge sub message | 80 | EE | F0 | Len | 83 | Daten | CS | ||
|
Negative responses |
|||||||||
|
General reject |
80 | F0 | EE | 03 | 7F | Sid Req | 10 | CS | |
|
Service not supported |
80 | F0 | EE | 03 | 7F | Sid Req | 11 | CS | |
|
Sub function not supported |
80 | F0 | EE | 03 | 7F | Sid Req | 12 | CS | |
|
Incorrect Message Length |
80 | F0 | EE | 03 | 7F | Sid Req | 13 | CS | |
|
Conditions not correct or Request sequence error |
80 | F0 | EE | 03 | 7F | Sid Req | 22 | CS | |
|
Request out of range |
80 | F0 | EE | 03 | 7F | Sid Req | 31 | CS | |
|
Upload not accepted |
80 | F0 | EE | 03 | 7F | Sid Req | 50 | CS | |
|
Response pending |
80 | F0 | EE | 03 | 7F | Sid Req | 78 | CS | |
|
Data not available |
80 | F0 | EE | 03 | 7F | Sid Req | FA | CS" | |
Anmerkungen:
2.2.2.1 Start Communication Request (SID 81)
DDP_005 Diese Nachricht wird vom IDE zum Aufbau der Kommunikationsverbindung mit der VU ausgegeben. Der Verbindungsaufbau und die Kommunikation erfolgt anfangs stets mit einer Datenrate von 9.600 Baud (solange die Übertragungsgeschwindigkeit nicht durch einen Link Control Service (Verbindungssteuerungsdienst) geändert wird).
2.2.2.2. Positive Response Start Communication (SID C1)
DDP_006 Diese Nachricht wird von der VU als positive Antwort auf einen Start Communication Request ausgegeben. Sie enthält die beiden Schlüsselbytes "EA""8F" als Hinweis darauf, dass die Einheit das Protokoll mit Kopf einschließlich Ziel-, Quell- und Längeninformation unterstützt.
2.2.2.3 Start Diagnostic Session Request (SID 10)
DDP_007 Die Nachricht Start Diagnostic Session Request wird vom IDE ausgegeben, um einen neuen Diagnosevorgang mit der VU zu beginnen. Die Untervariable "default session" (81 Hex) zeigt an, dass ein Standard-Diagnosevorgang eingeleitet werden soll.
2.2.2.4. Positive Response Start Diagnostic (SID 50)
DDP_008 Die Nachricht Positive Response Start Diagnostic wird von der VU als positive Antwort auf einen Diagnostic Session Request gesendet.
2.2.2.5 Link Control Service (SID 87)
DDP_052 Mit Hilfe des Link Control Service (Verbindungssteuerungsdienst) leitet die IDE einen Wechsel der Übertragungsgeschwindigkeit (Baudrate) ein. Dies erfolgt in zwei Schritten. Zunächst schlägt die IDE einen Wechsel vor und gibt dazu die neue Baudrate an. Nach einer positiven Antwort der VU sendet die IDE dann im zweiten Schritt eine Bestätigung des Geschwindigkeitswechsels an die VU und geht danach zur neuen Baudrate über. Nach Erhalt der Bestätigung geht auch die VU zur neuen Baudrate über.
2.2.2.6. Link Control Positive Response (SID C7)
DDP_053 Die Nachricht Link Control Positive Response wird von der VU als positive Antwort auf einen Link Control Service Request (Schritt 1) gesendet. Die Bestätigungsmeldung (Schritt 2) wird dagegen nicht beantwortet.
2.2.2.7 Request Upload (SID 35)
DDP_009 Die Nachricht Request Upload wird vom IDE als Mitteilung an die VU ausgegeben, dass eine Download-Operation angefordert wird. In Übereinstimmung mit der ISO 14229 umfasst diese Anforderung stets Angaben zu Adresse, Größe und Format der angeforderten Daten. Da diese Angaben der IDE jedoch vor dem Herunterladen nicht bekannt sind, wird die Speicheradresse auf "0", das Format auf "verschlüsselt und unkomprimiert" und die Speichergröße auf den Höchstwert gesetzt.
2.2.2.8. Positive Response Request Upload (SID 75)
DDP_010 Die Nachricht Positive Response Request Upload wird von der VU gesendet, um dem IDE anzuzeigen, dass die VU zum Herunterladen der Daten bereit ist. In Übereinstimmung mit der ISO 14229 enthält diese Positive-Response-Nachricht auch Daten, mit denen der IDE mitgeteilt wird, dass spätere Nachrichten Positive Response Transfer Data höchstens 00FF Hex Bytes umfassen werden.
2.2.2.9 Transfer Data Request (SID 36)18
DDP_011 Die Nachricht Transfer Data Request wird vom IDE gesendet und spezifiziert der VU den herunterzuladenden Datentyp. Mit dem Byte Transfer Request Parameter (TRTP) wird die Übertragungsart angegeben.
Es gibt sechs Arten der Datenübertragung. Beim VU-Datendownload können für jede Übertragungsart zwei unterschiedliche TRTP-Werte verwendet werden:
| Datenübertragungsart | TRTP-Wert für VU-Datendownloads der 1. Generation | TRTP-Wert für VU-Datendownloads der 2. Generation |
| Überblick | 01 | 21 |
| Tätigkeiten eines bestimmten Tages | 02 | 22 |
| Ereignisse und Störungen | 03 | 23 |
| Genaue Geschwindigkeitsangaben | 04 | 24 |
| Technische Daten | 05 | 25 |
| Datenübertragungsart | TRTP-Wert |
| Kartendownload | 06 |
DDP_054 Die IDE muss beim Herunterladen eine Überblicks-Datenübertragung (TRTP 01 oder 21) anfordern, da nur so die VU-Zertifikate in der heruntergeladenen Datei gespeichert werden (und die digitale Signatur geprüft werden kann).
Im zweiten Fall (TRTP 02 oder 22) schließt die Nachricht Transfer Data Request die Angabe des herunterzuladenden Kalendertags (Format TimeReal) ein.
2.2.2.10 Positive Response Transfer Data (SID 76)18
DDP_012 Die Nachricht Positive Response Transfer Data wird von der VU als Antwort auf die Transfer Data Request gesendet. Sie enthält die angeforderten Daten, wobei die Transfer Response Parameter (TREP) der TRTP der Anforderung entspricht.
DDP055 Im ersten Fall (TREP 01 oder 21) sendet die VU Daten, die es dem IDE-Bediener erleichtern, die von ihm herunterzuladenden Daten auszuwählen. Diese Nachricht enthält folgende Informationen:
2.2.2.11 Request Transfer Exit (SID 37)
DDP_013 Mit der Nachricht Request Transfer Exit teilt das IDE der VU mit, dass der Download-Vorgang beendet ist.
2.2.2.12. Positive Response Request Transfer Exit (SID 77)
DDP_014 Die Nachricht Positive Response Request Transfer Exit wird von der VU zur Quittierung der Request Transfer Exit gesendet.
2.2.2.13 Stop Communication Request (SID 82)
DDP_015 Die Nachricht Stop Communication Request wird vom IDE gesendet, um die Kommunikationsverbindung mit der VU zu trennen.
2.2.2.14. Positive Response Stop Communication (SID C2)
DDP_016 Mit der Nachricht Positive Response Stop Communication quittiert die VU die Nachricht Stop Communication Request.
2.2.2.15 Acknowledge Sub Message (SID 83)
DDP_017 Mit der Nachricht Acknowledge Sub Message bestätigt das IDE den Empfang der einzelnen Teile einer Nachricht, die in mehreren Teilnachrichten gesendet wird. Das Datenfeld enthält die von der VU empfangene SID sowie einen 2-Byte-Code wie folgt:
Die letzte Teilnachricht einer Nachricht (LEN-Byte < 255) kann unter Verwendung eines dieser Codes oder gar nicht quittiert werden.
Folgende VU-Antwort besteht aus mehreren Teilnachrichten:
2.2.2.16 Negative Response (SID 7F)18
DDP_018 Die Nachricht Negative Response wird von der VU als Antwort auf die oben genannten Anforderungsnachrichten gesendet, wenn sie die Anforderung nicht erfüllen kann. Die Datenfelder der Nachricht enthalten die SID der Antwort (7F), die SID der Anforderung sowie einen Code zur Angabe des Grundes der negativen Antwort. Folgende Codes stehen zur Verfügung:
2.2.3 Nachrichtenfluss
Ein typischer Nachrichtenfluss während einer normalen Datendownload-Prozedur sieht folgendermaßen aus:
| IDE | VU | |
| Start Communication Request | ![]() |
Positive Response |
| Start Diagnostic Service Request | ![]() |
Positive Response |
| Request Upload | ![]() |
Positive Response |
| Transfer Data Request Overview | ![]() |
Positive Response |
| Transfer Data Request #2 | ![]() |
Positive Response #1 |
| Acknowledge Sub Message #1 | ![]() |
Positive Response #2 |
| Acknowledge Sub Message #2 | ![]() |
Positive Response #m |
| Acknowledge Sub Message #m | ![]() |
Positive Response (Data Field < 255 Bytes) |
| Acknowledge Sub Message (optional) | ![]() |
|
| ... | ||
| Transfer Data Request #n | ![]() |
Positive Response |
| Request Transfer Exit | ![]() |
Positive Response |
| Stop Communication Request | ![]() |
Positive Response |
2.2.4 Timing
DDP_019 Während des normalen Betriebs sind die in der folgenden Abbildung dargestellten Timing-Parameter relevant:
Abbildung 1 Nachrichtenfluss, Timing
Hierbei sind:
P1 = Zeit zwischen den Bytes bei VU-Antwort.
P2 = Zeit zwischen dem Ende der IDE-Anforderung und dem Beginn der VU-Antwort bzw. zwischen dem Ende der IDE-Quittung und dem Beginn der nächsten VU-Antwort.
P3 = Zeit zwischen dem Ende der VU-Antwort und dem Beginn der neuen IDE-Anforderung bzw. zwischen dem Ende der VU-Antwort und dem Beginn der IDE-Quittung bzw. zwischen dem Ende der IDE-Anforderung und dem Beginn der neuen IDE-Anforderung, wenn VU nicht antwortet.
P4 = Zeit zwischen den Bytes bei IDE-Anforderung.
P5 = Erweiterter Wert von P3 für das Herunterladen der Karte.
Die zulässigen Werte für die Timing-Parameter sind in der folgenden Tabelle aufgeführt (KWP - erweiterter Timing-Parametersatz, verwendet bei physischer Adressierung zwecks schnellerer Kommunikation).
| Timing-Parameter | Unterer Grenzwert (ms) |
Oberer Grenzwert (ms) |
| P1 | 0 | 20 |
| P2 | 20 | 1.000 * |
| P3 | 10 | 5.000 |
| P4 | 5 | 20 |
| P5 | 10 | 20 Minuten |
| *) Wenn die VU mit einer negativen Antwort reagiert, die einen Code mit der Bedeutung "Anforderung korrekt empfangen, Antwort kommt" enthält, wird dieser Wert auf den gleichen oberen Grenzwert erweitert wie P3. | ||
2.2.5 Fehlerbehandlung
Tritt während des Nachrichtenaustauschs ein Fehler auf, erfolgt eine Modifizierung des Nachrichtenflusses in Abhängigkeit von dem Gerät, das den Fehler erkannt hat, sowie von der Nachricht, die den Fehler hervorgerufen hat.
In Abbildung 2 und 3 sind die Fehlerbehandlungsprozeduren für die VU bzw. für das IDE dargestellt.
2.2.5.1 Start Communication-Phase
DDP_020 Erkennt das IDE einen Fehler während der Start Communication-Phase entweder durch Timing oder durch den Bitstrom, wartet es P3min bis zur erneuten Ausgabe der Anforderung.
DDP_021 Erkennt die VU einen Fehler in der vom IDE eingehenden Folge, sendet sie keine Antwort und wartet innerhalb des Zeitraums P3max auf eine weitere Nachricht Start Communication Request.
2.2.5.2 Communication-Phase
Es lassen sich zwei verschiedene Fehlerbehandlungsbereiche definieren:
1. Die VU erkennt einen IDE-Übertragungsfehler.
DDP_022 Die VU prüft jede empfangene Nachricht auf Timing-Fehler, Byteformatfehler (z.B. Start- und Stoppbitverletzungen) sowie Datenpaketfehler (falsche Byteanzahl empfangen, falsches Prüfsummenbyte).
DDP_023 Erkennt die VU einen der vorstehend genannten Fehler, sendet sie keine Antwort und ignoriert die empfangene Nachricht.
DDP_024 Die VU kann andere Fehler im Format oder Inhalt der empfangenen Nachricht (z.B. Nachricht nicht unterstützt) feststellen, selbst wenn die Nachricht die erforderlichen Längen und Prüfsummen einhält; in diesem Fall antwortet die VU dem IDE mit einer Negative Response-Nachricht unter Angabe der Fehlerart.
Abbildung 2 Fehlerbehandlung durch die VU
2. Das IDE erkennt einen VU-Übertragungsfehler.
DDP_025 Das IDE prüft jede empfangene Nachricht auf Timing-Fehler, Byteformatfehler (z.B. Start- und Stoppbitverletzungen) sowie Datenpaketfehler (falsche Byteanzahl empfangen, falsches Prüfsummenbyte).
DDP_026 Das IDE erkennt Sequenzfehler, z.B. die inkorrekte Erhöhung des Teilnachrichtenzählers bei nacheinander empfangenen Nachrichten.
DDP_027 Erkennt das IDE einen Fehler oder ist innerhalb des Zeitraums P2max keine Antwort von der VU erfolgt, wird die Anforderungsnachricht für insgesamt maximal drei Übertragungen erneut gesendet. Zum Zwecke dieser Fehlererkennung wird eine Teilnachrichtquittung als Anforderung an die VU betrachtet.
DDP_028 Vor dem Beginn jeder Sendung wartet das IDE mindestens P3min; die Wartezeit wird vom letzten errechneten Auftreten eines Stoppbits nach der Fehlererkennung an gemessen.
Abbildung 3 Fehlerbehandlung durch das DIE
2.2.6 Inhalt der Antwortnachricht
In diesem Abschnitt wird der Inhalt der Datenfelder der verschiedenen positiven Antwortnachrichten spezifiziert.
Die Datenelemente sind in Anlage 1, Datenglossar, definiert.
Hinweis: Bei Downloads der 2. Generation wird jedes oberste Datenelement durch ein Datensatz-Array repräsentiert, auch wenn dieser lediglich einen Datensatz umfasst. Ein Datensatz-Array beginnt mit dem Kopf; dieser Kopf enthält Datensatztyp, Datensatzgröße und die Anzahl an Datensätzen. Die Datensatz-Arrays sind in den folgenden Tabellen durch "... Record Array" (mit Kopf) gekennzeichnet.
2.2.6.1 Positive Response Transfer Data Overview18
DDP_029 Das Datenfeld der Nachricht Positive Response Transfer Data Overview liefert folgende Daten in folgender Reihenfolge unter SID 76 Hex und TREP 01 oder 21 Hex. Es muss eine geeignete Aufteilung und Zählung der Teilnachrichten erfolgen:
Datenstruktur der 1. Generation (TREP 01 Hex):
Datenstruktur der 2. Generation (TREP 21 Hex):
2.2.6.2 Positive Response Transfer Data Activities18
DDP_030 Das Datenfeld der Nachricht Positive Response Transfer Data Activities liefert folgende Daten in folgender Reihenfolge unter SID 76 Hex und TREP 02 oder 22 Hex. Es muss eine geeignete Aufteilung und Zählung der Teilnachrichten erfolgen:
Datenstruktur der 1. Generation (TREP 02 Hex):
Datenstruktur der 2. Generation (TREP 22 Hex):
2.2.6.3 Positive Response Transfer Data Events and Faults18
DDP_031 Das Datenfeld der Nachricht Positive Response Transfer Data Events and Faults liefert folgende Daten in folgender Reihenfolge unter SID 76 Hex und TREP 03 oder 23 Hex. Es muss eine geeignete Aufteilung und Zählung der Teilnachrichten erfolgen:
Datenstruktur der 1. Generation (TREP 03 Hex):
Datenstruktur der 2. Generation (TREP 23 Hex):
2.2.6.4 Positive Response Transfer Data Detailed Speed18
DDP_032 Das Datenfeld der Nachricht Positive Response Transfer Data Detailed Speed liefert folgende Daten in folgender Reihenfolge unter SID 76 Hex und TREP 04 oder 24 Hex. Es muss eine geeignete Aufteilung und Zählung der Teilnachrichten erfolgen:
Datenstruktur der 1. Generation (TREP 04):
Datenstruktur der 2. Generation (TREP 24):
2.2.6.5 Positive Response Transfer Data Technical Data18
DDP_033 Das Datenfeld der Nachricht Positive Response Transfer Data Technical Data liefert folgende Daten in folgender Reihenfolge unter SID 76 Hex und TREP 05 oder 25 Hex. Es muss eine geeignete Aufteilung und Zählung der Teilnachrichten erfolgen:
Datenstruktur der 1. Generation (TREP 05):
Datenstruktur der 2. Generation (TREP 25):
2.3. ESM-Datenspeicherung
DDP_034 War eine VU-Datenübertragung Bestandteil eines Download-Vorgangs, speichert das IDE in einer einzigen physischen Datei alle Daten, die während des Download-Vorgangs von der VU in Positive Response Transfer Data-Nachrichten empfangen wurden. Dabei nicht gespeichert werden Nachrichtenköpfe, Teilnachrichtenzähler, leere Teilnachrichten und Prüfsummen, gespeichert werden jedoch SID und TREP (nur der ersten Teilnachricht bei mehreren Teilnachrichten).
3. Protokoll für das Herunterladen von Daten von Fahrtenschreiberkarten
3.1. Geltungsbereich
Dieser Abschnitt beschreibt das direkte Herunterladen der Kartendaten einer Kontrollgerätkarte auf ein IDE. Da das IDE nicht Bestandteil der Sicherheitsumgebung ist, erfolgt keine Authentisierung zwischen der Karte und dem IDE.
3.2. Begriffsbestimmungen
| Download-Vorgang: | Die Ausführung eines Download der Chipkartendaten. Der Vorgang umfasst die gesamte Prozedur vom Zurücksetzen der Chipkarte durch ein IFD bis zur Deaktivierung der Chipkarte (Entnahme der Karte oder nächstes Zurücksetzen). |
| Signierte Datei: | Eine Datei von der Chipkarte. Die Datei wird in Klartext zum IFD übertragen. Auf der Chipkarte erfolgt eine Hash-Code-Anwendung für die Datei, sie wird signiert, und die Signatur wird an das IFD übertragen. |
3.3. Herunterladen von der Karte18
DDP_035 Das Herunterladen einer Fahrtenschreiberkarte beinhaltet die folgenden Schritte:
3.3.1 Initialisierungssequenz
DDP_036 Das IDE leitet die folgende Sequenz ein:
| Karte | Richtung | IDE/IFD | Bedeutung/Bemerkungen |
![]() |
Hardware zurücksetzen | ||
| ATR | ![]() |
Mit PPS kann auf eine höhere Baudrate gewechselt werden, sofern die Chipkarte diese Baudrate unterstützt.
3.3.2 Sequenz für unsignierte Dateien18
DDP_037 Die Sequenz für das Herunterladen der EF ICC, IC, Card_Certificate (oder CardSignCertificate für DF Tachograph_G2), CA_Certificate und Link_Certificate (nur für DF Tachograph_G2) lautet folgendermaßen:
| Karte | Richtung | IDE/IFD | Bedeutung/Bemerkungen |
![]() |
Select File | Auswahl nach Dateikennung | |
| OK | ![]() |
||
![]() |
Read Binary | Enthält die Datei mehr Daten, als der Puffer des Lesers oder der Karte fassen kann, ist der Befehl so lange zu wiederholen, bis die gesamte Datei ausgelesen ist. | |
| File Data OK |
![]() |
Daten auf ESM speichern | gemäß 3.4 Data storage format |
Hinweis 1: Vor Auswahl der EF Card_Certificate (CardSignCertificate) muss die Fahrtenschreiberanwendung ausgewählt werden (Auswahl durch AID).
Hinweis 2: Das Auswählen und Auslesen einer Datei kann mithilfe des Befehls Read Binary mit Kurz-Elementardateikennung in einem Schritt erfolgen.
3.3.3 Sequenz für signierte Dateien18
DDP_038 Die folgende Sequenz wird für die folgenden Dateien verwendet, die jeweils mit ihrer Signatur herunterzuladen sind:
| Karte | Richtung | IDE / IFD | Bedeutung / Bemerkungen |
| <= | Select File | ||
| OK | => | ||
| <= | Perform Hash of File | - Berechnet den Hashwert über dem Dateninhalt der ausgewählten Datei mithilfe des vorgeschriebenen Hash-Algorithmus gemäß Anlage 11 Teil A oder B. Dieser Befehl ist kein ISO-Befehl. | |
| Hash of File berechnen und Hashwert temporär speichern | |||
| OK | => | ||
| <= | Read Binary | Enthält die Datei mehr Daten, als der Puffer des Lesers oder der Karte fassen kann, ist der Befehl so lange zu wiederholen, bis die gesamte Datei ausgelesen ist. | |
| File Data OK |
=> | Empfangene Daten auf ESM speichern | gemäß 3.4 Data storage format |
| <= | PSO: Compute Digital Signature | ||
| Perform Security Operation 'Compute Digital Signature' mithilfe des temporär gespeicherten Hashwerts | |||
| Signature OK |
=> | Daten an die zuvor auf dem ESM gespeicherten Daten anfügen | gemäß 3.4 Data storage format |
Hinweis: Das Auswählen und Auslesen einer Datei kann mithilfe des Befehls Read Binary mit Kurz-Elementardateikennung in einem Schritt erfolgen. In diesem Fall kann die EF ausgewählt und ausgelesen werden, bevor der Befehl Perform Hash of File angewendet wird.
3.3.4 Sequenz für das Zurücksetzen des Kalibrierungszählers
DDP_039 Die Sequenz für das Zurücksetzen des Zählers NoOfCalibrationsSinceDownload in der EF Card_Download auf einer Werkstattkarte lautet folgendermaßen:
| Karte | Richtung | IDE/IFD | Bedeutung/Bemerkungen |
![]() |
Select File EF Card_Download | Auswahl nach Dateikennung | |
| OK | ![]() |
||
![]() |
Update Binary NoOfCalibrationsSinceDownload = "00 00" |
||
| setzt Kartendownload zurück | |||
| OK | ![]() |
Hinweis: Das Auswählen und Aktualisieren einer Datei kann mithilfe des Befehls Update Binary mit Kurz-Elementardateikennung in einem Schritt erfolgen.
3.4. Datenspeicherungsformat
3.4.1 Einleitung
DDP_040 Die heruntergeladenen Daten sind nach folgenden Bedingungen zu speichern:
3.4.2 Dateiformat18
DDP_041 Das Dateiformat ist eine Verkettung mehrerer TLV-Objekte.
DDP_042 Der Tag für eine EF ist die FID sowie der Zusatz "00".
DDP_043 Der Tag der Signatur einer EF ist die FID der Datei sowie der Zusatz "01".
DDP_044 Die Länge ist ein 2-Byte-Wert. Der Wert legt die Anzahl der Bytes im Wertfeld fest. Der Wert "FF FF" im Längenfeld ist für eine künftige Verwendung reserviert.
DDP_045 Wird eine Datei nicht heruntergeladen, ist auch nichts zu speichern, was mit der Datei im Zusammenhang steht (also kein Tag und keine Nulllänge).
DDP_046 Eine Signatur wird als nächstes TLV-Objekt unmittelbar nach dem Objekt, das die Daten der Datei enthält, gespeichert.
| Definition | Bedeutung | Länge |
| FID (2 Bytes) || '00' | Tag für EF (FID) in Tachograph oder für gemeinsame Informationen der Karte | 3 Bytes |
| FID (2 Bytes) || '01' | Tag für Signatur der EF (FID) in DF Tachograph | 3 Bytes |
| FID (2 Bytes) || '02' | Tag für Signatur der EF (FID) in DF Tachograph_G2 | 3 Bytes |
| FID (2 Bytes) || '03' | Tag für Signatur der EF (FID) in DF Tachograph_G2 | 3 Bytes |
| xx xx | Länge des Wertfelds | 2 Bytes |
Beispiel für Daten in einer Download-Datei auf einem ESM:
| Tag | Länge | Wert |
| 00 02 00 | 00 11 | - Daten von EF ICC |
| C1 00 00 | 00 C2 | - Daten von EF Card_Certificate |
| - ... | ||
| 05 05 00 | 0a 2E | Daten von EF Vehicles_Used (in DF Tachograph) |
| 05 05 01 | 00 80 | Signatur von EF Vehicles_Used (in DF Tachograph) |
| 05 05 02 | 0a 2E | Daten von EF Vehicles_Use in DF Tachograph_G2 |
| 05 05 03 | xx xx | Signatur von EF Vehicles_Used in DF Tachograph_G2" |
4. Herunterladen von der Fahrtenschreiberkarte über eine Fahrzeugeinheit18
DDP_047 Die VU muss das Herunterladen des Inhalts einer eingesteckten und an ein IDE angeschlossenen Fahrerkarte zulassen.
DDP_048 Zum Starten dieses Modus sendet das IDE die Nachricht Transfer Data Request Card Download an die VU (siehe 2.2.2.9).
DDP_049 Fahrerkarten der 1. Generation: Für den Datendownload wird das Datendownload-Protokoll der 1. Generation verwendet, und die heruntergeladenen Daten haben das gleiche Format wie die von einer Fahrzeugeinheit der 1. Generation heruntergeladenen Daten.
Fahrerkarten der 2. Generation: Daraufhin lädt die VU die gesamte Karte dateiweise in Übereinstimmung mit dem in Abschnitt 3 definierten Download-Protokoll herunter und leitet alle von der Karte empfangenen Daten im entsprechenden TLV-Dateiformat (siehe 3.4.2) sowie eingekapselt in eine 'Positive Response Transfer Data'-Nachricht an das IDE weiter.
DDP_050 Das IDE ruft die Kartendaten aus der Nachricht Positive Response Transfer Data ab (unter Fortlassung aller Köpfe, SID, TREP, Teilnachrichtenzähler und Prüfsummen) und speichert sie innerhalb einer in Abschnitt 2.3 beschriebenen physischen Datei.
DDP_051 Danach aktualisiert die VU gegebenenfalls die Dateien Control_Activity_Data oder Card_Download der Fahrerkarte.
______
*) Die eingesetzte Karte löst die erforderlichen Zugriffsrechte für die Herunterladefunktion und die Daten aus. Das Herunterladen von Daten von einer in einen der Steckplätze der VU eingeführten Fahrerkarte ist auch möglich, wenn in den anderen Steckplatz kein anderer Kartentyp eingeführt ist.
| Kalibrierungsprotokoll | Anlage 818 |
1. Einleitung
In dieser Anlage wird der Datenaustausch zwischen einer Fahrzeugeinheit und einem Prüfgerät über die K-Leitung, die Teil der in Anlage 6 beschriebenen Kalibrierungsschnittstelle ist, beschrieben. Außerdem enthält sie eine Beschreibung der Steuerung der Eingangs-/Ausgangssignalleitung am Kalibrierungsanschluss.
Das Aufbauen der K-Leitungskommunikation wird im Abschnitt 4 "Kommunikationsdienste" beschrieben.
In dieser Anlage ist vom Konzept der Diagnosevorgänge die Rede, mit dem der Umfang der K-Leitungssteuerung unter verschiedenen Bedingungen festgelegt wird. Der Standardvorgang ist dabei die "StandardDiagnosticSession", bei der aus einer Fahrzeugeinheit alle Daten ausgelesen, jedoch keine Daten in die Fahrzeugeinheit geschrieben werden können.
Die Auswahl des Diagnosevorgangs wird im Abschnitt 5 "Verwaltungsdienste" beschrieben.
Dieser Anhang gilt als relevant für beide Generationen von VU- und Werkstattkarten gemäß den in dieser Verordnung beschriebenen Interoperabilitätsanforderungen.
CPR_001 Im Programmiervorgang "ECUProgrammingSession" ist es möglich, Daten in die Fahrzeugeinheit einzugeben. Bei der Eingabe von Kalibrierungsdaten muss sich die Fahrzeugeinheit außerdem in der Betriebsart KALIBRIERUNG befinden.
Die Datenübertragung über die K-Leitung wird im Abschnitt 6 "Datenübertragungsdienste" beschrieben. Die Formate der übertragenen Daten werden in Abschnitt 8 "dataRecords-Formate" erläutert.
CPR_002 Der Einstellvorgang "ECUAdjustmentSession" ermöglicht die Auswahl der E/A-Betriebsart der Kalibrierungs-E/A-Signalleitung über die Schnittstelle der K-Leitung. Die Steuerung der Kalibrierungs-E/A-Signalleitung wird in Abschnitt 7 "Prüfimpulssteuerung - Funktionseinheit Eingabe/Ausgabe-Steuerung" beschrieben.
CPR_003 Im vorliegenden Dokument wird als Adresse für das Prüfgerät durchgängig 'tt' verwendet. Ungeachtet dessen, dass für Prüfgeräte bevorzugte Adressen verwendet werden können, muss die VU auf jede Prüfgerätadresse richtig antworten. Die physische Adresse der VU ist 0xEE.
2. Begriffe, Begriffsbestimmungen und Referenzdokumente18
Die Protokolle, Nachrichten und Fehlercodes beruhen grundsätzlich auf einem Normentwurf von ISO 14229-1 (Road vehicles - Diagnostic systems - Part 1: Diagnostic services, Version 6 vom 22. Februar 2001).
Für die Service Identifier (SID), die Bedienanforderungen und -antworten sowie die Standardparameter werden Byte-Codierungen und hexadezimale Werte verwendet.
Der Begriff "Prüfgerät" bezeichnet das zur Eingabe der Programmierungs-/Kalibrierungsdaten in die VU verwendete Gerät.
Die Begriffe "Client" und "Server" beziehen sich auf das Prüfgerät bzw. die VU.
Der Begriff "ECU" bedeutet "elektronische Steuereinheit" und bezieht sich auf die VU.
Referenzdokumente:
ISO 14230-2: Road Vehicles - Diagnostic Systems - Keyword Protocol 2000 - Part 2: Data Link Layer.
First edition: 1999.
3. Diensteübersicht
3.1. Verfügbare Dienste
Die folgende Tabelle gibt einen Überblick über die in dieser Anlage beschriebenen Dienste, die im Fahrtenschreiber verfügbar sein werden.
CPR_004 In der Tabelle sind die Dienste aufgeführt, die bei aktiviertem Diagnosevorgang verfügbar sind.
Tabelle 1 Übersicht über die SId-Werte
| Diagnosevorgänge | |||||
| Name des Diagnosedienstes | Abschnitt Nr. | Wert SId Req. | SD | ECUAS | ECUPS |
| Start Communication | 4.1 | 81 | |||
| StopCommunication | 4.2 | 82 | |||
| TesterPresent | 4.3 | 3E | |||
| StartDiagnosticSession | 5.1 | 10 | |||
| SecurityAccess | 5.2 | 27 | |||
| ReadDataByIdentifier | 6.1 | 22 | |||
| WriteDataByIdentifier | 6.2 | 2E | |||
| InputOutputControlByIdentifier | 7.1 | 2F | |||
Ein Feld ohne Symbol bedeutet, dass der betreffende Dienst bei diesem Diagnosevorgang nicht zugelassen ist. |
|||||
3.2. Antwortcodes
Für jeden Dienst sind Antwortcodes festgelegt.
4. Kommunikationsdienste
Um die Kommunikation aufzubauen und aufrecht zu erhalten, sind einige Dienste erforderlich, die nicht auf der Anwendungsschicht liegen. Die zur Verfügung stehenden Dienste sind in nachstehender Tabelle aufgeführt:
Tabelle 2: Kommunikationsdienste
| Name des Dienstes | Beschreibung |
| Start Communication | Client fordert Beginn eines Kommunikationsvorgangs mit einem (mehreren) Server(n) an |
| StopCommunication | Client fordert Beendigung des laufenden Kommunikationsvorgangs an |
| TesterPresent | Client teilt dem Server mit, dass die Verbindung noch aktiv ist |
CPR_005 Der Dienst Start Communication wird genutzt, um eine Kommunikation einzuleiten. Für die Ausführung eines Dienstes ist es immer erforderlich, dass die Kommunikation initialisiert und die für die gewünschte Betriebsart geeigneten Kommunikationsparameter verwendet werden.
4.1. Der Dienst Start Communication
CPR_006 Bei Erhalt eines Start Communication-Primitivs prüft die VU, ob die angeforderte Kommunikationsverbindung unter den gegebenen Bedingungen initialisiert werden kann. Gültige Bedingungen für die Initialisierung einer Kommunikationsverbindung sind im Dokument ISO 14230-2 beschrieben.
CPR_007 Die VU führt daraufhin alle erforderlichen Maßnahmen zur Initialisierung der Kommunikationsverbindung aus und versendet ein Start Communication-Antwort-Primitiv mit den gewählten Positive Response-Parametern.
CPR_008 Erhält eine bereits initialisierte (und in eine Diagnosesitzung eingetretene) VU die Anforderung Start Communication (z.B. aufgrund Wiederanlauf des Prüfgeräts nach einer Fehlerbedingung), muss die Anforderung angenommen und die VU neu initialisiert werden.
CPR_009 Falls sich die Kommunikationsverbindung aus irgendeinem Grund nicht initialisieren lässt, setzt die VU den Betrieb in der gleichen Weise wie unmittelbar vor dem Versuch zur Initialisierung der Kommunikationsverbindung fort.
CPR_010 Die Anforderungsnachricht Start Communication muss an eine physische Adresse erfolgen.
CPR_011 Die Initialisierung der VU für Dienste erfolgt mithilfe einer "Schnellinitialisierung":
CPR_012 Nach Beendigung der Initialisierung:
CPR_014 Die Übertragungsgeschwindigkeit (Baudrate) auf der K-Leitung beträgt 10.400 Baud.
CPR_016 Die Schnellinitialisierung wird ausgelöst, indem das Prüfgerät eine Wake-Up-Sequenz (Wup) auf der K-Leitung überträgt. Diese beginnt nach dem Ruhezustandstakt auf der K-Leitung mit einem L-Takt TInil. Das Prüfgerät sendet das erste Bit des Dienstes Start Communication im Anschluss an einen TWup-Takt, der nach der ersten fallenden Flanke beginnt.
CPR_017 Die Taktwerte für die Schnellinitialisierung sowie für die Kommunikation generell sind in den nachstehenden Tabellen im Einzelnen aufgeführt. Für den Ruhezustandstakt existieren mehrere Möglichkeiten:
Tabelle 3: Taktwerte zur Schnellinitialisierung
| Parameter | Min. | Max. | |
| TInil | 25 ± 1 ms | 24 ms | 26 ms |
| TWup | 50 ± 1 ms | 49 ms | 51 ms |
Tabelle 4: Taktwerte für die Kommunikation
| Takt-Parameter | Beschreibung der Parameter | Untere Grenzwerte [in ms] | Obere Grenzwerte [in ms] |
| Min. | Max. | ||
| P1 | Byte-Taktabstand für die VU-Antwort | 0 | 20 |
| P2 | Zeit zwischen Prüfgerätanforderung und VU-Antwort bzw. zwei VU-Antworten | 25 | 250 |
| P3 | Zeit zwischen Ende der VU-Antworten und Beginn einer neuen Prüfgerätanforderung | 55 | 5.000 |
| P4 | Byte-Taktabstand für die Prüfgerätantwort | 5 | 20 |
CPR_018 Das Nachrichtenformat für die Schnellinitialisierung ist in den nachstehenden Tabellen spezifiziert.
Tabelle 5: Nachricht Start Communication Request
| Byte-Nr. | Parameterbezeichnung | Hex-Wert | Symbolform |
| #1 | Format-Byte - physische Adressierung | 81 | FMT |
| #2 | Zieladress-Byte | EE | TGT |
| #3 | Quelladress-Byte | tt | SRC |
| #4 | Start Communication Request Service Id | 81 | SCR |
| #5 | Prüfsumme | 00-FF | CS |
Tabelle 6: Nachricht Start Communication Positive Response
| Byte-Nr. | Parameterbezeichnung | Hex-Wert | Symbolform |
| #1 | Format-Byte - physische Adressierung | 80 | FMT |
| #2 | Zieladress-Byte | tt | TGT |
| #3 | Quelladress-Byte | EE | SRC |
| #4 | Zusatzlängen-Byte | 03 | LEN |
| #5 | Start Communication Positive Response Service | C1 | SCRPR |
| #6 | Schlüsselbyte 1 | EA | KB1 |
| #7 | Schlüsselbyte 2 | 8F | KB2 |
| #8 | Prüfsumme | 00-FF | CS |
CPR_019 Eine negative Antwort (Negative Response) auf die Anforderungsnachricht Start Communication gibt es nicht. Kann keine positive Nachricht (Positive Response) gegeben werden, so erfolgt keine Initialisierung der VU, und diese verbleibt in ihrer normalen Betriebsart.
4.2. Der Dienst StopCommunication
4.2.1 Beschreibung der Nachricht
Dieser Dienst der Kommunikationssteuerungsschicht hat zum Zweck, einen Kommunikationsvorgang zu beenden.
CPR_020 Bei Erhalt eines StopCommunication-Primitivs prüft die VU, ob die derzeitigen Bedingungen die Beendigung dieser Kommunikation gestatten. Ist dies der Fall, so führt die VU alle erforderlichen Maßnahmen zur Beendigung dieser Kommunikation durch.
CPR_021 Ist die Beendigung der Kommunikation möglich, gibt die VU vor der Beendigung der Kommunikation ein StopCommunication-Antwort-Primitiv mit den gewählten Positive Response-Parametern aus.
CPR_022 Falls sich die Kommunikation aus irgendeinem Grund nicht beenden lässt, gibt die VU ein StopCommunication-Antwort-Primitiv mit den gewählten Parametern für Negative Response aus.
CPR_023 Wird von der VU eine Zeitüberschreitung aufgrund P3max erkannt, muss die Kommunikation ohne Ausgabe eines Antwortelements beendet werden.
4.2.2 Nachrichtenformat
CPR_024 Die Nachrichtenformate für die StopCommunication-Primitive sind in den folgenden Tabellen aufgeführt.
Tabelle 7: Nachricht StopCommunication Request
| Byte-Nr. | Parameterbezeichnung | Hex-Wert | Symbolform |
| #1 | Format-Byte - physische Adressierung | 80 | FMT |
| #2 | Zieladress-Byte | EE | TGT |
| #3 | Quelladress-Byte | tt | SRC |
| #4 | Zusatzlängen-Byte | 01 | LEN |
| #5 | StopCommunication Request Service | 82 | SPR |
| #6 | Prüfsumme | 00-FF | CS |
Tabelle 8: Nachricht StopCommunication Positive Response
| Byte-Nr. | Parameterbezeichnung | Hex-Wert | Symbolform |
| #1 | Format-Byte - physische Adressierung | 80 | FMT |
| #2 | Zieladress-Byte | tt | TGT |
| #3 | Quelladress-Byte | EE | SRC |
| #4 | Zusatzlängen-Byte | 01 | LEN |
| #5 | StopCommunication Positive Response Service Id | C2 | SPRPR |
| #6 | Prüfsumme | 00-FF | CS |
Tabelle 9: Nachricht StopCommunication Negative Response
| Byte-Nr. | Parameterbezeichnung | Hex-Wert | Symbolform |
| #1 | Format-Byte - physische Adressierung | 80 | FMT |
| #2 | Zieladress-Byte | tt | TGT |
| #3 | Quelladress-Byte | EE | SRC |
| #4 | Zusatzlängen-Byte | 03 | LEN |
| #5 | Negative Response Service Id | 7F | NR |
| #6 | StopCommunication Request Service Identification | 82 | SPR |
| #7 | response Code = general Reject | 10 | RC_GR |
| #8 | Prüfsumme | 00-FF | CS |
4.2.3 Parameterdefinition
Dieser Dienst erfordert keine Parameterdefinition.
4.3. Der Dienst TesterPresent
4.3.1 Beschreibung der Nachricht
Mithilfe des Dienstes TesterPresent teilt das Prüfgerät dem Server mit, dass es sich noch immer in einer aktiven Verbindung mit ihm befindet, um zu verhindern, dass der Server automatisch in die normale Betriebsart zurückkehrt und dadurch möglicherweise die Verbindung beendet. Dieser Dienst sorgt durch regelmäßiges Aussenden einer Anforderung dafür, dass die Diagnosesitzung oder Verbindung aktiv bleibt, indem der P3-Zeitgeber bei jedem Erhalt einer Anforderung für diesen Dienst zurückgesetzt wird.
4.3.2 Nachrichtenformat
CPR_079 Die Nachrichtenformate für die TesterPresent-Primitive sind in den folgenden Tabellen aufgeführt.
Tabelle 10: Nachricht TesterPresent Request
| Byte-Nr. | Parameterbezeichnung | Hex-Wert | Symbolform | |
| #1 | Format-Byte - physische Adressierung | 80 | FMT | |
| #2 | Zieladress-Byte | EE | TGT | |
| #3 | Quelladress-Byte | tt | SRC | |
| #4 | Zusatzlängen-Byte | 02 | LEN | |
| #5 | TesterPresent Request Service Id | 3E | TP | |
| #6 | Sub Function = response Required = | [yes | 01 | RESPREQ_Y |
| no] | 02 | RESPREQ_NO | ||
| #7 | Prüfsumme | 00-FF | CS | |
CPR_080 Ist der Parameter response Required auf "yes" gesetzt, so antwortet der Server mit folgenden positiven Antwortnachrichten. Ist der Parameter auf "no" gesetzt, sendet der Server keine Antwort.
Tabelle 11: Nachricht TesterPresent Positive Response
| Byte-Nr. | Parameterbezeichnung | Hex-Wert | Symbolform |
| #1 | Format-Byte - physische Adressierung | 80 | FMT |
| #2 | Zieladress-Byte | tt | TGT |
| #3 | Quelladress-Byte | EE | SRC |
| #4 | Zusatzlängen-Byte | 01 | LEN |
| #5 | TesterPresent Positive Response Service Id | 7E | TPPR |
| #6 | Prüfsumme | 00-FF | CS |
CPR_081 Der Dienst verwendet die folgenden negativen Antwort-Codes:
Tabelle 12: Nachricht TesterPresent Negative Response
| Byte-Nr. | Parameterbezeichnung | Hex-Wert | Symbolform | |
| #1 | Format-Byte - physische Adressierung | 80 | FMT | |
| #2 | Zieladress-Byte | tt | TGT | |
| #3 | Quelladress-Byte | EE | SRC | |
| #4 | Zusatzlängen-Byte | 03 | LEN | |
| #5 | Negative Response Service Id | 7F | NR | |
| #6 | TesterPresent Request Service Identification | 3E | TP | |
| #7 | response Code = | [SubFunction NotSupported-Invalid Format | 12 | RC_SFNS_IF |
| incorrectMessageLength] | 13 | RC_IML | ||
| #8 | Prüfsumme | 00-FF | CS | |
5. Verwaltungsdienste
Die zur Verfügung stehenden Dienste sind in nachstehender Tabelle aufgeführt:
Tabelle 13: Verwaltungsdienste
| Name des Dienstes | Beschreibung |
| StartDiagnosticSession | Client fordert Beginn eines Diagnosevorgangs mit einer VU an |
| SecurityAccess | Client ruft Funktionen auf, auf die nur berechtigte Benutzer Zugriff haben. |
5.1. Der Dienst StartDiagnosticSession
5.1.1 Beschreibung der Nachricht
CPR_025 Der Dienst StartDiagnosticSession dient dazu, verschiedene Diagnosevorgänge im Server zu aktivieren. Ein Diagnosevorgang aktiviert bestimmte Dienste nach Maßgabe von Tabelle 17. Mit einem solchen Vorgang kann der Fahrzeughersteller bestimmte Dienste aktivieren, die hier nicht beschrieben werden. Die Implementierungsregeln haben folgenden Festlegungen zu entsprechen:
CPR_026 Ein Diagnosevorgang darf erst begonnen werden, wenn die Nachrichtenverbindung zwischen dem Client und der VU errichtet wurde.
CPR_027 Nach einer erfolgreichen Anforderung StartDiagnosticSession sind die in Tabelle 4 aufgeführten Taktparameter aktiv, wobei der Parameter diagnostic Session in der Anforderungsnachricht auf "Standard Session" gesetzt ist, wenn zuvor ein anderer Diagnosevorgang aktiv war.
5.1.2 Nachrichtenformat
CPR_028 Die Nachrichtenformate für die StartDiagnosticSession-Primitive sind in den folgenden Tabellen spezifiziert.
Tabelle 14: Nachricht StartDiagnosticSession Request
| Byte-Nr. | Parameterbezeichnung | Hex-Wert | Symbolform |
| #1 | Format-Byte - physische Adressierung | 80 | FMT |
| #2 | Zieladress-Byte | EE | TGT |
| #3 | Quelladress-Byte | tt | SRC |
| #4 | Zusatzlängen-Byte | 02 | LEN |
| #5 | StartDiagnosticSession Request Service Id | 10 | STDS |
| #6 | diagnosticSession = [ein Wert aus Tabelle 17] | xx | DS_... |
| #7 | Prüfsumme | 00-FF | CS |
Tabelle 15: Nachricht StartDiagnosticSession Positive Response
| Byte-Nr. | Parameterbezeichnung | Hex-Wert | Symbolform |
| #1 | Format-Byte - physische Adressierung | 80 | FMT |
| #2 | Zieladress-Byte | tt | TGT |
| #3 | Quelladress-Byte | EE | SRC |
| #4 | Zusatzlängen-Byte | 02 | LEN |
| #5 | StartDiagnosticSession Positive Response Service Id | 50 | STDSPR |
| #6 | diagnosticSession = [gleicher Wert wie Byte Nr. 6 in Tabelle 14] | xx | DS_... |
| #7 | Prüfsumme | 00-FF | CS |
Tabelle 16: Nachricht StartDiagnosticSession Negative Response
| Byte-Nr. | Parameterbezeichnung | Hex-Wert | Symbolform | |
| #1 | Format-Byte - physische Adressierung | 80 | FMT | |
| #2 | Zieladress-Byte | tt | TGT | |
| #3 | Quelladress-Byte | EE | SRC | |
| #4 | Zusatzlängen-Byte | 03 | LEN | |
| #5 | Negative Response Service Id | 7F | NR | |
| #6 | StartDiagnosticSession Request Service Id | 10 | STDS | |
| #7 | Response Code = | [sub FunctionNotSupporteda | 12 | RC_SFNS |
| incorrectMessageLengthb | 13 | RC_IML | ||
| conditionsNotCorrect c | 22 | RC_CNC | ||
| #8 | Prüfsumme | 00-FF | CS | |
| a) - Der in Byte Nr. 6 der Anforderungsnachricht eingetragene Wert wird nicht unterstützt, d. h., er ist nicht in Tabelle 17 definiert.
b) - Die Nachricht hat eine falsche Länge. c) - Die Bedingungen für die angeforderte StartDiagnosticSession sind nicht erfüllt. |
||||
5.1.3 Parameterdefinition
CPR_029 Der Parameter diagnosticSession (DS_) dient dem Dienst StartDiagnosticSession dazu, das spezielle Verhalten des Servers bzw. der Server zu wählen. Im vorliegenden Dokument sind folgende Diagnosevorgänge spezifiziert:
Tabelle 17: Definition der Werte für diagnostic Session
| Hex | Beschreibung | Symbolform |
| 81 | StandardDiagnosticSession
Dieser Diagnosevorgang aktiviert alle Dienste, die in Spalte 4 "SD" von Tabelle 1 angegeben sind. Diese Dienste ermöglichen das Auslesen der Daten von einem Server (VU). Dieser Diagnosevorgang ist aktiv, nachdem die Initialisierung zwischen Client (Prüfgerät) und Server (VU) erfolgreich abgeschlossen wurde. Dieser Diagnosevorgang kann durch andere in diesem Abschnitt genannte Diagnosevorgänge überschrieben werden. |
SD |
| 85 | ECUProgrammingSession
Dieser Diagnosevorgang aktiviert alle Dienste, die in Spalte 6 "ECUPS" von Tabelle 1 angegeben sind. Diese Dienste unterstützen die Speicherprogrammierung eines Servers (VU). Dieser Diagnosevorgang kann durch andere in diesem Abschnitt genannte Diagnosevorgänge überschrieben werden. |
ECUPS |
| 87 | ECUAdjustmentSession
Dieser Diagnosevorgang aktiviert alle Dienste, die in Spalte 5 "ECUAS" von Tabelle 1 angegeben sind. Diese Dienste unterstützen die Eingabe/Ausgabe-Steuerung eines Servers (VU). Dieser Diagnosevorgang kann durch andere in diesem Abschnitt genannte Diagnosevorgänge überschrieben werden. |
ECUAS |
5.2. Der Dienst SecurityAccess
Das Schreiben von Kalibrierungsdaten ist nur dann möglich, wenn sich die VU in der Betriebsart KALIBRIERUNG befindet. Der Zugriff auf die Betriebsart KALIBRIERUNG wird erst gewährt, nachdem eine gültige Werkstattkarte in die VU eingesteckt und zusätzlich die richtige persönliche Geheimzahl (PIN) in die VU eingegeben wurde.
Wenn sich die VU in der Betriebsart KALIBRIERUNG oder KONTROLLE befindet, ist der Zugriff auf die Eingabe/Ausgabe-Leitung für die Kalibrierung auch möglich.
Der Dienst SecurityAccess stellt die Möglichkeit zur PIN-Eingabe bereit und zeigt dem Prüfgerät an, ob sich die VU in der Betriebsart KALIBRIERUNG befindet.
Eine PIN-Eingabe durch alternative Methoden ist zulässig.
5.2.1 Beschreibung der Nachricht
Der Dienst SecurityAccess besteht aus der Nachricht SecurityAccess "request Seed", der möglicherweise eine Nachricht SecurityAccess "sendKey" folgt. Der Dienst SecurityAccess muss nach dem Dienst StartDiagnosticSession ausgeführt werden.
CPR_033 Mit der Nachricht SecurityAccess "request Seed" stellt das Prüfgerät fest, ob die Fahrzeugeinheit zur Annahme einer PIN bereit ist.
CPR_034 Befindet sich die Fahrzeugeinheit bereits in der Betriebsart KALIBRIERUNG, beantwortet sie die Anforderung durch Versenden eines Seed 0x0000 mithilfe des Dienstes auf SecurityAccess Positive Response.
CPR_035 Ist die Fahrzeugeinheit zur Annahme einer PIN zur Verifizierung einer Werkstattkarte bereit, beantwortet sie die Anforderung durch Versenden eines Seed, der größer als 0x0000 ist, mithilfe des Dienstes SecurityAccess Positive Response.
CPR_036 Ist die Fahrzeugeinheit zur Annahme einer PIN vom Prüfgerät nicht bereit, weil entweder die eingesteckte Werkstattkarte ungültig ist, keine Werkstattkarte eingesteckt wurde oder die Fahrzeugeinheit eine andere Methode der PIN-Eingabe erwartet, beantwortet sie die Anforderung mit einer Negative Response, wobei der Antwortcode "conditionsNotCorrectOrRequestSequenceError" lautet.
CPR_037 Das Prüfgerät sendet dann gegebenenfalls eine Nachricht SecurityAccess "sendKey", um eine PIN an die Fahrzeugeinheit zu übergeben. Um ausreichend Zeit für den Prozess der Kartenauthentisierung zu gewähren, sendet die VU den negativen Antwortcode "requestCorrectlyReceived-ResponsePending", mit dem die Antwortzeit verlängert wird. Die längst mögliche Wartezeit darf jedoch 5 Minuten nicht überschreiten. Sobald der angeforderte Dienst abgeschlossen ist, sendet die VU eine positive oder negative Antwortnachricht mit einem anderen Antwortcode als diesem. Der negative Antwortcode "requestCorrectlyReceived-ResponsePending" kann so oft von der VU wiederholt werden, bis der angeforderte Dienst abgeschlossen ist und die abschließende Antwortnachricht gesandt wurde.
CPR_038 Die Fahrzeugeinheit darf diese Anforderung nur dann mit dem Dienst SecurityAccess Positive Response beantworten, wenn sie sich in der Betriebsart KALIBRIERUNG befindet.
CPR_039 In den nachstehenden Fällen muss die Fahrzeugeinheit diese Anforderung mit einer Negative Response bei folgendermaßen gesetzten Antwortcodes quittieren:
5.2.2 Nachrichtenformat - SecurityAccess - request Seed
CPR_040 Die Nachrichtenformate für die SecurityAccess "request Seed"-Primitive sind in den folgenden Tabellen spezifiziert.
Tabelle 18: Nachricht SecurityAccess Request - request Seed
| Byte-Nr. | Parameterbezeichnung | Hex-Wert | Symbolform |
| #1 | Format-Byte - physische Adressierung | 80 | FMT |
| #2 | Zieladress-Byte | EE | TGT |
| #3 | Quelladress-Byte | tt | SRC |
| #4 | Zusatzlängen-Byte | 02 | LEN |
| #5 | SecurityAccess Request Service Id | 27 | SA |
| #6 | access type - request Seed | 7D | AT_RSD |
| #7 | Prüfsumme | 00-FF | CS |
Tabelle 19: Nachricht SecurityAccess - request Seed Positive Response
| Byte-Nr. | Parameterbezeichnung | Hex-Wert | Symbolform |
| #1 | Format-Byte - physische Adressierung | 80 | FMT |
| #2 | Zieladress-Byte | tt | TGT |
| #3 | Quelladress-Byte | EE | SRC |
| #4 | Zusatzlängen-Byte | 04 | LEN |
| #5 | SecurityAccess Positive Response Service ID | 67 | SAPR |
| #6 | access type - request Seed | 7D | AT_RSD |
| #7 | Seed High | 00-FF | SEEDH |
| #8 | Seed Low | 00-FF | SEEDL |
| #9 | Prüfsumme | 00-FF | CS |
Tabelle 20: Nachricht SecurityAccess Negative Response
| Byte-Nr. | Parameterbezeichnung | Hex-Wert | Symbolform | |
| #1 | Format-Byte - physische Adressierung | 80 | FMT | |
| #2 | Zieladress-Byte | tt | TGT | |
| #3 | Quelladress-Byte | EE | SRC | |
| #4 | Zusatzlängen-Byte | 03 | LEN | |
| #5 | Negative Response Service Id | 7F | NR | |
| #6 | SecurityAccess Request Service Id | 27 | SA | |
| #7 | response Code = | [conditionsNotCorrectOrRequestSequenceError | 22 | RC_CNC |
| incorrectMessageLength] | 13 | RC_IML | ||
| #8 | Prüfsumme | 00-FF | CS | |
5.2.3 Nachrichtenformat - SecurityAccess - sendKey
CPR_041 Die Nachrichtenformate für die SecurityAccess "sendKey"-Primitive sind in den folgenden Tabellen spezifiziert.
Tabelle 21: Nachricht SecurityAccess Request - sendKey
| Byte-Nr. | Parameterbezeichnung | Hex-Wert | Symbolform |
| #1 | Format-Byte - physische Adressierung | 80 | FMT |
| #2 | Zieladress-Byte | EE | TGT |
| #3 | Quelladress-Byte | tt | SRC |
| #4 | Zusatzlängen-Byte | m+2 | LEN |
| #5 | SecurityAccess Request Service Id | 27 | SA |
| #6 | access type - sendKey | 7E | AT_SK |
| #7 bis #m+6 | Schlüssel #1 (H)
... Schlüssel #m (N, m muss mindestens 4 und darf höchstens 8 betragen) |
xx
... xx |
KEY |
| #m+7 | Prüfsumme | 00-FF | CS |
Tabelle 22: Nachricht SecurityAccess - sendKey Positive Response
| Byte-Nr. | Parameterbezeichnung | Hex-Wert | Symbolform |
| #1 | Format-Byte - physische Adressierung | 80 | FMT |
| #2 | Zieladress-Byte | tt | TGT |
| #3 | Quelladress-Byte | EE | SRC |
| #4 | Zusatzlängen-Byte | 02 | LEN |
| #5 | SecurityAccess Positive Response Service Id | 67 | SAPR |
| #6 | access type - sendKey | 7E | AT_SK |
| #7 | Prüfsumme | 00-FF | CS |
Tabelle 23: Nachricht SecurityAccess Negative Response
| Byte-Nr. | Parameterbezeichnung | Hex-Wert | Symbolform | |
| #1 | Format-Byte - physische Adressierung | 80 | FMT | |
| #2 | Zieladress-Byte | tt | TGT | |
| #3 | Quelladress-Byte | EE | SRC | |
| #4 | Zusatzlängen-Byte | 03 | LEN | |
| #5 | Negative Response Service Id | 7F | NR | |
| #6 | SecurityAccess Request Service Id | 27 | SA | |
| #7 | Response Code = | [generalReject | 10 | RC_GR |
| subFunctionNotSupported | 12 | RC_SFNS | ||
| incorrectMessageLength | 13 | RC_IML | ||
| conditionsNotCorrectOrRequestSequenceError | 22 | RC_CNC | ||
| invalidKey | 35 | RC_IK | ||
| exceededNumberOfAttempts | 36 | RC_ENA | ||
| requestCorrectlyReceived-ResponsePending] | 78 | RC_RCR_RP | ||
| #8 | Prüfsumme | 00-FF | CS | |
6. Datenübertragungsdienste
Die zur Verfügung stehenden Dienste sind in nachstehender Tabelle aufgeführt:
Tabelle 24: Datenübertragungsdienste
| Name des Dienstes | Beschreibung |
| ReadDataByIdentifier | Client fordert an, dass der aktuelle Wert eines Datensatzes durch Zugriff von recordDataIdentifier übertragen wird. |
| WriteDataByIdentifier | Client fordert an, dass ein Datensatz von recordDataIdentifier geschrieben wird. |
6.1. Dienst ReadDataByIdentifier
6.1.1 Beschreibung der Nachricht
CPR_050 Mit dem Dienst ReadDataByIdentifier fordert der Client vom Server die Übertragung von Datensatzwerten an, die durch einen recordDataIdentifier gekennzeichnet sind. Der Fahrzeughersteller muss dafür sorgen, dass die Serverbedingungen zur Abwicklung dieses Dienstes erfüllt sind.
6.1.2 Nachrichtenformat
CPR_051 Die Nachrichtenformate für die ReadDataByIdentifier-Primitive sind in den folgenden Tabellen aufgeführt.
Tabelle 25: Nachricht ReadDataByIdentifier Request
| Byte-Nr. | Parameterbezeichnung | Hex-Wert | Symbolform |
| #1 | Format-Byte - physische Adressierung | 80 | FMT |
| #2 | Zieladress-Byte | EE | TGT |
| #3 | Quelladress-Byte | tt | SRC |
| #4 | Zusatzlängen-Byte | 03 | LEN |
| #5 | ReadDataByIdentifier Request Service Id | 22 | RDBI |
| #6 bis #7 | recordDataIdentifier = [ein Wert aus Tabelle 28] | xxxx | RDI_... |
| #8 | Prüfsumme | 00-FF | CS |
Tabelle 26: Nachricht ReadDataByIdentifier Positive Response
| Byte-Nr. | Parameterbezeichnung | Hex-Wert | Symbolform | |
| #1 | Format-Byte - physische Adressierung | 80 | FMT | |
| #2 | Zieladress-Byte | tt | TGT | |
| #3 | Quelladress-Byte | EE | SRC | |
| #4 | Zusatzlängen-Byte | m+3 | LEN | |
| #5 | ReadDataByIdentifier Positive Response Service Id | 62 | RDBIPR | |
| #6 und #7 | recordDataIdentifier = [gleicher Wert wie Bytes 6 und 7 in Tabelle 25] | xxxx | RDI_... | |
| #8 bis #m+7 | dataRecord[] = | [data#1
: data#m] |
xx
: xx |
DREC_DATA1
: DREC_DATAm |
| #m+8 | Prüfsumme | 00-FF | CS | |
Tabelle 27: Nachricht ReadDataByIdentifier Negative Response
| Byte-Nr. | Parameterbezeichnung | Hex-Wert | Symbolform | |
| #1 | Format-Byte - physische Adressierung | 80 | FMT | |
| #2 | Zieladress-Byte | tt | TGT | |
| #3 | Quelladress-Byte | EE | SRC | |
| #4 | Zusatzlängen-Byte | 03 | LEN | |
| #5 | Negative Response Service Id | 7F | NR | |
| #6 | ReadDataByIdentifier Request Service Id | 22 | RDBI | |
| #7 | Response Code= | [requestOutOfRange | 31 | RC_ROOR |
| incorrectMessageLength | 13 | RC_IML | ||
| conditionsNotCorrect] | 22 | RC_CNC | ||
| #8 | Prüfsumme | 00-FF | CS | |
6.1.3 Parameterdefinition
CPR_052 Der Parameter recordDataIdentifier (RDI_) in der Anforderungsnachricht ReadDataByIdentifier kennzeichnet einen Datensatz.
CPR_053 Die hier definierten Werte für recordDataIdentifier sind in der folgenden Tabelle aufgeführt.
Die Tabelle recordDataIdentifier enthält 4 Spalten mit mehreren Zeilen.
Tabelle 28: Definition der Werte für recordDataIdentifier
CPR_054 Der Parameter dataRecord (DREC_) dient der Nachricht Positive Response auf ReadDataByIdentifier dazu, dem Client (Prüfgerät) den durch die recordDataIdentifier gekennzeichneten Datensatz bereitzustellen. Die Datensatzformate werden in Abschnitt 8 definiert. Es können zusätzliche, vom Benutzer wählbare dataRecord-Werte, z.B. VU-abhängige Eingabedaten, interne Daten und Ausgabedaten integriert werden, diese werden jedoch hier nicht definiert.
6.2. Der Dienst WriteDataByIdentifier
6.2.1 Beschreibung der Nachricht
CPR_056 Der Dienst WriteDataByIdentifier dient dem Client dazu, Datensatzwerte auf einen Server zu schreiben, die durch einen recordDataIdentifier gekennzeichnet sind. Der Fahrzeughersteller muss dafür sorgen, dass die Serverbedingungen zur Abwicklung dieses Dienstes erfüllt sind. Zur Aktualisierung der in Tabelle 28 aufgeführten Parameter muss sich die VU in der Betriebsart KALIBRIERUNG befinden.
6.2.2 Nachrichtenformat
CPR_057 Die Nachrichtenformate für die WriteDataByIdentifier-Primitive sind in den folgenden Tabellen aufgeführt.
Tabelle 29: Nachricht WriteDataByIdentifier Request
| Byte-Nr. | Parameterbezeichnung | Hex-Wert | Symbolform | |
| #1 | Format-Byte - physische Adressierung | 80 | FMT | |
| #2 | Zieladress-Byte | EE | TGT | |
| #3 | Quelladress-Byte | tt | SRC | |
| #4 | Zusatzlängen-Byte | m+3 | LEN | |
| #5 | WriteDataByIdentifier Request Service Id | 2E | WDBI | |
| #6 bis #7 | recordDataIdentifier = [ein Wert aus Tabelle 28] | xxxx | RDI_... | |
| #8 bis m+7 | dataRecord[] = | [data#1
: data#m] |
xx
: xx |
DREC_DATA1
: DREC_DATAm |
| #m+8 | Prüfsumme | 00-FF | CS | |
Tabelle 30: Nachricht WriteDataByIdentifier Positive Response
| Byte-Nr. | Parameterbezeichnung | Hex-Wert | Symbolform |
| #1 | Format-Byte - physische Adressierung | 80 | FMT |
| #2 | Zieladress-Byte | tt | TGT |
| #3 | Quelladress-Byte | EE | SRC |
| #4 | Zusatzlängen-Byte | 03 | LEN |
| #5 | WriteDataByIdentifier Positive Response Service Id | 6E | WDBIPR |
| #6 bis #7 | recordDataIdentifier = [gleicher Wert wie Bytes 6 und 7 in Tabelle 29] | xxxx | RDI_... |
| #8 | Prüfsumme | 00-FF | CS |
Tabelle 31: Nachricht WriteDataByIdentifier Negative Response
| Byte-Nr. | Parameterbezeichnung | Hex-Wert | Symbolform | |
| #1 | Format-Byte - physische Adressierung | 80 | FMT | |
| #2 | Zieladress-Byte | tt | TGT | |
| #3 | Quelladress-Byte | EE | SRC | |
| #4 | Zusatzlängen-Byte | 03 | LEN | |
| #5 | Negative Response Service Id | 7F | NR | |
| #6 | WriteDataByIdentifier Request Service Id | 2E | WDBI | |
| #7 | Response Code= | [requestOutOfRange | 31 | RC_ROOR |
| incorrectMessageLength | 13 | RC_IML | ||
| conditionsNotCorrect] | 22 | RC_CNC | ||
| #8 | Prüfsumme | 00-FF | CS | |
6.2.3 Parameterdefinition
Der Parameter recordDataIdentifier (RDI_) ist in Tabelle 28 definiert.
Der Parameter dataRecord (DREC_) dient der Anforderungsnachricht WriteDataByIdentifier dazu, dem Server (VU) den durch die recordDataIdentifier gekennzeichneten Datensatzwerte bereitzustellen. Die Datensatzformate werden in Abschnitt 8 definiert.
7. Prüfimpulssteuerung - Funktionseinheit Eingabe/Ausgabe-Steuerung
Die zur Verfügung stehenden Dienste sind in nachstehender Tabelle aufgeführt:
Tabelle 32: Funktionseinheit Eingabe/Ausgabe-Steuerung
| Name des Dienstes | Beschreibung |
| InputOutputControlByIdentifier | Der Client fordert die Steuerung einer speziellen Eingabe/Ausgabe für den Server an. |
7.1. Der Dienst InputOutputControlByIdentifier
7.1.1 Beschreibung der Nachricht
Über einen der Steckanschlüsse an der Vorderseite ist es möglich, Prüfimpulse mit einem geeigneten Prüfgerät zu steuern bzw. zu überwachen.
CPR_058 Diese Kalibrierungs-E/A-Signalleitung ist mit einem K-Leitungsbefehl konfigurierbar, wobei mit dem Dienst InputOutputControlByIdentifier die für die Leitung gewünschte Eingabe- bzw. Ausgabefunktion gewählt wird. Es gibt folgende Leitungszustände:
CPR_059 Um den Leitungsstatus zu konfigurieren, muss sich die Fahrzeugeinheit in einem Einstellvorgang befinden und in die Betriebsart KALIBRIERUNG oder KONTROLLE gesetzt sein. Wenn sich die VU in der Betriebsart KALIBRIERUNG befindet, stehen die vier Leitungsstati zur Verfügung (deaktiviert, speed SignalInput, real TimeSpeed SignalOutput Sensor, RTCOutput). Wenn sich die VU in der Betriebsart KONTROLLE befindet, stehen nur zwei Leitungsstati zur Verfügung (deaktiviert, real TimeSpeed OutputSensor). Bei Verlassen des Einstellvorgangs bzw. der Betriebsart KALIBRIERUNG oder KONTROLLE muss die Fahrzeugeinheit die Rückkehr der E/A-Signalleitung in den Status "deaktiviert" (Standardzustand) gewährleisten.
CPR_060 Treffen an der Echtzeit-Eingabeleitung für Geschwindigkeitssignale der VU Geschwindigkeitsimpulse ein, während die E/A-Signalleitung auf Eingabe gesetzt ist, muss die E/A-Signalleitung auf Ausgabe gesetzt werden oder in den deaktivierten Zustand zurückkehren.
CPR_061 Der Ablauf muss wie folgt sein:
7.1.2 Nachrichtenformat
CPR_062 Die Nachrichtenformate für die InputOutputControlByIdentifier-Primitive sind in den folgenden Tabellen spezifiziert.
Tabelle 33: Nachricht InputOutputControlByIdentifier Request
| Byte-Nr. | Parameterbezeichnung | Hex-Wert | Symbolform |
| #1 | Format-Byte - physische Adressierung | 80 | FMT |
| #2 | Zieladress-Byte | EE | TGT |
| #3 | Quelladress-Byte | tt | SRC |
| #4 | Zusatzlängen-Byte | xx | LEN |
| #5 | InputOutputControlByIdentifier Request SId | 2F | IOCBI |
| #6 und #7 | Input OutputIdentifier = [CalibrationInputOutput] | F960 | IOI_CIO |
| #8 oder #8 bis #9 |
Control OptionRecord = [ | COR_... | |
| inputOutputControlParameter - ein Wert aus Tabelle 36 | xx | IOCP_... | |
| controlState - ein Wert aus Tabelle 37 (siehe Hinweis unten)] | xx | CS_... | |
| #9 oder #10 | Prüfsumme | 00-FF | CS |
Hinweis: Der Parameter controlState liegt nur in bestimmten Fällen vor (siehe 7.1.3).
Tabelle 34: Nachricht InputOutputControlByIdentifier Positive Response
| Byte-Nr. | Parameterbezeichnung | Hex-Wert | Symbolform |
| #1 | Format-Byte - physische Adressierung | 80 | FMT |
| #2 | Zieladress-Byte | tt | TGT |
| #3 | Quelladress-Byte | EE | SRC |
| #4 | Zusatzlängen-Byte | xx | LEN |
| #5 | InputOutputControlByIdentifier Positive Response SId | 6F | IOCBIPR |
| #6 und #7 | input OutputIdentifier = [CalibrationInputOutput] | F960 | IOI_CIO |
| #8 oder #8 bis #9 |
controlStatusRecord = [ | CSR_ | |
| inputOutputControlParameter (gleicher Wert wie Byte 8 in Tabelle 33) | xx | IOCP_... | |
| controlState (gleicher Wert wie Byte 9 in Tabelle 33)] (falls zutreffend) | xx | CS_... | |
| #9 oder #10 | Prüfsumme | 00-FF | CS |
Tabelle 35: Nachricht InputOutputControlByIdentifier Negative Response
| Byte-Nr. | Parameterbezeichnung | Hex-Wert | Symbolform |
| #1 | Format-Byte - physische Adressierung | 80 | FMT |
| #2 | Zieladress-Byte | tt | TGT |
| #3 | Quelladress-Byte | EE | SRC |
| #4 | Zusatzlängen-Byte | 03 | LEN |
| #5 | Negative Response Service Id | 7F | NR |
| #6 | inputOutputControlByIdentifier Request SId | 2F | IOCBI |
| #7 | response Code=[ | ||
| incorrectMessageLength | 13 | RC_IML | |
| conditionsNotCorrect | 22 | RC_CNC | |
| requestOutOfRange | 31 | RC_ROOR | |
| deviceControlLimitsExceeded] | 7A | RC_DCLE | |
| #8 | Prüfsumme | 00-FF | CS |
7.1.3 Parameterdefinition
CPR_064 Der Parameter inputOutputControlParameter (IOCP_) ist in folgender Tabelle beschrieben.
Tabelle 36: Definition der Werte für inputOutputControlParameter
| Hex | Beschreibung | Symbolform |
| 00 | ReturnControlToECU
Dieser Wert zeigt dem Server (VU) an, dass das Prüfgerät die Steuerung der Kalibrierungs-E/A-Signalleitung beendet hat. |
RCTECU |
| 01 | ResetToDefault
Dieser Wert zeigt dem Server (VU) die Anforderung an, die Kalibrierungs-E/A-Signalleitung in den Standardstatus zurückzusetzen. |
RTD |
| 03 | ShortTermAdjustment
Dieser Wert zeigt dem Server (VU) die Anforderung an, die Kalibrierungs-E/A-Signalleitung auf den im Parameter controlState enthaltenen Wert einzustellen. |
STA |
CPR_065 Der Parameter controlState liegt nur vor, wenn der inputOutputControlParameter auf ShortTermAdjustment gesetzt ist; folgende Werte sind möglich:
Tabelle 37: Definition der Werte für controlState
| Betriebsart | Hex-Wert | Beschreibung |
| Deaktiviert | 00 | E/A-Leitung deaktiviert (Ausgangszustand) |
| Aktiviert | 01 | Kalibrierungs-E/A-Leitung als speed SignalInput aktiviert |
| Aktiviert | 02 | Kalibrierungs-E/A-Leitung als real TimeSpeed SignalOutput Sensor aktiviert |
| Aktiviert | 03 | Kalibrierungs-E/A-Leitung als RTCOutput aktiviert |
8. Datarecords-Formate
Dieser Abschnitt enthält:
CPR_067 Alle hier angegebenen Parameter müssen von der VU unterstützt werden.
CPR_068 Von der VU an das Prüfgerät aufgrund einer Anforderungsnachricht übertragene Daten müssen dem jeweiligen Messtyp entsprechen (d. h. dem aktuellen Wert des angeforderten Parameters, wie ihn die VU gemessen oder vorgegeben hat).
8.1. Wertebereiche der übertragenen Parameter
CPR_069 Tabelle 38 enthält die Wertebereiche, mit deren Hilfe die Gültigkeit der übermittelten Parameter festgestellt wird.
CPR_070 Mit den Werten im Bereich "Fehlerindikator" kann die Fahrzeugeinheit sofort mitteilen, dass aufgrund eines Fehlers im Fahrtenschreiber derzeit keine gültigen Werte vorhanden sind.
CPR_071 Mit den Werten im Bereich "Nicht verfügbar" kann die Fahrzeugeinheit eine Nachricht übermitteln, die einen in diesem Modul nicht verfügbaren oder nicht unterstützten Parameter enthält. Die Werte im Bereich "Nicht angefordert" ermöglichen es der Fahrzeugeinheit, eine Befehlsnachricht zu übermitteln und die Parameter anzugeben, für die es vom anderen Gerät keine Antwort erwartet.
CPR_072 Können wegen eines defekten Bauteils keine gültigen Daten für einen Parameter übermittelt werden, sollte mit dem in Tabelle 38 angegebenen Fehlerindikator anstelle von Daten für den angeforderten Parameter geantwortet werden. Wenn die gemessenen oder errechneten Daten Werte annehmen, die zwar gültig sind, aber außerhalb des festgelegten Wertebereichs für diesen Parameter liegen, ist der Fehlerindikator jedoch nicht zu verwenden. In diesem Fall sollte der jeweilige Mindest- oder Höchstwert für diesen Parameter übertragen werden.
Tabelle 38: Wertebereiche der dataRecords
| Wertebereichsname | 1 Byte (Hex-Wert) |
2 Bytes (Hex-Wert) |
4 Bytes (Hex-Wert) |
ASCII |
| Gültiges Signal | 00 bis FA | 0000 bis FAFF | 00000000 bis FAFFFFFF | 1 bis 254 |
| Parameterspezifischer Indikator | FB | FB00 bis FBFF | FB000000 bis FBFFFFFF | keiner |
| Reserviert für zukünftige Indikatorbits | FC bis FD | FC00 bis FDFF | FC000000 bis FDFFFFFF | keiner |
| Fehlerindikator | FE | FE00 bis FEFF | FE000000 bis FEFFFFFF | 0 |
| Nicht verfügbar oder nicht angefordert | FF | FF00 bis FFFF | FF000000 bis FFFFFFFF | FF |
CPR_073 Bei den in ASCII dargestellten Parametern ist der Stern "*" als Trennzeichen reserviert.
8.2. dataRecords-Formate
In Tabelle 39 bis Tabelle 42 sind die Datensatzformate für die Dienste ReadDataByIdentifier und WriteDataByIdentifier angegeben.
CPR_074 In Tabelle 39 sind Länge, Auflösung und Betriebsbereich für jeden durch seinen recordDataIdentifier gekennzeichneten Parameter angegeben:
Tabelle 39 dataRecords-Formate
| Parameterbezeichnung | Datenlänge (Bytes) |
Auflösung | Betriebsbereich |
| TimeDate | 8 | siehe Tabelle 40 | |
| HighResolutionTotalVehicleDistance | 4 | Zuwachs 5 m/Bit, Ausgangswert 0 m | 0 bis +21.055.406 km |
| Kfactor | 2 | Zuwachs 0,001 Impulse/m/Bit, Ausgangswert 0 | 0 bis 64,255 Impulse/m |
| LfactorTyreCircumference | 2 | Zuwachs 0,125 10-3 m/Bit, Ausgangswert 0 | 0 bis 8,031 m |
| WvehicleCharacteristicFactor | 2 | Zuwachs 0,001 Impulse/m/Bit, Ausgangswert 0 | 0 bis 64,255 Impulse/m |
| Tyresize | 15 | ASCII | ASCII |
| NextCalibration Date | 3 | siehe Tabelle 41 | |
| SpeedAuthorised | 2 | Zuwachs 1/256 km/h/Bit, Ausgangswert 0 | 0 bis 250,996 km/h |
| RegisteringMemberState | 3 | ASCII | ASCII |
| vehicleRegistrationNumber | 14 | siehe Tabelle 42 | |
| VIN | 17 | ASCII | ASCII |
CPR_075 Tabelle 40 enthält die Formate der verschiedenen Bytes für den Parameter TimeDate:
Tabelle 40: Ausführliches Format des Parameters TimeDate (recordDataIdentifier-Wert F90B)
| Byte | Parameterdefinition | Auflösung | Betriebsbereich |
| 1 | Sekunden | Zuwachs 0,25 s/Bit, Ausgangswert 0 s | 0 bis 59,75 s |
| 2 | Minuten | Zuwachs 1 min/Bit, Ausgangswert 0 min | 0 bis 59 min |
| 3 | Stunden | Zuwachs 1 h/Bit, Ausgangswert 0 h | 0 bis 23 h |
| 4 | Monat | Zuwachs 1 Monat/Bit, Ausgangswert 0 Monate | 1 bis 12 Monate |
| 5 | Tag | Zuwachs 0,25 Tag/Bit, Ausgangswert 0 Tage
(siehe Hinweis unter Tabelle 41) |
0,25 bis 31,75 Tage |
| 6 | Jahr | Zuwachs 1 Jahr/Bit, Ausgangswert + 1985 Jahre
(siehe Hinweis unter Tabelle 41) |
1985 bis 2235 Jahre |
| 7 | Lokaler Ausgangswert Minuten | Zuwachs 1 min/Bit, Ausgangswert - 125 h | - 59 bis + 59 min |
| 8 | Lokaler Ausgangswert Stunden | Zuwachs 1 h/Bit, Ausgangswert - 125 h | - 23 bis + 23 h |
CPR_076 Tabelle 41 enthält die Formate der verschiedenen Bytes für den Parameter NextCalibration Date.
Tabelle 41: Ausführliches Format des Parameters NextCalibration Date (recordDataIdentifier-Wert F922)
| Byte | Parameterdefinition | Auflösung | Betriebsbereich |
| 1 | Monat | Zuwachs 1 Monat/Bit, Ausgangswert 0 Monate | 1 bis 12 Monate |
| 2 | Tag | Zuwachs 0,25 Tag/Bit, Ausgangswert 0 Tage
(siehe Hinweis unten) |
0,25 bis 31,75 Tage |
| 3 | Jahr | Zuwachs 1 Jahr/Bit, Ausgangswert + 1985 Jahre
(siehe Hinweis unten) |
1985 bis 2235 Jahre |
Hinweis zur Verwendung des Tag-Parameters:
1) Der Datumswert 0 ist ungültig. Die Werte 1, 2, 3 und 4 kennzeichnen den ersten Tag des Monats; die Werte 5, 6, 7 und 8 kennzeichnen den zweiten Tag des Monats usw.
2) Dieser Parameter hat keinen Einfluss auf den Stundenparameter oben.
Hinweis zur Verwendung des Jahr-Parameterbits:
Der Wert 0 für das Jahr kennzeichnet das Jahr 1985; der Wert 1 das Jahr 1986 usw.
CPR_078 Tabelle 42 enthält die Formate der verschiedenen Bytes für den Parameter vehicleRegistrationNumber:
Tabelle 42: Ausführliches Format des Parameters vehicleRegistrationNumber (recordDataIdentifier-Wert F97E)
| Byte | Parameterdefinition | Auflösung | Betriebsbereich |
| 1 | Codeseite (entsprechend Anlage 1) | ASCII | 01 bis 0A |
| 2 bis 14 | amtliches Kennzeichen (entsprechend Anlage 1) | ASCII | ASCII |
| Typgenehmigung und Mindestanforderungen an die durchzuführenden Prüfungen | Anlage 918 |
1. Einleitung
1.1. Typgenehmigung18
Die EG-Typgenehmigung von Kontrollgeräten (oder deren Komponenten) oder einer Fahrtenschreiberkarte beruht auf:
In dieser Anlage ist in Form von Mindestanforderungen festgelegt, welche Prüfungen eine Behörde der Mitgliedstaaten während der Funktionsprüfungen und welche Prüfungen eine zuständige Stelle während der Interoperabilitätsprüfungen durchführen muss. Die Verfahren zur Durchführung der Prüfungen bzw. die Art der Prüfungen werden nicht weiter spezifiziert.
Die Aspekte der Sicherheitszertifizierung sind in dieser Anlage nicht enthalten. Werden bestimmte Prüfungen bereits für die Typgenehmigung im Rahmen des Verfahrens zur Sicherheitsbewertung und -zertifizierung durchgeführt, so brauchen diese Prüfungen nicht wiederholt zu werden. In diesem Fall sind lediglich die Ergebnisse dieser Sicherheitsprüfungen nachzuprüfen. Zu Informationszwecken sind in dieser Anlage Anforderungen, bei denen während der Sicherheitszertifizierung die Durchführung einer Prüfung erwartet wird (oder die mit durchzuführenden Prüfungen in einem engen Verhältnis stehen), mit einem "*" gekennzeichnet.
Die nummerierten Randnummern beziehen sich auf den Hauptteil des Anhangs, während sich die übrigen Anforderungen auf die übrigen Anlagen beziehen (Beispiel: PIC_001 bezieht sich auf Anforderung PIC_001 von Anlage 3 Piktogramme).
In dieser Anlage werden die Typgenehmigungen für den Bewegungssensor, für die Fahrzeugeinheit und für die externe GNSS-Ausrüstung getrennt betrachtet, da es sich dabei um Komponenten des Kontrollgeräts handelt. Jede Komponente enthält eine eigene Typgenehmigung, in der die anderen kompatiblen Komponenten angegeben werden. Die Funktionsprüfung des Bewegungssensors (bzw. der externen GNSS-Ausrüstung) erfolgt zusammen mit der Fahrzeugeinheit und umgekehrt.
Eine Interoperabilität zwischen sämtlichen Bewegungssensormodellen (bzw. externen GNSS-Ausrüstungen) und sämtlichen Fahrzeugeinheitmodellen ist nicht erforderlich. In einem solchen Fall kann die Typgenehmigung für einen Bewegungssensor (bzw. externe GNSS-Ausrüstung) nur in Kombination mit der Typgenehmigung für die relevante Fahrzeugeinheit bzw. umgekehrt erteilt werden.
1.2. Referenzdokumente
In dieser Anlage werden folgende Referenzdokumente herangezogen:
IEC 60068-2-1: Environmental testing - Part 2-1: Tests - Test A: Cold (Umgebungseinflüsse - Teil 2-1: Prüfverfahren - Prüfung A: Kälte)
IEC 60068-2-2: Basic environmental testing procedures; part 2: tests; tests B: dry heat (Umgebungseinflüsse - Teil 2-2: Prüfverfahren - Prüfung B: Trockene Wärme) (sinusförmig).
IEC 60068-2-6: Environmental testing - Part 2: Tests - Test Fc: Vibration (sinusoidal) (Umgebungseinflüsse - Teil 2-6: Prüfverfahren - Prüfung Fc: Schwingen (sinusförmig)
IEC 60068-2-14: Environmental testing; Part 2-14: Tests; Test N: Change of temperature (Umgebungseinflüsse - Teil 2-14: Prüfverfahren - Prüfung N: Temperaturwechsel)
IEC 60068-2-27: Environmental testing. Part 2: Tests. Test Ea and guidance: Shock (Umgebungseinflüsse; Teil 2-27: Prüfverfahren - Prüfung Ea und Leitfaden: Schocken)
IEC 60068-2-30: Environmental testing - Part 2-30: Tests - Test Db: Damp heat, cyclic (12 h + 12 h cycle) (Umgebungseinflüsse - Teil 2-30: Prüfverfahren - Prüfung Db: Feuchte Wärme, zyklisch (12 + 12 Stunden))
IEC 60068-2-64: Environmental testing - Part 2-64: Tests - Test Fh: Vibration, broadband random and guidance (Umgebungseinflüsse - Teil 2-64: Prüfverfahren - Prüfung Fh: Schwingen, Breitbandrauschen (digital geregelt) und Leitfaden)
IEC 60068-2-78 Environmental testing - Part 2-78: Tests - Test Cab: Damp heat, steady state (Umgebungseinflüsse - Teil 2-78: Prüfverfahren - Prüfung Cab: Feuchte Wärme, konstant)
ISO 16750-3 - Mechanical loads (2012-12) (Mechanische Beanspruchungen)
ISO 16750-4 - Climatic loads (2010-04) (Klimatische Beanspruchungen).
ISO 20653: Road vehicles - Degree of protection (IP code) - Protection of electrical equipment against foreign objects, water and access (Straßenfahrzeuge - Schutzarten (IP-Code) - Schutz gegen fremde Objekte, Wasser und Kontakt - Elektrische Ausrüstungen)
ISO 10605:2008 + Technical Corrigendum:2010 + AMD1:2014 Road vehicles - Test methods for electrical disturbances from electrostatic discharge (Straßenfahrzeuge - Prüfverfahren für elektrische Störungen durch elektrostatische Entladungen)
ISO 7637-1:2002 + AMD1: 2008 Road vehicles - Electrical disturbances from conduction and coupling - Part 1: Definitions and general considerations (Straßenfahrzeuge; Elektrische Störungen durch Leitung und Kopplung - Teil 1: Allgemeines und Definitionen).
ISO 7637-2 Road vehicles - Electrical disturbances from conduction and coupling - Part 2: Electrical transient conduction along supply lines only (Straßenfahrzeuge - Elektrische Störungen durch Leitung und Kopplung - Teil 2: Elektrische, leitungsgeführte Störungen auf Versorgungsleitungen).
ISO 7637-3 Road vehicles - Electrical disturbances from conduction and coupling - Part 3: Electrical transient transmission by capacitive and inductive coupling via lines other than supply lines (Straßenfahrzeuge - Elektrische Störungen durch Leitung und Kopplung - Kapazitiv und induktiv gekoppelte Störungen auf andere als Versorgungsleitungen).
ISO/IEC 7816-1 Identification cards - Integrated circuit(s) cards with contacts - Part 1: Physical characteristics (Identifikationskarten - Chipkarten mit Kontakten - Teil 1: Physikalische Eigenschaften).
ISO/IEC 7816-2 Information technology - Identification cards - Integrated circuit(s) cards with contacts - Part 2: Dimensions and location of the contacts (Identifikationskarten - Chipkarten - Karten mit Kontakten - Teil 2: Maße und Anordnung der Kontakte).
ISO/IEC 7816-3 Information technology - Identification cards - Integrated circuit(s) cards with contacts - Part 3: Electronic signals and transmission protocol (Chipkarten mit Kontakten - Teil 3: Elektronische Eigenschaften und Übertragungsprotokolle).
ISO/IEC 10373-1:2006 + AMD1:2012 Identification cards - Test methods - Part 1: General characteristics (Identifikationskarten - Prüfverfahren - Teil 1: Generelle Eigenschaften).
ISO/IEC 10373-3:2010 + Technical Corrigendum:2013 Identification cards - Test methods - Part 3: Integrated circuit cards with contacts and related interface devices (Identifikationskarten - Prüfverfahren - Teil 3: Chipkarten mit Kontakten und zugehörige Schnittstellen-Geräte)
ISO 16844-3:2004, Cor 1:2006 Road vehicles - Tachograph systems - Part 3: Motion sensor interface (with vehicle units) (Straßenfahrzeuge - Fahrtschreiber (Kontrollgeräte) - Teil 3: Schnittstelle Bewegungssensor).
ISO 16844-4 Road vehicles - Tachograph systems - Part 4: CAN interface (Straßenfahrzeuge - Fahrtschreiber (Kontrollgeräte) - Teil 4: CAN-Schnittstelle).
ISO 16844-6 Road vehicles - Tachograph systems - Part 6: Diagnostics (Straßenfahrzeuge - Fahrtschreiber (Kontrollgeräte) - Teil 6: Diagnose) ISO 16844-7 Road vehicles - Tachograph systems - Part 7: Parameter
ISO 534 Paper and board - Determination of thickness, density and specific volume (Papier und Pappe - Bestimmung der Dicke, der Dichte und des spezifischen Volumens)
UN ECE R10 Uniform provisions concerning the approval of vehicles with regard to electromagnetic compatibility (United Nation Economic Commission for Europe) (Regelung der Wirtschaftskommission für Europa bei den Vereinten Nationen über einheitliche technische Bedingungen für die Genehmigung von Fahrzeugen hinsichtlich der elektromagnetischen Verträglichkeit
2. Funktionsprüfungen an der Fahrzeugeinheit18
| Nr. | Prüfung | Beschreibung | Anforderungsentsprechung |
| 1 | Administrative Prüfung | ||
| 1.1 | Dokumentation | Richtigkeit der Dokumentation | |
| 1.2 | Prüfergebnisse des Herstellers | Ergebnisse der beim Einbau vom Hersteller durchgeführten Prüfung.
Nachweis auf Papier. |
88, 89, 91 |
| 2 | Sichtprüfung | ||
| 2.1 | Übereinstimmung mit der Dokumentation | ||
| 2.2 | Kennung / Markierungen | 224 bis 226 | |
| 2.3 | Werkstoffe | 219 bis 223 | |
| 2.4 | Plombierung | 398, 401 bis 405 | |
| 2.5 | Externe Schnittstellen | ||
| 3 | Funktionsprüfungen | ||
| 3.1 | Mögliche Funktionen | 02, 03, 04, 05, 07, 382 | |
| 3.2 | Betriebsarten | 09 bis 11*, 134, 135 | |
| 3.3 | Funktionen und Datenzugriffsrechte | 12* 13*, 382, 383, 386 bis 389 | |
| 3.4 | Überwachung des Einsteckens und Entnehmens der Karten | 15, 16, 17, 18, 19*, 20*, 134 | |
| 3.5 | Geschwindigkeits- und Wegstreckenmessung | 21 bis 31 | |
| 3.6 | Zeitmessung (Prüfung bei 20 °C) | 38 bis 43 | |
| 3.7 | Überwachung der Fahrertätigkeiten | 44 bis 53, 134 | |
| 3.8 | Überwachung des Status der Fahrzeugführung | 54, 55, 134 | |
| 3.9 | Manuelle Eingabe durch die Fahrer | 56 bis 62 | |
| 3.10 | Verwaltung der Unternehmenssperren | 63 bis 68 | |
| 3.11 | Überwachung von Kontrollaktivitäten | 69, 70 | |
| 3.12 | Feststellung von Ereignissen und Störungen | 71 bis 88, 134 | |
| 3.13 | Kenndaten der Fahrzeugeinheit | 93*, 94*, 97, 100 | |
| 3.14 | Einsteck- und Entnahmedaten der Fahrerkarte | 102* bis 104* | |
| 3.15 | Fahrertätigkeitsdaten | 105* bis 107* | |
| 3.16 | Orts- und Positionsdaten | 108* bis 112* | |
| 3.17 | Kilometerstanddaten | 113* bis 115* | |
| 3.18 | Detaillierte Geschwindigkeitsdaten | 116* | |
| 3.19 | Ereignisdaten | 117* | |
| 3.20 | Störungsdaten | 118* | |
| 3.21 | Kalibrierungsdaten | 119* bis 121* | |
| 3.22 | Zeiteinstellungsdaten | 124*, 125* | |
| 3.23 | Kontrolldaten | 126*, 127* | |
| 3.24 | Unternehmenssperredaten | 128* | |
| 3.25 | Erfassen des Herunterladens | 129* | |
| 3.26 | Daten zu spezifischen Bedingungen | 130*, 131* | |
| 3.27 | Aufzeichnung und Speicherung von Daten auf Fahrtenschreiberkarten | 136, 137, 138*, 139*, 141*, 142, 143 | |
| 3.28 | Anzeige | 90, 134,
151 bis 168, |
|
| 3.29 | 90, 134, | ||
| 3.30 | Warnung | 134, 182 bis 191, | |
| 3.31 | Herunterladen von Daten auf externe Datenträger | 90, 134, 192 bis 196 | |
| 3.32 | Fernkommunikation für gezielte Straßenkontrollen | 197 bis 199 | |
| 3.33 | Datenausgabe an zusätzliche externe Geräte | 200, 201 | |
| 3.34 | Kalibrierung | 202 bis 206*, 383, 384, 386 bis 391 | |
| 3.35 | Kalibrierungskontrolle unterwegs | 207 bis 209 | |
| 3.36 | Zeiteinstellung | 210 bis 212* | |
| 3.37 | Störungsfreiheit zusätzlicher Funktionen | 06, 425 | |
| 3.38 | Bewegungssensor-Schnittstelle | 02, 122 | |
| 3.39 | Externe GNSS-Ausrüstung | 03, 123 | |
| 3.40 | Überprüfen, dass die VU die herstellerdefinierten Ereignisse und/oder Störungen ermittelt, aufzeichnet und speichert, wenn ein gekoppelter Bewegungssensor auf Magnetfelder reagiert, die die Ermittlung von Fahrzeugbewegungsdaten stören. | 217 | |
| 3.41 | Ziffernfolge und standardisierte Domänenparameter | CSM_48, CSM_50 | |
| 4 | Umweltprüfungen | ||
| 4.1 | Temperatur | Funktionsprüfung durch:
Prüfung gemäß ISO 16750-4, Kapitel 5.1.1.2: Betriebsprüfung bei niedrigen Temperaturen (72 h @ - 20 °C) Diese Prüfung bezieht sich auf IEC 60068-2-1: Environmental testing - Part 2-1: Tests - Test A: Cold (Umgebungseinflüsse - Teil 2-1: Prüfverfahren - Prüfung A: Kälte) Prüfung gemäß ISO 16750-4, Kapitel 5.1.2.2: Betriebsprüfung bei hohen Temperaturen (72 h @ 70 °C) Diese Prüfung bezieht sich auf IEC 60068-2-2: Basic environmental testing procedures; part 2: tests; tests B: dry heat (Umgebungseinflüsse - Teil 2-2: Prüfverfahren - Prüfung B: Trockene Wärme) Prüfung gemäß ISO 16750-4, Kapitel 5.3.2: Schnelle Temperaturwechsel mit angegebener Übergangsdauer (- 20 °C/70 °C, 20 Zyklen, Haltezeit 2 h bei jeder Temperatur) In Bezug auf Mindest- und Höchsttemperatur sowie während der Temperaturzyklen ist (für die in Abschnitt 3 dieser Tabelle aufgeführten Prüfungen) eine geringere Anzahl an Prüfungen zulässig. |
213 |
| 4.2 | Luftfeuchtigkeit | IEC 60068-2-30, Prüfung Db, zum Nachweis, dass die Fahrzeugeinheit einer zyklischen Feuchtigkeitsprüfung (Wärmeprüfung) von sechs 24-Std.-Zyklen jeweils mit einer Temperaturänderung von + 25 °C bis + 55 °C und einer relativen Luftfeuchtigkeit von 97 % bei + 25 °C bzw. entsprechend 93 % bei + 55 °C standhält. | 214 |
| 4.3 | Mechanisch |
Diese Prüfungen werden an zwei unterschiedlichen Proben des zu prüfenden Gerätetyps durchgeführt. |
219 |
| 4.4 | Schutz vor Wasser und vor Fremdkörpern | Prüfung gemäß ISO 20653: Road vehicles - Degree of protection (IP code) - Protection of electrical equipment against foreign objects, water and access (Straßenfahrzeuge - Schutzarten (IP-Code) - Schutz gegen fremde Objekte, Wasser und Kontakt - elektrische Ausrüstungen) (Keine Parameteränderung); Mindestwert IP 40 | 220, 221 |
| 4.5 | Überspannungsschutz | Nachweis, dass die Fahrzeugeinheit folgende Versorgungsspannungen aushält:
24-V-Versionen: 34 V bei + 40 °C 1 Stunde 12-V-Versionen: 17 V bei + 40 °C 1 Stunde (ISO 16750-2) |
216 |
| 4.6 | Falschpolungsschutz | Nachweis, dass die Fahrzeugeinheit einer Umkehrung der Polarität der Stromversorgung standhält
(ISO 16750-2) |
216 |
| 4.7 | Kurzschlussschutz | Nachweis, dass für Eingangs-/Ausgangssignale Schutz vor Kurzschluss der Stromversorgung und vor Erdschluss besteht
(ISO 16750-2) |
216 |
| 5 | EMV-Prüfungen | ||
| 5.1 | Störaussendung und Störanfälligkeit | Einhaltung von ECE-Regelung R10 | 218 |
| 5.2 | Elektrostatische Entladung | Einhaltung von ISO 10605:2008 +
Technische Korrektur:2010 + AMD1:2014: +/- 4 kV Kontaktentladung und +/- 8 kV Luftentladung |
218 |
| 5.3 | Leitungsgeführte Störgrößen auf Versorgungsleitungen | 24-V-Versionen: Einhaltung von ISO 7637-2 + ECE-Verordnung 10 Rev. 3:
Impuls 1a: Vs = - 450 V Ri = 50 Ohm Impuls 2a: Vs = + 37 V Ri = 2 Ohm Impuls 2b: Vs = + 20 V Ri = 0,05 Ohm Impuls 3a: Vs = - 150 V Ri = 50 Ohm Impuls 3b: Vs = + 150 V Ri = 50 Ohm Impuls 4: Vs = - 16 V Va = - 12 V t6 = 100 ms Impuls 5: Vs = + 120 V Ri = 2,2 Ohm td = 250 ms 12-V-Versionen: Einhaltung von ISO 7637-1 + ECE-Verordnung 10 Rev. 3: Impuls 1: Vs = - 75 V Ri = 10 Ohm Impuls 2a: Vs = + 37 V Ri = 2 Ohm Impuls 2b: Vs = + 10 V Ri = 0,05 Ohm Impuls 3a: Vs = - 112 V Ri = 50 Ohm Impuls 3b: Vs = + 75 V Ri = 50 Ohm Impuls 4: Vs = - 6 V Va = - V t6 = 15 ms Impuls 5: Vs = + 65 V Ri = 3 Ohm td = 100 ms Impuls 5 ist nur in Fahrzeugeinheiten zu prüfen, die in Fahrzeugen installiert werden sollen, für die keine gemeinsame externe Blindlast vorgesehen ist. Blindlastvorschläge siehe ISO 16750-2, 4. Ausgabe, Kapitel 4.6.4. |
218 |
![]() |
weiter . | ![]() |
(Stand: 09.08.2021)
Alle vollständigen Texte in der aktuellen Fassung im Jahresabonnement
Nutzungsgebühr: 90.- € netto (Grundlizenz)
(derzeit ca. 7200 Titel s.Übersicht - keine Unterteilung in Fachbereiche)
Die Zugangskennung wird kurzfristig übermittelt
? Fragen ?
Abonnentenzugang/Volltextversion