umwelt-online: ADNR

zurück

Fortgeltende Regelung ADN

2.3 Prüfverfahren

2.3.0 Allgemeines

Sofern in Kapitel 2.2 oder in diesem Kapitel nichts anderes vorgeschrieben ist, entsprechen die für die Klassifizierung gefährlicher Güter verwendeten Prüfverfahren denen, die im Handbuch Prüfungen und Kriterien beschrieben sind.

2.3.1 Prüfung auf Ausschwitzen für Sprengstoffe des Typs A

2.3.1.1 UN 0081 Sprengstoffe Typ a müssen, wenn sie einen Gehalt an flüssigem Salpetersäureester von mehr als 40 % aufweisen, zusätzlich zu der im Handbuch Prüfungen und Kriterien erwähnten Prüfung noch der nachstehenden Prüfung auf Ausschwitzen genügen.

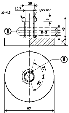
2.3.1.2 Der Apparat für die Prüfung der Sprengstoffe auf Ausschwitzen (Abbildungen 1 bis 3) besteht aus einem hohlen Bronzezylinder. Dieser Zylinder, der an einer Seite durch eine Platte aus dem gleichen Metall verschlossen ist, hat einen inneren Durchmesser von 15,7 mm und eine Tiefe von 40 mm. Er weist an der Wand 20 Löcher von je 0,5 mm Durchmesser (4 Reihen zu 5 Löchern) auf. Ein auf einer Länge von 48 mm zylindrisch gestalteter Bronzekolben, dessen Gesamtlänge 52 mm beträgt, kann in den senkrecht gestellten Zylinder hineingleiten; dieser Kolben, dessen Durchmesser 15,6 mm beträgt, wird mit einer Masse von 2220 g belastet, so dass ein Druck von 120 kPa (1,2 bar) auf den Zylinderboden ausgeübt wird.

2.3.1.3 Man bildet aus 5 Gramm bis 8 Gramm Sprengstoff einen kleinen Wulst von 30 mm Länge und 15 mm Durchmesser, den man mit ganz feiner Gaze umgibt und in den Zylinder bringt; dann setzt man den Kolben und die Belastungsmasse darauf, damit der Sprengstoff einem Druck von 120 kPa (1,2 bar) ausgesetzt wird.

Man notiert die Zeit, die es braucht, bis die ersten öligen Tröpfchen (Nitroglycerol) an der Außenseite der Löcher des Zylinders erscheinen.

2.3.1.4 Wenn bei einem bei 15 °C bis 25 °C durchgeführten Versuch die ersten Tröpfchen erst nach einem Zeitraum von mehr als fünf Minuten erscheinen, entspricht der Sprengstoff den Bedingungen.

Prüfung der Sprengstoffe auf Ausschwitzen

 

Abb. 1: Belastungskörper, glockenförmig; Masse 2220 g; aufhängbar auf Bronzekolben   Abb. 2: Zylindrischer Bronzekolben; Maße in mm
Abb. 3: Hohler Bronzezylinder, einseitig verschlossen
Aufriss und Grundriss; Maße in mm
zu Abbildungen 1 bis 3:

(1) 4 Reihen zu 5 Löchern mit einem Durchmesser von 0,5

(2) Kupfer

(3) Bleiplatte mit zentrischem Konus an der Unterseite

(4) 4 Öffnungen, ca. 46 x 56, gleichmäßig auf Umfang verteilt

2.3.2 Prüfungen bezüglich der nitrierten Cellulosemischungen der Klasse 4.1

2.3.2.1 Nitrocellulose darf während eines halbstündigen Erhitzens bei 132 °C keine sichtbaren gelbbraunen nitrosen Dämpfe (nitrose Gase) abgeben. Die Entzündungstemperatur muss über 180 °C liegen. Siehe Unterabschnitt 2.3.2.3 bis 2.3.2.8, Unterabschnitte 2.3.2.9 a) und 2.3.2.10.

2.3.2.2 3 g der plastifizierten Nitrocellulose dürfen während eines einstündigen Erhitzens bei 132 °C keine sichtbaren gelbbraunen nitrosen Dämpfe (nitrose Gase) abgeben. Die Entzündungstemperatur muss über 170 °C liegen. Siehe Unterabschnitte 2.3.2.3 bis 2.3.2.8, Unterabschnitte  2.3.2.9 b) und 2.3.2.10.

2.3.2.3 Die nachstehend angegebenen Prüfverfahren sind anzuwenden, wenn über die Zulässigkeit der Beförderung auf einem Binnenschiff der Stoffe Meinungsverschiedenheiten entstehen.

2.3.2.4 Wenn andere Verfahren zur Prüfung der in diesem Abschnitt oben angegebenen Beständigkeitsbedingungen gewählt werden, müssen diese zu der gleichen Beurteilung führen wie die nachstehend angegebenen Verfahren.

2.3.2.5 Bei der nachstehend beschriebenen Wärmebeständigkeitsprüfung darf die Temperatur im Trockenschrank, in dem sich das Muster zur Prüfung befindet, nicht mehr als 2 °C von der vorgeschriebenen Temperatur abweichen; die Prüfzeit muss bei einer Prüfdauer von 30 oder 60 Minuten mit einer Abweichung von höchstens 2 Minuten eingehalten werden. Der Trockenschrank muss so beschaffen sein, dass nach Einsetzen des Musters die Temperatur die erforderliche Höhe in höchstens 5 Minuten erreicht.

2.3.2.6 Vor den Prüfungen nach den Unterabschnitten  2.3.2.9 und 2.3.2.10 müssen die Proben während mindestens 15 Stunden in einem mit geschmolzenem und gekörntem Chlorcalcium beschickten Vakuum-Exsikkator bei Raumtemperatur getrocknet werden, wobei die Probe in dünner Schicht ausgelegt wird; zu diesem Zwecke müssen die Proben, die weder pulverförmig noch faserig sind, entweder zu Stücken mit kleinen Abmessungen zerbrochen, geraspelt oder geschnitten werden. Der Druck muss im Exsikkator unter 6,5 kPa (0,065 bar) gehalten werden.

2.3.2.7 Vor der unter den Bedingungen in Unterabschnitt  2.3.2.6 vorzunehmenden Trocknung müssen die Stoffe nach Unterabschnitt  2.3.2.2 einer Vortrocknung in einem Trockenschrank mit guter Durchlüftung, dessen Temperatur auf 70 °C eingestellt ist, so lange unterworfen werden, bis der Masseverlust innerhalb von 15 Minuten weniger als 0,3 der Einwaage beträgt.

2.3.2.8 Schwach nitrierte Nitrocellulose nach Unterabschnitt  2.3.2.1 ist zunächst einer Vortrocknung nach den Bedingungen nach Unterabschnitt  2.3.2.7 zu unterwerfen; die Trocknung wird durch einen Aufenthalt von mindestens 15 Stunden in einem mit konzentrierter Schwefelsäure beschickten Exsikkator abgeschlossen.

2.3.2.9 Prüfung der chemischen Beständigkeit bei Wärme

  1. Prüfung des in 2.3.2.1 genannten Stoffes.
    1. In jedes der beiden Probiergläser, die
      eine Länge von 350 mm,
      einen inneren Durchmesser von 16 mm,
      eine Wanddicke von 1,5 mm

      haben, bringt man 1 g des über Chlorcalcium getrockneten Stoffes (der Stoff ist für die Trocknung erforderlichenfalls in Stücke von nicht mehr als 0,05 g zu zerkleinern). Die beiden Probiergläser, die dicht, aber lose zu bedecken sind, werden dann in einen Trockenschrank gebracht, so dass sie wenigstens zu 4/5 ihrer Länge sichtbar und einer ständigen Temperatur von 132 °C während 30 Minuten ausgesetzt sind. Man stellt fest, ob sich während dieser Zeit nitrose Gase in Form von gelbbraunen Dämpfen entwickeln, die besonders vor einem weißen Hintergrund gut erkennbar sind.

    2. Der Stoff gilt als beständig, wenn diese Dämpfe nicht auftreten.
  2. Prüfung der plastifizierten Nitrocellulose (siehe Unterabschnitt 2.3.2.2)
    1. Es werden 3 g plastifizierter Nitrocellulose in gleiche Probiergläser wie unter a) eingefüllt und diese dann in einen Trockenschrank mit einer konstanten Temperatur von 132 °C gebracht.
    2. Die Probiergläser mit der plastifizierten Nitrocellulose bleiben eine Stunde im Trockenschrank. Während dieser Zeit dürfen keine gelbbraunen nitrosen Dämpfe (nitrose Gase) sichtbar werden. Beobachtung und Beurteilung wie unter a).

2.3.2.10 Entzündungstemperatur (siehe Unterabschnitte  2.3.2.1 und 2.3.2.2)

  1. Zur Bestimmung der Entzündungstemperatur werden 0,2 g des Stoffes in einem Probierglas erhitzt, das in ein Wood'sches Metallbad eingetaucht ist. Das Probierglas wird in das Bad eingesetzt, nachdem dieses 100 °C erreicht hat. Die Temperatur wird dann um 5 °C je Minute erhöht.
  2. Die Probiergläser müssen
    eine Länge von 125 mm,
    einen inneren Durchmesser von 15 mm,
    eine Wanddicke von 0,5 mm
    haben und 20 mm tief eingetaucht sein.
  3. Bei dem dreimal zu wiederholenden Versuch ist jedesmal festzustellen, bei welcher Temperatur eine Entzündung des Stoffes eintritt, ob unter langsamer oder schneller Verbrennung, ob unter Verpuffung oder Explosion.
  4. Die bei den drei Versuchen festgestellte niedrigste Temperatur ist die Entzündungstemperatur.

2.3.3 Prüfungen der entzündbaren flüssigen Stoffe der Klassen 3, 6.1 und 8

2.3.3.1 Prüfung zur Bestimmung des Flammpunktes

2.3.3.1.1 Der Flammpunkt ist mit einem der folgenden Apparate zu bestimmen:

  1. Abel
  2. Abel-Pensky
  3. Tag
  4. Pensky-Martens
  5. Apparate nach ISO 3679:1983 oder ISO 3680:1983.

2.3.3.1.2 Für die Flammpunktbestimmung von Anstrichstoffen, Klebstoffen und ähnlichen viskosen lösungsmittelhaltigen Produkten dürfen nur Apparate und Prüfmethoden verwendet werden, die für die Flammpunktbestimmung viskoser Flüssigkeiten geeignet sind und den folgenden Normen entsprechen:

  1. Internationale Norm ISO 3679:1983
  2. Internationale Norm ISO 3680:1983
  3. Internationale Norm ISO 1523:1983
  4. Deutsche Norm DIN 53213:1978 Teil 1.

2.3.3.1.3 Das Prüfverfahren muss entweder einer Gleichgewichtsmethode oder einer Ungleichgewichtsmethode entsprechen.

2.3.3.1.4 Für das Verfahren nach einer Gleichgewichtsmethode siehe:

  1. Internationale Norm ISO 1516:1981
  2. Internationale Norm ISO 3680:1983
  3. Internationale Norm ISO 1523:1983
  4. Internationale Norm ISO 3679:1983.

2.3.3.1.5 Verfahren nach einer Ungleichgewichtsmethode sind:

  1. für Apparat Abel siehe:
    1. Britische Norm BS 2000:1995 Teil 170
    2. Französische Norm NF MO7-011:1988
    3. Französische Norm NF T66-009:1969;
  2. für Apparat Abel-Pensky siehe:
    1. Deutsche Norm DIN 51755:1974 Teil 1 (für Temperaturen von 5 °C bis 65 °C)
    2. Deutsche Norm DIN 51755:1978 Teil 2 (für Temperaturen unter 5 °C)
    3. Französische Norm NF MO7-036:1984;
  3. für Apparat Tag siehe:
    Amerikanische Norm ASTM D 56:1993;
  4. für Apparat Pensky-Martens siehe:
    1. Internationale Norm ISO 2719:1988
    2. Europäische Norm EN 22719:1994 in ihrer jeweiligen nationalen Ausgabe (z.B. BS 2000, Teil 404 / EN 22719).
    3. Amerikanische Norm ASTM D 93:1994
    4. Norm des Institute of Petroleum IP 34:1988.

2.3.3.1.6 Die in den Absätzen 2.3.3.1.4 und 2.3.3.1.5 aufgeführten Prüfverfahren sind nur für die in den einzelnen Methoden angegebenen Flammpunktbereiche anzuwenden. Die Möglichkeit einer chemischen Reaktion zwischen dem Stoff und dem Probenhalter ist bei der Auswahl der anzuwendenden Methode zu beachten. Der Apparat ist, soweit dies mit der Sicherheit vereinbar ist, an einem zugfreien Ort aufzustellen. Aus Sicherheitsgründen dürfen für organische Peroxide und selbstzersetzliche Stoffe (auch als ≪energetische≫ Stoffe bekannt) oder für giftige Stoffe nur Prüfverfahren angewendet werden, bei denen kleine Probengrößen von ca. 2 ml verwendet werden.

2.3.3.1.7 Wenn nach einer Ungleichgewichtsmethode gemäß 2.3.3.1.5 ein Flammpunkt von 23 °C ± 2 °C oder von 60 °C ± 2 °C festgestellt wird, ist dieses Ergebnis für jeden Temperaturbereich mit einer Gleichgewichtsmethode nach 2.3.3.1.4 zu bestätigen.

2.3.3.1.8 Ist die Zuordnung eines entzündbaren flüssigen Stoffes umstritten, so gilt die vom Absender vorgeschlagene Ziffer der Zuordnung, wenn sich bei der Nachprüfung des Flammpunktes ein Wert ergibt, der um nicht mehr als 2 °C von den in Unterabschnitt 2.2.3.1 festgelegten Grenzwerten (23 °C bzw. 60 °C) abweicht. Ist die Abweichung größer als 2 °C, so ist eine zweite Nachprüfung vorzunehmen, und es gilt der niedrigste der bei den Nachprüfungen festgestellten Werte.

2.3.3.2 Prüfung zur Bestimmung des Gehalts an Peroxid

Der Gehalt an Peroxid eines flüssigen Stoffes wird wie folgt bestimmt:

Man gießt eine Menge p (ungefähr 5 g, auf 0,01 g genau gewogen) der zu prüfenden Flüssigkeit in einen Erlenmeyerkolben, fügt 20 cm3 Essigsäureanhydrid und ungefähr 1 g festes pulverisiertes Kaliumiodid bei und rührt um. Nach 10 Minuten wird die Flüssigkeit während 3 Minuten bis auf 60 °C erwärmt, dann lässt man sie 5 Minuten abkühlen und gibt 25 cm3 Wasser bei. Das freigewordene Iod wird nach einer halben Stunde mit einer zehntelnormalen Natriumthiosulfatlösung ohne Beigabe eines Indikators titriert. Die vollständige Entfärbung zeigt das Ende der Reaktion an. Werden die erforderlichen cm3 der Thiosulfatlösung mit n bezeichnet, so ergibt sich der prozentuale Peroxidgehalt der Probe (in H2O2 berechnet) durch die Formel

17n/100p

2.3.4 Prüfung zur Bestimmung des Fließverhaltens

Zur Bestimmung des Fließverhaltens flüssiger, dickflüssiger oder pastenförmiger Stoffe und Gemische ist folgendes Verfahren anzuwenden:

2.3.4.1 Prüfgerät

Handelsübliches Penetrometer nach ISO-Norm 2137:1985 mit einer Führungsstange von 47,5 g ± 0,05 g;

Siebscheibe aus Duraluminium mit konischen Bohrungen und einer Masse von 102,5 g ± 0,05 g (siehe Abbildung 4);

Penetrationsgefäß mit einem Innendurchmesser von 72 mm bis 80 mm zur Aufnahme der Probe.

2.3.4.2 Prüfverfahren

Die Probe wird mindestens eine halbe Stunde vor der Messung in das Penetrationsgefäß gefüllt. Das Gefäß wird dicht verschlossen und bis zur Messung ruhig gelagert. Die Probe wird in dem dicht verschlossenen Penetrationsgefäß auf 35 °C ± 0,5 °C erwärmt und erst unmittelbar (höchstens 2 Minuten) vor der Messung auf den Tisch des Penetrometers gebracht. Nun wird die Spitze S der Siebscheibe auf die Flüssigkeitsoberfläche aufgesetzt und die Eindringtiefe in Abhängigkeit von der Zeit gemessen.

2.3.4.3 Beurteilung der Prüfergebnisse

Ein Stoff ist pastenförmig, wenn nach Aufsetzen der Spitze S auf die Oberfläche der Probe die auf dem Messgerät abgelesene Penetration

  1. nach einer Belastungszeit von 5 s ± 0,1 s weniger als 15 mm ± 0,3 mm oder
  2. nach einer Belastungszeit von 5 s ± 0,1 s mehr als 15 mm ± 0,3 mm, jedoch die zusätzliche Penetration nach weiteren 55 s ± 0,5 s weniger als 5,0 mm ± 0,5 mm

beträgt.

Bem. Bei Proben mit einer Fließgrenze ist es häufig nicht möglich, im Penetrationsgefäß eine stabile Oberfläche zu erreichen und somit beim Aufsetzen der Spitze "S" eindeutige Anfangsbedingungen der Messung zu schaffen. Darüber hinaus kann bei manchen Proben eine elastische Verformung der Oberfläche beim Auftreffen der Siebscheibe auftreten und in den ersten Sekunden eine größere Penetration vortäuschen. In all diesen Fällen kann eine Beurteilung der Ergebnisse nach Unterabschnitt 2.3.4.2 zweckmäßig sein.

Abbildung 4 Penetrometer

2.3.5 Zuordnung metallorganischer Stoffe zu den Klassen 4.2 und 4.3

Abhängig von ihren gemäß den Prüfungen N.1 bis N.5 des Handbuchs Prüfungen und Kriterien, Teil III, Abschnitt 33 festgestellten Eigenschaften können metallorganische Stoffe in Übereinstimmung mit dem nachstehend abgebildeten Flussdiagramm je nach Fall der Klasse 4.2 oder 4.3 zugeordnet werden.

Bemerkung 1: Abhängig von ihren übrigen Eigenschaften und der Tabelle der überwiegenden Gefahr (siehe Unterabschnitt 2.1.3.10) können Stoffe anderen Klassen zugeordnet werden.

Bemerkung 2: Entzündbare Lösungen mit metallorganischen Verbindungen in Konzentrationen, die nicht selbstentzündlich sind oder die in Berührung mit Wasser keine entzündbaren Gase in gefährlichen Mengen entwickeln, sind Stoffe der Klasse 3.

Abbildung 2.3.5: Flussdiagramm für die Zuordnung metallorganischer Stoffe zu den Klassen 4.2 und 4.3 a), b)

a) Die Prüfverfahren N.1 bis N.5 sind im Handbuch Prüfungen und Kriterien Teil III Abschnitt 33 enthalten.

b) Sofern anwendbar und sofern eine Prüfung unter Berücksichtigung der Reaktionseigenschaften angebracht ist, sind die Eigenschaften der Klassen 6.1 und 8 gemäß der Tabelle der überwiegenden Gefahr in 2.1.3.10 zu bestimmen.

2.4 Kriterien für wasserverunreinigende Stoffe in Tankschiffen

2.4.1 Allgemeine Begriffsbestimmungen

2.4.1.1 Umweltgefährdende Stoffe umfassen unter anderem flüssige oder feste wasserverunreinigende Stoffe sowie Lösungen und Gemische mit solchen Stoffen (wie Präparate, Zubereitungen und Abfälle). Im Sinne dieses Kapitels sind "Stoffe" chemische Elemente und deren Zusammensetzungen, wie sie in der Natur vorkommen oder die durch ein Herstellungsverfahren gewonnen werden, einschließlich notwendiger Zusatzstoffe für die Aufrechterhaltung der Stabilität des Produkts und durch das verwendete Verfahren entstandene Unreinheiten, ausgenommen jedoch Lösungsmittel, die ohne Beeinträchtigung der Stabilität des Stoffes oder dessen Zusammensetzung extrahiert werden können.

2.4.1.2 Als aquatische Umwelt können die im Wasser lebende Organismen und das aquatische Ökosystem, dessen Teil sie sind 57, angesehen werden. Die Grundlage für die Bestimmung der Gefahr ist daher die Giftigkeit des Stoffes oder Gemisches in Wasser, auch wenn diese durch weitere Informationen über das Abbau- und Bioakkumulationsverhalten verändert werden kann.

2.4.1.3 Obwohl das folgende Zuordnungsverfahren für alle Stoffe und Gemische zur Anwendung vorgesehen ist, wird anerkannt, dass in einigen Fällen, z.B. bei Metallen oder kaum löslichen anorganischen Verbindungen, besondere Richtlinien erforderlich sind 58.

2.4.1.4 Die folgenden Definitionen gelten für die in diesem Abschnitt verwendeten Abkürzungen oder Begriffe:

2.4.2 Begriffsbestimmungen und Datenanforderungen

2.4.2.1 Die Grundelemente für die Zuordnung umweltgefährdender Stoffe (aquatische Umwelt) sind:

2.4.2.2 Obwohl Daten aus international harmonisierten Prüfverfahren bevorzugt werden, dürfen Daten aus nationalen Verfahren ebenfalls verwendet werden, sofern sie als gleichwertig angesehen werden. Im Allgemeinen können die Daten in Bezug auf die Giftigkeit für Süß- und Meerwasserarten als gleichwertige Daten angesehen werden und sollen bevorzugt unter Verwendung der OECD-Prüfrichtlinien oder nach den Grundsätzen bewährter Laborpraxis (GLP) gleichwertigen Verfahren abgeleitet werden. Wenn solche Daten nicht zur Verfügung stehen, muss die Zuordnung auf der Grundlage der besten verfügbaren Daten erfolgen.

2.4.2.3 Die akute Giftigkeit in Wasser muss normalerweise unter Verwendung eines 96-Stunden-LC50-Wertes für Fische (OECD-Prüfrichtlinie 203 oder ein gleichwertiges Verfahren), eines 48-Stunden-EC50-Wertes für Krustentiere (OECD-Prüfrichtlinie 202 oder ein gleichwertiges Verfahren) und/oder eines 72- oder 96-Stunden-EC50-Wertes für Algen (OECD-Richtlinie 201 oder ein gleichwertiges Verfahren) bestimmt werden. Diese Arten gelten als Stellvertreter für alle Wasserorganismen. Daten über andere Arten, wie Lemna, dürfen auch berücksichtigt werden, wenn die Prüfmethode geeignet ist.

2.4.2.4 Die Bioakkumulation ist das unverfälschte Ergebnis der Aufnahme, Transformation und Eliminierung eines Stoffes in einem Organismus über alle Expositionswege (d. h. Luft, Wasser, Sediment/Boden und Nahrungsmittel).

Das Bioakkumulationspotential muss normalerweise unter Verwendung des Octanol/Wasser-Verteilungskoeffizienten bestimmt werden, der üblicherweise als der gemäß OECD-Prüfrichtlinie 107 oder 117 bestimmte log KOW ausgedrückt wird. Obwohl dies ein Potential für die Bioakkumulation wiedergibt, bietet ein experimentell bestimmter Biokonzentrationsfaktor (BCF) ein besseres Maß und sollte bei Verfügbarkeit bevorzugt verwendet werden. Der BCF muss gemäß OECD-Prüfrichtlinie 305 bestimmt werden.

2.4.2.5 Ein Abbau in der Umwelt kann biotisch oder abiotisch (z.B. durch Hydrolyse) erfolgen; die verwendeten Kriterien geben diesen Umstand wieder. Die leichte biologische Abbaubarkeit wird am einfachsten unter Verwendung der OECD-Prüfungen für die biologische Abbaubarkeit (OECD-Prüfrichtlinie 310 (a - F) festgestellt. Ein in diesen Prüfungen festgestelltes Überschreiten des Niveaus kann als Indikator für die schnelle Abbaubarkeit in den meisten aquatischen Umgebungen angesehen werden. Da dies Süßwasser-Prüfungen sind, ist auch die Verwendung von Ergebnissen aus der OECD-Prüfrichtlinie 306 eingeschlossen, die für die Meereswasserumwelt besser geeignet ist. Sofern solche Daten nicht verfügbar sind, gilt ein Verhältnis BOD (5 Tage)/COD > 0,5 als Indikator für die schnelle Abbaubarkeit. Abiotische Abbaubarkeit, wie Hydrolyse, abiotische und biotische Primärabbaubarkeit, Abbaubarkeit in nicht aquatischen Medien und eine nachgewiesene schnelle Abbaubarkeit in der Umwelt dürfen bei der Bestimmung der schnelle Abbaubarkeit berücksichtigt werden 59.

Stoffe gelten als in der Umwelt schnell abbaubar, wenn die folgenden Kriterien erfüllt sind:

  1. in den Untersuchngen uber eine leichte biologische Abbaubarkeit innerhalb von 28 Tagen werden folgende Abbauwerte erreicht:
    1. auf gelostem organischen Kohlenstoff basierende Prüfungen: 70 %;
    2. auf Sauerstoff-Abnahme oder Kohlendioxid-Bildung basierende Prüfungen: 60 % des theoretischen Höchstwertes.

    Diese Werte fur die biologische Abbaubarkeit müssen innerhalb von 10 Tagen nach dem Beginn des Abbaus erreicht werden; dabei ist der Beginn des Abbaus derjenige Zeitpunkt, zu dem 10 % des Stoffes abgebaut wurden; oder

  2. in den Fällen, in denen nur BOD- und COD-Daten verfugbar sind, wenn das Verhaltnis BOD5/COD> 0,5 ist, oder
  3. wenn andere überzeugende wissenschaftliche Beweismittel fur den Nachweis verfügbar sind, dass der Stoff oder das Gemisch innerhalb eines Zeitraumes von 28 Tagen auf einen Wert uber 70 % in aquatischer Umwelt (biotisch und/oder abiotisch) abgebaut werden kann.

2.4.2.6 Es existieren weniger Daten über die chronische Giftigkeit als über die akute Giftigkeit, und die Gesamtheit der Prüfmethoden ist weniger standardisiert. Daten, die gemäß der OECD-Richtlinie 210 (Fisch in einem frühen Lebensstadium) oder 211 (Reproduktion von Daphnien) und 201 (Hemmung des Algenwachstums) erzielt wurden, können akzeptiert werden. Andere bestätigte und international anerkannte Prüfungen dürfen ebenfalls verwendet werden. Die "Konzentrationen, bei denen keine Wirkung festgestellt wird" (NOEC) oder andere gleichwertige L(E)CX-Werte sind zu verwenden.

2.4.3 Kategorien und Kriterien für die Zuordnung von Stoffen

Bemerkung: Die Kategorie chronische Giftigkeit 4 des Kapitels 4.1 des GHS ist in diesem Abschnitt informatorisch aufgeführt, obwohl sie im Rahmen des ADNR nicht zutreffend ist.

2.4.3.1 Stoffe sind den umweltgefährdenden (aquatische Umwelt) Stoffen zuzuordnen:

  1. für die Beförderung in Versandstücken, wenn sie den Kriterien für die akute Giftigkeit 1, für die Chronische Giftigkeit 1 oder 2 gemäß den nachstehenden Tabellen entsprechen und
  2. für die Beförderung in Tankschiffen, wenn sie den Kriterien für die akute Giftigkeit 1, 2 oder 3 oder für die Chronische Giftigkeit 1, 2 oder 3 gemäß den nachstehenden Tabellen entsprechen:

Akute Giftigkeit

Kategorie: Akute Giftigkeit 1
96-Stunden-LC50-Wert (für Fische) < 1 mg/l und/oder
48-Stunden-EC50-Wert (für Krustentiere) < 1 mg/l und/oder
72- oder 96-Stunden-ErC50-Wert (für Algen oder andere Wasserpflanzen) < 1 mg/l.
Kategorie: Akute Giftigkeit 2
96-Stunden-LC50-Wert (für Fische) > 1 bis< 10 mg/l und/oder
48-Stunden-EC50-Wert (für Krustentiere) > 1 bis< 10 mg/l und/oder
72- oder 96-Stunden-ErC50-Wert (für Algen oder andere Wasserpflanzen) > 1 bis< 10 mg/l.
Kategorie: Akute Giftigkeit 3
96-Stunden-LC50-Wert (für Fische) > 10 bis< 100 mg/l und/oder
48-Stunden-EC50-Wert (für Krustentiere) > 10 bis< 100 mg/l und/oder
72- oder 96-Stunden-ErC50-Wert (für Algen oder andere Wasserpflanzen) > 10 bis< 100 mg/l.

Chronische Giftigkeit

Kategorie: Chronische Giftigkeit 1
96-Stunden-LC50-Wert (für Fische) < 1 mg/l und/oder
48-Stunden-EC50-Wert (für Krustentiere) < 1 mg/l und/oder
72- oder 96-Stunden-ErC50-Wert (für Algen oder andere Wasserpflanzen) < 1 mg/l
und der Stoff ist nicht leicht abbaubar und/oder log Kow> 4 (es sei denn, der experimentell bestimmte BCF ist < 500).
Kategorie: Chronische Giftigkeit 2
96-Stunden-LC50-Wert (für Fische) > 1 bis< 10 mg/l und/oder
48-Stunden-EC50-Wert (für Krustentiere) > 1 bis< 10 mg/l und/oder
72- oder 96-Stunden-ErC50-Wert (für Algen oder andere Wasserpflanzen) > 1 bis< 10 mg/l
und der Stoff ist nicht leicht abbaubar und/oder log Kow> 4 (es sei denn, der experimentell bestimmte BCF ist < 500), es sei denn, die NOEC fur die chronische Toxizitat ist > 1 mg/l.
Kategorie: Chronische Giftigkeit 3
96-Stunden-LC50-Wert (für Fische) > 10 bis< 100 mg/l und/oder
48-Stunden-EC50-Wert (für Krustentiere) > 10 bis< 100 mg/l und/oder
72- oder 96-Stunden-ErC50-Wert (für Algen oder andere Wasserpflanzen) > 10 bis< 100 mg/l
und der Stoff ist nicht leicht abbaubar und/oder log Kow> 4 (es sei denn, der experimentell bestimmte BCF ist < 500), es sei denn, die NOEC fur die chronische Toxizitat ist > 1 mg/l.
Kategorie: Chronische Giftigkeit 4
Stoffe, die kaum loslich sind und bei denen keine akute Toxizitat in den Konzentrationen bis zu ihrer Loslichkeit in Wasser festgestellt wurde, die nicht leicht abbaubar sind und deren Kow> 4, was anzeigt, dass sie sich in lebenden Organismen akkumulieren konnen, werden dieser Kategorie zugeordnet, es sei denn, wissenschaftliche Daten zeigen, dass diese Zuordnung nicht notwendig ist. Diese Daten enthalten einen experimentell bestimmten BCF < 500 oder die NOEC fur die chronische Toxizitat ist < 1 mg/l oder die Daten weisen eine schnelle Abbaubarkeit in der Umwelt nach.

Stoffe, die ausschlieslich der Kategorie Chronische Giftigkeit 4 zuzuordnen sind, gelten nicht als umweltgefahrdend im Sinne des ADNR.

2.4.4 Kategorien und Kriterien für die Zuordnung von Gemischen

Bemerkung: Die Kategorie chronische Giftigkeit 4 des Kapitels 4.1 des GHS ist in diesem Abschnitt informatorisch aufgeführt, obwohl sie im Rahmen des ADNR nicht zutreffend ist.

2.4.4.1 Das Zuordnungssystem für Gemische umfasst die für Stoffe verwendeten Zuordnungskategorien, d. h. die Kategorie der akuten Giftigkeit 1 bis 3 und die Kategorien der chronischen Giftigkeit 1 bis 4. Um alle verfügbaren Daten für Zwecke der Zuordnung der wasserverunreinigenden Eigenschaften des Gemisches zu verwenden, wird folgende Annahme gemacht, die gegebenenfalls angewendet wird:

Die "relevanten Bestandteile" eines Gemisches sind diejenigen Bestandteile, die in einer Konzentration von mindestens 1 Masse-% vorliegen, es sei denn, es wird vermutet (z.B. im Falle hoch giftiger Bestandteile), dass ein in einer Konzentration von weniger als 1 % vorhandener Bestandteil dennoch für die Zuordnung des Gemisches auf Grund seiner wasserverunreinigenden Eigenschaften relevant sein kann.

2.4.4.2 Die Zuordnung der wasserverunreinigenden Eigenschaften erfolgt über einen schrittweisen Ansatz und hängt vor der Art der für das Gemisch selbst und seine Bestandteile verfügbaren Informationen ab. Der schrittweise Ansatz umfasst folgende Elemente:

  1. Zuordnung auf der Grundlage geprüfter Gemische;
  2. Zuordnung auf der Grundlage der Grundsätze der Extrapolation;
  3. die Verwendung der "Addition der zugeordneten Bestandteile" und/oder einer "Summenformel".

Die nachstehende Abbildung 2.4.4.2 beschreibt das zu befolgende Verfahren.

Abbildung 2.4.4.2: Schrittweiser Ansatz für die Zuordnung von Gemischen in Abhängigkeit von ihren akuten und chronischen wasserverunreinigenden Eigenschaften

2.4.4.3 Zuordnung von Gemischen, wenn für das gesamte Gemisch Daten verfügbar sind

2.4.4.3.1 Wenn das Gemisch als Ganzes für die Bestimmung seiner Giftigkeit in Wasser geprüft wurde, ist es nach den für Stoffe angenommenen Kriterien, jedoch nur für die akute Giftigkeit, zuzuordnen. Die Zuordnung erfolgt auf der Grundlage der Daten für Fische, Krustentiere und Algen/Pflanzen. Die Zuordnung von Gemischen durch die Verwendung der LC50-, EC50- oder ErC50-Daten für das Gemisch als Ganzes ist nicht möglich für die Kategorien der chronischen Giftigkeit, da sowohl Giftigkeitsdaten als auch Daten für das Umweltverhalten benötigt werden, jedoch keine Daten für die Abbaubarkeit und die Bioakkumulation für Gemische als Ganzes vorliegen. Es ist nicht möglich, die Kriterien für die Zuordnung zu den Kategorien der chronischen Giftigkeit anzuwenden, da die Daten der Abbaubarkeits- und Bioakkumulations-Prüfungen von Gemischen nicht interpretiert werden können; sie sind nur für einzelne Stoffe aussagekräftig.

2.4.4.3.2 Wenn Prüfdaten uber die akute Giftigkeit (LC50 oder EC50) für das Gemisch als Ganzes verfügbar sind, sind diese Daten sowie die Informationen uber die Zuordnung der Bestandteile in Bezug auf ihre chronische Giftigkeit zur Vervollständigung der Zuordnung geprüfter Gemische wie folgt zu verwenden. Wenn Daten über die chronische (Langzeit-) Giftigkeit (NOEC) ebenfalls verfügbar sind, sind diese zusätzlich zu verwenden.

  1. L(E)C50 (LC50 oder EC50) des geprüften Gemisches< 100 mg/l und NOEC des geprüften Gemisches< 1,0 mg/l oder unbekannt:
    1. das Gemisch ist der Kategorie der akuten Giftigkeit 1, 2 oder 3 zuzuordnen;
    2. Anwendung des Ansatzes der Addition der zugeordneten Bestandteile (siehe Absätze 2.4.4.6.3 und 2.4.4.6.4) für die Zuordnung zu den Kategorien der chronischen Giftigkeit (chronische Giftigkeit 1 bis 4 oder keine Notwendigkeit fur die Zuordnung zu einer Kategorie der chronischen Giftigkeit).
  2. L(E)C50 des geprüften Gemisches< 100 mg/l und NOEC des geprüften Gemisches > 1,0 mg/l:
    1. das Gemisch ist der Kategorie der akuten Giftigkeit 1, 2 oder 3 zuzuordnen;
    2. Anwendung des Ansatzes der Addition der zugeordneten Bestandteile (siehe Absatze 2.4.4.6.3 und 2.4.4.6.4) fur die Zuordnung zur Kategorie der chronischen Giftigkeit 1. Wenn das Gemisch nicht der Kategorie der chronischen Giftigkeit 1 zugeordnet wird, besteht keine Notwendigkeit fur die Zuordnung zu einer Kategorie der chronischen Giftigkeit.
  3. L(E)C50 des geprüften Gemisches > 100 mg/l oder über der Wasserlöslichkeit und NOEC des geprüften Gemisches< 1,0 mg/l oder unbekannt:
    1. keine Notwendigkeit fur die Zuordnung zur Kategorie der akuten Giftigkeit;
    2. Anwendung des Ansatzes der Addition der zugeordneten Bestandteile (siehe Absatz 2.4.4.6) fur die Zuordnung zu einer Kategorie der chronischen Giftigkeit oder keine Notwendigkeit der Zuordnung zu einer Kategorie der chronischen Giftigkeit.
  4. L(E)C50 des geprüften Gemisches > 100 mg/l oder über der Wasserlöslichkeit und NOEC des geprüften Gemisches > 1,0 mg/l:

2.4.4.4 Grundsätze der Extrapolation

2.4.4.4.1 Wenn das Gemisch selbst nicht zur Bestimmung seiner wasserverunreinigenden Eigenschaften geprüft wurde, jedoch genügend Daten über die einzelnen Bestandteile und über ähnliche geprüfte Gemische vorliegen, um die Gefahren des Gemisches hinreichend zu charakterisieren, dann sind diese Daten gemas den nachstehenden angenommenen Extrapolationsregeln zu verwenden. Dies stellt sicher, dass für das Zuordnungsverfahren in größtmöglichem Mase verfügbare Daten für die Charakterisierung der Gefahren des Gemisches verwendet werden, ohne dass die Notwendigkeit für zusatzliche Tierversuche besteht.

2.4.4.4.2 Verdünnung

2.4.4.4.2.1 Wenn ein Gemisch durch Verdunnung eines anderen zugeordneten Gemisches oder eines Stoffes mit einem Verdunnungsmittel gebildet wird, das eine gleiche oder niedrigere Zuordnung der wasserverunreinigenden Eigenschaften hat als der am wenigstens giftige ursprungliche Bestandteil und von dem nicht erwartet wird, dass es die Wassereigenschaften anderer Bestandteile beeinflusst, dann ist das Gemisch als mit dem ursprunglichen Gemisch oder Stoff identisch zuzuordnen.

2.4.4.4.2.2 Wenn ein Gemisch durch Verdünnung eines anderen zugeordneten Gemisches oder eines Stoffes mit Wasser oder anderen vollständig nicht giftigen Produkten gebildet wird, ist die Giftigkeit des Gemisches auf der Grundlage des ursprünglichen Gemisches oder Stoffes zu berechnen.

2.4.4.4.3 Fertigungslose

Es wird angenommen, dass die Zuordnung der wasserverunreinigenden Eigenschaften eines Fertigungsloses eines komplexen Gemisches mit der eines anderen Fertigungsloses desselben Handelsproduktes, das von oder unter Überwachung desselben Herstellers produziert wurde, im Wesentlichen identisch ist, es sei denn, es besteht Grund zur Annahme, dass bedeutende Schwankungen auftreten, die zu einer Änderung der Zuordnung der wasserverunreinigenden Eigenschaften des Loses führen. In diesem Fall ist eine neue Zuordnung erforderlich.

2.4.4.4.4 Konzentration von Gemischen, die den strengsten Kategorien (chronische Giftigkeit 1 und akute Giftigkeit 1) zugeordnet sind

Wenn ein Stoff der Kategorie der chronischen Giftigkeit 1 und/oder der akuten Giftigkeit 1 zugeordnet ist und Bestandteile des Gemisches, die der Kategorie der chronischen Giftigkeit 1 und/oder der akuten Giftigkeit 1 zugeordnet sind, weiter konzentriert werden, ist das Gemisch mit der höheren Konzentration ohne zusätzliche Prüfungen derselben Kategorie zuzuordnen wie das ursprüngliche Gemisch.

2.4.4.4.5 Interpolation innerhalb einer Giftigkeitskategorie

Wenn die Gemische a und B unter dieselbe Zuordnungskategorie fallen und ein Gemisch C hergestellt wird, in dem die toxikologisch aktiven Bestandteile Konzentrationen haben, die zwischen den Konzentrationen der Bestandteile in den Gemischen a und B liegen, dann ist das Gemisch C derselben Kategorie wie die Gemische a und B zuzuordnen. Es ist zu beachten, dass die Bestandteile in allen drei Gemischen gleich sein müssen.

2.4.4.4.6 Im Wesentlichen ähnliche Gemische

Wenn Folgendes gegeben ist:

  1. zwei Gemische:
    1. a + B;
    2. C + B;
  2. die Konzentration des Bestandteils B ist in beiden Gemischen gleich;
  3. die Konzentration des Bestandteils a im Gemisch (i) ist gleich hoch wie die Konzentration des Bestandteils C im Gemisch (ii);
  4. die Zuordnung der Bestandteile a und C ist verfügbar und gleich, d. h. die Bestandteile fallen unter dieselbe Kategorie, und es ist nicht zu erwarten, dass sie die Giftigkeit des Bestandteils B in Wasser beeintrachtigen,

dann besteht keine Notwendigkeit, das Gemisch (ii) zu prüfen, wenn das Gemisch (i) bereits durch Prufungen charakterisiert ist und beide Gemische unter dieselbe Kategorie fallen.

2.4.4.5 Zuordnung von Gemischen, wenn Daten für alle Bestandteile oder nur für bestimmte Bestandteiles des Gemisches verfügbar sind

2.4.4.5.1 Die Zuordnung des Gemisches hat auf der Grundlage der Addition der Zuordnung seiner Bestandteile zu erfolgen. Der Prozentsatz der als "akut giftig" oder "chronisch giftig" zugeordneten Bestandteile wird direkt in die Additionsmethode eingebracht. Einzelheiten der Additionsmethode sind in den Absatzen 2.4.4.6.1 bis 2.4.4.6.4 beschrieben.

2.4.4.5.2 Gemische werden oft aus einer Kombination sowohl von zugeordneten Bestandteilen (akute Giftigkeit 1 bis 3 und/oder chronische Giftigkeit 1 bis 4) als auch von Bestandteilen gebildet, fur die hinreichende Prüfdaten verfügbar sind. Wenn für mehr als einen Bestandteil des Gemisches hinreichende Daten für die Giftigkeit verfügbar sind, ist die kombinierte Giftigkeit dieser Bestandteile durch Verwendung der folgenden Summenformel zu berechnen; die berechnete Giftigkeit ist zu verwenden, um diesem Teil des Gemisches eine akute Gefahr der Giftigkeit zuzuordnen, die anschließend fur die Anwendung der Additionsmethode verwendet wird.

wobei:

Ci = Konzentration des Bestandteils i (Masseprozent);

L(E)C50 i = (mg/l) LC50- oder EC50-Wert des Bestandteils i;

n = Anzahl der Bestandteile, wobei i zwischen 1 und n liegt;

L(E)C50 m = L(E)C50-Wert des Teiles des Gemisches, für den Prüfdaten vorliegen.

2.4.4.5.3 Wenn für einen Teil des Gemisches die Summenformel angewendet wird, ist die Giftigkeit dieses Teils des Gemisches vorzugsweise unter Verwendung von Giftigkeitswerten für jeden Stoff zu berechnen, die sich auf dieselbe Art beziehen (d. h. Fische, Daphnien oder Algen), und dann die höchste erzielte Giftigkeit (niedrigster Wert) zu verwenden (d. h. die empfindlichste der drei Arten ist zu verwenden). Wenn sich jedoch die vorliegenden Giftigkeitsdaten für jeden Bestandteil nicht auf dieselbe Art beziehen, ist der Giftigkeitswert für jeden Bestandteil auf dieselbe Art und Weise auszuwählen, wie die Giftigkeitswerte für die Zuordnung von Stoffen ausgewählt werden, d. h. die höhere Giftigkeit (des empfindlichsten Prüforganismus) wird verwendet. Die berechnete akute Giftigkeit ist dann für die Zuordnung dieses Teils des Gemisches zur Kategorie der akuten Giftigkeit 1, 2 oder 3 unter Verwendung derselben, für Stoffe beschriebenen Kriterien zu verwenden.

2.4.4.5.4 Wenn ein Gemisch auf verschiedene Arten zugeordnet wird, ist die Methode zu verwenden, die das konservativste Ergebnis liefert.

2.4.4.6 Additionsmethode

2.4.4.6.1 Zuordnungsverfahren

Im Allgemeinen hebt eine strengere Zuordnung von Gemischen eine weniger strenge Zuordnung auf, d. h. eine Zuordnung zur Kategorie der chronischen Giftigkeit 1 hebt eine Zuordnung zur Kategorie der chronischen Giftigkeit 2 auf. Folglich ist das Zuordnungsverfahren bereits dann abgeschlossen, wenn das Ergebnis der Zuordnung die Kategorie der chronischen Giftigkeit 1 ist. Eine strengere Zuordnung als die Kategorie der chronischen Giftigkeit 1 ist nicht möglich, so dass es nicht erforderlich ist, das weitergehende Zuordnungsverfahren durchzuführen.

2.4.4.6.2 Zuordnung zur Kategorie der akuten Giftigkeit 1, 2 oder 3

2.4.4.6.2.1 Es sind alle Bestandteile, die der Kategorie der akuten Giftigkeit 1 zugeordnet sind, zu berücksichtigen. Wenn die Summe dieser Bestandteile größer als 25 % ist, ist das gesamte Gemisch der Kategorie der akuten Giftigkeit 1 zuzuordnen. Wenn das Ergebnis der Berechnung eine Zuordnung des Gemisches zur Kategorie der akuten Giftigkeit 1 ergibt, ist das Zuordnungsverfahren abgeschlossen.

2.4.4.6.2.2 In den Fällen, in denen das Gemisch nicht der Kategorie der akuten Giftigkeit 1 zugeordnet ist, ist die Zuordnung des Gemisches zur Kategorie der akuten Giftigkeit 2 zu berücksichtigen. Ein Gemisch ist der Kategorie der akuten Giftigkeit 2 zuzuordnen, wenn die zehnfache Summe aller der Kategorie der akuten Giftigkeit 1 zugeordneten Bestandteile plus die Summe aller der Kategorie der akuten Giftigkeit 2 zugeordneten Bestandteile größer als 25 % ist. Wenn das Ergebnis der Berechnung eine Zuordnung des Gemisches zur Kategorie der akuten Giftigkeit 2 ergibt, ist das Zuordnungsverfahren abgeschlossen.

2.4.4.6.2.3 Für den Fall, dass ein Gemisch weder der Kategorie der akuten Giftigkeit 1 noch 2 zugeordnet werden kann, ist die Zuordnung des Gemisches zur Kategorie der akuten Giftigkeit 3 zu berücksichtigen. Ein Gemisch ist der Kategorie der akuten Giftigkeit 3 zuzuordnen, wenn die hundertfache Summe aller der Kategorie der akuten Giftigkeit 1 zugeordneten Bestandteile plus die zehnfache Summe aller der Kategorie der akuten Giftigkeit 2 zugeordneten Bestandteile plus die Summe aller der Kategorie der akuten Giftigkeit 3 zugeordneten Bestandteile größer als 25 % ist.

2.4.4.6.2.4 Die Zuordnung von Gemischen nach ihrer akuten Giftigkeit auf der Grundlage dieser Addition der zugeordneten Bestandteile ist in der nachstehenden Tabelle 2.4.4.6.2.4 zusammengefasst.

Tabelle 2.4.4.6.2.4: Zuordnung eines Gemisches nach seiner akuten Giftigkeit auf der Grundlage der Addition der zugeordneten Bestandteile

Summe der Bestandteile, die der Kategorie ... zugeordnet sind Gemisch wird der Kategorie ... zugeordnet
Akute Giftigkeit 1 x M * Akute Giftigkeit 1
(M x 10 x akute Giftigkeit 1) + Akute Giftigkeit 2 Akute Giftigkeit 2
(M x 100 x akute Giftigkeit 1)
+ (10 x Akute Giftigkeit 2) + Akute Giftigkeit 3
Akute Giftigkeit 3
*) Für die Erläuterung des Faktors M siehe 2.4.4.6.4

2.4.4.6.3 Zuordnung zu den Kategorien der chronischen Giftigkeit 1, 2, 3 und 4

2.4.4.6.3.1 Zuerst sind alle Bestandteile, die der Kategorie der chronischen Giftigkeit 1 zugeordnet sind, zu berücksichtigen. Wenn die Summe dieser Bestandteile größer als 25 % ist, ist das Gemisch der Kategorie der chronischen Giftigkeit 1 zuzuordnen. Wenn das Ergebnis der Berechnung eine Zuordnung des Gemisches zur Kategorie der chronischen Giftigkeit 1 ergibt, ist das Zuordnungsverfahren abgeschlossen.

2.4.4.6.3.2 In den Fällen, in denen das Gemisch nicht der Kategorie der chronischen Giftigkeit 1 zugeordnet ist, ist die Zuordnung des Gemisches zur Kategorie der chronischen Giftigkeit 2 zu berücksichtigen. Ein Gemisch ist der Kategorie der chronischen Giftigkeit 2 zuzuordnen, wenn die zehnfache Summe aller der Kategorie der chronischen Giftigkeit 1 zugeordneten Bestandteile plus die Summe aller der Kategorie der chronischen Giftigkeit 2 zugeordneten Bestandteile größer als 25% ist. Wenn das Ergebnis der Berechnung eine Zuordnung des Gemisches zur Kategorie der chronischen Giftigkeit 2 ergibt, ist das Zuordnungsverfahren abgeschlossen.

2.4.4.6.3.3 Für den Fall, dass ein Gemisch weder der Kategorie der chronischen Giftigkeit 1 noch 2 zugeordnet werden kann, ist die Zuordnung des Gemisches zur Kategorie der chronischen Giftigkeit 3 zu berücksichtigen. Ein Gemisch ist der Kategorie der chronischen Giftigkeit 3 zuzuordnen, wenn die hundertfache Summe aller der Kategorie der chronischen Giftigkeit 1 zugeordneten Bestandteile plus die zehnfache Summe aller der Kategorie der chronischen Giftigkeit 2 zugeordneten Bestandteile plus die Summe aller der Kategorie der chronischen Giftigkeit 3 zugeordneten Bestandteile größer als 25 % ist.

2.4.4.6.3.4 Für den Fall, dass ein Gemisch keiner der ersten drei Kategorien zugeordnet werden kann, ist es im Rahmen des ADNR nicht notwendig zu prüfen, ob es der Kategorie chronische Giftigkeit 4 zuzuordnen ist. Ein Gemisch ist der Kategorie chronische Giftigkeit 4 zuzuordnen, wenn die Summe der Prozentsatze der in chronisch 1, 2, 3, 4 zugeordneten Bestandteile> 25 % ist.

2.4.4.6.3.5 Die Zuordnung von Gemischen nach ihrer chronischen Giftigkeit auf der Grundlage dieser Addition der zugeordneten Bestandteile ist in der nachstehenden Tabelle 2.4.4.6.3.4 zusammengefasst.

Tabelle 2.4.4.6.3.4: Zuordnung eines Gemisches nach seiner chronischen Giftigkeit auf der Grundlage der Addition der zugeordneten Bestandteile

Summe der Bestandteile, die der Kategorie ... zugeordnet sind Gemisch wird der Kategorie ... zugeordnet
Chronische Giftigkeit 1 x M* Chronische Giftigkeit 1
(M x 10 x chronische Giftigkeit 1) + Chronische Giftigkeit 2 Chronische Giftigkeit 2
(M x 100 x chronische Giftigkeit 1) + (10 x Chronische Giftigkeit 2) + Chronische Giftigkeit 3 Chronische Giftigkeit 3
Chronische Giftigkeit 1 + Chronische Giftigkeit 2 + Chronische Giftigkeit 3 + Chronische Giftigkeit 4 Chronische Giftigkeit 4
*) Für die Erläuterung des Faktors M siehe 2.4.4.6.4

2.4.4.6.4 Gemische mit hoch giftigen Bestandteilen

Bestandteile der Kategorie der akuten Giftigkeit 1 mit einer Giftigkeit weit unter 1 mg/l können die Giftigkeit des Gemisches beeinflussen und erhalten bei der Anwendung des Ansatzes der Addition der Zuordnung ein höheres Gewicht. Wenn ein Gemisch Bestandteile enthält, die der Kategorie der akuten oder chronischen Giftigkeit 1 zugeordnet sind, ist der in den Absätzen 2.4.4.6.2 und 2.4.4.6.3 beschriebene schrittweise Ansatz anzuwenden, wobei anstelle der reinen Aufaddierung von Prozentsätzen eine gewichtete Summe verwendet wird, die durch Multiplikation der Konzentrationen der Bestandteile der Kategorie der akuten Giftigkeit 1 durch einen Faktor gebildet wird. Dies bedeutet, dass die Konzentration der "akuten Giftigkeit 1" in der linken Spalte der Tabelle 2.4.4.6.2.4 und die Konzentrationen der "chronischen Giftigkeit 1" in der linken Spalte der Tabelle 2.4.4.6.3.4 durch den entsprechenden Multiplikationsfaktor multipliziert werden. Der für diese Bestandteile anzuwendende Multiplikationsfaktor wird, wie in der nachstehenden Tabelle 2.4.4.6.4 zusammengefasst, unter Verwendung des Giftigkeitswertes definiert. Um ein Gemisch mit Bestandteilen der akuten Giftigkeit 1 und/oder der chronischen Giftigkeit 1 zuzuordnen, muss aus diesem Grund der Zuordnende für die Anwendung der Additionsmethode über den Wert des Faktors M informiert sein. Alternativ darf die Additionsformel (Absatz 2.4.4.5.2) verwendet werden, wenn Giftigkeitsdaten für alle hoch giftigen Bestandteile des Gemisches verfügbar sind und überzeugende Beweise dafür vorliegen, dass alle anderen Bestandteile, einschließlich derer, für die spezifische Daten für die akute Giftigkeit nicht vorliegen, eine geringe oder gar keine Giftigkeit aufweisen und nicht bedeutend zur Umweltgefährdung des Gemisches beitragen.

Tabelle 2.4.4.6.4: Multiplikationsfaktoren für hoch giftige Bestandteile von Gemischen

L(E)C50-Wert Multiplikationsfaktor (M)
0,1 <L(E)C50< 1 1
0,01 <L(E)C50< 0,1 10
0,001 <L(E)C50< 0,01 100
0,0001 <L(E)C50< 0,001 1000
0,00001 <L(E)C50< 0,0001 10000
(Fortsetzung in Intervallen mit dem Faktor 10)

2.4.4.6.5 Zuordnung von Gemischen mit Bestandteilen ohne verwertbare Information

Für den Fall, dass für einen oder mehrere relevante Bestandteile keine verwertbaren Informationen über die akute und/oder die chronische Wassergefährdung verfügbar sind, wird daraus geschlossen, dass das Gemisch keiner (keinen) definitiven Gefahrenkategorie(n) zugeordnet werden kann. In diesem Fall ist das Gemisch nur auf der Grundlage der bekannten Bestandteile zuzuordnen.

Fußnoten Teil 2

1) EVI = explosive, very insensitive

2) EEI = explosive, extremely insensitive

3) Bestimmung der Viskosität: Wenn der betreffende Stoff sich nicht newtonisch verhält oder wenn die Auslaufbecher-Methode zur Bestimmung der Viskosität ungeeignet ist, muss ein Viskosimeter mit variabler Schergeschwindigkeit verwendet werden, um den Koeffizienten der dynamischen Viskosität des Stoffes bei 23 °C bei einer Anzahl von Schergeschwindigkeiten zu bestimmen; die ermittelten Werte müssen in Abhängigkeit von den Schergeschwindigkeiten auf eine Schergeschwindigkeit 0 extrapoliert werden. Die auf diese Weise festgestellte dynamische Viskosität, dividiert durch die Dichte, ergibt die scheinbare kinematische Viskosität bei einer Schergeschwindigkeit nahe 0.

4) Metalle und Metalllegierungen in Pulverform oder anderer entzündbarer Form, die selbstentzündlich sind, sind Stoffe der Klasse 4.2.

5) Metalle und Metalllegierungen in Pulverform oder anderer entzündbarer Form, die in Berührung mit Wasser entzündliche Gase entwickeln, sind Stoffe der Klasse 4.3.

6) Metallhydride, die in Berührung mit Wasser entzündbare Gase entwickeln, sind Stoffe der Klasse 4.3. Aluminiumborhydrid oder Aluminiumborhydrid in Geräten ist ein Stoff der Klasse 4.2 UN-Nummer 2870.

7) Staub und Pulver von Metallen, nicht giftig, in nicht selbstentzündlicher Form, die jedoch in Berührung mit Wasser entzündbare Gase entwickeln, sind Stoffe der Klasse 4.3.

8) Metallhydride in entzündbarer Form mit Ausnahme von UN-Nummer 2870 sind Stoffe der Klasse 4.1.

9) Metallhydride, die in Berührung mit Wasser entzündbare Gase entwickeln, sind Stoffe der Klasse 4.3.

10) Entzündbare Lösungen mit metallorganischen Verbindungen, die nicht selbstentzündlich sind und in Berührung mit Wasser keine entzündbaren Gase entwickeln, sind Stoffe der Klasse 3. Metallorganische Verbindungen sowie ihre Lösungen, die nicht selbstentzündlich sind, jedoch in Berührung mit Wasser entzündbare Gase entwickeln, sind Stoffe der Klasse 4.3.

11) Metalle und Metalllegierungen, die in Berührung mit Wasser keine entzündbaren Gase entwickeln, nicht pyrophor oder selbsterhitzungsfähig, aber leicht entzündbar sind, sind Stoffe der Klasse 4.1. Erdalkalimetalle und Erdalkalimetalllegierungen in pyrophorer Form sind Stoffe der Klasse 4.2. Staub und Pulver von Metallen in pyrophorem Zustand sind Stoffe der Klasse 4.2. Metalle und Metalllegierungen in pyrophorem Zustand sind Stoffe der Klasse 4.2. Verbindungen von Phosphor mit Schwermetallen wie Eisen, Kupfer usw. unterliegen nicht den Vorschriften des ADNR.

12) Entzündbare Lösungen mit metallorganischen Verbindungen in Konzentrationen, die in Berührung mit Wasser weder entzündbare Gase in gefährlicher Menge entwickeln, noch selbstentzündlich sind, sind Stoffe der Klasse 3. Metallorganische Verbindungen und deren Lösungen, die selbstentzündlich sind, sind Stoffe der Klasse 4.2.

13) Metalle und Metalllegierungen in pyrophorem Zustand sind Stoffe der Klasse 4.2.

14) Chlorsilane mit einem Flammpunkt unter 23 °C, die in Berührung mit Wasser keine entzündbaren Gase entwickeln, sind Stoffe der Klasse 3. Chlorsilane mit einem Flammpunkt von 23 °C oder darüber, die in Berührung mit Wasser keine entzündbaren Gase entwickeln, sind Stoffe der Klasse 8.

15) Self-Accelerating Decomposition Temperatur (SADT).

16) Stoffe zur Herstellung von Tränengasen sind der Verpackungsgruppe II zu zuordnen, selbst wenn die Daten über ihre Giftigkeit den Kriterien der Verpackungsgruppe III entsprechen.

17) Richtlinie 67/548/EWG des Rates der Europäischen Gemeinschaften vom 27. Juni 1967 zur Angleichung der Rechts- und Verwaltungsvorschriften der Mitgliedstaaten (der Europäischen Gemeinschaften) für die Einstufung, Verpackung und Kennzeichnung gefährlicher Stoffe, veröffentlicht im Amtsblatt der Europäischen Gemeinschaften Nr. L 196 vom 16.08.1967, Seite 1.

18) Richtlinie 1999/45/EG des Europäischen Parlaments und des Rates vom 31. Mai 1999 zur Angleichung der Rechts- und Verwaltungsvorschriften der Mitgliedstaaten für die Einstufung, Verpackung und Kennzeichnung gefährlicher Zubereitungen (Amtsblatt der Europäischen Gemeinschaften Nr. L 200 vom 30. Juli 1999, Seiten 1 bis 68).

19) Stoffe und Zubereitungen zur Schädlingsbekämpfung, die Alkaloide oder Nicotin enthalten, sind den Eintragungen UN 2588 PESTIZID, FEST, GIFTIG, N.A.G., UN 2902 PESTIZID, FLÜSSIG, GIFTIG, N.A.G. oder UN 2903 PESTIZID, FLÜSSIG, GIFTIG, ENTZÜNDBAR, N.A.G. zugeordnet.

20) Gebrauchsfertige Arzneimittel, z.B. Kosmetika und Medikamente, die für den persönlichen Verbrauch hergestellt und in Handels- oder Haushaltspackungen abgepackt sind und die sonst Wirkstoffe wären, die für Labor- und Versuchszwecke sowie zur Herstellung von Arzneimitteln bestimmt sind, unterliegen nicht den Vorschriften des ADNR.

21) Wirkstoffe sowie Verreibungen oder Mischungen, die für Labor- und Versuchszwecke sowie zur Herstellung von Arzneimitteln bestimmt sind, mit anderen Stoffen sind entsprechend ihrer Toxizität zuzuordnen (siehe 2.2.61.1.7 bis 2.2.61. 1.11).

22) Schwach giftige selbsterhitzungsfähige Stoffe und selbstentzündliche metallorganische Verbindungen sind Stoffe der Klasse 4.2.

23) Schwach giftige Stoffe, die in Berührung mit Wasser entzündbare Gase entwickeln, und metallorganische Verbindungen, die in Berührung mit Wasser entzündbare Gase entwickeln, sind Stoffe der Klasse 4.3.

24) Quecksilberfulminate, angefeuchtet mit mindestens 20 Masse-% Wasser oder einer Alkohol/Wassermischung ist ein Stoff der Klasse 1 UN-Nummer 0135.

25) Die Ferricyanide, Ferrocyanide sowie die Alkali- und Ammoniumthiocyanate (Rhodanide) unterliegen nicht den Vorschriften des ADNR.

26) Bleisalze und Bleipigmente, die, wenn sie im Verhältnis von 1:1000 mit 0,07M-Salzsäure gemischt bei einer Temperatur von 23 °C ± 2 °C während einer Stunde umgerührt werden, eine Löslichkeit von höchstens 5 % aufweisen, unterliegen nicht den Vorschriften des ADNR.

27) Gemische fester Stoffe, die den Vorschriften des ADNR nicht unterliegen, mit giftigen flüssigen Stoffen dürfen unter der UN-Nummer 3243 befördert werden, ohne dass zuvor die Klassifizierungskriterien der Klasse 6.1 angewendet werden, vorausgesetzt, zum Zeitpunkt des Verladens des Stoffes oder des Verschließens der Verpackung, des Containers oder der Beförderungseinheit ist keine freie Flüssigkeit sichtbar. Jede Verpackung muss einer Bauart entsprechen, die erfolgreich eine Dichtheitsprüfung für die Verpackungsgruppe II bestanden hat. Diese Eintragung darf nicht für feste Stoffe verwendet werden, die einen flüssigen Stoff der Verpackungsgruppe I enthalten.

28) Sehr giftige oder giftige entzündbare flüssige Stoffe mit einem Flammpunkt unter 23 °C - ausgenommen Stoffe, die beim Einatmen sehr giftig sind, d.h. die UN-Nummern 1051, 1092, 1098, 1143, 1163, 1182, 1185, 1238, 1239, 1244, 1251, 1259, 1613, 1614, 1695, 1994, 2334, 2382, 2407, 2438, 2480, 2482, 2484, 2485, 2606, 2929, 3279 und 3294 - sind Stoffe der Klasse 3.

29) Schwach giftige entzündbare flüssige Stoffe mit einem Flammpunkt von 23.°C bis einschließlich 60 °C, mit Ausnahme der Mittel zur Schädlingsbekämpfung, sind Stoffe der Klasse 3.

30) Die Metallphosphide der UN-Nummern 1360, 1397, 1432, 1714, 2011 und 2013 sind Stoffe der Klasse 4.3.

31) Schwach giftige entzündend (oxidierend) wirkende Stoffe sind Stoffe der Klasse 5.1.

32) Schwach giftige schwach ätzende Stoffe sind Stoffe der Klasse B.

33) Siehe auch Richtlinie 90/219/EWG, Amtsblatt der Europäischen Gemeinschaften Nr. L 117 vom 8. Mai 1990, Seite 1.

34) Regelungen dazu bestehen z.B. in der Richtlinie 91/628/EWG (Amtsblatt der Europäischen Gemeinschaften Nr. L 340 vom 11. Dezember 1991, Seite 17) und in den Empfehlungen des Europarates (Ministerkomitee) für den Transport bestimmter Tiergattungen.

35) Die Buchstaben ≪LSA≫ sind die Abkürzung des englischen Ausdrucks ≪Low Specific Activity≫.

36) Die Buchstaben ≪SCO≫ sind die Abkürzung des englischen Ausdrucks ≪Surface Contaminated Object≫.

37) ----

38) OECD Guidelines for Testing of Chemicals, Guideline 404, ≪Acute Dermal Irritation/Corrosion≫ (1992).

39) Richtlinie 67/548/EWG des Rates der Europäischen Gemeinschaften vom 27. Juni 1967 zur Angleichung der Rechts- und Verwaltungsvorschriften der Mitgliedstaaten (der Europäischen Gemeinschaften) für die Einstufung, Verpackung und Kennzeichnung gefährlicher Stoffe, veröffentlicht im Amtsblatt der Europäischen Gemeinschaften Nr. L 196 vom 16.08.1967, Seite 1.

40) Richtlinie 88/379/EWG des Rates der Europäischen Gemeinschaften vom 7. Juni 1988 zur Angleichung der Rechts- und Verwaltungsvorschriften der Mitgliedstaaten (der Europäischen Gemeinschaften) für die Einstufung, Verpackung und Kennzeichnung gefährlicher Zubereitungen, veröffentlicht im Amtsblatt der Europäischen Gemeinschaften Nr. L 187 vom 16.07.1988, Seite 14.

41) Gemische fester Stoffe, die den Vorschriften des ADNR nicht unterliegen, mit ätzenden flüssigen Stoffen dürfen unter der UN-Nummer 3244 befördert werden, ohne dass zuvor die Zuordnungskriterien der Klasse 8 angewendet werden, vorausgesetzt, zum Zeitpunkt des Verladens des Stoffes oder des Verschließens der Verpackung, des Containers oder der Beförderungseinheit ist keine freie Flüssigkeit sichtbar. Jede Verpackung muss einer Bauart entsprechen, die erfolgreich eine Dichtheitsprüfung für die Verpackungsgruppe II bestanden hat.

42) Entzündbare ätzende flüssige Stoffe mit einem Flammpunkt unter 23 °C, ausgenommen Stoffe der UNNummern 2734 und 2920, sind Stoffe der Klasse 3.

43) Entzündbare schwach ätzende flüssige Stoffe mit einem Flammpunkt von 23 °C bis einschließlich 61 °C sind Stoffe der Klasse 3.

44) Chlorsilane, die mit Wasser oder an feuchter Luft entzündbare Gase entwickeln, sind Stoffe der Klasse 4.3.

45) Chlorformiate mit vorwiegend giftigen Eigenschaften sind Stoffe der Klasse 6.1.

46) Ätzende Stoffe, die nach 2.2.61.1.4 bis 2.2.61.1.9 beim Einatmen sehr giftig sind, sind Stoffe der Klasse 6.1.

47) UN 1690 NATRIUMFLUORID, FEST, UN 1812 KALIUMFLUORID, FEST, UN 2505 AMMONIUMFLUORID, UN 2674 NATRIUMFLUOROSILICAT und UN 2856 FLUOROSILICATE, N.A.G., UN 3415 NATRIUMFLUORID, LÖSUNG und UN 3422 KALIUMFLUORID, LÖSUNG sind Stoffe der Klasse 6.1.

48) Siehe insbesondere Teil C der Richtlinie 90/220/EWG (Amtsblatt der Europäischen Gemeinschaften Nr. L 117 vom 8. Mai 1990, Seiten 18 bis 20), in dem die Genehmigungsverfahren für die Europäischen Gemeinschaften festgelegt sind.

49) Entscheidung der Kommission 2000/532/EG vom 3. Mai 2000 zur Ersetzung der Entscheidung 94/3/EG über ein Abfallverzeichnis gemäß Artikel 1 Buchstabe a) der Richtlinie 75/442/EWG des Rates über Abfälle [ersetzt durch Richtlinie 2006/12/EG des Europäischen Parlaments und des Rates (Amtsblatt der Europäischen Gemeinschaften Nr. L 114 vom 27. April 2006, Seite 9)] und der Entscheidung 94/904/EG des Rates über ein Verzeichnis gefährlicher Abfälle im Sinne von Artikel 1 Absatz 4 der Richtlinie 91/689/EWG des Rates über gefährliche Abfälle (Amtsblatt der Europäischen Gemeinschaften Nr. L 226 vom 6. September 2000, Seite 3).

50) Regelungen für Tiertransporte sind enthalten z.B. in der Richtlinie 91/628/EWG vom 19. November 1991 über den Schutz von Tieren beim Transport (Amtsblatt der Europäischen Gemeinschaften Nr. L 340 vom 11. Dezember 1991, Seite 17) und in den Empfehlungen des Europarates (Ministerkomitee) für den Transport bestimmter Tiergattungen.

51) Vorschriften zu toten infizierten Tieren bestehen z.B. in der Verordnung (EG) Nr. 1774/2002 des Europäischen Parlaments und des Rates vom 3. Oktober 2002 mit Hygienevorschriften für nicht für den menschlichen Verzehr bestimmte tierische Nebenprodukte (Amtsblatt der Europäischen Gemeinschaften Nr. L273 vom 10.Oktober 2002, Seite 1).

52) Ein alphabetisches Verzeichnis dieser Eintragungen wurde vom Sekretariat erstellt und ist in Kapitel 3.2 Tabelle B enthalten. Diese Tabelle ist kein offizieller Teil des ADNR.

53) Zu diesen Rechtsvorschriften gehört zum Beispiel die Entscheidung der Kommission 2000/532/EG vom 3. Mai 2000 zur Ersetzung der Entscheidung 94/3/EG über ein Abfallverzeichnis gemäß Artikel 1 Buchstabe a) der Richtlinie 75/442/EWG des Rates über Abfälle (ersetzt durch Richtlinie 2006/12/EG des Europäischen Parlaments und des Rates, veröffentlicht im Amtsblatt der Europäischen Gemeinschaften Nr. L 114 vom 27. April 2006, Seite 9) und der Entscheidung 94/904/EG des Rates über ein Verzeichnis gefährlicher Abfälle im Sinne von Artikel 1 Absatz 4 der Richtlinie 91/689/EWG des Rates über gefährliche Abfälle (Amtsblatt der Europäischen Gemeinschaften Nr. L 226 vom 6. September 2000, Seite 3).

54) Amtsblatt der Europäischen Gemeinschaften Nr. 196 vom 16. August 1967, Seiten 1 bis 5.

55) Amtsblatt der Europäischen Gemeinschaften Nr. L 200 vom 30. Juli 1999, Seiten 1 bis 68.

56) Siehe insbesondere Teil C der Richtlinie 2001/18/EG des Europäischen Parlaments und des Rates über die absichtliche Freisetzung genetisch veränderter Organismen in die Umwelt und zur Aufhebung der Richtlinie 90/220/EWG des Rates (Amtsblatt der Europäischen Gemeinschaften Nr. L 106 vom 17. April 2001, Seiten 8 bis 14), in dem die Genehmigungsverfahren für die Europäischen Gemeinschaften festgelegt sind.

57) Davon werden wasserverunreinigende Stoffe, für die es notwendig sein kann, die Auswirkungen über die aquatische Umwelt hinaus, wie z.B. auf die menschliche Gesundheit, zu betrachten, nicht erfasst.

58) Diese sind in Anlage 10 des GHS enthalten.

59) Eine besondere Anleitung für die Interpretation der Daten ist in Kapitel 4.1 und Anlage 9 des GHS enthalten.

Teil 3
Verzeichnisse der gefährlichen Güter, Sondervorschriften und Freistellungen in Zusammenhang mit begrenzten Mengen und freigestellten Mengen

3.1 Allgemeines

3.1.1 Einführung

Neben den Vorschriften, die in den Tabellen dieses Teils angegeben sind oder auf die verwiesen wird, sind die allgemeinen Vorschriften jedes Teils zu beachten. Diese allgemeinen Vorschriften sind in den Tabellen nicht angegeben. Wenn eine allgemeine Vorschrift in Widerspruch zu einer Sondervorschrift steht, hat die Sondervorschrift Vorrang.

3.1.2 Offizielle Benennung für die Beförderung

Bem. Wegen der offiziellen Benennungen für die Beförderung, die für die Beförderung von Proben verwendet werden, siehe 2.1.4.1.

3.1.2.1 Die offizielle Benennung für die Beförderung ist derjenige Teil der Eintragung, der die Güter in Kapitel 3.2 Tabelle A oder C am genauesten beschreibt und in Großbuchstaben erscheint (Zahlen, griechische Buchstaben und die Angaben in Kleinbuchstaben ≪sec-≫, ≪tert-≫, ≪m-≫, ≪n-≫, ≪o-≫ und ≪p-≫ sind Bestandteil der Benennung). Die Angabe zum Dampfdruck und zum Siedepunkt in Kapitel 3.2, Tabelle C, Spalte (2) ist Teil der offiziellen Benennung für die Beförderung. Nach der vorwiegend verwendeten offiziellen Benennung für die Beförderung kann eine alternative offizielle Benennung für die Beförderung in Klammern in Großbuchstaben angegeben sein (z.B. ETHANOL (ETHYLALKOHOL)). In Tabelle C ist die alternative offizielle Benennung in Kleinbuchstaben angegeben (z.B. ACETONITRIL (Methylcyanid)). Sofern nicht vorstehend anderes bestimmt ist, gelten Teile der Eintragung, die in Kleinbuchstaben angegeben sind, nicht als Bestandteil der offiziellen Benennung für die Beförderung.

3.1.2.2 Wenn die Konjunktionen ≪und≫ oder ≪oder≫ in Kleinbuchstaben angegeben oder Teile der Benennung durch Kommas getrennt sind, muss im Beförderungspapier oder auf der Kennzeichnung des Versandstücks nicht unbedingt die vollständige Benennung angegeben werden. Dies ist insbesondere der Fall, wenn unter ein und derselben UN-Nummer mehrere verschiedene Eintragungen erscheinen. Folgende Beispiele veranschaulichen die Auswahl der offiziellen Benennung für die Beförderung in derartigen Fällen:

  1. UN 1057 FEUERZEUGE oder NACHFÜLLPATRONEN FÜR FEUERZEUGE - Die offizielle Benennung für die Beförderung ist diejenige der nachstehenden Benennungen, die am besten geeignet ist:
    FEUERZEUGE
    NACHFÜLLPATRONEN FÜR FEUERZEUGE;
  2. UN 2793 METALLISCHES EISEN als BOHRSPÄNE, FRÄSSPÄNE, DREHSPÄNE, ABFÄLLE in selbsterhitzungsfähiger Form. Die offizielle Benennung für die Beförderung ist die am besten geeignete der nachstehenden Kombinationen:
    METALLISCHES EISEN, BOHRSPÄNE
    METALLISCHES EISEN, FRÄSSPÄNE
    METALLISCHES EISEN, DREHSPÄNE
    METALLISCHES EISEN, ABFÄLLE

3.1.2.3 Die offizielle Benennung für die Beförderung darf im Singular oder im Plural verwendet werden. Wenn diese Benennung zur näheren Bestimmung Begriffe enthält, ist außerdem die Reihenfolge dieser Begriffe im Beförderungspapier oder in den Kennzeichnungen der Versandstücke freigestellt. Zum Beispiel darf anstelle von ≪DIMETHYLAMIN, WÄSSERIGE LÖSUNG≫ alternativ angegeben werden ≪WÄSSERIGE LÖSUNG VON DIMETHYLAMIN≫. Für Güter der Klasse 1 dürfen Handelsnamen oder militärische Benennungen verwendet werden, welche die durch einen beschreibenden Wortlaut ergänzte offizielle Benennung enthalten.

3.1.2.4 Zahlreiche Stoffe haben sowohl eine Eintragung für den flüssigen und festen Zustand (siehe Begriffsbestimmungen für flüssigen und festen Stoff in 1.2.1) als auch für den festen Stoff und die Lösung. Diese sind verschiedenen UN-Nummern zugeordnet, die nicht unbedingt nacheinander erscheinen. (Einzelheiten sind aus dem alphabetischen Verzeichnis (3.2 Tabelle B) ersichtlich, z.B.: NITROXYLENE, FLÜSSIG 1665
NITROXYLENE, FEST 3447)

3.1.2.5 Wird ein Stoff, der gemäß Begriffsbestimmung in 1.2.1 ein fester Stoff ist, in geschmolzenem Zustand befördert oder zur Beförderung aufgegeben, ist die offizielle Benennung für die Beförderung durch die Präzisierung ≪GESCHMOLZEN≫ zu ergänzen, sofern dies nicht bereits in Großbuchstaben in Kapitel 3.2 Tabelle A oder C angegebenen Benennung enthalten ist (z.B. ALKYLPHENOL, FEST, N.A.G., GESCHMOLZEN).

3.1.2.6 Mit Ausnahme der selbstzersetzlichen Stoffe und der organischen Peroxide und mit Ausnahme der Fälle, in denen der Ausdruck ≪STABILISIERT≫ bereits in der in Kapitel 3.2 Tabelle A Spalte (2) angegebenen Benennung in Großbuchstaben angegeben ist, ist bei einem Stoff, der auf Grund der Vorschriften in den 2.2.x.2 ohne Stabilisierung für die Beförderung verboten wäre, da er unter normalen Beförderungsbedingungen in der Lage ist, gefährlich zu reagieren, der Ausdruck ≪STABILISIERT≫ als Teil der offiziellen Benennung für die Beförderung hinzuzufügen (z.B. ≪GIFTIGER ORGANISCHER FLÜSSIGER STOFF, N.A.G., STABILISIERT≫).

Wenn für die Stabilisierung eines solchen Stoffes eine Temperaturkontrolle angewendet wird, um die Entwicklung eines gefährlichen Überdrucks zu verhindern, gilt Folgendes:

  1. für flüssige Stoffe: (siehe 3.1.2.6 ADR)
  2. für Gase: die Beförderungsbedingungen sind von der zuständigen Behörde zu genehmigen.

3.1.2.7 Hydrate dürfen unter der offiziellen Benennung für die Beförderung des wasserfreien Stoffes befördert werden.

3.1.2.8 Benennungen der Gattungseintragungen oder der ≪nicht anderweitig genannten≫ (n.a.g.) Eintragungen

3.1.2.8.1 Die offiziellen Benennungen für die Beförderung von Gattungseintragungen und "nicht anderweitig genannten" Eintragungen, denen in 3.2 Tabelle A Spalte (6) die Sondervorschrift 274 oder in 3.2 Tabelle C Spalte (20) die Bemerkung 27 zugeordnet ist, sind mit der technischen Benennung des Gutes zu ergänzen, sofern nicht ein nationales Gesetz oder ein internationales Übereinkommen bei Stoffen, die einer Kontrolle unterstehen, die genaue Beschreibung verbietet. Bei explosiven Stoffen und Gegenständen mit Explosivstoff der Klasse 1 darf die Beschreibung der gefährlichen Güter durch eine zusätzliche Beschreibung für die Angabe der Handelsnamen oder der militärischen Benennungen ergänzt werden. Die technischen Benennungen sind unmittelbar nach der offiziellen Benennung für die Beförderung in Klammern anzugeben. Eine geeignete nähere Bestimmung, wie ≪enthält≫ oder ≪enthaltendet≫, oder andere bezeichnende Ausdrücke, wie ≪Gemisch≫, ≪Lösung≫, usw., und der Prozentsatz des technischen Bestandteils dürfen ebenfalls verwendet werden. Zum Beispiel: ≪UN 1993 ENTZÜNDBARER FLÜSSIGER STOFF N.A.G. (ENTHÄLT XYLEN UND BENZEN), 3, II≫.

3.1.2.8.1.1 Die technische Benennung ist eine anerkannte chemische Benennung, gegebenenfalls eine anerkannte biologische Benennung oder eine Benennung, die üblicherweise in wissenschaftlichen und technischen Handbüchern, Zeitschriften und Texten verwendet wird. Handelsnamen dürfen zu diesem Zweck nicht verwendet werden. Bei Mitteln zur Schädlingsbekämpfung (Pestiziden) darf (dürfen) nur die allgemein gebräuchliche(n) ISO-Benennung(en), (eine) andere Benennung(en) gemäß ≪The WHO Recommended Classification of Pestizides by Hazard and Guidelines to Classification≫ oder die Benennung(en) des (der) aktiven Bestandteils (Bestandteile) verwendet werden.

3.1.2.8.1.2 Wenn ein Gemisch gefährlicher Güter durch eine der ≪N.A.G.-≫ oder ≪Gattungseintragungen≫ beschrieben wird, denen in Kapitel 3.2 Tabelle A Spalte (6) die Sondervorschrift 274 oder in Kapitel 3.2 Tabelle C Spalte (20) die Bemerkung 27 zugeordnet ist, brauchen nicht mehr als zwei Komponenten angegeben zu werden, die für die Gefahr(en) des Gemisches maßgebend sind, ausgenommen Stoffe, die einer Kontrolle unterstehen und deren genaue Beschreibung durch ein nationales Gesetz oder ein internationales Übereinkommen verboten ist. Ist das Versandstück, das ein Gemisch enthält, mit einem Gefahrzettel für die Nebengefahr versehen, muss eine der beiden in Klammern angegebenen technischen Benennungen die Benennung der Komponente sein, welche die Verwendung des Gefahrzettels für die Nebengefahr erforderlich macht.

Bem. Siehe 5.4.1.2.2.

3.1.2.8.1.3 Folgende Beispiele veranschaulichen, wie bei den n.a.g.-Eintragungen die offizielle Benennung für die Beförderung durch die technische Benennung ergänzt wird:

UN 2902 PESTIZID, FLÜSSIG, GIFTIG, N.A.G. (Drazoxolon).

UN 3394 PYROPHORER METALLORGANISCHER FLÜSSIGER STOFF, MIT WASSER REAGIEREND (Trimethylgallium)

3.1.2.8.1.4 Folgende Beispiele veranschaulichen, wie bei den n.a.g.-Eintragungen für die Beförderung in Tankschiffen die Angabe des Dampfdrucks oder Siedepunkts in die offizielle Benennung für die Beförderung eingefügt wird:

UN 1268 ERDÖLDESTILLATE, N.A.G.,110 kPa < pD50< 150 kPa;

UN 1993 ENTZÜNDBARER FLÜSSIGER STOFF, N.A.G., (ACETON, MIT MEHR ALS 10% BENZEN) pD50< 110 kPa, 85 °C < SIEDEPUNKT< 115 °C.

3.1.2.9 Gemische und Lösungen, die einen gefährlichen Stoff enthalten

Wenn nach den Klassifizierungsvorschriften von 2.1.3.3 Gemische und Lösungen wie der namentlich genannte Stoff anzusehen sind, ist die Ergänzung ≪LÖSUNG≫ bzw. ≪GEMISCH≫ als Teil der offiziellen Benennung für die Beförderung hinzuzufügen, z.B. ≪ACETON, LÖSUNG≫. Darüber hinaus darf auch die Konzentration der Lösung oder des Gemisches angegeben werden, z.B. ≪ACETON, LÖSUNG, 75 %≫.

weiter .

umwelt-online - Demo-Version


(Stand: 27.05.2021)

Alle vollständigen Texte in der aktuellen Fassung im Jahresabonnement
Nutzungsgebühr: ab 105.- € netto

(derzeit ca. 7200 Titel s.Übersicht - keine Unterteilung in Fachbereiche)

Preise & Bestellung

Die Zugangskennung wird kurzfristig übermittelt

? Fragen ?
Abonnentenzugang/Volltextversion