umwelt-online: ADR/RID Teil 2 Klassifizierung (15)

ADR/RID - Teil 2 Klassifizierung

Kapitel 2.3
Prüfverfahren


zurück

2.3.0 Allgemeines

Sofern in Kapitel 2.2 oder in diesem Kapitel nichts anderes vorgeschrieben ist, entsprechen die für die Klassifizierung gefährlicher Güter verwendeten Prüfverfahren denen, die im Handbuch Prüfungen und Kriterien beschrieben sind.

2.3.1 Prüfung auf Ausschwitzen für Sprengstoffe des Typs A

2.3.1.1 UN 0081 Sprengstoffe Typ a müssen, wenn sie einen Gehalt an flüssigem Salpetersäureester von mehr als 40 % aufweisen, zusätzlich zu der im Handbuch Prüfungen und Kriterien erwähnten Prüfung noch der nachstehenden Prüfung auf Ausschwitzen genügen.

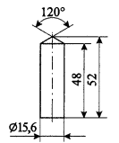
2.3.1.2 Der Apparat für die Prüfung der Sprengstoffe auf Ausschwitzen (Abbildungen 1 bis 3) besteht aus einem hohlen Bronzezylinder. Dieser Zylinder, der an einer Seite durch eine Platte aus dem gleichen Metall verschlossen ist, hat einen inneren Durchmesser von 15,7 mm und eine Tiefe von 40 mm. Er weist an der Wand 20 Löcher von je 0,5 mm Durchmesser (4 Reihen zu 5 Löchern) auf. Ein auf einer Länge von 48 mm zylindrisch gestalteter Bronzekolben, dessen Gesamtlänge 52 mm beträgt, kann in den senkrecht gestellten Zylinder hineingleiten; dieser Kolben, dessen Durchmesser 15,6 mm beträgt, wird mit einer Masse von 2220 g belastet, so dass ein Druck von 120 kPa (1,2 bar) auf den Zylinderboden ausgeübt wird.

2.3.1.3 Man bildet aus 5 Gramm bis 8 Gramm Sprengstoff einen kleinen Wulst von 30 mm Länge und 15 mm Durchmesser, den man mit ganz feiner Gaze umgibt und in den Zylinder bringt; dann setzt man den Kolben und die Belastungsmasse darauf, damit der Sprengstoff einem Druck von 120 kPa (1,2 bar) ausgesetzt wird.

Man notiert die Zeit, die es braucht, bis die ersten öligen Tröpfchen (Nitroglycerin) an der Außenseite der Löcher des Zylinders erscheinen.

2.3.1.4 Wenn bei einem bei 15 °C bis 25 °C durchgeführten Versuch die ersten Tröpfchen erst nach einem Zeitraum von mehr als fünf Minuten erscheinen, entspricht der Sprengstoff den Bedingungen.

Prüfung der Sprengstoffe auf Ausschwitzen

Abb. 1: Belastungskörper, glockenförmig; Masse 2220 g;
aufhängbar auf Bronzekolben
Abb. 3: Hohler Bronzezylinder, einseitig
verschlossen Aufriss und Grundriss; Maße in mm
Abb. 2: Zylindrischer Bronzekolben; Maße in mm
zu Abbildungen 1 bis 3:
(1) 4 Reihen zu 5 Löchern mit einem Durchmesser von 0,5 mm
(2) Kupfer
(3) Bleiplatte mit zentrischem Konus an der Unterseite
(4) 4 Öffnungen, ca. 46 mm x 56 mm, gleichmäßig auf Umfang verteilt

2.3.2 Prüfungen bezüglich der nitrierten Cellulosemischungen der Klasse 1 und

der Klasse 4.1

2.3.2.1 Zur Feststellung der Kriterien der Nitrocellulose muss der Bergmann-Junk-Test oder der Methylviolettpapier-Test im Handbuch Prüfungen und Kriterien Anhang 10 (siehe Kapitel 3.3 Sondervorschriften 393 und 394) durchgeführt werden. Wenn Zweifel daran bestehen, dass die Entzündungstemperatur der Nitrocellulose im Falle des Bergmann-Junk-Tests deutlich höher als 132 °C oder im Falle des Methylviolettpapier-Tests deutlich höher als 134,5 °C ist, sollte vor der Durchführung dieser Tests der in Abschnitt 2.3.2.5 beschriebene Test der Entzündungstemperatur durchgeführt werden. Wenn die Entzündungstemperatur von Nitrocellulosemischungen über 180 °C oder die Entzündungstemperatur von plastifizierter Nitrocellulose über 170 °C liegt, kann der Bergmann-Junk-Test oder der Methylviolettpapier-Test sicher durchgeführt werden.

2.3.2.2 Vor den Prüfungen nach Unterabschnitt 2.3.2.5 müssen die Proben während mindestens 15 Stunden in einem mit geschmolzenem und gekörntem Chlorcalcium beschickten Vakuum-Exsikkator bei Raumtemperatur getrocknet werden, wobei die Probe in dünner Schicht ausgelegt wird; zu diesem Zwecke müssen die Proben, die weder pulverförmig noch faserig sind, entweder zu Stücken mit kleinen Abmessungen zerbrochen, geraspelt oder geschnitten werden. Der Druck muss im Exsikkator unter 6,5 kPa (0,065 bar) gehalten werden.

2.3.2.3 Vor der unter den Bedingungen des Unterabschnitts 2.3.2.2 vorzunehmenden Trocknung muss plastifizierte Nitrocellulose einer Vortrocknung in einem Trockenschrank mit guter Durchlüftung, dessen Temperatur auf 70 °C eingestellt ist, so lange unterworfen werden, bis der Masseverlust innerhalb von 15 Minuten weniger als 0,3 % der Einwaage beträgt.

2.3.2.4 Schwach nitrierte Nitrocellulose ist zunächst einer Vortrocknung nach den Bedingungen des Unterabschnitts 2.3.2.3 zu unterwerfen; die Trocknung wird durch einen Aufenthalt von mindestens 15 Stunden in einem mit konzentrierter Schwefelsäure beschickten Exsikkator abgeschlossen.

2.3.2.5 Entzündungstemperatur (siehe Unter

umwelt-online - Demo-Version


(Stand: 09.01.2025)

Alle vollständigen Texte in der aktuellen Fassung im Jahresabonnement
Nutzungsgebühr: ab 105.- € netto

(derzeit ca. 7200 Titel s.Übersicht - keine Unterteilung in Fachbereiche)

Preise & Bestellung

Die Zugangskennung wird kurzfristig übermittelt

? Fragen ?
Abonnentenzugang/Volltextversion