Für einen individuellen Ausdruck passen Sie bitte die
Einstellungen in der Druckvorschau Ihres Browsers an.
Regelwerk, Technische Regeln, KTA

KTA 1504 - Überwachung der Ableitung radioaktiver Stoffe mit Wasser
Sicherheitstechnische Regel des KTA

Fassung November 2015
(BAnz AT 08.01.2016 B4; 17.05.2018 B8 aufgehoben)



Zur aktuellen Fassung

Siehe Fn. *
Archiv 2007

Frühere Fassungen der Regel:
1978-06 (BAnz-Nr. 189a vom 6. Oktober 1978)
1994-06 (BAnz-Nr. 238a vom 20. Dezember 1994)
2007-11 (BAnz Nr. 9a vom 17. Januar 2008)

Grundlagen

(1) Die Regeln des Kerntechnischen Ausschusses (KTA) haben die Aufgabe, sicherheitstechnische Anforderungen anzugeben, bei deren Einhaltung die nach dem Stand von Wissenschaft und Technik erforderliche Vorsorge gegen Schäden durch die Errichtung und den Betrieb der Anlage getroffen ist (§ 7 Abs. 2 Nr. 3 Atomgesetz -AtG-), um die im AtG und in der Strahlenschutzverordnung ( StrlSchV) festgelegten sowie in den "Sicherheitsanforderungen an Kernkraftwerke" ( SiAnf) und den "Interpretationen zu den Sicherheitsanforderungen an Kernkraftwerke" weiter konkretisierten Schutzziele zu erreichen.

(2) Die festinstallierte und nicht festinstallierte Strahlenschutzinstrumentierung dient unter anderem dem Schutz von Personen innerhalb und außerhalb der Anlage vor ionisierenden Strahlen und der Kontrolle der bestimmungsgemäßen Funktion von Einrichtungen zur

  1. Rückhaltung fester, flüssiger und gasförmiger radioaktiver Stoffe in den vorgesehenen Umschließungen,
  2. Handhabung und kontrollierten Führung der radioaktiven Stoffe innerhalb der Anlage und
  3. Überwachung der Ableitung radioaktiver Stoffe.

An diese Instrumentierung werden in den Regeln der Reihe KTA 1500 konkrete sicherheitstechnische Anforderungen gestellt.

(3) Die Regel KTA 1504 beinhaltet Anforderungen an technische Einrichtungen und ergänzende organisatorische Maßnahmen, die als notwendig angesehen werden, um die Ableitung radioaktiver Stoffe mit Wasser im bestimmungsgemäßen Betrieb und bei Störfällen zu überwachen.

(4) Die Überwachung der Ableitung radioaktiver Stoffe mit Wasser liefert einen Beitrag zur Erfüllung der Anforderungen der §§ 6, 47 und 48 StrlSchV, nach denen dafür zu sorgen ist, dass

  1. jede Strahlenexposition oder Kontamination von Mensch und Umwelt unter Beachtung des Standes von Wissenschaft und Technik und unter Berücksichtigung aller Umstände des Einzelfalles auch unterhalb der in der StrlSchV festgelegten Grenzwerte so gering wie möglich gehalten wird (§ 6 Abs. 2 StrlSchV),
  2. radioaktive Stoffe nicht unkontrolliert in die Umwelt abgeleitet werden (§ 47 Abs. 1 Satz 2 StrlSchV) und
  3. die Ableitung überwacht und nach Art und Aktivität spezifiziert der zuständigen Behörde mindestens jährlich angezeigt wird (§ 48 Abs. 1 StrlSchV). Diese Überwachungseinrichtungen müssen die Anforderungen des § 67 StrlSchV erfüllen.

(5) Die Überwachung der Ableitung radioaktiver Stoffe mit Wasser hat folgende Aufgaben zu erfüllen:

  1. Bilanzierung der Ableitung radioaktiver Stoffe mit Wasser als eine Grundlage zur Beurteilung der radiologischen Auswirkungen.
  2. Automatische Auslösung von Signalen.

(6) Die für die Aufgaben nach (5) erforderlichen Einrichtungen des Betreibers gliedern sich auf in:

  1. festinstallierte Messeinrichtungen und
  2. nicht festinstallierte Messeinrichtungen, die im Zusammenhang mit der Bilanzierung heran gezogen werden.
Hinweis:

Diese sind z.B. nuklidspezifische Alpha- und Gamma-Messplätze, Gesamt-Alpha- und Gesamt-Gamma-Messplätze sowie Flüssigszintillationsmessplätze und automatisch arbeitende Probenentnahmeeinrichtungen.

(7) Neben den Anforderungen dieser Regel sind bei der Ableitung radioaktiver Stoffe mit Wasser das Gesetz zur Ordnung des Wasserhaushalts (Wasserhaushaltsgesetz - WHG) und das jeweilige Landeswassergesetz zu erfüllen.

(8) Beim Einleiten von Abwasser in eine öffentliche Kanalisation sind die jeweiligen Anforderungen und Verbote des kommunalen Satzungsrechts zu beachten.

1 Anwendungsbereich

Diese Regel ist auf Einrichtungen zur Überwachung der Ableitung radioaktiver Stoffe mit Wasser aus Kernkraftwerken mit Leichtwasserreaktoren im bestimmungsgemäßen Betrieb und bei Störfällen anzuwenden.

Hinweise:

(1) Die in dieser Regel enthaltenen Anforderungen an die festinstallierten Messeinrichtungen berücksichtigen, dass sowohl im bestimmungsgemäßen Betrieb als auch bei Störfällen die Ableitung radioaktiver Stoffe kontrolliert erfolgt. Beim Versagen von Behältern, Komponenten und sie verbindenden Rohrleitungen werden die austretenden Wässer in den als Wannen ausgebildeten Räumen aufgefangen oder über Entwässerungssysteme in Sümpfen, Auffangwannen oder Behältern gesammelt, so dass im Störfall keine unmittelbare Freisetzung in die Umgebung erfolgt. Eine systematische Zuordnung der Regelungsinhalte in die Kategorien Störfallübersichtsanzeige und Weitbereichsanzeige ist daher nicht erforderlich.

(2) Die Anforderungen für Kernkraftwerke mit Druckwasserreaktoren (DWR) beziehen sich auf Anlagen mit U-Rohr-Dampferzeugern.

2 Begriffe

(1) Ableitung radioaktiver Stoffe

Die Ableitung radioaktiver Stoffe ist die Abgabe flüssiger, an Schwebstoffen gebundener oder gasförmiger radioaktiver Stoffe aus der Anlage auf hierfür vorgesehenen Wegen.

(2) Bestimmungsgemäßer Betrieb

Der bestimmungsgemäße Betrieb umfasst

  1. Betriebsvorgänge, für die die Anlage bei funktionsfähigem Zustand der Systeme (ungestörter Zustand) bestimmt und geeignet ist (Normalbetrieb);
  2. Betriebsvorgänge, die bei Fehlfunktion von Anlagenteilen oder Systemen (gestörter Zustand) ablaufen, soweit hierbei einer Fortführung des Betriebes sicherheitstechnische Gründe nicht entgegenstehen (anomaler Betrieb);
  3. Instandhaltungsvorgänge (Inspektion, Wartung, Instandsetzung).

(3) Bilanzierung radioaktiver Stoffe

Die Bilanzierung ist eine besondere Form der Überwachung und besteht aus der Identifizierung und Aktivitätsbestimmung der in einer vorgegebenen Zeitspanne abgeleiteten Radionuklide oder Radionuklidgruppen. Zur Bilanzierung wird der Messwert verwendet. Die Unsicherheit wird separat angegeben.

(4) Caesium-137-Äquivalent (Wasser)

Das Caesium-137-Äquivalent ist eine abgeleitete Messgröße mit der Einheit Bq/m3. Sie wird durch Multiplikation der gemessenen Gamma-Zählrate des Messpräparates mit dem unter gleichen Bedingungen ermittelten Verhältnis von Aktivitätskonzentration zu Gamma-Zählrate mit einer Caesium-137-Standardlösung erhalten.

Hinweis:

Bei den Messungen sowohl des Messpräparates als auch des Caesium-137 Standardpräparates werden die gleiche Messeinrichtung mit derselben Messanordnung, gleiche Präparate und dieselben Energiebereiche der Gammastrahlung verwendet.

(5) Entscheidungsmessung

Eine Entscheidungsmessung im Sinne dieser Regel ist eine vom Betreiber in Eigenverantwortung im Labor durchgeführte Messung der Aktivitätskonzentration oder des Caesium-137-Äquivalents an repräsentativen Wasserproben nach (12) mit dem Ziel, eine Entscheidung über die Ableitung von radioaktiven Stoffen mit Wasser herbeizuführen.

(6) Erkennungsgrenze

Die Erkennungsgrenze ist ein berechneter Wert einer Größe (z.B. Aktivität, Aktivitätskonzentration, spezifische Aktivität), die mit einem Messwert verglichen wird, um zu entscheiden, ob bei dieser Messung ein Beitrag dieser Größe vorliegt oder lediglich Nulleffekt gemessen wurde.

Hinweise:

(1) Erkennungsgrenzen werden nach DIN ISO 11929 ermittelt.

(2) Anwendungsbeispiele zur Ermittlung der charakteristischen Grenzen sind im Sachstandsbericht KTA-GS 82 aufgeführt.

(7) Freisetzung

Die Freisetzung radioaktiver Stoffe ist das Entweichen radioaktiver Stoffe aus den vorgesehenen Umschließungen in die Anlage oder in die Umgebung.

(8) Kalibrierung einer Messeinrichtung der Strahlungsüberwachung

Die Kalibrierung einer Messeinrichtung der Strahlungsüberwachung ist die Ermittlung des Zusammenhangs zwischen dem durch Normale festgelegten Wert einer Messgröße (z.B. Aktivität im Kalibrierpräparat) und dem ausgegebenen Wert (z.B. Zählrate).

(9) Messeinrichtungen, festinstallierte

Festinstallierte Messeinrichtungen im Sinne der Regeln KTA 1501, KTA 1502, KTA 1503.1 bis KTA 1503.3, KTA 1504 und KTA 1507

  1. sind ortsfest montiert,
  2. sind in die Leittechnik und Stromversorgung eingebunden und
  3. haben eine Anzeige und Aufzeichnung der Messsignale auf der Warte.

(10) Mischprobe

Die Mischprobe ist eine Mischung von Einzelproben oder Sammelproben oder von Teilen dieser Proben aus einer spezifizierten Zeitspanne.

(11) Nachweisgrenze

Die Nachweisgrenze ist ein berechneter Wert einer Größe (z.B. Aktivität, Aktivitätskonzentration, spezifische Aktivität), der mit einem vorgegebenen Richtwert verglichen werden soll, um zu entscheiden, ob ein Messverfahren für einen bestimmten Messzweck geeignet ist.

Hinweise:

(1) Nachweisgrenzen werden nach DIN ISO 11929 ermittelt.

(2) Anwendungsbeispiele zur Ermittlung der charakteristischen Grenzen sind im Sachstandsbericht KTA-GS 82 aufgeführt.

(12) Repräsentative Probe (Wasser)

Eine repräsentative Probe ist eine solche Probe, deren Untersuchung die Ermittlung der mit Wasser abgeleiteten radioaktiven Stoffe nach Art und Menge gestattet.

Hinweis:

Prinzipiell kommen die mengenproportionale und die zeitproportionale Probenentnahme in Betracht. Letztere ist jedoch nur dann in Bezug auf Repräsentativität geeignet, wenn bei allen Betriebszuständen nach dem Betriebshandbuch der betreffenden Anlage eine Korrelation zwischen den gezogenen Proben und dem zu überwachenden Medium möglich ist.

(13) Sammelprobe

Eine Sammelprobe ist eine in einer vorgegebenen Zeitspanne durch kontinuierliche oder quasi-kontinuierliche Entnahme erstellte Probe.

Hinweis:

Als Woche gilt die Zeitspanne von Montag, 0:00 Uhr, bis zum darauffolgenden Sonntag, 24:00 Uhr.

Als Monat gilt die Zeitspanne der aufeinanderfolgenden Wochen, die ganz oder überwiegend in den jeweiligen Kalendermonat fallen.

Als Vierteljahr gilt die Zeitspanne, die dem Kalendervierteljahr unter Berücksichtigung der obengenannten Definitionen von Woche und Monat entspricht.

Als Jahr gilt die Zeitspanne, die dem Kalenderjahr unter Berücksichtigung der obengenannten Definitionen von Woche, Monat und Vierteljahr entspricht.

(14) Schaltwert

Der Schaltwert einer Messeinrichtung ist derjenige Wert einer Größe (z.B. Aktivitätskonzentration), bei dessen Überschreitung eine automatische Schalthandlung durchgeführt wird .

(15) Schwellenwert

Der Schwellenwert ist ein innerbetrieblicher Wert, bei dessen Überschreiten Maßnahmen erforderlich sind.

(16) Störfall

Ein Störfall ist ein Ereignisablauf, bei dessen Eintreten der Betrieb der Anlage oder die Tätigkeit aus sicherheitstechnischen Gründen nicht fortgeführt werden kann und für den die Anlage auszulegen ist oder für den bei der Tätigkeit vorsorglich Schutzvorkehrungen vorzusehen sind.

(17) Überwachung

Die Überwachung ist ein Sammelbegriff für alle Arten einer kontrollierten Erfassung von physikalischen Größen einschließlich eines Vergleichs mit vorgegebenen Werten.

Hinweise:

(1) Die Überwachung erfolgt z.B. durch

  1. die kontinuierliche Messung,
  2. die Analyse von Proben (z.B. im Labor) oder
  3. die Verknüpfung von Messwerten

jeweils in Verbindung mit dem Vergleich mit vorgegebenen Werten der physikalischen Größen (z.B. Genehmigungswerten, betrieblichen Werten).

(2) Zur Prüfung der Einhaltung von Genehmigungswerten wird die obere Grenze des Vertrauensbereichs verwendet.

(18) Vertrauensbereich

Der Vertrauensbereich beschreibt ein Intervall, das den wahren Wert der Messgröße mit einer vorgegebenen Wahrscheinlichkeit enthält.

Hinweis:

Die Grenzen des Vertrauensbereichs werden nach DIN ISO 11929 ermittelt.

3 Messobjekte und Messverfahren

Hinweis:

Zur Veranschaulichung des Regeltextes sind beispielhaft in den Anhängen A und B die zu überwachenden Systeme mit den dazugehörigen Messeinrichtungen und Probenentnahmestellen dargestellt.

3.1 Zu überwachende Wässer und zugehörige Systeme

Die folgenden Wässer und die zugehörigen Systeme sind auf radioaktive Stoffe zu überwachen, soweit radioaktive Ableitungen nicht aufgrund der Auslegung und des Betriebs der Kernkraftwerksanlage ausgeschlossen werden können:

(1) Radioaktiv kontaminiertes Abwasser

Übergabebehälter des Systems zur Ableitung von Abwasser aus dem Kontrollbereich.

(2) Nebenkühlwasser

Offenes System zur Kühlung der nuklearen Zwischenkühlkreisläufe, die radioaktiv kontaminiert sein können.

(3) Maschinenhausabwasser

System zur Ableitung von Abwasser aus dem Wasser- oder Dampfkreislauf und von betrieblich bedingt anfallendem Abwasser aus dem Maschinenhaus.

Hinweis:

Hierzu gehören z.B. beim DWR auch die Rückspül- oder Regenerierungswässer aus der Kondensatreinigung und der Abschlämmentsalzung sowie beim Siedewasserreaktor (SWR) die Wässer des Kühlwasserentleerungsbeckens.

(4) Hilfsdampfsystem

System zur Versorgung von Verbrauchern in den nuklearen und konventionellen Bereichen mit Heizdampf.

(5) Hauptkühlwasser

System zur Kühlung der Turbinenkondensatoren.

(6) Abflutwasser

System zur Abflutung aus den Rückkühlanlagen.

(7) Weitere anlagenspezifische Pfade

Für weitere anlagenspezifisch gegebene Pfade ist eine Bilanzierung der Aktivitätsableitungen vorzusehen, wenn sie das Geringfügigkeitskriterium nach 3.8 nicht erfüllen.

3.2 Radioaktiv kontaminiertes Abwasser

3.2.1 Probenentnahme

Vor der Ableitung ist eine für den gesamten Inhalt des Übergabebehälters repräsentative Probe für die Entscheidungsmessung und die Herstellung von Mischproben (Anhang C) zu entnehmen. Dazu ist der gesamte Behälterinhalt vor der Probenentnahme, z.B. durch Umpumpen, Umwälzen oder Rühren zu homogenisieren. Die Durchmischungszeit sollte der Behältergröße angepasst sein und mindestens 30 min betragen. Vor der Probenentnahme ist die Probenentnahmeleitung mit dem homogenisierten Wasser zu spülen. Vom Beginn der Homogenisierung an bis zum Ende des Ableitungsvorgangs darf dem Übergabebehälter kein Wasser zufließen. Von der Probe ist ein Liter für die Entscheidungsmessung nach 3.2.2 zu verwenden und als Belegprobe für die Dauer eines Jahres aufzubewahren (Einliterprobe). Aus anderen Teilen der Probe sind proportional zur Menge der Ableitung Wochen-, Vierteljahres- und Jahresmischproben für die Bilanzierung (siehe Anhang C) und Monatsmischproben für die Auswertung von Tritium nach 3.2.4.5 herzustellen.

3.2.2 Entscheidungsmessung

Zur Entscheidung über die Ableitung aus dem Übergabebehälter ist an der Einliterprobe das Caesium-137-Äquivalent durch integrale Messung im Energiebereich oberhalb 60 keV zu bestimmen.

3.2.3 Ableitung

Das Wasser aus dem Übergabebehälter darf nur dann abgepumpt werden, wenn der Wert des Caesium-137-Äquivalents nicht größer ist als 2 · 107 Bq/m3 und wenn die schriftliche Freigabe durch einen verantwortlichen Beauftragten vorliegt. Wäh-rend der Ableitung ist die Aktivitätskonzentration des Abwassers kontinuierlich mit einer Messeinrichtung zur integralen Messung der Gamma-Strahlung zu überwachen. Sowohl die Überschreitung eines Wertes des Caesium-137-Äquivalents von 2 · 107 Bq/m3 als auch der Ausfall der Messeinrichtung sind auf der Warte anzuzeigen und aufzuzeichnen; die Ableitung ist automatisch zu unterbrechen.

3.2.4 Bilanzierung

Bei der Bilanzierung sind die Unsicherheiten durch die Probenentnahme- und -aufbereitung sowie der Mess- und Analyseverfahren zu berücksichtigen.

Hinweis:

Die nachfolgend genannten Anforderungen an die Nachweisgrenzen gelten für die jeweiligen Mess- und Analyseverfahren an Wasserproben.

3.2.4.1 Gammastrahler

Für die Bilanzierung der Aktivität sind die Wochenmischproben innerhalb der jeweils folgenden Woche gammaspektrometrisch zu untersuchen. Dabei sind mindestens die in Tabelle 3-1 aufgeführten Radionuklide zu berücksichtigen. Die Nachweisgrenze der Messeinrichtung zur Bestimmung der Aktivitätskonzentrationen darf bei Messung einer Deionatprobe den Wert von 1 · 103 Bq/m3 für Kobalt-60 nicht überschreiten. Die Messdauer bei der Bilanzierungsmessung muss mindestens der Messzeit entsprechen, die zum Erreichen der geforderten Nachweisgrenze für Kobalt-60 erforderlich ist. Im Rahmen der gammaspektrometrischen Untersuchungen ist zu überpiffen, ob anlagenspezifisch im Abwasser weitere Radionuklide auftreten, die nicht in Tabelle 3-1 aufgeführt sind. Werden solche nachgewiesen, so sind nur Radionuklide mit Halbwertszeiten größer als 8 Tage in die Bilanzierung aufzunehmen.

Tabelle 3-1: Bei der Bilanzierung der Aktivität zu berücksichtigende Radionuklide: Gammastrahler

Radionuklid Radionuklid
Chrom-51 Silber-110 m
Mangan-54 Tellur-123 m
Kobalt-57 Antimon-124
Kobalt-58 Antimon-125
Kobalt-60 Jod-131
Eisen-59 Caesium-134
Zink-65 Caesium-137
Zirkonium-95 Barium-140
Niob-95 Lanthan-140
Ruthenium-103 Cer-141
Ruthenium-106 Cer-144

3.2.4.2 Radioaktives Strontium

Innerhalb des auf ihre Fertigstellung folgenden Monats sind die Vierteljahresmischproben auf ihren Gehalt an Strontium-89 und Strontium-90 zu untersuchen. Die Nachweisgrenzen der Verfahren zur Bestimmung der Aktivitätskonzentrationen dürfen den Wert von 5 · 102 Bq/m3 nicht überschreiten.

3.2.4.3. Alphastrahler

Innerhalb des auf ihre Fertigstellung folgenden Monats sind die Vierteljahresmischproben auf ihren Gehalt an Alphastrahlern (Gesamt-Alpha-Aktivität) zu untersuchen. Die Nachweisgrenze des Verfahrens zur Bestimmung der Gesamt-Alpha-Aktivitätskonzentration dart den Wert von 2 · 102 Bq/m3 für Americium-241 nicht überschreiten. Wird bei der Untersuchung einer Probe ein Wert der Gesamt-Alpha-Aktivitätskonzentration ermittelt, der größer als 1 · 103 Bq/m3 ist, muss diese Probe auf ihren Gehalt an einzelnen Alphastrahlern untersucht werden. Dabei sind die in Tabelle 3-2 aufgeführten Radionuklide zu berücksichtigen. Die Nachweisgrenze des Verfahrens zur Bestimmung der Aktivitätskonzentrationen darf den Wert von 50 Bq/m3 für Americium-241 nicht überschreiten. Bei der Bilanzierung der Aktivität ist eine Zusammenfassung des Radionuklidpaares Plutonium-239 und Plutonium-240 zulässig.

Tabelle 3-2: Bei der Bilanzierung der Aktivität zu berücksichtigende Radionuklide: Alphastrahler

Radionuklid Radionuklid
Plutonium-238

Plutonium-239

Plutonium-240

Americium-241

Curium-242

Curium-244

3.2.4.4 Eisen-55 und Nickel-63

Innerhalb des auf ihre Fertigstellung folgenden Quartals sind die Jahresmischproben auf ihren Gehalt an Eisen-55 und Nickel-63 zu untersuchen. Die Nachweisgrenzen der Verfahren zur Bestimmung der Aktivitätskonzentrationen dürfen den Wert von 2 · 103 Bq/m3 nicht überschreiten.

3.2.4.5. Tritium

Innerhalb des auf ihre Fertigstellung folgenden Monats sind die Monatsmischproben auf ihren Gehalt an Tritium zu untersuchen. Die Nachweisgrenze des Verfahrens zur Bestimmung der Aktivitätskonzentration darf den Wert von 4 · 104 Bq/m3 nicht überschreiten.

3.2.4.6 Zerfallskorrektur

Die Aktivitätskonzentrationen der bei den Bilanzierungsmessungen in den Mischproben nachgewiesenen Radionuklide sind entsprechend ihren Halbwertszeiten auf die Mitte des jeweiligen Sammelzeitraums umzurechnen.

3.3 Nebenkühlwasser

3.3.1 Überwachung

(1) Die Überwachung der Aktivitätsableitung hat indirekt durch die Überwachung der Aktivitätskonzentration des Caesium-137-Äquivalents in den nuklearen Zwischenkühlkreisläufen und der Deionatnachspeisemengen in den nuklearen Zwischenkühlkreisläufen zu erfolgen. Dazu

  1. ist in jedem nuklearen Zwischenkühlkreislauf eine kontinuierlich integral messende Gamma-Messeinrichtung ständig zu betreiben.
  2. sind die zur Deckung der Wasserverluste aus den nuklearen Zwischenkühlkreisläufen erforderlichen Deionatnachspeisemengen für jeden der Zwischenkühlkreisläufe täglich zu bestimmen und aufzuzeichnen. Deionatmengen, die nachweislich nicht in das Nebenkühlwasser gelangt sind, brauchen dabei nicht berücksichtigt zu werden.
  3. ist monatlich eine Probe aus jedem nuklearen Zwischenkühlkreislauf zu entnehmen und auf ihren Gehalt an Tritium zu untersuchen.

(2) Aus dem Zwischenkühlkreislauf des Generators ist, sofern das Kühlwasser des Generatorkühlkreislaufs mit Tritium versetzt ist, monatlich eine Probe zu entnehmen und auf ihren Gehalt an Tritium zu untersuchen.

(3) Im Falle der unmittelbaren Einleitung des Nebenkühlwassers in ein Gewässer ist nach 3.6.1, 3.6.2 und 3.6.4 zu verfahren.

3.3.2 Beweissicherung

Zur Beweissicherung ist dem Nebenkühlwasser im rücklaufenden Wasserstrom vor Vermischung mit anderen Wässern durch automatisch arbeitende Einrichtungen eine Sammelprobe von mindestens einem Liter über den Zeitraum einer Woche zu entnehmen und jeweils für die Dauer eines Jahres aufzubewahren.

3.3.3 Bilanzierung

(1) Es ist wöchentlich eine Probe aus dem jeweiligen nuklearen Zwischenkühlkreislauf zu entnehmen, wenn das Produkt aus dem Wert des Caesium-137-Äquivalents und der Deionatnachspeisemenge größer als oder gleich 4 · 108 Bq/d ist. Bei einem Produkt aus dem Wert des Caesium-137-Äquivalents und der Deionatnachspeisemenge größer als oder gleich 4 · 108 Bq/d ist die Probe täglich zu entnehmen. Für die Bilanzierung der Aktivität sind diese Proben innerhalb der jeweils folgenden Woche nach 3.2.4.1 gammaspektrometrisch zu untersuchen.

Hinweis:

Auch gleichzeitig auftretende Leckagen an den nuklearen Kühlstellen und den Zwischenkühlern können anhand der Tritiummessung nach 3.3.1 c) erkannt werden.

(2) Aus den innerhalb eines Monats nach (1) anfallenden Proben ist eine Mischprobe herzustellen und innerhalb des auf ihre Fertigstellung folgenden Monats auf ihren Gehalt an Strontium-89 und Strontium-90 nach 3.2.4.2, Alphastrahlern nach 3.2.4.3 und Tritium nach 3.2.4.5 zu untersuchen.

(3) Die Aktivitätskonzentrationen in den Proben sind entsprechend den Halbwertszeiten der Radionuklide auf die Mitte des jeweiligen Probenentnahmezeitraums umzurechnen und dann mit den in diesem Zeitraum festgestellten Deionatnachspeisemengen nach 3.3.1 (1) b) zu multiplizieren.

(4) Bei diesen Untersuchungen sind die Anforderungen an die Nachweisgrenzen nach 3.2.4 einzuhalten.

3.3.4 Ausfall einer Gamma-Messeinrichtung

Bei Ausfall einer Gamma-Messeinrichtung der nuklearen Zwischenkühlkreisläufe ist täglich aus dem zugehörigen nuklearen Zwischenkühlkreislauf eine Probe von einem Liter zu entnehmen und der Wert des Caesium-137-Äquivalents dieser Probe durch integrale Messung der Gamma-Strahlung im Energiebereich oberhalb 60 keV zu bestimmen. Wird dabei festgestellt, dass das Produkt aus dem Wert des Caesium-137-Äquivalents und der Deionatnachspeisemenge größer als oder gleich 4 · 108 Bq/d ist, so ist eine Bilanzierung der Aktivität nach 3.3.3 vorzunehmen.

3.4 Maschinenhausabwasser

3.4.1 Maschinenhausabwasser aus Kernkraftwerken mit Druckwasserreaktoren

3.4.1.1 Überwachung

(1) Die Überwachung der Aktivitätsableitung hat indirekt durch die Messung des Caesium-137-Äquivalents in der Dampferzeugerabschlämmung mittels kontinuierlich integral messender Gamma-Messeinrichtungen zu erfolgen.

(2) Monatlich ist eine Probe aus dem Wasserbereich des Sekundärkreises zu entnehmen und auf ihren Gehalt an Tritium auszuwerten.

(3) Durch betriebliche Regelungen ist sicherzustellen, dass kein Wasser aus dem Maschinenhaus abgeleitet wird, in dem der Wert der Gesamtaktivitätskonzentration größer ist als 2 · 107 Bq/m3.

3.4.1.2 Beweissicherung

Zur Beweissicherung sind aus dem Maschinenhausabwasser vor der Vermischung mit anderen Wässern durchflussproportionale Sammelproben oder abgabemengenproportionale Mischproben über den Zeitraum einer Woche herzustellen. Davon ist jeweils ein Liter für die Dauer eines Jahres aufzubewahren.

3.4.1.3. Bilanzierung

(1) Bei Überschreitung des Wertes des Caesium-137-Äquivalents von 4 · 105 Bq/m3 bei der Überwachung nach 3.4.1.1 ist ein weiterer Teil der Sammel- oder Mischprobe nach 3.4.1.2 gammaspektrometrisch zu untersuchen. Aus diesen innerhalb eines Monats anfallenden Proben ist eine abgabemengenproportionale Mischprobe herzustellen und innerhalb des auf ihre Fertigstellung folgenden Monats auf ihren Gehalt an Strontium-89 und Strontium-90 nach 3.2.4.2 zu untersuchen. Innerhalb des auf ihre Fertigstellung folgenden Monats sind die Monatsmischproben auf ihren Gehalt an Alphastrahlern nach 3.2.4.3 und Tritium nach 3.2.4.5 zu untersuchen.

(2) Bei Überschreitung einer Tritium-Aktivitätskonzentration von 1 · 106 Bq/m3 bei der Überwachung nach 3.4.1.1 (2) ist die Ableitung von Tritium zu bilanzieren.

(3) Die Aktivitätskonzentrationen in den Proben sind entsprechend den Halbwertszeiten der Radionuklide auf die Mitte des jeweiligen Probenentnahmezeitraums umzurechnen und dann mit den in diesem Zeitraum festgestellten Maschinenhausabwassermengen zu multiplizieren.

(4) Bei diesen Untersuchungen sind die Anforderungen an die Nachweisgrenzen nach 3.2.4 einzuhalten.

3.4.1.4 Ausfall einer Gamma-Messeinrichtung in der Dampferzeugerabschlämmung

Bei Ausfall einer Gamma-Messeinrichtung in der Dampferzeugerabschlämmung ist täglich aus dem zugehörigen Abschlämmstrang eine Probe von einem Liter zu entnehmen und das Caesium-137-Äquivalent in dieser Probe durch integrale Messung der Gamma-Strahlung im Energiebereich oberhalb 60 keV zu bestimmen. Wird dabei die Überschreitung eines Wertes des Caesium-137-Äquivalents von 4 · 105 Bq/m3 festgestellt, so ist eine Bilanzierung der Aktivität nach 3.4.1.3 vorzunehmen.

3.4.1.5. Überwachung der Aktivitätsableitung aus dem Maschinenhaussumpf bei Anlagenstillstand

(1) Bei Anlagenstillstand sind aus dem Maschinenhausabwasser hergestellte durchflussproportionale Tagessammelproben oder abgabemengenproportionale Tagesmischproben täglich zu entnehmen und unverzüglich durch integrale Messung der Gamma-Strahlung im Energiebereich oberhalb 60 keV zu bestimmen. Bei Überschreiten des Wertes des Caesium-137-Äquivalents von 4 · 104 Bq/m3 ist die Aktivitätsableitung nach 3.2.4.1 zu bilanzieren.

(2) Alternativ zu (1) ist auch die Überwachung der Aktivitätsableitung durch die Messung des Caesium 137-Äquivalents mittels kontinuierlich Integral messender Gamma-Messeinrichtungen möglich. Bei einer Überschreitung des Wertes des Caesium-137-Äquivalents von 4 · 104 Bq/m3 ist nach 3.4.1.5 (1) zu verfahren.

3.4.1.6 Kondensatreinigung

Das bei Rückspülung oder Regenerierung sowie anschließenden Spülungen in der Kondensatreinigung anfallende Wasser ist vor einer Ableitung zu prüfen. Dazu ist eine repräsentative Probe im Labor entsprechend 3.2.2 auszuwerten. Bei einem Wert des Caesium-137-Äquivalents größer als 2 · 106 Bq/m3 ist die Charge den Anlagen zur Behandlung von radioaktiv kontaminiertem Wasser zuzuleiten. Bei einem Wert des Caesium-137-Äquivalents kleiner als oder gleich 2 · 106 Bq/m3 darf das Wasser ohne Behandlung direkt abgeleitet werden. Die Ableitungen sind entsprechend 3.2.4 zu bilanzieren. Bei einem Wert des Caesium-137-Äquivalents kleiner als 4 · 104 Bq/m3 ist eine Bilanzierung der Aktivitätsableitungen nicht erforderlich.

3.4.1.7. Abschlämmentsalzung

Das bei Rückspülung oder Regenerierung sowie anschließenden Spülungen in der Abschlämmentsalzung anfallende Wasser ist vor einer Ableitung zu prüfen. Dazu ist eine repräsentative Probe im Labor entsprechend 3.2.2 auszuwerten. Bei einem Wert des Caesium-137-Äquivalents größer als 2 · 106 Bq/m3 ist die Charge den Anlagen zur Behandlung von radioaktiv kontaminiertem Wasser zuzuleiten. Bei einem Wert des Caesium-137-Äquivalents kleiner als oder gleich 2 · 106 Bq/m3 darf das Wasser ohne Behandlung direkt abgeleitet werden. Die Ableitungen sind entsprechend 3.2.4 zu bilanzieren. Bei einem Wert des Caesium-137-Äquivalents kleiner als 4 · 104 Bq/m3 ist eine Bilanzierung der Aktivitätsableitungen nicht erforderlich.

3.4.2 Maschinenhausabwasser aus Kernkraftwerken mit Siedewasserreaktoren

(1) Das Maschinenhaus ist Bestandteil des Kontrollbereiches. Das im Maschinenhaus anfallende Abwasser ist den Anlagen zur Behandlung von radioaktiv kontaminiertem Wasser zuzuleiten und nach Aufbereitung entsprechend 3.2 abzuleiten.

(2) Bei Ableitung von Wasser aus dem Kühlwasserentleerungsbecken ist durch automatisch arbeitende Einrichtungen aus der Ablaufleitung eine durchflussproportionale Sammelprobe oder abgabemengenproportionale Mischprobe über den Zeitraum von bis zu einer Woche zu erstellen. Davon ist an einer Einliterprobe eine Integrale Messung der Gamma-Strahlung im Energiebereich oberhalb 60 keV vorzunehmen. Bei einem Wert des Caesium-137-Äquivalents größer als 4 · 104 Bq/m3 ist die Probe entsprechend 3.2.4.1 zu untersuchen und die Ableitung zu bilanzieren.

3.5 Hilfsdampfsystem

3.5.1 Überwachung

Hinweis:

Siehe auch Anhang D.

(1) Zur Erkennung möglicher Kontaminationen eines Hilfsdampfsystems, das auch nukleare Verbraucher versorgt, ist das Caesium-137-Äquivalent im Hilfsdampfkondensat mittels einer kontinuierlich integral messenden Gamma-Messeinrichtung zu überwachen.

(2) Bei Überschreitung einer festgelegten Aktivitätskonzentration (Schaltwert) an der Messstelle nach (1) ist die Rückförderung des Hilfsdampfkondensats aus dem Kontrollbereich automatisch zu unterbrechen und das Hilfsdampfkondensat den Anlagen zur Behandlung von radioaktiv kontaminiertem Wasser zuzuleiten.

(3) Der Schaltwert nach (2) darf den Wert des Caesium-137-Äquivalents von 2 · 106 Bq/m3 nicht überschreiten.

(4) Bei einem Schaltwert größer als der Wert des Caesium-137-Äquivalents von 2 · 105 Bq/m3 ist dreimal pro Woche eine Probe aus dem Hilfsdampfkondensat zu entnehmen und innerhalb eines Tages das Caesium-137-Äquivalent in dieser Probe durch integrale Messung der Gamma-Strahlung im Energiebereich oberhalb 60 keV zu bestimmen.

(5) Bei Überschreitung eines Wertes des Caesium-137-Äquivalents von 2 · 105 Bq/m3 in einer Probe nach (4) ist unverzüglich die Rückförderung des Hilfsdampfkondensats aus dem Kontrollbereich zu unterbrechen und das Hilfsdampfkondensat den Anlagen zur Behandlung von radioaktiv kontaminiertem Wasser zuzuleiten.

(6) Bei SWR ist der Hilfsdampferzeuger mit Hilfe einer Dosisleistungsmesseinrichtung kontinuierlich auf Leckagen zu überwachen. Bei Überschreiten eines betrieblich festzulegenden Schaltwertes an der Messeinrichtung nach Satz 1 ist die Frischdampfzufuhr zum Hilfsdampferzeuger und der sekundärseitige Dampfaustritt automatisch abzusperren.

(7) Der Schaltwert nach (6) ist so einzustellen, dass ein vollständiger Abriss eines Heizrohres des Hilfsdampferzeugers (bei Volllastbetrieb der Reaktoranlage) erfasst wird.

3.5.2 Maßnahmen bei Dampfentnahme aus einem Hilfskesselsystem außerhalb des Kontrollbereiches

(1) Bei Überschreitung einer festgelegten Aktivitätskonzentration (Schaltwert) an der Messstelle für das Hilfsdampfkondensat nach 3.5.1 (1) ist automatisch die Rückförderung des Hilfsdampfkondensats in den Hilfskesselspeisewasserbehälter zu unterbrechen.

(2) Der Schaltwert nach (1) darf den Wert des Caesium-137-Äquivalents von 2 · 106 Bq/m3 nicht überschreiten.

(3) Bei einem Schaltwert größer als der Wert des Caesium-137-Äquivalents von 2 · 105 Bq/m3, ist abweichend von (4), einmal täglich eine Probe zu entnehmen und auszuwerten. Nach An- und Abfahrvorgängen von Verbrauchern, die primärseitig mit einem radioaktiven Medium beaufschlagt werden, ist unverzüglich eine Probe aus dem Hilfsdampfkondensat zu entnehmen und zeitnah auszuwerten. Das Caesium-137-Äquivalent ist in diesen Proben durch Integrale Messung der Gamma-Strahlung im Energiebereich oberhalb 60 keV zu bestimmen.

(4) Bei einer Anzeige größer als 4 · 104 Bq/m3 an der Messstelle nach (1) ist dreimal pro Woche eine Probe aus dem Hilfsdampfkondensat zu entnehmen und innerhalb eines Tages das Caesium-137-Äquivalent in dieser Probe durch Messung der Gamma-Strahlung im Energiebereich oberhalb 60 keV zu bestimmen.

(5) Wenn in einer Probe nach (3) oder (4) der gemessene Wert des Caesium-137-Äquivalents größer als 4 · 104 Bq/m3 ist, ist unverzüglich die Rückförderung des Hilfsdampfkondensats in den Hilfskesselspeisewasserbehälter zu unterbrechen.

(6) Vor Abschlämm- oder Entleerungsvorgängen des Hilfskesselsystems ist eine Probe zu entnehmen. Das Caesium-137-Äquivalent in dieser Probe ist durch Integrale Messung der Gamma-Strahlung im Energiebereich oberhalb 60 keV zu bestimmen.

(7) Bei Überschreitung des Wertes des Caesium-137-Äquivalents von 2 · 106 Bq/m3 in einer Probe nach (6) sind die Wässer aus dem Hilfskesselsystem den Anlagen zur Behandlung von radioaktiv kontaminiertem Wasser zu übergeben. Bei einem Wert des Caesium-137-Äquivalents bis zu 2 · 106 Bq/m3 darf das Wasser ohne Behandlung direkt abgeleitet werden. Die Ableitungen sind entsprechend 3.2.4 zu bilanzieren. Bei einem Wert des Caesium-137-Äquivalents kleiner als 4 · 104 Bq/m3 ist eine Bilanzierung der Aktivitätsableitungen nicht erforderlich.

3.5.3 Ausfall der Gamma-Messeinrichtung im Hilfsdampfkondensat

(1) Bei Ausfall der Gamma-Messeinrichtung nach 3.5.1 (1) ist einmal täglich eine Probe zu entnehmen und auszuwerten. Nach An- und Abfahrvorgängen von Verbrauchern, die primärseitig mit einem radioaktiven Medium beaufschlagt werden, ist unverzüglich eine Probe aus dem Hilfsdampfkondensat zu entnehmen und zeitnah auszuwerten. Das Caesium-137-Äquivalent in diesen Proben ist durch integrale Messung der Gamma-Strahlung im Energiebereich oberhalb 60 keV zu bestimmen.

(2) Bei Überschreitung eines Wertes des Caesium-137-Äquivalents von 2 · 105 Bq/m3 in einer Probe nach (1) ist unverzüglich die Rückförderung des Hilfsdampfkondensats aus dem Kontrollbereich zu unterbrechen und das Hilfsdampfkondensat den Anlagen zur Behandlung von radioaktiv kontaminiertem Wasser zuzuleiten.

(3) Bei Dampfentnahme aus dem Hilfskesselsystem ist bei Überschreitung eines Wertes des Caesium-137-Äquivalents von 4 · 104 Bq/m3 in einer Probe nach (1) unverzüglich die Rückförderung des Hilfsdampfkondensats in den Hilfskesselspeisewasserbehälter zu unterbrechen.

3.6 Hauptkühlwasser

3.6.1 Kontinuierliche Messung

Zur Erkennung und Beweissicherung von unbeabsichtigten Ableitungen ist im Rücklaufkanal, Einleitungsbauwerk oder sonstigen Einleitungsstellen eine kontinuierlich integral messende Gamma-Messeinrichtung zu betreiben.

3.6.2 Probenentnahme, Auswertung und Beweissicherung

(1) Zur Beweissicherung ist durch automatisch arbeitende Einrichtungen im Rücklaufkanal, Einleitungsbauwerk oder der sonstigen Einleitungsstelle eine Tagessammelprobe von mindestens einem Liter zu erstellen. Die während eines Monats gesammelten Tagessammelproben sind einen weiteren Monat aufzubewahren. Aus den Tagessammelproben eines Monats ist eine Monatsmischprobe herzustellen, die innerhalb eines Monats gammaspektrometrisch zu untersuchen ist. Ein Liter der Monatsmischprobe ist jeweils für die Dauer eines Jahres aufzubewahren.

(2) Bei Ausfall der automatisch arbeitenden Probenentnahmeeinrichtung sind durch Entnahme von Stichproben Tagesmischproben zu erstellen. Diese sind nach (1) zu behandeln und auszuwerten.

(3) Bei diesen Untersuchungen sind die Anforderungen an die Nachweisgrenzen nach 3.2.4 einzuhalten.

(4) Bei Überschreitung eines Wertes des Caesium-137-Äquivalents an der Messeinrichtung nach 3.6.1 von 4 · 105 Bq/m3 ist die jeweilige Tagessammelprobe nach 3.6.2 (1) oder Tagesmischprobe nach 3.6.2 (2) gammaspektrometrisch unverzüglich zu untersuchen. Zusätzliche Proben sind zu entnehmen und ebenfalls unverzüglich gammaspektrometrisch zu untersuchen. Diese Tagessammelproben sind für die Dauer eines Jahres aufzubewahren.

Hinweis:

Siehe auch 3.6.3 (2).

3.6.3 Vorbelastung des Vorfluters

(1) Zur Beweissicherung der durch Entnahme von Wasser aus dem Vorfluter in das Kernkraftwerk gelangenden radioaktiven Stoffe sind im Entnahmekanal oder Entnahmebauwerk Sammelproben oder Mischproben wie nach 3.6.2 zu erstellen, zu untersuchen und aufzubewahren.

(2) Bei Überschreitung eines Wertes des Caesium-137-Äquivalents von 4 · 105 Bq/m3 an der Messeinrichtung nach 3.6.1 ist die Tagesprobe nach (1) unverzüglich gammaspektrometrisch zu untersuchen.

3.6.4 Ausfall der Gamma-Messeinrichtung im Hauptkühlwasser

Bei Ausfall der Gamma-Messeinrichtung im Hauptkühlwasser nach 3.6.1 ist das Caesium-137-Äquivalent in der Tagessammelprobe nach 3.6.2 (1) oder in der Tagesmischprobe nach 3.6.2 (2) durch Integrale Messung der Gamma-Zählrate im Energiebereich oberhalb 60 keV zu bestimmen. Wird dabei die Überschreitung des Wertes des Caesium-137-Äquivalents von 4 · 105 Bq/m3 festgestellt, so ist die Probe unverzüglich gammaspektrometrisch zu untersuchen. Zusätzliche Proben sind zu entnehmen und ebenfalls unverzüglich gammaspektrometrisch zu untersuchen.

3.7 Abflutwasser

Sofern die Überwachung des Abflutwassers nicht mit dem Kühlwasser vorgenommen wird, ist wie nach 3.6 zu verfahren.

3.8 Weitere anlagenspezifische Pfade

(1) Zur Festlegung erforderlicher Überwachungsmaßnahmen für über weitere Pfade abgeleitete radioaktive Stoffe ist die Kenntnis möglicher weiterer anlagenspezifischer Pfade notwendig. Es sind daher alle weiteren Wege zu betrachten, auf denen im bestimmungsgemäßen Betrieb oder bei Störfällen radioaktive Stoffe in solchen Mengen an die Umgebung abgeleitet werden können, dass von einer Emissionsüberwachung nicht abgesehen werden darf.

(2) Die Möglichkeit einer Aktivitätsableitung braucht nicht angenommen zu werden, wenn zwischen dem betrachteten System und der Umgebung mindestens zwei Materialbarrieren oder eine Materialbarriere und eine Druckbarriere vorhanden sind und wenn auch unter Störfallbedingungen eine Materialbarriere vorhanden ist.

(3) Für Ableitungswege, für die festgestellt wird, dass die Aktivitätsableitungen an die Umgebung das Kriterium der Geringfügigkeit erfüllen, ist die Bilanzierung der Aktivitätsableitungen im bestimmungsgemäßen Betrieb nicht erforderlich. Das Kriterium gilt als erfüllt, wenn die Aktivität, die im bestimmungsgemäßen Betrieb in einer Woche an einen Vorfluter oder Kanal abgeleitet werden kann, kleiner ist als die Aktivität, die sich als Produkt des Abwasservolumens eines Übergabebehälters (siehe 3.2) mit den in 3.2.4.1 bis 3.2.4.4 zu unterschreitenden Nachweisgrenzen für die Bilanzierung der jeweiligen Radionuklidgruppe ergibt.

(4) Das Geringfügigkeitskriterium nach (3) für Tritium gilt als erfüllt, wenn die Aktivitätskonzentration den Wert von 1 · 106 Bq/m3 unterschreitet.

Tabelle 4-1: Nenngebrauchsbereiche und Bezugswerte für Einflussgrößen

Einflussgrößen Nenngebrauchsbereich Bezugswert
Betriebsspannung
- Wechselspannungsversorgung Herstellerangabe
- Gleichspannungsversorgung spezifizierter Spannungsbereich des Gleichspannungsnetzes Herstellerangabe
Umgebungstemperatur in °C 15 bis 40 20
Druck der Umgebungsluft in hPa 900 bis 1100 Herstellerangabe
Relative Feuchte der Umgebungsluft in % 10 bis 95, nicht betauend 60
Temperatur des Messmediums in °C 10 bis 60 20

Tabelle 4-2: Übersicht über Mindestmessbereiche und Schwellen- oder Schaltwerte für Gesamt-Gamma-Messeinrichtungen

Überwachtes Wasser Mindestmessbereich in Bq/m3
(Cs-137-Äquivalent)
Schwellen- oder Schaltwert in
Bq/m3
(Cs-137-Äquivalent)
Kontinuierliche Gesamt-Gamma-Messeinrichtung
Abwasser (Übergabebehälter) 4 · 105 bis 4 · 107 2 · 107
Nukleare Zwischenkühlkreisläufe (Nebenkühlwasser) 4 · 105 bis 4 · 107 siehe 3.3
DE-Abschlämmung (Maschinenhausabwasser) 1 · 105 bis 4 · 108 4 · 105
Hilfsdampfkondensat 2 · 104 bis 1 · 107 siehe 3.5.1 und 3.5.2
Hauptkühlwasser (Auslauf) 1 · 104 bis 2 · 108 4 · 105
Diskontinuierliche Gesamt-Gamma-Messeinrichtungen
Abwasser (Übergabebehälter/Entscheidungsmessung) 1 · 104 bis 2 · 108 -
Sonstige Wässer nach 4.3.4 1 · 104 bis 2 · 108 -

4 Ausführung der Überwachungseinrichtungen

4.1 Allgemeine Anforderungen an festinstallierte Messeinrichtungen

4.1.1 Auslegung und Unterbringung

(1) Die einzelnen Messeinrichtungen sind für die in Tabelle 4-1 genannten Umgebungs- und Mediumsbedingungen sowie den dort genannten Betriebsspannungsbereich auszulegen.

(2) Der Messwert darf sich bei der Variation jeweils einer Einflussgröße innerhalb der in Tabelle 4-1 genannten Nenngebrauchsbereiche nur um ± 30 % gegenüber dem bei der Kalibrierung nach 5.2.1.2 erhaltenen Messwert ändern, wenn alle übrigen Einflussgrößen in der Nähe der Bezugswerte der Kalibrierung möglichst unverändert bleiben.

(3) Für die in Tabelle 4-1 aufgeführten Einflussgrößen sind die dort genannten Bezugswerte anzuwenden. Der Bezugswert für die Untergrundstrahlung ist vom Hersteller der Messeinrichtung anzugeben.

(4) Die Nachweisgrenzen sind bei einer Umgebungsdosisleistung von 0,25 µGy/h (Caesium-137) zu ermitteln.

Hinweis:

Nachweisgrenzen werden nach DIN ISO 11929 ermittelt.

(5) Für nicht im Labor aufgestellte Geräte muss die Ausführung der Schutzart IP 54 nach DIN EN 60529 (Fremdkörper- und Wasserschutz) entsprechen.

(6) Die Messeinrichtungen sind so zu installieren und unterzubringen, dass

  1. die in den jeweiligen Gerätespezifikationen angegebenen Nenngebrauchsbereiche eingehalten werden,
  2. Prüfung, Wartung und Instandsetzung leicht möglich sind.

(7) Messbehälter und Probenentnahmebehälter müssen auszubauen, dekontaminierbar und spülbar sein.

(8) In Hinblick auf die Störfestigkeit der Messeinrichtungen gegen elektromagnetische Störgrößen, z.B. elektrostatische Entladungen, elektromagnetische Felder, Störspannungen, ist das EMVG einzuhalten.

(9) Kontinuierlich betriebene Messeinrichtungen sind an eine Notstromversorgung anzuschließen.

(10) Kontinuierlich betriebene Messeinrichtungen sind selbst-überwachend auszuführen.

(11) Nach einer Stromunterbrechung müssen die Messeinrichtungen nach (9) selbsttätig wieder anlaufen.

(12) Bei Messeinrichtungen, die an oder in einem Bypass angeordnet sind, ist der Durchfluss im Bypass zu überwachen. Für Messeinrichtungen, die direkt an einem System angeordnet sind, ist der Durchfluss des Messmediums zu überwachen.

(13) Eventuelle Zählratenverluste der Messeinrichtungen (z.B. durch Totzeiten) innerhalb des Messbereichs müssen als Funktion der Zählrate bekannt sein und berücksichtigt werden. Eine Abnahme der Anzeige bei zunehmender Messgröße (Übersteuerung) darf nicht auftreten.

4.1.2 Faktoren für die statistische Sicherheit

(1) Der Faktor k1-α nach DIN ISO 11929 hat den Wert 1,645.

(2) Der Faktor k1-β nach DIN ISO 11929 hat den Wert 1,645.

(3) Der Faktork.k1-γ/2 nach DIN ISO 11929 hat den Wert 1,645.

4.1.3 Einstellung der Energieschwelle

Es muss sichergestellt sein, dass die untere Energieschwelle unter Berücksichtigung ihrer Schwankungen so eingestellt wird, dass alle Radionuklide mit Gamma-Energien oberhalb 100 keV erfasst werden.

4.1.4 Schwellenwerte

(1) Müssen Geräte im Betrieb nachjustiert werden, so sind fest eingebaute Einstellmöglichkeiten hierfür vorzusehen. Alle Einstellmöglichkeiten an den elektronischen Geräten der Mess- und Überwachungseinrichtungen sind so anzuordnen oder abzusichern, dass eine Verstellung durch Unbefugte weitgehend ausgeschlossen ist. Eine selbsttätige Verstellung muss ausgeschlossen werden.

(2) Geräteausfall und Überschreiten von Schwellenwerten müssen optisch und akustisch in der Warte angezeigt und aufgezeichnet werden. Sammelmeldungen sind zulässig, wenn in der Warte oder in einem Wartennebenraum angezeigt wird, von welcher Messstelle die Meldung kommt. Die akustischen Meldungen dürfen vor Behebung der Ursachen einzeln oder gemeinsam gelöscht werden.

(3) Die optischen Signale in der Warte zur Ausfallmeldung und bei Überschreitung der oberen Schwellenwerte müssen den Meldezustand erkennen lassen.

4.1.5 Messwertanzeige und Aufzeichnung

(1) Die Messgeräte sollen nur einen Anzeigebereich haben. Sind mehrere Anzeigebereiche notwendig, so müssen

  1. bei mehreren linearen Anzeigebereichen die Anzeigebereiche sich um mindestens 10 % überlappen, wobei sich die Skalenendwerte höchstens um den Faktor 10 unterscheiden dürfen,
  2. bei mehreren logarithmischen Anzeigebereichen die Anzeigebereiche sich um mindestens eine Zehnerpotenz überlappen.

(2) Alle Messwerte sollen an den Messeinrichtungen angezeigt und müssen in der Warte angezeigt und aufgezeichnet werden.

(3) Die Aufzeichnungen müssen über einen Zeitraum von mindestens 3 h direkt sichtbar und gut lesbar sein.

4.1.6 Prüfbarkeit

Die Messeinrichtungen sind so auszulegen und auszuführen, dass das einwandfreie Funktionieren der Einzelgeräte im Rahmen von erstmaligen Prüfungen nach 5.2.1 und wiederkehrenden Prüfungen nach 5.2.2 festgestellt werden kann. Funktionsprüfungen müssen auch während des Leistungsbetriebs des Kernkraftwerks durchgeführt werden können.

4.2 Spezielle Anforderungen an festinstallierte Messeinrichtungen

Hinweis:

Tabelle 4-2 gibt einen Überblick über die Mindestmessbereiche sowie die Schwellenwerte und Schaltwerte der Gesamt-Gamma-Messeinrichtungen

4.2.1 Nachweisgrenzen

Die Nachweisgrenzen im Sinne von 2 (11) dürfen für die Messeinrichtungen für kontinuierliche Messungen nicht größer sein als die unteren Grenzen der im Folgenden angegebenen Mindestmessbereiche.

4.2.2 Gamma-Messeinrichtung in der Ablaufleitung aus dem Übergabebehälter

(1) Der Messbereich der Gamma-Messeinrichtung zur kontinuierlichen Messung des Caesium-137-Äquivalents in der Ablaufleitung aus dem Übergabebehälter muss mindestens von 4 · 105 Bq/m3 bis 4 · 107 Bq/m3 reichen.

(2) Sowohl die Überschreitung des Wertes des Caesium-137- Äquivalents von 2 · 107 Bq/m3 als auch der Ausfall der Messeinrichtung sind auf der Warte automatisch zu melden und aufzuzeichnen. Das Ablaufventil des Übergabebehälters ist in diesen Fällen automatisch zu schließen und die Förderpumpe abzuschalten.

4.2.3 Gamma-Messeinrichtungen in nuklearen Zwischenkühlkreisläufen

Der Messbereich der Gamma-Messeinrichtungen zur kontinuierlichen Messung des Caesium-137-Äquivalents in nuklearen Zwischenkühlkreisläufen muss mindestens von 4 · 105 Bq/m3 bis 4 · 107 Bq/m3 reichen. Sowohl die Überschreitung des Wertes des Caesium-137-Äquivalents von 4 · 108 Bq/m3 als auch der Ausfall der Messeinrichtung sind auf der Warte zu melden und aufzuzeichnen.

4.2.4 Gamma-Messeinrichtungen in Dampferzeugerabschlämmsträngen bei Druckwasserreaktoren

Der Messbereich der Gamma-Messeinrichtungen zur kontinuierlichen Messung des Caesium-137-Äquivalents in Dampferzeugerabschlämmsträngen muss mindestens von 1 · 105 Bq/m3 bis 4 · 105 Bq/m3 reichen. Sowohl die Überschreitung eines Wertes des Caesium-137-Äquivalents von 4 · 105 Bq/m3 als auch der Ausfall einer Messeinrichtung sind auf der Warte zu melden und aufzuzeichnen.

4.2.5 Messeinrichtungen im Hilfsdampfsystem

(1) Der Messbereich der Gamma-Messeinrichtung zur kontinuierlichen Messung des Caesium-137-Äquivalents im Hilfsdampfkondensat muss grundsätzlich mindestens von 2 · 104 Bq/m3 bis 1 · 107 Bq/m3 reichen. Der Beginn des Messbereiches darf auf 50 % des Schaltwertes angehoben werden.

(2) Sowohl der Ausfall der Messeinrichtung nach (1) als auch die Überschreitung des Schaltwertes nach 3.5.1 (2) sind auf der Warte zu melden und aufzuzeichnen.

(3) Bei Dampfentnahme aus einem Hilfskesselsystem außerhalb des Kontrollbereiches ist die Überschreitung des Schaltwertes nach 3.5.2 (1) auf der Warte zu melden und aufzuzeichnen.

(4) Der Messbereich der Messeinrichtung nach Abschnitt 3.5.1 (6) soll den Bereich von 5 % bis 200 % des Schaltwertes nach 3.5.1 (6) umfassen.

(5) Sowohl der Ausfall der Messeinrichtung nach (4) als auch die Überschreitung des Schaltwertes nach 3.5.1 (6) sind auf der Warte zu melden und aufzuzeichnen.

4.2.6 Gamma-Messeinrichtung im Rücklaufkanal oder Einleitungsbauwerk

Der Messbereich der Gamma-Messeinrichtung zur kontinuierlichen Messung des Caesium 137-Äquivalents im Rücklaufkanal oder Einleitungsbauwerk muss mindestens von 1 · 104 Bq/m3 bis 2 · 108 Bq/m3 reichen. Sowohl die Überschreitung eines Wertes des Caesium 137-Äquivalents von 4 · 105 Bq/m3 als auch der Ausfall der Messeinrichtung sind auf der Warte zu melden und aufzuzeichnen.

4.2.7 Ausfall der Gamma-Messeinrichtungen für kontinuierliche Messungen

Die bei Ausfall der Gamma-Messeinrichtungen zur kontinuierlichen Messung des Caesium-137-Äquivalents an den Proben nach 3.3.4, 3.4.1.4, 3.5.3 und 3.6.4 durchzuführenden Integralen Messungen sind mit einer Gamma-Messeinrichtung nach 4.3.4 vorzunehmen.

4.3 Anforderungen an nicht festinstallierte Mess- und Probenentnahmeeinrichtungen

4.3.1 Allgemeine Anforderungen

(1) Für die Analyse der Probe nach 3.2.2 sowie von Misch- und Sammelproben sind im Labor geeignete Verfahren und Messeinrichtungen vorzusehen.

Hinweis:

Zur Veranschaulichung des Regeltextes sind beispielhaft in Anhang E nicht festinstallierte Mess- und Probenentnahmeeinrichtungen dargestellt, die im Rahmen dieser Regel zum Einsatz kommen.

(2) Die Mess- und Probenentnahmeeinrichtungen sind so zu installieren und unterzubringen, dass

  1. die in den jeweiligen Gerätespezifikationen angegebenen Nenngebrauchsbereiche eingehalten werden,
  2. Prüfung, Wartung und Instandsetzung leicht möglich sind.

(3) Labore müssen geeigneten Qualitätssicherungsmaßnahmen nach KTA 1401 unterliegen.

(4) Für vom Betreiber beauftragte Labore müssen zusätzlich geeignete Qualifizierungsnachweise nach den Anforderungen der RL "Kontrolle der Eigenüberwachung" vorliegen.

4.3.2 Prüfbarkeit

Die Mess- und Probenentnahmeeinrichtungen sind so auszulegen und auszuführen, dass das einwandfreie Funktionieren nach 5.3 festgestellt werden kann. Funktionsprüfungen müssen auch während des Leistungsbetriebs des Kernkraftwerks durchgeführt werden können.

4.3.3 Faktoren für die statistische Sicherheit

(1) Der Faktor k1-α nach DIN ISO 11929 hat den Wert 1,645.

(2) Der Faktor k1-β nach DIN ISO 11929 hat den Wert 1,645.

4.3.4 Gesamt-Gamma-Messeinrichtungen

Hinweis:

Tabelle 4-2 gibt einen Überblick über die Mindestmessbereiche und die Schwellenwerte/Schaltwerte der Gesamt-Gamma-Messeinrichtungen

(1) Der Messbereich der Gamma-Messeinrichtungen muss mindestens von 1 · 104 Bq/m3 bis 2 · 108 Bq/m3 (Caesium-137- Äquivalent) reichen.

(2) Die Nachweisgrenze im Sinne von 2 (11) darf für die Messeinrichtungen nach (1) nicht größer sein als die untere Grenze der dort angegebenen Mindestmessbereiche.

4.3.5 Einrichtungen zur Einzelnuklidanalyse

Die Anforderungen hinsichtlich der Nachweisgrenze für Gammastrahler nach 3.2.4.1 sind einzuhalten.

4.3.6 Alpha- und Beta-Messeinrichtungen für diskontinuierliche Messungen

Die Anforderungen hinsichtlich der Nachweisgrenzen für Alpha- und Betastrahler nach 3.2.4 sind einzuhalten.

5 Instandhaltung der Überwachungseinrichtungen

Hinweis:

Die Anforderungen des Abschnitts 5 gelten, soweit nicht anders angegeben, für fest- und nicht festinstallierte Messeinrichtungen.

5.1 Wartung und Instandsetzung

5.1.1 Durchführung

Wartung und Instandsetzung der Messeinrichtungen müssen nach den jeweiligen Betriebs- und Instandsetzungsanweisungen von fachkundigen Personen vorgenommen werden.

5.1.2 Dokumentation

Alle durchgeführten Wartungs- und Instandsetzungsarbeiten sind zu dokumentieren. Die Aufzeichnungen müssen folgende Angaben enthalten:

  1. eindeutige Bezeichnung der Messeinrichtung,
  2. Art der durchgeführten Wartung oder Instandsetzung,
  3. Art und Anzahl der ausgewechselten Teile,
  4. Gründe für das Auswechseln von Teilen,
  5. für die neu eingesetzten Teile: Datum und nähere Bezeichnung der Prüfzeugnisse und der nach dieser Regel erforderlichen Prüfnachweise,
  6. Angaben über Ausfallzeiten,
  7. Datum der Wartung oder Instandsetzung sowie
  8. Namen und Unterschriften der fachkundigen Personen.

5.2 Prüfungen für festinstallierte Messeinrichtungen

Die Messeinrichtungen sind folgenden Prüfungen zu unterziehen:

  1. vor ihrem Einsatz in einem Kernkraftwerk:
    1. a) Nachweis der Eignung,
    2. b) Kalibrierung,
  2. vor ihrem ersten Einsatz in einem bestimmten Kernkraftwerk:
    1. a) Eignungsüberprüfung,
    2. b) Überprüfung der Kalibrierung mit Festpräparaten,
    3. c) Werksprüfung,
    4. d) Inbetriebsetzungsprüfung,
  3. während des Einsatzes im Kernkraftwerk:
    1. a) regelmäßig wiederkehrenden Prüfungen,
    2. b) Prüfungen nach Wartungs- und Instandsetzungsarbeiten.

5.2.1 Prüfungen vor dem ersten Einsatz in einem Kernkraftwerk

5.2.1.1 Nachweis der Eignung

(1) Vor erstmaligem Einsatz in einem Kernkraftwerk ist nachzuweisen, dass die Messeinrichtungen ihre Aufgaben erfüllen und den spezifizierten Anforderungen genügen.

Hinweise:

(1) Hierzu sind weitere Anforderungen in KTA 1505 "Nachweis der Eignung von Strahlungsmesseinrichtungen" enthalten.

(2) Der Nachweis der Eignung besteht aus dem (anlagenunabhängigen) Nachweis von Geräteeigenschaften und der anlagenbezogenen Eignungsüberprüfung.

(2) Die anlagenbezogene Eignungsüberprüfung ist durch die zuständige Behörde oder einen zugezogenen Sachverständigen durchzuführen.

5.2.1.2 Kalibrierung und Überprüfung der Kalibrierung

(1) Die Messeinrichtungen nach 4.2 sind vor ihrem ersten Einsatz in einem Kernkraftwerk mit Caesium-137 zu kalibrieren. Diese Kalibrierung darf auch an einem typgleichen Gerät durchgeführt werden.

(2) Das Ansprechvermögen der Messeinrichtungen muss für Gamma-Strahlung im Energiebereich von 100 keV bis 1.700 keV bekannt sein, bei Dosisleistungsmesseinrichtungen nach 3.5.1 (6) bis zu den Energien, die beim Zerfall von Stickstoff-16 emittiert werden.

Hinweis:

Bei diesen Dosisleistungsmesseinrichtungen kann durch geeignete Maßnahmen, z.B. Abschirmungen, die relative Nachweisempfindlichkeit für die beim Zerfall des Stickstoffs-16 emittierten Gammastrahlen im Vergleich zur Nachweisempfindlichkeit für Gammastrahlen im Energiebereich unter 1 MeV verbessert werden.

(3) Bei der Kalibrierung ist ein Satz von Festpräparaten festzulegen, mit denen jeweils ein Anzeigewert in einer der unteren und einer der oberen Dekaden des Messbereichs kontrolliert werden kann und der später eine Anschlusskalibrierung weiterer typgleicher Geräte ermöglicht.

(4) Im Zuge der Anschlusskalibrierung der Messeinrichtungen ist mit einem Festpräparat in definierter und reproduzierbarer Geometrie ein Anschlusswert zu bestimmen, der später eine Überprüfung der Kalibrierung ermöglicht.

5.2.1.3 Werksprüfung

(1) In einer Werksprüfung sind die ordnungsgemäße Herstellung und die einwandfreie Funktion der Messeinrichtungen nachzuweisen.

(2) Setzen sich die Messeinrichtungen aus Komponenten verschiedener Hersteller zusammen, so müssen die ordnungsgemäße Herstellung und einwandfreie Funktion dieser Komponenten durch Prüfungen beim jeweiligen Hersteller nachgewiesen werden.

(3) Die Werksprüfung ist als eine Stückprüfung durchzuführen und muss umfassen:

  1. Sichtprüfung,
  2. Prüfung des Ausgangswertes in Abhängigkeit von der spezifizierten Betriebsspannungsschwankung,
  3. Prüfung der Kennlinie mit einem Impuls- oder Stromgenerator mit mindestens einem Prüfwert pro Dekade des Messbereichs.
  4. Prüfung der Übersteuerungsfestigkeit (elektronisch oder mittels Präparat) und
  5. Überprüfung der Kalibrierung mittels Festpräparat.

(4) Die Werksprüfung ist durch Werkssachverständige durchzuführen, in begründeten Fällen in Anwesenheit von durch die zuständige Behörde zugezogenen Sachverständigen.

5.2.1.4 Inbetriebsetzungsprüfung

(1) In der Inbetriebsetzungsprüfung nach Installation sind die einwandfreie Ausführung und Funktion der Messeinrichtungen nachzuweisen. Es müssen geprüft werden:

  1. Ausführung der Messeinrichtungen,
  2. Installation der Messeinrichtungen,
  3. Anzeige (mit mindestens einem Prüfwert pro Dekade des Messbereichs),
  4. Überprüfung der Kalibrierung (mittels Festpräparat),
  5. Schwellenwerteinstellung und Signalisierung,
  6. Geräteausfallmeldung,
  7. Anschluss an das Notstromsystem,
  8. selbsttätiges Wiederanlaufen nach Unterbrechung der Stromversorgung,
  9. Durchflussüberwachung,
  10. Messwertverarbeitung,
  11. Versorgung mit Betriebsmedien.

Bezüglich d) muss die Rückführung auf die Kalibrierung nach 5.2.1.2 (1) nachgewiesen sein.

(2) Bei digitalen Messeinrichtungen ist ein Referenzparametersatz festzulegen.

(3) Die Inbetriebsetzungsprüfung ist durch den Betreiber sowie in einem von der zuständigen Behörde festgelegten Umfang durch die Behörde oder einen zugezogenen Sachverständigen durchzuführen.

5.2.2 Wiederkehrende Prüfungen

5.2.2.1 Allgemeines

(1) Für die Prüfliste, die Prüfanweisungen und die Prüfnachweise ist KTA 1202 anzuwenden.

(2) Die Prüfungen müssen ohne Eingriff in die Schaltung (z.B. Löten) erfolgen können.

5.2.2.2 Regelmäßig wiederkehrende Prüfungen

(1) Durch regelmäßig wiederkehrende Prüfungen ist die einwandfreie Funktion der Messeinrichtungen nachzuweisen. Dabei sind die in Tabelle 5-1 angegebenen Prüfungen und Prüfhäufigkeiten zugrunde zu legen.

(2) Die Prüfungen sind durch den Betreiber sowie in einem von der zuständigen Behörde festgelegten Umfang durch die Behörde oder einen zugezogenen Sachverständigen durchzuführen.

5.2.2.3 Prüfung nach einer Instandsetzung

Nach einer Instandsetzung ist die einwandfreie Funktion durch eine dem Umfang der Instandsetzung entsprechende Inbetriebsetzungsprüfung nach 5.2.1.4 nachzuweisen.

5.2.2.4. Beseitigung von Mängeln

Zur Beseitigung von Mängeln sind im Betriebshandbuch Reparaturzeiten und ggf. Ersatzmaßnahmen festzulegen. Die Mängel einschließlich der zu ihrer Beseitigung getroffenen Maßnahmen sind zu protokollieren.

5.3 Prüfungen für nicht festinstallierte Messeinrichtungen

(1) Es ist nachzuweisen, dass die Messeinrichtungen ihre Aufgaben erfüllen und den spezifizierten Anforderungen dieser Regel genügen.

(2) Die Messeinrichtungen sind für ihren jeweiligen Messzweck zu kalibrieren.

(3) In der Inbetriebsetzungsprüfung sind die einwandfreie Ausführung und Funktion der Messeinrichtungen nachzuweisen. Es müssen geprüft werden:

  1. Ausführung der Messeinrichtungen,
  2. Aufstellung der Messeinrichtungen,
  3. Funktionsprüfung und Überprüfung der Kalibrierung und
  4. Versorgung mit Betriebsmedien.

(4) Die Inbetriebsetzungsprüfung ist durch den Betreiber sowie in einem von der zuständigen Behörde festgelegten Umfang durch die Behörde oder einen zugezogenen Sachverständigen oder in deren Anwesenheit durchzuführen.

(5) Für die Prüfliste, die Prüfanweisungen und die Prüfnachweise ist KTA 1202 anzuwenden.

(6) Durch regelmäßig wiederkehrende Prüfungen ist die einwandfreie Funktion der Messeinrichtungen nachzuweisen. Dabei sind die in Tabelle 5-1 lfd. Nr. 2 und 7 angegebenen Prüfungen und Prüfhäufigkeiten zugrunde zu legen.

(7) Nach einer Instandsetzung ist die einwandfreie Funktion durch eine dem Umfang der Instandsetzung entsprechende Inbetriebsetzungsprüfung nachzuweisen.

6 Messergebnisse

6.1 Dokumentation

6.1.1 Fließschema

(1) Die für die Überwachung der mit Wasser abgeleiteten radioaktiven Stoffe eingerichteten Probenentnahme- und Messeinrichtungen in den zu überwachenden Systemen sind in ein übersichtliches Fließschema einzuzeichnen. Durch unterschiedliche Symbole sind Art der Probenentnahme und Messung zu kennzeichnen.

(2) In einer dem Fließschema zugeordneten Beschreibung, z.B. in Form einer Tabelle, sind für jede Probenentnahme- und Messeinrichtung die erforderliche Messaufgabe und Messdurchführung festzuhalten. Für Probenentnahmen sind Zweck, Art, Ort und Häufigkeit sowie die durchzuführenden Messungen aufzuführen. Für die Messeinrichtungen sind die Messaufgaben und die messtechnischen Anforderungen, insbesondere Messart, Messeinrichtung einschließlich Abschirmung, Kalibrierung, Anzeigebereiche, Nachweisgrenzen und Messunsicherheit anzugeben. Für das Labor sind ebenfalls die Messaufgaben und die messtechnischen Anforderungen zu beschreiben.

6.1.2 Umfang

Die Dokumentation muss so angelegt werden, dass ein lückenloser Nachweis der Ableitung der radioaktiven Stoffe mit Wasser möglich ist. Dazu gehören die Aufzeichnungen über

  1. Aktivitätsmessungen (Einzelnuklid-Aktivitätskonzentrationen und Ableitungsraten),
  2. Probenentnahmen (kontinuierlich, diskontinuierlich; Zeitpunkt, Zeitspanne),
  3. Wassermengen (Menge, Zeitpunkt, Zeitspanne, Einleitungsstelle) und
  4. Verantwortliche und Ausführende.

6.2 Berichterstattung an die Behörden

6.2.1 Inhalt

Die Berichterstattung über die Ableitung radioaktiver Stoffe mit Wasser an die zuständige Aufsichtsbehörde muss umfassen:

  1. Menge der Wasserabgaben,
  2. Genehmigungswerte,
  3. nuklidspezifische Aktivitätsableitung und deren Messunsicherheit sowie
  4. die im Berichtszeitraum mit den benutzten Messeinrichtungen erreichten minimalen und maximalen Erkennungsgrenzen.

6.2.2 Bilanzierung

(1) Der nuklidspezifische Nachweis der Aktivitätsableitungen und der Vergleich mit den Genehmigungswerten müssen vierteljährlich und für die Zeitspanne seit Jahresanfang vorgenommen werden. In der Bilanzierung bleiben Radionuklide mit Konzentrationen unterhalb der erreichten Erkennungsgrenzen außer Betracht.

(2) Ist für das Nebenkühlwasser und das Maschinenhausabwasser eine Bilanzierung der Aktivität nach 3.3.3 oder 3.4.1.3 erforderlich, muss jeweils ein gesonderter Berichtsbogen erstellt werden.

6.2.3 Berichtsbögen

(1) Für die regelmäßige Berichterstattung sollen Berichtsbögen nach Bild 6-1 benutzt werden.

(2) In der Spalte "Abgeleitete Aktivität" sind nur Werte einzutragen, die sich aus Messwerten der Aktivitätskonzentration oberhalb der Erkennungsgrenze ergeben. Wurden keine Werte oberhalb der Erkennungsgrenze ermittelt, sind die entsprechenden Felder mit "n.n." zu kennzeichnen.

(3) In der Spalte "abgeleitete Aktivität und deren Unsicherheit" ist die Summation von Messunsicherheiten gemäß der Gauß'schen Fehlerfortpflanzung durchzuführen und in den entsprechenden Zeilen einzutragen.

Tabelle 5-1: Regelmäßig wiederkehrende Prüfungen

Lfd.-Nr. Prüfobjekt Prüfverfahren Prüfhäufigkeit
durch Betreiber durch die Behörde oder einen zugezogenen Sachverständigen
1 festinstallierte Messeinrichtungen a) Sichtprüfung bei Kontrollgängen -
b) Sichtprüfung

c) Überprüfung der Kalibrierung mittels Festpräparat:

  • Ansprechvermögen
  • Lage der Photolinie im Energiespektrum (Peaklage)

d) Überprüfung der unteren Energieschwelle

vierteljährlich jährlich
2 Prüf- und Wartungsaufzeichnungen Einsichtnahme - jährlich
3 Elektronikbaugruppen Einspeisung von geeigneten Signalen an vorgesehenen Eingängen oder Simulation von Signalen direkt im Messumformereingang mit mindestens einem Wert pro Dekade des Messbereichs1) zur integralen Prüfung des Messumformers.

Zur Prüfung des Messumformerausgangs sowie registrierender Einrichtungen wie Anzeiger, Schreiber, Überwachungsrechner, ist pro Dekade mindestens ein Wert des Messbereichs zu simulieren, der bei rechnerbasierten Messeinrichtungen auch tastaturgestützt mittels Rechnerprogramm erzeugt werden kann.

Vergleich aller Anzeigen und Aufzeichnungen

Bei digital arbeitenden Messeinrichtungen: Vergleich von eingestellten Parametern mit dem Referenzparametersatz

jährlich jährlich
4 Signalisierung Betriebsbereitschaft: visuell Ausfallmeldungen: bei Kontrollgängen jährlich
a) durch Unterbrechung der Spannungszufuhr oder

b) durch Auftrennen der Signalverbindung zwischen Messumformer und Detektor oder

c) durch Vorgabe eines Wertes unterhalb der Ausfallschwelle,

d) bei digital arbeitenden Mess- und Sammeleinrichtungen genügt es, die Signalisierung über die im Programm vorgesehene Funktion zu prüfen, wenn das Programm geprüft ist und sich selbst überwacht.

vierteljährlich jährlich
Schwellenwertmeldungen: mit Strahlenquelle oder elektrisch vierteljährlich jährlich
5 Durchflussüberwachung und Betriebsmedienversorgung
ohne automatische Funktionskontrolle Sichtprüfung bei Kontrollgängen -
mit automatischer Funktionskontrolle Sichtprüfung und Vergleich des Sollwertes mit dem Istwert vierteljährlich jährlich
6 automatisch arbeitende Probenentnahmeeinrichtung2) a) Sichtprüfung und
b) Funktionsprüfung
c) Prüfung der Ausfallmeldungen
bei Kontrollgängen
jährlich
jährlich
-
jährlich
jährlich
7 nicht festinstallierte Messeinrichtungen a) Sichtprüfung
b) Überprüfung der Kalibrierung
vierteljährlich
vierteljährlich
jährlich
jährlich
1) Die Prüfmethode der Simulation von Detektorsignalen am Messumformereingang zur Integralen Prüfung von Messumfomier und Messkreisen - mit wenigstens einem Wert pro Dekade - ist bei rechnerbasiert arbeitenden Messeinrichtungen nicht erforderlich, wenn das Programm qualifiziert ist. Hier genügt die Einspeisung eines Signals in der obersten Dekade des Messbereiches, wenn in der vorverarbeitenden Elektronik im gesamten Messbereich keine Umschaltungen vorgenommen werden. Auch diese kann entfallen, wenn bei der Überprüfung der Kalibrierung ein Messwert in die oberste Dekade des Messbereichs fällt.

2) Nach den Abschnitten 3.3.2, 3.4.1.2 (für DWR), 3.4.2 (2) (für SWR), 3.6.2, 3.6.3 und ggf. 3.7.

Bild 6-1: Berichtsbogen über die Ableitung radioaktiver Stoffe mit Wasser

Berichtsbogen über die Ableitung radioaktiver Stoffe mit Wasser Blatt von
Kraftwerk: Quartal: Jahr:
Wasserabgabe Übergabebehälter Sonstige Systeme
im Quartal: m3 Nebenkühlwasser
seit Jahresanfang: m3 Maschinenhausabwasser
Erkennungsgrenze (Bq/m3) Abgeleitete Aktivität3) (Bq) und deren Unsicherheit (Bq) Genehmigungswert
Radionuklid min. max. im Quartal seit Jahresanfang in Bq/a Bemerkungen
Cr-51
Mn-54
Fe-59
Co-57
Co-58
Co-60
Zn-65
Zr-95
Nb-95
Ru-103
Ru-106
Ag-110m
Te-123m
Sb-124
Sb-125
1-131
Cs-134
Cs-137
Ba-140
La-140
Ce-141
Ce-144
.....................1)
Sr-89
Sr-90
Fe-552)
Ni-632)
Summe
β -/
γ -Strahler
Gesamt-
α -Akt.
Pu-238
Pu-239 + Pu-240
Am-241
Cm-242
Cm-244
Summe einzelne a-Strahler
Summe
α -/
β -/
γ -Strahler ohne H-3
H-3 .
1) ggf. weitere Gammastrahler mit Halbwertszeiten größer als 8 Tage

2) Entsprechende Angaben entfallen hier ggf., da die Bestimmung der Radionuklide Fe-55 und Ni-63 nach 3.2.4.4 nur an Jahresmischproben durchzuführen ist.

3) n.n. = nicht nachgewiesen

.

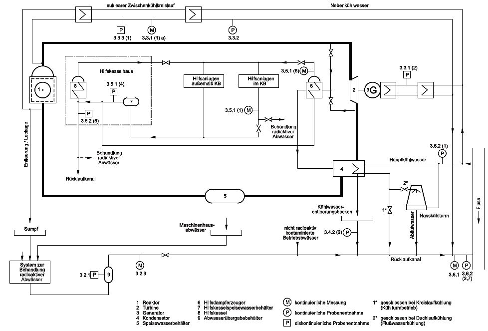
Beispiel einer Abwasser- und Kühlwasserüberwachung bei anlagen mit Druckwasserreaktoren Anhang A
(informativ)

.

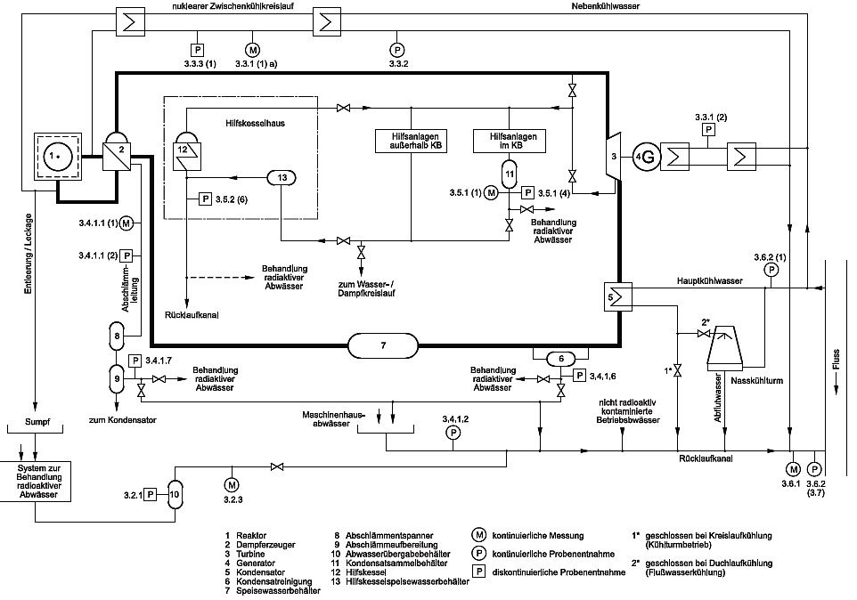
Beispiel einer Abwasser- und Kühlwasserüberwachung bei Anlagen mit Siedewasserreaktoren Anhang B
(informativ)

.

Anleitung zur Herstellung der Wochen-, Monats-, Vierteljahres- und Jahresmischproben für Bilanzierungsmessungen Anhang C

C 1 Allgemeines

Proportional zur Menge der Ableitung des Abwassers aus dem Übergabebehälter sind für die Durchführung der Bilanzierungsmessungen Wochen-, Monats-, Vierteljahres- und Jahresmischproben herzustellen. Dabei werden zunächst die Wochenmischproben, aus diesen die Vierteljahresmischproben und daraus die Jahresmischprobe hergestellt.

C 2 Ansäuerung und Trägerung

Die zur Herstellung der Wochenmischproben aus dem Übergabebehälter entnommenen Proben sind anzusäuern und anschließend mit Trägermischlösung 1 und 2 zu trägern.

C 2.1 Ansäuerung der Proben

Zur Ansäuerung der Proben aus dem Übergabebehälter wird eine solche Menge konzentrierte Salpetersäure zugegeben, bis sich ein pH-Wert zwischen 1 und 2 einstellt. Der pH-Wert ist zu überprüfen.

C 2.2 Trägerung der Proben

Zur Herstellung der Trägermischlösung 1 werden die in der Tabelle angegebenen 13 Substanzen in 100 ml Salzsäure (0,1 mol l-1) gelöst. Trägermischlösung 2 ergibt sich durch das Lösen der beiden Substanzen SbCl3 6 H2O und Weinsäure in 100 ml Wasser. Die Trägerung der Proben erfolgt durch Zugabe von jeweils 1 ml beider Trägermischlösungen auf 1 Liter Probe.

Tabelle C-1: Zusammenstellung der Substanzen zur Herstellung der Trägermischlösungen 1 und 2

Trägermischlösung 1 Trägermischlösung 2
Verbindung Menge
in g
Verbindung Menge
in g
1. CrCl3· 6 H2O 2,0 1. SbCl3· 6 H2O 1,1
2. MnCl2· 4 H2O 1,4 2. Weinsäure 4,0
3. FeCl3· 6 H2O 1,9
4. CoCl2· 6 H2O 1,6
5. ZrOCl2· 8 H2O 1,4
6. CsCl 0,5
7. BaCl2· 2 H2O 0,7
8. LaCl3· 7 H2O 1,0
9. CeCl3· 7 H2O 1,0
10. SrCl2· 6 H2O 1,2
11. YCl3· 6 H2O 1,3
12. ZnCl2 0,8
13. NiCl2· 6 H2O 1,6

.

Erläuterungen Anhang D

Abschnitt 3.5.1 "Überwachung"

Bei Druckwasserreaktoren wird die Überwachung der Aktivitätsableitung mit dem Maschinenhausabwasser nach 3.4.1.1 indirekt durch die Überwachung der Dampferzeugerabschlämmung mittels kontinuierlich integral messender Gamma-Messeinrichtungen durchgeführt. Eine Bilanzierung der Aktivität ist erforderlich, sobald der Wert des Caesium-137-Äquivalents in der Dampferzeugerabschlämmung 4 · 105 Bq/m3 überschreitet ( 3.4.1.3).

Ein vergleichbarer Hinweis auf mögliche Aktivitätseinträge in das Maschinenhausabwasser darf aus der Überwachung des Hilfsdampfkondensats abgeleitet werden. Daraus ergibt sich die Notwendigkeit, die Abgaben mit dem Maschinenhausabwasser auch dann zu bilanzieren, wenn der Wert des Caesium-137-Äquivalents im Hilfsdampfkondensat, das ins Maschinenhaus zurückgefördert wird, 4 · 105 Bq/m3 überschreitet.

Im Regeltext darf auf eine entsprechende Ausformulierung verzichtet werden, da durch die Maßnahmen, die in 3.5.1 gefordert werden, sichergestellt ist, dass Hilfsdampfkondensat, in dem der Wert des Caesium-137-Äquivalents 2 · 105 Bq/m3 überschreitet, nicht oder nur kurzzeitig ins Maschinenhaus zurückgefördert wird.

.

Beispiele nicht fest installierter Mess- und Probenentnahmeeinrichtungen, die nach KTA 1504 zum Einsatz kommen Anhang E
(informativ)


Messobjekt Aufgabe Abschnitt A B C D E F
radioaktiv kontaminiertes Abwasser Probenentnahme 3.2.1
Entscheidungsmessung 3.2.2 x
Wochenmischprobe mit gamma-nuklidspez. Bilanzierung 3.2.4.1 x
vierteljährliche Mischprobe und Sr-89 und Sr-90 Auswertung 3.2.4.2 x
vierteljährliche Mischprobe und Alpha-Strahler Auswertung 3.2.4.3 x a)
Jahresmischprobe und Fe-55-Auswertung 3.2.4.4 x
Jahresmischprobe und Ni-63-Auswertung 3.2.4.4 x
Monatsmischprobe und Tritium-Auswertung 3.2.4.5 x
Nebenkühlwasser monatliche Probe aus dem Zwischenkühlkreislauf mit Tritium-Auswertung 3.3.1 o) x
falls Generator-Kühlkreislauf Tritium enthält, monatliche Probe u. Ausw. 3.3.1 (2) x
bei unmittelbarer Einleitung, wie 3.6.1, 3.6.2 und 3.6.3 3.3.1 (3) x x
im rücklaufenden Wasserstrom Sammelprobe entnehmen 3.3.2 x
wöchentliche Probe und Ermittlung der Aktivitäskonzentration 3.3.3 (1) x
wenn Produkt > 4E8 Bq/d, dann Auswertung nach 3.2.4.1 3.3.3 (1) x
Ermittlung der täglichen Deionatmengen 3.3.3 (1)
monatliche Mischprobe mit Tritium-Messung 3.3.3 (2) x
monatliche Mischprobe mit Sr-89 und Sr-90 Auswertung 3.3.3 (2) x
vierteljährliche Mischprobe mit Alpha-Messungen 3.3.3 (3) x a)
bei Ausfall tägliche Probenentnahme mit Auswertung 3.3.4. x
Maschinenhausabwasser (nur
DWR)
monatl. Probenentnahme aus DE-Abschlämmung und Tritium-Auswertung 3.4.1.1 (2) x
mengenproport. / durchflussproport. Mischprobe über eine Woche 3.4.1.2 x
wenn DE-Abschlämmung > 4E5 Bq/m3, 3.4.1.3 (1) x
monatl. mengenproportionale Mischprobe mit Tritium-Messung 3.4.1.3 (1) x
monatl. mengenproportionale Mischprobe mit Sr-89 und Sr-90 Ausw. 3.4.1.3 (1) x
vierteljährliche mengenproportionale Mischprobe mit Alpha-Messungen 3.4.1.3 (1) x
bei Ausfall tägliche Probenentnahme mit Auswertung 3.4.1.4 x
wenn 4E5 Bq/m3, dann Bilanzierung nach 3.4.1.3 3.4.1.4 x x x
bei Anlagenstillstand tägliche Mischprobe mit Auswertung 3.4.1.5 (1) x x
Bilanzierung nach 3.2.4.1 notwendig, wenn Gesamt-Gamma > 4E4 Bq/m3 3.4.1.5 (1) x
Kondensatr. Repräsentative Probe auswerten 3.4.1.6 x
Abschlämmentsalzung Repräsentative Probe auswerten 3.4.1.7 x
wenn Akt-Konz. zw. 4E4 und 2E6 Bq/m3, dann bilanzieren nach 3.4.2 3.4.1.7 x x x
SWR-Maschinenhaus durchflussproportionale Sammelprobe oder mengenprop. Mischprobe aus dem Kühlwasserentleerungsbecken über eine Woche herstellen 3.4.2 (2) x
wöchentliche Sammelprobe oder Mischprobe auswerten 3.4.2 (2) x
wenn > 4E4 Bq/m3, dann Auswertung nach 3.2.4.1 3.4.2.(2) x
Hilfsdampfsystem wenn > 2E5 Bq/m3, dreimal Probe in einer Woche mit Auswertung 3.5.1 (4) x
wenn > 2E5 Bq/m3, tägliche Probe mit Auswertung 3.5.2 (3) x
wenn > 4E4 Bq/m3, dreimal Probe in einer Woche mit Auswertung 3.5.2 (4) x
vor Abschämm- und Entleerungsvorgängen Probe auswerten 3.5.2 (6) x
wenn Akt-Konz zw. 4E4 und 2E6 Bq/m3, dann bilanzieren nach 3.4.2 3.5.2 (7) x x x
bei Ausfall tägliche Probenentnahme mit Auswertung 3.5.3 (1) x
Hauptkühlwasser Tagessammelproben herstellen 3.6.2 (1) x
hergestellte Monatsmischprobe auswerten 3.6.2 (1) x
bei Ausfall der Tagessammelprobennahme Stichproben nehmen + ausw. 3.6.2 (2) x
wenn kont. Messstelle > 4E5 Bq/m3 unverzl. Tagessammelproben oder - stichprobe auswerten und zusätzliche Proben nehmen + auswerten 3.6.2.(4) x
bei Ausfall Tagessammelprobe oder Tagesmischprobe auswerten 3.6.4 x b)
Vorfluter Sammelproben oder Mischproben erstellen 3.6.3 x x
bei > 4E5 Bq/m3 an Messstelle nach 3.6.1, Tagesprobe unverz. ausw. 3.6.3 (2) x
Abflutwasser ggf. wie 3.6 verfahren 3.7
a) wenn D > 1E3 Bq/m3 dann zusätzlich E

b) wenn a > 4E5 Bq/m3 dann zusätzlich B

a Gesamt - Gamma - Messplatz (Cs-137 - Äquiv.)
B Gamma - nuklidspez. Messplatz
C Beta - Flüssig - Szintillations - Messplatz
D Gesamt - Alpha - Messplatz
E Alpha - nuklidspez. Messplatz
F Automatische Probenentnahme-Einrichtung

.

Bestimmungen, auf die in dieser Regel verwiesen wird Anhang F

(Die Verweise beziehen sich nur auf die in diesem Anhang angegebene Fassung. Darin enthaltene Zitate von Bestimmungen beziehen sich jeweils auf die Fassung, die vorlag, als die verweisende Bestimmung aufgestellt oder ausgegeben wurde.)

AtG Gesetz über die friedliche Verwendung der Kernenergie und den Schutz gegen ihre Gefahren (Atomgesetz - AtG) vom 23. Dezember 1959, Neufassung vom 15. Juli 1985 (BGBl. I 1985, Nr. 41), das zuletzt durch Artikel 307 der Verordnung vom 31. August 2015 (BGBl.12015, Nr. 35, S. 1474) geändert worden ist
StrlSchV Verordnung über den Schutz vor Schäden durch ionisierende Strahlen (Strahlenschutzverordnung - StrlSchV) vom 20. Juli 2001 (BGBl I S. 1714), die zuletzt durch Artikel 5 der Verordnung vom 11. Dezember 2014 (BGBl.1 2014, Nr. 58, S. 2010) geändert worden ist
SiAnf Sicherheitsanforderungen an Kernkraftwerke in der Fassung der Bekanntmachung vom 3. März 2015 (BAnz AT 30.03.2015 B2)
Interpretationen Interpretationen zu den Sicherheitsanforderungen an Kernkraftwerke vom 29. November 2013 (BAnz AT 10.12.2013 B4) geändert am 3. März 2015 (BAnz AT 30.03.2015 B3)
WHG Gesetz zur Ordnung des Wasserhaushalts (Wasserhaushaltsgesetz - WHG) in der Fassung der Bekanntmachung vom 19. August 2002 (BGBl. I S. 3245), das durch Artikel 320 der Verordnung vom 31. August 2015 (BGBl. I S. 1474) geändert worden ist
EMVG Gesetz über die elektromagnetische Verträglichkeit von Geräten ( EMVG) vom 18. September 1998 (BGBl I S. 2882), das zuletzt durch Artikel 4 Absatz 119 des Gesetzes vom 7. August 2013 (BGBl. I S. 3154) geändert worden ist
RL Kontrolle der Eigenüberwachung Richtlinie Kontrolle der Eigenüberwachung radioaktiver Emissionen aus Kernkraftwerken vom 5. Februar 1996 (GMBI. 1996, Nr. 9/10, S. 247)
KTA 1202 (2009-11) Anforderungen an das Prüfhandbuch
KTA 1401 (2013-11) Allgemeine Anforderungen an die Qualitätssicherung
KTA 1505 (2011-11) Nachweis der Eignung von festinstallierten Messeinrichtungen zur Strahlungsüberwachung
DIN ISO 11929 (2011-01) Bestimmung der charakteristischen Grenzen (Erkennungsgrenze, Nachweisgrenze und Grenzen des Vertrauensbereichs) bei Messungen ionisierender Strahlung - Grundlagen und Anwendungen (ISO 11929:2010)
DIN EN 60529 (2014-09) Schutzarten durch Gehäuse (IP-Code)
KTA-GS 82 (2014-11) Bestimmung der charakteristischen Grenzen (Erkennungsgrenze, Nachweisgrenze und Grenzen des Vertrauensbereichs) bei Kernstrahlungsmessung nach DIN ISO 11929 - Anwendungsbeispiele für die KTA-Regeln der Reihe 1500

_____
Bekanntmachung von sicherheitstechnischen Regeln des Kerntechnischen Ausschusses vom 4. Dezember 2015 (BAnz AT 08.01.2016 B4)

Gemäß § 7 Absatz 6 der Bekanntmachung über die Neufassung der Bekanntmachung über die Bildung eines Kerntechnischen Ausschusses vom 26. November 2012 (BAnz AT 10.12.2012 B2) gebe ich nachstehend die vom Kerntechnischen Ausschuss am 10. November 2015 beschlossenen Regeln (Regeländerungen)

KTA 1408.1 Qualitätssicherung von Schweißzusätzen und -hilfsstoffen für druck- und aktivitätsführende Komponenten in Kernkraftwerken;
Teil 1: Eignungsprüfung

KTA 1408.2 Qualitätssicherung von Schweißzusätzen und -hilfsstoffen für druck- und aktivitätsführende Komponenten in Kernkraftwerken;
Teil 2: Herstellung

KTA 1408.3 Qualitätssicherung von Schweißzusätzen und -hilfsstoffen für druck- und aktivitätsführende Komponenten in Kernkraftwerken;
Teil 3: Verarbeitung

KTA 1504 Überwachung der Ableitung radioaktiver Stoffe mit Wasser

KTA 2101.1 Brandschutz in Kernkraftwerken;
Teil 1: Grundsätze des Brandschutzes

KTA 2101.2 Brandschutz in Kernkraftwerken;
Teil 2: Brandschutz an baulichen Anlagen

KTA 2101.3 Brandschutz in Kernkraftwerken;
Teil 3: Brandschutz an maschinen- und elektrotechnischen Anlagen

KTA 2103 Explosionsschutz in Kernkraftwerken mit Leichtwasserreaktoren
(allgemeine und fallbezogene Anforderungen)

KTA 2201.5 Auslegung von Kernkraftwerken gegen seismische Einwirkungen;
Teil 5: Seismische Instrumentierung

KTA 2201.6 Auslegung von Kernkraftwerken gegen seismische Einwirkungen;
Teil 6: Maßnahmen nach Erdbeben

KTA 3101.3 Auslegung der Reaktorkerne von Druck- und Siedewasserreaktoren;
Teil 3: Mechanische und thermische Auslegung

KTA 3103 Abschaltsysteme von Leichtwasserreaktoren

KTA 3205.2 Komponentenstützkonstruktionen mit nichtintegralen Anschlüssen;
Teil 2: Komponentenstützkonstruktionen mit nichtintegralen Anschlüssen für druck- und aktivitätsführende Komponenten in Systemen außerhalb des Primärkreises

KTA 3211.1 Druck- und aktivitätsführende Komponenten von Systemen außerhalb des Primärkreises;
Teil 1: Werkstoffe

KTA 3301 Nachwärmeabfuhrsysteme von Leichtwasserreaktoren

KTA 3303 Wärmeabfuhrsysteme für Brennelementlagerbecken von Kernkraftwerken mit Leichtwasserreaktoren

KTA 3501 Reaktorschutzsystem und Überwachungseinrichtungen des Sicherheitssystems

KTA 3503 Typprüfung von elektrischen Baugruppen der Sicherheitsleittechnik

KTA 3505 Typprüfung von Messwertgebern und Messumformern der Sicherheitsleittechnik

in der Fassung 2015-11 bekannt (Anlage).

ENDE

umwelt-online - Demo-Version


(Stand: 27.11.2019)

Alle vollständigen Texte in der aktuellen Fassung im Jahresabonnement
Nutzungsgebühr: ab 105.- € netto

(derzeit ca. 7200 Titel s.Übersicht - keine Unterteilung in Fachbereiche)

Preise & Bestellung

Die Zugangskennung wird kurzfristig übermittelt

? Fragen ?
Abonnentenzugang/Volltextversion