Für einen individuellen Ausdruck passen Sie bitte dieEinstellungen in der Druckvorschau Ihres Browsers an. Regelwerk |
![]() |
Technische Regeln für brennbare Flüssigkeiten
TRbF 512 Richtlinie für den Bau von Abfüllsicherungen
Ausgabe Juni 1982
(BArbBl. 6/1982 S. 60; 2/1985 S. 83; 3/1986 S. 80aufgehoben)
als Technische Regel aufgehoben (BArbBl. 6/2002 S. 62) -
Beschaffenheitsanforderungen gelten bis Ablösung durch EU-Regelung weiter
Diese Richtlinie gilt für den Bau von Abfüllsicherungen an Straßentankfahrzeugen und Aufsetztanks nach TRbF 141 und 241 in Verbindung mit der GGVS(ab 1.1.2003 GGVSE) Anhang B.1 a Rn 211339 zum Abfüllen von Ottokraftstoff nach DIN 51600, Heizöl EL nach DIN 51603 und Dieselkraftstoff nach DIN 51601.
1 Begriffe
1.1 (1) Abfüllsicherungen für Straßentankfahrzeuge und Aufsetztanks - im folgenden AS genannt - sind Einrichtungen, die im Zusammenwirken mit dem Grenzwertgeber (siehe TRbF 511) - im folgenden GWG genannt - ein Überfüllen ortsfester Tanks verhindern sollen.
(2) Die AS bildet zusammen mit dem GWG eine Steuerkette.
(3) Die AS besteht in der Regel aus einem Stellglied, dem Schaltverstärker und der Verbindungsleitung.
1.2 Stellglied
(1) Das Stellglied ist eine Absperreinrichtung, die den Ablauf der Flüssigkeit aus dem Tank des Fahrzeuges gestattet und unterbricht, nachdem GWG und Schaltverstärker (siehe Nummer 1.3) ein entsprechendes Signal gegeben haben.
(2) Das Stellglied besteht in der Regel aus dem Magnetventil, der Absperrarmatur und dem evtl. zwischengeschalteten Kraftverstärker.
1.3 Schaltverstärker
Der Schaltverstärker steuert in Verbindung mit dem GWG das Stellglied.
1.4 Verbindungsleitung
Die Verbindungsleitung verbindet den GWG mit dem Schaltverstärker.
2 Baugrundsätze
2.1 Allgemeines
(1) Die AS soll in Verbindung mit dem GWG das Überfüllen ortsfester Tanks beim Befüllen aus Straßentankfahrzeugen oder Aufsetztanks selbsttätig verhindern. GWG verschiedener Bauarten und Verbindungsleitungen müssen austauschbar sein, ohne die Funktion der Steuerkette zu beeinträchtigen.
(2) Alle Schaltverstärker müssen mit jedem GWG zusammenarbeiten können. Zwischen Schaltverstärker und den elektrischen Teilen der Stellglieder erfolgt eine Zuordnung. Innerhalb dieser Zuordnung müssen die Teile austauschbar sein.
2.2 Werkstoffe
Die für die Bauteile der AS verwendeten Werkstoffe müssen hinreichend korrosionsbeständig oder korrosionsgeschützt sein. Bei Verwendung von nichtmetallischen Werkstoffen sind die chemische Beständigkeit gegen die im Geltungsbereich genannten Lagergüter sowie die ausreichende thermische Beständigkeit und ggf. die ausreichende mechanische Festigkeit nachzuweisen.
2.3 Konstruktion
(1) Die AS müssen nach den allgemein anerkannten Regeln der Technik gebaut sein.
(2) Die elektrischen Bauteile müssen den VDE-Bestimmungen entsprechen.
(3) Die Abgabe des Transportgutes aus dem Tankfahrzeug bzw. dem Aufsetztank über die AS in den Lagerbehälter darf erst dann möglich sein, wenn die elektrische Verbindung zum GWG hergestellt ist und der GWG über den Schaltverstärker die Betätigung des Stellgliedes freigibt.
(4) Bei elektrischen oder mechanischen Störungen, z.B. wie Leitungsbruch, Kurzschluß, Unterschreitung des erforderlichen Arbeitsdruckes im hydraulischen oder pneumatisch betätigten System, muß die Abgabe selbsttätig unterbrochen werden.
2.4 Abfüllsicherung
2.41 Stellglied (Absperreinrichtung)
(1) Das Stellglied ist so auszuführen, daß es am Tankfahrzeug bzw. Aufsetztank fest installiert werden kann.
(2) Die Übertragung der Steuersignale vom Schaltverstärker zum Stellglied erfolgt elektrisch. Arbeitet das Stellglied mit einem Kraftverstärker, so wird innerhalb des Stellgliedes zu dessen Betätigung elektrische, mechanische, pneumatische oder hydraulische Energie umgesetzt.
(3) Die Absperrung ist so auszubilden bzw. einzustellen, daß die beim Schließen entstehende Druckspitze den Tank, die Rohrleitung, Abfüllarmaturen und Meßeinrichtungen am Tankfahrzeug sowie den Abfüllschlauch nicht gefährdet.
(4) Das Stellglied muß spätestens nach 3 Sekunden, gemessen vom Zeitpunkt der Signalgabe des Verstärkers ab, den Flüssigkeitsablauf abgesperrt haben.
(5) Die für die Betätigung des Stellgliedes eingesetzten elektrischen Betriebsmittel müssen mit Aufschriften (siehe VDE 0171) so versehen sein, daß auch im eingebauten Zustand der elektrischen Betriebsmittel die elektrischen Daten deutlich sichtbar sind.
(6) Elektrisch betätigte Magnetventile der Stellglieder sind mit einer Funkenlöscheinrichtung auszurüsten.
2.42 Schaltverstärker
(1) Der Schaltverstärker muß in dem für den Fühler gültigen Arbeitsbereich nach TRbF 511 Nr. 2.41 Ziffer 6 schalten. Die Grenzdaten des Fühlers dürfen nicht überschritten werden. Die Schaltpunkte des Verstärkers müssen einen Abstand von 0,5 ma von den in TRbF 511 Nr. 2.41 Ziffer 6 festgelegten Grenzbedingungen einhalten.
(2) Die Versorgung für den Schaltverstärker muß mit einer Gleichspannung von 12 oder 24 V Nennspannung erfolgen. Der Schaltverstärker muß mindestens in Spannungsbereichen von 9,5 bis 14,5V bzw. von 21 bis 29V arbeiten. Die Spannungsbereiche können auch erweitert werden, wenn die zugeordneten Bauteile dies zulassen, Ist ein größerer Spannungsbereich als vorstehend angegeben gewählt, so gelten alle im übrigen genannten Bedingungen für diesen erweiterten Spannungsbereich. Dies ist auf dem typenschild des Gerätes anzugeben. Spannungsüberhöhungen in der Versorgung des Schaltverstärkers sind durch entsprechende Begrenzungseinrichtungen unwirksam zu machen. Hierbei ist auch im Dauerbetrieb eine Betriebsspannung von Umax = 50 V zugrundezulegen. Es ist sicherzustellen, daß die Nennspannung nachgeschalteter elektrischer Betriebsmittel nicht überschritten wird.
(3) Die Spannung im GWG-Stromkreis muß über den gesamten Temperaturverlauf von -25 °C bis +50 °C bei einem Strom bis 80 ma auf einen Wert von 19V ±0,3V stabilisiert werden.
(4) Bei Unterbrechung oder Kurzschluß im GWG-Stromkreis muß der Schaltverstärker das Stellglied sperren. Ein Isolationsfehler, z.B. Masseschluß der Verbindungsleitung, darf nicht zu Fehlschaltungen und zu keinen höheren Stromstärken als 150 ma führen.
(5) Die Ansprechzeit des Fühlers vom Eintauchen in die Lagerflüssigkeit bis zur Auslösung des Schaltvorganges durch den Schaltverstärker darf 2 Sekunden nicht überschreiten (siehe TRbF 511 Nr. 2.41).
(6) Die Endstufe des Schaltverstärkers, die das Stellglied schaltet, muß so dimensioniert sein, daß nur die halben Grenzdaten der verwendeten Bauelemente ausgenutzt werden (ausgenommen Wicklungen). Der Schaltverstärkerausgang ist mit einer Funkenlöscheinrichtung auszurüsten. Dabei muß sichergestellt sein, daß beim Falschpolen keine Freigabe des Stellgliedes erfolgen kann.
(7) Durch den Schaltverstärker oder ein Zusatzgerät zum Schaltverstärker muß sichergestellt sein, daß der Schaltvorgang zum Öffnen des Stellgliedes nur ausgelöst wird, wenn das Signal zum Öffnen des Stellgliedes eines angeschlossenen GWG auch wieder dessen Schließen erwarten läßt (Prüfung auf Funktionssicherheit) 1.
(7a) Durch einen Einbau eines Entstörfilters in den Grenzwertgeber-Stromkreis des Schaltverstärkers muß sichergestellt sein, daß der Schaltvorgang zum Öffnen und Schließen des Stellgliedes nicht durch den Einfluß von Sendefunkanlagen mit Frequenzen von 150 kHz bis 30 MHz gestört wird.
(8) Die Leitungseinführungen sind so auszuführen, daß sie hinreichenden Schutz gegen Knicken und Zug gewähren.
(9) Die Klemmen des Schaltverstärkers sind eindeutig und dauerhaft zu kennzeichnen.
(10) Der Schaltverstärker muß mit eindeutigen Anzeigen der Versorgungsspannung, der Betriebsbereitschaft und von Störungen versehen sein. Werden für die Anzeige Signalleuchten verwendet, müssen sie folgenden Farbkode haben:
Für alle anderen durch Leuchten anzuzeigenden Signale müssen Leuchten mit anderen Farben verwendet werden.
(11) Die Nennspannung des Schaltverstärkers und das maximale Schaltvermögen für das Stellglied müssen am Schaltverstärker deutlich angegeben sein.
2.43 Verbindungsleitung
(1) Als Verbindungsleitung zwischen dem Schaltverstärker und dem GWG muß eine bewegliche, gegen das Lager- und Transportgut ausreichend widerstandsfähige Schlauchleitung 2 x 1 mm2 Cu oder wahlweise 2 x 1,5 mm2 Cu verwendet werden, die mindestens der mittleren Qualität nach VDE 0291 und VDE 0282 entspricht und eine ausreichende Flexibilität bei -25 °C behält.
(2) Der Leitungswiderstand darf 6 Ohm nicht überschreiten.
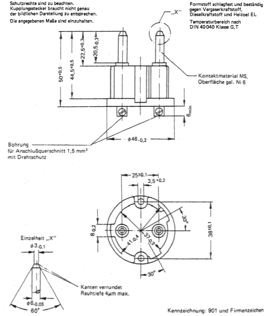
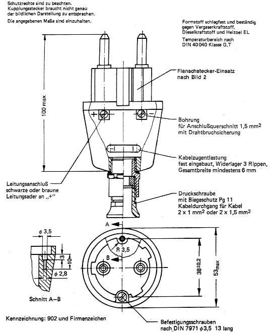
(3) Die Leitung ist je nach Einrichtungsart mit Kabelsteckverbindungen nach Bild 1 zu versehen.
(4) Eine Kennzeichnung durch hellblaue Farbe ist nicht erforderlich.
(5) Die Leitungsverbindungen müssen den Anforderungen von Bild 1 bis 4 genügen.
2.5 Notöffnung
(1) Ein Stellglied kann mit einer nur mit Werkzeug zu betätigenden mechanischen Einrichtung versehen werden, die es gestattet, das Stellglied unabhängig von der Betätigung der Steuerkette der Abfüllsicherung zu öffnen (Notöffnung).
(2) Die Notöffnung muß so ausgebildet sein, daß bei ihrer Betätigung die Steuerkette nicht anspricht, wenn der GWG über die Verbindungsleitung mit dem Schaltverstärker verbunden wird, d.h. die Signalleuchte des Schaltverstärkers "Abfüllsicherung betriebsbereit" (z.B. grüne Leuchte) darf nicht aufleuchten, und das Magnetventil des Stellgliedes darf sich nicht betätigen lassen.
2.6 Beipaß
(1) Bei einem Vollschlauch-Abfüllsystem mit Stellglied, das auch zum Befüllen von Tanks bis zu 10001 Inhalt mit Heizöl EL oder Dieselkraftstoff oder zum Befüllen von Kraftstoff-behältern von ortsbeweglichen Arbeitsmaschinen im Freien mit Dieselkraftstoff oder Ottokraftstoff im freien Einlauf ohne fest an den Füllstutzen angeschlossenes Zapfventil benutzt werden soll, muß das Stellglied durch einen Beipaß umgangen werden.
(2) Der Beipaß muß so ausgebildet sein, daß die abgegebene Menge nicht mehr als 200 l/min betragen kann.
(3) Das Zapfventil muß nach § 12 der VbF (jetzt BetrSichV) der Bauart nach zugelassen sein.
(4) Bei Benutzung des Beipasses muß die Abfüllsicherung zwangsläufig außer Betrieb gesetzt sein, d.h. bei Kontaktierung des GWG darf das Stellglied nicht öffnen, die Signalleuchte "Abfüllsicherung betriebsbereit" (z.B. grüne Leuchte) darf nicht aufleuchten, und das Magnetventil des Stellgliedes darf sich nicht betätigen lassen.
2.7 Abfüllung anderer Flüssigkeiten
(1) Bei Transport und Abfüllung von anderen Flüssigkeiten als Ottokraftstoffen, Heizöl EL und Dieselkraftstoffen müssen die Tankfahrzeuge für den Transport dieser Flüssigkeiten nach der Gefahrgutverordnung Straße ( GGVSE) zugelassen und die Abfüllsicherungen für die Abfüllung dieser Flüssigkeiten begutachtet sein.
(2) Die Abfüllsicherungen für Tankfahrzeuge, die auch für den Transport von anderen Flüssigkeiten als Ottokraftstoffen, Heizöl EL und Dieselkraftstoffen zugelassen sind, dürfen mit einer handbetätigten Zusatzeinrichtung ausgerüstet sein, die es erlaubt, diese anderen Flüssigkeiten über das Stellglied abzugeben, auch ohne daß ein Grenzwertgeber ein entsprechendes Signal gegeben hat. Wird ohne Grenzwertgebersignal abgefüllt, darf die Signalleuchte des Schaltverstärkers "Abfüllsicherung betriebsbereit" (z.B. grüne Leuchte) nicht aufleuchten. Nach Abschluß solcher Abfüllvorgänge muß die Zusatzeinrichtung selbsttätig auf Betrieb mit Abfüllsicherung zurückschalten.
3 Explosionsschutz
(1) Die elektrischen Einrichtungen (z.B. Schaltverstärker und Stellglied), die in explosionsgefährdeten Bereichen betrieben werden, müssen nach VDE 0171 gebaut und nach VDE 0165 errichtet sein.
(2) Der GWG-Stromkreis des Schaltverstärkers muß den Anforderungen der VDE 0171 für die Schutzart "Eigensicherheit" entsprechen und nach VDE 0165 errichtet sein, jedoch mit einer Begrenzung der Höchsttemperatur des Fühlers auf 200 °C, des Kurzschlußstromes auf höchstens 150 ma und der höchsten Verlustleistung auf 600 mW.
Abbildungen
Bild 1 Kabelsteckverbindung für Tankwagen-Abfüllsicherung (Zusammenstellung)

Bild 2 Flanschstecker-Einsatz, Typ 901

Bild 3 Kupplungsstecker, Typ 902

Bild 4 Kupplungsdose, Typ 903

______
1) Bestehende Anlagen müssen bis zur nächsten nach dem 30.6.1986 fälligen Prüfung (Haupt- oder Zwischenprüfung im Sinne der GGVS (ab 1.1.2003 GGVSE)) nachgerüstet sein.
![]() |
ENDE | ![]() |
(Stand: 20.08.2018)
Alle vollständigen Texte in der aktuellen Fassung im Jahresabonnement
Nutzungsgebühr: ab 105.- € netto
(derzeit ca. 7200 Titel s.Übersicht - keine Unterteilung in Fachbereiche)
Die Zugangskennung wird kurzfristig übermittelt
? Fragen ?
Abonnentenzugang/Volltextversion