Für einen individuellen Ausdruck passen Sie bitte dieEinstellungen in der Druckvorschau Ihres Browsers an. Regelwerk |
![]() |
TRD 320 - Glatte Vierkantrohre und Teilkammern unter innerem Überdruck
- Berechnung -
Technische Regeln für Dampfkessel (TRD)
Ausgabe 1975
(ArbSch. 7-8/75 S. 290aufgehoben)
1. Geltungsbereich
1.1. Die nachstehenden Berechnungsregeln gelten für die Berechnung von glatten Vierkantrohren und Teilkammern ohne und mit Bohrungsreihen. Die Berechnungsregeln gelten in erster Linie für verformungsfähige Werkstoffe (δ5> 14%). Sie können auch bei weniger verformungsfähigen Werkstoffen angewendet werden, wenn dem geringeren Verformungsvermögen durch einen höheren Sicherheitsbeiwert Rechnung getragen wird und die Wanddickese< 30 mm ist.
1.2. Die Berechnungsregeln berücksichtigen nur durch inneren Überdruck hervorgerufene Beanspruchungen. Zusätzliche Kräfte und Momente nennenswerter Größe müssen gesondert berücksichtigt werden 1. In diesem Fall gibt der Kesselhersteller die Größe der Kräfte und Momente an und weist nach, daß diese beachtet sind.
2. Berechnungsgrößen und -einheiten
Sehe TRD 300 Abschnitt 2. Darüber hinaus gilt Tafel 1.
| Tafel 1. | Berechnungsgrößen mit Symbolen und Einheiten |
| Symbol | Berechnungsgröße | Einheit |
| b | halbe lichte Weite des Vierkantrohres parallel zu der zu berechnenden Wand | mm |
| dAi | Durchmesser von Ausschnitten oder innerer Durchmesser von Abzweigen | mm |
| e | Abstand des betrachteten Ausschnittes oder der Ausschnittreihe von der Mittellinie der zu berechnenden Sehe | mm |
| l | halbe lichte Weite des Vienkantrohres senkrecht zu der zu berechnenden Wand | mm |
| ri | innerer Eckradius | mm |
| sv | Wanddicke des Vierkantrohres mit Verschwächung und ohne Zuschläge | mm |
| tl | Mittenabstand benachbarter Ausschnitte in Achsrichtung | mm |
| t | Mittenabstand benachbarter Ausschnitte unter dem Winkel r | mm |
| vA | Verschwächungsbeiwert für einen Einzelausschnitt | - |
| vL | Verschwächungsbeiwert für eine Ausschnittreihe in Achsrichtung | - |
| vΦ | Verschwächungsbeiwert für zwei Ausschnitte mit Schrägteilung unter dem Winkel Φ | - |
| BK, BW, BZ | Berechnungsbeiwerte | - |
| Φ | Winkel den Verbindungslinie zweier Ausschnitte zur Achsrichtung des Vierkantrohres | ° |
3. Allgemeines
Siehe TRD 300 Abschnitt 3.
4. Erforderliche Wanddicken
Siehe TRD 300 Abschnitt 4. Darüber hinaus gilt für die erforderliche Wanddicke
s =sv +c1 +c2 bzw. (1)
s =s0 +c1 +c2 (2)
Für die Nachrechnung ausgeführter Bauteile mit der Wanddickese ist
sv =se -c1 -c1 (3)
5. Berechnung gegen vorwiegend ruhende Innendruckbeanspruchung
5.1. Höchstwerte der Beanspruchung können auftreten.
(1) in den Ecken,
(2) in der Mitte der Seitenfläche,
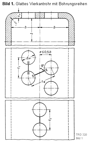
(3) im Steg zwischen zwei Ausschnitten, wobei je nach Anordnung der Ausschnitte die Berechnung für die mit I bis III im Bild 1 gekennzeichneten Stullen durchzuführen ist.
5.2. Entsprechend den Ausführungen unter Nummer 5.1 wird die Wanddicke ermittelt
(1) in den Ecken zu
(4)
(2) in der Mitte einer Seitenfläche zu
(5)
(3a) im Steg zwei Schnitten in der Mitte der Seitenfläche (Bild 1 Schnitt I-I) zu
(6)
(3b) in den schrägen Stegen (Bild 1 Schnitt II-II) zu
(7)
(3c) in den Stegen bei außermittigen Ausschnittreihen (Bild 1 Schnitt III-III) wobeit nicht größer als 0,5b sein darf, zu
(8)
5.3. Der Verschwächungsbeiwert beträgt für zwei benachbarte Ausschnitt I-I bzw. III-III
(9)
nach Bild 1 Schnitt II-II
(10)
und für einen Einzelausschnitt
(11)
5.4. Ergibt sich nach Gl. (9) bzw. (10) ein größerer Wert als nach Gl. (11), dann ist in die Gleichung (6) bis (8) stattvL nach Gl. (9) bzw.vΦ nach Gl. (10)vA nach Gl. (11) einzusetzen.
5.5. Die Berechnungsbeiwerte BK, BW und BZ sind den Bildern 2, 3 und 4 zu entnehmen.
6. Berechnung auf Wechselbeanspruchung durch schwellenden Innendruck bzw. durch kombinierte Innendruck- und Temperaturänderungen
Für Vierkantsammler, die einer Wechselbeanspruchung durch Innendruck- und Temperaturänderungen unterliegen, gilt sinngemäß TRD 301 Nummer 6.1. Die Nennspannung, errechnet aus Gl. (4) bzw. (5), darf dabei nicht größer als 150 N/mm2 sein. Falls diese Bedingungen nicht erfüllt werden können, sind Vierkantsammler unzulässig.
7. Berechnungsdruck
Siehe TRD 300 Abschnitt 7.
8. Berechnungstemperatur
Siehe TRD 300 Abschnitt 8.
9. Zulässige Spannung
Siehe TRD 300 Abschnitt 9.
10. Zuschläge zur Wanddicke
Siehe TRD 300 Abschnitt 10. Der Zuschlag c1ist entsprechend SEL 610-63 gleich Null.
11. Kleinste zulässige Wanddicke
Die kleinste zulässige Wanddicke se beträgt 3 mm.
12. Schrifttum
| 1 | Schwaigerer, S.: Festigkeitsberechnung von Bauelementen des Dampfkessel-, Behälter- und Rohrleitungsbaues. 2. neu bearbeitete Auflage, Springer-Verlag 1970. |
__________
1 Berechnungsregeln in Vorbereitung
![]() |
ENDE | ![]() |
(Stand: 20.08.2018)
Alle vollständigen Texte in der aktuellen Fassung im Jahresabonnement
Nutzungsgebühr: ab 105.- € netto
(derzeit ca. 7200 Titel s.Übersicht - keine Unterteilung in Fachbereiche)
Die Zugangskennung wird kurzfristig übermittelt
? Fragen ?
Abonnentenzugang/Volltextversion