zurück

.

Fahrzeugstruktur und Anbauteile Anhang A


A.1 Puffer

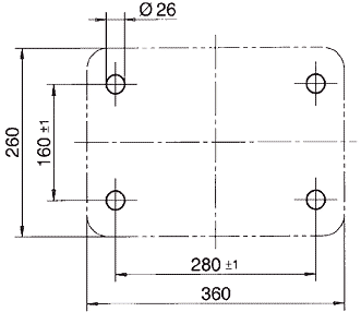
Bild A1 Puffergrundplatte

A.2 Zugeinrichtung

Bild A2 Zughaken - Maße

Bild A3 Kupplungsbügel für Schraubenkupplung

Bild A4 Zug- und Stoßeinrichtung

Bild A5 Berner Raum

Bild A6 Schraubenkupplung mit Zughaken

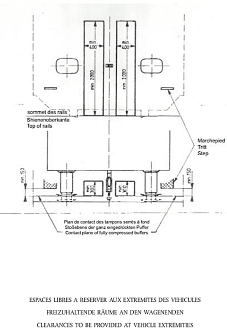
Bild A7 Freiraum an den Wagenenden über dem Zughaken

.

Fahrzeugstruktur und Anbauteile
Kennzeichnung von Güterwagen
Anhang B 09

(Änderungen gültig ab dem 1. Juli 2009 gemäß Art. 4 der Entscheidung2009/107/EG)


B.1 Fahrzeugspezifische Kennnummer (Anordnung: links, auf jeder Seite)

Die Fahrzeugnummer muss mindestens 80 mm hoch sein und darf sich höchstens 2 m über der Schienenoberkante befinden. Die Nummer ist so anzubringen, dass sie durch eine auf dem Wagen aufgebrachte Wagendecke nicht verdeckt wird.

Weitere Einzelheiten werden in einer beantragten EN festgelegt.

B.2 Fahrzeug-Eigengewicht

(Anordnung: links, auf jeder Seite)

Abb. B1: Eigengewicht eines Wagens ohne Handbremsen

Abb. B2: Anschrift des Eigengewichts und Bremsgewichts bei Wagen mit Handbremsen

Bei Wagen mit bodenbedienbarer Handbremse ist die Angabe mit einem roten Rahmen zu versehen.

Verfügt ein Wagen über mehrere, unabhängig voneinander wirkende Bremsen, ist die Anzahl dieser Bremsen vor dem Bremsgewicht anzugeben (z.B. 2 x 0,00 t).

B.3 Lastgrenzraster (Anordnung: links, auf jeder Seite)

Abb. B3

Abb. B4

Abb. B5

Bedeutung der Fußnoten zu den Abbildungen:

  1. Maximale Lastgrenze in t für Wagen in Zügen mit Geschwindigkeiten bis zu 100 km/h
  2. Maximale Lastgrenze in t für Wagen in Zügen mit Geschwindigkeiten bis zu 120 km/h
  3. Für Wagen, die in Zügen mit 120 km/h nur leer fahren dürfen.
  4. Bei vorhandenen Wagen, die mit gleicher Last wie im S-Verkehr mit 120 km/h laufen dürfen, steht rechts neben den Lastgrenzen bereits das Zeichen **; dieser Kategorie können keine weiteren Wagen hinzugefügt werden.
  5. Bei neuen Wagen mit der Bremsleistung von 'S2'-Wagen gemäß der Tabelle in Abschnitt 4.2.4.1.2.2, die gemäß besonderer, in Anhang Y aufgeführter Spezifikationen mit gleicher Last wie im S-Verkehr mit 120 km/h laufen dürfen, muss rechts neben den Lastgrenzen das Zeichen *** stehen.

    Hinweis: Anschriften für Strecken der Klasse D dürfen nur auf Wagen angebracht werden, bei denen in der D-Klasse höhere Radsatzlasten zulässig sind als in der C-Klasse.

Abb. B6: Maße des Lastgrenzrasters

B.4 Länge über Puffer (Anordnung: links, auf jeder Seite)

Abb. B7

B.5 Anschriften für Wagen im Verkehr nach Großbritannien (Anordnung: links, auf jeder Seite)

Abb. B8: Für Zugfähren zugelassene Wagen

Abb. B9: Für den Kanaltunnel zugelassene Wagen

Abb. B10: Für Zugfähren und den Kanaltunnel zugelassene Wagen

B.6 Wagen für den Betrieb zwischen Ländern mit unterschiedlichen Spurweiten

(Anordnung: rechts, auf jeder Seite)

Abb. B11

B.7 Automatische Spurwechselradsätze

(Anordnung: rechts, auf jeder Seite)

Fahrwerk mit der Möglichkeit zum automatischen Spurwechsel für Spurweiten zwischen 1.435 mm und 1.668 mm

Abb. B12

B.8 Verbot des Rangierens auf Ablaufbergen mit einem kleineren Krümmungshalbmesser als in der nachstehenden Zeichnung angegeben

(Anordnung: links an jedem Langträger)

Abb. B13

Diese Anschrift gibt den kleinsten befahrbaren vertikalen Halbmesser bei Wagen an, die wegen ihrer Bauart beim Befahren von Ablaufbergen mit einem Krümmungshalbmesser von 250 m beschädigt werden können.

B.9 Drehgestellwagen mit einem Radsatzabstand von mehr als 14.000 mm, die für den Ablaufbetrieb zugelassen sind

(Anordnung: links an jedem Langträger)

Diese Anschrift gilt für Drehgestellwagen mit einem Abstand zwischen zwei benachbarten Radsätzen von mehr als 14.000 mm.

Sie gibt den größten Abstand zwischen benachbarten Radsätzen an.

Abb. B14

B.10 Wagen, die Gleisbremsen oder andere Bremseinrichtungen in Arbeitsstellung nicht befahren dürfen

(Anordnung: links an jedem Langträger)

Abb. B15

Anschrift für Wagen, die wegen ihrer Bauart Gleisbremsen und andere Rangier- oder Bremseinrichtungen in Arbeitsstellung nicht befahren dürfen.

B.11 Instandhaltungsraster

(Anordnung: rechts an jedem Langträger)

Mit Bezug auf das verwendete Instandhaltungssystem muss es möglich sein, die Gültigkeit der im Instandhaltungsraster angegebenen Daten zu überprüfen.

Abb. B16

1) Gültigkeitsdauer des Instandhaltungsrasters

2) Kennzeichen des für die Instandhaltungsarbeiten, die zu einer Änderung der Gültigkeitsdauer führen, verantwortlichen Werkes

3) Datum der Instandhaltungsarbeiten (Tag, Monat, Jahr)

4) Zusatzanschrift. Darf nur vom Eigentümer-EVU angebracht werden.

B.12 Warnhinweis Hochspannung

Abb. B17: Für Fahrzeuge ab Baudatum 1.01.1987

Diese Anschrift ist an Wagen angebracht, bei denen Aufstiegtritte höher als 2.000 mm über Schienenoberkante liegen oder mit Stufen, deren Ende dieses Maß in unmittelbarer Nähe dieser Teile überschreitet. Es ist so positioniert, dass es vor dem tatsächlichen Erreichen der Gefahrenzone gesehen werden kann.

B.13 Position der Anhebestellen/Abstützpunkte

Diese Anschrift ist links und rechts an jedem Langträger auf Höhe der Anhebestellen angebracht.

Abb. B18: Anheben ohne Fahrwerk im Instandhaltungswerk

Abb. B19: Anheben an 4 Punkten mit oder ohne Fahrwerk

Abb. B20: Anheben mit oder ohne Fahrwerk oder Aufgleisen an nur einem Ende oder in der Nähe des Wagenendes

B.14 Höchstlast des Wagens

(Anordnung: rechts an jedem Langträger)

Anschrift bei Wagen, deren Tragfähigkeit größer ist als die größte angeschriebene Lastgrenze und bei Wagen ohne Lastgrenzanschrift. Gibt die höchstzulässige Last des betreffenden Wagens an.

Abb. B21

B.15 Fassungsvermögen von Kesselwagen

(Anordnung: links, auf jeder Seite)

Bei Kesselwagen ist das Fassungsvermögen in Kubikmetern, Hektolitern oder Litern mit der nachstehenden Anschrift anzugeben.

Abb. B22

B.16 Bodenhöhe von Container-Tragwagen

(Anordnung: rechts, auf jeder Seite)

Abb. B23

Dieses Zeichen ist bei Container-Tragwagen angebracht, die für die Beförderung von Großcontainern und/oder Wechselbehältern geeignet sind; es gibt die Höhe der Ladefläche des Wagens im unbeladenen Zustand an.

B.17 Minimaler Bogenhalbmesser

(Anordnung: links an jedem Langträger)

Diese Anschrift zeigt den minimal zulässigen Bogenhalbmesser bei Drehgestellwagen, die nur Bögen mit Halbmessern von mehr als 35 m befahren können.

Abb. B24

B.18. Zeichen bei Drehgestellwagen, die Rampen von Eisenbahnfähren nur bis zu einem maximalen Winkel der Rampen von 2° 30' befahren dürfen

(Anordnung: links an jedem Langträger)

Anschrift für Drehgestellwagen, die nur Rampen von Eisenbahnfähren mit einem Winkel von weniger als 2° 30' befahren können; sie zeigt den größten zulässigen Rampenwinkel für den betreffenden Wagen an.

Abb. B25

B.19 Anschriften an Privatgüterwagen

(Anordnung: links, auf jeder Seite)

An Privatgüterwagen sind Name und Adresse des registrierten Halters anzugeben.

B.20 Anschriften an Güterwagen mit Bezug auf besondere wagenspezifische Gefahren

  1. Schwarze Diagonalstreifen auf gelbem Grund, die die Gefahr bringenden Flächen überdecken bei Wagen mit Vorbauten, die sich bei Stößen gegenüber dem Untergestell verschieben können (Wagen mit Stoßverzehreinrichtungen u. ä.)
  2. Zur Vermeidung von Gefahren müssen Seilhaken mit einem Vorsprung von mehr als 150 mm folgenden Anstrich haben:

B.21 Position der Lasten: Flachwagen

(Anordnung: mittig an jedem Langträger)

Flachwagen mit einer nutzbaren Ladefläche von mehr als 10 m Länge und nach dem 1. Januar 1968 gebaute, offene hochbordige Güterwagen, bei denen die höchste Höhe für Einzellasten über mindestens drei verschiedene Längen der Ladefläche verteilt ist, müssen eine Kennzeichnung gemäß Abb. B28 oder B29 tragen.

Für alle anderen Wagen ist diese Kennzeichnung optional. Falls erforderlich, können diese Wagen mit einer Kennzeichnung gemäß Abb. B26, B27, B28 oder B29 versehen werden.

Abb. B26

Das Beispiel zeigt die konzentrierten Lasten, verteilt über verschiedene Längen der tragenden Fläche, und auf zwei separate Auflager verteilte Lasten (Lagerbreite ≥ 2m)

Abb. B27: Das Beispiel zeigt die konzentrierten Lasten, verteilt über verschiedene Längen der tragenden Fläche, und auf zwei separate Auflager verteilte Lasten (Lagerbreite ≥ 1,20 m)

Abb. B28: Das Beispiel zeigt die konzentrierten Lasten, verteilt über verschiedene Längen der tragenden Fläche (Lagerbreite ≥ 2m)

Abb. B29: Das Beispiel zeigt die konzentrierten Lasten, verteilt über verschiedene Längen der tragenden Fläche (Lagerbreite ≥ 1,20 m)

B.22 Abstände zwischen äußeren Radsätzen oder Drehgestellmitten

(Anordnung: rechts an jedem Langträger)

Bei Wagen ohne Drehgestell muss der Abstand zwischen Endradsätzen, bei Drehgestellwagen der Drehzapfenabstand mit der nachstehend gezeigten Anschrift angegeben werden.

Abb. B30

B.23 Wagen, die beim Rangieren eine besondere Behandlung erfordern (z. b. bimodale Einheiten)

Bei Wagen, die beim Rangieren eine besondere Behandlung erfordern, oder bei Enddrehgestellen im Intermodalverkehr hat die unten gezeigte Anschrift folgende Bedeutungen:

Abb. B31

B.24 Handbediente Feststellbremse

Abb. B32

B.25 Instruktionen und Sicherheitshinweise für Sondereinrichtungen

Bei Wagen mit Sondereinrichtungen (automatische Entladung, öffnungsfähiges Dach usw.) müssen Bedienungsanweisungen und Hinweise zu Sicherheitsvorkehrungen an gut sichtbarer Stelle möglichst mehrsprachig angebracht werden; diese Anweisungen können durch geeignete Piktogramme ergänzt werden.

B.26 Nummerierung der Radsätze

Am Langträger des Wagens ist über jedem Radsatzlager eine Kennnummer des Radsatzes anzubringen, die der Position des Radsatzes entspricht, wobei die Zählung von einem ausgewählten Wagenende in aufsteigender Reihenfolge vorgenommen wird.

B.27 Bremsanschriften an Wagen

B.27.1 Anschriften zur Kennzeichnung der Bauart der Druckluftbremse

Die auf den Fahrzeugen anzubringenden Anschriften über die Bauart der durchgehenden Bremse müssen den nachstehenden Abkürzungen entsprechen. Zur Bedeutung dieser Bremsarten siehe TSI Abschnitt 4.2.4.1.2.2.

Bremsart für Güterzüge G
Bremsart für Personenzüge P
Hochleistungsbremse R
G/P-Umstellsystem (oder -einrichtung) GP
P/R-Umstellsystem (oder -einrichtung) PR
G/P/R-Umstellsystem (oder -einrichtung) GPR
Bremse mit automatischer Lastabbremsung A

B.27.2 Anschriften der Bremsgewichte an den Fahrzeugen

In den folgenden Bildern steht der Buchstabe "x" für das Bremsgewicht und der Buchstabe "y" für das Umstellgewicht. Der Buchstabe [x] in einem Rahmen entspricht dem in den Fenstern angezeigten variablen Bremsgewicht.

B.27.2.1 Fahrzeuge ohne Umstelleinrichtungen

Das Bremsgewicht ist gemäß Abb. B33 auf den Langträgern in der Nähe der Anschrift für die Bremsanlage anzuschreiben.

Abb. B33

B.27.2.2 Fahrzeuge mit manueller Umstelleinrichtung

- G/P-Umstelleinrichtung (Güter-/Personenzug)

Bei Fahrzeugen mit G/P-Umstelleinrichtung (Güter-/Personenzug) muss die Umstellung zwischen den beiden Bremsarten über einen Hebel mit Endknauf gemäß Abb. B34 erfolgen.

In Bremsart G (Güterzug) muss der Hebel schräg nach links oben weisen.

In Bremsart P (Personenzug) muss der Hebel schräg nach rechts oben weisen.

Die Bremsgewichte sind auf der Tafel hinter dem Umstellhebel angegeben, jeweils neben der Hebelstellung G (Güter) und P (Personen).

Abb. B34

- Fahrzeuge mit leer-beladen -Umstelleinrichtung.

Die Brems- und Umstellgewichte sind auf den "leer-beladen"-Umstelltafeln anzugeben. Die Bremsgewichte dürfen nicht in unmittelbarer Nähe zu anderen Umstelleinrichtungen angegeben sein.

Wenn es nur eine "leer-beladen"-Umstellung und nur zwei Positionen des Umstellhebels gibt (die "leer"-Stellung und nur eine "beladen -Stellung), sind die Bremsgewichte auf einer Tafel anzugeben, vor der sich der Hebel bewegt, jeweils rechts und links der Tafelachse in unmittelbarer Nähe zu der entsprechenden Hebelstellung. Das Umstellgewicht muss unter der Hebelachse oder zwischen den beiden vorgenannten Bremsgewichten angegeben sein (siehe Abb. B35).

Abb. B35

Wenn es nur eine "leer-beladen"-Umstellung und mehrere Positionen des Umstellhebels gibt (die "leer"-Stellung und mehrere "beladen"-Stellungen), sind die den Hebelstellungen entsprechenden Bremsgewichte in einem Fenster anzugeben, das sich oben in der Mitte der Tafel, vor der sich der Hebel bewegt, befindet (siehe Abb. B36).

Abb. B36

Alternativ darf die in Abb. B37 beschriebene Variante verwendet werden, bei der die Bremsgewichte neben jeder Hebelstellung dauerhaft angeschrieben sind.

Abb. B37

Die Umstellgewichte sind auf der Tafel unter der Hebelachse anzugeben. Ein am Hebel befestigter Zeiger, der sich vor der Tafel bewegt, zeigt für jede Hebelstellung das entsprechende Umstellgewicht (siehe Abb. B36 und B37).

B.27.2.3 Fahrzeuge mit zwei oder mehr Arten von Bremsausrüstungen mit separaten "leer-beladen"-Umstelleinrichtungen

Auf beiden Tafeln jeder "leer-beladen"-Umstelleinrichtung sind die Bremsgewichte für den mit der jeweiligen Einrichtung gesteuerten Teil der Ausrüstung und das Umstellgewicht für das ganze Fahrzeug gemäß B.27.2.2 anzugeben.

B.27.2.4 Fahrzeuge mit Bremse mit automatischer Lastabbremsung

Diese Fahrzeuge müssen in der Nähe jedes Hebels eine Anschrift ähnlich wie in Abb. B38 tragen.

Abb. B38

Bei Fahrzeugen mit mehr als einem Steuerventil (z.B. Wageneinheiten) ist das für jedes Steuerventil ermittelte Bremsgewicht in Klammern hinter dem Gesamtbremsgewicht anzugeben (z.B. bei drei Steuerventilen: MAX 203t (80t + 43t + 80t)).

Jeder Bremsabsperrhahn muss die Angabe des dem jeweiligen Steuerventil entsprechenden Bremsgewichts sowie das Symbol "Druckluftbremse eingeschaltet" tragen, siehe Abb. B39.

Abb. B39

Zudem sind die Kennnummern der gebremsten Radsätze, die einem Bremsabsperrhahn zugeordnet sind, in einem Rahmen anzugeben, siehe Abb. B40.

Abb. B40

B.27.2.5 Wagen mit automatischer Steuerung der "leer-beladen"-Umstelleinrichtung

Die Bremsgewichte und das Umstellgewicht sind auf einer besonderen Tafel oder auf dem Langträger anzugeben:

oben links: das Bremsgewicht des leeren Wagens,

oben rechts: das Bremsgewicht des beladenen Wagens,

unten mittig: das Umstellgewicht.

Wagen mit Bremsgewichten in Stellung G (Güter), die sich von denen in Stellung P (Personen) unterscheiden, müssen eine vollständige Anschrift in unmittelbarer Nähe zu den beiden Stellungen des "G/P"-Umstellhebels tragen, siehe Abb. B41.

Abb. B41

Wagen mit identischen Bremsgewichten in Stellung G (Güter) und Stellung P (Personen) müssen in unmittelbarer Nähe zum "G/P"-Umstellhebel Anschriften wie in Abb. B42 tragen.

Abb. B42

Wagen, die nur über Stellung G oder Stellung P verfügen, sind gemäß Abb. B43 zu kennzeichnen.

Abb. B43

B.27.3 Andere Anschriften mit Bezug zur Bremse

Folgende Kennzeichnungen müssen in der Mitte jeden Langträgers vorhanden sein:

B.27.3.1 Anschrift für Hochleistungsbremse mit Bremsart R

Abb. B44

B.27.3.2 Anschrift für Bremse mit Verbundstoff-Bremssohlen

Abb. B45

B.27.3.3 Anschrift für Scheibenbremsen

Anzugeben sind die Anweisungen für die Prüfung des Bremszustands.

Abb. B46

B.28 Wagen mit Automatikkupplung nach OSSHD-Norm

Abb. B47

B.29 Tafel "Betriebserlaubnis auf Gleisen mit 1.520 mm Spurweite"

Abb. B48

B.30 Wagen mit Spurwechselradsätzen (1.435 mm/1.520 mm)

Abb. B49

B.31 Anschrift an Drehgestellen mit Spurwechselradsätzen (1.435 mm/1.520 mm)

Abb. B50

B.32 Anschrift der Wagenbegrenzungslinie

(1) Wagen, die nach der Begrenzungslinie G1 gebaut sind, sind wie folgt zu kennzeichnen:

(2) Wagen, die nach der Begrenzungslinie G1 gebaut sind, sind wie folgt zu kennzeichnen:

.

  Fahrzeug Gleis/Spur Interaktion
Kinematische Begrenzungslinie
Anhang C


C.1 Anwendungsbereich

Die auf internationaler Ebene gebräuchlichen Begrenzungslinien werden in folgende Kategorien eingeteilt:

C.2 Allgemeiner Teil

C.2.1 Verzeichnis der verwendeten Formelzeichen

A : Schränkungskoeffizient
a : Abstand zwischen den Endradsätzen der Fahrzeuge ohne Drehgestelle bzw. zwischen den Drehzapfen der Fahrzeuge mit Drehgestellen (siehe Anmerkung)
b : halbe Breite des Fahrzeugs (siehe Schema, Anlage 2)
b1 : halber Abstand der Primärfedern (siehe Schema, Anlage 2)
b2 : halber Abstand der Sekundärfedern (siehe Schema, Anlage 2)
bG : halber Abstand der Gleitstücke
bw : halbe Breite der Wippe des Stromabnehmers
C : Wankpol (siehe Bild C3)
d : äußerer Abstand der Spurkränze, gemessen 10 mm unterhalb des Laufkreises, absoluter Grenzwert 1,410 m. Dieser Grenzwert kann je nach den Instandhaltungskriterien des betrachteten Fahrzeugs verschieden sein.
dga : äußere geometrische Ausragung
dgi : innere geometrische Ausragung
D : Querverschiebung
Ea : äußere Einschränkung
Ei : innere Einschränkung
E'a : Auslenkung des Stromabnehmers unter Berücksichtigung der zugelassenen Verschiebung auf der Höhe des oberen Nachweispunktes (6,5 m), außen
E'i : Auslenkung des Stromabnehmers unter Berücksichtigung der zugelassenen Verschiebung auf der Höhe des oberen Nachweispunktes (6,5 m), innen
E''a : Auslenkung des Stromabnehmers unter Berücksichtigung der zugelassenen Verschiebung auf der Höhe des unteren Nachweispunktes (5,0 m), außen
E''i : Auslenkung des Stromabnehmers unter Berücksichtigung der zugelassenen Verschiebung auf der Höhe des unteren Nachweispunktes (5,0 m), innen
ea : senkrechte äußere Einschränkung des unteren Teils der Fahrzeuge
ei : senkrechte innere Einschränkung des unteren Teils der Fahrzeuge
f : senkrechte Einfederungen (siehe Anlage 2)
h : Höhe über Schienenoberkante
hc : Wankpolhöhe des Fahrzeugquerschnitts über Schienenoberkante
ht : Einbauhöhe über Schienenoberkante des unteren Stromabnehmergelenks
J : Gleitstückspiel
J'a, J'i : Differenz zwischen der rechnerischen und der tatsächlichen Verschiebung infolge der Spiele
l : Spurweite
n : Abstand des betrachteten Querschnitts vom nächstgelegenen Endradsatz bzw. vom nächstgelegenen Drehzapfen (siehe Anmerkung)
na : n für außerhalb der Radsätze bzw. der Drehzapfen gelegene Querschnitte
ni : n für zwischen den Radsätzen bzw. den Drehzapfen gelegene Querschnitte
: Abstand des betrachteten Querschnitts vom Drehzapfen des Triebdrehgestells von Triebwagen (siehe Anmerkung)
p : Drehgestellradsatzstand
p' : Drehgestellradsatzstand des Laufdrehgestells von Triebwagen
q : Querspiel zwischen Radsatz und Drehgestellrahmen bzw. bei Fahrzeugen mit Einzelradsätzen, zwischen Radsatz und Fahrzeugkasten
R : Gleisbogenradius
Rv : Radius des Neigungswechsels
s : Neigungskoeffizient des Fahrzeugs
S : Ausladung
So : größte Ausladung
t : Nachgiebigkeitspunkt des Stromabnehmers: die seitliche Verschiebung der auf 6,50 m angehobenen Wippe bei Anwendung einer Kraft von 300 N, gemessen in m
w : Querspiel zwischen Drehgestellrahmen und Fahrzeugkasten
w∞ : Querspiel zwischen Drehgestellrahmen und Fahrzeugkasten in der Geraden
wa : Querspiel zwischen Drehgestell und Fahrzeugkasten auf der Außenseite des Gleisbogens
wi : Querspiel zwischen Drehgestell und Fahrzeugkasten auf der Innenseite des Gleisbogens
wa(R) : Querspiel zwischen Drehgestell und Fahrzeugkasten auf der Außenseite eines Gleisbogens mit dem Radius R
wi(R) : Querspiel zwischen Drehgestell und Fahrzeugkasten auf der Innenseite eines Gleisbogens mit dem Radius R
w'∞- w'a - w'i - w'a(R) - w'i(R) haben bei den Laufdrehgestellen der Triebwagen die gleiche Bedeutung
xa : zusätzliche Einschränkung bei Fahrzeugen mit großer Länge außerhalb der Drehzapfen der Drehgestelle
xi : zusätzliche Einschränkung bei Fahrzeugen mit großer Länge zwischen den Drehzapfen der Drehgestelle
y : Abstand des gedachten Drehzapfens vom geometrischen Mittelpunkt des Drehgestells (siehe Anmerkung)
z : Abweichung von der Mittellage im Gleis infolge quasistatischer Seitenneigung und Unsymmetrie
z' : Differenz zwischen der rechnerischen und der tatsächlichen Verschiebung infolge von Seitenneigung am oberen Nachweispunkt des Stromabnehmers
z" : Differenz zwischen der rechnerischen und der tatsächlichen Verschiebung infolge von Seitenneigung am unteren Nachweispunkt des Stromabnehmers
α : zusätzliche Neigung des Fahrzeugkastens infolge der Gleitstückspiele
δ : Neigung des überhöhten Gleises (siehe Bild C3)
ηo : Unsymmetrie eines Fahrzeugs infolge der Bau- und Einstellungstoleranzen sowie ungleichmäßig verteilter Lasten (in Grad)
ϑ : Einstelltoleranz der Federung: die Neigung, die der Fahrzeugkasten infolge der Einstellungsmängel der Federung einnehmen kann, wenn das Fahrzeug unbesetzt (leer) auf einem waagerechten Gleis steht (in Radiant)
µ : Haftreibungszahl Rad-Schiene
τ : Bau- und Einbautoleranz des Stromabnehmers: die zulässige Abweichung zwischen der Mittelebene des Fahrzeugkastens und der Mitte der auf 6,5 m angehobenen Wippe, bei Fehlen jeglicher seitlichen Beanspruchung
Anmerkung: Bei Fahrzeugen, die keine festen Drehzapfen haben, wird für die Bestimmung der Zahlenwerte von a und n als gedachter Drehzapfen der auf graphischem Wege ermittelte Schnittpunkt der Längsmittellinie des Drehgestells mit derjenigen des Fahrzeugkastens genommen, wenn sich das Fahrzeug bei gleichmäßig verteilten Spielen und mittig im Gleis stehenden Radsätzen in einem Gleisbogen von 150 m Radius befindet. Wenn der Abstand dieses gedachten Drehzapfens vom geometrischen Mittelpunkt des Drehgestells (Mitte zwischen den äußeren Radsätzen) mit y bezeichnet wird, ist in den Formeln der Wert p2 durch (p2 - y2)und p'2 durch (p'2 - y2) zu ersetzen.

C.2.2 Begriffsbestimmungen

C.2.2.1 Normalkoordinaten

Als Normalkoordinatenachsen bezeichnet man zueinander rechtwinklige Achsen in einer Ebene senkrecht zur Längsmittellinie der in Soll-Lage liegenden Schienen. Die Abszisse, auch waagerechte Achse genannt, ist die Schnittlinie vorgenannter Ebene mit der Laufebene; die andere Achse steht senkrecht zu dieser Schnittlinie in der Mitte zwischen den Schienen.

Für Zwecke der Berechnung muss angenommen werden, dass diese Achse und die Mittellinie des Fahrzeugquerschnitts zusammenfallen, um die Fahrzeugbegrenzungslinie und die Grenzlinie für feste Anlagen miteinander vergleichen zu können, die beide von der gemeinsamen Bezugslinie der kinematischen Begrenzungslinie aus berechnet werden.

Bild C1

C.2.2.2 Bezugslinie

Umriss, der sich auf die Normalkoordinatenachsen bezieht, und zu dem immer Regeln gehören, die, soweit sie die Fahrzeuge betreffen, dazu dienen, deren Begrenzungslinie zu bestimmen, die beim Bau nicht überschritten werden darf.

C.2.2.3 Geometrische Ausragung

Die geometrische Ausragung eines Teils eines in einem Gleisbogen mit dem Radius R stehenden Fahrzeugs ist die Differenz zwischen dem Abstand dieses Teils von der Gleismittellinie und demjenigen, den das Teil in einem geraden Gleis hätte, wenn die Radsätze in beiden Fällen mittig im Gleis stehen, die Spiele gleichmäßig verteilt sind, und das Fahrzeug symmetrisch und nicht geneigt auf seinen Tragfedern ruht; mit anderen Worten, sie ist der Teil der Außermittigkeit des Fahrzeugteils, der aus dem Gleisbogen herrührt.

Auf ein und derselben Seite der Gleismittellinie haben alle Punkte des gleichen Querschnitts eines Fahrzeugkastens die gleiche geometrische Ausragung.

Bild C2

C.2.2.4 Wankpol C

Wenn der Kasten eines Fahrzeugs einer parallel zur Laufebene wirkenden Querkraft ausgesetzt ist (Schwerkraftkomponente - siehe Bild C3a oder Fliehkraft - siehe Bild C3b), neigt er sich auf seinen Tragfedern.

Wenn die Querspiele des Fahrzeugs und auch die Wirkung der Stoßdämpfer erschöpft sind, nimmt die Mittellinie XX' eines Querschnitts des Fahrzeugkastens in dieser Schräglage die Position X1X'1 ein.

Bei den üblicherweise auftretenden Querverschiebungen des Fahrzeugs hängt die Lage des Punkts C nicht von der wirkenden Querkraft ab. Der Punkt C wird Wankpol des Fahrzeugs genannt, sein Abstand hc von Schienenoberkante Wankpolhöhe.

Bei der äußersten Lage des Fahrzeugkastens gegenüber dem Drehgestell muss für hc die Höhe des maßgebenden Anschlags zwischen Fahrzeugkasten und Drehgestell genommen werden (Drehanschlag oder Mittenanschlag); falls dieser Wert weder gemessen noch berechnet werden kann, wird ein Pauschalwert von hc = 0,5m verwendet.

Bild C3

C.2.2.5 Unsymmetrie

Unsymmetrie eines Fahrzeugs heißt der Winkel qo, den die Mittellinie des Fahrzeugkastens mit der Senkrechten bilden würde, wenn das Fahrzeug auf einem waagerechten Gleis steht und keine Reibung vorhanden wäre (siehe Bild C3c).

Die Unsymmetrie kann auf einen baulichen Mangel, eine falsche Einstellung der Federungen (Beilagen, Gleitstücke, pneumatische Nivellierventile usw.) und auf eine Außermittigkeit der Belastung zurückzuführen sein.

C.2.2.6 Neigungskoeffizient s (siehe Bild C3 )

Wenn ein Fahrzeug auf einem überhöhten Gleis steht, dessen Laufebene mit der Waagerechten einen Winkel d bildet, neigt sich sein Kasten auf seinen Tragfedern und bildet mit der Senkrechten zur Laufebene einen Winkel h. Der Neigungskoeffizient:

s = η/ϑ

kann berechnet oder gemessen werden (siehe UIC-Merkblatt 505-5). Er hängt insbesondere vom Belastungszustand des Fahrzeuges ab.

Triebfahrzeuge mit gleichbleibender Masse: Lokomotiven usw.: Beladungszustand: unbesetzt - lauffähig

Fahrzeuge mit veränderlicher Masse: Triebwagen, Reisezugwagen, Gepäckwagen, Wendezugsteuerwagen usw.

Beladungszustand: unbesetzt - lauffähig - und außergewöhnliche Besetzung (maximale Last)

Fahrzeuge mit veränderlicher Masse: Güterwagen: Beladungszustand: unbeladen - lauffähig und Ladegewicht bis zur maximalen Tragfähigkeit beladen.

C.2.2.7 Fahrzeugbegrenzungslinie

Die Fahrzeugbegrenzungslinie ist die größte Umrisslinie, die die einzelnen Fahrzeugteile nicht überschreiten dürfen. Man erhält sie durch Anwendung der Regeln über die Einschränkungen bezüglich der Bezugslinie. Die Einschränkungen hängen ab von den geometrischen Kenngrößen der betreffenden Fahrzeuge, der Lage des jeweiligen Querschnitts in Bezug auf die Drehzapfen oder die Radsätze, der Höhe des betrachteten Punktes über Schienenoberkante, den aus baulichen Gründen erforderlichen Spielen, den vorgesehenen größten Abnutzungen und den Kenngrößen der Federung.

Der tatsächliche Fahrzeugumriss beansprucht die nicht schraffierten Bereiche des durch die Fahrzeugbegrenzungslinie beschriebenen Raumes im Allgemeinen nur teilweise für den Einbau von Einstiegstufen, Einstieggriffen usw.

Bild C4

C.2.2.8 Begrenzungslinie für den kinematischen Raumbedarf

Die Begrenzungslinie für den kinematischen Raumbedarf ist die auf Normalkoordinaten bezogene Hülllinie der äußersten Lagen. Die Hülllinie kann die verschiedenen Punkte eines Fahrzeugs unter Berücksichtigung der ungünstigsten Einstellungen der Radsätze im Gleis, der Querspiele sowie der zu Lasten des Fahrzeugs und des Gleises gehenden quasistatischen Verschiebungen einnehmen.

Die Begrenzungslinie für den kinematischen Raumbedarf berücksichtigt nicht bestimmte zufallsbedingte Faktoren (Schwingungen, Unsymmetrien, wenn ηo ≤ 1. Deshalb können die abgefederten Teile der Fahrzeuge bei ihren Schwingungen über die Begrenzungslinie für den kinematischen Raumbedarf hinausgehen. Diese Verschiebungen sind bei den Sicherheitszuschlägen des Baudienstes berücksichtigt.

C.2.2.9 Quasistatische Verschiebungen z

Der zu Lasten des Fahrzeugs gehende Teil der seitlichen Verschiebungen (entspricht einem Überhöhungsfehlbetrag von 50 mm), die durch das Federverhalten (Neigungskoeffizient s) unter dem Einfluss der durch die Überhöhung nicht ausgeglichenen Fliehkraft bzw. des Überhöhungsüberschusses (siehe Bild C3a bzw. C3b) und der Unsymmetrie ηo (siehe Bild C3c) bedingt sind. Ihr Wert ist abhängig von der Höhe h des betrachteten Punktes.

C.2.2.10 Ausladung S (Bild C5)

Überschreitung der Bezugslinie, wenn sich das Fahrzeug in einem Gleisbogen und/oder auf einem Gleis mit einer Spurweite von mehr als 1,435 m befindet.

Man erhält die Ausladung S, indem man zur halben Breite des Fahrzeugs die Verschiebungen D hinzuzählt und die halbe Breite der Bezugslinie auf gleicher Höhe abzieht.

Siehe auch Punkt 2.3 "Zulässige Ausladungen.

C.2.2.11 Einschränkung Ei oder Ea

Damit ein Fahrzeug im Gleis die "Grenzlage des Fahrzeugs" bei Berücksichtigung seiner Verschiebungen D nicht überschreitet, müssen die halben Breitenmaße gegenüber den Maßen der Bezugslinie um den Wert Ei oder Ea eingeschränkt werden, so dass:

Ei oder Ea ≥ D - So.

Man unterscheidet:

C.2.2.12 Grenzlinie für feste Anlagen

Auf die Normalkoordinaten bezogener Umriss, in den keine festen Gegenstände hineinragen dürfen, trotz der elastischen oder nichtelastischen Verschiebungen des Gleises.

C.2.3 Allgemeines über das Verfahren zur Ermittlung der Fahrzeugbegrenzungslinie

Bei der Ermittlung der maximalen Fahrzeugbegrenzungslinie werden sowohl die Querverschiebungen als auch die senkrechten Verschiebungen der Fahrzeuge berücksichtigt, die sich aus den geometrischen Kenngrößen und Federkennlinien des Fahrzeugs bei verschiedenen Belastungszuständen ergeben.

Im allgemeinen wird die maximale Fahrzeugbegrenzungslinie für die Werte ni bzw. na berechnet, die der Mitte des Fahrzeugkastens bzw. den Kopfstücken zugeordnet sind. Es ist erforderlich, alle vorstehenden Punkte zu überprüfen sowie die, die aufgrund ihrer Lage in die Nähe der Fahrzeugbegrenzungslinie des betreffenden Querschnitts gelangen können.

Unter Berücksichtigung der Verschiebungen des Fahrzeugkastens, die für einen Punkt ermittelt werden, der in einem Querschnitt mit der Lage ni bzw. na und in einer Höhe h über SO liegt, dürfen die halben Breiten der Fahrzeugbegrenzungslinie in keinem Fall größer sein als die entsprechenden halben Breiten der Bezugslinie für die betreffende Fahrzeugart, vermindert um die Einschränkungen Ei oder Ea.

Diese Einschränkungen müssen der Beziehung Ei oder Ea ≥ D - So genügen. Darin steht:

C.2.3.1 Lage der verschiedenen Begrenzungslinien zueinander

Bild C5 zeigt die Lage der verschiedenen Begrenzungslinien zueinander sowie die hauptsächlichen Einflussgrößen, die bei der Ermittlung der Fahrzeugbegrenzungslinie eine Rolle spielen.

Bild C5

C.2.4 Regeln zur Ermittlung der Fahrzeugbegrenzungslinie, die sich auf die Bezugslinie beziehen

Die sich auf die Bezugslinie beziehenden Regeln müssen, um die Fahrzeugbegrenzungslinie bestimmen zu können,

Bautoleranzen werden in der Berechnung der Unsymmetrien berücksichtigt.

Der Wert der Nennbreite wird anhand der Maße der Fahrzeugbegrenzungslinie ermittelt.

Die Toleranzwerte dürfen allerdings nicht systematisch zur Vergrößerung der Fahrzeugabmessungen benutzt werden.

C.2.4.1 Senkrechte Verschiebungen

Diese ermöglichen es, für das Fahrzeug oder für ein bestimmtes Bauteil eine Mindesthöhe und eine größte Höhe über SO zu bestimmen; dies gilt insbesondere für:

Anzumerken ist, dass die vertikale Komponente der quasistatischen Verschiebungen bei allen Teilen, die sich mehr als 400 mm über SO befinden, nicht berücksichtigt wird.

C.2.4.1.1 Bestimmung der Mindesthöhen über SO

Zur Bestimmung der Mindesthöhen über SO der Bauteile in der Nähe des unteren Teils der Begrenzungslinie -1.170 mm über SO und darunter -, werden die in den folgenden Punkten beschriebenen senkrechten Verschiebungen berücksichtigt.

Der Untersuchung der Absenkung des Fahrzeugkastens (siehe auch Anlage 2) liegt die Zonenaufteilung gemäß Bild C6 zugrunde.

Bild C6

Vom Zustand der Belastung und vom Zustand der Federung unabhängige Absenkungen

Diese Absenkungen sind für die Gesamtheit der Zonen A, B, C und D anzusetzen; sie betreffen die folgenden Bauteile:

- Räder: größte Abnutzung für alle Fahrzeugarten.
- Verschiedene Bauteile: größte Abnutzungen - Beispiele: Gleitstücke, Bremsgestänge usw. bei allen Fahrzeugarten und für jede Konstruktion besonders.
- Radsatzlagergehäuse: Abnutzung vernachlässigt.
- Drehgestellrahmen: Bautoleranzen, die zu einem Absenken gegenüber den Nennmaßen führen: vernachlässigt.
- Fahrzeugkasten: Bautoleranzen, die zu einem Absenken gegenüber den Nennmaßen führen: vernachlässigt bei allen Fahrzeugarten, einschließlich aller herkömmlichen Güterwagen und aller Spezialgüterwagen.

Vom Zustand der Belastung der Fahrzeuge und vom Zustand ihrer Federung abhängige Absenkungen

1 - Verformung der Bauteile: Durchbiegungen für die Gesamtheit der Zonen A, B, C und D

- Radsätze: Durchbiegungen vernachlässigt
- Drehgestellrahmen: Durchbiegungen vernachlässigt
- Fahrzeugkasten: Querdurchbiegungen vernachlässigt
  Torsion vernachlässigt
  Längsdurchbiegungen vernachlässigt bei allen Fahrzeugen mit Ausnahme der Güterwagen, bei denen die Längsdurchbiegungen unter der Wirkung der um 30 % erhöhten größtzulässigen Last berücksichtigt werden müssen, um den dynamischen Beanspruchungen Rechnung zu tragen.

2 - Einfederungen

Tragfederarten

Die Primär- und Sekundärfederungen bestehen aus verschiedenen Federarten, für die die Einfederungen wie folgt berücksichtigt werden müssen:

- Stahlfeder: Einfederung unter statischer Last

zusätzliche Einfederung unter dynamischen Beanspruchungen

Einfederung aufgrund der Federungstoleranzen

- Gummifeder: die gleichen Einfederungen wie bei Stahlfedern
- Luftfe der: vollständige Einfederung - Luftfederbalg entleert (einschließlich Notfederung, soweit vorhanden).
- Bedingungen für die Einfederung
  - Gleichmäßige und gleichzeitige Einfederung aller Federn (betroffen sind die Zonen A, B, C und D).
  - "Herkömmliche Güterwagen :. vollständige Einfederung (Durchfedern bis zum Aufsetzen)
  - Spezial-Güterwagen: Einfederung bei einer Überlast von 30 % des abgefederten Gewichts (um die Begrenzungslinie maximal ausnutzen zu können, insbesondere im Kombinierten Verkehr oder bei voluminösen Ladungen oder vollständige Einfederung (Durchfedern bis zum Aufsetzen).
  - Andere Einfederungen: siehe Anlage 3.

C.2.4.1.2 Befahren von Neigungswechseln (einschließlich der Ablaufberge) und von Brems-, Rangier- oder Hemmeinrichtungen

a) Fahrzeuge mit einer Bezugslinie (unter 130 mm über SO liegender Teil) gemäß Punkt C.3.2.3

Normalwerte der vertikalen Einschränkungen ei oder ea, die für leere Reisezugwagen und leere oder beladene Gepäck- und Güterwagen zu berücksichtigen sind.

Diese Fahrzeuge müssen, wenn sie ablaufen dürfen, auf vertikal nicht gekrümmten Gleisabschnitten Gleisbremsen in Arbeitsstellung und andere Rangier- oder Hemmeinrichtungen befahren können, die die Maße 115 bzw. 125 mm über Schienenoberkante erreichen und zwar bis zu 3 m Abstand von der Grenze von Kuppen mit einem Radius von Rv ≥ 250 m (Maß d).

Sie müssen diese Einrichtungen auch dann überfahren können, wenn sich diese innerhalb oder in der Nähe von Wannen mit einem Radius von Rv ≥ 300 m befinden.

Um diesen Bestimmungen zu genügen, müssen die unteren Teile dieser Fahrzeuge unter Berücksichtigung der gemäß Punkt 1.4.1 angesetzten senkrechten Ausschläge im ebenen Gleis mindestens 115 bzw. 125 mm zuzüglich der nachstehend angegebenen Größen ei bzw. ea von der Schienenoberkante entfernt sein:

Bild C7

ei und ea: Höheneinschränkung des Fahrzeugunterteils gegenüber den Maßen 115 bzw. 125 mm.

ev: Absenkung der Gleisbremsen gegenüber den Maßen 115 bzw. 125 mm.

Für die Querschnitte zwischen den Endradsätzen bzw. zwischen den Drehzapfen (Regelwerte in Metern) Der Zahlenindex, mit dem die Werte ei und e'i versehen sind, soll die Regelwerte von den verringerten Werten unterscheiden.

ANMERKUNGEN

(1) Die Formel für n n ≥ (a - 3) / 3 ergibt Einschränkungen, die größer oder gleich denjenigen Einschränkungen sind, die sich aus der Formel für n < (a - 3) / 3 ergeben.

Unbesetzte Reisezugwagen und unbeladene oder beladene Gepäck- und Güterwagen müssen, wenn sie ablaufen dürfen, außerdem Kuppen mit einem Radius ≥ 250 m befahren können, ohne dass irgendein Bauteil, ausgenommen der Spurkranz der Räder, unter die Schienenoberkante hinabreicht.

Diese Bedingung, die den mittleren Teil der Fahrzeuge betrifft, kommt zu jenen hinzu, die sich aus den Formeln ei für lange Fahrzeuge ergeben.

Bild C8

Für Querschnitte außerhalb der Endradsätze bzw. der Drehzapfen (Regelwerte in Metern)

Bild C9

Verringerte Werte der Höheneinschränkung ei (Querschnitte zwischen den Endradsätzen bzw. zwischen den Drehzapfen), die bei bestimmten Fahrzeugen für das Befahren von Neigungswechseln einschließlich Ablaufbergen zu berücksichtigen sind.

Diese verringerten Werte sind nur bei gewissen Güterwagenbauarten zugelassen, falls diese einen größeren Raum in Anspruch nehmen als den, der sich bei Anwendung der Regelwerte ergibt. Dies sind z.B. Taschenwagen für den Kombinierten Verkehr sowie Wagen gleicher oder ähnlicher Bauart.

Die Benutzung dieser verringerten Werte kann zur Folge haben, dass besondere Vorsichtsmaßnahmen in gewissen Rangierbahnhöfen zu treffen sind, bei denen Talbremsen am Fuß einer Ablauframpe vorhanden sind.

Für diese Fahrzeuge ändert sich das Maß d auf 5 m.

Bild C10

ANMERKUNGEN

(1) Die Formel für n ≥ (a - 5) / 3 ergibt Einschränkungen, die größer oder gleich denjenigen Einschränkungen sind, die sich aus der Formel n < (a - 5) / 3 ergeben.

Güterwagen müssen, wenn sie ablaufen dürfen, außerdem Kuppen mit einem Radius von R > 250 m befahren können, ohne dass irgendein Bauteil, ausgenommen der Spurkranz der Räder, unter Schienenoberkante hinabreicht.

Diese Bedingung, die den mittleren Teil der Güterwagen betrifft, kommt zu jenen hinzu, die sich aus den Formeln ei für lange Güterwagen ergeben.

Bild C11

Für Drehgestelle ist a = p.

Tafel C1 der Werte ei und e'i Angaben in Millimetern, a und n in Metern angegeben.

b) Fahrzeuge, die wegen ihrer Länge Ablaufberge nicht befahren dürfen

Unbesetzte Reisezugwagen, für den internationalen Verkehr geeignete unbeladene oder beladene Güterwagen und unbeladene oder beladene Gepäckwagen müssen, wenn sie wegen ihrer Länge nicht ablaufen dürfen, dennoch den Umriss nach Punkt 3.2.3 einhalten, wenn sie sich auf einem vertikal nicht gekrümmten Gleis befinden, um die Verwendung von Rangier- oder Hemmeinrichtungen zu ermöglichen.

c) Alle Fahrzeuge

Alle Fahrzeuge müssen Wannen und Kuppen mit Rv ≥ 500 m befahren können, ohne dass irgendein Bauteil, ausgenommen der Spurkranz der Räder, unter Schienenoberkante reicht.

Betroffen sein können Fahrzeuge mit:

d) Sonderfälle

Folgende Sonderfälle sind zu berücksichtigen:

C.2.4.1.3 Ermittlung der größten Höhen über SO

Der für die oberen Teile der Fahrzeuge h ≥ 3.250 mm zu berücksichtigende Wert der senkrechten Verschiebungen wird unter Berücksichtigung der dynamischen Verschiebungen nach oben bei einem unbeladenen (unbesetzten), lauffähigen Fahrzeug ohne Verschleiß ermittelt.

In diesem Bereich bewegen sich die Fahrzeuge unter der Einwirkung

  1. der Schwingungen nach oben,
  2. der senkrechten Komponente der quasistatischen Neigung,
  3. der Querverschiebungen auf die Bezugslinie zu.

Dementsprechend sind die Höhenmaße der Bezugslinie um die durch diese Verschiebungen erzeugten Werte t zu verringern, sofern diese errechnet werden können, oder sonst um einen Pauschalwert von 15 mm je Federstufe.

Anzumerken bleibt, dass unter dem Einfluss einer quasistatischen Neigung die der Neigung gegenüberliegende Seite des Fahrzeugs sich zwar anhebt, sich aber gleichzeitig von der Bezugslinie entfernt, so dass keine Überschreitung zu befürchten ist. Auf der Neigungsseite hingegen senkt sich das Fahrzeug ab, wodurch ein Teil der Verschiebungen nach oben ausgeglichen wird.

Als Annäherungswert und bei einem Überhöhungsüberschuss bzw. einem Überhöhungsfehlbetrag von 50 mm hat diese vertikale Einschränkung Δ V(h) der Bezugslinie bei Nennhöhen h=3,25 m folgenden Ausdruck:

In dieser Formel stellt

1/2LCR h die halbe Breite der Bezugslinie,

Ei oder Ea die Einschränkungen in der Querrichtung,

s den Neigungskoeffizienten des Fahrzeugs,

ξ die senkrechten Ausschläge des Fahrzeugs nach oben (errechnetes oder Pauschalglied) dar.

Beispiel für ein Fahrzeug mit Einschränkung Ei oder Ea von 217 mm ab h = 3,25 m. Man erhält:

Einschränkungen im abgeschrägten oberen Teil der Bezugslinie.

Bild C12

C.2.4.2 Querverschiebungen (D)

Diese Verschiebungen setzen sich wie folgt zusammen:

C.2.4.2.1 Einstellung der Fahrzeuge im Gleis und Schränkungskoeffizient (A)

Die verschiedenen Einstellungen eines Fahrzeuges im Gleis hängen von den Querspielen der verschiedenen Bauteile, die den Fahrzeugkasten mit dem Gleis verbinden, und von der Art der Laufwerke des Fahrzeugs (Einzelradsätze, Triebdrehgestelle, Laufdrehgestelle usw.) ab.

Man muss deshalb aus den verschiedenen Einstellungen, die das Fahrzeug im Gleis einnehmen kann, ggf. einen Schränkungskoeffizienten a ableiten, der auf bestimmte Glieder der Grundformeln zur Berechnung der inneren und äußeren Einschränkung Ei bzw. Ea anzuwenden ist.

Der Schränkungskoeffizient und die Einstellung der Fahrzeuge im Gleis sind in der nachstehenden Tabelle angegeben. Für Radsatzkonfigurationen, die in der Tabelle nicht enthalten sind, müssen die ungünstigsten Einstellungen im Gleis berücksichtigt werden.

Für Gelenkfahrzeuge wird empfohlen, die für die herkömmlichen Fahrzeuge mit 2 Drehgestellen angegebene Einstellung zu verwenden.

Tafel 2 Schränkungskoeffizient und Einstellung der Fahrzeuge im Gleis

Bild C13

C.2.4.2.2 Sonderfall Triebwagen und Wendezugsteuerwagen

Bei diesen Fahrzeugen werden die Drehgestelle nach Maßgabe ihrer Anfahrtreibungszahl K unterschieden.

Wenn µ ≥ 0,2 wird das Drehgestell als "Triebdrehgestell " bezeichnet,
wenn 0 < µ < 0,2 wird das Drehgestell als "Laufdrehgestell betrachtet,
wenn µ = 0 ist das Drehgestell ein "Laufdrehgestell.

C.2.4.2.3 Quasistatische Verschiebungen (z)

Diese Verschiebungen werden bei der Berechnung von Ei bzw. Ea in Abhängigkeit vom Neigungskoeffizienten s, von der Höhe über Schienenoberkante des betrachteten Punktes h und der Wankpolhöhe hc berücksichtigt.

Der Baudienst legt der Ermittlung der Grenzlinie für feste Anlagen im Bereich h > 0,5 m, wenn die örtliche Überhöhung bzw. der örtliche Überhöhungsfehlbetrag 0,05 m überschreitet, den quasistatischen Neigungszuschlag der Fahrzeuge zu Grunde, die vereinbarungsgemäß einen Neigungskoeffizienten von 0,4 und eine Wankpolhöhe von 0,5 m aufweisen.

Der Fahrzeugdienst ermittelt Ei und Ea unter Berücksichtigung

(in obigen Formeln Maße in Metern)


weiter .

umwelt-online - Demo-Version


(Stand: 07.08.2025)

Alle vollständigen Texte in der aktuellen Fassung im Jahresabonnement
Nutzungsgebühr: ab 105.- € netto (Grundlizenz)

(derzeit ca. 7200 Titel s.Übersicht - keine Unterteilung in Fachbereiche)

Preise & Bestellung

Die Zugangskennung wird kurzfristig übermittelt

? Fragen ?
Abonnentenzugang/Volltextversion