zurück


.

- gestrichen - Anhang D 12

.

Fahrzeug-Fahrweg-Wechselwirkung und Begrenzungslinie
Radsatzabmessungen und Toleranzen für Normalspurweite
Anhang E


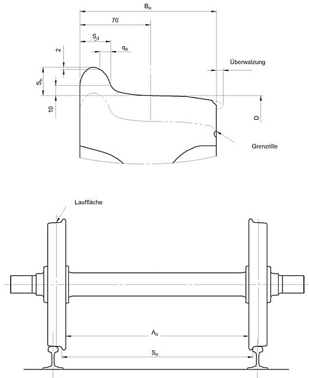
Tabelle E1

Bezeichnung Raddurchmesser (mm) Mindestwert (mm) Höchstwert (mm)
Spurmaß (SR)
SR = AR+ Sd (linkes Rad) + Sd (rechtes Rad)
> 840 1.410 1.426
< 840 und> 330 1.415 1.426
Abstand der inneren Radkranz- bzw. Radreifenstirnflächen (AR) > 840 1.357 1.363
< 840 und> 330 1.359 1.363
Radreifenbreite (BR) > 330 133 1401
Spurkranzdicke (Sd) > 840 22 33
< 840 und> 330 27,5 33
Spurkranzhöhe (Sh) > 760 28 36
< 760 und> 630 30 36
< 630 und> 330 32 36
Spurkranzflankenmaß ((qR (qR) > 330 6,5  
Laufflächendefekte, z.B. Flachstellen, Abblätterungen, Risse, Rillen, Vertiefungen, etc. Bis zur Veröffentlichung der EN gelten nationale Regeln.
1) Einschließlich Überwalzung

Die Maße SR und AR werden an der Schienenoberkante gemessen und sind von Güterwagen in beladenem und im Leerzustand sowie von ausgebauten Radsätzen einzuhalten. Für spezifische Fahrzeuge können vom Hersteller kleinere Toleranzen innerhalb der oben genannten Grenzwerte spezifiziert werden.

Bild E1 Symbole

.

Kommunikation Anhang F

Fähigkeit des Fahrzeugs zur Informationsübertragung zwischen Strecke und Fahrzeug

Bild F1 Tag-Position am Wagen

In Bild F1 (oben) zeigen A1 und A2 die minimale bzw. maximale Höhe über Schienenoberkante für die Positionierung der Tag-Mitte unter allen Beladungs- und Einfederungszuständen eines Güterwagens:

A1 = 500 mm

A2 = 1100 mm

Bild F2 Montagevorschriften für Tag-Lesegeräte

.

Umweltbedingungen Feuchtigkeit Anhang G


Bild G1

Bild G2


.

- gestrichen - Anhang H 12


.

Schnittstellen der Interoperabilitätskomponente Bremsen Anhang I


I.1 Steuerventil

Die Spezifikation der Interoperabilitätskomponente "Steuerventil" ist in den Abschnitten 4.2.4.1.2.2 "Bremsleistung" und 4.2.4.1.2.7 "Luftversorgung" beschrieben.

I.1.1 Steuerventil-Schnittstellen

I.1.1.1 Steuerventil

Ein Steuerventil ist ein pneumatisches Ventil. Es steuert seinen Ausgangsdruck umgekehrt proportional zur Änderung seines Eingangsdrucks (siehe Abb. I.1 und I.2). Die Leistung eines Steuerventils wird durch folgende Parameter bzw. Elemente bestimmt:

Abb. I.1

Abb. I.2

Das Steuerventil wird vom Druck in der Hauptluftleitung gesteuert. Der Regelbetriebsdruck der konventionellen Druckluftbremse in einem Zug beträgt 5 bar bei "gelöstem" Führerbremsventil; das Steuerventil muss jedoch in einem Druckbereich zwischen 4 und 6 bar normal funktionieren. Der Druckabfall in der Hauptluftleitung bis zum Erreichen der Vollbremsung muss 1,5 ± 0,1 bar betragen. Mit dieser Druckminderung muss ein maximaler Ausgangsdruck von 3,8 ± 0,1 bar erzielt werden. Der Ausgangsdruck ist in der Regel auf einen Höchstwert begrenzt. Der Regelbetriebsdruck der Hauptluftleitung beträgt 5 bar; das Steuerventil muss jedoch bei Bremsleitungsdrücken zwischen 4 und 6 bar normal funktionieren. Die Änderungsrate des Steuerventilausgangsdrucks ist durch die Änderungsrate des Eingangsdrucks zu bestimmen (siehe Abb. I.3).

Abb. I.3

Das Steuerventil muss die Bremsen eines Wagens lösen, indem es den Bremszylinder bei einer Zunahme des Druckes in der Hauptluftleitung ins Freie entlüftet (siehe Abb. I.4).

Abb. I.4

Es muss möglich sein, durch geringe Stufungen des Eingangsdrucks den Ausgangsdruck in den Betriebszuständen Anlegen oder Lösen zu ändern; eine Änderung des Eingangsdruckes um 0,1 bar muss eine Änderung des Ausgangsdruckes bewirken. Der Ausgangsdruck darf bei gleichem Eingangsdruck nicht mehr als 0,1 bar zwischen den Betriebszuständen Anlegen und Lösen variieren.

Das Steuerventil darf die Hauptluftleitung und den Vorratsluftbehälter nicht verbinden, bevor der Bremszylinderdruck weniger als 0,3 bar beträgt. Diese Verbindung muss hergestellt sein, wenn der wieder steigende Druck in der Hauptluftleitung einen Wert von 0,15 bar unter dem Regelbetriebsdruck erreicht hat.

Die Bremsanlegezeit ist die Zeit für die Erhöhung des Ausgangsdrucks ab Beginn des Druckanstiegs von 0 bar bis auf 95 % des maximalen Ausgangsdrucks, während der Eingangsdruck innerhalb von 2 Sekunden auf 0 bar reduziert wird. Dies sind 3 bis 5 Sekunden in einstufiger Bremsstellung "P" oder 3 bis 6 Sekunden in Bremsstellung "P" mit leer/beladen-Umstelleinrichtung oder lastabhängiger Bremsregelung bzw. 18 bis 30 Sekunden in Bremsstellung "G" im Einleitungsbetrieb.

Die Lösezeit ist die Zeit zur Minderung des Ausgangsdrucks ab Beginn des Druckabfalls vom Maximum bis auf 0,4 bar, während der Eingangsdruck in weniger als 2 Sekunden von 1,5 bar unterhalb des Regelbetriebsdrucks bis zum Erreichen desselben erhöht wird. Dies sind 15 bis 20 Sekunden in Bremsstellung "P" und 45 bis 60 Sekunden in Bremsstellung "G". Bei Güterwagen mit einem Gesamtgewicht über 70 Tonnen kann die Zeit in Bremsstellung "P" sbei 15 bis 25 Sekunden betragen.

Das Steuerventil muss sich entweder in den Bremsstellungen "G", "P" oder "G/P" verwenden lassen; im letzteren Fall kann auch eine Umstellvorrichtung vorhanden sein, die ein Umschalten zwischen den Bremsstellungen erlaubt.

Es muss eine manuelle Lösefunktion geben, die eine bewusste und absichtliche Handbetätigung erfordert, um den Bremsvorgang aufzuheben (das Steuerventil zu lösen).

Das Steuerventil muss automatisch arbeiten und in der Lage sein, den maximalen Ausgangsdruck auch bei einem Verlust des Eingangsdrucks zu gewährleisten.

Das Steuerventil muss unerschöpflich sein und bei einer Schnellbremsung unter allen Betriebsbedingungen mindestens 85 % des maximalen Ausgangsdrucks bereitstellen können. Das Steuerventil muss den Ausgangsdruck bei Undichtigkeiten im Bremszylinder halten, solange hinreichend Druckluft im Hilfsluftbehälter ist.

Das Füllen der Hilfsluftbehälters und der Vorratsluftbehälter an einem Fahrzeug muss so erfolgen, dass das Lösen der Bremse und das Füllen der Behälter am Zugende nicht behindert werden. Es muss zudem so erfolgen, dass es keine Änderungen des Druckes in der Bremsleitung gibt, die eine Betätigung der Bremsen in benachbarten Fahrzeugen auslösen könnten.

Das Steuerventil muss funktionsgerecht auf den Eingangsdruck reagieren, auch wenn benachbarte Steuerventile isoliert oder funktionslos sind.

Die Empfindlichkeit des Steuerventils ist so einzustellen, dass es bei einer Minderung des Eingangsdrucks um 0,6 bar in 6 Sekunden gegenüber dem Regelbetriebsdruck innerhalb von 1,2 Sekunden aktiviert wird.

Die Unempfindlichkeit des Steuerventils bei langsamem Absinken des Eingangsdrucks muss so ausgelegt sein, dass bei einer Druckminderung, vom Regelbetriebsdruck ausgehend, um 0,3 bar je 60 Sekunden keine Bremsung eingeleitet wird.

Abb. I.5 12

)

Die Steuerventile müssen über Betriebsbremsbeschleuniger verfügen, die beim Anlegen der Bremse aus der gelösten Stellung eine lokale Schnellentlüftung der Hauptluftleitung um maximal 0,4 bar ermöglichen, sobald der Hauptluftleitungsdruck an der Zugspitze um 0,3 bar fällt. Dies dient zur pneumatischen Übertragung der Bremssignale durch einen Zug.

Es muss möglich sein, die Bremsen mit einem Füllstoß in der Hauptluftleitung von mindestens 6 bar zu lösen, wobei diese Druckhöhe mindestens 40 Sekunden in Stellung "G" und mindestens 10 Sekunden in Stellung "P" beibehalten werden muss, ohne dass es in den verschiedenen Bremsräumen zu Überladungen kommt. Es muss ferner möglich sein, in die gelöste Bremse einen Füllstoß für eine Dauer von mindestens 2 Sekunden bei einem Fülldruck von 6 bar zu senden, ohne dass die Bremsen nach Rücknahme des Füllstoßes von 6,0 auf 5,2 bar in 1 Sekunde und nachfolgender Absenkung auf Regelbetriebsdruck ansprechen.

Das Steuerventil muss einen Füllstoß ermöglichen, der beim Betrieb in Bremsstellung "G" zu Beginn der Bremsung einen schnelleren Druckaufbau in der Hauptluftleitung ermöglicht. Dieser muss bei etwa 10 % des maximalen Drucks in der Hauptluftleitung liegen. Ziel ist ein schneller Aufbau des notwendigen Drucks, um den Reibvorgang einzuleiten.

Abb. I.6

I.2 Relaisventil für lastabhängige Bremse/automatische Bremsumstellung leer-beladen

I.2.1 Relaisventil für lastabhängige Bremse

Ein Relaisventil ist ein Gerät, das die Anlegekraft des Bremssystems abhängig von der Masse des Güterwagens verändert. Änderungen in der Masse des Güterwagens müssen dazu führen, dass die Bremskraft ohne Verzögerung automatisch und kontinuierlich verändert wird. Das System darf nicht auf kurze Stöße oder Lastwechsel an den Rädern reagieren. Es darf die Leistungsmerkmale der Druckluftbremse nicht verändern (siehe TSI, Kapitel 5.3.3.1). Während des Bremsens darf die aufgrund eines Bremsbefehls eingestellte Bremskraft durch diese Einrichtung nicht verändert werden. Das System muss in allen Fällen vom leeren zum vollen Güterwagen mindestens 5 Bremsstufen im Betriebsbereich zwischen minimaler und maximaler Bremskraft umfassen. Ein etwaiger Luftverbrauch dieser Einrichtung muss möglichst niedrig sein und darf die Hauptbremsanlage des Fahrzeugs nicht beeinträchtigen.

I.2.2 Relaisventil für automatische Bremsumstellung leer-beladen

Ein leer/beladen-Relaisventil ist ein Gerät, das die Anlegekraft des Bremssystems an einem bestimmten Punkt im Massenbereich des Güterwagens verändert. Die leer- oder beladen-Stellung dieses Relaisventils muss automatisch erreicht werden, wenn die Masse des Güterwagens die Umstellmasse unter- bzw. überschreitet. Die Leistung des Systems darf nicht durch Stöße und Vibrationen beeinträchtigt werden. Das Relaisventil zur leer/beladen-Umstellung darf die Leistungsmerkmale der Druckluftbremse nicht verändern (siehe TSI, Kapitel 5.3.3.1).

I.3 Gleitschutzeinrichtung

Die Gleitschutzeinrichtung ist Teil eines Systems, das den verfügbaren Kraftschluss durch eine kontrollierte Verringerung und Erhöhung der Bremskraft optimal ausnutzen soll, damit die Radsätze nicht blockieren oder unkontrolliert gleiten; die Gleitschutzeinrichtung dient somit zur Optimierung des Anhaltewegs. Die Gleitschutzeinrichtung darf die funktionalen Merkmale der Bremsen nicht verändern.

Die Drehgeschwindigkeit der Radsätze wird aus Sensorsignalen berechnet und von einem automatischen Steuerungssystem überwacht. Dieses überträgt Befehle zum teilweisen oder totalen Senken oder Erhöhen der Bremsleistung an die Entlüftungsventile der Gleitschutzeinrichtung.

Bei der Geschwindigkeitsauswertung muss das System die zulässigen Raddurchmesserdifferenzen bei einem Fahrzeug berücksichtigen.

Die Energieversorgung der Gleitschutzeinrichtung ist so auszulegen, dass sie mit Energie versorgt wird, sobald sich das Fahrzeug in Bewegung setzt. Gleitschutzeinrichtungen benötigen zu ihrer Funktion Energie; diese kann von den Fahrzeugen oder von der Gleitschutzeinrichtung selbst bereitgestellt werden.

Gleitschutzeinrichtungen müssen so konstruiert sein, dass sie bei Schwankungen der Nennspannung von bis zu ±30 % störungsfrei funktionieren. Wenn die Spannungsschwankung diesen Grenzwert übersteigt, muss die Gleitschutzeinrichtung ohne Störung der Bremsanlage abgeschaltet werden. Sobald die Versorgungsspannung wieder in ihren normalen Bereich zurückkehrt, muss die Gleitschutzeinrichtung automatisch wieder in Betrieb gehen.

Die Gleitschutzeinrichtung muss über einen eigenen, geschützten Stromkreis verfügen. Sicherungen oder Schutzschalter für die Gleitschutzanlage sind so von den übrigen Sicherungen am Fahrzeug zu trennen, dass sie mit diesen nicht verwechselt oder auf die gleiche Weise bedient werden können. Wann immer Energie zur Verfügung steht, muss die Gleitschutzeinrichtung versorgt werden. Eine automatische Abschaltung der Versorgung ist nur zulässig im Schlafbetrieb (keine Bewegung) oder im Batterieschutzbetrieb zu Sicherheitszwecken (Batterie-Gefahrensituation oder zu niedrige Spannung durch Langzeit-Versorgungsmangel).

Die Gleitschutzeinrichtung ist auf minimalen Luftverbrauch auszulegen.

Weitere Spezifikationen für die Interoperabilitätskomponente Gleitschutzeinrichtung finden sich in der TSI in den Abschnitten 4.2.4.1.2.6 und 4.2.4.1.2.7.

I.4 Gestängesteller

Gestängesteller (Nachstelleinrichtungen) sind erforderlich, um automatisch einen nominell konstanten Abstand des Reibpaares (Rad/Bremsklotzsohle oder Bremsscheibe/Bremsklotz) einzuhalten; dies soll die Bremseigenschaften erhalten und die Bremsleistung sichern.

Der Gestängesteller darf nicht mehr als 2 kN der Bremsanlegekraft in Anspruch nehmen. Die Leistung des Gestängestellers darf nicht durch Umwelteinflüsse (Vibrationen, Winterbedingungen etc.) beeinträchtigt werden.

Gestängesteller brauchen nicht untereinander austauschbar sein; wenn sie es jedoch sind, gelten nachstehende Raumvorgaben (zu beachten sind nur die Werte in der Tabelle).

Austauschbare Gestängesteller, die im Untergestell angeordnet sind, dürfen folgende Hüllräume nicht überschreiten:

I.5 Bremszylinder/-aktuator

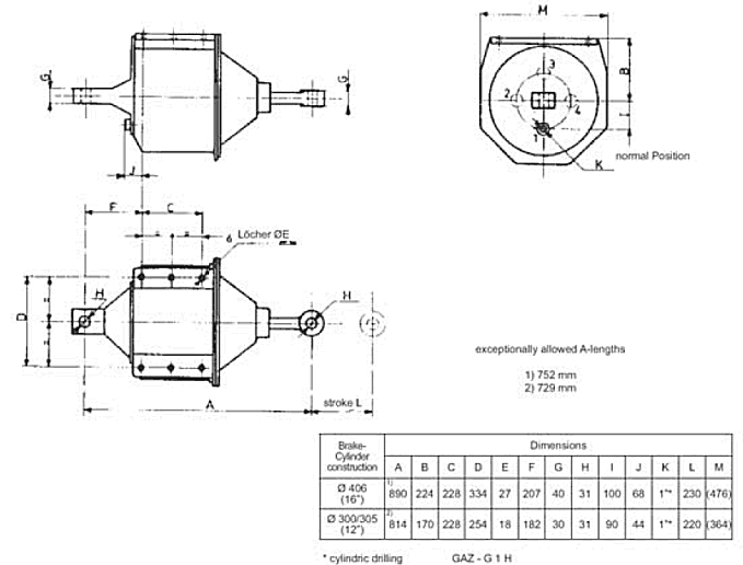
Bremszylinder/-aktuatoren müssen nicht untereinander austauschbar sein; wenn sie es jedoch sind, gelten nachstehende Raumvorgaben (zu beachten sind nur die Werte in der Tabelle).

Austauschbare Bremszylinder für eine Laufflächenbremse, die im Untergestell oder im Drehgestell angeordnet sind, müssen die Anschlussmaße gemäß Abb. I.9.1 aufweisen.

Abb. I.9.1

Die Durchmesser der Stifte und Buchsen für die Gelenkverbindungen der austauschbaren Bremszylinder müssen Abb. I.9.2 entsprechen.

Abb. I.9.2

I.6 Pneumatische Kupplung

Die pneumatische Halb-Kupplung der Hauptluftleitung einer automatischen Druckluftbremse muss den Abb. I.10, I.12 und entweder I.13 oder I.15 entsprechen. Der Schlauchstutzen zum Anschluss an den Luftabsperrhahn muss Abb. I.10 entsprechen und ein Whitworth-Rohr-Innengewinde (BSPP) R 1 1/4besitzen.

Die pneumatische Halb-Kupplung für die Hauptluftbehälterleitung muss den Abb. I.11, I.14 und entweder I.13 oder I.15 entsprechen. Der Schlauchstutzen zum Anschluss an den Luftabsperrhahns muss Abb. I.10 (wie bei der Hauptluftleitung der automatischen Druckluftbremse) entsprechen und ein Whitworth-Rohr-Innengewinde (BSPP) R1 1/4besitzen.

Die lichte Weite der Bremsschläuche für beide Leitungen muss zwischen 25 und 30 mm liegen. Die Länge der Halbkupplungen muss den Abb. I.10 und I.11 entsprechen. Bei Verwendung eines automatischen Schwingkopfsystems sind die Halbkupplungen, in Abänderung der Abmessungen in Abb. I.10 und I.11, auf 1.080 mm für die Hauptluftleitung der Druckluftbremse und auf 930 mm für die Hauptluftbehälterleitung zu verlängern. Für die Bremskupplungen sind in der Regel Gummischläuche mit Gewebeeinlage zu verwenden, bei ausreichender Flexibilität können auch Metallschläuche verwendet werden.

Die Kupplungsköpfe für die Bremsleitung müssen Abb. I.12 entsprechen. Der Kupplungskopf für die Hauptluftbehälterleitung muss Abb. I.13 entsprechen. Beide Abbildungen zeigen die für eine ordnungsgemäße Kupplung einzuhaltenden Maße; die Form und sonstige Abmessungen dürfen jedoch variiert werden, solange die Köpfe so konstruiert sind, dass sie dem Luftstrom möglichst geringen Widerstand entgegensetzen. Die Kupplungsköpfe können ein- oder zweiteilig ausgeführt werden, siehe * in den Abb. I.12 und I.14. Bei einteiliger Ausführung des Kupplungskopfes ist der Dichtring in Abb. I.13 zu verwenden, andernfalls kommt der Dichtring in Abb. I.15 zum Einsatz.

Abb. I.10

Abb. I.11 Pneumatische Kupplung - Hauptluftbehälterleitung

Abb. I.12 Bremskupplungskopf

Abb. I.13 Dichtring - Einteiliger Kupplungskopf

Abb. I.14 Bremskupplungskopf - Hauptluftbehälterleitung

Abb. I.15 Dichtring - Zweiteiliger Kupplungskopf

I.7 Luft-Absperrhahn

Ein Luftabsperrhahn ist ein in einer Rohrleitung montiertes Gerät, das in geöffneter Stellung einen Luftstrom durch die Rohrleitung zulässt. Bei geschlossenem Luftabsperrhahn wird ein Durchfluss durch die Rohrleitung verhindert und die Leitung auf einer Seite des Luftabsperrhahns entlüftet.

Luftabsperrhähne müssen die nachstehenden funktionalen Anforderungen erfüllen, um den Luftstrom durch Hauptluftleitung und Hauptluftbehälterleitung zu gewährleisten. Die Gesamtmaße der Luftabsperrhähne müssen den Abb. I.17 und I.18 oder I.19 und I.20 entsprechen, je nachdem, ob sie in einem Fahrzeug mit automatischer Kupplung oder ohne eingebaut sind.

Offene und geschlossene Stellung: Die Griffposition muss an allen Fahrzeugen gleich sein; sie muss durch Anschläge begrenzt sein, die eine Drehung des Hahns um mindestens 90° und höchstens 100° gestatten. Für Konstruktionen zur Verwendung an Wagen ohne automatische Kupplung ist ein Drehwinkel bis 125° zulässig. Die geschlossene Stellung ist die Position, bei der der Strömungsweg zwischen Einlass und Auslassöffnungen geschlossen ist und gleichzeitig der Entlüftungskanal offen und mit der Schlauch- und Kupplungsseite des Hahns verbunden ist. Der Hahn ist geschlossen, wenn der Betätigungsgriff am Fahrzeug senkrecht nach oben zeigt. Die offene Stellung ist die Position, bei der der Strömungsweg zwischen Einlass und Auslassöffnungen offen und der Entlüftungskanal geschlossen ist. Der Hahn ist offen, wenn der Betätigungsgriff annähernd waagerecht steht.

Wenn eine Betätigungsspindel für den Absperrhahn eingesetzt wird, muss es möglich sein, einen Gabelhebel so aufzustecken, dass der Drehwinkel zwischen den Endstellungen des Hahns symmetrisch in Relation zur Senkrechten auf der Längsmittellinie des Hahns angeordnet ist (siehe Abb. I.20).

Entlüftungsbohrung: Absperrhähne müssen eine Entlüftungsbohrung von mindestens 80 mm2 haben, die so angeordnet ist, dass bei geschlossenem Hahn die Druckluft aus dem Kupplungsschlauchende des Hahns (Einlassseite zum Fahrzeug) in die Außenluft entlüftet wird. Die Herstellung der Verbindung mit der Außenluft muss einsetzen, sobald der Durchgangsquerschnitt der Hauptluftleitung durch Drehen des Hahnkükens um ein Drittel verkleinert worden ist. Es darf nicht möglich sein, die Entlüftungsbohrung zu verstopfen, wenn der Hahn am Schienenfahrzeug montiert ist. Entlüften durch axiales Verschieben eines Kolbens soll vermieden werden.

Drehmoment: Alle Absperrhähne mit mechanischer Arretierung oder mit Riegel dürfen nicht durch Schwingungen oder Stöße betätigt werden. Sie müssen sich manuell mit einem Drehmoment zwischen 9 und 20 Nm bei mechanischer Arretierung und mit maximal 6 Nm bei Hähnen mit Riegel in die Endstellung bewegen lassen.

Spindelgriff des Absperrhahns: Wenn der Griff abnehmbar und die eindeutige Winkelbeziehung zwischen ihm und der Spindel nicht konstruktiv sichergestellt ist, darf es nur möglich sein, den Griff auf die Spindel zu montieren, wenn die Achse des Griffs und die diametrale Spindelmarkierung miteinander gefluchtet sind; der Griff muss gemäß Abb. I.16 oder nach Spezifikation des Bestellers markiert werden. Die relative Position des Griffs und der Spindel müssen unter allen Betriebs- und Umgebungsbedingungen erhalten bleiben. Wenn der Griff des Absperrhahns von der Spindel abnehmbar ist, muss er formschlüssig montiert sein.

Abb. I.16 Markierung am Ende der Spindel

Abfallzeit: Die Luftkanäle sind so zu konstruieren, dass Verluste innerhalb des Hahns minimiert werden und die Querschnittfläche nicht kleiner ist als die Querschnittfläche eines glatten Rohrs von 25 mm lichter Weite. Die Druckabfallzeit beim Öffnen des Absperrhahns darf nicht länger sein als bei einem gleichwertigen Rohr mit demselben Nenndurchmesser.

Druckstöße: Die Komponenten müssen so ausgelegt sein, dass sie den Druckstößen, die beim schnellen Öffnen auf den Absperrhahns wirken, widerstehen.

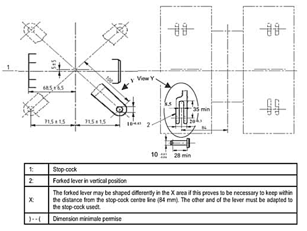
Anschlüsse: Der Körper des Absperrhahns muss zum Anschluss an die Hauptluftleitung oder Hauptluftbehälterleitung ein Whitworth-Rohr-Innengewinde (BSPP) R 1" oder R 1 1/4" besitzen. Das Ende des Körpers neben dem Innengewinde muss eine Sechskantform oder Flachstellen haben (siehe Abb. I.17). Wenn vom Käufer gewünscht, kann das Ende des Absperrhahns eine flache Dichtfläche für Flanschverbindungen haben. Der Körper des Absperrhahns muss ein Außengewinde für den Anschluss des Kupplungsschlauchs gemäß Abb. I.18 besitzen.

Abb. I.17 Skizze mit den Gesamtmaßen des Absperrhahns

(Längenmaße in Millimeter)

Abb. I.18 Absperrhahn mit Federverriegelung in den Endstellungen

(Längenmaße in Millimeter)

Abb. I.19 Skizze mit den Gesamtmaßen des Absperrhahns an Fahrzeugen mit Automatikkupplung

(Längenmaße in Millimeter)

Abb. I.20 Anschlussmaße für die Bedienungseinrichtungen des Absperrhahns an Fahrzeugen mit Automatikkupplung

(Längenmaße in Millimeter)

I.8 Bremsabsperrhahn

Der Griff des Bremsabsperrhahns muss senkrecht nach unten gerichtet sein, wenn die Bremse eingeschaltet ist. Die Bremse muss durch eine Drehung des Griffes um höchstens 90° ausgeschaltet werden. Der Griff des Bremsabsperrhahns muss Abb. I.21 entsprechen.

Abb. I.21

Der Bremsabsperrhahn ist so am Wagen anzubringen, dass sein Griff in den Stellungen "offen" und "geschlossen" gut sichtbar ist und von einer Seite des Wagens leicht bedient werden kann.

Es wird empfohlen, den Bremsabsperrhahn am Steuerventil oder unmittelbar daneben anzubringen.

I.9 Bremsbacke

I.9.1 Zweck

Die Bremsbacke ist Teil der Reibungsbremse eines Fahrzeugs und in der Lage, vordefinierte, vom Käufer spezifizierte Verzögerungskräfte aufzubringen, indem sie auf die Reibfläche einer Bremsscheibe gedrückt wird. Die Bremsbacke erfüllt folgende Aufgaben:

I.9.2 Betrieb

Bei der Konstruktion und Herstellung der Bremsbacke sind für alle vorgesehenen Betriebsbedingungen nachstehende Kriterien zu berücksichtigen.

Leistungswerte

Instandhaltungs- und Lebenszykluskosten

I.9.3 Konstruktion

Die Schnittstellenabmessungen für die Interoperabilitätskomponente Bremsbacke müssen den Abb. I.9.3.1 (200 cm2 Reibfläche) und I.9.3.2 (175 cm2 Reibfläche) entsprechen.

Abb. I.9.3.1

Abb. I.9.3.2

I.9.4 Reibleistung

Allgemeines

Bremsbacken gleicher Größe und mit demselben Reibungsbeiwert, die in derselben Anwendung zum Einsatz kommen, können dennoch unterschiedliche Reibeigenschaften aufweisen, je nach Art und Zusammensetzung des Bremsbackenmaterials.

Der Reibungsbeiwert muss so weit wie möglich unabhängig sein von der anfänglichen Bremsgeschwindigkeit, dem spezifischen Druck auf der Bremsscheibenreibfläche, der Reibflächentemperatur und den atmosphärischen Bedingungen. Der Reibungsbeiwert muss auch unabhängig sein vom Bettungsgrad der Bremsbackenreibfläche auf der Bremsscheibenreibfläche.

Besondere Anforderungen

Der Käufer muss den Einsatzbereich und die damit verbundenen Anforderungen (Höchstgeschwindigkeit, Bremsgewicht pro Bremsscheibe, Verzögerung, Scheibenart und -werkstoff, sonstige spezifische Anforderungen), die die Bremsbacke erfüllen soll, genau angeben.

I.10 Bremsklötze

I.10.1 Zweck

Der Bremsklotz ist Teil einer Reibungsbremse eines Fahrzeugs und in der Lage, vordefinierte, vom Käufer spezifizierte Verzögerungskräfte aufzubringen, indem sie auf die Radlauffläche gedrückt wird. Der Bremsklotz hat folgende Aufgaben:

I.10.2 Werkstoffe

Bei einem Austausch im Zuge von Instandhaltungsarbeiten können Bremsklötze aus Grauguss, Verbund- oder Sinterwerkstoff verwendet werden. Für Sinterbremsbacken muss der Reibungsbeiwert so weit wie möglich unabhängig sein von der anfänglichen Bremsgeschwindigkeit, dem spezifischen Druck auf der Lauffläche, der Reibflächentemperatur und den atmosphärischen Bedingungen. Der Reibungsbeiwert muss auch unabhängig sein vom Bettungsgrad der Bremsklotzreibfläche auf der Radlauffläche.

Dieser Anhang enthält keine Angaben zu Bremsklötzen aus Verbundwerkstoff.

I.10.3 Schnittstelle zum Bremsklotzschuh

Die Schnittstellenabmessungen für die Einfach- und die Doppelbremsklötze sowie der Bremsklotzkeil zu ihrer Sicherung müssen den Abb. I.10.3.1 (Grauguss, Länge 320 mm) und I.10.3.2 (Doppelbremsbacke, Länge 250 mm) entsprechen. Abb. I.10.3.3 zeigt die besonderen Merkmale zur Gewährleistung der Austauschbarkeit von Verbundstoffbremsklötze untereinander und der Nichttauschbarkeit mit Bremsklötzen aus Grauguss (320 mm). Abb. I.10.3.4 zeigt die entsprechenden Merkmale für Verbundstoff-Doppelbremsklötze (250 mm).

Abb. I.10.3.1 Teil 1

Abb. I.10.3.1 Teil 2

Abb. I.10.3.2 Teil 1

Abb. I.10.3.2 Teil 2

Abb. I.10.3.3

Alle anderen Abmessungen wie in Abb. I.10.3.1

Abb. I.10.3.4

Alle anderen Abmessungen wie in Abb. I.10.3.2

I.11 Schnellbremsbeschleuniger

Ein Schnellbremsbeschleuniger ist ein Gerät, das an die Bremsleitung eines Fahrzeugs angeschlossen ist und das bei einem schnellen Druckabfall in der Bremsleitung anspricht, um einen weiterhin schnellen Druckabfall auf unter 2,5 bar zu gewährleisten.

Schnellbremsbeschleuniger müssen in Verbindung mit allen interoperablen Steuerventilen und den bereits existierenden interoperablen Schnellbremsbeschleunigern funktionieren. Mit dem Auffüllen der Hauptluftleitung auf den Regelbetriebsdruck wird der Schnellbremsbeschleuniger funktionsbereit. Die folgenden Betriebsbedingungen gelten für einen Regelbetriebsdruck von 5 bar, allerdings muss der Schnellbremsbeschleuniger bei einem Regelbetriebsdruck zwischen 4 und 6 bar einwandfrei funktionieren.

Die Schnellbremsbeschleuniger sollen bei einer Schnellbremsung den Druck in der Hauptluftleitung so rasch absenken, dass der vorgeschriebene Anstieg des Bremszylinderdrucks sämtlicher Wagen eines Zuges gewährleistet ist. Bei einem schnellen Druckabfall in der Hauptluftleitung unter 2,5 bar und spätestens 4 Sekunden nach dem Ansprechen muss der Schnellbremsbeschleuniger die Entlüftung unterbrechen, damit die Hauptluftleitung schnell wieder aufgefüllt werden kann.

Der Schnellbremsbeschleuniger muss die Bremsleitung entlüften, ohne das Fahrzeug- oder Zugverhalten zu beeinträchtigen.

Der Schnellbremsbeschleuniger darf nicht ansprechen, wenn ein Füllstoß den Druck in der Hauptluftleitung über den normalen Betriebsdruck auf 6 bar aufbaut, wobei dieser Druck bis zu 40 Sekunden in Stellung "G" und 10 Sekunden in Stellung "P" anliegen kann. Der Schnellbremsbeschleuniger darf nach einem vollständigen Lösen der Bremse nicht ansprechen, wenn der Druck in der Hauptluftleitung für 2 Sekunden auf 6,0 bar angehoben und in 1 Sekunde auf 5,2 bar zurückgenommen wird und der Druck anschließend auf Regelbetriebsdruck abklingt.

Der Schnellbremsbeschleuniger muss so ausgelegt sein, dass seine Wirkung durch das Vorhandensein eines einzigen Wagens ohne Schnellbremsbeschleuniger oder mit abgeschalteter Bremse nicht beeinflusst wird. Dies gilt unabhängig vom Stand des betreffenden Wagens und von der Zusammensetzung des Zuges.

Der Schnellbremsbeschleuniger darf bei einer Schnellbremsung im Anschluss an eine Vollbremsung nicht ansprechen.

Der Schnellbremsbeschleuniger muss spätestens 2 Sekunden, nachdem der Druck in der Hauptluftleitung innerhalb von 3 Sekunden von 5,0 auf 3,2 bar gefallen ist, ansprechen.

Der Schnellbremsbeschleuniger darf nicht ansprechen, wenn der Druck in der Hauptluftleitung ohne Bremsbetätigung innerhalb von 6 Sekunden gleichmäßig von 5,0 auf 3,2 bar absinkt. Bei Bremsbetätigung muss der Druck in der Hauptluftleitung innerhalb von 6 Sekunden gleichmäßig von 5,0 auf 3,2 bar und anschließend weiter auf 2,5 bar fallen können, ohne dass der Schnellbremsbeschleuniger anspricht.

Der Schnellbremsbeschleuniger darf in der Anfangsphase einer Betriebsbremsung nicht ansprechen, da in dieser Phase der Betriebsbremsbeschleuniger aktiv ist. Diese Prüfung wird auf einem Prüfstand durchgeführt, der den in Abb. I.22 gezeigten Druckabfall in der Hauptluftleitung ermöglicht. Der Prüfstand muss einen Druckabfall in der Hauptluftleitung von 5,0 auf 4,5 bar innerhalb von 1 Sekunde ermöglichen, wobei die Änderungsgeschwindigkeit zwischen 5,0 und 4,7 bar 2 bar/s beträgt. Der Schnellbremsbeschleuniger darf während dieser Prüfung nicht ansprechen.

Wenn der Schnellbremsbeschleuniger im Steuerventil integriert ist, muss er nach dem Abschalten der Bremsen ausgeschaltet sein.

Abb. I.22 Bedingungen der Unempfindlichkeitsprüfung

I.12 Automatische Lastabbremsung und leer/beladen-Umstellautomatik

I.12.1 Automatische Lastabbremsung

Die Übertragung des Fahrzeuggewichts auf die Steuerelemente (Wiegeeinrichtung) kann rein mechanisch oder pneumatisch ausgeführt sein. Die Erzeugung des pneumatischen Signals kann durch ein mechanisch betriebenes Pneumatikgerät, einen hydraulisch-pneumatischen Wandler oder einen elastomerisch-pneumatischen Wandler erfolgen. Bei pneumatischer Übertragung darf der von der Wiegeeinrichtung abgegebene Steuerdruck bei Volllast des Fahrzeugs 4,6 bar nicht überschreiten.

I.12.2 Leer/beladen-Umstellautomatik

Die Übertragung des Fahrzeuggewichts (leer oder beladen) auf die Steuerelemente (leer/beladen-Umschaltrelais) kann rein mechanisch oder pneumatisch ausgeführt sein. Die Erzeugung des pneumatischen Signals kann durch ein mechanisch betriebenes Pneumatikgerät, einen hydraulisch-pneumatischen Wandler oder einen elastomerisch-pneumatischen Wandler erfolgen. Ist das Pneumatikgerät so ausgeführt, dass es zwischen den Zuständen leer und beladen eine Stufe im Signaldruck erzeugt, so muss die Umstellautomatik in Stellung "beladen" mit einem Steuerdruck von mindestens 3 bar einwandfrei und sicher funktionieren.


weiter .

umwelt-online - Demo-Version


(Stand: 03.06.2025)

Alle vollständigen Texte in der aktuellen Fassung im Jahresabonnement
Nutzungsgebühr: ab 105.- € netto

(derzeit ca. 7200 Titel s.Übersicht - keine Unterteilung in Fachbereiche)

Preise & Bestellung

Die Zugangskennung wird kurzfristig übermittelt

? Fragen ?
Abonnentenzugang/Volltextversion