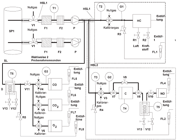
Ausführliche Beschreibungen der empfohlenen Probenahme- und Analysesysteme sind in Abschnitt 1.1.1 sowie in den Abbildungen 2 und 3 enthalten. Da mit verschiedenen Anordnungen gleichwertige Ergebnisse erzielt werden können, ist eine genaue Übereinstimmung mit diesen Abbildungen nicht erforderlich. Es können zusätzliche Bauteile wie Instrumente, Ventile, Elektromagnete, Pumpen und Schalter verwendet werden, um weitere Informationen zu erlangen und die Funktionen der Teilsysteme zu koordinieren. Bei einigen Systemen kann auf manche Bauteile, die für die Aufrechterhaltung der Genauigkeit nicht erforderlich sind, verzichtet werden, wenn ihr Wegfall nach bestem technischen Ermessen begründet erscheint.
Es wird ein Analysesystem für die Bestimmung der gasförmigen Emissionen im Rohabgas oder verdünnten Abgas beschrieben, das auf der Verwendung
eines HFID-Analysators für die Messung der Kohlenwasserstoffe,
von NDIR-Analysatoren für die Messung von Kohlenmonoxid und Kohlendioxid,
eines HCLD- oder gleichwertigen Analysators für die Messung der Stickoxide beruht.
Beim Rohabgas (Abbildung 2) kann die Probe zur Bestimmung sämtlicher Bestandteile mit einer Probenahmesonde oder zwei nahe beieinander befindlichen Probenahmesonden entnommen werden und intern nach den verschiedenen Analysatoren aufgespalten werden. Es ist sorgfältig darauf zu achten, dass sich an keiner Stelle des Analysesystems Kondensate von Abgasbestandteilen (einschließlich Wasser und Schwefelsäure) bilden.
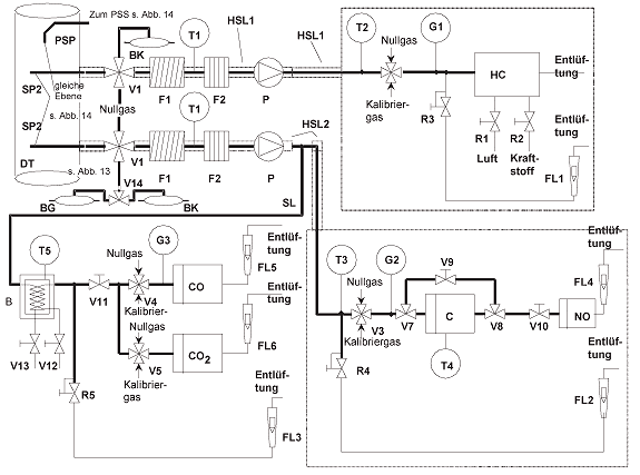
Beim verdünnten Abgas (Abbildung 3) ist die Probe zur Bestimmung der Kohlenwasserstoffe mit einer anderen Probenahmesonde zu entnehmen als die Probe zur Bestimmung der anderen Bestandteile. Es ist sorgfältig darauf zu achten, dass sich an keiner Stelle des Analysesystems Kondensate von Abgasbestandteilen (einschließlich Wasser und Schwefelsäure) bilden.
Abbildung 2 Flussdiagramm für ein Abgasanalysesystem für CO, NOx und HC
Abbildung 3 Flussdiagramm für ein Abgasanalysesystem für CO, CO2, NOx und HC
Alle Bauteile, mit denen die Gasprobe in Berührung kommt, müssen auf der für das jeweilige System vorgeschriebenen Temperatur gehalten werden.
SP1: Sonde zur Entnahme von Proben aus dem unverdünnten Abgas (nur Abbildung 2)
Empfohlen wird eine Sonde aus rostfreiem Stahl mit geschlossenem Ende und mehreren Löchern. Der Innendurchmesser darf nicht größer sein als der Innendurchmesser der Probenahmeleitung. Die Wanddicke der Sonde darf nicht größer als 1 mm sein. Erforderlich sind mindestens drei Löcher auf drei verschiedenen radialen Ebenen und von einer solchen Größe, dass sie ungefähr den gleichen Durchfluss entnehmen. Die Sonde muss sich über mindestens 80 % des Auspuffrohr-Querschnitts erstrecken
SP2: Sonde zur Entnahme von HC-Proben aus dem verdünnten Abgas (nur Abbildung 3)
Die Sonde muss
die ersten 254 mm bis 762 mm der Kohlenwasserstoff-Probenahmeleitung bilden (HSL3),
einen Innendurchmesser von mindestens 5 mm haben,
im Verdünnungstunnel DT (Abschnitt 1.2.1.2) an einer Stelle angebracht sein, wo Verdünnungsluft und Abgase gut vermischt sind (d. h. etwa 10 Tunneldurchmesser stromabwärts von dem Punkt gelegen, an dem die Abgase in den Verdünnungstunnel eintreten),
in ausreichender Entfernung (radial) von anderen Sonden und von der Tunnelwand angebracht werden, um eine Beeinflussung durch Wellen oder Wirbel zu vermeiden,
so beheizt werden, dass die Temperatur des Gasstroms am Sondenauslass auf 463 K (190 °C) ± 10 K erhöht wird.
SP3: Sonde zur Entnahme von CO-, CO2- und NOx-Proben aus dem verdünnten Abgas (nur Abbildung 3)
Die Sonde muss
sich auf derselben Ebene wie SP2 befinden,
in ausreichender Entfernung (radial) von anderen Sonden und von der Tunnelwand angebracht werden, um eine Beeinflussung durch Wellen oder Wirbel zu vermeiden,
über ihre gesamte Länge beheizt und so isoliert sein, dass die Mindesttemperatur 328 K (55 °C) beträgt, um eine Kondenswasserbildung zu vermeiden.
HSL1: beheizte Probenahmeleitung
Die Probenahmeleitung dient der Entnahme von Gasproben von einer einzelnen Sonde bis hin zu dem (den) Aufteilungspunkt(en) und dem HC-Analysator.
Die Probenahmeleitung muss
einen Innendurchmesser von mindestens 5 mm und höchstens 13,5 mm haben,
aus rostfreiem Stahl oder PTFE bestehen,
auf einer Wandtemperatur von 463 K (190 °C) ± 10 K, gemessen an jedem getrennt geregelten beheizten Abschnitt , gehalten werden, wenn die Abgastemperatur an der Probenahmesonde bis einschließlich 463 K (190 °C) beträgt,
auf einer Wandtemperatur von über 453 K (180 °C) gehalten werden, wenn die Abgastemperatur an der Probenahmesonde mehr als 463 K (190 °C) beträgt,
unmittelbar vor dem beheizten Filter (F2) auf dem HFID ständig eine Gastemperatur von 463 K (190 °C) ± 10 K aufweisen.
HSL2: beheizte NOx-Probenahmeleitung
Die Probenahmeleitung muss
bei Verwendung eines Kühlers bis hin zum Konverter und bei Nichtverwendung eines Kühlers bis hin zum Analysator auf einer Wandtemperatur von 328 bis 473 K (55 bis 200 °C) gehalten werden,
aus rostfreiem Stahl oder Polytetrafluorethylen (PTFE) bestehen.
Da die Probenahmeleitung nur zur Verhinderung der Kondensation von Wasser und Schwefelsäure beheizt werden muss, hängt ihre Temperatur vom Schwefelgehalt des Kraftstoffs ab.
SL: Probenahmeleitung für CO (CO2) Die Leitung muss aus PTFE oder rostfreiem Stahl bestehen. Sie kann beheizt oder unbeheizt sein.
B K Hintergrundbeutel (wahlweise; nur Abbildung 3) Zur Messung der Hintergrundkonzentrationen.
BG Probenahmebeutel (wahlweise; Abbildung 3 nur CO und CO2) Zur Messung der Probenkonzentrationen.
F1: Beheiztes Vorfilter (wahlfrei) Es muss die gleiche Temperatur aufweisen wie HSL1.
F2: Beheiztes Filter Dieses Filter muss alle Feststoffteilchen aus der Gasprobe entfernen, bevor diese in den Analysator gelangt. Es muss die gleiche Temperatur aufweisen wie HSL1. Das Filter ist bei Bedarf zu wechseln.
P: Beheizte Probenahmepumpe Die Pumpe ist auf die Temperatur von HSL1 aufzuheizen.
HC Beheizter Flammenionisationsdetektor (HFID) zur Bestimmung der Kohlenwasserstoffe. Die Temperatur ist auf 453 bis 473 K (180 bis 200 °C) zu halten.
CO, CO2 NDIR-Analysatoren zur Bestimmung von Kohlenmonoxid und Kohlendioxid.
NO2 (H)CLD-Analysator zur Bestimmung der Stickoxide. Wird ein HCLD verwendet, so ist er auf einer Temperatur von 328 bis 473 K (55 bis 200 °C) zu halten.
C: Konverter Für die katalytische Reduktion von NO2zu NO vor der Analyse im CLD oder HCLD ist ein Konverter zu verwenden.
B: Kühler Zum Kühlen und Kondensieren von Wasser aus der Abgasprobe. Der Kühler ist durch Eis oder ein Kühlsystem auf einer Temperatur von 273 bis 277 K (0 °C bis 4 °C) zu halten. Der Kühler ist wahlfrei, wenn der Analysator keine Beeinträchtigung durch Wasserdampf - bestimmt nach Anhang III Anlage 2 Abschnitte 1.9.1 und 1.9.2 - aufweist. Die Verwendung chemischer Trockner zur Entfernung von Wasser aus der Probe ist nicht zulässig.
T1, T2, T3: Temperatursensor Zur Überwachung der Temperatur des Gasstromes.
T4: Temperatursensor Temperatur des NO2-NO- Konverters.
T5: Temperatursensor Zur Überwachung der Temperatur des Kühlers.
G1, G2, G3: Druckmesser Zur Messung des Drucks in den Probenahmeleitungen.
R1, R2: Druckregler Zur Regelung des Luft- bzw. Kraftstoffdrucks für den HFID.
R3, R4, R5: Druckregler Zur Regelung des Drucks in den Probenahmeleitungen und des Durchflusses zu den Analysatoren.
FL1, FL2, FL3: Durchflussmesser Zur Überwachung des Bypass-Durchflusses der Probe.
FL4 bis FL7: Durchflussmesser (wahlfrei) Zur Überwachung des Durchflusses durch die Analysatoren.
V1 bis V6: Umschaltventil Geeignete Ventile zum wahlweisen Einleiten der Probe, von Kalibriergas oder zum Schließen der Zufuhrleitung in den Analysator.
V7, V8: Magnetventil Zur Umgehung des NO2-NO- Konverters.
V9: Nadelventil Zum Ausgleichen des Durchflusses durch den NO2-NO- Konverter und den Bypass.
V10, V11: Nadelventil Zum Regulieren des Durchflusses zu den Analysatoren.
V12, V13: Ablasshahn Zum Ablassen des Kondensats aus dem Kühler B.
V14: Umschaltventil Zur Auswahl von Probe- oder Hintergrundbeutel.
Die Abschnitte 1.2.1 und 1.2.2 und die Abbildungen 4 bis 15 vermitteln ausführliche Beschreibungen der empfohlenen Verdünnungs- und Probenahmesysteme. Da mit verschiedenen Anordnungen gleichwertige Ergebnisse erzielt werden können, ist eine genaue Übereinstimmung mit diesen Abbildungen nicht erforderlich. Es können zusätzliche Bauteile wie Instrumente, Ventile, Elektromagnete, Pumpen und Schalter verwendet werden, um weitere Informationen zu erlangen und die Funktionen der Teilsysteme zu koordinieren. Bei einigen Systemen kann auf manche Bauteile, die für die Aufrechterhaltung der Genauigkeit nicht erforderlich sind, verzichtet werden, wenn ihr Wegfall nach bestem technischen Ermessen begründet erscheint.
1.2.1.1. Teilstrom-Verdünnungssystem (Abbildungen 4 bis 12) 1
Es wird ein Verdünnungssystem beschrieben, das auf der Verdünnung eines Teils der Auspuffabgase beruht. Die Teilung des Abgasstroms und der nachfolgende Verdünnungsprozess können mit verschiedenen typen von Verdünnungssystemen vorgenommen werden. Zur anschließenden Abscheidung der Partikel kann entweder das gesamte verdünnte Abgas oder nur ein Teil des verdünnten Abgases durch das Partikel-Probenahmesystem geleitet werden (Abschnitt 1.2.2 , Abbildung 14). Die erste Methode wird als Gesamtprobenahme, die zweite als Teilprobenahme bezeichnet.
Die Errechnung des Verdünnungsverhältnisses hängt vom Typ des angewandten Systems ab. Empfohlen werden folgende typen:
Bei diesen Systemen entspricht der in das Übertragungsrohr eingeleitete Strom von der Gasgeschwindigkeit und/oder vom Druck her dem Hauptabgasstrom, so dass ein ungehinderter und gleichmäßiger Abgasstrom an der Probenahmesonde erforderlich ist. Dies wird in der Regel durch Verwendung eines Resonators und eines geraden Rohrs stromaufwärts von der Probenahmestelle erreicht. Das Teilungsverhältnis wird anschließend anhand leicht messbarer Werte, wie z.B. Rohrdurchmesser, berechnet. Es ist zu beachten, dass die Isokinetik lediglich zur Angleichung der Durchflussbedingungen und nicht zur Angleichung der Größenverteilung verwendet wird. Letzteres ist in der Regel nicht erforderlich, da die Partikel so klein sind, dass sie den Stromlinien des Abgases folgen.
Systeme mit Durchflussregelung und Konzentrationsmessung (Abbildungen 6 bis 10)
Bei diesen Systemen wird die Probe dem Hauptabgasstrom durch Einstellung des Verdünnungsluftdurchflusses und des Gesamtdurchflusses des verdünnten Abgases entnommen. Das Verdünnungsverhältnis wird anhand der Konzentrationen von Tracergasen wie CO2 oder NOx bestimmt, die bereits in den Motorabgasen enthalten sind. Die Konzentrationen im verdünnten Abgas und in der Verdünnungsluft werden gemessen, und die Konzentration im Rohabgas kann entweder direkt gemessen oder bei bekannter Kraftstoffzusammensetzung anhand des Kraftstoffdurchsatzes und der Kohlenstoffbilanz-Gleichung ermittelt werden. Die Systeme können auf der Grundlage des berechneten Verdünnungsverhältnisses (Abbildungen 6 und 7) oder auf der Grundlage des Durchflusses in das Übertragungsrohr (Abbildungen 8, 9 und 10) geregelt werden.
Systeme mit Durchflussregelung und Durchflussmessung (Abbildungen 11 und 12)
Bei diesen Systemen wird die Probe dem Hauptabgasstrom durch Einstellung des Verdünnungsluftdurchflusses und des Gesamtdurchflusses des verdünnten Abgases entnommen. Das Verdünnungsverhältnis wird anhand der Differenz der beiden Durchsätze bestimmt. Die Durchflussmesser müssen aufeinander bezogen präzise kalibriert sein, da die relative Größe der beiden Durchsätze bei größeren Verdünnungsverhältnissen zu bedeutenden Fehlern führen kann. Die Durchflussregelung erfolgt sehr direkt, indem der Durchsatz des verdünnten Abgases konstant gehalten und der Verdünnungsluftdurchsatz bei Bedarf geändert wird.
Damit die Vorteile von Teilstrom-Verdünnungssystemen voll zum Tragen kommen, ist besondere Aufmerksamkeit auf die Vermeidung von Partikelverlusten im Übertragungsrohr, auf die Gewährleistung der Entnahme einer repräsentativen Probe aus dem Motorabgas und auf die Bestimmung des Teilungsverhältnisses zu richten.
Bei den beschriebenen Systemen werden diese kritischen Punkte berücksichtigt.
Abbildung 4Teilstrom-Verdünnungssystem mit isokinetischer Sonde und Teilprobenahme (SB-Regelung)
Unverdünntes Abgas wird mithilfe der isokinetischen Probenahmesonde ISP aus dem Auspuffrohr EP durch das Übertragungsrohr TT zum Verdünnungstunnel DT geleitet. Der Differenzdruck des Abgases zwischen Auspuffrohr und Sondeneinlass wird mit dem Differenzdruckaufnehmer DPT gemessen. Dieses Signal wird an den Durchflussregler FC1 übermittelt, der das Ansauggebläse SB so regelt, dass am Eintritt der Sonde ein Differenzdruck von Null aufrechterhalten wird. Unter diesen Bedingungen stimmen die Abgasgeschwindigkeiten in EP und ISP überein, und der Durchfluss durch ISP und TT ist ein konstanter Bruchteil des Abgasstroms. Das Teilungsverhältnis wird anhand der Querschnittsflächen von EP und ISP bestimmt. Der Verdünnungsluftdurchsatz wird mit dem Durchflussmessgerät FM1 gemessen. Das Verdünnungsverhältnis wird anhand des Verdünnungsluftdurchsatzes und des Teilungsverhältnisses berechnet.
Abbildung 5 Teilstrom-Verdünnungssystem mit isokinetischer Sonde und Teilprobenahme (PB-Regelung)
Unverdünntes Abgas wird mithilfe der isokinetischen Probenahmesonde ISP aus dem Auspuffrohr EP durch das Übertragungsrohr TT zum Verdünnungstunnel DT geleitet. Der Differenzdruck des Abgases zwischen Auspuffrohr und Sondeneinlass wird mit dem Differenzdruckaufnehmer DPT gemessen. Dieses Signal wird an den Durchflussregler FC1 übermittelt, der das Ansauggebläse SB so regelt, dass am Eintritt der Sonde ein Differenzdruck von Null aufrechterhalten wird. Dazu wird ein kleiner Teil der Verdünnungsluft, deren Durchsatz bereits mit dem Durchflussmessgerät FM1 gemessen wurde, entnommen und mithilfe einer pneumatischen Blende in das TT eingeleitet. Unter diesen Bedingungen stimmen die Abgasgeschwindigkeiten in EP und ISP überein, und der Durchfluss durch ISP und TT ist ein konstanter Bruchteil des Abgasstroms. Das Teilungsverhältnis wird anhand der Querschnittsflächen von EP und ISP bestimmt. Die Verdünnungsluft wird vom Ansauggebläse SB durch den DT gesogen und der Durchsatz mittels FM1 am Einlass zum DT gemessen. Das Verdünnungsverhältnis wird anhand des Verdünnungsluftdurchsatzes und des Teilungsverhältnisses berechnet.
Abbildung 6 Teilstrom-Verdünnungssystem mit CO2- oder NOx- Konzentrationsmessung und Teilprobenahme
Unverdünntes Abgas wird aus dem Auspuffrohr EP durch die Probenahmesonde SP und das Übertragungsrohr TT in den Verdünnungstunnel DT geleitet. Die Konzentrationen eines Tracergases (CO2 oder NOx) werden mit dem (den) Abgasanalysator(en) EGa im unverdünnten und verdünnten Abgas sowie in der Verdünnungsluft gemessen. Diese Signale werden an den Durchflussregler FC2 übermittelt, der entweder das Druckgebläse PB oder das Ansauggebläse SB so regelt, dass im DT das gewünschte Teilungs- und Verdünnungsverhältnis des Abgases aufrechterhalten wird. Das Verdünnungsverhältnis wird anhand der Konzentrationen des Tracergases im unverdünnten Abgas, im verdünnten Abgas und in der Verdünnungsluft berechnet.
Abbildung 7 Teilstrom-Verdünnungssystem mit CO2- Konzentrationsmessung, Kohlenstoffbilanz und Gesamtprobenahme
Unverdünntes Abgas wird aus dem Auspuffrohr EP durch die Probenahmesonde SP und das Übertragungsrohr TT in den Verdünnungstunnel DT geleitet. Die CO2- Konzentrationen werden mit dem (den) Abgasanalysator(en) EGa im verdünnten Abgas und in der Verdünnungsluft gemessen. Die Signale über den CO2- und Kraftstoffdurchfluss GFUELwerden entweder an den Durchflussregler FC2 oder an den Durchflussregler FC3 des Partikel-Probenahmesystems übermittelt (Abbildung 14). FC2 regelt das Druckgebläse PB und FC3 das Partikel-Probenahmesystem (Abbildung 14), wodurch die in das System eintretenden und es verlassenden Ströme so eingestellt werden, dass im DT das gewünschte Teilungs- und Verdünnungsverhältnis der Abgase aufrechterhalten wird. Das Verdünnungsverhältnis wird unter Verwendung der Kohlenstoffbilanzmethode anhand der CO2- Konzentrationen und des GFUELberechnet.
Abbildung 8 Teilstrom-Verdünnungssystem mit Einfach-Venturi-Rohr, Konzentrationsmessung und Teilprobenahme
Unverdünntes Abgas wird aufgrund des Unterdrucks, den das Venturi-Rohr VN im DT erzeugt, aus dem Auspuffrohr EP durch die Probenahmesonde SP und das Übertragungsrohr TT zum Verdünnungstunnel DT geleitet. Der Gasdurchsatz durch das TT hängt vom Impulsaustausch im Venturibereich ab und wird somit von der absoluten Temperatur des Gases am Ausgang des TT beeinflusst. Folglich ist die Abgasteilung bei einem bestimmten Tunneldurchsatz nicht konstant, und das Verdünnungsverhältnis ist bei geringer Last etwas kleiner als bei hoher Last. Die Konzentrationen des Tracergases (CO2 oder NOx) werden mit dem (den) Abgasanalysator(en) EGa im unverdünnten Abgas, im verdünnten Abgas und in der Verdünnungsluft gemessen, und das Verdünnungsverhältnis wird anhand der gemessenen Werte errechnet.
Abbildung 9 Teilstrom-Verdünnungssystem, Doppel-Venturi-Rohr oder -Blende, Konzentrationsmessung und Teilprobenahme
Unverdünntes Abgas wird aus dem Auspuffrohr EP durch die Probenahmesonde SP und das Übertragungsrohr TT zum Verdünnungstunnel DT geleitet, und zwar mittels eines Mengenteilers, der ein Paar Blenden oder Venturi-Rohre enthält. Der erste Mengenteiler (FD1) befindet sich im EP, der zweite (FD2) im TT. Zusätzlich sind zwei Druckregelventile (PCV1 und PCV2) erforderlich, damit durch Regelung des Gegendrucks in der EP und des Drucks im DT eine konstante Abgasteilung aufrechterhalten werden kann. PCV1 befindet sich stromabwärts der SP im EP, PCV2 zwischen dem Druckgebläse PB und dem DT. Die Konzentrationen des Tracergases (CO2 oder NOx) werden im unverdünnten Abgas, im verdünnten Abgas und in der Verdünnungsluft mit dem (den) Abgasanalysator(en) EGa gemessen. Sie werden zur Überprüfung der Abgasteilung benötigt und können zur Einstellung von PCV1 und PCV2 im Interesse einer präzisen Teilungsregelung verwendet werden. Das Verdünnungsverhältnis wird anhand der Tracergaskonzentrationen berechnet.
Abbildung 10Teilstrom-Verdünnungssystem mit Mehrfachröhrenteilung, Konzentrationsmessung und Teilprobenahme
Unverdünntes Abgas wird aus dem Auspuffrohr EP durch die Probenahmesonde SP und das Übertragungsrohr TT zum Verdünnungstunnel DT geleitet, und zwar mittels eines im EP angebrachten Mengenteilers, der aus einer Reihe von Röhren mit gleichen Abmessungen besteht (Durchmesser, Länge und Biegungshalbmesser gleich). Das durch eine dieser Röhren strömende Abgas wird zum DT geleitet, das durch die übrigen Röhren strömende Abgas wird durch die Dämpfungskammer DC geleitet. Die Abgasteilung wird also durch die Gesamtzahl der Röhren bestimmt. Eine konstante Teilungsregelung setzt zwischen der DC und dem Ausgang des TT einen Differenzdruck von Null voraus, der mit dem Differenzdruckaufnehmer DPT gemessen wird. Ein Differenzdruck von Null wird erreicht, indem in den DT am Ausgang des TT Frischluft eingespritzt wird. Die Konzentrationen des Tracergases (CO2 oder NOx) werden im unverdünnten Abgas, im verdünnten Abgas und in der Verdünnungsluft mit dem (den) Abgasanalysator(en) EGa gemessen. Sie werden zur Überprüfung der Abgasteilung benötigt und können zur Einstellung von PCV1 und PCV2 im Interesse einer präzisen Teilungsregelung verwendet werden. Das Verdünnungsverhältnis wird anhand der Tracergaskonzentrationen berechnet.
Abbildung 11 Teilstrom-Verdünnungssystem mit Durchsatzregelung und Gesamtprobenahme
Unverdünntes Abgas wird aus dem Auspuffrohr EP durch die Probenahmesonde SP und das Übertragungsrohr TT in den Verdünnungstunnel DT geleitet. Der Gesamtdurchfluss durch den Tunnel wird mit dem Durchflussregler FC3 und der Probenahmepumpe P des Partikel-Probenahmesystems eingestellt (Abbildung 16).
Der Verdünnungsluftdurchfluss wird mit dem Durchflussregler FC2 geregelt, der GEXH, GAIR oder GFUEL als Steuersignale zur Herbeiführung der gewünschten Abgasteilung verwenden kann. Der Proedurctltluss in den DT ist die Differenz aus dem Gesamtdurchfluss und dem Verdünnungsluftdurchfluss. Der Verdünnungsluftdurchsatz wird mit dem Durchflussmessgerät FM1 und der Gesamtdurchsatz mit dem Durchflussmessgerät Fm3 des Partikel-Probenahmesystems gemessen (Abbildung 14). Das Verdünnungsverhältnis wird anhand dieser beiden Durchsätze berechnet.
Abbildung 12 Teilstrom-Verdünnungssystem mit Durchsatzregelung und Teilprobenahme
Unverdünntes Abgas wird aus dem Auspuffrohr EP durch die Probenahmesonde SP und das Übertragungsrohr TT in den Verdünnungstunnel DT geleitet. Die Abgasteilung und der Durchfluss in den DT werden mit dem Durchflussregler FC2 geregelt, der die Durchflüsse (oder Drehzahlen) des Druckgebläses PB und des Ansauggebläses SB entsprechend einstellt. Dies ist möglich, weil die mit dem Partikel-Probenahmesystem entnommene Probe in den DT zurückgeführt wird. Als Steuersignale für FC2 können GEXH, GAIR oder GFUELverwendet werden. Der Verdünnungsluftdurchsatz wird mit dem Durchflussmessgerät FM1, der Gesamtdurchsatz mit dem Durchflussmessgerät Fm2 gemessen. Das Verdünnungsverhältnis wird anhand dieser beiden Durchsätze berechnet.
EP: Auspuffrohr Das Auspuffrohr kann isoliert sein. Um die Wärmeträgheit des Auspuffrohrs zu verringern, wird ein Verhältnis Stärke/Durchmesser von höchstens 0,015 empfohlen. Die Verwendung flexibler Abschnitte ist auf ein Verhältnis Stärke/Durchmesser von höchstens 12 zu begrenzen. Biegungen sind auf ein Mindestmaß zu begrenzen, um Trägheitsablagerungen zu verringern. Gehört zu dem System ein Prüfstandfstand-Schalldämpfer, so kann auch dieser isoliert werden. Bei einem isokinetischen System muss das Auspuffrohr vom Eintritt der Sonde ab stromaufwärts mindestens sechs Rohrdurchmesser und stromabwärts drei Rohrdurchmesser frei von scharfen Krümmungen, Biegungen und plötzlichen Durchmesseränderungen sein. Die Gasgeschwindigkeit muss im Entnahmebereich höher als 10 m/s sein; dies gilt nicht für den Leerlauf. Druckschwankungen der Abgase dürfen im Durchschnitt ± 500 Pa nicht übersteigen. Jede Maßnahme zur Vermeidung der Druckschwankungen, die über die Verwendung einer Fahrzeug-Auspuffanlage (einschließlich Schalldämpfer und Nachbehandlungsanlage ) hinausgeht, darf die Motorleistung nicht verändern und zu keiner Partikelablagerung führen. Bei Systemen ohne isokinetische Sonde wird ein gerades Rohr empfohlen, das stromaufwärts vom Eintritt der Sonde den sechsfachen Rohrdurchmesser und stromabwärts von diesem Punkt den dreifachen Rohrdurchmesser haben muss.
SP: Probenahmesonde (Abbildungen 6 bis 12) Der Innendurchmesser muss mindestens 4 mm betragen. Das Verhältnis der Durchmesser von Auspuffrohr und Sonde muss mindestens vier betragen. Die Sonde muss eine offene Röhre sein, die der Strömungsrichtung zugewandt in der Mittellinie des Auspuffrohrs angebracht ist, oder es muss sich um eine Mehrlochsonde - wie unter SP1 in Abschnitt 1.1.1 beschrieben - handeln.
ISP: Isokinetische Probenahmesonde (Abbildungen 4 und 5) Die isokinetische Probenahmesonde ist der Strömungsrichtung zugewandt in der Mittellinie des Auspuffrohrs an einem Punkt anzubringen, an dem die im Abschnitt EP beschriebenen Strömungsbedingungen herrschen; sie ist so auszulegen, dass eine verhältnisgleiche Probenahme aus dem unverdünnten Abgas gewährleistet ist. Der Innendurchmesser muss mindestens 12 mm betragen. Ein Reglersystem ist erforderlich, damit durch Aufrechterhaltung eines Differenzdrucks von Null zwischen dem EP und der ISP eine isokinetische Abgasteilung erreicht wird. Unter diesen Bedingungen sind die Abgasgeschwindigkeiten im EP und in der ISP gleich, und der Massendurchfluss durch die ISP ist ein konstanter Bruchteil des Abgasstroms. Die ISP muss an einen Differenzdruckaufnehmer angeschlossen werden. Die Regelung, mit der zwischen dem EP und der ISP ein Differenzdruck von Null erreicht wird, erfolgt über die Drehzahl des Gebläses oder über den Durchflussregler.
FD1, FD2: Mengenteiler (Abbildung 9) Ein Paar Venturi-Rohre oder Blenden wird im Auspuffrohr EP bzw. im Übertragungsrohr TT angebracht, damit eine verhältnisgleiche Probenahme aus dem unverdünnten Abgas gewährleistet ist. Das aus den beiden Druckregelventilen PCV1 und PCV2 bestehende Reglersystem wird benötigt, damit eine verhältnisgleiche Aufteilung mittels Regelung der Drücke im EP und DT erfolgen kann.
FD3: Mengenteiler (Abbildung 10) Ein Satz Röhren (Mehrfachröhreneinheit) wird im Auspuffrohr EP angebracht, damit eine verhältnisgleiche Probenahme aus dem unverdünnten Abgas gewährleistet ist. Eine dieser Röhren leitet Abgas zum Verdünnungstunnel DT, das Abgas aus den übrigen Röhren strömt in eine Dämpfungskammer DC. Die Röhren müssen gleiche Abmessungen aufweisen (Durchmesser, Länge, Biegungshalbmesser gleich); demzufolge ist die Abgasteilung von der Gesamtzahl der Röhren abhängig. Ein Reglersystem wird benötigt, damit durch Aufrechterhaltung eines Differenzdrucks von Null zwischen der Einmündung der Mehrfachröhreneinheit in die DC und dem Ausgang des TT eine verhältnisgleiche Aufteilung erfolgen kann. Unter diesen Bedingungen herrschen im EP und in FD3 proportionale Abgasgeschwindigkeiten, und der Durchfluss im TT ist ein konstanter Bruchteil des Abgasdurchflusses. Die beiden Punkte müssen an einen Differenzdruckaufnehmer DPT angeschlossen sein. Die Regelung zur Herstellung eines Differenzdrucks von Null erfolgt über den Durchflussregler FC1.
EGA: Abgasanalysator (Abbildungen 6 bis 10) Es können CO2- oder NOx-Analysatoren verwendet werden (bei der Kohlenstoffbilanzmethode nur CO2-Analysatoren). Die Analysatoren sind ebenso zu kalibrieren wie die Analysatoren für die Messung der gasförmigen Emissionen. Ein oder mehrere Analysatoren können zur Bestimmung der Konzentrationsunterschiede verwendet werden. Die Messsysteme müssen eine solche Genauigkeit aufweisen, dass die Genauigkeit von GEDFW ± 4 % beträgt.
TT: Übertragungsrohr (Abbildungen 4 bis 12) Das Übertragungsrohr für die Partikelprobe muss
so kurz wie möglich, jedoch nicht länger als 5 m sein,
einen Durchmesser haben, der gleich dem Durchmesser der Sonde oder größer, jedoch nicht größer als 25 mm ist,
den Ausgang in der Mittellinie des Verdünnungstunnels haben und in Strömungsrichtung zeigen. Rohre von einer Länge bis zu einem Meter sind mit einem Material zu isolieren, dessen maximale Wärmeleitfähigkeit 0,05 W/(m × K) beträgt, wobei die Stärke der Isolierschicht dem Durchmesser der Sonde entspricht. Rohre von mehr als einem Meter Länge sind zu isolieren und so zu beheizen, dass die Wandtemperatur mindestens 523 K (250 °C) beträgt. Wahlweise können die erforderlichen Wandtemperaturen des Übertragungsrohrs auch durch Standardberechnungen der Wärmeübertragung bestimmt werden.
DPT: Differenzdruckaufnehmer (Abbildungen 4, 5 und 10) Der größte Messbereich des Differenzdruckaufnehmers muss ± 500 Pa betragen.
FC1: Durchflussregler (Abbildungen 4, 5 und 10) Bei den isokinetischen Systemen (Abbildungen 4 und 5) wird der Durchflussregler zur Aufrechterhaltung eines Differenzdrucks von Null zwischen dem EP und der ISP benötigt. Die Einstellung kann folgendermaßen erfolgen:
durch Regelung der Drehzahl oder des Durchflusses des Ansauggebläses (SB) und Konstanthalten der Drehzahl des Druckgebläses (PB) bei jeder Prüfphase (Abbildung 4) oder
durch Einstellung des Ansauggebläses (SB) auf einen konstanten Massendurchfluss des verdünnten Abgases und Regelung des Durchflusses des Druckgebläses PB, wodurch der Durchfluss der Abgasprobe in einem Bereich am Ende des Übertragungsrohrs (TT) geregelt wird (Abbildung 5).
Bei Systemen mit geregeltem Druck darf der verbleibende Fehler in der Steuerschleife ± 3 Pa nicht übersteigen. Die Druckschwankungen im Verdünnungstunnel dürfen im Durchschnitt ± 250 Pa nicht übersteigen. Bei Mehrfachröhrensystemen (Abbildung 10) wird der Durchflussregler zur Aufrechterhaltung eines Differenzdrucks von Null zwischen dem Auslass der Mehrfachröhreneinheit und dem Ausgang des TT benötigt, damit der Abgasstrom verhältnisgleich aufgeteilt wird. Die Einstellung kann durch Regelung des Durchsatzes der eingeblasenen Luft erfolgen, die am Ausgang des TT in den DT einströmt.
PCV1, PCV2: Druckregelventile (Abbildung 9) Zwei Druckregelventile werden für das Doppelventuri-/Doppelblenden-System benötigt, damit durch Regelung des Gegendrucks des EP und des Drucks im DT eine verhältnisgleiche Stromteilung erfolgen kann. Die Ventile müssen sich stromabwärts der SP im EP und zwischen PB und DT befinden.
DC: Dämpfungskammer (Abbildung 10) Am Ausgang des Mehrfachröhrensystems ist eine Dämpfungskammer anzubringen, um die Druckschwankungen im Auspuffrohr EP so gering wie möglich zu halten.
VN: Venturi-Rohr (Abbildung 8) Ein Venturi-Rohr wird im Verdünnungstunnel DT angebracht, um im Bereich des Ausgangs des Übertragungsrohrs TT einen Unterdruck zu erzeugen. Der Gasdurchsatz im TT wird durch den Impulsaustausch im Venturibereich bestimmt und ist im Grund dem Durchsatz des Druckgebläses PB proportional, so dass ein konstantes Verdünnungsverhältnis erzielt wird. Da der Impulsaustausch von der Temperatur am Ausgang des TT und vom Druckunterschied zwischen dem EP und dem DT beeinflusst wird, ist das tatsächliche Verdünnungsverhältnis bei geringer Last etwas kleiner als bei hoher Last.
FC2: Durchflussregler (Abbildungen 6, 7, 11 und 12; wahlfrei) Zur Durchflussregelung am Druckgebläse PB und/oder Ansauggebläse SB kann ein Durchflussregler verwendet werden. Er kann an den Abgasstrom- oder den Kraftstrom- und/oder an den CO2- oder NOx-Differenzsignalgeber angeschlossen sein. Wird ein Druckluftversorgungssystem (Abbildung 11) verwendet, regelt der FC2 unmittelbar den Luftstrom.
FM1: Durchflussmessgerät (Abbildungen 6, 7, 11 und ) Gasmessgerät oder sonstiges Durchflussmessgerät zur Messung des Verdünnungsluftdurchflusses. FM1 ist wahlfrei, wenn das PB für die Durchflussmessung kalibriert ist.
FM2: Durchflussmessgerät (Abbildung 12) Gasmessgerät oder sonstiges Durchflussmessgerät zur Messung des Durchflusses des verdünnten Abgases. Fm2 ist wahlfrei, wenn das Ansauggebläse SB für die Durchflussmessung kalibriert ist.
PB: Druckgebläse (Abbildungen 4, 5, 6, 7, 8, 9 und 12) Zur Steuerung des Verdünnungsluftdurchsatzes kann das PB an die Durchflussregler FC1 und FC2 angeschlossen sein. Ein PB ist nicht erforderlich, wenn eine Absperrklappe verwendet wird. Ist das PB kalibriert, kann es zur Messung des Verdünnungsluftdurchflusses verwendet werden.
SB: Ansauggebläse (Abbildungen 4, 5, 6, 9, 10 und 12) Nur für Teilprobenahmesysteme. Ist das SB kalibriert, kann es zur Messung des Durchflusses des verdünnten Abgases verwendet werden.
DAF: Verdünnungsluftfilter (Abbildungen 4 bis 12) Es wird empfohlen, die Verdünnungsluft zu filtern und durch Aktivkohle zu leiten, damit Hintergrund- Kohlenwasserstoffe entfernt werden. Die Verdünnungsluft muss eine Temperatur von 298 K (25 °C) ± 5 K haben. Auf Antrag des Herstellers ist nach guter technischer Praxis eine Verdünnungsluftprobe zur Bestimmung des Raumluft-Partikelgehalts zu nehmen, der dann von den in den verdünnten Abgasen gemessenen Werten abgezogen werden kann.
PSP: Partikel-Probenahmesonde (Abbildungen 4, 5, 6, 8, 9,10 und 12) Die Sonde bildet den vordersten Abschnitt des PTT und
muss gegen den Strom gerichtet an einem Punkt angebracht sein, wo die Verdünnungsluft und die Abgase gut vermischt sind, d. h. in der Mittellinie des Verdünnungstunnels DT ungefähr 10 Tunneldurchmesser stromabwärts von dem Punkt gelegen, wo die Abgase in den Verdünnungstunnel eintreten;
muss einen Innendurchmesser von mindestens 12 mm haben;
kann durch Direktbeheizung oder durch Vorheizen der Verdünnungsluft bis auf eine Wandtemperatur von höchstens 325 K (52 °C) beheizt werden, vorausgesetzt, dass die Lufttemperatur vor Eintritt des Abgases in den Verdünnungstunnel 325 K (52 °C) nicht übersteigt;
können isoliert sein.
DT: Verdünnungstunnel (Abbildungen 4 bis 12) Der Verdünnungstunnel
muss so lang sein, dass sich die Abgase bei turbulenten Strömungsbedingungen vollständig mit der Verdünnungsluft mischen können;
muss aus rostfreiem Stahl bestehen und
bei Verdünnungstunneln mit einem Innendurchmesser über 75 mm ein Verhältnis Stärke/ Durchmesser von höchstens 0,025 aufweisen,
bei Verdünnungstunneln mit einem Innendurchmesser bis zu 75 mm eine nominelle Wand-dicke von mindestens 1,5 mm haben;
muss bei einem Teilprobenahmesystem einen Durchmesser von mindestens 75 mm haben;
sollte bei einem Gesamtprobenahmesystem möglichst einen Durchmesser von mindestens 25 mm haben.
kann durch Direktbeheizung oder durch Vorheizen der Verdünnungsluft bis auf eine Wandtemperatur von höchstens 325 K (52 °C) beheizt werden, vorausgesetzt, dass die Lufttemperatur vor Eintritt des Abgases in den Verdünnungstunnel 325 K (52 °C) nicht übersteigt
können isoliert sein.
Die Motorabgase müssen gründlich mit der Verdünnungsluft vermischt werden. Bei Teilprobenahmesystemen ist die Mischqualität nach Inbetriebnahme bei laufendem Motor mittels eines CO-Profils des Tunnels zu überprüfen (mindestens vier gleichmäßig verteilte Messpunkte). Bei Bed2 kann eine Mischblende verwendet werden.
Anmerkung: Beträgt die Umgebungstemperatur in der Nähe des Verdünnungstunnels (DT) weniger als 293 K (20 °C), so sollte für eine Vermeidung von Partikelverlusten an den kühlen Wänden des Verdünnungstunnels gesorgt werden. Daher wird eine Beheizung und/ oder Isolierung des Tunnels innerhalb der oben angegebenen Grenzwerte empfohlen.
Bei hoher Motorlast kann der Tunnel durch nichtaggressive Mittel wie beispielsweise einen Umlüfter gekühlt werden, solange die Temperatur des Kühlmittels nicht weniger als 293 K (20 °C) beträgt.
Der Wärmeaustauscher muss eine solche Leistung aufweisen, dass die Temperatur am Einlass zum Ansauggebläse SB von der bei der Prüfung beobachteten durchschnittlichen Betriebstemperatur um höchstens ± 11 K abweicht.
Es wird ein Verdünnungssystem beschrieben, das unter Verwendung des CVS- Konzepts (Constant Volume Sampling) auf der Verdünnung des gesamten Abgasstroms beruht. Das Gesamtvolumen des Gemischs aus Abgas und Verdünnungsluft muss gemessen werden. Es kann entweder ein PDP- oder ein CFV- oder ein SSV-System verwendet werden.
Für die anschließende Sammlung der Partikel wird eine Probe des verdünnten Abgases durch das Partikel-Probenahmesystem geleitet (Abschnitt 1.2.2, Abbildungen 14 und 15). Geschieht dies direkt, spricht man von Einfachverdünnung. Wird die Probe in einem Sekundärverdünnungstunnel erneut verdünnt, spricht man von Doppelverdünnung. Letztere ist dann von Nutzen, wenn die Vorschriften in bezug auf die Filteranströmtemperatur bei Einfachverdünnung nicht eingehalten werden können. Obwohl es sich beim Doppelverdünnungssystem zum Teil um ein Verdünnungssystem handelt, wird es in Abschnitt 1.2.2, (Abbildung 15), als Unterart eines Partikel-Probenahmesystems beschrieben, da es die meisten typischen Bestandteile eines Partikel-Probenahmesystems aufweist.
Die gasförmigen Emissionen können auch im Verdünnungstunnel eines Vollstrom-Verdünnungssystems bestimmt werden. Daher werden die Probenahmesonden für die gasförmigen Bestandteile in Abbildung 13 dargestellt, erscheinen jedoch nicht bei den Beschreibungen. Die entsprechenden Vorschriften sind in Abschnitt 1.1.1 dargelegt.
EP: Auspuffrohr Die Länge des Auspuffrohrs vom Auslass des Auspuffkrümmers, des Turboladers oder der Nachbehandlungseinrichtung bis zum Verdünnungstunnel darf nicht mehr als 10 m betragen. Überschreitet die Länge des Systems 4 m, sind über diesen Grenzwert hinaus alle Rohre mit Ausnahme eines etwaigen im Auspuffsystem befindlichen Rauchmessgerätes zu isolieren. Die Stärke der Isolierschicht muss mindestens 25 mm betragen. Die Wärmeleitfähigkeit des Isoliermaterials darf, bei 673 K (400 °C) gemessen, höchstens 0,1 W/(m × K) betragen. Um die Wärmeträgheit des Auspuffrohrs zu verringern, wird ein Verhältnis Stärke/Durchmesser von höchstens 0,015 empfohlen. Die Verwendung flexibler Abschnitte ist auf ein Verhältnis Stärke/Durchmesser von höchstens 12 zu begrenzen.
Die Gesamtmenge des unverdünnten Abgases wird im Verdünnungstunnel DT mit der Verdünnungsluft vermischt. Der Durchsatz des verdünnten Abgases wird entweder mit einer Verdrängerpumpe PDP oder mit einem Venturi-Rohr mit kritischer Strömung CFV oder mit einer kritisch betriebenen Venturidüse SSV gemessen. Ein Wärmeaustauscher HE oder eine elektronische Durchflussmengenkompensation EFC kann für eine verhältnisgleiche Partikel-Probenahme und für die Durchflussbestimmung verwendet werden. Da die Bestimmung der Partikelmasse auf dem Gesamtdurchfluss des verdünnten Abgases beruht, ist die Berechnung des Verdünnungsverhältnisses nicht erforderlich.
PDP: Verdrängerpumpe Die PDP misst den Gesamtdurchfluss des verdünnten Abgases aus der Anzahl der Pumpenumdrehungen und dem Pumpenkammervolumen. Der Abgasgegendruck darf durch die PDP oder das Verdünnungslufteinlasssystem nicht künstlich gesenkt werden. Der mit laufendem CVS-System gemessene statische Abgasgegendruck muss bei einer Toleranz von ± 1,5 kPa im Bereich des statischen Drucks bleiben, der bei gleicher Motordrehzahl und Belastung ohne Anschluss an das CVS gemessen wurde. Die unmittelbar vor dem PDP gemessene Temperatur des Gasgemischs muss bei einer Toleranz von ± 6 K innerhalb des Durchschnittswerts der während der Prüfung ermittelten Betriebstemperatur bleiben, wenn keine Durchflussmengenkompensation erfolgt. Eine Durchflussmengenkompensation darf nur angewendet werden, wenn die Temperatur am Einlass der PDP 323 K (50 °C) nicht überschreitet.
CFV: Venturi-Rohr mit kritischer Strömung Das CFV wird zur Messung des Gesamtdurchflusses des verdünnten Abgases unter Sättigungsbedingungen (kritische Strömung) benutzt. Der mit dem im Betrieb befindlichen CFV-System gemessene statische Abgasgegendruck muss bei einer Toleranz von ± 1,5 kPa im Bereich des statischen Drucks bleiben, der bei gleicher Motordrehzahl und Belastung ohne Anschluss an das CFV gemessen wurde. Die unmittelbar vor dem CFV gemessene Temperatur des Gasgemischs muss bei einer Toleranz von ± 11 K innerhalb des Durchschnittswerts der während der Prüfung ermittelten Betriebstemperatur bleiben, wenn keine Durchflussmengenkompensation erfolgt.
SSV: kritisch betriebene Venturidüse Das SSV wird zur Messung des Gesamtdurchflusses des verdünnten Abgases als Funktion von Eintrittsdruck, Eintrittstemperatur, Druckabfall zwischen SSV-Eintritt und -verengung benutzt. Der mit dem im Betrieb befindlichen SSV-System gemessene statische Abgasgegendruck muss bei einer Toleranz von ± 1,5 kPa im Bereich des statischen Drucks bleiben, der bei gleicher Motordrehzahl und Belastung ohne Anschluss an das SSV gemessen wurde. Die unmittelbar vor dem SSV gemessene Temperatur des Gasgemischs muss bei einer Toleranz von ± 11 K innerhalb des Durchschnittswerts der während der Prüfung ermittelten Betriebstemperatur bleiben, wenn keine Durchflussmengenkompensation erfolgt.
HE: Wärmeaustauscher (bei Anwendung von EFC wahlfrei) Die Leistung des Wärmeaustauschers muss ausreichen, um die Temperatur innerhalb der obengenannten Grenzwerte zu halten.
EFC: Elektronische Durchflusskompensation (bei Anwendung eines HE wahlfrei) Wird die Temperatur an der Einlassöffnung der PDP oder des CFV oder der SSV nicht konstant gehalten, ist zum Zweck einer kontinuierlichen Messung der Durchflussmenge und zur Regelung der verhältnisgleichen Probenahme im Partikelsystem ein elektronisches Durchflusskompensations-System erforderlich. Daher werden die Signale des kontinuierlich gemessenen Durchsatzes verwendet, um den Probendurchsatz durch die Partikelfilter des Partikel-Probenahmesystems entsprechend zu korrigieren (Abbildungen 14 und 15).
DT: Verdünnungstunnel Der Verdünnungstunnel
muss einen genügend kleinen Durchmesser haben, um eine turbulente Strömung zu erzeugen (Reynolds-Zahl größer als 4000), und hinreichend lang sein, damit sich die Abgase mit der Verdünnungsluft vollständig vermischen. Eine Mischblende kann verwendet werden;
muss einen Durchmesser von mindestens 75 mm haben;
kann isoliert sein.
Die Motorabgase sind an dem Punkt, wo sie in den Verdünnungstunnel einströmen, stromabwärts zu richten und vollständig zu mischen. Bei Einfachverdünnung wird eine Probe aus dem Verdünnungstunnel in das Partikel-Probenahmesystem geleitet (Abschnitt 1.2.2, Abbildung 14). Die Durchflussleistung der PDP oder des CFV oder des SSV muss ausreichend sein, um die Temperatur des verdünnten Abgasstroms unmittelbar von dem Primärpartikelfilter auf weniger oder gleich 325 K (52 °C) zu halten. Bei Doppelverdünnung wird eine Probe aus dem Verdünnungstunnel zur weiteren Verdünnung in den Sekundärtunnel und darauf durch die Probenahmefilter geleitet (Abschnitt 1.2.2, Abbildung 15). Die Durchflussleistung des PDP oder des CFV oder des SSV muss ausreichend sein, um die Temperatur des verdünnten Abgasstroms im DT im Probenahmebereich auf weniger oder gleich 464 K (191 °C) zu halten. Das Sekundärverdünnungssystem muss genug Sekundärverdünnungsluft liefern, damit der doppelt verdünnte Abgasstrom unmittelbar vor dem Primärpartikelfilter auf einer Temperatur von weniger oder gleich 325 K (52 °C) gehalten werden kann.
DAF: Verdünnungsluftfilter Es wird empfohlen, die Verdünnungsluft zu filtern und durch Aktivkohle zu leiten, damit Hintergrund- Kohlenwasserstoffe entfernt werden. Die Verdünnungsluft muss eine Temperatur von 298 K (25 °C) ± 5 K haben. Auf Antrag des Herstellers ist nach guter technischer Praxis eine Verdünnungsluftprobe zur Bestimmung des Raumluft-Partikelgehalts zu nehmen, der dann von den in den verdünnten Abgasen gemessenen Werten abgezogen werden kann.
PSP: Partikel-Probenahmesonde Die Sonde bildet den vordersten Abschnitt des PTT und
muss gegen den Strom gerichtet an einem Punkt angebracht sein, wo die Verdünnungsluft und die Abgase gut vermischt sind, d. h. in der Mittellinie des Verdünnungstunnels DT ungefähr 10 Tunneldurchmesser stromabwärts von dem Punkt gelegen, wo die Abgase in den Verdünnungstunnel eintreten;
muss einen Innendurchmesser von mindestens 12 mm haben;
kann durch Direktbeheizung oder durch Vorheizen der Verdünnungsluft bis auf eine Wandtemperatur von höchstens 325 K (52 °C) beheizt werden, vorausgesetzt, dass die Lufttemperatur vor Eintritt des Abgases in den Verdünnungstunnel 325 K (52 °C) nicht übersteigt;
kann isoliert sein.
1.2.2. Partikel-Probenahmesystem (Abbildungen 14 und 15)
Das Partikel-Probenahmesystem wird zur Sammlung der Partikel auf dem Partikelfilter benötigt. Im Fall von Teilstrom-Verdünnungssystemen mit Gesamtprobenahme, bei denen die gesamte Probe des verdünnten Abgases durch die Filter geleitet wird, bilden das Verdünnungssystem (Abschnitt 1.2.1.1, Abbildungen 7 und 11) und das Probenahmesystem in der Regel eine Einheit. Im Fall von Teilstrom- oder Vollstrom-Verdünnungssystemen mit Teilprobenahme, bei denen nur ein Teil des verdünnten Abgases durch die Filter geleitet wird, sind das Verdünnungssystem (Abschnitt 1.2.1.1, Abbildungen 4" 5, 6, 8, 9, 10 und 12 sowie Abschnitt 1.2.1.2, Abbildung 13) und das Probenahmesystem in der Regel getrennte Einheiten.
In dieser Richtlinie gilt das Doppelverdünnungssystem (DVS, Abbildung 15) eines Vollstrom-Verdünnungssystems als spezifische Unterart eines typischen Partikel-Probenahmesystems, wie es in Abbildung 14 dargestellt ist. Das Doppelverdünnungssystem enthält alle wichtigen Bestandteile eines Partikel-Probenahmesystems, wie beispielsweise Filterhalter und Probenahmepumpe, und darüber hinaus einige Merkmale eines Verdünnungssystems, wie beispielsweise die Verdünnungsluftzufuhr und einen Sekundär-Verdünnungstunnel.
Um eine Beeinflussung der Steuerschleifen zu vermeiden, wird empfohlen, die Probenahmepumpe während des gesamten Prüfverfahrens in Betrieb zu lassen. Bei der Einfachfiltermethode ist ein Bypass-System zu verwenden, um die Probe zu den gewünschten Zeitpunkten durch die Probenahmefilter zu leiten. Beeinträchtigungen des Schaltvorganges an den Steuerschleifen sind auf ein Mindestmaß zu begrenzen.
PSP: Partikel-Probenahmesonde (Abbildungen 14 und 15) Die in den Abbildungen dargestellte Probenahmesonde bildet den vordersten Abschnitt des Partikelübertragungsrohrs PTT. Die Sonde
muss gegen den Strom gerichtet an einem Punkt angebracht sein, wo die Verdünnungsluft und die Abgase gut vermischt sind, d. h. in der Mittellinie des Verdünnungstunnels DT des Verdünnungssystems (Abschnitt 1.2.1) ungefähr 10 Tunneldurchmesser stromabwärts von dem Punkt gelegen, wo die Abgase in den Verdünnungstunnel eintreten;
muss einen Innendurchmesser von mindestens 12 mm haben;
kann durch Direktbeheizung oder durch Vorheizen der Verdünnungsluft bis auf eine Wandtemperatur von höchstens 325 K (52 °C) beheizt werden, vorausgesetzt, dass die Lufttemperatur vor Eintritt des Abgases in den Verdünnungstunnel 325 K (52 °C) nicht übersteigt;
Eine Probe des verdünnten Abgases wird mithilfe der Probenahmepumpe P durch die Partikel-Probenahmesonde PSP und das Partikelübertragungsrohr PTT aus dem Verdünnungstunnel DT eines Teilstrom- oder Vollstrom-Verdünnungssystems entnommen. Die Probe wird durch den (die) Filterhalter FH geleitet, in dem (denen) die Partikel-Probenahmefilter enthalten sind. Der Probendurchsatz wird mit dem Durchflussregler FC3 geregelt. Bei Verwendung der elektronischen Durchflussmengenkompensation EFC (Abbildung 13) dient der Durchfluss des verdünnten Abgases als Steuersignal für FC3.
Abbildung 15 Verdünnungsanlage (nur für Vollstromsystem)
Eine Probe des verdünnten Abgases wird durch die Partikel-Probenahmesonde PSP und das Partikelübertragungsrohr PTT aus dem Verdünnungstunnel DT eines Vollstrom-Verdünnungssystems in den Sekundärverdünnungstunnel SDT geleitet und dort nochmals verdünnt. Anschließend wird die Probe durch den (die) Filterhalter geleitet, in dem (denen) die Partikel-Probenahmefilter enthalten sind. Der Verdünnungsluftdurchsatz ist in der Regel konstant, während der Probendurchsatz mit dem Durchflussregler FC3 geregelt wird. Bei Verwendung der elektronischen Durchflussmengenkompensation EFC (Abbildung 13) dient der Durchfluss des gesamten verdünnten Abgases als Steuersignal für FC3.
PTT: Partikelübertragungsrohr (Abbildungen 14 und 15) Das Partikelübertragungsrohr darf höchstens 1020 mm lang sein; seine Länge ist so gering wie möglich zu halten. Die Abmessungen betreffen
beim Teilstrom-Verdünnungssystem mit Teilprobenahme und beim Vollstrom-Einfachverdünnungssystem den Teil vom Sondeneintritt bis zum Filterhalter,
beim Teilstrom-Verdünnungssystem mit Gesamtprobenahme den Teil vom Ende des Verdünnungstunnels bis zum Filterhalter,
beim Vollstrom-Doppelverdünnungssystem den Teil vom Sondeneintritt bis zum Sekundärverdünnungstunnel.
Das Übertragungsrohr
kann durch Direktbeheizung oder durch Vorheizen der Verdünnungsluft bis auf eine Wandtemperatur von höchstens 325 K (52 °C) beheizt werden, vorausgesetzt, dass die Lufttemperatur vor Eintritt des Abgases in den Verdünnungstunnel 325 K (52 °C) nicht übersteigt,
kann isoliert sein.
SDT: Sekundärverdünnungstunnel (Abbildung 15) Der Sekundärverdünnungstunnel sollte einen Durchmesser von mindestens 75 mm haben und so lang sein, dass die doppelt verdünnte Probe mindestens 0,25 Sekunden in ihm verweilt. Die Halterung des Hauptfilters FH darf sich in nicht mehr als 300 mm Abstand vom Ausgang des SDT befinden. Der Sekundärverdünnungstunnel
kann durch Direktbeheizung oder durch Vorheizen der Verdünnungsluft bis auf eine Wandtemperatur von höchstens 325 K (52 °C) beheizt werden, vorausgesetzt, dass die Lufttemperatur vor Eintritt des Abgases in den Verdünnungstunnel 325 K (52 °C) nicht übersteigt,
kann isoliert sein.
FH: Filterhalter (Abbildungen 14 und 15) Für die Haupt- und Nachfilter dürfen entweder ein einziger Filterhalter oder separate Filterhalter verwendet werden. Die Vorschriften von Anhang III Anlage 1 Abschnitt 1.5.1.3 müssen eingehalten werden. Die Filterhalter
können durch Direktbeheizung oder durch Vorheizen der Verdünnungsluft bis auf eine Wandtemperatur von höchstens 325 K (52 °C) beheizt werden, vorausgesetzt, dass die Lufttemperatur 325 K (52 °C) nicht übersteigt,
können isoliert sein.
P: Probenahmepumpe (Abbildungen 14 und 15) Die Partikel-Probenahmepumpe muss so weit vom Tunnel entfernt sein, dass die Temperatur der einströmenden Gase konstant gehalten wird (± 3 K), wenn keine Durchflusskorrektur mittels FC3 erfolgt.
DP: Verdünnungsluftpumpe (Abbildung 15) (nur bei Vollstrom-Doppelverdünnung) Die Verdünnungsluftpumpe ist so anzuordnen, dass die sekundäre Verdünnungsluft mit einer Temperatur von 298 K (25 °C) ± 5 K zugeführt wird.
FC3: Durchflussregler (Abbildungen 14 und 15) Um eine Kompensation des Durchsatzes der Partikelprobe entsprechend von Temperatur- und Gegendruckschwankungen im Probenweg zu erreichen, ist, falls keine anderen Mittel zur Verfügung stehen, ein Durchflussregler zu verwenden. Bei Anwendung der elektronischen Durchflusskompensation EFC (Abbildung 13) ist der Durchflussregler Vorschrift.
FM3: Durchflussmessgerät (Abbildungen 14 und 15) (Durchfluss der Partikelprobe) Das Gasmess- oder Durchflussmessgerät muss so weit von der Probenahmepumpe entfernt sein, dass die Temperatur des einströmenden Gases konstant bleibt (± 3 K), wenn keine Durchflusskorrektur durch FC3 erfolgt.
FM4: Durchflussmessgerät (Abbildung 15) (Verdünnungsluft, nur Vollstrom-Doppelverdünnung) Das Gasmess- oder Durchflussmessgerät muss so angeordnet sein, dass die Temperatur des einströmenden Gases bei 298 K (25 °C) ± 5 K bleibt.
BV: Kugelventil (wahlfrei) Der Durchmesser des Kugelventils darf nicht geringer als der Innendurchmesser des Entnahmerohrs sein, und seine Schaltzeit muss geringer als 0,5 Sekunden sein. Anmerkung: Beträgt die Umgebungstemperatur in der Nähe von PSP, PTT, SDT und FH weniger als 239 K (20 °C), so ist für eine Vermeidung von Partikelverlusten an den kühlen Wänden dieser Teile zu sorgen. Es wird daher empfohlen, diese Teile innerhalb der in den entsprechenden Beschreibungen angegebenen Grenzwerte aufzuheizen und/oder zu isolieren. Ferner wird empfohlen, die Filteranströmtemperatur während der Probenahme nicht unter 293 K (20 °C) absinken zu lassen. Bei hoher Motorlast können die obengenannten Teile durch nichtaggressive Mittel wie beispielsweise einen Umlüfter gekühlt werden, solange die Temperatur des Kühlmittels nicht weniger als 293 K (20 °C) beträgt.
für die Stufen I, II, IIIA, IIIB und IV gelten die Vorschriften von Abschnitt 1 dieses Anhangs VI;
falls der Hersteller gemäß der Option in Abschnitt 1.2.1 dieses Anhangs das Verfahren von Anhang 4B der UN/ECE-Regelung Nr. 96 Änderungsserie 03 anwendet, gelten die Bestimmungen von Abschnitt 9 in Anhang 4B der UN/ECE-Regelung Nr. 96 Änderungsserie 03.
1) Die Abbildungen 4 bis 12 zeigen viele Arten von Teilstrom-Verdünnunggssystemen, die normalerweise für die Prüfung unter stationären Bedingungen (NRSC) angewandt werden können. Wegen der sehr strengen Beschränkungen der Prüfung unter instationären Bedingungen werden nur die Teilstrom-Verdünnunggssysteme (Abbildungen 4 bis 12), die die Anforderungen in Abschnitt "Spezifikationen für Teilstrom-Verdünnungssysteme" in Anhang III Anlage 1 Abschnitt 2.4, erfüllen, für die Prüfung unter instationären Bedingungen (NRTC) akzeptiert.