Für einen individuellen Ausdruck passen Sie bitte dieEinstellungen in der Druckvorschau Ihres Browsers an. Regelwerk, Technische Regeln, KTA |
![]() |
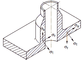
KTA 3201.2 - Komponenten des Primärkreises von Leichtwasserreaktoren
Teil 2: Auslegung, Konstruktion und Berechnung
Fassung vom November 2013
(BAnz. AT vom 17.01.2014 B3; 17.05.2018 B8 aufgehoben)
Frühere Fassungen der Regel:
1980-10 (BAnz. Nr. 152a vom 18. August 1981)
1984-03 (BAnz. Nr. 20a vom 30. Januar 1985)
1996-06 (BAnz. Nr. 216a vom 19. November 1996, Berichtigung BAnz. Nr. 129 vom 13. Juli 2000 und BAnz. Nr. 136 vom 22. Juli 2000)
(1) Die Regeln des Kerntechnischen Ausschusses (KTA) haben die Aufgabe, sicherheitstechnische Anforderungen anzugeben, bei deren Einhaltung die nach dem Stand von Wissenschaft und Technik erforderliche Vorsorge gegen Schäden durch die Errichtung und den Betrieb der Anlage (§ 7 Abs. 2 Nr. 3 Atomgesetz -AtG-) getroffen ist, um die im AtG und in der Strahlenschutzverordnung (StrlSchV) festgelegten sowie in den "Sicherheitskriterien", "Störfall-Leitlinien" und "Sicherheitsanforderungen an Kernkraftwerke" (SiAnf) weiter konkretisierten Schutzziele zu erreichen.
(2) In den Sicherheitskriterien wird im Kriterium 1.1 "Grundsätze der Sicherheitsvorsorge" unter anderem eine umfassende Qualitätssicherung bei Fertigung und Errichtung, im Kriterium 2.1 "Qualitätsgewährleistung" des Weiteren die Anwendung, Aufstellung und Einhaltung von Auslegungs-, Werkstoff-, Bau-, Prüf-, und Betriebsvorschriften sowie die Dokumentation der Qualitätsüberwachung gefordert. Im Kriterium 4.1 "Druckführende Umschließung des Reaktorkühlmittels" wird unter anderem die Grundsatzforderung gestellt, dass gefährliche Leckagen, rasch fortschreitende Risse und spröde Brüche nach dem Stand von Wissenschaft und Technik ausgeschlossen sein müssen. Die Regel KTA 3201.2 dient zur Konkretisierung von Maßnahmen zur Erfüllung dieser Forderungen im Rahmen ihres Anwendungsbereichs. Hierzu wird auch eine Vielzahl im einzelnen aufgeführter Regeln aus dem konventionellen Bereich, insbesondere DIN-Normen, mit herangezogen. Für die Komponenten des Primärkreises werden die Forderungen der genannten Sicherheitskriterien zusammen mit den weiteren Regeln
| KTA 3201.1 | Werkstoffe und Erzeugnisformen |
| KTA 3201.3 | Herstellung |
| KTA 3201.4 | Wiederkehrende Prüfungen und Betriebsüberwachung sowie |
| KTA 3203 | Überwachung des Bestrahlungsverhaltens von Werkstoffen der Reaktordruckbehälter von Leichtwasserreaktoren somit umfassend konkretisiert. |
(3) Im Einzelnen werden in KTA 3201.2 die Anforderungen festgelegt, die zu stellen sind an:
(4) Forderungen, die nicht dem Zweck des sicheren Einschlusses des Primärkühlmittels dienen, werden in dieser Regel nicht behandelt.
1 Anwendungsbereich
(1) Diese Regel ist anzuwenden auf Auslegung, Konstruktion und Berechnung von Komponenten des Primärkreises von Leichtwasserreaktoren aus metallischen Werkstoffen, die bis zu Auslegungstemperaturen von 673 K (400 °C) betrieben werden.
(2) Zum Primärkreis als druckführende Umschließung des Reaktorkühlmittels gehören beim Druckwasserreaktor die folgenden Teile ohne Einbauten:
(3) Zur druckführenden Umschließung des Reaktorkühlmittels gehören beim Siedewasserreaktor die folgenden Teile ohne Einbauten:
(4) Diese Regel gilt auch für den Abklingbereich von Komponentenstützkonstruktionen mit integralen Anschlüssen.
Hinweis:
Für die Abgrenzung des Abklingbereiches von Komponentenstützkonstruktionen mit integralen Anschlüssen ist Abschnitt 8.5 maßgebend.
Komponentenstützkonstruktionen mit nichtintegralen Anschlüssen für Primärkreiskomponenten sind in KTA 3205.1 geregelt.
(5) Diese Regel gilt nicht für Rohrleitungen und Armaturen kleiner als oder gleich DN 50, sie darf jedoch zur Erstellung von Spannungs- und Ermüdungsanalysen für Rohrleitungen und Armaturen gleich oder kleiner als DN 50 angewendet werden.
Hinweis:
Vereinfachte Vorgehensweisen sind in Abschnitt 8.4.1 (6) angegeben.
Anforderungen an Messleitungen sind in KTA 3507 geregelt.
2 Allgemeine Anforderungen und Begriffe
2.1 Begriffe
(1) Funktionsfähigkeit
Unter Funktionsfähigkeit wird die über die Standsicherheit und Integrität hinausgehende Fähigkeit zur Erfüllung der geforderten Aufgabe bei dem jeweiligen Ereignis verstanden.
Bei der Funktionsfähigkeit wird unterschieden, ob diese während oder nach dem Ereignis oder während und nach dem Ereignis gegeben sein muss. Dabei wird unterschieden zwischen aktiver und passiver Funktionsfähigkeit sowie zwischen aktiven und passiven Komponenten.
(2) Integrität
Integrität ist der Zustand einer Komponente oder Barriere, bei dem die an sie gestellten sicherheitstechnischen Anforderungen hinsichtlich Festigkeit, Bruchsicherheit und Dichtheit erfüllt sind.
(3) Standsicherheit
Unter Standsicherheit wird die Sicherheit gegen unzulässige Veränderungen der Lage und des Aufstellortes verstanden (z.B. Umstürzen, Abstürzen, unzulässiges Verrutschen).
2.2 Allgemeine Anforderungen
(1) Bei der Auslegung, Konstruktion und Berechnung sind die in diesem Abschnitt dargestellten Grundsätze zu befolgen. Nach Abschnitt 3 "Lastfallklassen des Primärkreises und Beanspruchungsstufen der Komponenten" sind wegen der unterschiedlichen sicherheitstechnischen Aufgaben die Lastfälle anlagen- und systembezogen zu klassifizieren und die zugehörigen Beanspruchungsstufen komponentenbezogen festzulegen. In Abhängigkeit hiervon sind die auftretenden Beanspruchungen zu beurteilen und zu beschränken. Dabei ist dem Einfluss des Mediums (Korrosion und Erosion) in geeigneter Weise Rechnung zu tragen (siehe Abschnitt 4.5).
(2) Die konstruktive Gestaltung ist nach den Festlegungen im Abschnitt 5 "Konstruktive Gestaltung" auszuführen. Die Verwendung anderer als der im Abschnitt 5 und im Anhang a genannten Konstruktionsformen bedarf eines besonderen Nachweises.
(3) Die erforderlichen Festigkeitsnachweise sind in zwei Schritten zu erbringen:
(4) Im Rahmen der Dimensionierung sind die tragenden Querschnitte (Wanddicken) so festzulegen, dass die Aufnahme des Innendrucks, des Außendrucks und der äußeren Kräfte aller Beanspruchungsstufen unter Einhaltung der für die primären Spannungen festgelegten Grenzen sichergestellt ist.
(5) Entsprechend den sicherheitstechnischen Aufgabenstellungen der Komponenten sind Standsicherheit, Integrität und Funktionsfähigkeit wie nachfolgend erläutert nachzuweisen:
Hinweis:
In dieser Regel werden nur die Anforderungen an die drucktragenden Wandungen zur Sicherstellung der Funktionsfähigkeit der Komponente berücksichtigt.
Diese Nachweise sind nach Abschnitt 7 "Allgemeine Analyse des mechanischen Verhaltens" oder alternativ nach Abschnitt 8 "Komponentenspezifische Analyse des mechanischen Verhaltens" zu führen. Hinsichtlich der Funktionsfähigkeit sind komponentenbezogene Vorgaben zu beachten.
(6) Für die Anwendbarkeit des Abschnittes 7 bestehen keine Einschränkungen hinsichtlich Geometrie und Belastung. Bei der Anwendung des Abschnittes 8 sind die dort genannten Bedingungen zu beachten.
(7) Die Berechnungen, die zur Durchführung der Analyse des mechanischen Verhaltens nach den Abschnitten 7 und 8 erforderlich werden, sind mit den zutreffenden Methoden der Strukturmechanik durchzuführen.
(8) Die in den Abschnitten 7.7, 7.8, 7.9 und 8 angegebenen Beanspruchungsgrenzen gelten für Beanspruchungen, die auf der Grundlage linearelastischer Werkstoffgesetze ermittelt wurden, sofern in den einzelnen Abschnitten keine hiervon abweichenden Festlegungen enthalten sind.
(9) Sofern die numerischen Rechenverfahren des Anhangs C zum Einsatz kommen, sind die dortigen Festlegungen zu beachten.
(10) Die Spannungsanalyse darf entfallen, wenn die Zulässigkeit der Spannungen bereits durch die Dimensionierung gemäß Abschnitt 6 oder auf andere Weise nachgewiesen worden ist.
(11) Anstelle oder in Ergänzung der in dieser Regel behandelten rechnerischen Analyse von Komponenten sind experimentelle Nachweise zulässig.
3 Lastfallklassen des Primärkreises und Beanspruchungsstufen der Komponenten
3.1 Allgemeines
(1) Aus den Ereignissen der Gesamtanlage resultieren Zustände und Zustandsänderungen der Systeme, die als Lastfälle gekennzeichnet werden und mit Belastungen der Komponenten verbunden sind. Die Lastfälle des Primärkreises werden in systembezogenen Unterlagen entsprechend ihrer Bedeutung für die Gesamtanlage und im Hinblick auf die Einhaltung der Schutzziele den in Abschnitt 3.2 beschriebenen Lastfallklassen zugeordnet.
(2) Jedem dieser Lastfälle wird komponentenbezogen eine Beanspruchungsstufe gemäß Abschnitt 3.3 zugeordnet. Diese Beanspruchungsstufen enthalten zulässige Beanspruchungen.
(3) Ergeben sich aus sonstigen Belastungen (z.B. Transport, Montage- und Reparaturfälle) Beanspruchungen nennenswerter Größe, so sind diese in einem Festigkeitsnachweis zu ermitteln. Die zulässigen Beanspruchungen sind hierfür im Einzelfall festzulegen.
3.2 Lastfallklassen des Primärkreises
3.2.1 Allgemeines
Die Lastfälle des Primärkreises sind einer der nachfolgend aufgeführten Lastfallklassen zuzuordnen:
3.2.2 Auslegungsfälle (AF)
Als Auslegungsfälle sind diejenigen Lastfälle zu betrachten, welche die normalen Betriebsfälle (NB) gemäß dem nachfolgenden Abschnitt 3.2.3.1 einhüllen, soweit diese in den Komponenten oder Bauteilen maximale primäre Beanspruchungen hervorrufen.
3.2.3 Bestimmungsgemäßer Betrieb
3.2.3.1 Normale Betriebsfälle (NB)
Normale Betriebsfälle sind Betriebszustände oder Betriebszustandsänderungen, für die die Anlage bei funktionsfähigem Zustand der Systeme vorgesehen ist. Es handelt sich insbesondere um Anfahren des Reaktors, Vollastbetrieb, Teillastbetrieb und Abfahren des Reaktors, einschließlich der bei diesen Laständerungen auftretenden Transienten.
3.2.3.2 Anomale Betriebsfälle (AB)
Als anomale Betriebsfälle werden Abweichungen von den normalen Betriebsfällen bezeichnet, die durch Funktions- oder Schaltfehler der Komponente selbst oder der Nachbarkomponenten entstehen. Der anschließenden Fortführung des Betriebes stehen keine sicherheitstechnischen Gründe entgegen.
3.2.3.3 Prüffälle (PF)
Die Prüffälle umfassen die Erstdruckprüfung (Komponenten- und Systemdruckprüfung), sowie wiederkehrende Druck- und Dichtheitsprüfungen.
3.2.4 Störfälle
3.2.4.1 Allgemeines
Störfälle sind Abweichungen vom bestimmungsgemäßen Betrieb, bei deren Eintritt der Betrieb der Anlage aus sicherheitstechnischen Gründen nicht fortgeführt werden kann und für die die Anlage ausgelegt ist.
3.2.4.2 Notfälle (NF)
Notfälle sind Störfälle, die eine sehr geringe Eintrittswahrscheinlichkeit haben.
3.2.4.3 Schadensfälle (SF)
Schadensfälle sind Störfälle, die eine extrem geringe Eintrittswahrscheinlichkeit haben oder es sind postulierte Lastfälle.
3.3 Beanspruchungsstufen für Komponenten
3.3.1 Allgemeines
Die Beanspruchungsstufen sind bezüglich des Weiterbetriebs und der durchzuführenden Maßnahmen nach Abschnitt 3.3.2 und 3.3.3 zu unterscheiden und müssen komponentenbezogen angegeben werden. Die zugehörigen Beanspruchungsgrenzen der Beanspruchungsstufen sind in den Abschnitten 7 und 8 angegeben und so festzulegen, dass die Integrität der Komponenten in allen Beanspruchungsstufen für die spezifischen Lastfälle sichergestellt ist.
3.3.2 Auslegungsstufe (Stufe 0)
3.3.2.1 Allgemeines
Der Stufe 0 werden die Beanspruchungen der Auslegungsfälle (AF) zugeordnet. Die Beanspruchungen der Stufe 0 ergeben sich demnach aus der Wirkung des Auslegungsdrucks und zusätzlicher Auslegungslasten, so dass die maximalen primären Beanspruchungen aus den zur Stufe a gemäß Abschnitt 3.3.3.2 gehörenden Lastfällen einschließlich der zugehörenden Stabilitätsfälle in den Komponenten und deren Bauteile abgedeckt werden. Die Daten des Lastfalls bestehen aus Auslegungsdruck (siehe Abschnitt 3.3.2.2), Auslegungstemperatur (siehe Abschnitt 3.3.2.3) und zusätzlichen Auslegungslasten (siehe Abschnitt 3.3.2.4).
Hinweis:
Die Beanspruchungsgrenzen der Stufe 0 sind derart festgelegt, dass die Beanspruchungen das Gleichgewicht zu den äußeren mechanischen Lasten so herstellen, dass unter Berücksichtigung der erforderlichen Sicherheiten kein Verformungsversagen und kein Gewaltbruch auftreten.
3.3.2.2 Auslegungsdruck
(1) Der zu spezifizierende Auslegungsdruck für eine Komponente oder ein Bauteil ist mindestens die größte Druckdifferenz zwischen den druckbelasteten Oberflächen gemäß Stufe a (siehe Abschnitt 3.3.3.2).
(2) Für Bauteile, bei denen die beidseitigen Drücke voneinander unabhängig sind, ist der größte der im folgenden angegebenen Werte der Auslegung zugrunde zu legen:
(3) Für Bauteile, bei denen die beidseitigen Drücke voneinander abhängig sind, ist der Auslegungsdruck gleich der maximalen Druckdifferenz.
(4) Hydrostatische Drücke sind zu berücksichtigen, sofern sie 5 % des Auslegungsdrucks übersteigen.
(5) Es wird davon ausgegangen, dass Sicherheitsventile und sonstige Sicherheitseinrichtungen so bemessen und eingestellt sind, dass der Druck des Primärkreises im bestimmungsgemäßen Betrieb den Auslegungsdruck nur kurzfristig überschreitet und dabei die Beanspruchungsgrenzen von Stufe B (siehe Abschnitt 3.3.3.3) eingehalten werden.
3.3.2.3 Auslegungstemperatur
(1) Die Auslegungstemperatur dient der Festlegung der Festigkeitskennwerte. Sie soll mindestens gleich der höchsten nach Stufe a (siehe Abschnitt 3.3.3.2) zu erwartenden Wandtemperatur an der zu betrachtenden Stelle sein.
(2) Die Auslegungstemperatur darf gleich der jeweiligen Temperatur des Primärkühlmittels angenommen werden; niedrigere Auslegungstemperaturen sind nachzuweisen. Sofern ein Aufheizen durch induzierte Wärme zu erwarten ist (z.B. infolge Gammastrahlung), ist dies bei der Festlegung der Auslegungstemperatur zu berücksichtigen.
3.3.2.4 Zusätzliche Auslegungslasten
Zusätzliche Auslegungslasten müssen bei Überlagerung mit dem Auslegungsdruck mindestens so hoch angesetzt werden, dass sie die gleichzeitig wirkenden ungünstigsten primären Beanspruchungen der Stufe a abdecken.
Hinweis:
In Einzelfällen können die Belastungen aus den Stufen B, C und D auslegungsbestimmend sein. Die Nachweisführung für diese Belastungen erfolgt unter Einhaltung der jeweils zulässigen primären Beanspruchung.
3.3.3 Betriebsstufen
3.3.3.1 Allgemeines
Die Ermittlung und Begrenzung der Beanspruchungen für die Betriebsstufen hat im Rahmen einer Analyse des mechanischen Verhaltens zu erfolgen. Hierbei darf von den tatsächlichen und jeweiligen Belastungen sowie Temperaturen ausgegangen werden.
3.3.3.2 Stufe A
(1) Der Stufe a sind die Beanspruchungen aus den normalen Betriebsfällen (NB) zugeordnet.
(2) Die Zulässigkeit der Vergleichsspannungen und der Vergleichsspannungsschwingbreiten ist gemäß Abschnitt 7.7.3 nachzuweisen.
Hinweis:
Die Beanspruchungsgrenzen der Stufe a sind derart festgelegt, dass unter Berücksichtigung der erforderlichen Sicherheiten kein Verformungsversagen und kein Gewaltbruch sowie kein Versagen durch fortschreitende Deformation und Ermüdung auftreten können.
3.3.3.3 Stufe B
(1) Sofern keine Einstufung in Stufe a erfolgt, sind der Stufe B die Beanspruchungen aus den anomalen Betriebsfällen (AB) zugeordnet.
(2) Für die der Stufe B zugeordneten Lastfälle ist die Zulässigkeit der Vergleichsspannungen und der Vergleichsspannungsschwingbreiten gemäß Abschnitt 7.7.3 nachzuweisen.
(3) Der Primärspannungsnachweis braucht nur geführt zu werden, wenn die Beanspruchungen der Stufe 0 oder der Stufe a überschritten werden.
Hinweis:
Die Beanspruchungsgrenzen der Stufe B sind derart festgelegt, dass unter Berücksichtigung der erforderlichen Sicherheiten kein Verformungsversagen und kein Gewaltbruch sowie kein Versagen durch fortschreitende Deformation und Ermüdung auftreten können.
3.3.3.4 Stufe C
(1) Sofern keine Einstufung in Stufe B erfolgt, sind der Stufe C Beanspruchungen aus den Notfällen (NF) zugeordnet.
(2) Bei den der Stufe C zugeordneten Lastfällen sind beim Spannungsnachweis nur primäre Spannungen zu berücksichtigen. Überschreitet die Gesamtzahl der Lastspiele aller spezifizierten Ereignisse der Stufe C für die betreffende Komponente die Zahl 25, so sind die über die Anzahl 25 hinausgehenden Lastspiele in der Ermüdungsanalyse für die betreffende Komponente zu berücksichtigen.
Hinweis:
Die Beanspruchungsgrenzen der Stufe C erlauben plastische Deformation im Bereich von geometrischen Diskontinuitäten und schließen einen Gewaltbruch aus. Nach Auftreten eines solchen Falles kann eine Inspektion der betroffenen Komponente erforderlich werden.
(2) Als äußerer Überdruck sind ohne zusätzlichen Stabilitätsnachweis 120 % des zulässigen Überdrucks gemäß Stufe 0 zulässig. Sofern die entsprechenden Nachweise für die Stufe a geführt werden, gilt diese Festlegung sinngemäß.
3.3.3.5 Stufe D
(1) Sofern keine Einstufung nach Stufe B oder C erfolgt, sind der Stufe D Beanspruchungen aus den Schadensfällen (SF) zugeordnet.
(2) Bei den der Stufe D zugeordneten Lastfällen sind beim Spannungsnachweis nur primäre Spannungen zu berücksichtigen.
Hinweis:
Die Grenzen dieser Beanspruchungsstufe schließen einen Gewaltbruch aus. Dabei wird in Kauf genommen, dass in größeren Bereichen plastische Verformungen auftreten können. Für die betroffene Komponente kann eine Reparatur oder ein Austausch erforderlich werden.
3.3.3.6 Stufe P
(1) Die Stufe P gilt für Beanspruchungen aus den Prüffällen (PF) (Druckprüfungen der Komponenten).
(2) Bei den der Stufe P zugeordneten Lastfällen sind beim Spannungsnachweis nur die primären Spannungen zu berücksichtigen. Überschreitet die Anzahl der Druckprüfungen nicht die Zahl 10, so brauchen diese in der Ermüdungsanalyse nicht berücksichtigt zu werden. Überschreitet die Anzahl der Druckprüfungen die Zahl 10, so müssen alle Druckprüfungen in der Ermüdungsanalyse berücksichtigt werden.
(2) Die Erstdruckprüfung einer nicht im System eingebauten Komponente ist bei Walz- und Schmiedestählen mit dem 1,3fachen Auslegungsdruck und bei Stahlguss mit dem 1,5fachen Auslegungsdruck als Prüfdruck p' durchzuführen. Die Prüftemperatur ist nach Sprödbruchkriterien festzulegen.
Hinweis:
Die Festlegung des Prüfdrucks und der Prüftemperatur für wiederkehrende Prüfungen ist in KTA 3201.4, Abschnitt 4.5, enthalten.
4 Einwirkungen auf die Komponenten infolge von mechanischen und thermischen Belastungen, Einwirkungen des Mediums und Bestrahlung
4.1 Allgemeines
(1) Alle maßgebenden Einwirkungen auf die Komponenten infolge von mechanischen und thermischen Belastungen, sowie durch das Medium und Bestrahlung sind bei der Auslegung, Konstruktion und Berechnung mit genauen oder konservativen Werten komponentenbezogen festzulegen und zu berücksichtigen.
(2) Unter mechanischer und thermischer Belastung ist die Einwirkung der unter Abschnitt 3 definierten Lastfälle auf die Komponente zu verstehen. Diese Einwirkung ruft in den Komponenten Beanspruchungen hervor, für welche die Komponenten auszulegen sind. Die mechanischen und thermischen Belastungen können unmittelbar auf die Komponenten und Bauteile einwirken und die entsprechenden Beanspruchungen hervorrufen. Sie können aber auch mittelbar wirken, wie zum Beispiel Temperaturtransienten im Kühlmittel, die instationäre Temperaturfelder in der Komponente hervorrufen, woraus Spannungen infolge behinderter Wärmedehnung entstehen.
(3) Einwirkungen des Mediums können an den Komponenten
(4) Die Einwirkung infolge Neutronenbestrahlung besteht im kernnahen Bereich in einer Versprödung des Werkstoffes und in der Entstehung von Wärmequellen durch Absorption von γ -Strahlung. Wärmequellen durch Absorption von γ -Strahlung stellen eine spezielle thermische Belastung dar.
4.2 Mechanische und thermische Belastungen
(1) Unter mechanischen und thermischen Belastungen werden Kräfte und Momente, aufgezwungene Verformungen und Temperaturfelder verstanden, soweit sie Beanspruchungen in den Komponenten hervorrufen.
(2) Die hierdurch erzeugten Spannungen und Dehnungen sind im Rahmen der Analyse des mechanischen Verhaltens gemäß Abschnitt 7 oder 8 zu ermitteln und zu beurteilen.
(3) Als mechanische und thermische Belastungen sind anzusehen:
4.3 Zusammenstellung von Belastungen der Komponenten
(1) Die unter Berücksichtigung der Lastfälle des Primärkreises für jede Komponente oder deren Bauteile ermittelten oder festgelegten mechanischen und thermischen Belastungen einschließlich ihrer Häufigkeit sind zu erfassen und komponentenbezogen zusammenzustellen und zu belegen.
(2) Sofern eine Belastung nicht durch eine einzige Größe angegeben werden kann, ist sie einschließlich ihres zeitlichen Verlaufs auszuweisen.
4.4 Überlagerung von Belastungen und Zuordnung zu Beanspruchungsstufen
Ein Beispiel für die Überlagerung von Belastungen der Komponente und die Zuordnung der überlagerten Belastungen zu Beanspruchungsstufen ist in Tabelle 4-1 angegeben. Anlagenbezogene Detailregelungen sind in der jeweiligen Anlagenspezifikation vorzunehmen.
4.5 Einwirkungen des Mediums
(1) Den Einwirkungen des Mediums ist durch die Wahl geeigneter Werkstoffe, Dimensionierung, konstruktive und spannungsgerechte Gestaltung, verfahrenstechnische Maßnahmen oder fertigungstechnische Maßnahmen (z.B. Plattierung oder Auftragsschweißung des Grundwerkstoffes, Vermeidung enger Spalte) zu begegnen.
(2) Bei Unsicherheiten hinsichtlich der Wirkung des Mediums auf die Bauteilintegrität ist dies durch eine Beschränkung des zulässigen Erschöpfungsgrades D (siehe Abschnitt 7.8.3), durch betriebsnahe Experimente oder durch geeignete Maßnahmen im Rahmen der Betriebsüberwachung und wiederkehrenden Prüfungen zu berücksichtigen.
Hinweis:
Anforderungen an die Betriebsüberwachung und wiederkehrenden Prüfungen sind in KTA 3201.4 festgelegt.
4.6 Bestrahlung
Die durch die Neutronenbestrahlung bewirkte Versprödung des Werkstoffs ist bei der Beurteilung des Sprödbruchverhaltens zu berücksichtigen.
Tabelle 4-1: Beispiel für die Überlagerung von Belastungen der Komponente und Zuordnung zu Beanspruchungsstufen
| Beanspruchungsstufen | Belastungen1 | ||||||||||||
| Statische Belastungen | Transiente Belastungen | Schwingende und dynamische Belastungen | |||||||||||
| Auslegungsdruck | Auslegungstemperatur2 | Druck | Temperatur2 | Eigengewicht und andere Lasten | Mechanische Lasten, Reaktionskräfte | Behinderte Wärmedehnung | Transiente Lasten (Druck, Temperatur, mechanische Lasten), dynamische Belastung | Anomale Belastungen (statisch und dynamisch) | Prüfbelastungen (statisch und dynamisch) | Bemessungs- erdbeben | Einwirkungen von innen | Sonstige Einwirkungen von außen | |
| Stufe 0 | x | x | x | ||||||||||
| Stufe A | x | x | x | x | x | x | |||||||
| Stufe B | x | x | x | x | x | x | |||||||
| Stufe P | x | x | x | x | |||||||||
| Stufe C | x | x | x | x | |||||||||
| x | x | x | x | x | |||||||||
| Stufe D | x | x | x | x | x | ||||||||
| x | x | x | x | x | |||||||||
| x | x | x | x | x | |||||||||
| 1) Im jeweiligen Belastungsfall ist zu prüfen, welche Belastungen zutreffen. 2) Zur Festlegung des Spannungsvergleichswertes bei der für die betreffenden Belastungen maßgebenden Temperatur. |
|||||||||||||
5 Konstruktive Gestaltung
5.1 Übergeordnete Anforderungen
5.1.1 Grundsätze
(1) Die Konstruktion der Komponenten muss
gestaltet sein.
(2) Die vorgenannten Grundsätze stehen in Wechselwirkung zueinander und sind unter Berücksichtigung der komponentenbezogenen Anforderungen aufeinander abzustimmen. Insoweit stellen die in den Abschnitten 5.2 und 5.3 enthaltenen Festlegungen und Beispiele Konkretisierungen der im Abschnitt 5.1 enthaltenen grundsätzlichen Anforderungen dar.
5.1.2 Funktionsgerechte, beanspruchungsgünstige Konstruktion
Komponenten sind so zu gestalten und auszulegen, dass sie die spezifischen funktionellen Anforderungen erfüllen. Hieraus resultieren folgende Grundsätze:
5.1.3 Werkstoffgerechte Konstruktion
(1) Im Hinblick auf die Wahl des Werkstoffes und der Erzeugnisform sind folgende Kriterien zu berücksichtigen:
(2) Es sind Werkstoffe nach KTA 3201.1 einzusetzen. Für besondere Beanspruchungen, z.B. Erosion, Korrosion oder erhöhter Verschleiß, können "Werkstoffe für besondere Anwendungen" zugelassen werden.
(3) Werkstoffe sind in einer für die auftretenden Beanspruchungen geeigneten Erzeugnisform (z.B. Bleche, Schmiedeteile, Gussteile, nahtlose Rohre) einzusetzen.
(4) Die Verwendung unterschiedlicher Werkstoffe innerhalb einer Komponente ist auf das notwendige Maß zu beschränken.
5.1.4 Herstellungsgerechte Konstruktion
5.1.4.1 Fertigungsgerecht
Für die fertigungsgerechte Konstruktion gelten folgende Grundsätze:
Hinweis:
Zu Anforderungen an die Fertigung siehe auch KTA 3201.3.
5.1.4.2 Prüfgerechte Konstruktion
(1) Die Formgebung der Bauteile sowie die Gestaltung und die Anordnung der Schweißnähte muss die Durchführbarkeit der gemäß KTA 3201.1, KTA 3201.3 und KTA 3201.4 geforderten zerstörungsfreien Prüfungen mit ausreichender Fehlererkennbarkeit an den Erzeugnisformen, Schweißnähten und eingebauten Komponenten gestatten.
(2) Für die prüfgerechte Konstruktion gelten folgende Grundsätze:
Hinweis:
Siehe hierzu auch KTA 3201.1 und KTA 3201.3.
5.1.5 Wartungsfreundliche Konstruktion
(1) Bei der Konstruktion der drucktragenden Wand der Komponenten ist auf eine einfache Zugänglichkeit und gute Durchführbarkeit von wiederkehrenden Prüfungen zu achten.
(2) Folgende Grundsätze sind zu beachten:
5.2 Allgemeine Anforderungen an Bauteile und deren Schweißnähte
5.2.1 Allgemeines
Außer den nachfolgend genannten Anforderungen sind bei Anwendung spezieller Berechnungsverfahren gegebenenfalls zusätzliche Geometriebedingungen zu berücksichtigen.
5.2.2 Schweißnähte
5.2.2.1 Stumpfnähte
Stumpfnähte sind durchzuschweißen. Bei Stumpfnähten sollen Kreuzstöße, Nahtkreuzungen und Schweißgutanhäufungen vermieden werden. Der kleinste seitliche Versatz von T-Stößen muss mindestens der dreifachen zu verschweißenden Wanddicke entsprechen; er braucht jedoch 150 mm nicht zu überschreiten. Ausführungsbeispiele für Einseitennähte sind im Bild 5.2-1 dargestellt.
Hinweis:
Die Voraussetzungen, unter denen Einseitennähte zulässig sind, sind in KTA 3201.3 angegeben.
Bild 5.2-1: Beispiele für einseitig ausgeführte Stumpfnähte
5.2.2.2 Anschweißnähte
(1) Anschweißungen an drucktragenden Wandungen sind grundsätzlich mit einer Schweißnahtlänge von größer als oder gleich 50 mm auszuführen. Ausnahmen (z.B. Flachnocken für Rohrleitungen) sind mit entsprechender Nachweisführung zulässig.
(2) Eckstöße und Überschweißungen von Stumpfnähten sind nicht zulässig.
Bei Halteblechen und Pratzenanschweißungen an Bauteilen mit Wanddicken s größer als oder gleich 16 mm sind dazu Freischnitte vorzusehen.
(3) DHV- und HV-Nähte mit Gegenlage nach Bild 5.2-2 sind ohne Einschränkung zulässig. HV-Nähte ohne Gegenlage sind in Ausnahmefällen bei eingeschränkter Zugänglichkeit zulässig, wenn die Nähte durchgeschweißt werden und mittels zerstörungsfreier Verfahren prüfbar sind.
(4) Kehlnähte sind als geschlossene Schweißnähte auszuführen und in folgenden Fällen zulässig:
5.2.2.3 Stutzennähte
(1) Das Bild 5.2-5 zeigt Beispiele zulässiger Ausführungsformen von Stutzen, Schweißnähten und Schweißnahtübergängen.
(2) Stutzeneinschweißungen sind, soweit dies aufgrund der Abmessungen möglich ist, gegenzuschweißen. Einseitennähte sind zulässig, wenn die Wurzel mechanisch bearbeitet wird. Ist in Ausnahmefällen die mechanische Bearbeitung der Wurzel nicht möglich, ist die Prüfbarkeit sicherzustellen.
Bild 5.2-2: Beispiele für HV- und DHV-Nähte bei Anschweißungen
| Rs1 | α | rs | s1 |
| ≥ 0,5 . s1 | 30° bis 60° | ≥ 5mm | ≤ s |
|
1) mit tangentialem Übergang ausführen |
|||
Bild 5.2-3: Beispiele für Schweißnähte mit überwiegender Dichtfunktion
Bild 5.2-4: Beispiel für Anschweißungen an austenitische Schweißplattierungen

Bild 5.2-5: Ausführungsbeispiele von Schweißnähten an Stutzen
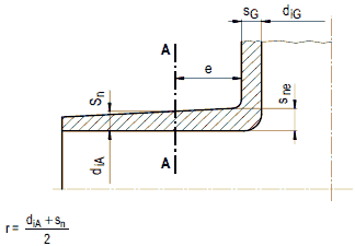
5.2.3 Durchmesser- und Wanddickenübergänge
(1) Bei Durchmesserübergängen sind günstiger Spannungsverlauf und die Durchführbarkeit der zerstörungsfreien Prüfungen zu beachten. Es sind Radien und zylindrische oder kegelige Übergänge vorzusehen.
(2) Wanddickenübergänge sind so zu gestalten, dass sich ein günstiger Spannungsverlauf ergibt. Schroffe Übergänge sind zu vermeiden. Die Wanddickenangleichung muss so erfolgen, dass die zerstörungsfreie Prüfung der Schweißnähte einwandfrei und vollständig durchführbar ist.
5.2.4 Flansche und Dichtungen
5.2.4.1 Flansche
(1) Flansche dürfen nur geschmiedet oder gegossen, im Fall von Losflanschen auch nahtlos gewalzt werden.
(2) Reaktordruckbehälterflansche und vergleichbare Ausführungen sind im Hinblick auf günstige Spannungsverteilung und im Hinblick auf die Funktionsanforderungen (z.B. Dichtheit auch unter transienten Beanspruchungen) zu gestalten.
(3) Bei sonstigen Flanschen (Nenndurchmesser kleiner als DN 300) ist folgendes einzuhalten:
Bild 5.2-6: Vorschweißbunde

Bild 5.2-7: Vorschweißflansche
5.2.4.2 Dichtungen
Als Dichtung dürfen Metall-Weichstoffdichtungen und Metalldichtungen verwendet werden. Die Möglichkeit einer chemischen Beeinflussung des Grundwerkstoffs durch den Dichtungswerkstoff ist zu beachten (chemische Verträglichkeit der Werkstoffpaarung). Auch andere Einflüsse auf die Beständigkeit der Dichtung (z.B. durch ionisierende Strahlen) sind zu berücksichtigen.
5.2.5 Schrauben und Muttern
(1) Es sind Schrauben und Muttern nach DIN-Normen einzusetzen, soweit dies konstruktiv möglich ist. Dabei sind Dehnschrauben oder Schrauben mit Dehnschäften zu bevorzugen. Die tragende Gewindelänge ist auf die Werkstoffpaarung (z.B. Bolzen-Flansch) abzustimmen (siehe Abschnitt a 2.8). Dehnschrauben nach DIN 2510-1 bis DIN 2510-4 oder Schrauben mit Dehnschäften sind bei Auslegungstemperatur größer als 300 °C oder Auslegungsdruck größer als 4 MPa einzusetzen.
(2) Schrauben und Muttern zur Verbindung mit austenitischen Teilen sind möglichst aus gleichem oder artgleichem Werkstoff wie die zu verbindenden Teile auszuführen. Werden Werkstoffe mit unterschiedlichen Ausdehnungskoeffizienten verwendet, ist die Auswirkung der unterschiedlichen Wärmeausdehnung zu beachten.
(3) Schrauben unter M 10 oder entsprechendem Gewindekerndurchmesser sind grundsätzlich nicht zulässig. In Sonderfällen (z.B. bei Schrauben für Armaturen) können auch kleinere Schrauben verwendet werden, jedoch darf M 6 oder ein entsprechender Gewindekerndurchmesser nicht unterschritten werden.
(4) Es sind solche Konstruktionen zu bevorzugen, bei denen sichergestellt ist, dass innenliegende Schraubenverbindungen oder Teile davon bei einem Bruch nicht in den Primärkreislauf gelangen können.
(5) Schrauben in Reaktordruckbehälterflanschverbindungen und vergleichbaren Schraubenverbindungen sind hinsichtlich wiederkehrender Prüfungen prüfbar zu gestalten.
(6) Schraubverbindungen sind so zu konstruieren, dass die Schrauben vorwiegend auf Zug beansprucht werden.
5.2.6 Stutzen
(1) Die geometrischen Ausführungsbedingungen (Wanddickenverhältnisse, Schweißnahtradien, Stutzenlängen) sind in Tabelle 5.2-1 angegeben. Die Definition der in der Tabelle 5.2-1 enthaltenen Größen ist den Bildern 5.2-5 und 5.2-8 zu entnehmen.
Tabelle 5.2-1: Empfehlungen für Wanddickenverhältnisse, Schweißnähte und Übergänge von Stutzen
|
Begrenzung der Wanddickenverhältnisse |
||
| Bereich der Stutzenabmessungen | Wanddickenverhältnis | Bemerkung |
| dAi< 50 mm | sa / sH ≤ 2 | |
| dAi> 50 mm und dAi / dHi ≤ 0,2 |
sa / sH≤ 2 | |
| dAi / dHi> 0,2 | sa / sH≤ 1,3 | Ausnahmen siehe Abschnitt a 2.7 |
| Formbedingungen der Schweißnähte | ||
| Stutzenbauform | Bedingungen | Bemerkung |
| Stutzen durchgesteckt | r2 ≥ 0,5 ⋅ sH | |
| Stutzen aufgesetzt | r2 ≥ 0,5 ⋅ sH | |
| Stutzen durchgesteckt oder aufgesetzt | r2 mindestens 10 mm oder 0,1 ⋅ sH |
in Ausnahmefällen, z.B. um ein Überschweißen von Nahtkanten zu vermeiden |
| Formbedingungen für Übergänge Übergänge sind zu runden und Kanten zu brechen. Der Übergangsradius r ist konstruktionsbedingt festzulegen. |
||
| r2 siehe Bild 5.2-5 und Bild 5.2-8 sA Wanddicke des Abzweigs (Stutzen) sHWanddicke des Grundkörpers |
||
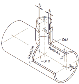
(2) Für Stutzen größer als oder gleich DN 125 und einer Stutzenwanddicke sA größer als oder gleich 15 mm soll die Grundschale im Ganzen unter Beachtung eines günstigen Spannungsverlaufes verstärkt werden. Bei einem Durchmesserverhältnis qA größer als 0,8 ist zusätzlich eine Spannungsanalyse durchzuführen, sofern dieser Bereich nicht durch zutreffende Dimensionierungsverfahren, z.B. nach Gleichung (a 3.1-22), abgedeckt ist. Das Durchmesserverhältnis qA ist definiert als Quotient aus mittlerem Durchmesser des abgehenden Rohres und mittlerem Durchmesser des verstärkten Bereiches des Grundrohres.
(3) Das Wanddickenverhältnis von Stutzen zur Grundschale ist grundsätzlich kleiner als oder gleich 1,3 zu wählen (siehe Tabelle 5.2-1). Dieses Wanddickenverhältnis darf in folgenden Fällen größer sein:
Bild 5.2-8: Beispiele für Stutzen-Ausführungsformen
(4) Bei großem Stutzendurchmesser im Vergleich zum Grundschalendurchmesser ist das Wanddickenverhältnis zu reduzieren. Im Falle eines Abzweigs mit qagrößer als 0,8 ist das Wanddickenverhältnis auf sa / sHkleiner als oder gleich 1,0 zu begrenzen.
(5) Stutzen sind aus geschmiedeten Stangen (Durchmesserbegrenzung abhängig von der Begutachtung), nahtlos geschmiedeten Hohlkörpern oder nahtlosen Rohren herzustellen.
(6) Behälter- und Rohrleitungsstutzen, die schnelle und große Temperaturänderungen des durchströmenden Mediums (transiente Ein- und Ausströmvorgänge) erfahren, werden im Allgemeinen mit Wärmeschutzrohren ausgestattet. Diese sind so zu gestalten, dass ein Wärmewiderstand zwischen Medium und der Stutzenwand sowie dem Übergangsbereich des Stutzens in der Behälterwand geschaffen wird, wodurch thermische Spannungen in diesem Bereich reduziert werden. Hierbei ist es erforderlich, den Anschluss des Wärmeschutzrohres außerhalb des für die Ausschnittsverstärkung erforderlichen Stutzenteils anzubringen.
5.2.7 Gewölbte und ebene Böden
Folgende gewölbte Bodenformen sind vorzugsweise zu verwenden:
Das Bild 5.2-9 zeigt zulässige Ausführungsformen für vorgeschweißte ebene Böden (z.B. Endkappen). Die Ausführungen 1 und 2 sind zulässig für Schmiedeteile oder kombinierte Schmiedewalzherstellung. Ausführung 2 darf auch aus geschmiedeten Stangen hergestellt werden für kleiner als oder gleich DN 150. Für geflanschte ebene Deckel, die in Dickenrichtung nur auf Druck beansprucht werden, sind Bleche zugelassen. Für Druckprüfungen sind Blinddeckel aus Blech zugelassen.
Bild 5.2-9: Zulässige Ausführungsformen von geschweißten ebenen Böden
| Wanddicke s in mm |
Ausführung | Bedingung für R in mm |
Bedingung für L, L' |
| s ≤ 40 | 1 | R = max {5; 0,5 ⋅ s} | gemäß KTA 3201.3 |
| s ≤ 40 | 2 | R = max {8; 0,5 ⋅ s} | |
| s > 40 | 1 und 2 | R ≥ 0,3 ⋅ s |
5.3 Komponentenbezogene Anforderungen
5.3.1 Allgemeines
Die Vorgaben bezüglich der konstruktiven Gestaltung gemäß Abschnitt 5.1 und 5.2 gelten übergeordnet für alle Komponententypen. Nachfolgend werden ergänzende komponentenbezogene Konstruktionsanforderungen aufgeführt, die einige Konstruktionselemente von Apparaten und Behältern, Pumpen, Armaturen und Rohrleitungen betreffen.
5.3.2 Behälter
5.3.2.1 Mäntel, Böden
Mäntel und Böden sollen als koaxiale Rotationsschalen möglichst konstanter Dicke und Krümmung im Meridianschnitt unter Verwendung der in KTA 3201.1 angegebenen Erzeugnisformen gestaltet werden.
5.3.2.2 Stutzen
(1) Für die konstruktive Gestaltung von Stutzen an Behältern gelten die Festlegungen von Abschnitt 5.2.6.
(2) Der rechnerisch als Ausschnittsverstärkung berücksichtigte Teil des Stutzens ist der druckführenden Wand des Behälters zuzuordnen. Der zum Behälter gehörende Bereich darf bis zur ersten Stutzenanschlussnaht oder bei geflanschten Anschlüssen bis zur Trennebene zwischen den Flanschen erweitert werden.
5.3.2.3 Besichtigungsöffnungen
(1) Besichtigungsöffnungen sind nach den Anforderungen des AD 2000-Merkblattes a 5 vorzusehen.
(2) Stutzen für Besichtigungsöffnungen müssen den in Abschnitt 5.2.6 gestellten Anforderungen an die Gestaltung genügen. Verschlüsse und Abdichtungen (z.B. Mannloch) sind so auszubilden, dass mehrmaliges Öffnen zu Besichtigungs- und Reparaturzwecken ohne Beeinträchtigung der Dichtheit möglich ist; Schweißlippendichtungen sind zu vermeiden.
(3) Bei Behältern, die mit radioaktiven Medien beaufschlagt werden, sind Einsteigeöffnungen, wenn nach AD 2000-Merkblatt A5 gefordert, mit DN 600 vorzusehen.
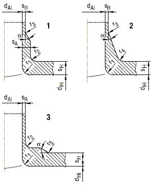
5.3.2.4 Rohrböden
(1) Das Bild 5.3-1 zeigt zulässige Ausführungsformen von Rohrböden mit zylindrischen Ansätzen zum Anschluss der Zylinderschüsse. Sie gelten für ferritische und austenitische Werkstoffe.
Bild 5.3-1: Beispiele für Rohrboden-Ausführungsformen
(2) Die Anschlussnaht des Zylinders an den Rohrboden ist gegenzuschweißen, d. h. sie ist grundsätzlich nicht als Schlussnaht auszuführen. Ausnahmen sind bei kleinen Abmessungen zulässig, die von innen nicht zugänglich sind. Eine Bearbeitung auf der Innenseite muss während der Herstellung grundsätzlich möglich sein.
(3) Andere Ausführungsformen als in Bild 5.3-1 dargestellt, sind zulässig, wenn die zulässigen Spannungen und die geometrischen Voraussetzungen zur Durchführung der zerstörungsfreien Prüfung nachgewiesen werden.
(4) Die Übergangsradien und Winkel müssen folgenden Bedingungen genügen
0 ≤ α 1 ≤ 10 Grad
0 ≤ α 2 ≤ 10 Grad
r1, r2 ≥ 0,25 ⋅ s1
r3, r4 ≥ 0,25 ⋅ s2
(5) Die Anordnung der Schweißnähte ist entsprechend KTA 3201.3 prüfgerecht vorzusehen.
5.3.2.5 Deckel und Blindverschlüsse
5.3.2.5.1 Ständig vorhandene Deckel und Blindverschlüsse
(1) Die im Bild 5.3-2 dargestellten Formen von ebenen Deckeln und Blindverschlüssen sind zulässig. Außerdem dürfen die im Abschnitt 5.2.7 aufgeführten Formen für Böden verwendet werden.
(2) Anschlussnähte müssen voll durchgeschweißt sein.
5.3.2.5.2 Nicht ständig vorhandene Deckel und Blindverschlüsse
(1) Unter nicht ständig vorhandenen Deckeln oder Blindverschlüssen werden hierbei solche Einrichtungen verstanden, die nur während nicht nuklearer Prüfzustände der Anlage benötigt werden (z.B. bei Druckprüfungen).
(2) Die im Bild 5.3-2 dargestellten Formen von ebenen Deckeln und Blindverschlüssen sind zulässig. Außerdem dürfen die im Abschnitt 5.2.7 aufgeführten Formen für Böden sowie weitere vergleichbare Formen verwendet werden.
(3) Nicht ständig vorhandene Deckel und Blindverschlüsse brauchen nicht mittels voll durchgeschweißter Schweißnähte angeschlossen zu werden.
Bild 5.3-2: Deckel, Blindverschlüsse
5.3.2.6 Zulässige Kombinationsformen und Übergänge
5.3.2.6.1 Allgemeines
(1) Die Übergänge zwischen den Grundkörpern sind hinsichtlich der Beanspruchungen optimal, wenn folgende Bedingungen erfüllt sind:
(2) Aus den vorgenannten Grundprinzipien sind die nachfolgenden Festlegungen abgeleitet, um von der Konstruktion her spannungsgünstige Verhältnisse sicherzustellen. Darüber hinaus sind weitergehende Anforderungen in KTA 3201.3, insbesondere hinsichtlich der Prüfbarkeit zu beachten.
5.3.2.6.2 Kombination von Mantelelementen, Bodenelementen und Rohrplatten
(1) Die Teile von Behältermänteln und -böden dürfen ohne besondere Anforderungen an die Ausbildung des Übergangsbereiches verbunden werden, wenn die in Bild 5.3-3 dargestellten Bedingungen unter Beachtung der Herstellungstoleranzen erfüllt sind. Für den Anschluss ebener Böden und Rohrplatten gelten die Einschränkungen gemäß Bild 5.3-3 nicht.
(2) Ist eine der drei Bedingungen für Φ , e und s gemäß Bild 5.3-3 nicht erfüllt, so sind Abschrägungen oder Übergangsradien oder beides vorzusehen.
(3) Die Abschrägungen müssen hierbei folgenden Bedingungen genügen:
(4) Bezüglich der Übergänge von ebenen Böden, z.B. vom Rohrboden zum Behältermantel, ist Abschnitt 5.3.2.4 zu beachten.
Bild 5.3-3: Grenzwerte für die Verbindung von Rotationsschalen ohne Übergangsstücke
Bild 5.3-4: Gestaltung von Wanddickenübergängen
5.3.2.6.3 Verbindung von Wärmetauscherrohren mit Rohrböden
Wärmetauscherrohre sind an die Plattierung des Rohrbodens mit einer Dichtnaht anzuschweißen, die für die Aufnahme der Rohrkräfte zu bemessen ist. Zusätzlich sind die Rohre im Rohrbodenbereich aufzuweiten oder einzuwalzen oder aufzuweiten und einzuwalzen.
5.3.2.6.4 Anordnung von Stutzen
(1) Stutzen sollen möglichst so angeordnet werden, dass die folgenden zwei Bedingungen erfüllt werden:
(2) Von diesen Kriterien darf nur aus Funktionsgründen oder anderen wichtigen Gründen abgewichen werden.
(3) Die Stutzen sind mit der Schale grundsätzlich durch voll durchgeschweißte Nähte zu verbinden.
(4) Nur Stutzen gemäß Abschnitt 5.2.2.2 (4) a) können auch durch nicht voll durchgeschweißte Nähte oder Schrumpfverbindung oder Einschrauben angeschlossen werden. Die Verschweißung kann hierbei auch ausschließlich mit der Plattierung erfolgen.
(5) Bei Schrumpf- und Schraubverbindungen ist zusätzlich eine Dichtnaht vorzusehen.
5.3.2.6.5 Anschlüsse von Deckeln und Blindverschlüssen
(1) Deckel und Blindverschlüsse gemäß Abschnitt 5.3.2.5 sind durch
anzuschließen.
(2) Bei nicht ständig vorhandenen Deckeln oder Blindverschlüssen sind auch nicht durchgeschweißte Nähte zulässig.
5.3.2.7 Anschlüsse von Teilen, die nicht Gegenstand dieser Regel sind
5.3.2.7.1 Kraftübertragende Teile
(1) Die Anschlüsse sind gemäß den Anforderungen dieser Regel, soweit vorhanden, auszuführen (z.B. Stutzenanschlüsse).
(2) Die Anschlüsse von Teilen, für die diese Regel keine verwendbaren Konstruktionsvorschriften enthält, sind auszuführen als:
5.3.2.7.2 Nichtkraftübertragende Teile
Die Anschlüsse sind gemäß den Anforderungen dieser Regel auszuführen. Sofern die Anwendung dieser Regel auf Anschlüsse nicht sinnvoll ist, sind die Anschlüsse so auszuführen, dass unzulässige qualitätsmindernde Einflüsse ausgeschlossen sind.
5.3.3 Pumpengehäuse
Pumpengehäuse können als geschmiedete, gegossene oder geschweißte Konstruktionen ausgeführt werden. Es gelten die konstruktiven Anforderungen gemäß den Abschnitten 5.1 und 5.2. Zusätzlich ist folgendes zu beachten:
5.3.4 Armaturengehäuse
Armaturengehäuse können als geschmiedete, gegossene oder geschweißte Konstruktionen ausgeführt werden. Es gelten die konstruktiven Anforderungen gemäß den Abschnitten 5.1 und 5.2. Zusätzlich ist folgendes zu beachten:
5.3.5 Rohrleitungen
(1) Rohre, Rohrbögen und Rohrbiegungen sollen nahtlos ausgeführt werden.
(2) Das Verhältnis Rm / davon Rohrbiegungen muss gleich oder größer als 1,5 betragen. Ein Verhältnis Rm / davon gleich oder größer als 2 ist anzustreben.
(3) Bögen sind grundsätzlich mit geraden Rohrenden vorzusehen.
Hinweis:
Siehe hierzu auch KTA 3201.1 Abschnitt 17.1 (2).
5.3.6 Komponentenstützkonstruktionen
5.3.6.1 Allgemeines
(1) Die Stützkonstruktion der Komponenten können als Stützkonstruktionen mit integralen oder nichtintegralen Bereichen ausgeführt werden.
(2) Zum integralen Bereich einer Stützkonstruktion gehören die fest mit der Komponente verbundenen Teile (z.B. angeschweißt, angegossen, aus dem Vollen gearbeitet) mit Stützungsfunktion.
(3) Zum nichtintegralen Bereich einer Stützkonstruktion gehören die mit der Komponente lösbar oder nicht verbundenen Teile (z.B. geschraubt, gestiftet, lose aufliegend) mit Stützungsfunktion, sowie diejenigen Teile mit Stützungsfunktion einer fest mit der Komponente verbundenen Stützkonstruktion außerhalb des Einflussbereiches (siehe Bild 8.5-1).
Hinweis:
Nichtintegrale Bereiche einer Stützkonstruktion werden als Stahlbauteile eingestuft und fallen in den Anwendungsbereich der Regel KTA 3205.1 und im Falle von serienmäßig hergestellten Standardhalterungen (mit Eignungsprüfung) in den Anwendungsbereich der Regel KTA 3205.3.
(4) Für geschweißte integrale Stützkonstruktionen gelten die gleichen Anforderungen wie für die drucktragende Wand. Anschweißnähte an der drucktragenden Wand sind durchzuschweißen.
5.3.6.2 Behälter
(1) Zulässige Ausführungsformen sind in den Bildern 5.3-5 bis 5.3-7 dargestellt.
(2) Bei warmgehenden Komponenten sind unterschiedliche Wärmedehnungen von Komponenten und Stützkonstruktionen zu berücksichtigen.
(3) Im Falle horizontaler Belastungen (z.B. Einwirkungen von außen) können bei stehend angeordneten Behältern zur Sicherstellung der Standsicherheit seitliche Abstützungen erforderlich werden. Diese Abstützungen können je nach Konstruktion auch Vertikalkräfte abtragen.
Beispiele:
Bild 5.3-5: Beispiele für Komponentenstützkonstruktionen mit integralen Anschlüssen von stehend angeordneten Druckbehältern mit Standzarge
Bild 5.3-6: Beispiele für Komponentenstützkonstruktionen von stehenden Behältern mit Schmiederingen
Bei den Ausführungsformen 1 bis 4 werden zwei Stege je Unterstützungspratze angeordnet. Der Radius Rsist gemäß Bild 5.2-2 festzulegen. Der Radius R ist im Hinblick auf einen günstigen Spannungsverlauf zu wählen.
Bild 5.3-7: Beispiele für Komponentenstützkonstruktionen mit integralen Anschlüssen von stehend angeordneten Druckbehältern mit Auflagerpratzen
5.3.6.3 Pumpen
Für geschweißte integrale Komponentenstützkonstruktionen gelten die gleichen Anforderungen wie für drucktragende Teile (durchgeschweißte Nähte, Prüfanforderungen).
5.3.6.4 Armaturen
Für Abstützungen von Armaturen größer als oder gleich DN 250, Nenndrücken größer als oder gleich 4 MPa und Betriebstemperaturen größer als oder gleich 100 °C sind geschmiedete Formteile zu verwenden.
6 Dimensionierung
6.1 Allgemeines
(1) Die Dimensionierung ist unter Zugrundelegung der Auslegungsstufe (Stufe 0) gemäß Abschnitt 3.3.2 vorzunehmen.
Hinweis:
Anhang B enthält Festlegungen zu einer möglichen Nachweisführung bei der erneuten rechnerischen Bewertung einer Komponente.
(2) Die Dimensionierung ist mit einem der folgenden Verfahren vorzunehmen:
In Sonderfällen dürfen auch andere geeignete Verfahren angewendet werden, wenn mit analytischen und / oder experimentellen Untersuchungen gezeigt wird, dass unter Berücksichtigung eventueller Wechselwirkungen möglicher Schädigungsmechanismen die aus Abschnitt 7.7.3.4 ableitbaren Sicherheiten vorliegen. Dabei dürfen gemessene oder detailliert belegte Eingangsdaten (z.B. Wanddicken) zugrunde gelegt werden.
Die Dimensionierung von Bauteilen, für die in Anhang a zutreffende Berechnungsregeln enthalten sind, hat nach diesen Berechnungsregeln zu erfolgen.
(3) Darüber hinaus ist gegebenenfalls ein Stabilitätsnachweis zu führen (siehe Abschnitt 7.11).
6.2 Schweißnähte
(1) Durchgeschweißte Nähte
Da die Schweißnähte den Anforderungen nach KTA 3201.1 und KTA 3201.3 zu genügen haben, brauchen die Schweißnähte in der Dimensionierung der Bauteile nicht gesondert berücksichtigt zu werden.
(2) Kehlnähte
Bei Anschweißnähten gemäß Abschnitt 5.2.2.2 (4) ist die verminderte Tragfähigkeit von Kehlnähten in der Dimensionierung der Bauteile zu berücksichtigen, z.B. gemäß KTA 3205.1. Hierbei sind die zulässigen Spannungen dem zutreffenden Teil der Tabelle 7-4 von KTA 3205.1 (laufende Nummern 7 bis 9) zu entnehmen. Die Beanspruchungsstufen sind dabei sinngemäß zuzuordnen (H = Stufen 0 und A; HZ = Stufen B und P; HS1 = C und HS2 / HS3 = D). Die Spannungsermittlung orientiert sich am Abschnitt E3 von KTA 3205.1 mit den Einschränkungen nach Abschnitt 7.2.2 (3) von KTA 3205.1.
6.3 Plattierungen
(1) Bei der Bestimmung der erforderlichen Wanddicken und Querschnitte sind vorhandene Plattierungen als nicht tragend anzusehen.
(2) Bei der Berechnung gegen Innendruck ist der lichte Durchmesser des unplattierten Bauteils anzusetzen.
(3) Formgebende Schweißungen, welche die Anforderungen nach KTA 3201.3 Abschnitt 9.5.3 erfüllen, gelten nicht als Plattierung.
6.4 Zuschläge
(1) Bei der Ermittlung der Nennwanddicke sind die Fertigungstoleranzen durch einen entsprechenden Zuschlag c1zu berücksichtigen. Der Zuschlag c1 ist gleich dem Absolutbetrag der Minustoleranz der Nennwanddicke gemäß der Abnahmespezifikation.
(2) Durch einen Zuschlag c2 ist die Wanddickenminderung infolge chemischer oder mechanischer Abnutzung zu berücksichtigen. Dies gilt sowohl für die Minderung der Wanddicke wie für die Vergrößerung des lichten Durchmessers. Der Zuschlag c2 darf entfallen, wenn keine Abnutzung erwartet wird, oder wenn eine Plattierung vorhanden ist.
6.5 Wanddicken
(1) Die Nennwanddicke sn muss unter Berücksichtigung der Zuschläge c1 und c2 folgender Bedingung genügen:
| sn ≥ s0 + c1 + c2 | (6.5-1) |
dabei ist s0 die rechnerisch erforderliche Wanddicke nach Abschnitt 6.1.
(2) Die Nachrechnung ist mit der Wanddicke s0n = sn - c1 - c2durchzuführen, siehe Bild 7.1-1
(3) Bei Ermittlung der Wanddicke über den Nennaußendurchmesser danist in den Berechnungsformeln
| da= dan | (6.5-2) |
und bei Ermittlung der Wanddicke über den Nenninnendurchmesser dinist
| di = din + 2 ⋅ c2 | (6.5-3) |
zu setzen.
7 Allgemeine Analyse des mechanischen Verhaltens
7.1 Allgemeines
7.1.1 Zielsetzung
(1) Mit der Analyse des mechanischen Verhaltens muss nachgewiesen werden, dass die Komponenten allen Belastungen nach den in Abschnitt 3.3 aufgeführten Beanspruchungsstufen standhalten.
(2) Im Rahmen der Analyse des mechanischen Verhaltens sind die Beanspruchungen und erforderlichenfalls die Kraftgrößen und die Verformungen der zu untersuchenden Komponente infolge von Belastungen unter Einhaltung der Randbedingungen und unter Berücksichtigung der gegenseitigen Beeinflussung ihrer Nachbarkomponenten und einzelnen Bauteile gemäß Absch 7.6 einschließlich Anhang C zu ermitteln. Diese Ermittlung darf rechnerisch oder experimentell oder in Kombination rechnerisch und experimentell erfolgen und muss in dem Umfang durchgeführt werden, den die Sicherheit erfordert.
(3) Die so ermittelten Beanspruchungen und Verformungen sind hinsichtlich ihrer Zulässigkeit gemäß den Abschnitten 7.7 bis 7.13 zu überprüfen.
(4) Hierbei ist zu beachten, dass die Genauigkeit der ermittelten Größen von der Güte der geometrischen Idealisierung der Komponente oder des Bauteils, von der Genauigkeit der Annahme der Belastungen, Randbedingungen und Werkstoffeigenschaften sowie von den Eigenschaften des gewählten Berechnungsverfahrens und der Art seiner Durchführung abhängt.
(5) Die Analyse des mechanischen Verhaltens kann alternativ mit Berechnungsformeln durchgeführt werden, wenn bei hinreichend genauer und vollständiger Erfassung der Belastungsvorgaben und der geometrischen Gegebenheiten die Nachweisziele des Abschnittes 7 erreicht werden. Gegebenenfalls reichen hierzu die Auslegungsformeln für die Dimensionierung aus.
7.1.2 Schweißnähte
(1) Da die Schweißnähte den Anforderungen nach KTA 3201.1 und KTA 3201.3 zu genügen haben, braucht der Einfluss der Schweißnähte bei der Festlegung der zulässigen Spannungen nicht gesondert berücksichtigt zu werden.
(2) Im Rahmen von Ermüdungsanalysen sind die hinsichtlich der Ermüdungsfestigkeit reduzierenden Einflüsse von Schweißnähten in Abhängigkeit von der Schweißnahtbearbeitung zu berücksichtigen.
Hinweis:
Spannungsbeiwerte hinsichtlich Ermüdung (K-Werte) sind in Tabelle 8.4-1 enthalten.
7.1.3 Plattierung
(1) Bei der Bestimmung der erforderlichen Wanddicken und Querschnitte sind vorhandene Plattierungen als nicht tragend anzusehen. Auftragsschweißungen auf das Grundmaterial mit gleichwertigen Werkstoffen gelten nicht als Plattierungen.
(2) Bei der thermischen Analyse darf die Plattierung berücksichtigt werden. Beträgt die Plattierung mehr als 10 % der Wanddicke, muss sie bei der Analyse des mechanischen Verhaltens berücksichtigt werden. Die Spannungskategorisierung und -bewertung ist getrennt für den Grundwerkstoff und die Plattierung durchzuführen.
(3) Bei der Sprödbruchanalyse nach Abschnitt 7.9 ist der Einfluss der Plattierung sachgerecht zu berücksichtigen.
7.1.4 Wanddicke für die Analyse des mechanischen Verhaltens
(1) Für die Analyse des mechanischen Verhaltens eines Bauteils ist die mittlere auszuführende (oder mittlere ausgeführte) Wanddicke als scunter Abzug des Abnutzungszuschlags c2 gemäß Abschnitt 6.4 einzusetzen:
|
(7.1-1) |
Hierbei ist sndefiniert in Gleichung 6.5-1. c3ist gleich der Plustoleranz. c1ist gleich dem Absolutbetrag der Minustoleranz gemäß Abschnitt 6.4 , siehe auch Bild 7.1-1.
Die Berechnungswanddicke scnach Gleichung (7.1-1) ist so festgelegt, dass sie in der Mitte des Toleranzfeldes abzüglich des Abnutzungszuschlags c2liegt.
(2) Bei entsprechender Begründung, z.B. aufgrund eines unsymmetrischen Toleranzfeldes oder bei Schmiedestücken, darf auch eine andere Wanddicke als sc gewählt werden, wenn diese die erforderliche Wanddicke (s0 + c2) nicht unterschreitet.
(3) Betragen die Wanddickentoleranzen c1und c3jeweils nicht mehr als 2 % der Nennwanddicke sn, so brauchen sie für die Festlegung von scnicht berücksichtigt zu werden.
Bild 7.1-1: Wanddicken
7.1.5 Maß- und Formabweichungen
7.1.5.1 Allgemeines
(1) Die nachfolgend aufgeführten Abweichungen von den der Berechnung zugrunde gelegten Maßen und Formen brauchen bis zu den jeweils angegebenen Grenzwerten nicht gesondert berücksichtigt zu werden.
(2) Werden diese Werte überschritten, so ist ein rechnerischer Nachweis im erforderlichen Umfang unter Zugrundelegung der tatsächlichen Abmessungen zu erbringen.
(3) Alle Angaben beziehen sich auf den ungestörten Membranbereich der Schale, sofern nicht ausdrücklich etwas anderes vermerkt ist.
7.1.5.2 Zylindrische Bauteile
7.1.5.2.1 Wanddickenabweichungen
(1) Abweichungen der vorhandenen Wanddicke abzüglich des Zuschlages c2von der der Berechnung zugrunde gelegten Wanddicke sc brauchen nicht gesondert in der Analyse des mechanischen Verhaltens berücksichtigt zu werden, wenn sie unterhalb von ± 5 % von scliegen.
(2) Bei Rohrleitungen ist eine Abweichung der vorhandenen Wanddicke abzüglich des Zuschlags c2von der der Berechnung zugrunde gelegten Wanddicke scnur dann zu berücksichtigen, wenn diese Abweichung außerhalb des Toleranzfeldes gemäß Komponentenspezifikation liegt.
(3) Für dünnwandige (sc≤ 5 mm) und mehrlagige Komponenten, deren Wanddicke neben den Festigkeitsanforderungen weiteren Bedingungen genügen muss (z.B. Wärmetauscherrohre, Kompensatorbälge), sind die der Analyse des mechanischen Verhaltens zugrunde zu legenden Werte im Einzelfall festzulegen. Dies gilt auch für Wanddickentoleranzen in geometrisch gestörten Bereichen (z.B. Durchdringungsbereich eines T-Stücks).
7.1.5.2.2 Durchmesserabweichungen
Die Abweichungen des vorhandenen Innendurchmessers in einem Querschnitt - gemittelt über den Umfang - vom Zeichnungswert soll 1 % nicht übersteigen. Darüber hinaus sind die Bedingungen des Abschnitts 7.1.6 einzuhalten.
7.1.5.2.3 Unrundheiten
(1) Innendruck
Ovalitäten und Abflachungen mit flachem Verlauf in Längsrichtung dürfen bis zu einem Innendurchmesser von di = 1000 mm keine Abweichung vom Innendurchmesser größer als oder gleich 1 % ergeben. Oberhalb eines Innendurchmessers von 1000 mm darf der Wert (di+ 1000) / (2 · di) [%] nicht überschritten werden.
Dabei ist die Unrundheit folgendermaßen zu bestimmen:
a) Ovalität
|
(7.1-2) |
b) Abflachung
|
(7.1-3) |
Hierbei ist q im Bild 7.1-2 dargestellt.
Bild 7.1-2: Abflachung q
(2) Außendruck
Die Abweichung U darf nicht größer sein als der Grenzwert Umax nach Gleichung ( 7.1.4) ergibt, wobei Δ dem Bild 7.1-3 zu entnehmen ist.
|
(7.1-4) |
di: Innendurchmesser
(3) Für Rohre sind folgende Unrundheiten zulässig:
für Innendruck: 2 %,
für Außendruck: 1 %.
Bild 7.1-3: Faktor Δ bei Außendruck
l = freie Beullänge
da= Außendurchmesser
sc = Wanddicke
7.1.5.3 Kugeln
7.1.5.3.1 Wanddickenabweichungen
Es gelten die Angaben des Abschnitts 7.1.5.2.1.
7.1.5.3.2 Durchmesserabweichungen
Es gelten die Angaben des Abschnitts 7.1.5.2.2.
7.1.5.3.3 Unrundheiten
(1) Innendruck
Ovalitäten und Abflachungen sollen den kleineren der Werte (di + 1000) / 2 · di) [%] und (di+ 300) / (di) [%] nicht überschreiten. Die zulässigen Werte können auch Bild 7.1-4 entnommen werden.
Die Bestimmung der Unrundheiten muss gemäß Abschnitt 7.1.5.2.3 (1) erfolgen.
(2) Außendruck
Es dürfen die Kriterien des Abschnitts 7.1.5.2.3 (2) angewandt werden, wobei für l die Hälfte des Außendurchmessers einzusetzen ist.
Bild 7.1-4: Unrundheiten
7.1.5.4 Kegel
Kegel sind ebenso wie zylindrische Bauteile zu behandeln. Der Bezug für die Unrundheit sind Kreisquerschnitte senkrecht zur Symmetrieachse.
Für die Länge l gemäß Abschnitt 7.1.5.2.3 (2) ist die axiale Länge des Kegels einzusetzen.
7.1.5.5 Rohrbogen und Rohrbiegungen
7.1.5.5.1 Durchmesserabweichungen
Es gelten die Grenzen des Abschnittes 7.1.5.2.2
7.1.5.5.2 Unrundheit
(1) Für die Unrundheiten im mittleren Bereich des Rohrbogens der Rohrbiegung gilt:
|
(7.1-5) |
wobei
dmax: maximaler Durchmesser
dmin: minimaler Durchmesser
d0: Durchmesser vor dem Biegen.
(2) Für Innendruck soll U 5 % nicht überschreiten.
(3) Für Außendruck gilt Bild 7.1-3, wobei für l / dader Wert 10 zu setzen ist.
7.1.6 Kantenversätze beim Schweißen
7.1.6.1 Allgemeines
Die Beschränkung von Kantenversätzen aus fertigungs- und prüftechnischen Gründen ist in KTA 3201.3 geregelt. Für die rechnerische Bewertung von Kantenversätzen gelten die nachfolgenden Festlegungen. Kantenversätze stellen geometrische Störstellen dar, die im Rahmen der Analyse des mechanischen Verhaltens zu berücksichtigen sind, wenn die in den nachfolgenden Abschnitten angegebenen Werte überschritten werden. Die Regelungen im Abschnitt 8.4 bleiben hiervon unberührt.
7.1.6.2 Beidseitig geschweißte Nähte
(1) Eine gesonderte Berücksichtigung bei der Analyse des mechanischen Verhaltens ist nicht erforderlich, sofern der maximale Innenkantenversatz für beidseitig geschweißte Nähte die Werte nach Tabelle 7.1-1 nicht überschreitet.
Tabelle 7.1-1: Maximaler Kantenversatz
| Wanddicke scin mm |
Maximaler Innenkantenversatz |
|
| Längsnähte | Rundnähte | |
| sc ≤ 12,5 | sc / 4 | sc / 4 |
| 12,5 < sc ≤ 19,0 | 3 mm | sc / 4 |
| 19,0 < sc ≤ 38,0 | 3 mm | 4,5 mm |
| 38,0 < sc ≤ 50,0 | 3 mm | sc / 8 |
| 50,0 < sc | der kleinere Wert von sc / 16 und 9 mm |
der kleinere Wert von sc / 8 und 16 mm |
(2) Verbleibende Kanten müssen beschliffen werden. Die Rauhigkeitsanforderungen und Schärfen der Übergänge richten sich nach den Anforderungen der an der Naht durchzuführenden Prüfungen. Die Sollwanddicke muss im Nahtbereich eingehalten werden.
7.1.6.3 Einseitig geschweißte Nähte
(1) Die folgenden Anforderungen gelten für den Fall, dass die Innenseite der geschweißten Komponenten nicht erreichbar ist.
(2) Bei konzentrischen Verbindungen darf der maximale Innenkantenversatz über den gesamten Umfang 0,1 · sc, jedoch maximal 1 mm nicht übersteigen.
(3) Ein örtlich begrenzter Versatz darf maximal 2 mm betragen, sofern nicht andere Anforderungen (siehe Abschnitt 7.1.5) dadurch verletzt werden. Um die genannten Bedingungen zu erfüllen, sind gegebenenfalls die zu verschweißenden Teile spanabhebend zu bearbeiten, wobei keine Unterschreitung der Mindestwanddicke zulässig ist.
(4) Übergänge an der Naht im Grundwerkstoff sollten die Neigung 3 : 1 nicht überschreiten, sofern nicht höhere Anforderungen aus der Prüfbarkeit der Naht resultieren.
7.2 Belastungen
Als Belastungen sind alle Einwirkungen auf die Komponente oder das Bauteil anzunehmen, die Beanspruchungen in diesem hervorrufen. Die Belastungen resultieren aus den Lastfällen des Primärkreises nach Abschnitt 3 und sind im Abschnitt 4 erläutert. Sie werden im Rahmen der mechanischen und thermodynamischen Systemanalysen ermittelt.
7.3 Beanspruchungen
(1) Die Beanspruchungen bestehen in Spannungen oder Verzerrungen oder in der Kombination von Spannungen und Verzerrungen. Ihre Bewertung erfolgt als Vergleichsspannung oder Vergleichsdehnung. Im Falle eines linearelastischen Zusammenhangs sind Spannungen und Verzerrungen zueinander proportional. Bei der Spannungs-, Ermüdungs- und Sprödbruchanalyse nach den Abschnitten 7.7, 7.8 und 7.9 ist dieser proportionale Zusammenhang grundsätzlich auch oberhalb der Streckgrenze oder Dehngrenze des Werkstoffs zugrunde zu legen (fiktive Spannungen).
Im Falle elastischplastischer Analysen nach den Abschnitten 7.7.4, 7.8.1, 7.8.4, 7.9.1 (6), 7.9.5 oder 7.13 ist das in diesen Abschnitten beschriebene Vorgehen zugrunde zu legen.
(2) Die Beanspruchungen treten entweder als (vorwiegend) ruhende Beanspruchungen, als Wechselbeanspruchungen oder dynamische Beanspruchungen auf. Schwellende Beanspruchung ist als Sonderfall der Wechselbeanspruchung anzusehen.
(3) Die Begrenzung (vorwiegend) ruhender Beanspruchungen hat im Rahmen der Spannungsanalyse gemäß Abschnitt 7.7 und unter Umständen auch im Rahmen der Sprödbruchanalyse nach Abschnitt 7.9 zu erfolgen. Die Begrenzung wechselnder Beanspruchungen muss zusätzlich im Rahmen der Ermüdungsanalyse gemäß Abschnitt 7.8 vorgenommen werden.
7.4 Resultierende Verformungen
(1) Unter resultierenden Verformungen sind die Integrale der Verzerrungen zu verstehen. Sie stellen die Änderungen der Geometrie der Komponente, des Bauteils oder der idealisierten Struktur infolge von Belastungen dar.
(2) Die resultierenden Verformungen können durch Verschiebungen und daraus abgeleitete Größen (z.B. Verdrehungen) beschrieben werden. Sie müssen gegebenenfalls beschränkt werden, damit die Funktionsfähigkeit der Komponente und ihrer Nachbarkomponenten nicht beeinträchtigt wird.
7.5 Ermittlung, Bewertung und Begrenzung mechanischer Größen
(1) Die im Abschnitt 7.1.1 genannten mechanischen Größen sind rechnerisch nach den im Anhang C aufgeführten Methoden oder experimentell oder in Kombination rechnerisch und experimentell zu ermitteln.
(2) Bei vergleichbarer physikalischer Aufgabenstellung, Eignung der Verfahren und Einhaltung der zugehörigen Bedingungen, dürfen die nach unterschiedlichen Verfahren ermittelten Ergebnisse als gleichwertig angesehen werden.
(3) In Abschnitt 8 sind alternative Anforderungen enthalten, die vollständig oder teilweise die hier festgelegten Anforderungen im Rahmen des Gültigkeitsbereichs des Abschnitts 8 ersetzen.
(4) Die so ermittelten mechanischen Größen sind im Hinblick auf die Vermeidung des zähen Bruchs, des Ermüdungsbruchs und des Sprödbruchs sowie unzulässiger Verformungen und Instabilität zu bewerten und zu begrenzen.
7.6 Mechanische Systemanalyse
7.6.1 Allgemeines
(1) Aus den äußeren Belastungen (z.B. Kräften, Momenten, Verschiebungen, Temperaturverteilungen) müssen für die gewünschten Stellen im zu untersuchenden System die Schnittgrößen (z.B. Schnittkräfte, Schnittmomente und Verschiebungen) in der Komponente oder an den Schnittstellen zwischen Komponente und Nachbarkomponente ermittelt werden.
(2) Äußere systemunabhängige Belastungen, die das Verhalten des Systems nicht ändern (z.B. radiale Temperaturverteilung und gegebenenfalls Innendruck) brauchen nur bei der Ermittlung und Bewertung der Spannungen berücksichtigt zu werden.
7.6.2 Modellierung
7.6.2.1 Allgemeines
Die Modellierung eines Systems erfolgt im Hinblick auf die Aufgabenstellung und in Abhängigkeit vom mathematischen Ansatz gemäß Anhang C . Hierbei sind die Anforderungen der Abschnitte 7.6.2.2 bis 7.6.2.5 zu erfüllen.
7.6.2.2 System-Geometrie
In der System-Geometrie sind die Komponenten und Bauteile, die das Verhalten der zu untersuchenden Struktur wesentlich beeinflussen, zu erfassen. Die Geometrie einer Rohrleitung darf mittels gerader und gekrümmter Stäbe als Stabzug dargestellt werden, der dem Verlauf der Rohrachse entspricht.
7.6.2.3 Steifigkeiten
(1) Rohrleitungsteile
Die Rohrleitungsteile sollen bei der Analyse des mechanischen Verhaltens der Struktur mit den Steifigkeiten entsprechend ihrer Geometrie (mittlere Abmessungen einschließlich Plattierung) behandelt werden.
Hinweis:
Im Falle symmetrischer Toleranzen sind dies die Nennabmessungen.
(2) Kleinkomponenten
Kleinkomponenten sind Bestandteile der Rohrleitungen (z.B. Armaturen, Sammlertrommeln, Verteilerstücke, Abzweigstücke und Sonderbauteile). Falls diese Teile von geringem Einfluss auf die Steifigkeit der Gesamtstruktur sind, dürfen sie durch entsprechende Grenzsteifigkeiten ersetzt werden (z.B. Armaturen: starr; Isolierung: ohne Steifigkeitseinfluss).
(3) Kompensatoren Die Steifigkeit der Kompensatoren ist zu berücksichtigen.
(4) Großkomponenten
Der Einfluss von Großkomponenten (z.B. Behälter) ist durch geeignete Modellierung unter Berücksichtigung der Steifigkeiten zu erfassen.
(5) Komponentenstützkonstruktionen und Gebäude Der Einfluss der Komponentenstützkonstruktionen und des Gebäudes (Überstrukturen) ist zu berücksichtigen.
7.6.2.4 Massenverteilung
(1) Die Massen im System setzen sich aus den Massen der Komponenten oder ihrer Bauteile, der Füllung, der Isolation sowie anderen Zusatzmassen zusammen.
(2) Ein System mit kontinuierlicher Massenverteilung darf auch als ein System mit diskreten Massen behandelt werden.
(3) Die Massenverteilung muss den nötigen Anforderungen an die Schnittkraftverteilung und an die Schwingungsformen gerecht werden.
(4) Bei wesentlicher Exzentrizität müssen auch die Drehträgheiten (Massenträgheitsmomente) für die rotatorischen Freiheitsgrade berücksichtigt werden.
7.6.2.5 Randbedingungen
Als Randbedingungen sind Kraftgrößen und Verschiebungsgrößen entsprechend ihrer Wirkung im betrachteten Lastfall zu berücksichtigen.
7.6.2.6 Entkopplung von Teilsystemen
7.6.2.6.1 Statische Entkopplungsbedingungen
Bei statischen Fällen ist es zulässig, die Teilsysteme zu entkoppeln, falls dabei die Randbedingungen an der Koppelstelle berücksichtigt werden. Falls eine der folgenden Bedingungen eingehalten wird, müssen diese Randbedingungen nicht ermittelt und berücksichtigt werden:
7.6.2.6.2 Dynamische Entkopplungsbedingungen
Bei dynamischen Belastungen dürfen Strukturen unterteilt werden, falls die Wechselwirkung zwischen den Teilstrukturen berücksichtigt wird oder das Schwingungsverhalten nicht unzulässig verändert wird.
7.6.3 Rechenverfahren
(1) Die zum Einsatz kommenden Rechenverfahren hängen sowohl vom gewählten mathematischen Ansatz gemäß Anhang C als auch von der zu untersuchenden Belastung (statisch oder dynamisch) ab. Bei der Behandlung dynamischer Lastfälle dürfen folgende Verfahren eingesetzt werden:
(2) Speziell für die Erdbebenlastfälle sind die Festlegungen in KTA 2201.4 zu beachten.
7.7 Spannungsanalyse
7.7.1 Allgemeines
(1) Durch eine Spannungsanalyse mit Spannungskategorisierung und Spannungsbegrenzung ist in Verbindung mit den geforderten Werkstoffeigenschaften nachzuweisen, dass keine unzulässigen Verzerrungen, insbesondere nur begrenzte plastische Verformungen, auftreten.
(2) Die Spannungsanalyse von Schrauben ist gemäß Abschnitt 7.12.2 durchzuführen.
7.7.2 Spannungskategorien
7.7.2.1 Allgemeines
(1) Die Spannungen sind in Abhängigkeit von der erzeugenden Ursache und ihrer Auswirkung auf das Festigkeitsverhalten des Bauteils Spannungskategorien zuzuordnen, das heißt in primäre Spannungen, sekundäre Spannungen und Spannungsspitzen einzuteilen und gemäß ihrer Zuordnung in unterschiedlicher Weise zu begrenzen.
(2) Erscheint in Grenzfällen die Zuordnung zu einer der genannten Spannungskategorien nicht eindeutig, ist die Auswirkung einer plastischen Verformung auf das Festigkeitsverhalten im Falle einer angenommenen Überschreitung der vorgesehenen Belastung als maßgebend anzusehen.
Hinweis:
Die im folgenden verwendeten Definitionen und sprachlichen Bezeichnungen entstammen der Theorie der Flächentragwerke (Schalen, Platten, Scheiben u. a.) und sind sinngemäß auch auf andere Tragwerke und Bauteile (Stäbe, als Stäbe betrachtete Rohre, Balken, Schrauben, Formstücke, Stülpringe u. a.) anzuwenden. Bei den nachfolgend genannten Spannungen ist zwischen den einzelnen Komponenten des Spannungstensors zu unterscheiden.
7.7.2.2 Primäre Spannungen
(1) Primäre Spannungen P sind solche Spannungen, die das Gleichgewicht mit äußeren Kraftgrößen (Lastgrößen) herstellen.
(2) Hinsichtlich des Festigkeitsverhaltens ist ihr wesentliches Merkmal, dass bei einer (unzulässig großen) Steigerung der äußeren Lasten die Verformungen nach vollständiger Plastifizierung des Querschnitts wesentlich zunehmen, ohne sich hierbei selbst zu begrenzen.
(3) Die primären Spannungen sind gesondert nach ihrer Verteilung über dem für das Tragverhalten zugrunde zu legenden Querschnitt als Membranspannungen (Pm, Pl) und als Biegespannungen (Pb) zu unterscheiden. Hierbei sind die Membranspannungen definiert als Mittelwert der jeweiligen Spannungskomponente über dem für das Tragverhalten zugrunde zu legenden Querschnitt, bei Flächentragwerken jeweils als Mittelwert der Spannungskomponente über der Wanddicke. Die Biegespannungen sind definiert als die über dem betrachteten Querschnitt proportional zum Abstand von der neutralen Achse linear veränderlichen Spannungen, bei Flächentragwerken als der linear veränderliche Anteil der über der Wanddicke verteilten Spannungen.
(4) Hinsichtlich der Verteilung der Membranspannung entlang der Wand sind allgemeine primäre Membranspannungen (Pm) und örtliche primäre Membranspannungen (Pl) zu unterscheiden. Während allgemeine primäre Membranspannungen so verteilt sind, dass als Folge einer Plastifizierung keine wesentliche Spannungsumlagerung zu benachbarten Bereichen hin stattfinden würde, ist im Falle von örtlichen primären Membranspannungen an Störstellen bei einer Plastifizierung eine Spannungsumlagerung möglich. Obwohl die Spannungen daher teilweise den Charakter einer Sekundärspannung haben, werden sie konservativ als örtliche primäre Membranspannungen definiert.
An Störstellen darf eine primäre Membranspannung als örtliche primäre Membranspannung eingestuft werden, wenn die Ausdehnung in meridionaler Richtung mit einer Membranspannung größer dem 1,1fachen der zulässigen allgemeinen Membranspannung nicht größer ist als 1 ⋅ (R ⋅ sc)0,5. Hierbei ist R der kleinste Hauptkrümmungsradius, gemessen bis zur Mitte der Wanddicke, und sc die kleinste Wanddicke im betrachteten Bereich.
Zwei benachbarte Bereiche mit örtlichen Erhöhungen der primären Membranspannung größer als 1,1 ⋅ Sm und axialsymmetrischer Spannungsverteilung müssen in meridionaler Richtung mindestens den Abstand 2,5 ⋅ (R ⋅ sc)0,5 haben. Hierbei gilt R = (R1+ R2) / 2 und sc = (sc,1 + sc,2) / 2 wobei für die Radien Ri und die Wanddicken sc,ider beiden Bereiche 1 und 2 die jeweils örtlich vorhandenen Werte entsprechend der Definition der örtlichen primären Membranspannung heranzuziehen sind.
Weiterhin sind einzelne Bereiche mit örtlichen primären Membranspannungen, hervorgerufen durch konzentrierte Belastungen (z.B. im Bereich von Auflagerpratzen), so anzuordnen, dass es zu keinen Überlappungen von Bereichen kommt, in denen das 1,1fache der zulässigen allgemeinen Membranspannung überschritten wird.
Für Bauteile, auf die die obigen Bedingungen nicht angewendet werden können, oder die die obigen Bedingungen nicht einhalten, darf der örtliche Charakter von Membranspannungen auch mit dem Traglastverfahren oder einer Grenztragfähigkeitsanalyse nach Abschnitt 7.7.4 nachgewiesen werden.
7.7.2.3 Sekundäre Spannungen
(1) Sekundäre Spannungen (Q) sind solche Spannungen, die durch Zwängungen infolge geometrischer Unstetigkeiten oder bei Verwendung von Werkstoffen mit unterschiedlichen Elastizitätsmoduln unter äußeren Belastungen entstehen oder die sich durch Zwängungen infolge unterschiedlicher Wärmedehnungen ergeben. Nur Spannungen aus dem linearisierten Verlauf der Spannungsverteilung werden zu den sekundären Spannungen gezählt.
(2) Hinsichtlich des Festigkeitsverhaltens ist ihr wesentliches Merkmal, dass sie im Falle des Überschreitens der Fließgrenze beim Ausgleich der Verformungsdifferenzen plastische Verformungen bewirken, die sich selbst begrenzen.
(3) Spannungen in Rohrleitungen, die aufgrund von Dehnungsbehinderungen im System oder allgemein infolge der Erfüllung kinematischer Randbedingungen entstehen, werden mit Pebezeichnet. Unter ungünstigen Bedingungen können sich in relativ langen Rohrleitungen Stellen mit großen Verformungen ergeben. Die sie verursachenden Zwängungen wirken dann wie äußere Lasten. Zusätzlich ist für diese Stellen nachzuweisen, dass die plastischen Dehnungen örtlich begrenzt bleiben.
7.7.2.4 Spannungsspitzen
(1) Spannungsspitzen (F) sind solche Spannungen, die der Summe der betreffenden primären und sekundären Spannungen überlagert sind. Sie haben keine merklichen Verformungen zur Folge und sind in Verbindung mit primären und sekundären Spannungen nur für Ermüdung und Sprödbruchgefährdung von Bedeutung.
(2) Zu den Spannungsspitzen zählen auch die Abweichungen von Nennspannungen in nichtrohrförmig verstärkten Lochrändern infolge Druck und Temperatur, wobei die Nennspannungen aus Gleichgewichtsbetrachtungen abzuleiten sind.
7.7.3 Spannungsüberlagerung und Spannungsbeurteilung
7.7.3.1 Allgemeines
(1) Für jeden Lastfall sind, wie im Folgenden dargelegt, die gleichzeitig wirkenden gleichgerichteten Spannungen für jede Spannungskategorie gesondert oder für verschiedene Spannungskategorien (z.B. primäre und sekundäre Spannungen) gemeinsam zu addieren.
(2) Beispiele für die Zuordnung von Spannungskategorien und für ihre Überlagerung geben die Tabellen 7.7-1 bis 7.7-3.
(3) Aus diesen Spannungssummen ist für die primären Spannungen die Vergleichsspannung, für die Summe aus primären und sekundären Spannungen oder für die Summe aus primären Spannungen, sekundären Spannungen und Spannungsspitzen jeweils die Vergleichsspannungsschwingbreite zu bilden.
(4) In den Abschnitten 7.7.3.2 und 7.7.3.3 ist der Bildung der Vergleichsspannungen und der Vergleichsspannungsschwingbreiten die Festigkeitshypothese nach von Mises oder diejenige nach Tresca zugrunde zu legen.
7.7.3.2 Vergleichsspannungen
(1) Nach Festlegung eines kartesischen Koordinatensystems sind die Summen aller gleichzeitig wirkenden Normal- und Schubspannungen der jeweiligen Achsenrichtung für
gesondert zu bilden.
(2) Aus den überlagerten Spannungskomponenten ist die Vergleichsspannung nach von Mises unmittelbar zu berechnen
| (7.7-1) |
(3) Zur Bildung der Vergleichsspannung nach Tresca sind für jeden der drei Fälle (1) a) bis c) unter Berücksichtigung der jeweiligen primären Schubspannungen die Hauptspannungen zu ermitteln, es sei denn, die primären Schubspannungen verschwinden oder sind vernachlässigbar klein, so dass die vorhandenen Normalspannungen bereits die Hauptspannungen darstellen. Die Vergleichsspannung ist dann jeweils gleich der Differenz aus der größten und der kleinsten Hauptspannung.
| σV, Tresca= σmax- σmin | (7.7-2) |
(4) Für die drei Fälle (1) a) bis c) erhält man so die Vergleichsspannung aus Pm, Plund Pm+ Pboder Pl+ Pb.
7.7.3.3 Vergleichsspannungsschwingbreiten
(1) Zur Vermeidung des Versagens infolge
sind die zu den jeweiligen Spannungskategorien gehörenden Vergleichsspannungsschwingbreiten zu ermitteln und entsprechend Abschnitt 7.7.3.4 zu begrenzen.
(2) Im Fall (1) a) sind die benötigten Spannungstensoren aus den gleichzeitig wirkenden Spannungen der primären und sekundären Spannungskategorien zu bilden, im Fall (1) b) aus den gleichzeitig wirkenden Spannungen aller Spannungskategorien.
(3) Aus der Menge der zu betrachtenden Beanspruchungszustände sind unter Verwendung eines festen Koordinatensystems zwei Beanspruchungszustände so auszuwählen, dass die aus der Differenz der zugehörigen Spannungstensoren nach der verwendeten Festigkeitshypothese gebildete Vergleichsspannung ein Maximum wird. Dieses Maximum stellt die Vergleichsspannungsschwingbreite dar.
(4) Haben die zu betrachtenden Beanspruchungszustände gleichbleibende Hauptspannungsrichtungen, so genügt es bei der Anwendung der Festigkeitshypothese nach Tresca, das Maximum der Differenzen je zweier Hauptspannungsdifferenzen gleicher Paare von Hauptspannungsrichtungen zu bilden. Dieses Maximum stellt dann die Vergleichsspannungsschwingbreite (nach Tresca) dar.
7.7.3.4 Begrenzung der Vergleichsspannungen und Vergleichsspannungsschwingbreiten
(1) Für jede Beanspruchungsstufe sind die Vergleichsspannungen und die Vergleichsspannungsschwingbreiten in Abhängigkeit von den mechanischen Eigenschaften des Werkstoffs nach den Tabellen 7.7-4 bis 7.7-7 zu begrenzen. Die Begrenzungen in den Tabellen 7.7-4 bis 7.7-6 gelten jedoch nur für volle Rechteckquerschnitte, wie sie zum Beispiel der betrachteten Spannungsverteilung in Schalen zugrunde gelegt werden. Bei anderen Querschnitten sind die Stützziffern in Abhängigkeit von dem jeweiligen Tragverhalten festzulegen.
(2) Im Falle der Vergleichsspannungen aus primären Spannungen und der Vergleichsspannungsschwingbreiten aus primären und sekundären Spannungen hat die Begrenzung unter Zugrundelegung des nachfolgend definierten Spannungsvergleichswertes Sm, der Mindestwerte bestimmter Dehngrenzen oder Zugfestigkeiten zu erfolgen.
(3) Der Sm-Wert ergibt sich unter Zugrundelegung der Temperatur T des jeweiligen Bauteils und der Raumtemperatur RT. Als Temperatur T darf bei den Betriebsstufen die örtlich und zeitlich jeweils vorhandene Temperatur verwendet werden. Für die Auslegungsstufe (Stufe 0) ist dagegen die Auslegungstemperatur zu verwenden.
(4) Unter Beachtung dieser Zuordnungen ergibt sich der Sm-Wert wie folgt:
a) für ferritische Werkstoffe außer Schraubenwerkstoffe
| (7.7-3) |
b) für ferritischen und austenitischen Stahlguss
ba) für ferritischen Stahlguss
| (7.7-4) |
bb) für austenitischen Stahlguss
| (7.7-5) |
Bei Austenit mit einem Verhältnis Rp0,2RT / RmRTkleiner als oder gleich 0,5 darf anstelle von Rp0,2Tmit Rp1,0Tgerechnet werden, sofern für Rp1,0Tin KTA 3201.1 Werte angegeben sind.
c) für austenitische Werkstoffe außer Schraubenwerkstoffe
ca) für die Analysen nach den Abschnitten 7 und 8
| (7.7-6) |
cb) für die Dimensionierung
| (7.7-7) |
Bei Austenit mit einem Verhältnis Rp0,2RT / RmRTkleiner als oder gleich 0,5 darf anstelle von Rp0,2T / 1,5 mit Rp1,0T / 1,5 gerechnet werden, sofern für Rp1,0Tin KTA 3201.1 Werte angegeben sind.
d) für Schrauben
| Sm= Rp0,2T / 3 | (7.7-8) |
(5) Beim Auftreten eines dreiachsigen Zugspannungszustands ist außer bei Beanspruchungsstufe D zusätzlich die Summe der primären Hauptspannungen zu begrenzen mit
σ1 + σ2 + σ3≤ 4 · Sm
(6) Die angegebenen Spannungsvergleichswerte sind auch für den Anhang a maßgebend.
(7) Die Mindestwerte der Dehngrenzen oder der Zugfestigkeit sind KTA 3201.1 für die dort enthaltenen Werkstoffe zu entnehmen.
(8) Die Vergleichsspannungsschwingbreiten aus primären Spannungen, sekundären Spannungen und Spannungsspitzen sind im Rahmen einer Ermüdungsanalyse zu begrenzen.
(9) Die Spannungsbegrenzungen für Pm, Pl, Pl + Pb (elastisch gerechnet) müssen nicht eingehalten werden, wenn mittels Grenztragfähigkeitsanalyse oder durch Versuche gezeigt werden kann, dass die spezifizierten mechanischen und thermischen Belastungen die zulässigen unteren Grenzlasten gemäß Abschnitt 7.7.4 nicht überschreiten.
Tabelle 7.7-1: Spannungskategorisierung in Behältern für einige typische Fälle (Fortsetzung siehe Folgeseite)
| Behälterteil | Ort | Spannungen hervorgerufen durch |
Art der Spannung | Kategorie |
| Zylinder- oder Kugelschale | Ungestörter Bereich | Innendruck | Membranspannung | Pm |
| Spannungsänderung senkrecht zur Schalenmittelfläche | Q | |||
| Axialer Temperaturgradient | Membranspannung | Q | ||
| Biegespannung | Q | |||
| Verbindung mit Boden oder Flansch | Innendruck | Membranspannung3 | Pl | |
| Biegespannung | Q1 | |||
| Beliebige Schale oder Boden | Beliebiger Schnitt durch den gesamten Behälter | Äußere Kraft oder Moment oder Innendruck2 | Mittelwert der Membranspannung über den gesamten Behälterschnitt (Spannungskomponente senkrecht zur Schnittebene) | Pm |
| Äußere Kraft oder Moment2 | Biegeanteil über den gesamten Behälterschnitt (Spannungskomponente senkrecht zur Schnittebene) | Pm | ||
| In der Nähe von Stutzen oder anderen Öffnungen | Äußere Kraft oder Moment oder Innendruck2 | Membranspannung3 | Pl | |
| Biegespannung | Q | |||
| Spannungskonzentration an Hohlkehle oder Ecke | F | |||
| Beliebig | Temperaturdifferenz zwischen Boden und Mantel | Membranspannung | Q | |
| Biegespannung | Q | |||
| Gewölbter oder kegeliger Boden | Im Bereich der Rotationsachse | Innendruck | Membranspannung | Pm |
| Biegespannung | Pb | |||
| Im Bereich der Krempe oder Verbindung zum Mantel | Innendruck | Membranspannung | Pl4 | |
| Biegespannung | Q | |||
| Ebener Boden | Im Bereich der Ro- tationsachse | Innendruck | Membranspannung | Pm |
| Biegespannung | Pb | |||
| Verbindung zum Mantel | Innendruck | Membranspannung | Pl
|
|
| Biegespannung | Q1 | |||
| Gelochter Boden | Regulärer Steg in einem regelmäßigen Lochfeld | Druck | Membranspannung (Mittelwert über Stegquerschnitt) |
Pm |
| Biegespannung (Mittelwert über Stegbreite, aber veränderlich über Wandstärke) |
Pb | |||
| Spannungskonzentration | F | |||
| Einzelner oder von der normalen Anordnung abweihender Steg | Druck | Membranspannung (wie vor) | Q | |
| Biegespannung (wie vor) | F | |||
| Spannungskonzentration | F | |||
| Stutzen | Querschnitt senkrecht zur Stutzenachse | Innendruck oder äußere Kraft oder Moment2 | Mittelwert der Membranspannung über den Stutzenquerschnitt (Spannungskomponente senkrecht zur Schnittebene) | Pm |
| Äußere Kraft oder Moment2 | Biegung über den Stutzenquerschnitt | Pm | ||
| Stutzenwand | Innendruck | Allgemeine Membranspannung | Pm | |
| Örtliche Membranspannung | Pl | |||
| Biegung | Q | |||
| Spannungskonzentration | F | |||
| Unterschiedliche Dehnung | Membranspannung | Q | ||
| Biegespannung | Q | |||
| Spannungskonzentration | F | |||
| Plattierung | Beliebig | Unterschiedliche Dehnung | Membranspannung | F |
| Biegespannung | F | |||
| Beliebig | Beliebig | Radiale Temperaturverteilung5 | Äquivalenter linearer Anteil6 | Q |
| Abweichung vom äquivalenten linearen Spannungsverlauf | F | |||
| Beliebig | Beliebig | Beliebig | Spannungskonzentration durch Kerbwirkung | F |
| 1) Wenn das Randmoment erforderlich ist, um die Biegemomente in Boden- oder Plattenmitte in zulässigen Grenzen zu halten, sind diese Biegespannungen als Pb zu klassifizieren. 2) Hierzu gehören alle Anschlusskräfte der Rohrleitungen aus Eigengewicht, Schwingungen und behinderter Wärmedehnung sowie Trägheitskräfte. 3) Außerhalb des die Störstelle enthaltenden Bereiches darf die Membranspannung in Meridian- und Umfangsrichtung der Grundschale den Wert von 1,1 ⋅ Smnicht überschreiten und die Länge des Bereiches in meridionaler Richtung darf nicht größer sein als 1,0 ⋅ √R ⋅ sc. 4) In dünnwandigen Behältern muss die Möglichkeit des Einbeulens und unzulässiger Deformation untersucht werden. 5) Es ist zu untersuchen, ob die Gefahr des Versagens infolge fortschreitender Deformation besteht. 6) Der äquivalente lineare Anteil ist definiert als die lineare Spannungsverteilung, die das gleiche Biegemoment erzeugt, wie die tatsächliche Spannung. |
||||
Tabelle 7.7-2: Spannungskategorisierung in Rohrleitungen für einige typische Fälle
| Rohrleitungskomponente | Ort | Spannungen hervorgerufen durch | Art der Spannung | Kategorie |
| Gerade Rohre, Krümmer und Reduzierstücke, Abzweige und T-Stücke mit Ausnahme des Durchdringungsbereiches | Ungestörtes Rohr | Innendruck | Mittlere Membranspannung | Pm |
| Mechanische Lasten einschließlich Eigengewicht und Trägheitskräfte | Biegespannung über Rohrquerschnitt (Spannungskomponente senkrecht zur Schnittebene) | Pb | ||
| Im Bereich von Störstellen (Wanddickenänderungen, Verbindung verschiedener Rohrleitungsteile) | Innendruck | Membranspannung (über Wanddicke) | Pl | |
| Biegespannung (über Wanddicke) | Q | |||
| Mechanische Lasten einschließlich Eigen- gewicht und Trägheitskräfte | Membranspannung (über Wanddicke) | Pl | ||
| Biegespannung (über Wanddicke) | Q | |||
| Behinderte Wärmedehnung | Membranspannung | Pe | ||
| Biegespannung | Pe | |||
| Axialer Temperaturgradient | Membranspannung | Q | ||
| Biegespannung | Q | |||
| Beliebig | Beliebig | Spannungskonzentration | F | |
| Abzweige und T-Stücke | Bereich der Durchdringung | Innendruck, mechanische Lasten einschließlich Eigengewicht und Trägheitskräfte und behinderte Wärmedehnung | Membranspannung | Pl |
| Biegespannung | Q | |||
| Axialer Temperaturgradient | Membranspannung | Q | ||
| Biegespannung | Q | |||
| Beliebig | Spannungskonzentration | F | ||
| Bolzen und Flansche | Ungestörte Bereiche | Innendruck, Dichtkraft, Schraubenkräfte | Mittlere Membranspannung | Pm |
| Im Bereich von Wanddickenänderungen | Innendruck, Dichtkraft, Schraubenkräfte | Membranspannung | Pl | |
| Biegespannung | Q | |||
| Axialer oder radialer Temperaturgradient | Membranspannung | Q | ||
| Biegespannung | Q | |||
| Behinderte Wärmedehnung | Membranspannung | Pe | ||
| Biegespannung | Pe | |||
| Beliebig | Spannungskonzentration | F | ||
| Beliebig | Beliebig | Radialer Temperturgradient1 | Biegespannung über der Wand | F |
| Spannungskonzentration | F | |||
| 1) Es ist zu untersuchen, ob die Gefahr des Versagens infolge fortschreitender Deformation besteht. | ||||
Tabelle 7.7-3: Spannungskategorisierung integraler Bereiche von Komponentenstützkonstruktionen für einige typische Fälle
| Typ der Komponentenstützkonstruktion | Ort | Spannungen hervorgerufen durch | Art der Spannung | Kategorie |
| Beliebige Schale | Beliebiger Schnitt durch die gesamte Komponentenstützkonstruktion | Aufzunehmende Kraft oder aufzunehmendes Moment | Mittelwert der Membranspannung über den gesamten Schnitt (Spannungskomponente senkrecht zur Schnittebene) | Pm |
| Aufzunehmende Kraft oder aufzunehmendes Moment | Biegeanteil über den gesamten Schnitt (Spannungskomponente senkrecht zur Schnittebene) |
Pb | ||
| Im Bereich einer Störstelle1 oder Öffnung | Aufzunehmende Kraft oder aufzunehmendes Moment | Membranspannung | Pm | |
| Biegespannung | Q2 | |||
| Beliebige Stelle | Ausdehnungsbehinderung3 | Membranspannung | Pe | |
| Biegespannung | Pe | |||
| Beliebige Platte oder Scheibe | Beliebige Stelle | Aufzunehmende Kraft oder aufzunehmendes Moment | Membranspannung | Pm |
| Biegespannung | Pb | |||
| Im Bereich einer Störstelle1 oder Öffnung | Aufzunehmende Kraft oder aufzunehmendes Moment | Membranspannung | Pm | |
| Biegespannung | Q2 | |||
| Beliebige Stelle | Ausdehnungsbehinderung3 | Membranspannung | Pe | |
| Biegespannung | Pe | |||
| 1) Unter Störstellen sind wesentliche Geometrieänderungen wie Wanddickenänderungen und Übergänge zwischen verschiedenen Schalentypen zu verstehen. Lokale Spannungskonzentrationen, z.B. an Ecken und Bohrungen, fallen nicht darunter. 2) Berechnung ist nicht erforderlich. 3) Dies sind Spannungen, die aus der Unterdrückung oder Behinderung von Verschiebungen oder aus unterschiedlichen Verschiebungen von Komponentenstützkonstruktionen oder Festpunkten herrühren, einschließlich Spannungserhöhungen an Störstellen. Ausgenommen ist die behinderte Wärmedehnung von Rohrleitungen. Die Kräfte und Momente aus behinderter Wärmedehnung von Rohrleitungen fallen für die Komponentenstützkonstruktionen unter "Aufzunehmende Kraft oder aufzunehmendes Moment". |
||||
Tabelle 7.7-4: Zulässige Werte für Vergleichsspannungen und Vergleichsspannungsschwingbreiten aus den Spannungskategorien bei Durchführung einer linearelastischen Analyse des mechanischen Verhaltens bei Verwendung von ferritischen Stählen außer Stahlguss
| Beanspruchungsstufen
Spannungskategorie |
Auslegungsstufe | Betriebsstufen | |||||
| (Stufe 0)1 | Stufe A | Stufe B | Stufe P2 | Stufe C3 | Stufe D | ||
| primäre Spannungen | Pm | Sm | - | 1,1 ⋅ Sm | 0,9 ⋅ Rp0,2T | Rp0,2T 4 | 0,7 ⋅ RmT |
| Pl | 1,5 ⋅ Sm | - | 1,65 ⋅ Sm | 1,35 ⋅ Rp0,2T | 1,5 ⋅ Rp0,2T 4 | RmT | |
| Pm+ Pb oder Pl+ Pb |
1,5 ⋅ Sm | - | 1,65 ⋅ Sm | 1,35 ⋅ Rp0,2T | 1,5 ⋅ Rp0,2T4 | RmT | |
| primäre plus sekundäre Spannungen | Pe | - | 3 ⋅ Sm5 | 3 ⋅ Sm5,6 | - | - | - |
| Pm + Pb+ Pe+ Q oder Pl + Pb + Pe+ Q |
- | 3 ⋅ Sm5 | 3 ⋅ Sm5,6 | - | - | - | |
| primäre plus sekundäre Spannungen plus Spannungsspitzen | Pm+ Pb+ Pe+ Q + F oder Pl+ Pb+ Pe+ Q + F |
- | 2 ⋅ Sa7 D ≤ 1,0 |
2 ⋅ Sa7, 8 D ≤ 1,0 |
- | - | - |
| Die aufgeführten Werkstoffkennwerte sind als Mindestwerte einzusetzen.
Bei Anwendung der komponentenspezifischen Analyse des mechanischen Verhaltens gemäß Abschnitt 8 gelten die dort angegebenen Grenzen. 1) Zur Nachweisführung bei der erneuten rechnerischen Bewertung einer Komponente siehe Anhang B. |
|||||||
Tabelle 7.7-5: Zulässige Werte für Vergleichsspannungen und Vergleichsspannungsschwingbreiten aus den Spannungskategorien bei Durchführung einer linearelastischen Analyse des mechanischen Verhaltens bei Verwendung von austenitischen Stählen
| Beanspruchungsstufen
Spannungskategorie |
Auslegungsstufe | Betriebsstufen | |||||
| (Stufe 0)1 | Stufe A | Stufe B | Stufe P2 | Stufe C3 | Stufe D | ||
| primäre Spannungen | Pm | Sm | - | 1,1 ⋅ Sm | 0,9 ⋅ Rp0,2T | Größter Wert von:4 1,2 ⋅ Sm und Rp0,2T |
0,7 ⋅ RmT |
| Pl | 1,5 ⋅ Sm | - | 1,65 ⋅ Sm | 1,35 ⋅ Rp0,2T | Größter Wert von:4 1,8 ⋅ Sm und 1,5 ⋅ Rp0,2T |
RmT | |
| Pm+ Pb oder Pl+ Pb |
1,5 ⋅ Sm | - | 1,65 ⋅ Sm | 1,35 ⋅ Rp0,2T | Größter Wert von:4 1,8 ⋅ Sm und 1,5 ⋅ Rp0,2T |
RmT | |
| primäre plus sekundäre Spannungen | Pe | - | 3 ⋅ Sm5 | 3 ⋅ Sm5,6 | - | - | - |
| Pm + Pb+ Pe+ Q oder Pl + Pb + Pe+ Q |
- | 3 ⋅ Sm5 | 3 ⋅ Sm5,6 | - | - | - | |
| primäre plus sekundäre Spannungen plus Spannungsspitzen | Pm+ Pb+ Pe+ Q + F oder Pl+ Pb+ Pe+ Q + F |
- | 2 ⋅ Sa7 D ≤ 1,0 |
2 ⋅ Sa7, 8 D ≤ 1,0 |
- | - | - |
| Die aufgeführten Werkstoffkennwerte sind als Mindestwerte einzusetzen.
Bei Anwendung der komponentenspezifischen Analyse des mechanischen Verhaltens gemäß Abschnitt 8 gelten die dort angegebenen Grenzen. 1) Zur Nachweisführung bei der erneuten rechnerischen Bewertung einer Komponente siehe Anhang B. |
|||||||
Tabelle 7.7-6: Zulässige Werte für Vergleichsspannungen und Vergleichsspannungsschwingbreiten aus den Spannungskategorien bei Durchführung einer linearelastischen Analyse des mechanischen Verhaltens bei Verwendung von Stahlguss
| Beanspruchungsstufen
Spannungskategorie |
Auslegungsstufe | Betriebsstufen | |||||
| (Stufe 0)1 | Stufe A | Stufe B | Stufe P2 | Stufe C3 | Stufe D | ||
| primäre Spannungen | Pm | Sm | - | 1,1 ⋅ Sm | 0,75 ⋅ Rp0,2T | Rp0,2T 4 | 0,7 ⋅ RmT |
| Pl | 1,5 ⋅ Sm | - | 1,65 ⋅ Sm | 1,15 ⋅ Rp0,2T | 1,5 ⋅ Rp0,2T 4 | RmT | |
| Pm+ Pb oder Pl+ Pb |
1,5 ⋅ Sm | - | 1,65 ⋅ Sm | 1,15 ⋅ Rp0,2T | 1,5 ⋅ Rp0,2T4 | RmT | |
| primäre plus sekundäre Spannungen | Pe | - | 4 ⋅ Sm5 | 4 ⋅ Sm5,6 | - | - | - |
| Pm + Pb+ Pe+ Q oder Pl + Pb + Pe+ Q |
- | 4 ⋅ Sm5 | 4 ⋅ Sm5,6 | - | - | - | |
| primäre plus sekundäre Spannungen plus Spannungsspitzen | Pm+ Pb+ Pe+ Q + F oder Pl+ Pb+ Pe+ Q + F |
- | 2 ⋅ Sa7 D ≤ 1,0 |
2 ⋅ Sa7, 8 D ≤ 1,0 |
- | - | - |
| Die aufgeführten Werkstoffkennwerte sind als Mindestwerte einzusetzen.
Bei Anwendung der komponentenspezifischen Analyse des mechanischen Verhaltens gemäß Abschnitt 8 gelten die dort angegebenen Grenzen. 1) Zur Nachweisführung bei der erneuten rechnerischen Bewertung einer Komponente siehe Anhang B. |
|||||||
Tabelle 7.7-7: Zulässige Spannungen σzul für Schrauben
| Lfd. Nr. |
Schraubenbelastung1 | Schraubenart2 | Zulässige Spannung σzul | ||||
| Beanspruchungsstufe | |||||||
| Einbauzustand | 0 | A, B | P | C, D | |||
| 1 | Mittlere Zugspannung nur aus Innendruck FS = FRP+ FF |
- | - ⋅ |
1 / 3 ⋅ Rp0,2T | - | - | - |
| 2 | Mittlere Zugspannung aus Innendruck, erforderlicher Dichtungskraft und äußeren Lasten FS = FRP + FF + FDB+ FRZ+ FRM |
Dehnschraube | - | 1 / 1,5 ⋅ Rp0,2T | 1 / 1,5 ⋅ Rp0,2T | - | 1 / 1,1 ⋅ Rp0,2T |
| Starrschraube | - | 1 / 1,8 ⋅ Rp0,2T3 | 1 / 1,8 ⋅ Rp0,2T | - | 1 / 3 ⋅ Rp0,2T | ||
| 3 | Mittlere Zugspannung im Prüfzustand F2Z |
Dehnschraube | - | - | - | 1 / 1,1 ⋅ Rp0,2T | - |
| Starrschraube | - | - | - | 1 / 1,3 ⋅ Rp0,2T | - | ||
| 4 | Mittlere Zugspannung im Einbauzustand4 FS0 |
Dehnschraube | 1 / 1,1 ⋅ Rp0,2RT5 | - | - | - | - |
| Starrschraube | 1 / 1,3 ⋅ Rp0,2RT | - | - | - | - | ||
| 5 | Mittlere Zugspannung aus Innendruck, äußeren Lasten, Restdichtungskraft und ggf. unterschiedlicher Wärmedehnung6 unter Berücksichtigung des Verspannungszustandes |
- | - | - | 1 / 1,1 ⋅ Rp0,2T7 | - | - |
| 6 | Gesamtspannung8 (einschließlich Spannungsspitzen) | - | - | - | 2 ⋅ Sa9 D ≤ 1,0 |
- | - |
| 1) Bedeutung der verwendeten Formelzeichen siehe Abschnitt a 2.8.1. Für FDBist die jeweils zutreffende Größe einzusetzen ("FDBU / L" bei Krafthauptschlussverbindungen und "gKNS ⋅ FDKU" bei Kraftnebenschlussverbindungen). 2) Soweit dies konstruktiv möglich ist, sind Dehnschrauben oder Schrauben mit Dehnschaft gemäß Abschnitt a 2.8.3 einzusetzen. 3) Konstruktionszuschlag c gemäß Abschnitt a 2.8.4.4 ist zu berücksichtigen. 4) Die vom Anzugsverfahren abhängige Streuung der Krafteinleitung in die Schrauben ist bei den Festigkeitsnachweisen zur sicheren Seite hin zu berücksichtigen (maximale Schraubenkraft). 5) Zusätzlich ist für den Montagevorgang, soweit dieser mit einem Drehmomentenschlüssel erfolgt, die Vergleichsspannung mit Rp0,2RTzu begrenzen. Die rechnerische Torsionsspannung darf mit dem polaren Widerstandsmoment Wp = (π / 12) · d03 (mit d0als Dehnschaftdurchmesser) ermittelt werden. 6) Berücksichtigung unterschiedlicher Wärmedehnung bei einer Auslegungstemperatur > 120 °C. Die Temperaturbegrenzung gilt nicht für die Werkstoffpaarung Austenit / Ferrit in Flansch und Schrauben. 7) Bei Auftreten von Biegespannungen ist die Summe aus mittlerer Zugspannung und Biegespannung (abhängig von Innendruck, Vorspannung, Temperatureinfluss und Zusatzlasten) mit Rp0,2Tzu begrenzen. 8) Aus Verformungsanalyse zu ermitteln (z.B. Verspannungsschaubild), zur Ermüdungsanalyse siehe auch Abschnitt 7.12.2 (2). 9) Die Begrenzung der Spannungsamplitude Sa und des Erschöpfungsgrades D erfolgt nach Abschnitt 7.8. |
|||||||
7.7.4 Grenztragfähigkeitsanalyse
Hinweis:
Zur Nachweisführung bei der erneuten rechnerischen Bewertung einer Komponente siehe Anhang B.
7.7.4.1 Allgemeines
(1) Die nachfolgenden Festlegungen gelten für platten- und schalenförmige Bauteile. Sie sind nicht anwendbar
(2) Die Grenzen für die allgemeine primäre Membranspannung, die örtliche primäre Membranspannung sowie die primäre Membran- und Biegespannung (elastisch gerechnet) müssen dann nicht an jeder Stelle eingehalten sein, wenn mittels einer Grenztragfähigkeitsanalyse gezeigt wird, dass die spezifizierten Belastungen mit den in 7.7.4.2 angegebenen Sicherheiten unterhalb der jeweiligen unteren Grenztraglast liegen.
(3) Die untere Grenztraglast ist diejenige Grenztraglast, die als untere Grenze (lower bound theorem) unter Annahme eines ideal elastischplastischen Werkstoffverhaltens mit der fiktiven Fließspannung ÃF errechnet wird. Dabei muss die Spannungsverteilung in der Struktur die Gleichgewichtsbedingungen erfÌllen. Mehrachsige Beanspruchungszustände sind mittels der von-Mises-Hypothese zu bewerten.
7.7.4.2 Zulässige Belastungen
(1) Beanspruchungsstufe 0
Bei dieser Beanspruchungsstufe wird zur Berechnung der unteren Grenztraglast als Wert für die Fließspannung σF = 1,5 ⋅ Smverwendet.
Die Verwendung des Sm-Wertes kann bei Werkstoffen ohne ausgesprägte Streckgrenze während der ersten Lastwechsel zu kleinen bleibenden Dehnungen führen. Sofern diese Dehnungen nicht zulässig sind, ist der Wert der Bezugsspannung Sm unter Verwendung von Dehnungsbegrenzungsfaktoren nach Tabelle 7.7-8 zu reduzieren.
Die spezifizierte Belastung darf 67 % des Wertes der unteren Grenztraglast nicht überschreiten.
(2) Beanspruchungsstufe B
Bei dieser Beanspruchungsstufe wird zur Berechnung der unteren Grenztraglast als Wert für die Fließspannung σF = 1,65 ⋅ Sm verwendet.
Die Verwendung des 1,1fachen Sm-Wertes kann bei Werkstoffen ohne ausgesprägte Streckgrenze während der ersten Lastwechsel zu kleinen bleibenden Dehnungen führen. Sofern diese Dehnungen nicht zulässig sind, ist der Wert der Bezugsspannung Sm unter Verwendung von Dehnungsbegrenzungsfaktoren nach Tabelle 7.7-8 zu reduzieren.
Die spezifizierte Belastung darf 67 % des Wertes der unteren Grenztraglast nicht überschreiten.
Tabelle 7.7-8: Faktoren zur Begrenzung der Dehnungen für Werkstoffe ohne ausgeprägte Streckgrenze
| Bleibende Dehnung in % | Faktoren |
| 0,20 | 1,00 * |
| 0,10 | 0,90 |
| 0,09 | 0,89 |
| 0,08 | 0,88 |
| 0,07 | 0,86 |
| 0,06 | 0,83 |
| 0,05 | 0,80 |
| 0,04 | 0,77 |
| 0,03 | 0,73 |
| 0,02 | 0,69 |
| 0,01 | 0,63 |
| *) Bei Werkstoffen ohne ausgeprägte Streckgrenze kann bei Temperaturen von oberhalb 50 °C der Sm-Wert 67 % der Dehngrenze Rp0,2T überschreiten und 90 % dieses Wertes erreichen; damit ist eine bleibende Dehnung von etwa 0,1 % verbunden. Wenn diese Dehnung nicht zulässig erscheint, ist der Sm-Wert unter Verwendung der Faktoren dieser Tabelle zu reduzieren. | |
(3) Beanspruchungsstufe C
Bei dieser Beanspruchungsstufe wird zur Berechnung der unteren Grenztraglast als Wert für die Fließspannung σF = 1,8 ⋅ Smverwendet.
Die spezifizierte Belastung darf 67 % des Wertes der unteren Grenztraglast nicht überschreiten.
(4) Beanspruchungsstufe D
Bei dieser Beanspruchungsstufe wird zur Berechnung der unteren Grenztraglast als Wert für die Fließspannung σFder kleinere Wert von 2,3 ⋅ Smund 0,7 ⋅ RmTverwendet.
Die spezifizierte Belastung darf 90 % des Wertes der unteren Grenztraglast nicht überschreiten.
(5) Prüfstufe P
Bei dieser Beanspruchungsstufe wird zur Berechnung der unteren Grenztraglast als Wert für die Fließspannung σF= 1,5 ⋅ Smverwendet.
Die spezifizierte Belastung darf 80 % des Wertes der unteren Grenztraglast nicht überschreiten.
(6) Bei Einhaltung folgender Bedingungen darf die untere Grenztraglast aus einer einzigen Berechnung mit ideal elastischplastischem Werkstoffverhalten für die einzelnen Beanspruchungsstufen proportional den unterschiedlichen Fließspannungen umgerechnet werden:
7.8 Ermüdungsanalyse
7.8.1 Allgemeines
7.8.1.1 Zielsetzung und Vorgehen
(1) Zur Vermeidung eines Versagens infolge Ermüdung bei wechselnder Beanspruchung ist abhängig von der Komponentenart eine Ermüdungsanalyse durchzuführen.
(2) Bewertungsgrundlage für die Ermüdungsanalyse sind Ermüdungskurven (Bilder 7.8-1 bis 7.8-4), die auf Versuchen in Luftatmosphäre basieren.
Hinweis:
Vergleiche hierzu auch Abschnitt 4, insbesondere Abschnitt 4.5.
(3) Die in Bild 7.8-2 für Temperaturen gleich oder kleiner als 80 °C und größer als 80 °C dargestellten Ermüdungskurven gelten für die austenitischen Stähle X6CrNiNb18-10 (1.4550) und X6CrNiTi18-10 (1.4541). Für alle sonstigen austenitischen Stähle ist die in Bild 7.8-3 dargestellte Ermüdungskurve anzuwenden.
(4) Die Gleichungen für die in Bild 7.8-2 dargestellten Ermüdungskurven für die Stähle 1.4550 und 1.4541 lauten:
a) als Funktion Sa = f (ni)
![]() |
(7.8.1-1) |
b) als Funktion N = f (Sa)
![]() |
(7.8.1-2) |
mit
Sa: halbe Vergleichsspannungsschwingbreite in N / mm2
ni: zulässige Lastspielzahl
E : Elastizitätsmodul
Als Bezugsgröße für die Darstellung der fiktiven elastischen Spannungsschwingbreiten wurde der Elastizitätsmodul E = 1,79 ⋅ 105 N / mm2 gewählt.
Die Konstanten a, b und c betragen:
7.8.1.2 Anzuwendende Verfahren bei der Ermüdungsanalyse
(1) Folgende Verfahren sind bei der Ermüdungsanalyse zulässig:
(2) Für Rohrleitungen darf anstelle der Nachweise nach den Abschnitten 7.8.3 und 7.8.4 die komponentenbezogene Ermüdungsanalyse nach Abschnitt 8.4 durchgeführt werden.
(3) Für Armaturen darf die komponentenbezogene Ermüdungsanalyse nach Abschnitt 8.3.6 durchgeführt werden.
(4) Die Ermüdungsanalyse von Schrauben ist gemäß Abschnitt 7.12.2 durchzuführen.
7.8.2 Vereinfachter Nachweis der Sicherheit gegen Ermüdung
Die Vereinfachung besteht darin, dass die Spannungsspitzen nicht gesondert im Ermüdungsnachweis berücksichtigt werden müssen, wenn für die Beanspruchungen der Stufe a des Bauteils die nachfolgenden Bedingungen der Absätze a) bis f) erfüllt sind.
Hinweis:
Wenn Lastfälle der Stufe B auf ihr Ermüdungsverhalten untersucht werden sollen, gelten für sie die gleichen Bedingungen wie für die der Stufe A.
cb) Für Temperaturdifferenzen über die Wanddicke
Für Temperaturdifferenzen über die Wanddicke werden "benachbarte Punkte" als zwei beliebige Punkte auf seiner Oberflächennormalen definiert.
7.8.3 Elastische Ermüdungsanalyse
(1) Voraussetzung für die Anwendung der elastischen Ermüdungsanalyse ist die Erfüllung des 3 · Sm-Kriteriums bei Stählen und des 4 ⋅ Sm-Kriteriums bei Stahlguss gemäß Abschnitt 7.7.3.4.
(2) Da in den Betriebsstufen a und B die Spannungsschwingbreiten σV = 2 ⋅ σa= 2 ⋅ ET ⋅εaverschieden große Werte annehmen, sind diese abdeckend in Stufen 2 ⋅σaieinzuteilen und deren Beitrag zur Erschöpfung wie im Folgenden beschrieben zu akkumulieren:
Zu jeder Stufe σai= Samuss die zulässige Lastspielzahl niaus der Ermüdungskurve nach Bild 7.8-1, Bild 7.8-2 oder Bild 7.8-3 bestimmt und mit der spezifizierten oder bei Nachrechnung im Betrieb aufgetretenen Lastspielzahl niverglichen werden.
Die Summe der Quotienten ni / ni stellt den Erschöpfungsgrad "D" dar. Dieser ist im Rahmen der Auslegung wie folgt zu beschränken:
| (7.8-1) |
Wenn eine mediumbedingte Verringerung der Ermüdungsfestigkeit nicht auszuschließen ist, ist ab einer Aufmerksamkeitsschwelle D = 0,4 durch folgende Maßnahmen eine Berücksichtigung des Mediums auf die Ermüdung erforderlich:
Hinweis:
Siehe die Erläuterungen zu Abschnitt 7.8 im Anhang F im Hinblick auf die Aufmerksamkeitsschwelle bei austenitischen Stählen für den Fall, dass die Bewertung des Erschöpfungsgrades nicht auf Basis der in den Bildern 7.8-2 und 7.8-3 dargestellten Ermüdungskurven erfolgte.
7.8.4 Vereinfachte elastischplastische Ermüdungsanalyse
Im Rahmen der vereinfachten elastischplastischen Ermüdungsanalyse darf die 3 ⋅ Sm-Grenze bei Stählen und die 4 ⋅ Sm-Grenze bei Stahlguss mit der Vergleichsspannungsschwingbreite aus primären und sekundären Spannungen überschritten werden, wenn die nachfolgenden Anforderungen der Absätze a) bis e) erfüllt werden.
| Ke= 1,0 für Sn≥ 3 · Sm | (7.8-2) | |
| (7.8-3) | ||
| Ke= 1 / n für Sn ≥ m · 3 · Sm | (7.8-4) | |
Sn: Vergleichsspannungsschwingbreite aus primären und sekundären Spannungen
In den vorstehenden Gleichungen tritt bei Stahlguss anstelle des Wertes 3 · Smder Wert 4 · Sm.
Die Materialparameter m und n sind der Tabelle 7.8-1 zu entnehmen.
Tabelle 7.8-1: Materialparameter
| Art des Werkstoffs | m | n | Tmax (°C) |
| Niedriglegierter C-Stahl | 2,0 | 0,2 | 370 |
| Martensitischer, rostfreier Stahl | 2,0 | 0,2 | 370 |
| Unlegierter C-Stahl | 3,0 | 0,2 | 370 |
| Austenitischer, rostfreier Stahl | 1,7 | 0,3 | 425 |
| Nickel-Basislegierung | 1,7 | 0,3 | 425 |
Für lokale Wärmespannungen dürfen bei der Ermüdungsanalyse die elastischen Gleichungen verwendet werden. Die Querkontraktionszahl ν ist wie folgt zu bestimmen:
| (7.8-5) |
Hierbei ist
|
(7.8-6) |
mit
| maximale Temperatur innerhalb des betrachteten Lastspiels | |
| minimale Temperatur innerhalb des betrachteten Lastspiels |
Bild 7.8-1: Ermüdungskurven für ferritische Stähle
Bild 7.8-2: Ermüdungskurven für die austenitischen Stähle 1.4550 und 1.4541
Bild 7.8-3: Ermüdungskurve für austenitische Stähle außer den Stählen 1.4550 und 1.4541
Bild 7.8-4: Ermüdungskurven für hochfeste Schraubenstähle für Temperaturen 370 °C
Tabelle 7.8-2: Wertetabelle für die Ermüdungskurven der Bilder 7.8-1 bis 7.8-4
| Bild | Zulässige halbe Vergleichsspannungsschwingbreite Sa1, 2 | ||||||||||||||||||||||||||
| bei zulässiger Lastspielzahl h | |||||||||||||||||||||||||||
| 1·101 | 2·101 | 5·101 | 1·102 | 2·102 | 5·102 | 1·103 | 2·103 | 5·103 | 1·104 | 1,2·104 * | 2·104 | 5·104 | 1·105 | 2·105 | 5·105 | 1·106 | 2·106 | 5·106 | 1·107 | 2·107 | 5·107 | 1·108 | 1·109 | 1·1010 | 1·1011 | ||
| 7.8-1: Kurve Zugfestigkeit 790 - 900 N / mm2 |
2900 | 2210 | 1590 | 1210 | 931 | 689 | 538 | 427 | 338 | 303 | 296 | 248 | 200 | 179 | 165 | 152 | 138 | ||||||||||
| 7.8-1: Kurve Zugfestigkeit ≤ 550 N / mm2 |
4000 | 2830 | 1900 | 1410 | 1070 | 724 | 572 | 441 | 331 | 262 | - | 214 | 159 | 138 | 114 | 93,1 | 86,2 | ||||||||||
| 7.8-2 | T ≤ 80 °C | 4341 | 3302 | 2312 | 1773 | 1368 | 981 | 770 | 612 | 461 | 378 | - | 316 | 257 | 225 | 201 | 178 | 165 | 156 | 147 | 142 | 138 | 135 | 133 | 129 | 128 | 127 |
| T > 80 °C | 4618 | 3467 | 2381 | 1798 | 1363 | 953 | 732 | 568 | 413 | 330 | - | 268 | 209 | 178 | 154 | 132 | 120 | 112 | 103 | 99 | 95 | 92 | 91 | 87 | 86 | 86 | |
| 7.8-3 | 5508 | 3947 | 2522 | 1816 | 1322 | 894 | 684 | 542 | 413 | 338 | - | 275 | 216 | 180 | 154 | 130 | 116 | 104 | 94 | 91 | - | - | 89 | 88 | 87 | 86 | |
| 7.8-4: Kurve max. Nennspannung3 ≤ 2,7 · Sm |
7930 | 5240 | 3100 | 2210 | 1550 | 986 | 689 | 490 | 310 | 234 | - | 186 | 152 | 131 | 117 | 103 | 93,1 | ||||||||||
| 7.8-4: Kurve max. Nennspannung3 ≤ 3,0 · Sm |
7930 | 5240 | 3100 | 2070 | 1415 | 842 | 560 | 380 | 230 | 155 | - | 105 | 73 | 58 | 49 | 42 | 36,5 | ||||||||||
| 1) Den hier aufgeführten Werten für Saliegen die jeweils in den Bildern 7.8-1 bis 7.8-4 angegebenen E-Moduln zugrunde. 2) Zwischen den Tabellenwerten darf bei doppeltlogarithmischer Darstellung linear interpoliert werden (im doppeltlogarithmischen Diagramm: Geradenstücke zwischen den Stützpunkten). Ist für einen gegebenen Wert Sa= S die zugehörige Lastspielzahl n zu ermitteln, dann geschieht dies mit Hilfe der benachbarten Stützwerte Sj< S < Siund nj> n > niwie folgt: ![]() 3) Nennspannung = Zugspannung + Biegespannung *) Dieser Stützpunkt ist zwecks genauerer Darstellung des Kurvenverlaufs zusätzlich angegeben. |
|||||||||||||||||||||||||||
7.9 Sprödbruchanalyse
7.9.1 Allgemeines
(1) Die Sicherheit des Reaktordruckbehälters gegen Sprödbruch ist mit postulierten Fehlern nachzuweisen. Die in Abschnitt 7.7 zugrunde gelegten Spannungsgrenzen erlauben bei den Stufen a und B für Summen von primären und sekundären Spannungen einsinnige plastische Verformungen nach Abschnitt 7.8.3 und unter besonderen Voraussetzungen begrenzte plastische Wechselverformungen (zum Beispiel nach Abschnitt 7.8.4).
(2) Weiterhin ist es möglich, dass in den Stufen C und D auch aus den primären Spannungen eine begrenzte plastische Verformung resultiert. Es muss daher sichergestellt werden, dass sowohl im Neuzustand als auch während der gesamten Lebensdauer der Komponente die benötigte Verformungsfähigkeit gewährleistet ist.
(3) Demzufolge ist nachzuweisen, dass in den Zonen mit möglicher Strahlenversprödung Sprödbruch ausgeschlossen werden kann.
Hinweis:
Im unbestrahlten Bereich ist die Sprödbruchsicherheit mit den Zähigkeitsanforderungen nach KTA 3201.1 und nach KTA 3201.3 sichergestellt.
(4) Für den Nachweis der Sprödbruchsicherheit sollen die in den Abschnitten 7.9.2 oder 7.9.3 aufgeführten Verfahren angewendet werden. Alternativ darf das im Abschnitt 7.9.4 genannte Verfahren angewendet werden.
(5) Für den Nachweis der Sprödbruchsicherheit ist zu berücksichtigen, dass Neutronenstrahlung die Sprödbruchübergangstemperatur während des Betriebs anhebt. Der Einfluss der Bestrahlung muss (bei ferritischen Stählen) dann berücksichtigt werden, wenn die Nachweisfluenz größer als 1 · 1017cm-2(bezogen auf Neutronenenergien E größer als 1 MeV) ist. In solchen Fällen ist für die bestrahlten Teile ein Nachweis der Sprödbruchsicherheit auch für alle Belastungszustände erforderlich. Für die übrigen Bereiche ist ein Nachweis für die Zustände erforderlich, die nicht durch die Druckprüfung abgedeckt sind.
(6) Erreichen oder übersteigen die bei bruchmechanischen Nachweisen errechneten KI-Werte bei T ≥ RTNDTj+ 55 K die KJi-Werte in der Hochlage des Werkstoffs bei den für die Rissfrontbereiche zutreffenden Temperaturen, so ist zu zeigen, dass ein mögliches duktiles Risswachstum keinen zu berücksichtigenden Einfluss auf die postulierte Fehlergröße hat. Für Lastfälle der Stufen a und B ist zusätzlich zu zeigen, dass im Übergangsbereich keine spröde und im Hochlagenbereich keine duktile Rissinitiierung stattfindet. Für die Überprüfung des duktilen Fehlerwachstums und des Ausschlusses der duktilen Initiierung soll ASTM E 1820 zugrunde gelegt werden.
(7) Eine Absicherung gegen sprödes Versagen für die Stufe P (Erstdruckprüfung) ist durch geeignete Druckprüfungsbedingungen vorzunehmen.
Hierzu ist auf der Grundlage des Pellini-Konzepts die Prüftemperatur mindestens auf RTNDT+ 33 K festzulegen. Die Prüftemperatur soll nicht mehr als RTNDT+ 55 K betragen.
Hinweis:
Die Ermittlung der RTNDTist in KTA 3201.1 geregelt.
(8) Der im Normalbetrieb zulässige Innendruck ist zu berechnen und im Druck-Temperatur-Diagramm darzustellen.
(9) Die Mehrachsigkeit des Spannungszustandes ist zu berücksichtigen.
7.9.2 Sprödbruchübergangstemperatur-Konzept
(1) Beim Sprödbruchübergangstemperatur-Konzept nach Pellini / Porse kann vorausgesetzt werden, dass instabil werdende Risse bei Temperaturen, die oberhalb der Rissarresttemperatur liegen, gestoppt werden.
(2) Dieses Sprödbruchübergangstemperatur-Konzept ist für den zylindrischen Schuss im Kernbereich des Reaktordruckbehälters und nur in den Stufen A, B und P anzuwenden.
(3) Das Sprödbruchübergangstemperatur-Konzept nach Pellini / Porse führt zu einem Sprödbruchdiagramm, das in der Form des modifizierten Porsediagramms Spannungsgrenzen in Abhängigkeit von Mindesttemperaturen enthält, außerhalb derer die im Bauteil auftretenden Spannungen bei allen Betriebszuständen liegen müssen. Dies ist durch ein Fahrdiagramm darstellbar.
Hinweis:
Eine Anleitung zur Konstruktion des modifizierten Porsediagramms sowie ein Beispiel mit eingetragenem Fahrdiagramm befinden sich im Abschnitt D 1.
7.9.3 Bruchmechanikkonzept
7.9.3.1 Allgemeine Bedingungen
(1) Ziel des bruchmechanischen Nachweises ist zu zeigen, dass Sprödbruch ausgeschlossen ist. Mit Hilfe der senkrecht zur Rissfläche ermittelten Gesamtspannung werden für einen Oberflächenfehler die auftretenden Spannungsintensitätsfaktoren KI(t,T) zu jedem Zeitpunkt bestimmt. Rissinitiierung tritt nicht ein, wenn diese Kurve von KI (t,T) die Kurve der statischen Bruchzähigkeit KIc(T) nicht erreicht. Wenn die Rissspitze im Laufe der aktuell betrachteten Transiente eine vorangegangene warme Vorbelastung erfahren hat (Warm-Prestress), tritt ebenfalls keine Rissinitiierung ein, wenn der Risswiderstand nach Warmvorbelastung KFRAC nicht erreicht wird. Wenn der Spannungsintensitätsfaktor KI(t,T) die Rissarrestzähigkeit KIa (t,T) unterschreitet, wird ein instabil gewordener Riss gestoppt.
Hinweis:
Die Ermittlung der Bruchzähigkeit nach Warmvorbelastung ist in Abschnitt D2 angegeben.
(2) Die Bruchzähigkeit der Werkstoffe muss in Abhängigkeit von der Temperatur vorliegen. Für die Werkstoffe 20 MnMoNi 55 und 22 NiMoCr 37 ist die Bruchzähigkeitskurve nach Bild 7.9-1 zu verwenden.
Die Positionierung der Bruchzähigkeitskurven auf der Temperaturachse ist mit der RTNDT durchzuführen.
Der Bestrahlungseinfluss wird mit der am bestrahlten Werkstoff ermittelten Referenztemperatur oder durch die Erhöhung der Referenztemperatur RTNDT um ΔT41 (siehe Definition der Übergangstemperaturverschiebung in KTA 3203) berücksichtigt.
Die KIc- und KIa-Werte für den unbestrahlten und den bestrahlten Zustand dürfen nach folgenden Gleichungen bestimmt werden:
| KIc= 36,5 + 22,8 ⋅ exp [0,036 ⋅(T - RTNDT- ΔT41)] | (7.9-1) |
| KIa = 29,5 + 13,7 ⋅ exp [0,026 ⋅(T - RTNDT- ΔT41)] | (7.9-2) |
(3) Der Spannungsintensitätsfaktor KIt,T) ist aus der Summe folgender Beanspruchungen zu ermitteln:
(4) Schweißeigenspannungen an Verbindungsnähten sind zu berücksichtigen. Es gilt:
Parallel zur Schweißnaht sind die Schweißeigenspannungen mit einem konstanten Betrag über der gesamten Wanddicke anzusetzen. Dieser darf mit σeigen= 56 MPa zugrunde gelegt werden, sofern kein anderer Betrag nachgewiesen wird.
Senkrecht zur Schweißnaht darf eine ungleichmäßige Verteilung der Eigenspannungen σeigen(x,s) berücksichtigt werden. Sofern kein Nachweis über den Verlauf der Eigenspannungen vorliegt, dürfen diese mit der Gleichung (7.9-3) bestimmt werden:
| σeigen (x,s) = 56 Mpa ⋅ cos (2π ⋅x / s) | (7.9-3) |
(5) Die Plattierung ist hinsichtlich der thermischen (Wärmeleitung, Wärmedehnung) und mechanischen Eigenschaften je nach gewähltem Fehlerpostulat (siehe Bild 7.9-3) zu berücksichtigen.
(6) Formelzeichen und zu verwendende Maßeinheiten
| a | Fehlertiefe | mm |
| 2c | Fehlerlänge | mm |
| KI | Spannungsintensitätsfaktor | MPa√m |
| KIa | Rissarrestzähigkeit | MPa√m |
| KIc | statische Bruchzähigkeit | MPa√m |
| KI,eigen | Spannungsintensitätsfaktor infolge Eigenspannungen | MPa√m |
| KJi | Bruchzähigkeit bei duktiler Rissinitiierung | MPa√m |
| KI,m | Spannungsintensitätsfaktor infolge Innendruck | MPa√m |
| KI,th | Spannungsintensitätsfaktor infolge v | MPa√m |
| KFRAC | Risswiderstand nach Warmvorbelastung | MPa√m |
| RTNDT | Referenztemperatur der Bruchzähigkeitskurven KIc, KIanach dem Sprödbruchübergangstemperatur-Konzept | °C |
| RTT0 | Referenztemperatur der Bruchzähigkeitskurve KIcnach dem T0-Konzept | °C |
| s | Wanddicke (ohne Plattierung) | mm |
| T | Temperatur | °C |
| t | Betrachteter Zeitpunkt der Transiente | s |
| x | Laufkoordinate über die Wanddicke | mm |
| ΔT41 | Übergangstemperaturverschiebung | K |
| σeigen | Schweißeigenspannung | MPa |
7.9.3.2 Stufen a und B
Aus der Summe der ermittelten Primär- und Sekundärspannungen (einschließlich Eigenspannungen) sind unter Annahme eines Oberflächenfehlers, dessen Ebene senkrecht zur größten Spannung anzusetzen ist (0,25 ⋅ Wanddicke tief; 1,5 ⋅ Wanddicke lang) die entsprechenden Spannungsintensitätsfaktoren zu bestimmen. Die errechneten Spannungsintensitätsfaktoren müssen der Bedingung in der Gleichung (7.9-4) genügen; Beispiel in Bild 7.9-2.
| (7.9-4) |
Hinweis:
(1) Die Gleichung 7.9-4 berücksichtigt die Zähigkeitsanforderungen der Werkstoffe nach KTA 3201.1 und nach KTA 3201.3, womit u.a. eine NDT-Temperatur kleiner als oder gleich 0 °C gefordert wird.
(2) Die Bewertung postulierter Risse im Bereich der Hochlage der Bruchzähigkeit (Zähbruchnachweis) ist in KTA 3206, Abschnitt A3, geregelt. Die Regel KTA 3206 ist zurzeit in Vorbereitung.
7.9.3.3 Stufen C und D
(1) Es muss nachgewiesen werden, dass ein Fehler in der ferritischen Wand von der Hälfte der in der Rechnung zugrunde gelegten Größe mit Sicherheit aufzufinden ist. Hierbei sind folgende Annahmen zugrunde zu legen (siehe Bild 7.9-3):
F e h l e r a r t
Wo die Geometrie es erlaubt, wird ein Oberflächenfehler der Form a / 2c = 1 / 6 betrachtet. In anderen Fällen ist die Fehlerform entsprechend den geometrischen Verhältnissen zu wählen.F e h l e r l a g e
Senkrecht zur maximalen Spannung (Hauptspannung)
Für die betrachtete Stelle des Reaktordruckbehälters sind aus der Summe der ermittelten Primär- und Sekundärspannungen (einschließlich Eigenspannungen) die entsprechenden Spannungsintensitätsfaktoren zu bestimmen.
Die errechneten Spannungsintensitätsfaktoren müssen der Bedingung in der Gleichung (7.9-5) genügen:
| KIc> KI= KI,m+ KI,eigen+ KI,th | (7.9-5) |
(2) Initiierung des für die Berechnung postulierten Risses ist ausgeschlossen, wenn KI (t,T) gemäß Gleichung (7.9-5) niedriger als die Bruchzähigkeit KIcist (siehe Bild 7.9-3) oder die Rissspitze im Laufe der aktuell betrachteten Transiente eine vorangegangene Warmvorbelastung erfahren hat (Warm-Prestress) und der Risswiderstand KFRAC nicht erreicht wird.
(3) Für Transienten mit nach Erreichen des Lastpfadmaximums zeitlich fallenden Spannungsintensitätsfaktoren ist Rissinitiierung des für die Berechnung zugrunde gelegten Risses ausgeschlossen, wenn die Rissspitze im Laufe der aktuell betrachteten Transiente eine vorangegangene warme Vorbelastung erfahren hat (Warm Prestress) oder, bei eventuell erneutem Lastanstieg, der Risswiderstand KFRAC nicht erreicht wird.
7.9.4 Verwendung von RTT0
Die Positionierung der Bruchzähigkeitskurve KIc(T) nach Gleichung 7.9-1 auf der Temperaturachse darf anstelle nach dem RTNDT-Konzept direkt mit gemessenen Bruchzähigkeitswerten (z.B. Ermittlung der Referenztemperatur T0der Masterkurve nach ASTM E 1921-09a unter Beachtung der Anwendungsgrenzen von ASTM E 1921-09a), vorgenommen werden. Dabei darf die Referenztemperatur RTT0wie die RTNDTverwendet werden. Details der Anwendung sind den ASME Code Cases N-629, N-631 zu entnehmen. Hierbei sind die jeweils zutreffenden Sicherheitsbeiwerte zu berücksichtigen, z.B. nach IAEa TRS 429.
7.9.5 Berücksichtigung der Querdehnungsbehinderung
Eine Querdehnungsbehinderung an der Rissfront (Constraintverlust) kann zu einer Veränderung der Spaltbruchinstabilität (KJc) führen (siehe Bild 7.9-4). Sofern für die speziellen Verhältnisse (Bauteilgeometrie, Belastungspfad, Geometrie des zu unterstellenden Risses) deren Wirkung quantifiziert werden kann, darf diese bei den Nachweisen berücksichtigt werden.
Bild 7.9-1: Bruchzähigkeit KIcund Arrestzähigkeit KIa
Für die Werkstoffe 20 MnMoNi 5 5 und 22 NiMoCr 3 7 liegen alle gemessenen KIc-Werte oberhalb
der dargestellten Kle-Grenzkurve und alle gemessenen KIa-Werte oberhalb der dargestellten KIa-Grenzkurve,
so dass diese Referenzkurven ebenfalls angewendet werden dürfen.
Bild 7.9-2: Bruchmechanikanalyse: Normalbetrieb (Beispiel)
Bild 7.9-3: Bruchmechanikanalyse: Störfälle (Beispiele, Plattierung integer und durchtrennt postuliert)
Bild 7.9-4: Prinzipdarstellung zum Einfluss des Constraintverlusts auf die Bruchzähigkeit
7.10 Verformungsanalyse
Eine Verformungsanalyse ist nur dann durchzuführen, wenn aus Funktionsgründen spezifizierte Verformungsgrenzen eingehalten werden müssen.
7.11 Stabilitätsanalyse
Wenn unter Einwirkung einer Beanspruchung eine plötzliche Verformung ohne wesentliche Laststeigerung zu erwarten ist, muss eine Stabilitätsanalyse durchgeführt werden.
7.12 Spannungs-, Verformungs- und Ermüdungsanalyse für Flanschverbindungen
7.12.1 Allgemeines
(1) Die Beanspruchungszustände der Flanschverbindungen sind für die maßgebenden Lastfälle zu ermitteln. Die Nachprüfung der Kraft- und Verformungsverhältnisse darf näherungsweise nach dem in Abschnitt a 2.9.5 angegebenen vereinfachten Verfahren durchgeführt werden. Der genaue Nachweis ist unter Berücksichtigung des elastischen Verhaltens der Struktur entsprechend diesem Abschnitt zu führen. Die Dimensionierung und Spannungsanalyse darf nach den Abschnitten a 2.8 und a 2.9 erfolgen.
(2) In die Struktur sind, soweit erforderlich, einzubeziehen:
(3) Als Lastfälle sind zu untersuchen:
(4) Die Beanspruchungen der Flanschverbindung in den Lastfällen des bestimmungsgemäßen Betriebes und gegebenenfalls der Störfälle sind in Verbindung mit dem zugehörigen Einbauzustand, d. h. unter Einhaltung der Konstanz des Mutternweges (Definition siehe Abschnitt a 2.9.6.1 (2)), zu berechnen.
(5) Für die Flansche, für den gegebenenfalls zur Flanschverbindung gehörenden Deckel und für die angeschlossenen Schalen ist eine Spannungsanalyse und -begrenzung nach Abschnitt 7.7 sowie eine Ermüdungsanalyse nach Abschnitt 7.8 durchzuführen. Die Spannungen sind nach Tabelle 7.7-7 zu begrenzen. Für Schrauben ist eine Spannungs- und Ermüdungsanalyse nach Abschnitt 7.12.2 erforderlich.
(6) Die Beurteilung der Dichtungsbeanspruchungen ist nach gesicherten Angaben des Dichtungsherstellers, z.B. anhand von Dichtungsdatenblättern (siehe Abschnitt a 2.10), vorzunehmen. Die Restdichtungskraft ist entsprechend den jeweiligen Anforderungen unter Berücksichtigung von Setzvorgängen zu kontrollieren.
7.12.2 Spannungs- und Ermüdungsanalyse für Schrauben
(1) Bei der Beurteilung der Beanspruchungen in Schrauben werden unterschieden: Mittlere Zugspannungen, Biegespannungen, Torsionsspannungen und Spannungsspitzen.
(2) Eine spezifische Ermüdungsanalyse für Schrauben ist durchzuführen, wenn die Schrauben nicht durch den vereinfachten Nachweis der Sicherheit gegen Ermüdung der Komponente gemäß Abschnitt 7.8.2 abgedeckt sind. Hierbei sind die Werkstoffeigenschaften und die geometrischen Randbedingungen der Schraubenverbindung, z.B. bei der Ermittlung der Lastspiele aus Druckschwankungen und Temperaturunterschieden, zu berücksichtigen.
(3) Die zulässigen Spannungen für Schrauben sind unter Verwendung des Sm-Wertes nach Abschnitt 7.7.3.4 in Tabelle 7.7-7 angegeben.
(4) Die Beurteilung des Ermüdungsverhaltens erfolgt unter Zugrundelegung der Spannungsschwingbreite der maximalen Gesamtspannung unter Berücksichtigung des Federungsverhaltens der Schraubenverbindung, wobei die Schwingbreite der Normalspannungen mit einem Kerbfaktor kleiner als oder gleich 4 zu multiplizieren ist. Der Erschöpfungsgrad ist gemäß Gleichung (7.8.-1) zu bilden und zu beschränken.
Kerbfaktoren kleiner als 4 müssen nachgewiesen werden.
(5) Für Schrauben mit spezifizierten Zugfestigkeiten RmRTkleiner als oder gleich 690 N / mm2 gelten die Ermüdungskurven gemäß Bild 7.8-1, Bild 7.8-2 oder Bild 7.8-3, für hochfeste Schrauben mit spezifizierten Zugfestigkeiten RmRTgrößer als 690 N / mm2ist die Ermüdungskurve für Temperaturen bis 370 °C im Bild 7.8-4 angegeben. Diese Schrauben sind als Dehnschrauben gemäß Abschnitt a 2.8.3 auszuführen. Die obere Ermüdungskurve in Bild 7.8-4 darf angewendet werden, wenn ohne Berücksichtigung der Kerbwirkung die Mittelspannung aus Zug den Wert 2 ⋅ Smund die Gesamtspannung aus Zug und Biegung den Wert 2,7 ⋅ Smnicht überschreiten.
7.13 Vermeidung des Versagens infolge thermisch bedingter fortschreitender Deformation
7.13.1 Allgemeines
(1) Überschreitet die Vergleichsspannungsschwingbreite aus primären Spannungen P und sekundären Spannungen Q bei Stählen den Wert 3 · Sm, bei Stahlguss den Wert 4 · Sm(siehe Abschnitt 7.8.1), so ist gemäß den folgenden Festlegungen zu zeigen, dass die mit den Lastspielen fortschreitende Deformation in zulässigen Grenzen bleibt.
(2) Beim Nachweis der Begrenzung von zyklisch fortschreitender Deformation sind die gleichen Lastfälle der verschiedenen Stufen sowie deren Lastfallkombinationen zu berücksichtigen, die auch bei der Ermüdungsanalyse nachgewiesen wurden.
(3) Der Nachweis der Begrenzung von zyklisch fortschreitender Deformation darf als vereinfachter Nachweis (Abschnitt 7.13.2) unter Verwendung von Näherungsformeln erfolgen; genauere Nachweise erfordern eine Dehnungsermittlung mittels elastoplastischer Analysen (Abschnitt 7.13.3) oder mittels Messungen (Abschnitt 7.13.4).
7.13.2 Vereinfachter Nachweis mit Näherungsformeln
7.13.2.1 Anwendungsbereich
(1) Der vereinfachte Nachweis darf angewandt werden auf
(2) Die Nachweise basieren auf den Ergebnissen elastischer Analysen und einer Spannungsklassifikation entsprechend Abschnitt 7.7.3; dabei finden folgende auf die Streckgrenze Rp0,2Tbezogene Spannungsparameter Verwendung:
| X = (PI + Pb / K)max / Rp0,2T | (7.13-1) |
| Y = (QR)max / Rp0,2T | (7.13-2) |
| wobei ` |
(7.13-3) |
mit (jeweils bezogen auf das betrachtete Lastspiel)
| (Pl+ Pb / K)max | maximaler Wert der primären Vergleichsspannung, wobei der Biegespannungsanteil Pb mit dem Faktor K angepasst ist, |
| (QR)max | maximale Schwingbreite der sekundären Vergleichsspannung, |
| maximale Temperatur, | |
| minimale Temperatur, | |
| K | Stützfaktor, z.B. K = 1,5 für Rechteckquerschnitte. |
(3) Bei Bedingungen entsprechend 7.13.2.1 (1) a) vereinfachen sich die Spannungsverhältnisse auf
X : maximale Membranspannung infolge Innendruck, dividiert durch Rp0,2T, und
Y : maximale Schwingbreite der Wärmespannung, dividiert durch Rp0,2T.
(4) Die Benutzung der Streckgrenze in den Spannungsverhältnissen statt der niedrigeren Proportionalitätsgrenze lässt solange ein kleines Anwachsen der Dehnungen während jedem Lastspiel zu, bis durch die Kaltverfestigung die Proportionalitätsgrenze auf den Wert der Streckgrenze erhöht ist.
(5) Dieses Verfahren ist anwendbar, solange die zu bewertende Lastspielzahl den Wert
| n = n (2 ⋅ Sa = Rp0,2T) | (7.13-4) |
nicht überschreitet.
7.13.2.2 Nachweis durch Begrenzung der Spannungen
(1) Mit positiver Führung dieses Nachweises ist thermisch bedingte fortschreitende Deformation ausgeschlossen.
(2) Bei der Berechnung der zulässigen Sekundärspannung darf der Sekundärspannungsparameter Y mit dem größeren Wert von Rp0,2T und 1,5
⋅ Smmultipliziert werden.
(3) Bei vorgegebenem Primärspannungsparameter X ist für die Schwingbreite folgender Sekundärspannungsparameter Y zulässig:
Fall 1: Linearer Temperaturverlauf oder linearer Sekundärspannungsverlauf über die Wanddicke:
| für | 0,0 < X ≤ 0,5 | ist | Y = 1 / X | (7.13-5) |
| für | 0,5 < X < 1,0 | ist | Y = 4 (1-X) | (7.13-6) |
Fall 2: Parabolischer, monoton anwachsender oder abfallender Temperaturverlauf über die Wanddicke:
| für | 0,615 ≤ X ≤ 1,0 | ist | Y= 5,2 (1 -X) | (7.13-7) |
| für | X < 0,615
|
ist | Y (X=0,5) = 2,70 Y (X=0,4) = 3,55 Y (X=0,3) = 4,65 |
Fall 3: Beliebige Bauteilgeometrie und beliebige Belastung:
| für | X ≤ 1,0 | ist | |
|
Y = 3,25 (1-X) + 1,33 (1-X)3 + 1,38 (1-X)5 |
(7.13-8) | ||
| Anhaltswerte: | Y (X = 1,0) = 0,00 Y (X = 0,0) = 5,96 |
||
7.13.2.3 Nachweis durch Begrenzung der Dehnungen
(1) Dieser Nachweis darf nur angewendet werden auf Bedingungen entsprechend Abschnitt 7.13.2.1 (1) a).
(2) Bei der Ermittlung der Dehnungen werden zusätzlich noch durch Index i gekennzeichnete Zustände betrachtet; es werden bezeichnet mit
| Index 1 | der untere Zustand bei der Extremwertbildung der Schwingbreite von Wärmespannung oder Sekundärspannung (niedrige Temperatur) und mit |
| Index 2 | der obere Zustand bei der Extremwertbildung der Schwingbreite von Wärmespannung oder Sekundärspannung (hohe Temperatur). |
(3) Werden die Spannungsparameter
| X1, Y1 | unter Verwendung der Streckgrenze Rp0,2T1bei der über die Wand gemittelten Temperatur T1zum Zustand 1 sowie |
| X2, Y2 | unter Verwendung der Streckgrenze Rp0,2T2bei der über die Wand gemittelten Temperatur T2zum Zustand 2 |
ermittelt, so sind zur Bestimmung der Hilfsgrößen Zi(i=1,2) folgende Fälle zu unterscheiden:
|
(7.13-9) | ||||||
| (7.13-10) | |||||||
| (7.13-11) |
(4) Daraus folgt in Abhängigkeit von der Hilfsgröße Zi und unter Beachtung des Verhältnisses der Streckgrenzenwerte p = Rp0,2T2 / Rp0,2T1das plastische Dehnungsinkrement Δε pro Lastspiel zu
| Z1≤ ρ Δε = 0 | (7.13-12) |
| (7.13-13) | |
![]() |
(7.13-14) |
![]() |
(7.13-15) |
![]() |
(7.13-16) |
(5) Die Summe aller Dehnungsinkremente darf am Ende der Lebensdauer den Wert 2 % nicht überschreiten.
7.13.3 Allgemeiner Nachweis durch elastischplastische Analyse
(1) Zur Bestimmung der plastischen Dehnungen bei zyklischer Belastung kann eine elastoplastische Analyse durchgeführt werden. Das dabei zur Anwendung kommende Werkstoffmodell muss geeignet sein zur wirklichkeitsnahen Ermittlung der zyklischen Dehnungen.
(2) Soll bei sich verfestigenden Werkstoffen bei der Bestimmung der gesamten Dehnung die Abnahme des Dehnungsinkrementes von Lastspiel zu Lastspiel in Anspruch genommen werden, so muss das Belastungshistogramm mehrere Lastspiele umfassen. Aus dem entsprechend dem Belastungshistogramm ermittelten zeitlichen Dehnungsverlauf kann durch konservative Extrapolation die maximale akkumulierte Dehnung berechnet werden.
(3) Die lokal akkumulierte plastische Zughauptdehnung darf am Ende der Lebensdauer an keiner Stelle eines Querschnittes folgende Maximalwerte überschreiten: 5,0 % im Grundwerkstoff, 2,5 % in Schweißnähten.
7.13.4 Gesonderter Nachweis durch Messungen
(1) Der zyklische Dehnungszuwachs kann auch durch Messungen bestimmt werden.
(2) Hinsichtlich der Extrapolation auf die akkumulierte plastische Gesamtdehnung sowie die Grenzen der zulässigen Dehnung gilt Abschnitt 7.13.3.
8 Komponentenspezifische Analyse des mechanischen Verhaltens
8.1 Allgemeines
(1) Die nachfolgend angegebenen komponentenspezifischen Analysen und Festigkeitsnachweise sind anerkannte und gebräuchliche Berechnungsverfahren. Werden mehrere Verfahren angegeben, sind diese innerhalb ihrer Anwendungsgrenzen zugelassen.
Hinweis:
Diese Verfahren basieren üblicherweise auf unterschiedlichen Grundlagen und enthalten unterschiedliche Konservativitäten, woraus nicht identische Ergebnisse resultieren können.
(2) Die komponentenspezifischen Analysen des mechanischen Verhaltens dienen dem Nachweis von Beanspruchungen und ersetzen bei Einhaltung der jeweils angegebenen konstruktiven und belastungsmäßigen Voraussetzungen sowie der jeweils angegebenen Spannungsgrenzen die Nachweise der allgemeinen Analyse des mechanischen Verhaltens nach Abschnitt 7 ganz oder teilweise.
(3) Wird mit einer der nachfolgend aufgeführten komponentenspezifischen Analysen die gegebene Belastung nicht vollständig erfasst, so sind die Beanspruchungen aus den Teilbelastungen gesondert zu ermitteln und entsprechend zu überlagern.
(4) Da Schweißnähte den Anforderungen in KTA 3201.1 und KTA 3201.3 zu genügen haben, braucht der Einfluss der Schweißnähte bei der Festlegung der zulässigen Spannungen nicht gesondert berücksichtigt zu werden.
(5) Im Rahmen von Ermüdungsanalysen sind die hinsichtlich der Ermüdungsfestigkeit reduzierenden Einflüsse von Schweißnähten in Abhängigkeit von der Schweißnahtbearbeitung zu berücksichtigen.
Hinweis:
Spannungsbeiwerte hierzu sind in Tabelle 8.4-1 enthalten.
(6) Bei der komponentenspezifischen Analyse ist die Wanddicke scgemäß Abschnitt 7.1.4 zu verwenden. Dabei ist eine Plattierung entsprechend Abschnitt 7.1.3 zu berücksichtigen.
8.2 Behälter
8.2.1 Radiale Stutzen unter Innendruck und Rohranschlusslasten
8.2.1.1 Allgemeines
(1) Stutzen in drucktragenden zylindrischen oder kugelförmigen Schalen müssen einschließlich ihres Übergangsbereichs allen gleichzeitig wirkenden Belastungen, wie z.B. Innendruck und Rohranschlusslasten, standhalten.
(2) Abhängig von der jeweiligen Beanspruchungsstufe und Spannungskategorie sind die zulässigen Spannungen den Tabellen 7.7-4 und 7.7-5 zu entnehmen.
(3) Die Anforderungen an die konstruktive Gestaltung gemäß Abschnitt 5.2 sind zu beachten.
(4) Die in Abschnitt 8.2.1.3 angegebenen Verfahren berücksichtigen nicht die gegenseitige Beeinflussung durch benachbarte Störstellen. Diese ist gegeben, wenn der Abstand der Störstellen 2 ⋅(dHm⋅ sH)05unterschreitet.
8.2.1.2 Stutzen mit überwiegender Innendruckbelastung
Sind Stutzen mit überwiegender Innendruckbelastung, z.B. Mannlochstutzen, Blindstutzen und sonstige Stutzen ohne Rohrleitungsanschluss, nach Abschnitt a 2.7 dimensioniert, sind Analysen des mechanischen Verhaltens nicht erforderlich.
8.2.1.3 Stutzen mit Belastung durch Innendruck und Rohranschlusslasten
(1) Die Dimensionierung der Ausschnittsverstärkung erfolgt zunächst für Innendruck nach Abschnitt a 2.7, wobei für die Rohranschlusslasten Reserven vorzusehen sind.
Zur Überprüfung der Zulässigkeit von Rohranschlusslasten ist ergänzend ein Spannungsnachweis durchzuführen, bei dem die Spannungen infolge Innendruck und Rohranschlusslasten erfasst werden.
(2) Für die Ermittlung der Innendruckspannungen sind die in den Abschnitten 8.2.2.1 bis 8.2.2.3 aufgeführten Verfahren zugelassen.
(3) Die Berücksichtigung von äußeren Lasten darf gesondert mit einem Verfahren nach Abschnitt 8.2.2.4 erfolgen.
(4) Die in den Abschnitten 8.2.2.1 bis 8.2.2.3 aufgeführten Berechnungsverfahren weisen die Spannungen in der Stutzenwand außerhalb des Übergangsbereichs nicht aus. Bei Stutzen mit einem Wanddickenverhältnis sA / sR ≤ 1,5 nach Bild 8.2-1 oder Bild 8.2-2 ist deshalb die Spannung in der Stutzenwand getrennt zu überprüfen.
8.2.2 Verfahren zur Berechnung von radialen Stutzen
8.2.2.1 Spannungsindex-Methode für maximale Gesamtspannungen infolge Innendruck
(1) Diese Methode ergibt ausschließlich maximale Spannungen an repräsentativen Stellen infolge von Innendruck. Die Spannungsindizes sind als das jeweilige Verhältnis der betreffenden Normalspannungskomponente oder der Vergleichsspannung zur mittleren Umfangsspannung (Membranspannung σmu) des ungestörten Grundkörpers definiert.
| i = σ / σmu | (8.2-1) |
Die mit Hilfe der Spannungsindizes ermittelten Vergleichsspannungen und Vergleichsspannungsschwingbreiten sind nach Abschnitt 7 zu begrenzen.
(2) Die Spannungskomponenten gemäß Bild 8.2-3 sind wie folgt definiert:
σa: Spannungskomponenten in axialer Richtung
σt: Spannungskomponenten in Umfangsrichtung
σr: Spannungskomponenten in radialer Richtung
Zusätzlich sind:
S : Vergleichsspannungen
di: innerer Durchmesser oder Wölbungsdurchmesser des Bodens
sc: Wanddicke im unverstärkten Bereich gemäß Abschnitt 7.1.4
Bild 8.2-1: Stutzen an zylindrischer Schale
Bild 8.2-2: Stutzen an kugelförmiger Schale
Bild 8.2-3: Richtungen der Spannungskomponenten
(3) Die Spannungsindizes der Tabelle 8.2-1 betreffen nur die maximalen Spannungen im Bereich des Stutzens unter innerem Überdruck und dürfen verwendet werden, wenn die Bedingungen a) bis i) erfüllt sind:
| wenn bei Zylinderschalen | dAi > 1,5 ⋅ sH, |
| bei Kugelschalen | dAi> 3 ⋅ sH, |
| und bei elliptischen Böden | a / b = 2, dAi> 1,5 ⋅ sHist, |
Gegebenenfalls ist auch die Wirkung von äußeren Lasten und Temperaturfeldern zu berücksichtigen. In solchen Fällen ist die Gesamtspannung für jede Spannungsrichtung durch Überlagerung zu bilden.
(4) Bei Stutzen, die Schrägstellungen innerhalb der in Abschnitt 8.2.1 (3) angegebenen Grenzen aufweisen, sind die Spannungsindizes für die Tangentialspannung an der Innenseite mit folgenden Werten zu multiplizieren:
| 1 + 2 · sin2 Φ | bei schrägen Abzweigen in Zylindern, die in Längsrichtung geneigt sind, oder bei Abzweigen in Kugeln, |
| 1 + (tan Φ )4 / 3 | bei Abzweigen in Zylindern, die in Umfangrichtung geneigt sind. |
| Hierbei ist Φ der Winkel, um den die Achse des Abzweigs von der Senkrechten abweicht. | |
Bild 8.2-4: Zulässige Ausführungsformen für Stutzen bei Anwendung der Spannungsindexmethode
Tabelle 8.2-1: Spannungsindizes für Stutzen (Spannungsindex-Methode)
|
Stutzen in Kugelschalen und gewölbten Böden |
||||
| Spannung | Innenseite | Außenseite | ||
| σt | 2,0 | 2,0 | ||
| σa | - 0,2 | 2,0 | ||
| σr | - 4 · sc / di | 0 | ||
| S | 2,2 | 2,0 | ||
|
Stutzen in Zylinderschalen |
||||
| Spannung | Längsschnitt | Querschnitt | ||
| Innenseite | Außenseite | Innenseite | Außenseite | |
| σt | 3,1 | 1,2 | 1,0 | 2,1 |
| σa | - 0,2 | 1,0 | - 0,2 | 2,6 |
| σr | - 2 · sc / di | 0 | - 2 · sc / di | 0 |
| S | 3,3 | 1,2 | 1,2 | 2,6 |
8.2.2.2 Alternative Spannungsindex-Methode für maximale
Gesamtspannungen infolge Innendruck
(1) Anstelle der Spannungsindex-Methode nach Abschnitt 8.2.2.1 darf die alternative Spannungsindex-Methode angewendet werden, wenn die Dimensionierung nach Abschnitt a 2.7.3 erfolgt und die folgenden geometrischen Bedingungen erfüllt sind:
1,25 ⋅ (dAi1+ dAi2) oder 1,8 ⋅ ( dH ⋅ sH)05,
jedoch mindestens dAi1+ dAi2.
Bild 8.2-5: Zulässige Ausführungsformen für Stutzen bei Anwendung der alternativen Spannungsindexmethode
| Stutzen in Zylinderschalen | Stutzen in Kugelschalen oder Böden | |
| dHi / sH | 10 bis 200 | 10 bis 100 |
| dAi / dHi | ≤ 0,33 | ≤ 0,5 |
| dAi / ( dHi⋅ sH)05 | ≤ 0,8 | ≤ 0,8 |
0,1 ⋅ sH≤ r1 ≤ 0,5 ⋅sH
r2 ≥ (dAi ⋅ sR)0,5 oder r2 = sH / 2;
der größere Wert ist zu verwenden,
r3 ≥ (α / 90°)0,5 × (dAi ⋅ sR)0,5 oder r3 ≥ (α / 90°)⋅ sR;
der größere Wert ist zu verwenden,
r4 ≥ (1 - (α / 90°)0,5) ⋅ ( dAi ⋅ sR)0,5 oder
r4 ≥ (1 - α / 90°) ⋅ sH / 2;
der größere Wert ist zu verwenden,
r5≥ (α / 90°) ⋅ sH
Hierbei wird der Winkel α in Grad eingesetzt.
(2) Die alternative Spannungsindex-Methode liefert ausschließlich maximale Gesamtspannungen an repräsentativen Stellen infolge von Innendruck für Einzelstutzen. Die Gesamtspannungen sind nach Abschnitt 7 zu begrenzen.
(3) Die hier verwendeten Spannungsindizes sind definiert als das jeweilige Verhältnis der Normalspannungskomponenten oder der Vergleichsspannung zu der aus den Membranspannungen im ungestörten Grundkörper gebildeten Vergleichsspannung.
| i = σ / σV | (8.2-2) | |||||||||
|
(8.2-3) | |||||||||
|
und
|
(8.2-4) |
(4) Die Normalspannungskomponenten gemäß Bild 8.2-3 sind wie folgt definiert:
σa: Spannungskomponenten in axialer Richtung
σt: Spannungskomponenten in Umfangsrichtung
σr: Spannungskomponenten in radialer Richtung
Zusätzlich sind:
S : Vergleichsspannungen
p : Betriebsdruck
sc: Wanddicke im unverstärkten Bereich gemäß Abschnitt 7.1.4
(5) Die Spannungsindizes sind der Tabelle 8.2-2 zu entnehmen.
Tabelle 8.2-2: Spannungsindizes für Stutzen (Alternative Spannungsindex-Methode)
|
Stutzen in Kugelschalen und gewölbten Böden |
|||||
| Spannung | Innenseite | Außenseite | |||
| σt | 2,0 - dAi / dHi | 2,0 - dAi / dHi | |||
| σa | - 0,2 | 2,0 - dAi / dHi | |||
| σr | - 4 · sc / (dHi+ sc) | 0 | |||
| S | größere Werte von 2,2 - dAi / dHi oder 2,0 + [4 · sc / (dHi+ sc)]- dAi / dHi |
2,0 - dAi / dHi | |||
|
Stutzen in Zylinderschalen |
|||||
| Spannung | Längsschnitt | Querschnitt | |||
| Innenseite | Außenseite | Innenseite | Außenseite | ||
| σt | 3,1 | 1,2 | 1,0 | 2,1 | |
| σa | - 0,2 | 1,0 | - 0,2 | 2,6 | |
| σr | - 2 · sc / (dHi+ sc) | 0 | - 2 · sc / (dHi+ sc) | 0 | |
| S | 3,3 | 1,2 | 1,2 | 2,6 | |
8.2.2.3 Spannungsindexmethode für primäre und sekundäre Spannungen infolge Innendruck
Hinweis:
Dieses Verfahren basiert auf einer Parameterstudie, wobei ideal elastisches Werkstoffverhalten zugrundegelegt wurde. Mit dem Verfahren können die Spannungskomponenten der Membran- sowie Membran- plus Biegespannungen mit Hilfe von Spannungsbeiwerten ermittelt werden. Die Beiwerte beziehen sich auf senkrecht zur Behälterwand verlaufende Schnitte, die für die Überlagerung von Spannungen aus äußeren mechanischen Lasten und Innendruckbelastung maßgebend sind.
Das Verfahren ist geeignet, die primären und sekundären Spannungen zur Überlagerung mit Spannungen aus äußeren Lasten zur Verfügung zu stellen. Das Verfahren liefert keine Spannungsspitzen und deshalb auch keine Gesamtspannungen.
Zur Ermittlung der primären oder primären plus sekundären Spannungen in der Grundschale kann, z.B. für zylindrische und kugelförmige Schalen, folgendes Spannungsindexverfahren angewandt werden:
Folgender Geltungsbereich ist zu beachten:
| Durchmesser- / Wanddickenverhältnis | 30 ≤ dHm / sH ≤ 200 |
| Wanddickenverhältnis | 0,75 ≤ sA / sH ≤ 1,3 |
| Durchmesserverhältnis | dAm / dHm ≤0,6 |
Zur Absicherung der Beanspruchungen im Übergangsbereich Grundschale / Stutzen sind die Spannungen an den Orten a und C gemäß Bild 8.2-1 zu ermitteln und zu beschränken.
Die Spannungen aus Innendruck werden wie folgt ermittelt:
| σ = α ⋅ dHm / 2 ⋅ sH⋅p | (8.2-5) |
Die Spannungsbeiwerte α sind abhängig vom bezogenen Stutzendurchmesser dAm / (dHm· sH)0,5 und dem Wanddickenverhältnis sa / sH den Bildern gemäß Tabelle 8.2-3 zu entnehmen.
Tabelle 8.2-3: Zuordnung der Spannungsbeiwerte d für Zylinderschalen
| Ort | Spannungskategorie | Bild |
| A | PL | 8.2-6 |
| C | PL | 8.2-7 |
| a Innen | PL+ Q | 8.2-8 |
| C Innen | PL+ Q | 8.2-9 |
| a Außen | PL+ Q | 8.2-10 |
| C Außen | PL+ Q | 8.2-11 |
| Durchmesser- / Wanddickenverhältnis | 50 ≤ dHm / sH≤ 400 |
| Wanddickenverhältnis | 0,77 ≤ sA / sH≤ 1,3 |
Die Spannungen aus dem Innendruck werden wie folgt ermittelt:
| σ = α ⋅ dHm / 4 ⋅ sH⋅p | (8.2-6) |
Die Spannungsbeiwerte α sind abhängig vom bezogenen Stutzendurchmesser dAm / (dHm· sH)0,5 und dem Wanddickenverhältnis sA / sHden Bildern gemäß Tabelle 8.2-4 zu entnehmen.
Tabelle 8.2-4: Zuordnung der Spannungsbeiwerte d für Kugelschalen
| Spannungskategorie | Bild |
| PL | 8.2-12 |
| PL+ Q | 8.2-13 |
8.2.2.4 Berechnungsmethode für Ausschnitte unter äußeren Kräften und Momenten
Geeignete Verfahren zur Spannungsermittlung dürfen aus
und gegebenenfalls aus
entnommen werden. Dabei sind die jeweiligen geometrischen Anwendungsgrenzen der Berechnungsverfahren und die allgemeinen Anforderungen nach Abschnitt 5.2.6 zu beachten. Die Gesamtspannungen sind nach Abschnitt 7 zu begrenzen.
Bild 8.2-6: Spannungsbeiwert α für Stutzen in zylindrischer Schale unter Innendruck
Bild 8.2-7: Spannungsbeiwert α für Stutzen in zylindrischer Schale unter Innendruck
Bild 8.2-8: Spannungsbeiwert α für Stutzen in zylindrischer Schale unter Innendruck
Bild 8.2-9: Spannungsbeiwert α für Stutzen in zylindrischer Schale unter Innendruck
Bild 8.2-10: Spannungsbeiwert α für Stutzen in zylindrischer Schale unter Innendruck
Bild 8.2-11: Spannungsbeiwert α für Stutzen in zylindrischer Schale unter Innendruck
Bild 8.2-12: Spannungsbeiwert α für Stutzen in Kugelschale unter Innendruck für PL
Bild 8.2-13: Spannungsbeiwert α für Stutzen in Kugel schale unter Innendruck für PL+ Q
8.3 Armaturengehäuse
8.3.1 Berechnungsgrößen und Einheiten zu Abschnitt 8.3
| Formel- zeichen |
Berechnungsgröße | Einheit |
| daA | Nennaußendurchmesser der Armatur in Schnitt A-a ohne Berücksichtigung von Toleranzen | mm |
| daR | Nennaußendurchmesser der anschließenden Rohrleitung ohne Berücksichtigung von Toleranzen | mm |
| di | Nenninnendurchmesser gemäß Bild 8.3-1 | mm |
| diA | Nenninnendurchmesser der Armatur in Schnitt A-a ohne Berücksichtigung von Toleranzen | mm |
| diG | Gehäuseinnendurchmesser gemäß Bild 8.3-5 | mm |
| diR | Nenninnendurchmesser der anschließenden Rohrleitung ohne Berücksichtigung von Toleranzen | mm |
| e | mittragende Länge | mm |
| eA | mittragende Länge im Abzweig | mm |
| eH | mittragende Länge im Hauptkörper | mm |
| h | Höhe gemäß Bild 8.3-3 | mm |
| m, n | Materialparameter gemäß Tabelle 7.8-1 | - |
| p | Auslegungsdruck in der Stufe 0 oder jeweils auftretender Innendruck in den Beanspruchungsstufen a und B | MPa |
| pB | Innendruck des jeweiligen Lastfalls | MPa |
| Δpfi | Druckschwankungsbereich vom Normalbetrieb bis zum betrachteten Zustand | MPa |
| pf(max) | maximaler Druckschwankungsbereich aus Δpfi | MPa |
| r | mittlerer Radius im Schnitt A-a gemäß Bild 8.3-4 und Bild 8.3-5 | mm |
| r2, r4 | Ausrundungsradius gemäß Bild 8.3-2 | mm |
| r3 | Radius gemäß Bild 8.3-3 | mm |
| ri | innerer Radius gemäß Bild 8.3-5 | mm |
| rt | Ausrundungsradius gemäß Bild 8.3-7 | mm |
| sA | Wanddicke des Abzweiges | mm |
| sAn | Wanddicke gemäß Bild 8.3-7 | mm |
| sG | Gehäusewanddicke gemäß Bild 8.3-5 | mm |
| sH | Wanddicke des Hauptkörpers | mm |
| sHn | Wanddicke gemäß Bild 8.3-7 | mm |
| sn | Wanddicke der Armatur (gemäß Abschnitt 7.1.4) im Schnitt A-a gemäß Bild 8.3-4 und Bild 8.3-5 | mm |
| sne | Wanddicke gemäß Bild 8.3-5 | mm |
| sR | Wanddicke der anschließenden Rohrleitung gemäß Bild 8.3-4 | mm |
| A | Querschnittsfläche der Armatur im Schnitt A-a gemäß Bild 8.3-4 und Bild 8.3-5 | mm2 |
| Ap | drucktragende Fläche | mm2 |
| Aσ | tragende Querschnittsfläche | mm2 |
| Ca | Korrekturfaktor für Schrägsitzarmaturen gemäß Gleichung (8.3-14) | - |
| Cb | Spannungsbeiwert für die Biegespannung gemäß Gleichung (8.3-11) | - |
| C2 | Spannungsbeiwert für sekundäre Wärmespannungen infolge geometrischer Unstetigkeiten gemäß Bild 8.3-9 | - |
| C3 | Beiwert für sekundäre Spannungen an Stellen geometrischer Unstetigkeiten infolge Temperaturänderungen des Mediums gemäß Bild 8.3-8 | - |
| C4 | Faktor gemäß Bild 8.3-10 | - |
| C5 | Spannungsbeiwert für die thermische Ermüdung gemäß Bild 8.3-11 | - |
| C6 | Spannungsbeiwert für Wärmespannungen gemäß Gleichung (8.3-28) | N ⋅ mm4 |
| D | Erschöpfungsgrad (Ausnutzungszahl) | - |
| De1 | Durchmesser des größten Kreises, der sich im Verschneidungsbereich auf der einen Seite der Mittellinie einzeichnen lässt gemäß Bild 8.3-7 | mm |
| De2 | Durchmesser des größten Kreises, der sich im Verschneidungsbereich einzeichnen lässt | mm |
| E | Elastizitätsmodul bei der Auslegungstemperatur | N / mm2 |
| Fax | Axialkraft | N |
| F´ax | Axialkraft aus der Rohrleitungsberechnung | N |
| M´b | Biegemoment | Nmm |
| M´b | Biegemoment aus der Rohrleitungsberechnung | Nmm |
| MR | resultierendes Moment | Nmm |
| Mt | Torsionsmoment | Nmm |
| M't | Torsionsmoment aus der Rohrleitungsberechnung | Nmm |
| Ni | zulässige Lastspielzahl | - |
| Nri | spezifizierte Lastspielzahl | - |
| Pb | primäre Biegespannung nach Tabelle 7.7-5 | N / mm2 |
| Peb | Spannung aus Rohrleitungslasten | N / mm2 |
| Peb max | sekundäre Spannung aus Rohrleitungslasten bei voller Ausnutzung der zulässigen Spannung | N / mm2 |
| Plp | lokale Membranspannung aus Innendruck gemäß Gleichung (8.3-5) | N / mm2 |
| Pm | allgemeine primäre Membranspannung nach Tabelle 7.7-5 | N / mm2 |
| Q | resultierende Querkraft | N |
| Q´ | Querkraft aus der Rohrleitungsberechnung | N |
| Qp | Primär- plus Sekundärspannung aus Innendruck gemäß Gleichung (8.3-13) | N / mm2 |
| QT1 | Wärmespannung aus linearer Temperaturverteilung über der Wanddicke unter der Voraussetzung einer Temperaturänderung des Mediums ¯ 55 K / h | N / mm2 |
| QT3 | sekundäre Wärmespannungen aus geometrischer Unstetigkeit gemäß Gleichung (8.3-15) | N / mm2 |
| RmT | Mindestzugfestigkeit der anschließenden Rohrleitung bei Auslegungstemperatur | N / mm2 |
| Rp0,2T | 0,2%-Dehngrenze der anschließenden Rohrleitung bei Auslegungstemperatur | N / mm2 |
| Sa | halbe Spannungsschwingbreite | N / mm2 |
| Si | Spannungsspitze | N / mm2 |
| Sm | Spannungsvergleichswert gemäß Ab- schnitt 7.7.3.4 | N / mm2 |
| Sn | primäre plus sekundäre Spannungen für einen Lastzyklus | N / mm2 |
| Sn(max) | maximale primäre plus sekundäre Spannungen gemäß Gleichung (8.3-30) | N / mm2 |
| Sp1 | pauschale maximale Gesamtspannung an der Gehäuseinnenseite | N / mm2 |
| Sp2 | pauschale maximale Gesamtspannung an der Gehäuseaußenseite | N / mm2 |
| SR | rechnerisch anzusetzender Beanspruchungsgrenzwert gemäß Tabelle 8.3-1 | N / mm2 |
| T | Auslegungstemperatur | K |
| TDe1 | Temperatur gemäß Bild 8.3-6 | K |
| Tsn | Temperatur gemäß Bild 8.3-6 | K |
| ΔT´ | maximale Temperaturdifferenz an maßgebenden Gehäusestellen (De1, sn), resultierend aus einer Temperaturänderung des Mediums von 55 K / h gemäß Bild 8.3-12 | K |
| ΔTf | Änderung der Mediumtemperatur | K |
| ΔTfi | Änderung der Mediumtemperatur im Kombinationsfall i | K |
| ΔTf(max) | maximale Änderung der Mediumtemperatur | K |
| ΔTf1 ΔTf2 ΔTf3 ΔT1 ΔT2 ΔT3 |
Änderung der Mediumtemperatur (Temperaturschwingbreiten) | K |
| WArmatur | axiales Widerstandsmoment bei den Nennabmessungen der Armatur, bezogen auf den Schnitt A-a in Bild 8.3-4 und Bild 8.3-5 gemäß Gleichung (8.3-8) | mm3 |
| WRohr | axiales Widerstandsmoment der anschließenden Rohrleitung, bezogen auf die Nennabmessungen gemäß Gleichung (8.3-7) | mm3 |
| Wt | polares Widerstandsmoment der Armatur im Schnitt A-a gemäß Bild 8.3-4 und Bild 8.3-5 (Wt = 2 ⋅ Wafür den Kreisquerschnitt mit konstanter Wanddicke) |
mm3 |
| α | linearer Wärmeausdehnungskoeffizient bei der Auslegungstemperatur | 1 / K |
| α1 | Winkel zwischen der Durchflussrichtung im Armaturengehäuse und dem Aufbau
(Spindel, Kegel) gemäß Bild 8.3-4 |
grd |
| σb | Spannung aus Biegemomenten | N / mm2 |
| σL | Spannung aus Belastungen in Rohrachsrichtung | N / mm2 |
| σV | Vergleichsspannung | N / mm2 |
| τa max | Spannung aus Querkräften | N / mm2 |
| τt | Spannung aus Torsionsmoment | N / mm2 |
8.3.2 Allgemeines
(1) Bei Armaturen, die allen Anforderungen dieses Abschnittes entsprechen, liegt der Bereich der höchsten Spannung bei Innendruckbelastung am Übergang des Stutzens zum Durchflussbereich und ist durch Umfangsspannungen senkrecht zur Ebene der Mittellinien gekennzeichnet, deren Maximalwert bei der Innenwandung liegt. Die Bestimmungen des Abschnittes 8.3.3 dienen zur Überprüfung der allgemeinen primären Membranspannung im Bereich des Stutzens.
(2) Im Bereich des Stutzens wird die maximale primäre Membranspannung nach der Flächenvergleichsmethode entsprechend Abschnitt 8.3.3 ermittelt. Die Vorgehensweise ist in Bild 8.3-1 dargestellt.
(3) Der nach Abschnitt 8.3.3 berechnete Wert von Pm ist normalerweise der Größtwert der allgemeinen primären Membranspannung für übliche Armaturen. Bei abweichenden Bauformen sind die Bereiche außerhalb des Stutzens auf eventuell auftretende größere Spannungen zu untersuchen. Gefährdete Bereiche sind nach der Flächenvergleichsmethode entsprechend der jeweiligen örtlichen Gehäusekontur zu untersuchen.
(4) Die Anwendung der in den Abschnitten 8.3.4 und 8.3.5 beschriebenen Verfahren zur komponentenspezifischen Spannungsanalyse setzt die Erfüllung der in Abschnitt 8.3.3 enthaltenen Anforderungen für den Primärspannungsnachweis unter Innendruckbelastung voraus.
(5) Die Spannungsanalyse der Armaturengehäuse ist üblicherweise nach dem Verfahren gemäß Abschnitt 8.3.4 durchzuführen. Rohranschlusslasten werden dabei pauschal (d. h. nach Maßgabe des maximal möglichen Biegemoments der angeschlossenen Rohrleitung) berücksichtigt.
(6) Alternativ oder bei Nichteinhaltung der Bedingungen nach Abschnitt 8.3.4 darf nach Abschnitt 8.3.5 vorgegangen werden.
8.3.3 Primäre Membranspannung infolge Innendruck
(1) Anhand einer maßstäblichen Zeichnung des Armaturengehäuses, die einen Schnitt im Bereich des Stutzens in der gemeinsamen Ebene der Mittellinien von Durchflusszone und Armaturenaufbau darstellt, bestimmt man die drucktragende Fläche Ap und die tragende Querschnittsfläche AÅ. Ap und AÅ werden von der Innenseite des Armaturenkörpers begrenzt, wobei der materialspezifische Abnutzungszuschlag von der Wanddicke abgezogen wird.
(2) Die Höhe der allgemeinen primären Membranspannung ist im Stutzen folgendermaßen zu berechnen:
| Pm= (Ap / Aσ + 0,5) ⋅ p ≤ Sm | (8.3-1) |
Die Bildung des Spannungsvergleichswertes Sm ist Abschnitt 7.7.3.4 zu entnehmen.
(3) Die Längen eH und eA, die die drucktragende Fläche und die tragende Querschnittsfläche eingrenzen, werden folgendermaßen ermittelt, siehe Bild 8.3-1:
| eH= | max. {0,5 ⋅ di - sA; sH} | (8.3-2) |
| eA = | 0,5 ⋅ r2 + 0,354 ⋅ (sA ⋅ (di + sA))0,5 | (8.3-3) |
Bei der Festlegung geeigneter Werte für die obigen Parameter kann z.B. bei Kugelventilen und anderen Gehäusen mit unsymmetrischen Querschnittsformen eine zusätzliche Bewertung notwendig werden. In solchen Fällen werden die inneren Grenzen von Ap durch die Linien senkrecht zur Ebene von Anschlussenden und Spindel gebildet, die die jeweils größten inneren Gehäuseausdehnungen verbinden (siehe Bild 8.3-1, Darstellungen b, d und e).
Bild 8.3-1: Flächenvergleichsmethode
(4) Übersteigen die errechneten Grenzen für die Flächen Apund Aσ, die durch eaund eHgebildet werden, die Grenzen des Armaturengehäuses (Bild 8.3-1, Darstellung b, siehe auch Bild a 3.1-8), bilden die Grenzen des Armaturengehäuses die Begrenzung von Apund Aσ. Dabei bleiben Flächen von angeschlossenen Rohrleitungen, die innerhalb der Grenzen von eaund eHliegen, unberücksichtigt. Falls ein Flansch innerhalb von Aσliegt, bleibt die Fläche des Flanschblatts ebenfalls unberücksichtigt.
(5) Rippenartige Erweiterungen des Armaturenkörpers werden nur soweit der Fläche von Aσ zugerechnet, soweit die Wanddicke der Rippe der durchschnittlichen Wanddicke des Armaturenkörpers in diesem Bereich entspricht. Die verbleibende Rippenfläche wird zu Ap addiert (Bild 8.3-1, Darstellung b). Außerdem muss die Aσ zugeschlagene Fläche folgende Anforderung erfüllen: Eine Gerade senkrecht zur Ebene von Spindel und Anschlussrohrenden, die AÃin jedem beliebigen Punkt durchstößt, darf nicht aus der Innenwandung heraustreten, sondern muss ununterbrochen innerhalb der Wandung des Gehäusekörpers verlaufen bis sie die äußere Oberfläche des Armaturengehäuses verlässt.
(6) Bei üblichen Gehäuseformen wird davon ausgegangen, dass der Bereich mit der größten Spannungsbelastung innerhalb von Aσ entsprechend den verschiedenen Darstellungen nach Bild 8.3-1 liegt. Im Falle sehr unregelmäßiger Armaturengehäuse ist es erforderlich, alle Bereiche des Abzweiges zu überprüfen, um sicherzustellen, dass der größte Wert für Pm sowohl für den Fall der geöffneten als auch für den der vollständig geschlossenen Armatur bestimmt wurde.
8.3.4 Pauschale Spannungsanalyse
(1) Das Verfahren ist nur anzuwenden, wenn die folgenden Geometriebedingungen eingehalten sind:
| a) Radius r2 ≥ 0,3 ⋅ sn | ||
| b) Radius r3 ≥ rmax | { | 0,05 ⋅ sn 0,1⋅ h |
c) Radius r4< r2ist zulässig
d) Kanten müssen gebrochen oder entgratet sein.
r2undr4 sind für die verschiedenen Ausführungsformen in Bild 8.3-2 dargestellt. r3und h sind in Bild 8.3-3 erläutert. snist die Nennwanddicke gemäß Abschnitt 7.1.4 sowie Bild 8.3-4 und Bild 8.3-5.
(2) Die Einhaltung der zulässigen primären Membran- plus Biegespannungen in den Beanspruchungsstufen a und B ist gemäß Gleichung (8.3-4) zu überprüfen.
| Plp+ Pebd 1,5 ⋅ Sm | (8.3-4) |
| (8.3-5) |
mit
Ca: gemäß Gleichung (8.3-14)
Peb: gemäß Gleichung (8.3-6).
(3) Für den Nachweis der Spannungsanteile aus den Schnittlasten der anschließenden Rohrleitung sind als wesentliche Beanspruchungsgrößen die Biegebeanspruchungen in den maßgebenden Querschnitten gemäß Bilder 8.3-4 und 8.3-5 zu untersuchen.
Die Biegespannungen werden ermittelt aus:
mit |
(8.3-6) | ||||||
|
(8.3-7) | ||||||
wobei die Bedingung einzuhalten ist |
(8.3-8) | ||||||
| WArmatur≥ WRohr | (8.3-9) |
Bild 8.3-2: Ausrundungsradien
Bild 8.3-3: Zulässige Formen für Ausdrehungen
(4) Bei Armaturen mit konischem Ansatz gemäß Bild 8.3-5 ist der Schnitt A-a unter Berücksichtigung der Abklinglänge e anzusetzen.
Es gilt:
| (8.3-10) |
mit diaund snegemäß Bild 8.3-5.
(5) Die Ermittlung des Spannungsbeiwertes Cb erfolgt aus:
![]() |
(8.3-11) |
mit r und sngemäß Bild 8.3-4 und Bild 8.3-5.
(6) Der SR-Wert in Gleichung (8.3-6) bezieht sich auf den Werkstoff der anschließenden Rohrleitung. Es sind die Werte gemäß Tabelle 8.3-1 einzusetzen.
(7) Es sind keine größeren Lasten an der Armatur zu berücksichtigen, als es das zulässige Spannungsniveau im Rohrleitungssystem erlaubt. Vorausgesetzt, dass gleiche Rohrleitungswerkstoffe, Durchmesser und Widerstandsmomente der Armatur im Berechnungsbereich vorliegen, und die Armatur selbst keinen Festpunkt darstellt, ist für die maximale Belastung der Armatur die Seite mit dem kleinsten Widerstandsmoment der Rohrleitung maßgebend. Andernfalls sind beide Gehäuseseiten zu überprüfen, um die maximal mögliche Belastung zu ermitteln.
(8) Für Gleichung (8.3-6) sind die zulässigen Spannungen in den einzelnen Beanspruchungsstufen gemäß Tabelle 8.3-2 einzuhalten. Bei Anwendung der Tabelle 8.3-2 gelten folgende konstruktive Voraussetzungen:
Die Bildung des Spannungsvergleichswertes Sm ist Abschnitt 7.7.3.4 zu entnehmen.
Tabelle 8.3-1: Zusammenstellung der rechnerisch anzusetzenden Beanspruchungsgrenzwerte SR (Gleichung 8.3-6) des Rohranschlusses für die Werkstoffkombination von Rohrleitung und Armatur
| Werkstoffkombination
|
Rohrleitung | Armatur | Rohrleitung | Armatur | ||||||
|
Ferrit |
Ferrit-Schmiedestahl |
Austenit |
Austenit-Schmiedestahl | |||||||
|
Ferrit |
Ferrit-Guss |
Austenit |
Ferrit-Schmiedestahl | |||||||
|
Ferrit |
Austenit-Schmiedestahl |
Austenit |
Austenit-Guss | |||||||
|
Ferrit |
Austenit-Guss |
Austenit |
Austenit Ferrit-Guss | |||||||
| SR | SR | |||||||||
| 0 | Rp0,2T | 1,35 ⋅ Rp0,2T | ||||||||
| A | Rp0,2T | 1,35 ⋅ Rp0,2T | ||||||||
| B | Rp0,2T | 1,35 ⋅ Rp0,2T | ||||||||
| C | 1,2 ⋅ Rp0,2T | 1,62 ⋅ Rp0,2T | ||||||||
| D |
|
|
||||||||
|
Rp0,2T, RmT: Festigkeitskennwerte der anschließenden Rohrleitung bei Auslegungstemperatur |
||||||||||
Tabelle 8.3-2: Zulässige Spannung im Gehäuse aus Rohrleitungslasten
| Beanspruchungsstufe | zulässiger Wert für Peb |
| A | 1,5 ⋅ Sm |
| B | 1,5 ⋅ Sm |
| C | 1,8 ⋅ Sm |
| D | 2,4 ⋅ Sm |
Bild 8.3-4: Maßgebende Schnitte an Armaturengehäusen

Bild 8.3-5: Maßgebender Schnitt an konischen Armaturengehäusen
(9) Für die Berechnung der Summe von primären und sekundären Spannungen in den Beanspruchungsstufen a und B gilt:
|
Sn= QP+ Peb+ 2 QT3 |
(8.3-12) | |
|
mit |
(8.3-13) | |
|
Ca = 0,2 + 0,8 / sin α1 |
(8.3-14) | |
α1Winkel zwischen der Durchflussrichtung im Armaturengehäuse und dem Aufbau (Spindel, Kegel) gemäß Bild 8.3-4
Pebist gemäß Gleichung (8.3-6) einzusetzen.
diaund snsind den Bildern 8.3-4 und 8.3-5 zu entnehmen.
QT3wird wie folgt ermittelt:
| QT3= E ⋅ α ⋅ C3⋅ΔT´ | (8.3-15) |
Bild 8.3-6: Ermittlung von ΔT´
Die Ermittlung von De1und De2muss auf einer Detailskizze mit Hinweis auf die Originalzeichnung in einem geeigneten Maßstab erfolgen.
(10) Für die Beanspruchungsstufen C und D gilt:
| Sn=Plp + Peb | (8.3-16) |
Plpwird aus Gleichung (8.3-5) ermittelt; für p ist der jeweils auftretende Innendruck in den Beanspruchungsstufen C oder D einzusetzen.
(11) In den einzelnen Beanspruchungsstufen sind in den Gleichungen (8.3-12) und (8.3-16) die Spannungsgrenzwerte gemäß Tabelle 8.3-3 einzuhalten. Die Bildung des Spannungsvergleichswertes Sm ist Abschnitt 7.7.3.4 zu entnehmen.
Tabelle 8.3-3: Zulässige Spannungswerte für Sn
| Beanspruchungsstufe | zulässiger Wert für Sn | |
| Schmiedestahl | Stahlguss | |
| A | 3 ⋅ Sm | 4 ⋅ Sm |
| B | 3 ⋅ Sm | 4 ⋅ Sm |
| C | 2,25 ⋅ Sm | 3 ⋅ Sm |
| D | 3 ⋅ Sm | 4 ⋅ Sm |
(12) Der Nachweis für die Beanspruchungsstufen C und D ist nur zu führen, wenn die entsprechende Anforderung in den komponentenbezogenen Unterlagen aufgeführt ist.
(13) Armatur und Rohrleitungssystem können für bestimmte Lastfälle (siehe komponentenbezogene Unterlage) unterschiedlichen Beanspruchungsstufen zugeordnet werden. In diesem Fall ist der SR-Wert für Gleichung (8.3-6) gemäß der Beanspruchungsstufe des Systems einzusetzen (siehe Tabelle 8.3-1).
(14) Der Nachweis mit den Gleichungen (8.3-1) bis (8.3-16) ist nur zulässig, wenn in der anschließenden Rohrleitung bei allen Lastfällen das zulässige Spannungsniveau eingehalten wird.
(15) Wird ein Rohrbruch unterstellt und liegt kein Rohrleitungsfestpunkt zwischen Bruchstelle und Armatur, dann muss, wenn für die Armatur Integrität oder Funktionsfähigkeit nach der komponentenbezogenen Unterlage gefordert wird, die Berechnung des Armaturengehäuses mit den tatsächlichen oder diese abdeckenden Rohrschnittlasten erfolgen.
8.3.5 Detaillierte Spannungsanalyse mit Schnittlasten aus der Rohrleitungsberechnung
(1) Der Nachweis nach diesem Abschnitt ist nur notwendig, wenn bei der pauschalen Spannungsanalyse gemäß Abschnitt 8.3.4 nicht in jedem Fall die zulässige Spannung oder die geforderte Bedingung eingehalten werden kann. Hierbei sind ebenfalls die Geometrie-Bedingungen gemäß Abschnitt 8.3.4 (1) und die konstruktiven Voraussetzungen gemäß Abschnitt 8.3.4 (8) einzuhalten. Lastfälle und Lastüberlagerung sind den komponentenbezogenen Unterlagen zu entnehmen.
(2) Aus der Rohrleitungsberechnung liegen für die beiden Schnittstellen der Armatur folgende Angaben für die einzelnen Lastfälle vor:
Entsprechend dem Überlagerungsschema sind für jede Beanspruchungsstufe Fax, Q, Mbund Mtzu ermitteln und die Spannungsanteile aus den Schnittlasten der anschließenden Rohrleitung wie folgt zu berechnen:
Spannung aus Belastungen in Rohrachsrichtung:
| σL = daA ⋅ pB/4 ⋅ sn + Fax/A | (8.3-17) |
Spannung aus Querkräften:
| τa max= 2 ⋅ Q / A | (8.3-18) |
Spannung aus Biegemomenten:
| σb= Mb / Wa ⋅ Cb | (8.3-19) |
Spannung aus Torsionsmoment:
| τt = Mt / Wt | (8.3-20) |
Bei der Ermittlung von A, Waund Wt ist zu beachten, dass die Wanddicke an der Gehäuseinnenseite um den Abnutzungszuschlag zu vermindern ist.
(3) Diese Einzelspannungen werden unter der konservativen Annahme, dass alle Maxima zeitgleich auftreten, vereinfacht zu einer Vergleichsspannung zusammengefasst:
| (8.3-21) |
(4) Für Gleichung (8.3-21) sind in den einzelnen Beanspruchungsstufen die Spannungsgrenzwerte für Pm+ Pbnach den Tabellen 7.7-4 bis 7.7-6 einzuhalten.
Die Bildung der Spannungsvergleichswerte Sm ist Abschnitt 7.7.3.4 zu entnehmen.
(5) Die Ermittlung der primären und sekundären Spannungen erfolgt gemäß Abschnitt 8.3.4. Dabei ist in die Gleichungen (8.3-12) und (8.3-16) statt Pebdie nach Gleichung (8.3-21) ermittelte Vergleichsspannung
σV einzusetzen.
Für Sn gelten dann die zulässigen Spannungen nach Tabelle 8.3-3.
(6) Ist zum Zeitpunkt der Erstellung der Berechnung die konstruktive Ausführung der Armatur bereits festgelegt und liegen die Schnittlasten aus der Rohrleitungsberechnung noch nicht vor, dann können diese als obere Grenzwerte festgelegt werden. Dabei darf folgende Vorgehensweise gewählt werden:
| σL = σb = 2 ⋅ (τa max + τt)
und |
(8.3-22) |
| τa max= τt = σb / 4
und |
(8.3-23) |
| σV ≤ Peb max
Daraus wird: |
(8.3-24) |
| σb= σL = Peb max / (5)0,5 | (8.3-25) |
Diese Schnittlasten dürfen dann im Rahmen der Rohrleitungsberechnung nicht überschritten werden oder aber nur in der Weise variiert werden, dass sie nicht zu einer höheren Beanspruchung der Armaturen führen. Dabei ist außerdem zu beachten, ob gegenüber der Einstufung der Armatur laut komponentenbezogener Unterlage eine Umstufung zur Durchführung eines rechnerischen Funktionsfähigkeitsnachweises und damit auch eine andere Einstufung der Schnittlasten erforderlich sein kann.
8.3.6 Ermüdungsanalyse
8.3.6.1 Allgemeines
Eine Ermüdungsanalyse ist für alle Armaturen mit der spezifizierten Gesamtzyklenzahl (Lastspielzahl) - mindestens jedoch 1000 - durchzuführen.
Hinweis:
Die nachfolgend beschriebenen Verfahren zur Ermüdungsanalyse beinhalten solche Konservativitäten, dass Spannungserhöhungen bei Gehäuseblöcken mit Mehreck-Außenkontur durch die Untersuchung des Schnittes gemäß Bild 8.3-7 abgedeckt sind.
8.3.6 2 Pauschale Ermüdungsbetrachtung
Die pauschale Ermüdungsbetrachtung ist für die Beanspruchungsstufen a und B gemäß nachfolgend beschriebenem Verfahren durchzuführen und ersetzt eine Ermüdungsanalyse nach Abschnitt 8.3.6.3 oder 7.8, wenn die sich ergebende zulässige Lastspielzahl größer als die spezifizierte Lastspielzahl, mindestens jedoch größer als 2000 ist und die Bedingungen gemäß Abschnitt 8.3.6.3 (3) a) bis d) eingehalten werden.
Die pauschalen maximalen Gesamtspannungen Sp1 an der Gehäuseinnenseite und Sp2 an der Gehäuseaußenseite lassen sich unter der Voraussetzung einer Temperaturänderungsgeschwindigkeit des Mediums kleiner als oder gleich 55 K / h wie folgt ermitteln:
| Sp1= 2 / 3 ⋅ Qp + Peb / 2 + QT3+ 1,3 × QT1 | (8.3-26) |
| Sp2= 0,4 ⋅ Qp + Peb+ 2 ⋅ QT3 | (8.3-27) |
| mit | |
| QT1= C6 ⋅ (De1)2 | (8.3-28) |
| 1,3 ⋅ QT1 | Spannungsanteil aus der nichtlinearen Temperaturverteilung |
| C6 | Spannungsbeiwert für Wärmespannungen 4,06 ⋅ 10-3N / mm4 für Austenit 1,07 ⋅ 10-3 N / mm4 für Ferrit |
Mit dem größeren Wert von Sp1und Sp2als Saerhält man aus den Ermüdungskurven gemäß Bild 7.8-1, Bild 7.8-2 oder Bild 7.8-3 die zulässigen Lastspielzahlen. Dabei ist zu beachten, dass der Unterschied zwischen dem Elastizitätsmodul aus den Kurven und dem des Armaturenwerkstoffes bei Auslegungstemperatur berücksichtigt wird. Der Sa-Wert muss mit dem Verhältnis E-Kurve / E-Armatur bei Auslegungstemperatur multipliziert werden.
Bild 8.3-7: Modell für die Ermittlung von Sekundärspannungen in Armaturengehäusen
Del: Durchmesser des größten Kreises, der sich im Verschneidungsbereich auf der einen Seite der Mittellinie einzeichnen lässt
De2: Durchmesser des größten Kreises, der sich im Verschneidungsbereich einzeichnen lässt
Für De1 < sn gilt: De1 = sn
8.3.6.3 Detaillierte Ermüdungsanalyse
Hinweis:
Das nachfolgend beschriebene Verfahren kann bei Temperaturänderungsgeschwindigkeiten größer als 10 K / min zu nicht konservativen Ergebnissen führen.
(1) Zur Durchführung der detaillierten Ermüdungsanalyse müssen für alle spezifizierten Lastzyklen aus betrieblichen Vorgängen die Druckänderungen Δpfiund die Temperaturänderungen ΔTfi mit der zugehörigen Häufigkeit Nriermittelt werden.
(2) Für den Fall, dass während der Aufheiz- oder Abkühlvorgänge die Temperaturänderungsgeschwindigkeit 55 K / h überschreitet, muss die Temperaturschwingbreite mit der zugehörigen Zyklenzahl je Lastfall zusammengestellt werden:
Beispiel:
20 Vorgänge ΔT1= 250 K Aufheizen
10 Vorgänge ΔT2 = 150 K Abkühlen
100 Vorgänge ΔT3 = 100 K Abkühlen
Man kombiniert die Temperaturschwingbreiten jetzt derart, dass man die größtmöglichen Temperaturdifferenzen erhält.
10 Zyklen Tf1= 150 K + 250 K = 400 K
10 Zyklen Tf2= 250 K + 100 K = 350 K
90 Zyklen Tf3= 100 K
(3) Druckschwankungen, die nicht durch die nachfolgende Bedingung unter a) ausgeschlossen sind, müssen in die Berechnung der Spannungsspitzen einfließen. Der volle Druckschwankungsbereich vom Normalbetrieb bis zum augenblicklich betrachteten Zustand wird mit
ߛΔpfibezeichnet.
Bei der Ermüdungsanalyse können folgende Lastanteile oder Lastzyklen unberücksichtigt bleiben:
(4) Für die größten Druckänderungen max Δpfi= Δpff(max) und Temperaturänderungen max ΔTfi= ΔTf(max) muss die folgende Bedingung erfüllt werden:
| (8.3-29) |
Dabei ist Qpnach Gleichung (8.3-13) zu ermitteln.
Die Faktoren C2 und C4 sind den Bildern 8.3-9 und 8.3-10 zu entnehmen. Der Spannungsvergleichswert Sm ist gemäß Abschnitt 7.7.3.4 zu bilden.
(5) Sn(max) ist wie folgt zu bestimmen:
| (8.3-30) |
Der Spannungsbeiwert C3 ist Bild 8.3-8 zu entnehmen.
Die Gleichung (8.3-30) für Sn(max)kann für jeden Lastzyklus separat berechnet werden. Es wird dann Δpfi und ΔTfieingesetzt.
(6) Die Spannungsspitzen Sisind wie folgt zu berechnen:
| (8.3-31) |
C5ist aus Bild 8.3-11 zu entnehmen.
Bild 8.3-8: Beiwert für sekundäre Spannungen an Stellen geometrischer Unstetigkeiten infolge Temperaturänderungen des Mediums
Bild 8.3-9: Spannungsbeiwert C2 für sekundäre Wärmespannungen resultierend aus geometrischen Unstetigkeiten
Bild 8.3-10: Maximalwert C4 der Differenz der durchschnittlichen Wandtemperaturen für die Wanddicken De1und sn, hervorgerufen durch schrittweises Ändern der Mediumtemperaturen ΔTf
Bild 8.3-11: Spannungsbeiwert C5zur Berücksichtigung der Wärmespannungen hervorgerufen durch Wandtemperaturgradienten, die durch Änderung der Mediumtemperatur verursacht werden
(7) Die halbe Spannungsschwingbreite Sa zur Ermittlung der zulässigen Lastspielzahl Ni ist wie folgt zu bestimmen:
| a) für Sn(max) ≤ 3 ⋅ Sm
Sa = Si / 2 |
(8.3-32) |
| b)
|
(8.3-33) |
Dabei kann für Snder Wert für Sn(max)oder der für jeden Lastzyklus separat ermittelte Sn-Wert eingesetzt werden. Wenn bei einzelnen Lastzyklen Snkleiner als oder gleich 3 ⋅ Sm bleibt, dann ist nach Absatz a) vorzugehen. Die Materialparameter m und n sind der Tabelle 7.8-1 zu entnehmen.
| c) für Sn(max)> 3 ⋅ m ⋅ Sm
Sa = 1 / n ⋅ Si / 2 |
(8.3-34) |
Für Stahlguss ist in den Bedingungen a) bis c) der Wert 3 ⋅ Smdurch 4 ⋅ Smzu ersetzen.
Die zulässigen Lastspielzahlen Ni sind aus den Ermüdungskurven Bild 7.8-1, Bild 7.8-2 oder Bild 7.8-3 zu entnehmen. Dabei ist zu beachten, dass der Unterschied zwischen dem Elastizitätsmodul aus den Kurven und dem des Armaturenwerkstoffes bei zulässiger Betriebstemperatur (Auslegungstemperatur) berücksichtigt wird.
Der Sa-Wert muss mit dem Verhältnis E-Kurve / E-Armatur bei zulässiger Betriebstemperatur (Auslegungstemperatur) multipliziert werden.
(8) Der Erschöpfungsgrad (Ausnutzungszahl) D wird dann wie folgt bestimmt:
| (8.3-35) |
Dabei ist Nidie zulässige Lastspielzahl und Nridie spezifizierte Lastspielzahl gemäß komponentenbezogener Unterlage.
Wenn eine mediumbedingte Verringerung der Ermüdungsfestigkeit nicht auszuschließen ist, ist ab einer Aufmerksamkeitsschwelle D = 0,4 durch folgende Maßnahmen eine Berücksichtigung des Mediums auf die Ermüdung erforderlich:
8.3.7 Weitere Verfahren zur Spannungs- und Ermüdungsanalyse
Wenn bei den Verfahren in den Abschnitten 8.3.4 bis 8.3.6 die zulässigen Grenzwerte überschritten werden, dann darf der Nachweis auch gemäß Abschnitt 7.7 und gegebenenfalls 7.8 geführt werden.
Bild 8.3-12: Maximale Temperaturdifferenz im Armaturengehäuse (Bereich De1 / sn), bezogen auf eine Temperaturänderungsgeschwindigkeit des Mediums von 55 K / h
8.4 Rohrleitungen
8.4.1 Allgemeines
(1) Unter der Voraussetzung der konstruktiven Gestaltung der Rohrleitungsbauteile nach Abschnitt 5.3.5 und der Dimensionierung der Rohrleitungsbauteile nach Abschnitt a 4 ist für Rohrleitungen die nachfolgend beschriebene komponentenspezifische Spannungs- und Ermüdungsanalyse zulässig. Ihr Anwendungsbereich reicht bis zur rohrseitigen Grenze der mittragenden Länge eades verstärkten oder unverstärkten Stutzens. Diese Grenze ist nicht maßgebend für die Modellabbildung der mechanischen Systemanalyse nach Abschnitt 7.6.
(2) Aus der Analyse des mechanischen Verhaltens des Gesamtsystems sind die Schnittgrößen für verschiedene Punkte des Systems zu ermitteln. Mit diesen müssen die einzelnen Rohrleitungselemente unabhängig vom Gesamtsystem untersucht werden. Bei der Ermittlung der Spannungen sind zusätzlich zu den Kräften und Momenten aus der Analyse des mechanischen Verhaltens auch die axialen und radialen Temperaturverteilungen und der Innendruck zu berücksichtigen.
(3) Auch beim komponentenspezifischen Verfahren gemäß diesem Abschnitt ist bezüglich der Einstufung von Spannungen aus behinderten Wärmedehnungen der Abschnitt 7.7.2.3 zu beachten.
(4) Für den Fall der Überschreitung der Spannungsgrenzen oder des zulässigen Erschöpfungsgrades oder bei Fehlen von Spannungsbeiwerten für die betrachtete Geometrie muss anstelle des Verfahrens gemäß diesem Abschnitt eine detaillierte Spannungsanalyse nach Abschnitt 7.7 und gegebenenfalls eine detaillierte Ermüdungsanalyse nach Abschnitt 7.8 durchgeführt werden.
(5) Die im Folgenden beschriebene komponentenspezifische Analyse des mechanischen Verhaltens bezieht sich auf Rohrleitungen größer als DN 50.
(6) Für Rohrleitungen kleiner als oder gleich DN 50 ist außer der Dimensionierung nach Anhang a ein Primärspannungsnachweis nach Gleichung (8.4-1) zu führen sowie die Vergleichsspannungsschwingbreite aus primären und sekundären Spannungen nach Gleichung (8.4-2) zu ermitteln und zu begrenzen. Die Nachweise nach Gleichung (8.4-1) und (8.4-2) können entfallen, wenn durch die Art der Verlegung sichergestellt ist, dass die zulässigen Spannungen nach Gleichung (8.4-1) und (8.4-2) eingehalten werden. Kann die Gleichung (8.4-2) nicht eingehalten werden, ist ein vollständiger Nachweis nach Abschnitt 8.4 erforderlich.
Hinweis:
Die im Abschnitt 8.4 als Vergleichsspannungen oder als Vergleichsspannungsschwingbreiten gekennzeichneten Spannungsgrößen σI bis σVIentsprechen nicht exakt den betreffenden Definitionen des Abschnittes 7, sondern stellen konservative Abschätzungen der jeweiligen Vergleichsspannungen oder Vergleichsspannungsschwingbreiten dar.
(7) Für Induktivbiegungen, die die Vorgaben an die Abmessungen nach KTA 3201.3 Abschnitt 6.4.3.5 (5) a) einhalten (Standardinduktivbiegung), ergibt sich die Berechnungswanddicke für Induktivbiegungen sc,IB, die die Wanddickenaufstauchung berücksichtigt, aus der Beziehung sc,IB= sc· fIB, wobei der Faktor fIBals Funktion von Rm / daaus Bild 8.4-1 zu ermitteln ist. Bei Rm / da-Verhältnissen größer als 3,5 darf der Einfluss von Wanddickenaufstauchungen bei Einhaltung der Vorgaben von Bild 6-1 in KTA 3201.3 vernachlässigt werden.
Bild 8.4-1: Wanddickenerhöhungsfaktoren fIBfür Standardinduktivbiegungen
8.4.2 Auslegungsstufe (Stufe 0)
Für die Ermittlung und Begrenzung der Vergleichsspannung aus primären Spannungen gilt, außer bei einem einzelnen geraden Rohr, folgende Bedingung:
|
(8.4-1) |
mit
| σI | Vergleichsspannung aus primären Spannungen | N / mm2 |
| B1,B2 | Spannungsbeiwerte, siehe Abschnitt 8.4.7 | |
| Sm | Spannungsvergleichswert gemäß Abschnitt 7.7 bei Auslegungstemperatur | N / mm2 |
| p | Auslegungsdruck | MPa |
| da | Außendurchmesser des Rohres hierbei ist entweder da= danoder da= din+ 2 sc+ 2 c2(siehe Abschnitt 6.5) zu setzen. | mm |
| sc | Wanddicke gemäß Abschnitt 7.1.4 oder gemessene Wanddicke abzüglich Korrosionszuschlag, hinsichtlich der Plattierung ist Abschnitt 7.1.3, Absätze (1) und (2), zu berücksichtigen. Bei Rohrbiegungen mit Wanddickenerhöhungen an der Krümmungsinnenseite von mehr als 15 % ist die Aufstauchung zu berücksichtigen, indem als Berechnungswanddicke sc das arithmetische Mittel und bei Induktivbiegungen das geometrische Mittel aus der kleinsten und größten am Querschnitt in der Bogenmitte auftretenden Wanddicke verwendet wird. Bei Induktivbiegungen, die die Vorgaben an die Abmessungen nach KTA 3201.3 Abschnitt 6.4.3.5 (5) a) einhalten (Standardinduktivbiegung), sind die Festlegungen in Abschnitt 8.4.1 (7) zu berücksichtigen. |
mm |
| I | Flächenträgheitsmoment | mm4 |
| MiI | Resultierendes Moment, verursacht durch mechanische Lasten. In einer Kombination von Einzelbelastungen sind alle Schnittmomente richtungsgebunden zu ermitteln und zu addieren, bevor das resultierende Moment gebildet wird (Momente aus unterschiedlichen Lastfällen, die nicht gleichzeitig auftreten können, brauchen hierbei nicht gemeinsam in das resultierende Moment einbezogen zu werden). Lässt die Methode zur Ermittlung von Momenten aus dynamischer Beanspruchung nur zu, Größen ohne algebraisches Vorzeichen zu ermitteln, so ist diejenige Kombination von richtungsgebundenen Momenten zu wählen, die das größte resultierende Moment ergibt. |
Nmm |
8.4.3 Stufen a und B
8.4.3.1 Allgemeines
(1) Für jeden Lastfall müssen Schnittmomente ermittelt werden, die immer auf einen Referenzzustand bezogen sind. Dasselbe gilt für die Lastfälle bei Innendruck und Temperaturdifferenzen.
(2) Ist für die Stufe B gemäß Abschnitt 3.3.3.3 ein Primärspannungsnachweis zu führen, so ist eine Vergleichsspannung nach der Gleichung (8.4-1) zu ermitteln und mit dem kleineren Wert von 1,8 · Smund 1,5 · Rp0,2Tzu begrenzen, wobei p der lastfallbezogene Betriebsdruck ist. Wenn der maximale Innendruck mehr als das 1,1fache des Auslegungsdrucks beträgt, ist die durch die Umfangsspannung infolge des Innendrucks p bedingte primäre Vergleichsspannung mit den Formeln des Anhangs a unter Berücksichtigung des jeweils zutreffenden Spannungsvergleichswertes nach Stufe B gemäß den Tabellen 7.7-4 bis 7.7-6 zu begrenzen.
8.4.3.2 Ermittlung und Begrenzung der Vergleichsspannungsschwingbreite aus primären und sekundären Spannungen
Die Anwendung der Gleichungen dieses Abschnitts ergibt die Vergleichsspannungsschwingbreite, die durch die verschiedenen mechanischen oder thermischen Betriebstransienten hervorgerufen wird. Eine eventuelle Vorspannung bleibt hierbei unberücksichtigt. Folgende Bedingung soll erfüllt sein; anderenfalls ist nach Abschnitt 8.4.3.4 vorzugehen:
![]() |
(8.4-2) |
mit
| σII | Vergleichsspannungsschwingbreite aus primären und sekundären Spannungen | N / mm2 | |
| da, sc | siehe Abschnitt 8.4.2 | ||
| I | Flächenträgheitsmoment | mm4 | |
| C1, C2 | Spannungsbeiwerte, siehe Abschnitt 8.4.7 | ||
| p0 | Schwingbreite des Betriebsdrucks | MPa | |
| Erl | mittlerer Elastizitätsmodul der beiden betrachteten Seiten r und I einer struktur- der materialbedingten Unstetigkeit, bei Raumtemperatur | N / mm2 | |
| αr(α1) | linearer Wärmeausdehnungskoeffizient der Seite r(l) einer struktur- oder materialbedingten Unstetigkeit bei Raumtemperatur | 1 / K | |
| MiII | Resultierende größte Momentenschwingbreite
Bei der Kombination von Einzelbelastungen werden die richtungsgebundenen Anteile der Momentenschwingbreiten addiert und zur resultierenden
Belastungen infolge thermischer Schichtenströmung sind mit zu berücksichtigen. Beanspruchungen aus Gewichtskräften brauchen in der Gleichung (8.4-2) nicht berücksichtigt zu werden, da sie keine zyklische Belastung darstellen. |
Nmm | |
| ΔTmr (ΔTml) |
Schwingbreite der mittleren Wandtemperatur an der Seite r (l) einer struktur- oder materialbedingten Unstetigkeit (siehe Abschnitt 8.4.3.6). | K | |
| Sm | Spannungsvergleichswert gemäß Abschnitt 7.7 bei der Temperatur | N / mm2 | |
| T = 0,25 · `T + 0,75 · |
|||
| `T minimale Temperatur innerhalb des betrachteten Lastspiels |
|||
8.4.3.3 Ermittlung der Vergleichsspannungsschwingbreite aus primären und sekundären Spannungen sowie Spannungsspitzen
Die Vergleichsspannungsschwingbreite αIII aus primären und sekundären Spannungen sowie aus Spannungsspitzen muss nach Gleichung (8.4-3) errechnet werden und dient der Ermittlung der Vergleichsspannungsschwingbreite αVI nach Gleichung (8.4-7). Beanspruchungen infolge thermischer Schichtenströmung sind hierbei in geeigneter Weise mit zu berücksichtigen.
Hinweis:
Literatur [5] enthält einen Vorschlag zur Berücksichtigung der thermischen Schichtenströmung.
![]() |
(8.4-3) |
mit
| σIII | Vergleichsspannungsschwingbreite | N / mm2 |
aus primären und sekundären Spannungen sowie aus Spannungsspitzen
![]() |
siehe Abschnitt 8.4.3.2 |
| MiIII= MiII | siehe Abschnitt 8.4.3.2 |
| siehe Abschnitt 8.4.7Ô | |
| Δt1, ΔT2 | siehe Abschnitt 8.4.3.6 |
| α | linearer Wärmeausdehnungskoeffizient bei Raumtemperatur | 1 / K |
| E | Elastizitätsmodul bei Raumtemperatur | N / mm2 |
| v | Poisson'sche Zahl (= 0,3) |
8.4.3.4 Vereinfachtes Verfahren für elastoplastische Berechnungen
8.4.3.4.1 Bedingungen
Wenn die in der Gleichung (8.4-2) vorgeschriebene Begrenzung der Vergleichsspannungsschwingbreite für ein Paar von Beanspruchungszuständen oder mehrere Paare nicht eingehalten wird, so sind für diese die nachfolgend aufgeführten Bedingungen a), b) und c) zu erfüllen:
a) Begrenzung der Vergleichsspannungsschwingbreite aus sekundären Spannungen:
|
8.4-4) |
mit
| σIV | Vergleichsspannungsschwingbreite aus sekundären Spannungen | N / mm2 |
| C2, da, I | siehe Abschnitt 8.4.3.2 | |
| MiIV | Die größte Momentenschwingbreite aus Belastung infolge behinderter Wärmedehnung und zyklischer Fest- und Teilfestpunktverschiebung infolge Temperatur; Belastungen infolge thermischer Schichtenströmung sind mit zu berücksichtigen. |
Nmm |
| Sm | siehe Abschnitt 8.4.3.2 | N / mm2 |
b) Begrenzung der thermisch bedingten fortschreitenden Deformation:
Die Temperaturdifferenz ΔT1 gemäß Abschnitt 8.4.3.6 muss folgender Relation genügen:
| ΔT1 ≤ y ⋅ Rp0,2T / 0,7 ⋅ E ⋅ α ⋅ C5 | (8.4-5) |
Dabei gelten abhängig von x = p ⋅ da / 2 ⋅ sc ⋅ Rp0,2T
folgende Werte für y:
| x | y |
| 0,3 | 3,33 |
| 0,5 | 2,0 |
| 0,7 | 1,2 |
| 0,8 | 0,8 |
| Zwischenwerte sind linear zu interpolieren. | |
mit
| p | maximaler Druck bei den jeweils berücksichtigten Betriebszuständen | MPa |
| C5 | = 1,1 bei ferritischen und 1,3 bei austenitischen Stählen | |
| α, E | wie für Gleichung (8.4-2) definiert | |
| Rp0,2T | 0,2 %-Dehngrenze bei der mittleren Temperatur der berücksichtigten Transienten | N / mm2 |
c) Begrenzung der Vergleichspannungsschwingbreite aus primären und sekundären Membran- und Biegespannungen:
Die Vergleichsspannungsschwingbreite aus primären und sekundären Membran- und Biegespannungen ohne Spannungsanteile aus Momenten infolge behinderter Wärmedehnung ist nach Gleichung (8.4-6) zu begrenzen.
| (8.4-6) |
mit
| σV | Vergleichsspannungsschwingbreite aus primären und sekundären Membran- und Biegespannungen | N / mm2 |
| C1, C2, C4 | siehe Abschnitt 8.4.7 | |
![]() |
Abschnitt 8.4.3.2 | |
| MiV | Momentenschwingbreite MiII ohne MiIVfür die betrachteten Betriebszustände; falls MiIIals die Momentenschwingbreite der dynamischen Lasten eines Betriebszustandes gebildet wurde, ist zur Bildung von MiVdie halbe Schwingbreite des dynamischen Lastanteils von MiIIanzusetzen |
Nmm |
| Sm | siehe Abschnitt 8.4.3.2 | N / mm2 |
8.4.3.4.2 Vergleichsspannungsschwingbreite αVI
Mit der in der Gleichung (8.4-3) ermittelten Vergleichsspannungsschwingbreite aus primären und sekundären Spannungen sowie aus Spannungsspitzen für alle Paare von Beanspruchungszuständen lässt sich eine gegenüber σIIIerhöhte Vergleichsspannungsschwingbreite σVIbilden:
| σVI= Ke ⋅ | σIII| | (8.4-7) |
mit
| σVI | Vergleichsspannungsschwingbreite | N / mm2 |
| Ke | Plastifizierungsfaktor |
Die Größe von Ke hängt von der Größe der Vergleichsspannungsschwingbreite σIIgemäß Gleichung (8.4-2) ab und ergibt sich aus folgender Zuordnung:
wobei die Materialparameter m und n bis zu der Temperatur T gültig sind (siehe Tabelle 7.8-1).
8.4.3.5 Ermüdungsanalyse
8.4.3.5.1 Detaillierte Ermittlung des Erschöpfungsgrades
Die aus der Gleichung (8.4-3) ermittelten Vergleichsspannungsschwingbreiten σIII(für Ke= 1) oder die aus Gleichung (8.4-7) ermittelten Vergleichsspannungsschwingbreiten σVI(für Ke> 1) sind zur Bestimmung des Erschöpfungsgrades nach Abschnitt 7.8 heranzuziehen, wobei Sa gleich σIII / 2 oder σVI / 2 ist (Sa= halbe Vergleichsspannungsschwingbreite). Dabei sind die Ermüdungskurven aus den Bildern 7.8-1 bis 7.8-3 zugrunde zu legen.
8.4.3.5.2 Konservative Ermittlung des Erschöpfungsgrades
(1) Im Rahmen des komponentenspezifischen Verfahrens zur Ermittlung und Bewertung von Spannungen darf die Ermüdungsanalyse nach dem folgenden Verfahren durchgeführt werden. Dieses Verfahren ist zur konservativen Beurteilung eines Bauteils anzuwenden. Sollte sich nach diesem Verfahren keine Überschreitung des zulässigen Erschöpfungsgrades D ergeben, so braucht keine detaillierte Ermüdungsanalyse durchgeführt zu werden.
(2) Die Ermittlung der Vergleichsspannungsschwingbreite 2 · Sa= σIIIoder σVI(siehe Abschnitt 8.4.3.3 oder 8.4.3.4) muss mit Hilfe der Gleichung (8.4-3) bei Verwendung der nachfolgend definierten Schwingbreite der Belastungen erfolgen:
Hierbei ist MiIIIwie folgt zu ermitteln:
| MiIII= | (M12+M22+ M32)0,5 | (8.4-8) |
| M1,2,3 | Momentenschwingbreiten der Richtungen 1, 2, 3 aus den betrachteten Lastfallkombinationen |
(3) Der Erschöpfungsgrad D ergibt sich als Verhältnis der vorhandenen zur so ermittelten zulässigen Anzahl von Lastspielen. Liegt der Erschöpfungsgrad D unterhalb 1, so braucht keine weitere Betrachtung für diese Stelle im Rohrleitungssystem mehr angestellt zu werden.
Wenn eine mediumbedingte Verringerung der Ermüdungsfestigkeit nicht auszuschließen ist, ist ab einer Aufmerksamkeitsschwelle D = 0,4 durch folgende Maßnahmen eine Berücksichtigung des Mediums auf die Ermüdung erforderlich:
8.4.3.6 Ermittlung der Temperaturschwingbreiten
(1) Bei der Ermittlung der Temperaturschwingbreiten ΔTm, ΔT1und ΔT2 ist von den vorhandenen Temperaturverteilungen über der Wanddicke sc zu den relevanten Zeitpunkten auszugehen. Dabei ist eine zeit- und ortsabhängige Betrachtung zugelassen.
(2) Die Temperaturschwingbreite ΔT(y) für die Stelle y ergibt sich zu
| ΔT(y) = Tk(y) - Tj(y) | (8.4-9) |
mit
| y | radialer Abstand von der Wandmitte, nach außen gerichtet positiv
- sc / 2 ≤ y ≤ sc / 2 |
Tj(y) Temperatur im Abstand y von der Wandmitte zur Zeit t = j
Tk(y) Temperatur im Abstand y von der Wandmitte zur Zeit t = k
(3) Die vollständige Temperaturschwingbreite setzt sich gemäß Bild 8.4-2 aus drei Anteilen zusammen. Der Index a bezeichnet hierbei die Außenseite, der Index i die Innenseite.
(4) Für die Ermittlung der zugehörigen Spannungsschwingbreiten sind die nachfolgenden Beziehungen maßgebend:
a) Mittlere Schwingbreite
ΔTm als Differenz der mittleren Temperaturen Tmkund Tmj
![]() |
(8.4-10) |
mit
| Tmj, Tmk | Mittelwert der Temperatur über der Wanddicke sczum Zeitpunkt t = j, k |
| ΔTm | darf zur Ermittlung der Momentenschwingbreiten Miaus behinderter Wärmedehnung im System verwendet werden. |
mit entsprechenden Indizes auch für die Schwingbreiten der mittleren Wandtemperaturen an den Seiten r, l einer struktur- oder materialbedingten Unstetigkeit
ΔTmr = Tmrk- Tmrj; t = j, k,
ΔTml= Tmlk- Tmlj; t = j, k.
Diese Größen dürfen in den Gleichungen (8.4-2) und (8.4-3) eingesetzt werden. Für zylindrische Formen soll Tmrk, Tmrjüber einer Länge von (dir · sr)1 / 2
und Tmlk, Tmljüber einer Länge von (dil· sl)1 / 2gemittelt werden.
| dir (dil) | Innendurchmesser an der Stelle r (I) einer struktur- oder materialbedingten Unstetigkeit | mm |
| sr (sI) | mittlere Wanddicke innerhalb der Länge (dir · mm sr)1 / 2oder (dil· sl)1 / 2 |
Bild 8.4-2: Aufteilung der Temperaturschwingbreite
b) Schwingbreite ΔT1 der Temperaturdifferenz zwischen Außen- und Innenwandung bei Annahme linearer Temperaturverteilungen, die in der Wand die gleiche Momentendifferenz wie die vorhandenen Temperaturverteilungen erzeugen.
![]() |
(8.4-11) |
c) Schwingbreite ΔT2der nichtlinearen Anteile der vorhandenen Temperaturverteilungen.
![]() |
(8.4-12) |
8.4.4 Stufe P
(1) Die Prüfbedingungen der Stufe P sind in Anlehnung an die Forderungen nach Abschnitt 3.3.3.6 festzulegen.
(2) Die Spannungen werden mit der Gleichung (8.4-1) ermittelt und mit 1,35 · Rp0,2PTbegrenzt. Nur bei mehr als 10 Lastspielen sind auch die Spannungen mit der Gleichung (8.4-3) zu ermitteln und die zugehörigen Lastwechsel müssen als Anteil der Gesamterschöpfung des Werkstoffs in der Ermüdungsanalyse berücksichtigt werden.
8.4.5 Stufen C und D
(1) Für die komponentenspezifische Spannungsanalyse von Rohrleitungen gelten die Forderungen der Abschnitte 3.3.3.4 und 3.3.3.5.
(2) Bei der Stufe C werden die primären Spannungen nach Gleichung (8.4-1) ermittelt, aber mit 2,25 · Sm, jedoch nicht höher als 1,8 · Rp0,2T, abgesichert. Hierbei ist für p der jeweilige Druck einzusetzen. Wenn der maximale Innendruck mehr als das 1,5fache des Auslegungsdrucks beträgt, ist die durch die Umfangsspannung infolge des Innendrucks p bedingte primäre Vergleichsspannung mit den Formeln des Anhangs a unter Berücksichtigung des jeweils zutreffenden Spannungsvergleichswertes nach Stufe C gemäß den Tabellen 7.7-4 bis 7.7-6 zu begrenzen.
(3) Bei der Stufe D werden die primären Spannungen nach Gleichung (8.4-1) ermittelt, aber mit dem kleineren Wert von 3 · Sm und 2 · Rp0,2T abgesichert. Hierbei ist für p der jeweilige Druck einzusetzen. Wenn der maximale Innendruck mehr als das 2fache des Auslegungsdrucks beträgt, ist die durch die Umfangsspannung infolge des Innendrucks bedingte primäre Vergleichsspannung mit den Formeln des Anhangs a unter Berücksichtigung des jeweils zutreffenden Spannungsvergleichswertes nach Stufe D gemäß den Tabellen 7.7-4 bis 7.7-6 zu begrenzen.
8.4.6 Beanspruchungsstufen von Sonderlastfällen
Maßgebend für die Durchführung von Festigkeitsnachweisen ist Abschnitt 3. Die primären Spannungen gemäß Gleichung (8.4-1) sind so zu berücksichtigen, dass keine Schädigung der Rohrleitung und ihrer Komponenten eintritt.
8.4.7 Spannungsbeiwerte
8.4.7.1 Allgemeines
(1) Die anzuwendenden Spannungsbeiwerte (B-, C- und K-Zahlen), die in den Gleichungen (8.4-1) bis (8.4-4) und (8.4-6) dieses Abschnitts zu verwenden sind, sind in Tabelle 8.4-1 angegeben.
(2) In der Tabelle 8.4-1 sind Spannungsbeiwerte für einige Rohrleitungsteile und -verbindungen angegeben. Bei besonderem Nachweis dürfen auch kleinere Spannungsbeiwerte als die in der Tabelle 8.4-1 angegebenen verwendet werden.
(3) Für Rohrleitungsteile, die in Tabelle 8.4-1 nicht aufgeführt sind, oder für die die angegebenen Voraussetzungen nicht eingehalten werden, sind Spannungsbeiwerte durch Versuchsauswertung zu ermitteln oder durch theoretischen Nachweis zu erbringen.
(4) Spannungsbeiwerte dürfen auch nach anderen anerkannten Vorschriften, Richtlinien und Normen bestimmt werden.
8.4.7.2 Definition der Spannungsbeiwerte
(1) Der allgemeine Ausdruck für einen Spannungsbeiwert infolge von mechanischer Belastung ist
| B, C, K = σe / σ | (8.4-13) |
mit
| σe | ideal-elastische Spannung, Vergleichsspannung oder Vergleichsspannungsschwingbreite infolge mechanischer Belastung | N / mm2 |
| σ | Nennspannung infolge mechanischer Belastung | N / mm2 |
(2) Die B-Faktoren sind aus Traglastbetrachtungen abgeleitet. Für die C- oder K-Zahlen stellt 2e die maximale Vergleichsspannung oder Vergleichsspannungsschwingbreite der betrachteten Struktur infolge Belastung dar. Die Nennspannung σ ist im Einzelnen in den Gleichungen (8.4-1) bis (8.4-4) und (8.4-6) dargestellt.
(3) Der allgemeine Ausdruck für einen Spannungsbeiwert infolge einer Temperaturbelastung ist:
| C, K = σe / E ·a· ΔΤ | (8.4-14) |
mit
| σe | idealelastische Spannung, Vergleichsspannung oder Vergleichsspannungsschwingbreite infolge Temperaturbelastung | N / mm2 |
| E | Elastizitätsmodul | N / mm2 |
| α | linearer Wärmeausdehnungskoeffizient | 1 / K |
| ΔT | Temperaturgradient oder Temperaturschwingbreite | K |
8.4.7.3 Bedingungen zur Verwendung der Spannungsbeiwerte
8.4.7.3.1 Allgemeines
(1) Die hier und in Tabelle 8.4-1 angegebenen Spannungsbeiwerte einschließlich der im folgenden aufgeführten Einschränkungen sind in Verbindung mit den Bedingungen der Abschnitte 8.4.1 bis 8.4.6 anzuwenden.
(2) Für die Ermittlung der Spannungsbeiwerte und der Spannung gemäß Gleichung (8.4-1) bis (8.4-7) sind die Nennabmessungen zu verwenden, wobei zwischen Außen- und Innendurchmesser die Beziehung
| di = da- 2· sc | (8.4-15) |
zu beachten ist.
| sc | Wanddicke des Rohres gemäß Abschnitt 8.4.2 | mm |
(3) Für Rohrleitungsformstücke wie Reduzierungen und kegelige Übergangsstücke sollen die Nennabmessungen des weiteren oder engeren Endes verwendet werden, je nachdem, welche die größeren da / sc-Werte ergeben.
(4) Belastungen, für die Spannungserhöhungsfaktoren angegeben sind, umfassen: Innendruck, Biege- und Torsionsmomente sowie Temperaturdifferenzen. Die Erhöhungsfaktoren sind hinreichend konservativ anzunehmen, so dass sie auch die Einflüsse der Querkräfte abdecken, die normalerweise in einem flexiblen Rohrsystem auftreten. Wenn jedoch Normal- oder Querkräfte signifikante Belastungsgrößen in einem Rohrleitungsbauteil darstellen, so soll der Einfluss dieser Kräfte in den Spannungsnachweis einbezogen werden. Die Kräfte und Momente sollen mit Hilfe einer Rohrsystemberechnung ermittelt werden.
(5) Die Spannungsbeiwerte für Schweißnähte sind nicht anwendbar, wenn die radiale Schweißnahtschrumpfung größer als 0,25 · scist.
(6) Die in Tabelle 8.4-1 angegebenen Spannungsbeiwerte gelten nur dann für stumpfgeschweißte Umfangsnähte, wenn die Wanddicken der benachbarten Bauteile innerhalb eines Abstandes von (da, · sc)0,5, von der Schweißnaht aus gemessen, zwischen 0,875 × sc und 1,1 × sc liegen.
(7) Für Bauteile mit stumpfgeschweißten Längsnähten müssen die ausgewiesenen K1-, K2- und K3-Indizes mit 1,1 für bearbeitete oder mit 1,3 für unbearbeitete Nähte multipliziert werden. An der Schnittstelle einer Längsnaht im geraden Rohr mit einer Umfangsstumpf- oder -kehlnaht werden die C1-, K1-, C2-, K2- und K3-Indizes als Produkt der entsprechenden Indizes ermittelt.
(8) Im Allgemeinen, und wenn nicht anders spezifiziert, wird keine Produktbildung der Spannungsbeiwerte für zwei aneinandergeschweißte Bauteile (z.B. T-Stück und Reduzierung, T-Stück und Rundnaht) gefordert. Die Nachweise für das Bauteil und die Schweißnaht werden getrennt geführt.
(9) Bei Biegung oder Bogen, die miteinander unmittelbar verschweißt oder durch ein gerades Rohrstück, dessen Länge kleiner ist als der Durchmesser, verbunden sind, werden die Spannungsbeiwerte als Produkt der Beiwerte für Biegungen oder Bogen und derjenigen für die Umfangsstumpfnaht angesetzt. Ausgenommen hiervon sind die Spannungsindizes B1und C4.
(10) Die Spannungsbeiwerte in Tabelle 8.4-1 sind anwendbar für Bauteile und Schweißnähte mit einer Unrundheit da - `dakleiner als oder gleich 0,08 · sc. Für gerade Rohre, Biegungen, Längsnähte im geraden Rohr, Rundnähte und Wanddickenübergangsstücke, die diese Forderung nicht erfüllen, werden die Spannungsbeiwerte wie folgt modifiziert:
a) Wenn der Querschnitt unrund, jedoch ohne Unstetigkeit im Radius (z.B. ein elliptischer Querschnitt) ist, dann erhält man einen erlaubten K1-Wert durch Multiplikation des ausgewiesenen Wertes mit dem Faktor
| (8.4-16) |
mit
| p | Maximaldruck im betrachteten Lastzyklus | MPa |
| da | größter Außendurchmesser des Querschnitts | mm |
| _ da |
kleinster Außendurchmesser des Querschnitts |
mm |
| E | Elastizitätsmodul des Werkstoffes bei Raumtemperatur | N / mm2 |
b) Sind örtliche Unrundheiten vorhanden, z.B. eine flache Stelle, und ist da- %`d a nicht größer als 0,08 · da, dann darf ein zulässiger Wert für K1 gefunden werden durch Multiplizieren der K1-Zahlen aus der Tabelle 8.4-1 mit dem Faktor F1b:
| F1b= 1 + 2sc · M · Rp0,2T / da · p | (8.4-17) |
mit
M = 2 für ferritische Stähle und Nichteisenwerkstoffe mit Ausnahme von Nickel-Basis-Legierungen
M = 2,7 für austenitische Stähle und Nickel-Basis-Legierungen
| Rp0,2T | Streckgrenze bei Auslegungstemperatur | N / mm2 |
| p | Auslegungsdruck | Mpa |
Tabelle 8.4-1: Spannungsbeiwerte in den Gleichungen (8.4-1) bis (8.4-4) und (8.4-6)
| Rohrleitungsteil oder Verbindung | Innendruckbelastung | Momentenbelastung | Temperaturbelastung | ||||||
| B1 | C1 | K1 | B2 | C2 | K2 | C3 | K3 | C4 | |
| Gerades Rohr ohne Schweißnähte und andere Störstellen1 | 0,5 | 1,0 | 1,0 | 1,0 | 1,0 | 1,0 | 0,6 | 1,0 | 0,5 |
| Stumpfgeschweißte Umfangsnähte zwischen geraden Rohren oder Rohr und stumpfgeschweißtem Bauteil | |||||||||
| a) bearbeitet1 | 0,5 | 1,0 | 1,1 | 1,0 | 1,0 | 1,1 | 0,6 | 1,1 | 0,6 |
| b) unbearbeitet2 | 0,5 | 1,0 | 1,2 | 1,0 | 1,02 | 1,8 | 0,6 | 1,7 | 0,6 |
| Stumpfgeschweißte Längsnähte in geraden Rohren1 | |||||||||
| (a) bearbeitet2 | 0,5 | 1,0 | 1,1 | 1,0 | 1,0 | 1,1 | 1,0 | 1,1 | 0,5 |
| (b) unbearbeitet sc> 5 mm | 0,5 | 1,1 | 1,2 | 1,0 | 1,2 | 1,3 | 1,0 | 1,2 | 0,5 |
| (c) unbearbeitet sc ≤ 5 mm |
0,5 | 1,4 | 2,5 | 1,0 | 1,2 | 1,3 | 1,0 | 1,2 | 0,5 |
| Wanddickenübergangsstücke1 | |||||||||
| (a) bearbeitet oder keine Umfangsnaht näher als (dRm / 2 · Rc)1 / 2 | 0,5 | 3 | 1,2 | 1,0 | 3 | 1,1 | 3 | 1,1 | 1,0 |
| (b) unbearbeitet | 0,5 | 3 | 1,2 | 1,0 | 3 | 1,8 | 3 | 1,7 | 1,0 |
| Stumpfgeschweißte Reduzierstücke nach Bild 8.4-51 | 1,04 | 4 | 4 | 1,0 | 4 | 4 | 1,0 | 1,0 | 0,5 |
| Bögen oder Biegungen1 | 5 | 5 | 1,0 | 5 | 5 | 1,0 | 1,0 | 1,0 | 0,5 |
| Abzweige nach Abschnitt a 2.71 | |||||||||
| 0,5 | 7 | 2,0 | 7 | 7 | 7 | 1,8 | 1,7 | 1,0 | |
|
Einschweiß-T-Stücke nach Abschnitt a 4.61 |
|||||||||
| 0,5 | 1,5 | 4,0 | 8 | 8 | 8 | 1,0 | 1,0 | 0,5 | |
| Die Verwendung der Spannungsbeiwerte ist nur erlaubt, wenn die Forderungen der Dimensionierung gemäß Anhang a erfüllt sind. Außerdem sind die B-Werte nur anwendbar, falls da / sc ≤ 50, die C- und K-Werte, falls da / sc ≤ 100 ist. Für 50 < da / sc ≤ 100 bleiben die B1-Werte gültig, die B2-Werte sind mit dem Faktor 1 / (X · Y) zu multiplizieren, wobei X = 1,3 - 0,006 · (da / sc) und Y = 1,0224 - 0,000594 · T mit Y ≤ 1,0 für ferritische und Y = 1,0 für andere Werkstoffe. T : Auslegungstemperatur in °C 1) siehe Abschnitt 8.4.7.3.1 |
|||||||||
8.4.7.3.2 Schweißnähte
(1) Die in Tabelle 8.4-1 angegebenen Spannungsbeiwerte gelten für stumpfgeschweißte Längsnähte in geraden Rohren, für stumpfgeschweißte Umfangsnähte bei angeschlossenen Bauteilen gleicher Nennwanddicke mit Ausnahme der im folgenden definierten Abweichungen.
(2) Schweißverbindungen werden entweder als bearbeitet oder unbearbeitet bezeichnet, wenn sie die jeweiligen Anforderungen in den nachfolgenden Festlegungen erfüllen.
Die Schweißnahtüberhöhung darf insgesamt auf der Innen- und Außenoberfläche nicht größer als 0,1 · scsein.
Es darf weder auf der inneren noch auf der äußeren Oberfläche ein Nahteinfall auftreten.
Ebenso darf die fertige Kontur an keiner Stelle eine größere Neigung als 7 Grad aufweisen, wobei der Winkel zwischen der Tangente an die Schweißnaht und der Bauteiloberfläche gemessen wird (siehe Bild 8.4-3).
Bild 8.4-3: Zulässige Kontur der Schweißnaht
(3) Für unbearbeitete Schweißnähte, die Bauteile mit Nennwanddicken kleiner als 6 mm verbinden, gilt folgender Faktor C2:
| C2= 1,0 + 3 (δ / sc) | (8.4-18) |
jedoch nicht größer als 2,1
mit
| δ | zulässiger mittlerer Versatz an Stumpfnähten gemäß Bild 8.4-4. Für δ darf ein kleinerer Wert als 0,8 mm eingesetzt werden, sofern ein kleinerer Wert für die Herstellung spezifiziert ist. Es kann auch der gemessene Kantenversatz verwendet werden. Für bearbeitete Schweißnähte darf δ = 0 gesetzt werden. | mm |
8.4.7.3.3 Wanddickenübergangsstücke
(1) Die in Tabelle 8.4-1 angegebenen Spannungsbeiwerte gelten für stumpfgeschweißte Umfangsnähte zwischen einem Rohr, dessen Wanddicke innerhalb eines Abstandes (da · sc)0,5 vom Schweißende in einem Toleranzfeld von 0,875 · scbis 1,1 · scliegt, und dem Übergangsbeginn zu einem dickwandigeren zylindrischen Bauteil (Rohr, Anschlussstutzen, Flansch) mit größerem oder gleichem Außendurchmesser und kleinerem oder gleichem Innendurchmesser.
(2) Für Übergangsstücke, die an der Außenseite mindestens über eine Länge 1,5 - scvom Schweißende her eine Neigung kleiner als oder gleich 30 Grad und anschließend mindestens über eine Länge 0,5 - sceine Neigung kleiner als oder gleich 45 Grad sowie an der Innenseite mindestens über eine Länge 2 - scvom Schweißende her eine Neigung kleiner als oder gleich 1:3 aufweisen, gilt für die Beiwerte C1, C2, C3:
| C1= 0,5 + 0,33 (da / sc)0,3 + 1,5 · (δ / sc) | (8.4-19) |
aber nicht größer als 1,8
| C2 = 1,7 + 3,0 · (δ / sc) | (8.4-20) |
aber nicht größer als 2,1
| C3= 1,0 + 0,03 · (da / sc) | (8.4-21) |
aber nicht größer als 2,0.
(3) Für Übergangsstücke, die an der Außenseite, der Innenseite oder beiden Seiten mindestens über einer Länge (da· sc)0,5vom Schweißende her eine Neigung kleiner als oder gleich 1:3 aufweisen, gilt für die Beiwerte C1, C2, C3:
| C1 = 1,0 + 1,5 · (δ / sc) | (8.4-22) |
aber nicht größer als 1,8
| C2= |
(8.4-23) |
aber nicht größer als der kleinere Wert von
| [1,33 + 0,04 (da / sc)0,5 + 3 (δ / sc)] und 2,1
C3= 0,35 ( |
(8.4-24) |
aber nicht größer als 2,0.
(4) Für die Wanddickenübergangsstücke nach diesem Abschnitt ist δ gemäß Bild 8.4-4 zu wählen. Für bearbeitete Schweißnähte und für unbearbeitete Schweißnähte zwischen Bauteilen mit sc größer als 6 mm kann δ = 0 gesetzt werden.
(5)
ist die größte Wanddicke innerhalb der Übergangszone. Ist
/ sc kleiner als oder gleich 1, 1, so können die Beiwerte für Rundnähte verwendet werden.
8.4.7.3.4 Reduzierstücke
8.4.7.3.4.1 Allgemeines
Die in Tabelle 8.4-1 angegebenen Spannungsbeiwerte sind unter Berücksichtigung der nachfolgend aufgeführten Einschränkungen auf konzentrische Reduzierstücke anwendbar (siehe Bild 8.4-5).
8.4.7.3.4.2 Primärspannungsbeiwerte
B1= 0,5 für α ≤ 30°
B1= 1 für 30 ° < α ≤ 60°
Bild 8.4-4: Ausrichtungstoleranzen für Stumpfschweißungen und zulässige Neigungswinkel für ungleiche Innen- und Außendurchmesser, wenn Bearbeitung oder Gegenschweißen von innen nicht möglich ist
Bild 8.4-5: Konzentrisches Reduzierstück
8.4.7.3.4.3 Primär- plus Sekundärspannungsbeiwerte
(1) Für Reduzierstücke mit r1 und r2 größer als oder gleich 0,1 · d1:
| C1= 1,0 + 0,0058 · α · (dn / sn)0,5 | (8.4-25) |
| C2= 1,0 + 0,36 · α0,4· (dn / sn)0,4 (d2 / d1 · 0,5) | (8.4-26) |
(2) Für Reduzierstücke mit r1 oder r2 < 0,1 · d1:
| C1= 1,0 + 0,00465 · α 1,285· (dn / sn)0,39 | (8.4-27) |
| C2= 1,0 + 0,0185 · α · (dn / sn)0,5 | (8.4-28) |
(3) Dabei ist dn / snder größere Wert von d1 / s1und d2 / s2undader Neigungswinkel in Grad gemäß Bild 8.4-5.
8.4.7.3.4.4 Spitzenspannungsbeiwerte
(1) Die nachfolgend angegebenen Beiwerte K1und K2sollen abhängig von der Art der Anschlussschweißnaht, der Größe des Kantenversatzes und der Dickenverhältnisse verwendet werden.
(2) Für Reduzierstücke, die mit dem Rohr durch bearbeitete Rundnähte (siehe Abschnitt 8.4.7.3.2) verbunden sind:
| K1 = 1,1 - 0,1 · Lm / (dm· sm)0,5 | (8.4-29) |
jedoch nicht kleiner als 1,0 K2 = K1
(3) Für Reduzierstücke, die mit dem Rohr durch unbearbeitete Rundnähte (siehe Abschnitt 8.4.7.3.2) verbunden sind, wobei s1oder s2größer als 5 mm und δ1 / s1 oder δ2 / s2 nicht größer als 0,1 sind:
| K1= 1,2 - 0,2 · Lm / (dm · sm)0,5 | (8.4-30) |
jedoch nicht kleiner als 1,0
| K2= 1,8 - 0,8 · Lm / (dm · sm)0,5 | (8.4-31) |
jedoch nicht kleiner als 1,0
(4) Für Reduzierstücke, die mit dem Rohr durch unbearbeitete Rundnähte (siehe Abschnitt 8.4.7.3.2) verbunden sind, wobei s1 oder s2 nicht größer als 5 mm oder δ1 / s1oder δ2 / s2größer als 0,1 sind:
| K1= 1,2 - 0,2 · Lm / (dm · sm)0,5 | (8.4-32) |
jedoch nicht kleiner als 1,0,
| K2= 2,5 - 1,5 · Lm / (dm · sm)0,5 | (8.4-33) |
jedoch nicht kleiner als 1,0.
Lm / (dm · sm)0,5ist der kleinere Wert von L1 / (d1 · s1)0,5oder L2 / (d2 · s2)0,5.
δ1, δ2ist der Kantenversatz am weiten oder engen Ende der Reduzierung (s. Abschnitt 8.4.7.3.2 und Bild 8.4-4).
8.4.7.3.5 Bögen oder Biegungen
Die Spannungsbeiwerte nach Tabelle 8.4-1 gelten mit folgenden Ergänzungen für Einschweißbögen oder Biegungen:
| B1= -0,1 + 0,4 · h | (8.4-34) |
jedoch weder kleiner als Null, noch größer als 0,5
| B2= 1,3 / h2 / 3 | (8.4-35) |
jedoch nicht kleiner als 1,0
| C1 = (2 · R - rm) / 2 · (R - rm) | (8.4-36) |
| C2= 1,95 / h2 / 3 | (8.4-37) |
jedoch nicht kleiner als 1,5 mit
R : Biegeradius
rm= dm / 2
dm= da- sc
h = 4 · sc· R / dm2
8.4.7.3.6 Abzweige und Einschweiß-T-Stücke
8.4.7.3.6.1 Allgemeines
(1) Für die Spannungsermittlung nach den Gleichungen (8.4-1) bis (8.4-4) und (8.4-6) sind bei Abzweigbauteilen die nachfolgend beschriebenen Festlegungen zu beachten.
(2) Die Momente sind für den Schnittpunkt zwischen Hauptleitung und Abzweig zu berechnen.
Für MA:
| Ma= (M21A + M22A + M23A)0,5= resultierendes Moment auf den Abzweig | (8.4-38) |
Für MH:
| MH= (M21H + M22H + M23H)0,5resultierendes Moment auf die Hauptleitung | (8.4-39) |
worin M1H, M2Hund M3Hwie folgt zu berechnen sind:
Haben die richtungsgebundenen Momente in den Anschlüssen der Hauptleitung 1 und 2 gleiche Vorzeichen, siehe Bild 8.4-6, so sind ihre Anteile zur Bildung des resultierenden Moments MHNull. Andernfalls ist der kleinere der Absolutwerte an den Schnitten von 1 und 2 zur Bildung von MHheranzuziehen.
![]() |
weiter . | ![]() |
(Stand: 16.09.2019)
Alle vollständigen Texte in der aktuellen Fassung im Jahresabonnement
Nutzungsgebühr: ab 105.- € netto
(derzeit ca. 7200 Titel s.Übersicht - keine Unterteilung in Fachbereiche)
Die Zugangskennung wird kurzfristig übermittelt
? Fragen ?
Abonnentenzugang/Volltextversion