umwelt-online: DIN 1045-1 Tragwerke aus Beton, Stahlbeton und Spannbeton; Bemessung und Konstruktion (13)
![]() |
zurück | ![]() |
13.4.4 Scheibenwirkung
(1) Eine aus Fertigteilen zusammengesetzte Decke gilt als tragfähige Scheibe, wenn sie im endgültigen Zustand eine zusammenhängende, ebene Fläche bildet, die Einzelteile der Decke in Fugen druckfest miteinander verbunden sind und wenn in der Scheibenebene wirkende Beanspruchung (z.B. aus Stützenschiefstellung und Windeinwirkung) durch Bogen- oder Fachwerkwirkung zusammen mit den dafür bewehrten Randgliedern (Ringankern, siehe 13.12.2) und Zugankern aufgenommen werden können.
(2) Die zur Fachwerkwirkung erforderlichen Zuganker müssen durch Bewehrungen gebildet werden, die in den Fugen zwischen den Fertigteilen oder gegebenenfalls in der Ortbetonergänzung verlegt und in den Randgliedern nach 12.6 verankert und nach 12.8 gestoßen werden. Die Bewehrung der Randglieder und Zuganker ist rechnerisch nachzuweisen.
Bild 75 - Fugenverzahnung

Legende
| a) | für Scheibenquerkräfte |
| b) | für Scheiben- und Plattenquerkräfte (Querverteilung) |
(3) Fugen, die von Druckstreben des Ersatztragwerks (Bogen oder Fachwerk) gekreuzt werden, müssen nach 10.3.6 nachgewiesen werden. Wird aufgrund dieser Bemessung eine Verzahnung in Scheibenebene erforderlich, so kann diese nach Bild 75 ausgeführt werden.
13.5 Stützen
13.5.1 Allgemeines
(1) Die geringste zulässige Seitenlänge eines Stützenquerschnitts ist:
(2) Der Durchmesser der Längsbewehrungsstäbe muss mindestens 12 mm betragen.
(3) Der Abstand der Längsstäbe darf 300 mm nicht überschreiten. In Stützen mit polygonalem Querschnitt muss mindestens in jeder Ecke ein Stab liegen. In Stützen mit Kreisquerschnitt sind mindestens 6 Stäbe anzuordnen. Für Querschnitte mitb< 400 mm undh<b genügt je ein Bewehrungsstab in den Ecken.
13.5.2 Mindest- und Höchstwert des Längsbewehrungsquerschnitts
(1) Der Mindestwert der gesamten Querschnittsfläche der LängsbewehrungAs, min ist nach Gleichung (155) zu ermitteln:
| As, min = 0,15 |NEd| /fyd mitfyd =fyk/γs | (155) |
(2) Der gesamte Bewehrungsquerschnitt darf, auch im Bereich von Übergreifungsstößen, den maximalen Wert von 0,09Ac nicht überschreiten.
13.5.3 Querbewehrung
(1) Die Längsbewehrung von Stützen muss durch Querbewehrung umschlossen werden. Der Durchmesser der Querbewehrung (Bügel, Schlaufen oder Wendeln) darf nicht weniger als ein Viertel des maximalen Durchmessers der Längsbewehrung, muss jedoch mindestens 6 mm betragen. Der Stabdurchmesser bei Betonstahlmatten als Bügelbewehrung muss mindestens 5 mm betragen.
(2) Die Verwendung von Stabbündeln mitdsV > 28 mm als Druckbewehrung muss abweichend von Absatz (1) der Mindeststabdurchmesser für Einzelbügel und für Bügelwendeln 12 mm betragen.
(3) Die Querbewehrung ist ausreichend zu verankern. Für Bügel gilt Bild 56 e).
(4) Die Bügelabstände dürfen den kleinsten der folgenden Abstände nicht überschreiten:
(5) Die Bügelabstände nach Absatz (4) sind mit dem Faktor 0,6 zu vermindern:
(6) In oder in der Nähe jeder Ecke ist eine Anzahl von maximal 5 Stäben durch die Querbewehrung nach den Absätzen (1) bis (5) gegen Ausknicken zu sichern.
(7) Weitere Längsstäbe und solche, deren Abstand vom Eckbereich den 15fachen Bügeldurchmesser überschreitet, sind durch zusätzliche Querbewehrung nach Absatz (3) zu sichern, die höchstens den doppelten Abstand der Querbewehrung nach Absatz (1) und Absatz (4) haben darf.
13.6 Wandartige Träger
(1) Für die Mindestwanddicken gelten die Regelungen für Wände nach 13.7.
(2) Wandartige Träger sind an beiden Außenflächen mit einem rechtwinkligen Bewehrungsnetz zu versehen. Die Querschnittsfläche der Bewehrung darf je Außenfläche und Richtung den Wertas = 1,5 cm2/m und 0,075 % des BetonquerschnittsAc nicht unterschreiten.
(3) Die Maschenweite des Bewehrungsnetzes darf nicht größer als die doppelte Wanddicke und nicht größer als 300 mm sein.
13.7 Wände
13.7.1 Stahlbetonwände
(1) Dieser Abschnitt gilt für Stahlbetonwände, bei denen die Bewehrung beim Nachweis im Grenzzustand der Tragfähigkeit berücksichtigt wird. Für Wände mit überwiegender Biegung senkrecht zu ihrer Ebene gelten die Regeln für Platten (siehe 13.3). Für Halbfertigteile gelten die allgemeinen bauaufsichtlichen Zulassungen.
(2) Für die Mindestwanddicken gelten die Angaben in Tabelle 32.
(3) Die Querschnittsfläche der lotrechten Bewehrung muss mindestens 0,0015Ac, bei schlanken Wänden nach 8.6.3 oder solchen mit |NEd|> 0,3fcd *Ac mindestens 0,003Ac betragen und darf den Wert 0,04Ac nicht übersteigen. Im Allgemeinen sollte diese Bewehrung auf der Wandaußenseite liegen.
(4) Der Bewehrungsgehalt sollte an beiden Wandaußenseiten im Allgemeinen gleich groß sein.
(5) Die Querschnittsfläche der Querbewehrung muss mindestens 20 % der Querschnittsfläche der lotrechten Bewehrung betragen. Bei Wandscheiben, schlanken Wänden nach 8.6.3 oder solchen mit |NEd|> 0,3fcd *Ac darf die Querschnittsfläche der lotrechten Bewehrung sein. Die waagerechte, parallel zu den Wandaußenseiten und zu den freien Kanten verlaufende Bewehrung sollten außenliegend vorgesehen werden.
(6) Der Durchmesser der horizontalen Bewehrung muss mindestens ein Viertel des Durchmessers der lotrechten Stäbe betragen.
Tabelle 32 - Mindestwanddicken für tragende Wände (in Zentimeter)
| Zeile | Spalte | 1 | 2 | 3 | 4 | |
| Mindestwanddicken in cm | unbewehrte Wände | Stahlbetonwände | ||||
| Decken nicht durchlaufend | Decken durchlaufend | Decken nicht durchlaufend | Decken durchlaufend | |||
| 1 | C12115 oder
LC12113 |
Ortbeton | 20 | 14 | - | - |
| 2 | ab C16120
oder LC16118 |
Ortbeton | 14 | 12 | 12 | 10 |
| 3 | Fertigteil | 12 | 10 | 10 | 8 | |
(7) Der Abstands zwischen zwei benachbarten waagerechten Stäben darf maximal 350 mm betragen.
(8) Für Beton ab der Festigkeitsklasse C70/85 sollte der Abstand zwischen zwei benachbarten lotrechten Stäben nicht über der 2fachen Wanddicke oder 300 mm liegen (der kleinere Wert ist maßgebend).
(9) Wenn die Querschnittsfläche der lastabtragenden lotrechten Bewehrung 0,02Ac übersteigt, muss diese Bewehrung durch Bügel nach 13.5.3 umschlossen werden.
(10) An freien Rändern von Wänden mit einer BewehrungAs> 0,003Ac je Wandseite müssen die Eckstäbe durch Steckbügel gesichert werden (siehe Bild 71).
(11) Die außenliegenden Bewehrungsstäbe beider Wandseiten sind je m2 Wandfläche an mindestens vier versetzt angeordneten Stellen zu verbinden, z.B. durch S-Haken, oder bei dicken Wänden mit Steckbügeln im Innern der Wand zu verankern, wobei die freien Bügelenden die Verankerungslänge 0,5lb haben müssen (mitlb nach 12.6.2). S-Haken dürfen bei Tragstäben mitds< 16 mm entfallen, wenn deren Betondeckung mindestens 2ds beträgt; in diesem Fall und stets bei Betonstahlmatten dürfen die druckbeanspruchten Stäbe außen liegen.
13.7.2 Wand-Decken-Verbindungen bei Fertigteilen
(1) Wird eine Fertigteilwand auf einer Fuge zwischen zwei Deckenplatten oder auf einer Deckenplatte angeordnet, die vollständig mit einer Außenwand verbunden ist (siehe Bild 76), und fehlen andere wirksame Maßnahmen, sind höchstens 50 % des lastabtragenden Querschnitts der Wand für die Bemessung als mitwirkend anzusetzen. Die Verbindung ist in geeigneter Weise auszubilden.
Bild 76 - Auflagerung von Deckenplatten auf Fertigteilwänden

Legende
| a) | Mittelauflager |
| b) | Randauflager |
| 1 | Fertigteilwände |
| 2 | Fertigteildeckenplatten |
| 3 | Fugenverguß |
(2) Abweichend von Absatz (1) dürfen maximal 60 % des tragenden Wandquerschnitts in Rechnung gestellt werden, wenn die nachfolgend angegebenen Festlegungen eingehalten werden:
| - | die Querschnittsfläche einer zusätzlichen Querbewehrung am Wandfuß (siehe Bild 77) beträgt mindestens: | ||
| asw =h/8 | (156) | ||
| mitasw in cm2/m undh in cm | |||
| - | der Abstands dieser Querbewehrung beträgt in Richtung der Wandlängsachse: | ||
![]() |
(der kleinere Wert ist maßgebend) | (157) | |
| - | der Durchmesserds der LängsbewehrungAsl am Wandfuß beträgt mindestens 6 mm. |
Bild 77 - Zusätzliche Querbewehrung des Wandfußes
Legende
| 1 | Fertigteilwand |
| 2 | Decke |
13.7.3 Sandwichtafeln
(1) Bei der Bemessung von Sandwichtafeln müssen die Einflüsse von Temperatur, Feuchtigkeit, Austrocknen und Schwinden in ihrem zeitlichen Verlauf berücksichtigt werden.
(2) In Sandwichtafeln sind ausschließlich bauaufsichtlich zugelassene, korrosionsbeständige Werkstoffe für die Verbindungen der einzelnen Schichten zu verwenden.
(3) Die Mindestbewehrung der tragenden Schicht der Tafeln sollte an beiden Seiten in der horizontalen und vertikalen Richtung nicht weniger als 1,3 cm2/m betragen. Im Allgemeinen ist eine Randbewehrung (siehe Bild 71) nicht erforderlich.
(4) In der Vorsatzschicht einer Sandwichtafel darf die Bewehrung einlagig angeordnet werden.
(5) Die Mindestdicke für Trag- und Vorsatzschicht beträgt 70 mm.
13.7.4 Unbewehrte Wände
(1) Unbewehrte Wände sind nach 10.2 (2) zu bemessen.
(2) Für die Mindestdicke von unbewehrten Wänden gelten die Angaben in Tabelle 32.
(3) Aussparungen, Schlitze, Durchbrüche und Hohlräume sind bei der Bemessung der Wände zu berücksichtigen, mit Ausnahme von lotrechten Schlitzen sowie lotrechten Aussparungen und Schlitzen von Wandanschlüssen, die den nachstehenden Regelungen für nachträgliches Einstemmen genügen. Das nachträgliche Einstemmen ist nur bei lotrechten Schlitzen bis 30 mm Tiefe zulässig, wenn ihre Tiefe höchstens 1/6 der Wanddicke, ihre Breite höchstens gleich der Wanddicke, ihr gegenseitiger Abstand mindestens 2,0m und die Wand mindestens 120 mm dick ist.
13.8 Verbindung und Auflagerung von Fertigteilen
13.8.1 Allgemeines
(1) Verbindungen müssen so bemessen werden, dass sie allen Einwirkungen widerstehen, wobei die Annahmen zu berücksichtigen sind, die für die Schnittgrößenermittlung des Tragwerks als Ganzes und für die Bemessung der einzelnen, zu verbindenden Bauteile getroffen wurden. Die Bemessung muss sicherstellen, dass die Verbindung zur Aufnahme der relativen Verschiebungen in der Lage ist die zur Aktivierung ihres Tragwiderstands und zur Sicherung eines robusten Tragverhaltens des Tragwerks erforderlich sind.
(2) Der Einfluss von Imperfektionen infolge der Bauausführung sollte berücksichtigt werden.
(3) Verbindungen müssen weiterhin so bemessen werden, dass ein vorzeitiges Reißen oder Abplatzen des Betons an den Enden der Bauteile vermieden wird.
(4) Verbindungen sollten unter Beachtung von
13.8.2 Druckfugen
(1) Druckfugen sind Fugen, die bei der ungünstigsten anzusetzenden Beanspruchungskombination vollständig überdrückt bleiben.
(2) Lagerfugen mit Mörtel, Beton oder härtenden Polymeren als Füllmaterial dürfen verwendet werden, wenn die notwendige Vorsorge dafür getroffen wird, dass eine relative Bewegung zwischen den verbundenen Flächen während der Erhärtung des Füllmaterials ausgeschlossen wird.
(3) Trockene Fugen sollten nur dann verwendet werden, wenn
(4) Druckfugen führen zu beträchtlichen Querzugspannungen in den benachbarten Bauteilen (siehe Bild 78). Eine harte Lagerung wird dabei angenommen, wenn der Elastizitätsmodul des Fugenmaterials mehr als 70 % des Elastizitätsmoduls der angrenzenden Bauteile beträgt. Eine harte Lagerung bilden auch vollflächig mit Zementmörtel gefüllte Fugen (siehe Bild 78 c)). Hier treten Querzugspannungen infolge der Umlenkung der Traganteile aus Bewehrung und Betonanteil auf.
(5) Die Querzugspannungen im Fugenbereich sind durch eine entsprechende Bewehrung in den benachbarten Bauteilen aufzunehmen. Diese Bewehrung darf im Bereich der Querzugspannungen konzentriert werden.
(6) Bei weichem Fugenmaterial (Bild 78 a)) kann es zusätzlich erforderlich sein, die Fuge selbst zu bewehren, sofern ein Ausweichen des Fugenmaterials nicht anderweitig verhindert wird.
Bild 78 - Querzugspannungen in Druckfugen

![]() |
Druck |
![]() |
Zug |
Legende
| a) | Stirnzugkraft bei weichem Füllmaterial |
| b) | Spaltzugkraft bei konzentriertem Lager |
| c) | Querzugkraft bei hartgebetteten, vollflächigen Fugen |
| 1 | Fertigteile |
| 2 | weiches Fugenmaterial |
| 3 | konzentriertes Lager (hartes Fugenmaterial) |
| 4 | hartes Fugenmaterial |
(7) Der Bemessungswert der Tragfähigkeit von Druckfugen sollte anhand anerkannter Berechnungsmodelle ermittelt werden, wobei die Tragfähigkeit zentrisch belasteter Stützenstöße mit
| NRd = -κ * (Ac *fcd +As *fyd) | (158) |
nachzuweisen ist. Der Abminderungsfaktorκ berücksichtigt dabei den Bewehrungsgrad der Stütze und die Fugendicke. 15)
(8) Bei einer gleichzeitigen Wirkung von Normal- und Querkraft in der Fuge darf die QuerkraftVEd vernachlässigt werden, wennVEd < 0,1NEd ist, worinNEd die Längsdruckkraft bezeichnet; ansonsten siehe 10.3.6.
13.8.3 Biegesteife und zugfeste Verbindungen
(1) An Fugen ist das Übertragen von dort wirkenden Biegemomenten und Zugkräften sicherzustellen.
(2) An Fugen können Zugkräfte durch folgende Verbindungsarten übertragen werden:
Andere Verbindungsarten sind möglich, wenn ihre Verwendbarkeit nachgewiesen ist.
13.8.4 Lagerungsbereiche
Lagerungsbereiche sind die unmittelbar an Lager angrenzenden Bereiche der stützenden und der gestützten Bauteile. Sie müssen so bemessen und konstruktiv gestaltet werden, dass sie unter Berücksichtigung von Herstellungs- und Montagetoleranzen ihre Funktion erfüllen.
13.9 Krafteinleitungsbereiche
13.9.1 Druckkräfte
(1) Wenn eine oder mehrere konzentrierte Kräfte in ein Bauteil eingeleitet werden, ist eine örtliche Zusatzbewehrung vorzusehen, welche die durch diese Kräfte hervorgerufenen Spaltzugkräfte aufnimmt.
(2) Diese Zusatzbewehrung darf aus Bügeln oder aus Bewehrungslagen in Form von so genannten "Haarnadeln" bestehen; bei ausgedehnten Wänden auch aus geraden Stäben mit ausreichender Länge.
13.9.2 Zugkräfte
Bei Zugkräften sind die Rückverankerungen aus Betonstahl mit der erforderlichen Verankerungslängelb, net, gegebenenfalls unter Beachtung von 12.5 (6) nach 12.6.2 im lastabgewandten Querschnittsteil zu verankern oder nach 12.8 zu stoßen.
13.10 Umlenkkräfte
In Bereichen mit Richtungsänderungen von inneren Zug- oder Druckkräften muss die Aufnahme der entstehenden Umlenkkräfte sichergestellt werden.
13.11 Indirekte Auflager
(1) Bei indirekter Auflagerung eines Bauteils muss im Kreuzungsbereich der Bauteile eine Aufhängebewehrung vorgesehen werden, die die wechselseitigen Auflagerreaktionen vollständig aufnehmen kann.
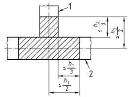
Bild 79 - Anschluss von Nebenträgern (Grundriss)

Legende
| 1 | gestützter Träger |
| 2 | stützender Träger |
| h1 | Dicke des stützenden Trägers |
| h2 | Dicke des gestützten Trägers (h2<h1) |
(2) Die Aufhängebewehrung sollte vorzugsweise aus Bügeln bestehen, die die Hauptbewehrung des unterstützenden Bauteils umfassen. Einige dieser Bügel dürfen außerhalb des unmittelbaren Kreuzungsbereichs beider Bauteile angeordnet werden, und zwar im Bild 79 schraffierten Bereich, wenn eine über die Höhe verteilte Horizontalbewehrung angeordnet ist, deren Gesamtquerschnittsfläche dem Gesamtquerschnitt dieser Bügel entspricht.
(3) Bei sehr breiten stützenden Trägern oder bei stützenden Platten sollte die in diesen Trägern oder Platten angeordnete Aufhängebewehrung nicht über eine Breite angeordnet werden, die größer als die Nutzhöhe des gestützten Trägers ist.
13.12 Schadensbegrenzung bei außergewöhnlichen Ereignissen
13.12.1 Allgemeines
(1) Bei außergewöhnlichen Ereignissen ist eine Schädigung des Tragwerks in einem zur ursprünglichen Ursache unverhältnismäßig großen Ausmaß zu vermeiden (siehe DIN 1055-100).
(2) Werden neben den sonstigen Regeln dieser Norm die konstruktiven Regeln dieses Abschnittes erfüllt, darf angenommen werden, dass der zufällige Ausfall eines einzelnen Bauteils oder eines begrenzten Teils des Tragwerks oder das Auftreten hinnehmbarer örtlicher Schädigungen nicht zum Versagen des Gesamttragwerks führt.
(3) Bei Bauwerken des üblichen Hochbaus dürfen zur Schadensbegrenzung bei außergewöhnlichen Einwirkungen Ringanker verwendet werden. Im Fertigteilbau dürfen hierfür zusätzlich
verwendet werden.
(4) Wird ein Bauwerk durch Dehnfugen in unabhängige Tragabschnitte geteilt, sollte jeder Abschnitt ein unabhängiges Zuggliedsystem aufweisen.
(5) Für die Bemessung der Zugglieder darf angenommen werden, dass die Bewehrung bis zu ihrer charakteristischen Festigkeit ausgenutzt und in der Lage ist, die in 13.12.2 bis 13.12.4 definierten Kräfte aufzunehmen. Für andere Zwecke vorgesehene Bewehrung darf teilweise oder vollständig für diese Zugglieder angerechnet werden.
(6) Bei der Bemessung der Zugglieder dürfen andere Schnittgrößen als die, die direkt durch die außergewöhnlichen Einwirkungen hervorgerufen werden oder unmittelbar aus der betrachteten lokalen Zerstörung resultieren, vernachlässigt werden.
(7) Die Bewehrung in Zuggliedern darf mit Übergreifungsstößen nach 12.8 gestoßen werden. Bei nicht ausreichender Fugenbreite zwischen Fertigteilen sollten sichere mechanische Verankerungen verwendet werden.
(8) Zugglieder dürfen vollständig innerhalb des Aufbetons oder an Verbindungen angeordnet werden. Wenn die Zugglieder nicht in einer Ebene durchlaufend sind, sollte die Wirkung der Exzentrizität berücksichtigt werden.
(9) Zugglieder dürfen mit Vorspannung im nachträglichen Verbund ausgeführt werden.
13.12.2 Ringanker
(1) Wenn eine Scheibenwirkung zur Sicherung der Gesamtstabilität erforderlich ist, muss in jeder Decken- und Dachebene des üblichen Hochbaus ein wirksamer, über den Umfang des Tragwerks umlaufender Ringanker angeordnet werden. Der Ringanker kann Bewehrung einschließen, die Teil der inneren Zuganker oder der Bewehrung nach 13.1, 13.2, 13.3 und 13.4.4 ist und mindestens nach den Absätzen (2) und (3) ausgebildet bzw. bemessen ist.
(2) Die Umlaufwirkung kann durch Stoßen der Längsbewehrung mit einer Stoßlängels = 2 *lb erzielt werden. Der Stoßbereich ist mit Bügeln, Steckbügeln (siehe Bild 71) oder Wendeln mit einem Abstands< 100 mm zu umfassen. Die Umlaufwirkung darf auch durch Verschweißen oder durch Verwenden mechanischer Verbindungen erzielt werden.
(3) Der Ringanker sollte eine Zugkraft vonFEd = 10leff, i kN< 70 kN aufnehmen können (FEd in kN;leff, i in m). Fürleff, i ist dabei die effektive Spannweite des Endfeldes rechtwinklig zum Ringanker einzusetzen.
13.12.3 Innenliegende Zuganker
(1) Werden innenliegende Zuganker angeordnet, so müssen diese in jeder Decken- und Dachebene in zwei zueinander ungefähr rechtwinkligen Richtungen liegen. Sie müssen über ihre gesamte Länge wirksam durchlaufend sein und sollten an jedem freien Ende in den Ringankern verankert oder als horizontale Zuganker bis zu Stützen oder Wänden fortgesetzt werden.
(2) Die innenliegenden Zuganker dürfen gleichmäßig verteilt in den Platten oder in Balken, Wänden oder anderen geeigneten Bauteilen angeordnet werden. In Wänden sollten sie in einem Bereich von 0,5 m über oder unter den Deckenplatten liegen.
(3) In jeder Richtung sollten die innenliegenden, gleichmäßig verteilten Zuganker eine Zugkraft vonFEd - 20 kN je Meter aufnehmen können.
(4) Bei Decken ohne Aufbeton, in denen die Zuganker nicht über die Spannrichtung verteilt werden können, dürfen die Zuganker konzentriert in den Fugen zwischen den Bauteilen angeordnet werden. In diesem Fall ist je Fuge mindestens folgende Kraft aufzunehmen:
![]() |
(159) |
Dabei ist
| leff, 1,leff, 2 | die jeweilige effektive Spannweite der Deckenplatten auf beiden Seiten der Fuge rechtwinklig zur Fuge in m (siehe Bild 80) |
13.12.4 Horizontale Stützen- und Wandzuganker
(1) Randstützen sowie tragende und aussteifende Außenwände sollten an ihrem oberen Rand - bei Hochhäusern auch an ihrem unteren Rand - horizontal im Tragwerk verankert werden.
(2) Die Zuganker sollten eine ZugkraftFEd = 10 kN je Meter der Fassaden aufnehmen können. Für Stützen ist nicht mehr alsFEd = 150 kN je Stütze anzusetzen.
(3) Eckstützen sollten in zwei Richtungen verankert werden. Die für den Ringanker vorhandene Bewehrung kann in diesem Fall für den horizontalen Zuganker angerechnet werden.
(4) Bei Außenwandtafeln von Hochhäusern, die zwischen ihren aussteifenden Wänden nicht gestoßen
Bild 80 - Zuganker für außergewöhnliche Ereignisse, dargestellt im Deckengrundriss
![]() |
|
| Legende | |
| 1 | Stützen |
| 2 | Unterzüge/Wände |
| 3 | Ringanker |
| 4 | innenliegende Zuganker |
| 5 | horizontale Stützen - oder Wandzuganker |
sind und deren Länge zwischen diesen Wänden höchstens das Doppelte ihrer Höhe ist, dürfen die Verbindungen am unteren Rand ersetzt werden durch Verbindungen gleicher Gesamtzugkraft, die in der unteren Hälfte der lotrechten Fugen zwischen der Außenwand und ihren aussteifenden Wänden anzuordnen sind.
(5) Am oberen Rand tragender Innenwandtafeln sollte mindestens eine Bewehrung von 0,7 cm2/m in den Zwischenraum zwischen den Deckentafeln eingreifen. Diese Bewehrung darf an zwei Punkten vereinigt werden, bei Wandtafeln mit einer Länge bis 2,50m genügt ein Anschlusspunkt in Wandmitte. Die Bewehrung darf durch andere gleichwertige Maßnahmen ersetzt werden.
______________
1) DAfStb Heft 525 ist zur Zeit in Vorbereitung.
2) siehe z.B. DBV-Merkblatt "Betondeckung"
3) siehe z.B. DAfStb-Richtlinie für Belastungsversuche an Massivbauwerken
4) DBV-Merkblätter "Betondeckung und Bewehrung" und "Abstandhalter".
5) weitere Fälle siehe DAfStb-Heft 525
6) siehe DAfStb-Heft 525
7) siehe DAfStb-Heft 525
8) Diese Überspannreserve kann bei unerwartet hohem Reibungsbeiwert nicht ausreichend sein. (siehe Dafstb-Heft 525)
9) Ausnahmen wie z.B. Fundamente sind mitfctk;0,05/γc (mitγc für unbewehrten Beton nach 5.3.3 (8)) zu bemessen (siehe auch 10.3.3 (2)).
10) Bezüglich der Definition der Oberflächenrauheit siehe DAfStb-Heft 525
11) weitere Angaben siehe DAfStb-Heft 525
12) Beispiele enthält DAfStb-Heft 525.
13) Weitere konstruktive Hinweise enthält DAfStb-Heft 525.
14) Für andere Bewehrungsführungen siehe DAfStb-Heft 525
15) fürκ siehe DAfStb-Heft 525
![]() |
ENDE | ![]() |
(Stand: 01.03.2019)
Alle vollständigen Texte in der aktuellen Fassung im Jahresabonnement
Nutzungsgebühr: ab 105.- € netto
(derzeit ca. 7200 Titel s.Übersicht - keine Unterteilung in Fachbereiche)
Die Zugangskennung wird kurzfristig übermittelt
? Fragen ?
Abonnentenzugang/Volltextversion