umwelt-online: DIN 1045-1 Tragwerke aus Beton, Stahlbeton und Spannbeton; Bemessung und Konstruktion (11)
![]() |
zurück | ![]() |
12.7 Verankerung von Bügeln und Querkraftbewehrung
(1) Bügel und Querkraftbewehrungen müssen mit Hilfe von Haken oder Winkelhaken oder durch angeschweißte Querbewehrung nach Bild 56 a) bis Bild 56 d) verankert werden.
(2) Die Verankerung muss in der Druckzone zwischen dem Schwerpunkt der Druckzonenfläche und dem Druckrand erfolgen; dies gilt im Allgemeinen als erfüllt, wenn die Querkraftbewehrung über die ganze Querschnittshöhe reicht. In der Zugzone müssen die Verankerungselemente möglichst nahe am Zugrand angeordnet werden. Bügel müssen die Zugbewehrung umfassen.
(3) Eine Verankerung in der Druck- oder Zugzone mit angeschweißten Querstäben nach Bild 56 c) und Bild 56 d) ist nur zulässig, wenn durch eine ausreichende Betondeckung die Sicherheit gegenüber Abplatzen sichergestellt ist. Dies gilt als erfüllt, wenn die seitliche Betondeckungcmin der Bügel im Verankerungsbereich mindestens 3ds (ds Stabdurchmesser der Bügelbewehrung) und mindestens 50 mm beträgt, bei geringeren Betondeckungen ist die ausreichende Sicherheit durch Versuche nachzuweisen.
(4) Bei Balken sind die Bügel in der Druckzone nach Bild 56 e) oder Bild 56 f), in der Zugzone nach Bild 56 g) oder Bild 56 h) zu schließen.
(5) Bei Plattenbalken dürfen die für die Querkrafttragfähigkeit erforderlichen Bügel im Bereich der Platte mittels durchgehender Querstäbe nach Bild 56 i) geschlossen werden, wenn der Bemessungswert der QuerkraftVEd höchstens2/3 der maximalen QuerkrafttragfähigkeitVRd, max nach 10.3.4 beträgt.
12.8 Stöße
12.8.1 Allgemeines
(1) Stöße sind durch mechanische Verbindungen oder Schweißen (direkte Stöße) oder indirekt durch Übergreifen der Betonstähle (Übergreifungsstöße) auszubilden.
(2) Die Ausbildung der Übergreifungsstöße muss so ausgeführt werden, dass:
(3) Übergreifungsstöße mit Stäbends > 32 mm sind nur in Bauteilen zulässig, die überwiegend auf Biegung beansprucht werden.
(4) Übergreifungsstöße sollten möglichst versetzt angeordnet werden und Vollstöße (Anteil der ohne Längsversatz gestoßenen Stäbe am Querschnitt einer Bewehrungslage gleich 100 %) nicht in hochbeanspruchten Bereichen liegen.
(5) Bei einer Schnittgrößenermittlung nach 8.4 oder 8.5 sind Stöße in plastischen Zonen nicht gestattet.
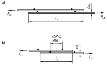
(6) Für die lichten Stababstände im Bereich des Übergreifungsstoßes und für den Längsversatz der Stöße gelten die Werte nach Bild 57. Übergreifungsstöße gelten als längsversetzt, wenn der Längsabstand der Stoßmitten mindestens der 1,3fachen Übergreifungslängels nach Gleichung (144) entspricht.
(7) Mechanische Stoßverbindungen sind durch allgemeine bauaufsichtliche Zulassungen geregelt.
Bild 56 - Verankerung und Schließen von Bügeln
| a)
|
b)
|
c)
|
| d)
|
e)
|
f)
|
| g)
|
h)
|
i)
|
Legende
| 1 | Verankerungselemente nach a) und b) |
| 2 | Kappenbügel |
| 3 | Betondruckzone |
| 4 | Betonzugzone |
| 5 | obere Querbewehrung |
| 6 | untere Bewehrung der anschließenden Platte |
| a) | Haken |
| b) | Winkelhaken |
| c) | gerade Stabenden mit zwei angeschweißten Querstäben |
| d) | gerade Stabenden mit einem angeschweißten Querstab |
| e) und f) | Schließen in der Druckzone |
| g) und h) | Schließen in der Zugzone (ls nach 12.8.2 mitαa = 0,7, falls am Bügelende Haken oder Winkelhaken angeordnet werden) |
| i) | Schließen bei Plattenbalken im Bereich der Platte |
Bild 57 - Längsversatz und Querabstand der Bewehrungsstäbe im Stoßbereich
Legende
| 1 | Stoßmitten |
| 2 | Längsversatz zweier Stöße |
| 3 | Stoßachsen |
| 4 | Bauteilrand |
12.8.2 Übergreifungslänge
(1) Die Übergreifungslänge darf folgenden Wert nicht unterschreiten:
| ls =lb, net *α1>ls, min | (144) |
Dabei ist
| lb, net | die Verankerungslänge nach Gleichung (141) |
| α1 | der Beiwert für die Übergreifungslänge nach Tabelle 27 |
| ls,min | der Mindestwert der Übergreifungslänge mit |
| ls, min = 0,3αa *α1 *lb | > 15ds, > 200 mm |
| αa | der Beiwert nach Tabelle 26, Zeile 1 oder Zeile 2 (d. h. der Einfluss von angeschweißten Querstäben darf nicht angesetzt werden) |
| lb | das Grundmaß der Verankerungslänge nach Gleichung (140) |
(2) Ist der lichte Abstand der gestoßenen Stäbe größer als 4ds (siehe Bild 57), so muss die Übergreifungslänge um die Differenz zwischen dem vorhandenen lichten Stababstand und 4ds vergrößert werden.
Tabelle 27 - Beiwerteα1 für die Übergreifungslänge
| Zeile | Spalte | 1 | 2 | |
| Anteil der ohne Längsversatz gestoßenen Stäbe am Querschnitt einer Bewehrungslage | ||||
| < 30 % | > 30 % | |||
| 1 | Zugstoß | ds < 16 mm | 1,2a | 1,4a |
| 2 | ds> 16 mm | 1,4a | 2,0b | |
| 3 | Druckstoß | 1,0 | 1,0 | |
| a | Fallss> 10ds unds0> 5ds (siehe Bild 58) giltα1 = 1,0 |
| b | Fallss> 10ds unds0> 5ds (siehe Bild 58) giltα1 = 1,4 |
Bild 58 - Definition der Abständes unds0 zur Ermittlung des Beiwertesα1
12.8.3 Querbewehrung
(1) Im Bereich von Übergreifungsstößen muss eine Querbewehrung entsprechend den nachfolgenden Anforderungen angeordnet werden:
(2) Wenn der Durchmesserds der gestoßenen Stäbe kleiner als 16 mm bei Betonfestigkeitsklassen bis C55/67 und LC45/50 und kleiner als 12 mm bei Betonfestigkeitsklassen ab C60/75 und LC50/55 ist, oder wenn der Anteil gestoßener Stäbe in einem beliebigen Querschnitt höchstens 20 % beträgt, dann darf die nach Abschnitt 13 vorhandene Querbewehrung als ausreichend angesehen werden.
(3) In vorwiegend biegebeanspruchten Bauteilen ab der Festigkeitsklasse C70/85 sind die Übergreifungsstöße durch Bügel zu umschließen, wobei die Summe der Querschnittsfläche der vertikalen Schenkel gleich der erforderlichen Querschnittsfläche der gestoßenen Längsbewehrung sein muss.
Bild 59 - Querbewehrung für Übergreifungsstöße
Legende
| a) | Zugstäbe |
| b) | Druckstäbe |
(4) Werden bei einer mehrlagigen Bewehrung mehr als 50 % des Querschnitts der einzelnen Lagen in einem Schnitt gestoßen, sind die Übergreifungsstöße durch Bügel zu umschließen, die für die Kraft aller gestoßenen Stäbe zu bemessen sind.
12.8.4 Stöße von Betonstahlmatten in zwei Ebenen
(1) Betonstahlmatten mit einem Bewehrungsquerschnittas< 12 cm2/m dürfen stets ohne Längsversatz gestoßen werden. Vollstöße von Matten mit größerem Bewehrungsquerschnitt sind nur in der inneren Lage bei mehrlagiger Bewehrung zulässig, wobei der gestoßene Anteil nicht mehr als 60 % des erforderlichen Bewehrungsquerschnitts betragen darf.
(2) Die Übergreifungslänge (siehe Bild 60 a)) darf folgenden Wert nicht unterschreiten:
![]() |
(145) |
Dabei ist
| lb | das Grundmaß der Verankerungslänge nach Gleichung (140) | |
| α2 | der Beiwert zur Berücksichtigung des Mattenquerschnitts mit | |
| α2 = 0,4 +as, vorh/8 mit 1,0<α2< 2,0 | ||
| as, erf | die erforderliche Querschnittsfläche der Bewehrung im betrachteten Schnitt in cm2/m | |
| as, vorh | die vorhandene Querschnittsfläche der Bewehrung im betrachteten Schnitt in cm2/m | |
| ls, min | der Mindestwert der Übergreifungslänge mit | |
| ls, min = 0,3α2 *lb | >sq; > 200 mm |
|
| sq | der Abstand der geschweißten Querstäbe |
(3) Bei mehrlagiger Bewehrung sind die Stöße der einzelnen Lagen stets mindestens um die 1,3fache Übergreifungslänge in Längsrichtung gegeneinander zu versetzen.
(4) Eine zusätzliche Querbewehrung im Stoßbereich ist nicht erforderlich.
(5) Die Querbewehrung in Platten und Wänden nach 13.3.2 (2) bzw. 13.7.1 (5) darf an einer Stelle gestoßen werden. Die Mindestwerte der Übergreifungslänge sind in Tabelle 28 angegeben, wobei innerhalbls mindestens zwei Stäbe der Längsbewehrung nach Bild 60 b) vorhanden sein müssen.
Bild 60 - Beispiel für Übergreifungsstöße von geschweißten Betonstahlmatten

Legende
| a) | Zwei-Ebenen-Stoß von Betonstahlmatten |
| b) | Übergreifungsstoß der Querbewehrung |
Tabelle 28 - Mindestübergreifungslängen der Querstäbe
| Zeile | Spalte | 1 | 2 | 3 | 4 |
| Stabdurchmesser der Querstäbe | |||||
| ds< 6 mm | ds > 6 mm < 8,5 mm |
ds > 8,5 mm < 12 mm |
ds > 12 mm | ||
| 1 | Mindestübergreifungslängen der Querstäbe | >sl
> 150mm |
>sl
> 250mm |
>sl
> 350mm |
>sl
> 500mm |
| sl | Stababstand der Längsstäbe |
12.9 Stabbündel
(1) Stabbündel bestehen aus zwei oder drei Einzelstäben mitds< 28 mm, die sich berühren und die bei der Montage und dem Betonieren durch geeignete Maßnahmen zusammengehalten werden.
(2) Wird nachfolgend nichts anderes bestimmt, gelten 12.1 bis 12.8 unverändert, sofern bei allen Nachweisen, bei denen der Stabdurchmesser eingeht, anstelle des Einzelstabdurchmessersds der VergleichsdurchmesserdsV eingesetzt wird. Der VergleichsdurchmesserdsV ist der Durchmesser eines mit dem Bündel flächengleichen Einzelstabes und ergibt sich für ein Bündel aus n Einzelstäben gleichen Durchmessersds zu
| dsV =ds *n0,5 | (146) |
(3) Der Vergleichsdurchmesser darf in Bauteilen mit überwiegendem Zug (Dehnungsnulllinie außerhalb des Querschnitts) den WertdsV = 36 mm nicht überschreiten.
(4) Ab der Betonfestigkeitsklasse C70/85 ist der Vergleichsdurchmesser aufdsV = 28 mm zu begrenzen, sofern keine genaueren Untersuchungsergebnisse vorliegen.
(5) Für die Anordnung der Stäbe im Bündel sowie die Mindestmaße für Betondeckung und lichte Abstände der Stabbündel gilt Bild 61. Für das Nennmaß der Betondeckung gelten die Regeln in 6.3.
Bild 61 - Anordnung, Mindestabstände und Mindestbetondeckung bei Stabbündeln
Legende
| a>dsV | |
| a> 20 mm; | im Übrigen gilt 12.2.(2) |
(6) Bei der Verankerung von Stabbündeln sind die Enden der Einzelstäbe gegeneinander zu versetzen (siehe Bild 62 und Bild 63). Ausgenommen sind hiervon zugbeanspruchte Stabbündel, die unabhängig vondsV über direkten End- und Zwischenauflagern enden dürfen und zugbeanspruchte Stabbündel mitdsV< 28 mm, die auch vor den Auflagern ohne Längsversatz der Einzelstäbe an einer Stelle enden dürfen.
(7) Bei einer Verankerung der Stäbe nach Bild 62 ist für die Berechnung der Verankerungslänge der Durchmesser des Einzelstabesds einzusetzen.
(8) Bei einer Verankerung der Stäbe nach Bild 63 ist für die Berechnung der Verankerungslänge der VergleichsdurchmesserdsV einzusetzen.
(9) Bei druckbeanspruchten Stabbündeln dürfen alle Stäbe an einer Stelle enden. Ab einem VergleichsdurchmesserdsV > 28 mm sind im Bereich der Bündelenden mindestens vier Bügel mitds = 12 mm anzuordnen, sofern der Spitzendruck nicht durch andere Maßnahmen (z.B. Anordnung der Stabenden innerhalb einer Deckenscheibe) aufgenommen wird; in diesem Fall genügt es, einen Bügel außerhalb des Verankerungsbereichs anzuordnen.
Bild 62 - Verankerung von Stabbündeln bei auseinandergezogenen rechnerischen Endpunkten E
Legende
| 1 bis 3 | Einzelstäbe des Stabbündels |
Bild 63 - Verankerung von Stabbündeln bei dicht beieinander liegenden rechnerischen Endpunkten E
Legende
| 1 bis 3 | Einzelstäbe des Stabbündels |
(10) Die Übergreifungslängels ist nach 12.8.2 zu ermitteln. Stabbündel aus zwei Stäben mitdsV< 28 mm dürfen ohne Längsversatz der Einzelstäbe gestoßen werden; für die Berechnung vonls ist danndsV zugrunde zu legen.
(11) Bei Stabbündeln aus zwei Stäben mitdsV > 28mm und bei Stabbündeln aus drei Stäben sind die Einzelstäbe stets um mindestens 1,3ls in Längsrichtung versetzt zu stoßen (siehe Bild 64), wobei jedoch in jedem Schnitt eines gestoßenen Bündels höchstens vier Stäbe vorhanden sein dürfen; für die Berechnung vonls ist dann der Durchmesser des Einzelstabes einzusetzen.
Bild 64 - Zulage eines Stabes bei einem Bündel aus drei Stäben für einen zugbeanspruchten Übergreifungsstoß
Legende
| 1 bis 3 | Einzelstäbe des Stabbündels |
| 4 | Zulagestab |
(12) Bei Leichtbeton sollten Stabbündel nur dann Verwendung finden, wenn ihr Einsatz aufgrund von Erfahrungen oder Versuchsergebnissen gerechtfertigt ist. Der Durchmesser eines Einzelstabes darf hierbei 20 mm nicht überschreiten.
12.10 Spannglieder
12.10.1 Allgemeines
(1) Die nachfolgenden Regeln gelten, sofern in den allgemeinen bauaufsichtlichen Zulassungen keine anderen Werte gefordert werden.
(2) Die Abstände der Spannglieder müssen so festgelegt werden, dass das Einbringen und Verdichten des Betons einwandfrei möglich sind.
(3) Zwischen im Verbund liegenden Spanngliedern und verzinkten Einbauteilen oder verzinkter Bewehrung müssen mindestens 20 mm Beton vorhanden sein; außerdem darf keine metallische Verbindung bestehen.
12.10.2 Spannglieder im sofortigen Verbund
(1) Für Vorspannung mit sofortigem Verbund ist die Verwendung von glatten Drähten nicht zulässig.
(2) Der horizontale und vertikale lichte Mindestabstand einzelner Spannglieder ist in Bild 65 dargestellt.
Bild 65 - Lichter Mindestabstand für Spannglieder im sofortigen Verbund

Maße in Millimeter
(3) Eine Bündelung von Spanngliedern ist in Bereichen außerhalb der Verankerungszone zulässig, wenn das Einbringen und Verdichten des Betons einwandfrei möglich ist.
(4) Spannglieder aus gezogenen Drähten oder Litzen dürfen nach dem Spannen umgelenkt werden oder im umgelenkten Zustand vorgespannt werden, wenn sie dabei im Bereich der Krümmung keine Bewegung erfahren und das Verhältnis aus Biegeradius und Spannglieddurchmesser mindestens 15 beträgt.
(5) Im Verankerungsbereich ist eine enge Querbewehrung nach 13.9 zur Aufnahme der aus den Verankerungskräften hervorgerufenen Spaltzugkräfte anzuordnen. Darauf darf bei einfachen Fällen (z.B. Spannbetonhohlplatten) verzichtet werden, wenn die Spaltzugspannung den Wertfctk; 0,05/γc (mitγc für unbewehrten Beton nach 5.3.3 (8)) nicht überschreitet.
(6) Für die Verankerung von Spanngliedern im sofortigen Verbund gilt 8.7.6.
12.10.3 Spannglieder im nachträglichen Verbund
Der lichte Abstand zwischen den Hüllrohren muss mindestens das 0,8fache des äußeren Hüllrohrdurchmessers, jedoch nicht weniger als 40 mm vertikal und 50 mm horizontal betragen, wobei die Absolutmaße auch für rechteckige Hüllrohre gelten.
12.10.4 Spannglieder ohne Verbund
(1) Der Abstand extern geführter Spannglieder wird durch Austauschbarkeit und Inspizierbarkeit bestimmt. Für intern geführte Spannglieder gilt 12.10.3.
(2) Eine Bündelung interner Spannglieder ist in Bereichen außerhalb der Verankerungszonen zulässig, wenn das Einbringen und Verdichten des Betons einwandfrei möglich und die Aufnahme der Umlenkkräfte sichergestellt ist.
(3) Die folgenden Mindestkrümmungsradien von Monolitzen sollten eingehalten werden:
(4) Verankerungs- und Umlenkstellen externer Spannglieder sollten so ausgebildet werden, dass sie ein Auswechseln des Spannglieds ohne Beschädigung von Tragwerksteilen erlauben, sofern dies nicht ausdrücklich anders festgelegt wurde.
(5) Kritische Querschwingungen extern geführter Spannglieder infolge von Nutzlasten, Wind oder anderer Ursachen sind durch geeignete Maßnahmen auszuschließen.
(6) Planmäßige Umlenkungen eines Spannglieds bis zu einem Winkel von 0,0175 rad sind ohne Umlenksättel ausführbar, sofern dies in der allgemeinen bauaufsichtlichen Zulassung des Spannverfahrens nicht ausgeschlossen ist.
(7) Bei Platten mith< 450 mm bei Vorspannung mit Monolitzen und vorhandener fixierter oberer und unterer Betonstahlbewehrungslage ist es ausreichend, die Monolitzen jeweils an mindestens zwei Stellen mit einer der Betonstahlbewehrungslagen in geeigneter Weise zu verbinden, wenn für den Abstanda
eingehalten werden und in diesen Bereichen die Plattenunterseite oder Plattenoberseite eben ist.
12.10.5 Spanngliedkopplungen
(1) Spanngliedkopplungen müssen so angeordnet werden, dass die Tragfähigkeit des Bauteils nicht beeinträchtigt wird und dass bei unverschieblichen Kopplungen die Zwischenverankerungen im Bauzustand ordnungsgemäß vorgenommen werden können.
(2) Im Allgemeinen sollten Kopplungen in Bereichen außerhalb von Zwischenauflagern, möglichst in Bereichen geringer Beanspruchung liegen.
(3) Eine Kopplung von mehr als 70 % der Spannglieder in einem Querschnitt sollte bei nicht vorwiegend ruhenden Einwirkungen vermieden werden.
13 Konstruktionsregeln
13.1 Überwiegend biegebeanspruchte Bauteile
13.1.1 Mindestbewehrung und Höchstbewehrung
(1) Die Mindestbewehrung zur Sicherstellung eines duktilen Bauteilverhaltens nach 5.3.2 ist für das Rissmoment (bei Vorspannung ohne Anrechnung der Vorspannkraft) mit dem Mittelwert der Zugfestigkeit des Betonsfctm nach Tabelle 9 und Tabelle 10 und einer Stahlspannungσs =fyk zu berechnen.
(2) Auf die Mindestbewehrung nach Absatz (1) darf bei Spannbetonbauteilen ein Drittel der Querschnittsfläche der im Verbund liegenden Spannglieder angerechnet werden, wenn mindestens zwei Spannglieder vorhanden sind. Es dürfen nur Spannglieder angerechnet werden, die nicht mehr als 0,2 h oder 250 mm (der kleinere Wert ist maßgebend) von der Betonstahlbewehrung entfernt liegen. Dabei ist die anrechenbare Spannung im Spannstahl auffyk des Betonstahls begrenzt.
(3) Die Mindestbewehrung ist gleichmäßig über die Breite sowie anteilmäßig über die Höhe der Zugzone zu verteilen. Die im Feld erforderliche untere Mindestbewehrung muss zur Verbesserung der Duktilität unabhängig von den Regelungen zur Zugkraftdeckung zwischen den Auflagern durchlaufen. Hochgeführte Spannglieder und Bewehrung dürfen nicht berücksichtigt werden. Über Innenauflagern ist die obere Mindestbewehrung in beiden anschließenden Feldern über eine Länge von mindestens einem Viertel der Stützweite einzulegen. Bei Kragarmen muss sie über die gesamte Kragarmlänge durchlaufen. Die Mindestbewehrung ist am Endauflager und am Innenauflager mit der Mindestverankerungslänge nach 13.2.2 zu verankern. Stöße sind für die volle Zugkraft auszubilden.
(4) Die Querschnittsfläche der Bewehrung eines Querschnitts darf auch im Bereich von Übergreifungsstößen den Höchstwert 0,08Ac nicht überschreiten.
(5) Bei hochbewehrten Balken sollten bei Überschreitung der Verhältnissex/d nach 8.2 (3), sofern keine andere Umschnürwirkung in der Biegedruckzone vorhanden ist, als Mindestbewehrung Bügel mitds> 10 mm undsmax nach Tabelle 31, Zeile 3 zur Umschnürung der Biegedruckzone angeordnet werden.
13.1.2 Oberflächenbewehrung bei vorgespannten Bauteilen
(1) Bei Bauteilen mit Vorspannung ist stets eine Oberflächenbewehrung nach Tabelle 30 anzuordnen. Für die Grundwerte p sind dabei die Werte aus Tabelle 29 einzusetzen.
(2) Bei Vorspannung im sofortigem Verbund dürfen diejenigen Spannglieder vollflächig auf die Oberflächenbewehrung angerechnet werden, die im Bereich der zweifachen Betondeckung der Oberflächenbewehrung aus Betonstahl nach 6.3 liegen.
(3) Die Oberflächenbewehrung ist in der Zug- und Druckzone von Platten in Form von Bewehrungsnetzen anzuordnen, die aus zwei sich annähernd rechtwinklig kreuzenden Bewehrungslagen mit der jeweils nach Tabelle 30 erforderlichen Querschnittsfläche bestehen. Dabei darf der Stababstand 200 mm nicht überschreiten.
(4) In Bauteilen, die den Umgebungsbedingungen der Expositionsklasse XC1 ausgesetzt sind, darf die Oberflächenbewehrung am äußeren Rand der Druckzone nach Tabelle 30, Zeile 2, Spalte 1 entfallen.
(5) Für Platten aus Fertigteilen mit einer kleineren Breite als 1,20m darf die Oberflächenbewehrung in Querrichtung nach Tabelle 30, Zeile 2 entfallen.
(6) Eine Addition der aus den Anforderungen nach Absatz (1), 13.1.1 und 11.2.2 resultierenden Längsbewehrung ist nicht erforderlich. In jedem Querschnitt ist der jeweils größere Wert maßgebend.
(7) Die Oberflächenbewehrung nach Absatz (1) darf bei allen Nachweisen in den Grenzzuständen der Tragfähigkeit und der Gebrauchstauglichkeit auf die jeweils erforderliche Bewehrung angerechnet werden, wenn sie die Regelungen für die Anordnung und Verankerung dieser Bewehrungen erfüllt.
Tabelle 29 - Grundwerteρ für die Ermittlung der Mindestbewehrung
| Spalte | 1 | 2 | 3 | 4 | 5 | 6 | 7 | 8 | 9 | 10 | 11 | 12 | 13 | 14 | 15 | |
| Zeile | charakteristische Betondruckfestigkeitfck in N/mm2 | |||||||||||||||
| 1 | ρ ino/ooa | 12 | 16 | 20 | 25 | 30 | 35 | 40 | 45 | 50 | 55 | 60 | 70 | 80 | 90 | 100 |
| 0,51 | 0,61 | 0,70 | 0,83 | 0,93 | 1,02 | 1,12 | 1,21 | 1,31 | 1,34 | 1,41 | 1,47 | 1,54 | 1,60 | 1,66 | ||
| a | Diese Werte ergeben sich ausρ = 0,16fctm/fyk Bei Leichtbeton sind die Werteρ mitη1 nach Tabelle 10 multipliziert werden, wobei kein kleinerer Wert alsη1 = 0,85 in Ansatz gebracht werden darf. |
![]() |
weiter . | ![]() |
(Stand: 01.03.2019)
Alle vollständigen Texte in der aktuellen Fassung im Jahresabonnement
Nutzungsgebühr: ab 105.- € netto
(derzeit ca. 7200 Titel s.Übersicht - keine Unterteilung in Fachbereiche)
Die Zugangskennung wird kurzfristig übermittelt
? Fragen ?
Abonnentenzugang/Volltextversion