zurück

ADR Anlage B, Anhang B.1c
¨
Vorschriften für festverbundene Tanks und Aufsetztanks aus verstärkten Kunststoffen
ADR01
: 1, 2

Bem.

  1. Dieser Anhang gilt für festverbundene Tanks und Aufsetztanks jedoch nicht für Batterie-Fahrzeuge Tankcontainer und Gefäße
  2. Wegen der Gefäße siehe die betreffenden Vorschriften in Anlage a ( Versandstücke).



213.000-
213.009

Abschnitt 1
Allgemeine Vorschriften für die Verwendung und den Bau von festverbundenen Tanks und Aufsetztanks

Bem. Nach den Vorschriften der Rn. 10.121 ( 2) ist die Beförderung von gefährlichen Gütern in festverbundenen Tanks oder in Aufsetztanks aus verstärkten Kunststoffen, die den Anforderungen dieses Anhangs entsprechen, nur zulässig, wenn die Verwendung dieser Tanks für diese Stoffe nach Rn. 213.010 ausdrücklich zugelassen ist.

Verwendung

213.010

Die nachstehend aufgeführten Stoffe dürfen in Tanks aus verstärkten Kunststoffen befördert werden, die den Vorschriften dieses Anhangs entsprechen:

  1. Roherdöle und andere Rohöle sowie leicht flüchtige Destillationsprodukte aus Erdöl oder aus anderen Rohölen der Klasse 3 Ziffer 3b),
  2. halbschwere Destillationsprodukte aus Erdöl und aus anderen Rohölen der Klasse 3 Ziffer 31c),
  3. Heizöle und Dieselöle der Klasse 3 Ziffer 31c),
  4. wässerige Lösungen von Wasserstoffperoxid der Klasse 5.1 Ziffer 1b) und c) sowie Lösungen der Ziffer 11b),
  5. Stoffe der Klasse 8, Ziffern 1b) und c), 2b), 5, 8b) und c), 17c), 42, 43c) und 61.

213.011-
213.099

Bau

213.100

Die Tanks müssen nachstehenden Anforderungen des Anhangs B.1a entsprechen:

(1) Allgemeine Vorschriften für Tanks zur Beförderung von Stoffen aller Klassen:

Rn. 211.120 ( 4), ( 5) und ( 6), 211.121, 211.122, 211.124, 211.126, 211.127 ( 7) 211.128, 211.130, 211.132, 211.140, 211.150 bis 211.154, 211.160 und 211.161, 211.171, 211.172 (1) und ( 2), 211.173 bis 211.178.

(2) Vorschriften für Tanks zur Beförderung von Stoffen der Klasse 3: Tanks zur Beförderung entzündbarer flüssiger Stoffe mit einem Flammpunkt bis höchstens 55 °C und mit nicht absperrbarer Lüftungseinrichtung müssen in der Lüftungseinrichtung eine flammendurchschlagsichere Schutzeinrichtung haben.

Die Dichtheitsprüfung und die Innenbesichtigung sind alle drei Jahre vorzunehmen.

(3) Sondervorschriften für Tanks zur Beförderung von Stoffen der Klasse 5.1: Rn. 211.532.

(4) Sondervorschriften für Tanks zur Beförderung von Stoffen der Klasse 8: Rn. 211.834.

213.101

Die Tankwände dürfen keinen Materialfehler aufweisen, der die Sicherheit herabsetzt.

213.102

Die Tankwände müssen den mechanischen, thermischen und chemischen Beanspruchungen dauerhaft widerstehen.

Tanköffnungen

213.103

(1) Hat der Tank unterhalb des Flüssigkeitsspiegels eine oder mehrere Entleeröffnungen, müssen die mit einem Ventil oder einer Rohrleitung versehenen Öffnungen entweder durch vertieften Einbau in die Tankwand oder durch andere Mittel geschützt sein, die von der zuständigen Behörde genehmigt sind und gleichwertigen Schutz bieten.

(2) Die Verwendung von Schraubstöpseln ist ausdrücklich untersagt. Ventile müssen einem von der zuständigen Behörde genehmigten Baumuster entsprechen.

(3) Die Einfüllöffnungen müssen durch eine Einrichtung hermetisch verschlossen sein. Steht diese Einrichtung von der Tankwand ab, muß sie durch eine Kappe gegen das Abreißen bei einem Unfall durch Umkippen des Tanks geschützt sein.

213.104-
213.119

Abschnitt 2
Werkstoffe der Tankwände

213.120

Zur Herstellung der Tankwände dürfen folgende Werkstoffe verwendet werden:

(1) Kunstharz

(2) Faserverstärkungen

Glasfasern (Glas der typen E und C) mit geeigneter Oberflächenbehandlung, z.B. mit Silanverbindungen oder ähnlichen Stoffen. Die Glasfasern dürfen in Form geschnittener oder ungeschnittener "Rovings", einschließlich vorgespannter endloser "Rovings" oder Fasern, Matten, Oberflächenmatten oder Gewebe verwendet werden.

(3) Zusatzstoffe

  1. Zur Verarbeitung der Harze erforderliche Zusatzstoffe, z.B. Katalysatoren, Beschleuniger, Monomere, Härtungsmittel, Thyxotropierstoffe, entsprechend den Angaben des Kunstharzherstellers.
  2. Füllmittel, Pigmente, Farbstoffe oder andere Stoffe zur Erzielung der gewünschten Eigenschaften, z.B. Erhöhung der Feuerfestigkeit, sofern durch sie die Betriebssicherheit der Tankwände nicht herabgesetzt wird.

213.121-
213.129

Abschnitt 3
Aufbau der Tankwände

213.130

Die äußere Oberflächenschicht der Tankwände muß gegen Witterungseinflüsse sowie gegen kurzzeitige Berührung mit dem Füllgut widerstandsfähig sein.

213.131

Die Tankwand und die Klebeverbindungen müssen den Anforderungen an die mechanische Widerstandsfähigkeit nach Abschnitt 4 entsprechen.

213.132

Die innere Oberflächenschicht der Tankwände muß gegen langzeitige Einwirkungen des Füllguts widerstandsfähig sein. Sie muß aus verstärktem Kunstharz bestehen und eine Mindestdicke von 1 mm aufweisen. Die verwendeten Fasern dürfen die chemische Widerstandsfähigkeit der Schicht nicht verringern. Der innere Teil der Schicht muß harzreich sein und eine Mindestdicke von 0,2 mm haben.

Den Anforderungen nach Rn. 213.140 ( 6) und 213142 (2) des Abschnitts 4 muß entsprochen werden.

213.133

Die fertigen Tankwände müssen den Anforderungen nach Rn. 213.140 ( 3) des Abschnitts 4 entsprechen.

213.134

Die Mindestwanddicke muß betragen:

213.135-
213.139

Abschnitt 4
Prüfverfahren und Güteanforderungen

Werkstoffe für das Tankbaumuster: Prüfungen und Güteanforderungen

213.140

(1) Entnahme der Prüfstücke

Die zur Prüfung benötigten Prüfstücke sind möglichst der Tankwand zu entnehmen. Bei der Fertigung anfallende Ausschnitte von Öffnungen usw. dürfen zu diesem Zweck verwendet werden.

( 2) Glasfaseranteil

Die Prüfung ist nach der ISO-Empfehlung R1172 von 1970 durchzuführen. Der Glasfaseranteil des Prüfstücks muß über 25 und unter 75 Masse-% betragen.

( 3) Polymerisationsgrad

  1. Wand aus Polyesterharzen:

    Der Gehalt an überschüssigem Styrol darf, bezogen auf die Gesamtharzmenge, nicht größer sein als 2 %. Die Prüfung ist nach einer geeigneten Methode durchzuführen 53.

  2. Wand aus Epoxidharzen:

    Der Aceton-Extrakt darf, bezogen auf die Gesamtharzmenge, nicht größer sein als 2 %. Die Prüfung ist nach einer geeigneten Methode durchzuführen 54.

( 4) Biege- und Zugfestigkeit

Die mechanischen Eigenschaften sind zu bestimmen

Wenn die Hauptrichtungen der Verstärkung sich nicht mit der Achsrichtung oder der Umfangsrichtung decken (z.B. bei biaxialer Wicklung), sind die Festigkeiten in den Hauptrichtungen der Verstärkung zu ermitteln und für die Achsrichtung und die Umfangsrichtung nach folgenden Formeln zu berechnen:

Zug

Biegung

σT,c = 2 σT,H sin2 α σF,c = 2 σF,H sin2 α
σT,a = 2 αT,Hcos2 α σF,a = 2 αF,Hcos2 α
T = Zug    
c = tangential    
a = axial    
H = Wickelrichtung    
F = Biegung    
α = Hauptwickelwinkel    

Die Zugfestigkeit ist nach dem Prüfverfahren des ISO-Dokuments TC 61/WG 2/TG "Kunststoffprüfung-Glasfasern" Nr. 4, Februar 1971, zu prüfen.

Die Biegefestigkeit ist nach dem Prüfverfahren der ISO-Empfehlung TC 61 Nr. 1540, April 1970, zu prüfen.

Anforderungen

Neue Tanks müssen folgenden Sicherheitsfaktoren gegen Bruch genügen:

Sicherheitsfaktor für statische Belastung -7,5

Sicherheitsfaktor für dynamische Belastung -5,5

Bei Berechnung der dynamischen Belastung sind folgende Beschleunigungswerte anzuwenden:

2 g in Fahrtrichtung

1 g rechtwinklig zur Fahrtrichtung

1 g senkrecht nach oben

2 g senkrecht nach unten

Da die Eigenschaften eines Schichtstoffes aus verstärktem Kunststoff je nach seinem Aufbau verschieden sein können, werden für die Biegefestigkeit und die Zugfestigkeit keine, für die Prüflasten jedoch folgende Mindestwerte vorgeschrieben:

a = e x σT, wobei σT die Zugfestigkeit bei Bruch,
B = e2x σF, wobei σF die Biegefestigkeit bei Bruch, und e die Wanddicke ist.
Die Mindestwerte für die Kräfte a und B sind folgende:

Bei Biegung:  
Fassungsraum des Tanks ≤ 3000 Liter
- Umfangsrichtung: B = 600 daN
- Achsrichtung: B = 300 daN
   
Fassungsraum des Tanks > 3000 Liter
- Umfangsrichtung: B = 600 daN
- Achsrichtung: B = 600 daN
   
Bei Zug:  
- Umfangsrichtung: a = 100 daN/mm
- Umfangsrichtung: a = 70 daN/mm

Der E-Modul bei Biegung wird bei -40 °C und bei +60 °C ermittelt. Beide Werte dürfen höchstens um 30 % von dem bei 20 °C ermittelten Wert abweichen.

Verhalten des Wandmaterials bei einer Dauer-Zugprüfung von mehr als 1000 Stunden:

  σT
Prüfspannung:
  7,5


  ε1000
Bei der Prüfung darf der Faktor K =
  ε0

nicht größer sein als 1,6.

ε0 = Dehnung des belasteten Prüfstücks am Anfang der Prüfung
ε1000 = Dehnung des belasteten Prüfstücks am Ende der Prüfung

( 5) Verhalten bei Stoßbeanspruchung:

  1. Art der Prüfung

    Die Stoßfestigkeit wird an einer Schichtstoffprobe ermittelt, die dem für den Bau des Tanks verwendeten Werkstoff entspricht. Die Prüfung wird durch Fallenlassen einer Stahlmasse von 5 kg auf diejenige Fläche des Schichtstoffs durchgeführt, welche der Außenfläche des Tanks entspricht.

  2. Prüfgerät

    Das Prüfgerät besteht aus einer Stahlmasse von 5 kg, einer Führung für diese Masse und einem Rahmen zum Tragen des Prüfstücks. Die Abbildung 1 zeigt eine schematische Darstellung des Geräts. Die Masse hat die Form eines Stahlzylinders mit zwei Führungsnuten und einem halbkugelförmigen Unterteil von 90 mm Durchmesser. Die Führung ist senkrecht in einer Wand verankert.

    Der Prüfstückträger besteht aus zwei Winkelschienen 100 x 100 x 25 mm von je 300 mm Länge, die auf einen

    Metallrahmen von 400 x 400 mm aufgeschweißt sind. Die lichte Weite zwischen den beiden Winkelschienen beträgt 175 mm. Der im Boden verankerte Prüfstückträger hat eine Aussparung von 50 mm Tiefe, die ein Durchbiegen des Prüfstücks gestattet.

  3. Vorbereitung der Prüfstücke

    Dem zu prüfenden Muster werden drei Prüfstücke von je 200 x 200 mm x der Dicke des Musters entnommen.

  4. Durchführung der Prüfung

    Das Prüfstück wird symmetrisch auf den Prüfstückträger aufgelegt; seine Auflage auf dem Träger soll möglichst zwei Hauptgeraden der Oberfläche folgen, so daß die Fallmasse den Mittelpunkt der Fläche des Prüfstücks trifft, die der Außenwand des Tanks entspricht. Die Masse wird aus einer bestimmten Höhe fallengelassen, wobei zu vermeiden ist, daß das Prüfstück durch Rückprall ein zweites Mal getroffen wird.

    Die Prüfung ist bei Raumtemperatur vorzunehmen.

    Die Höhe, bis zu der die Fallmasse in seiner Führung hochgehoben wird, ist festzuhalten.

    In gleicher Weise wird mit den beiden anderen Prüfstücken verfahren.

  5. Anforderungen

    Die Fallhöhe der 5-kg-Masse muß 1 Meter betragen. Dem Prüfstück wird eine 1 m hohe Wassersäule aufgesetzt; es darf nicht mehr als 1 Liter je 24 Stunden durchlassen.

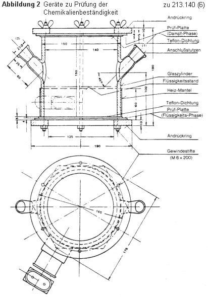
( 6) Beständigkeit gegen Chemikalien

Im Laboratorium vorbereitete ebene Prüfplatten aus verstärkten Kunststoffen werden 30 Tage lang bei 50 °C der Einwirkung des gefährlichen Stoffes nach folgendem Verfahren unterworfen:

  1. Beschreibung des Prüfgeräts (siehe Abbildung 2)

    Das Prüfgerät besteht aus einem Glaszylinder von 140 x 150 mm Durchmesser und 150 mm Höhe, mit zwei in einem Winkel von 135 angebrachten Stutzen, davon einer mit einem NS29-Anschluß, zur Aufnahme eines Zwischenrohres für einen Rückflußkühler (1), der andere mit einem Anschluß NS 14,5 zur Aufnahme eines Thermometers (2), einem Zwischenrohr für den Rückflußkühler-Anschluß und einem Rückflußkühler, der in der Abbildung nicht eingezeichnet ist. Für die Glasteile des Geräts ist temperaturwechselbeständiges Glas zu verwenden.

    Die den Prüfplatten entnommenen Prüfstücke bilden den Boden und die Decke des Glaszylinders. Sie werden gegen die Zylinderränder mit Teflon-Ringen abgedichtet. Der Zylinder mit den beiden Prüfstücken wird zwischen zwei Anpreßflanschen aus korrosionsbeständigem Stahl mit Hilfe von sechs Gewindebolzen mit Flügelmuttern eingespannt. Zwischen den Anpreßflanschen und den Prüfstücken muß je ein Asbestring eingelegt sein. Diese Ringe sind in der Abbildung 2 nicht eingezeichnet.

    Die Heizung erfolgt von außen mit einer automatisch geregelten Bandagenheizung. Die Temperatur wird im Flüssigkeitsraum gemessen.

  2. Arbeitsweise des Prüfgeräts

    Das Prüfgerät läßt nur die Prüfung ebener Platten von gleichmäßiger Dicke zu. Die zu prüfenden Platten sollen möglichst eine Dicke von 4 mm aufweisen. Falls die Platten mit einer Feinschicht versehen sind, müssen sie in der Anordnung geprüft werden, die den Betriebsbedingungen entspricht. Aus der zu prüfenden Platte werden sechs sechseckige Prüfplatten mit 100 mm Kantenlänge zugeschnitten. Für jede Prüfung sind je Prüfgerät drei Prüfstücke vorzubereiten. Eines dieser Prüfstücke dient als Vergleichsprüfstück, die beiden anderen werden zur Prüfung in der Flüssigkeitsphase bzw. in der Dampfphase des Geräts verwendet.

  3. Prüfverfahren

    Die Prüfstücke werden auf das Prüfgerät - gegebenenfalls mit der Feinschicht nach innen - aufgesetzt. In den Glaszylinder werden 1200 ml Prüfflüssigkeit gegossen. Danach wird das Gerät auf die Prüftemperatur aufgeheizt. Diese ist während der Prüfdauer konstant zu halten. Nach der Prüfung wird auf Raumtemperatur abgekühlt und die Prüfflüssigkeit entfernt. Die geprüften Stücke werden sofort mit destilliertem Wasser abgespült. Mit Wasser nicht mischbare Flüssigkeiten werden mit einem Lösungsmittel entfernt, das die Prüfstücke nicht angreift. Wegen der Gefahr einer Beschädigung der Oberfläche dürfen die Platten nicht mechanisch gereinigt werden.

  4. Auswertung

    Es wird eine visuelle Prüfung vorgenommen:


weiter .

umwelt-online - Demo-Version


(Stand: 29.08.2023)

Alle vollständigen Texte in der aktuellen Fassung im Jahresabonnement
Nutzungsgebühr: ab 105.- € netto

(derzeit ca. 7200 Titel s.Übersicht - keine Unterteilung in Fachbereiche)

Preise & Bestellung

Die Zugangskennung wird kurzfristig übermittelt

? Fragen ?
Abonnentenzugang/Volltextversion