umwelt-online: Archivdatei - BinSchUO 2008 - Binnenschiffsuntersuchungsordnung - Anhang II

zurück

Zur aktuellen Fassung

Abbildung 9 Teilstrom-Verdünnungssystem mit Doppel-Venturirohr oder Doppelblende, Konzentrationsmessung und Teilprobenahme

Unverdünntes Abgas wird aus dem Auspuffrohr EP durch die Probenahmesonde SP und das Übertragungsrohr TT zum Verdünnungstunnel DT geleitet, und zwar mittels eines Mengenteilers, der ein Paar Blenden oder Venturi-Rohre enthält. Der erste Mengenteiler (FD1) befindet sich im EP, der zweite (FD2) im TT. Zusätzlich sind zwei Druckregelventile (PCV1 und PCV2) erforderlich, damit durch Regelung des Gegendrucks in der EP und des Drucks im DT eine konstante Abgasteilung aufrechterhalten werden kann. PCV1 befindet sich stromabwärts der SP im EP, PCV2 zwischen dem Druckgebläse PB und dem DT. Die Konzentrationen des Tracergases (CO2 oder NOx) werden im unverdünnten Abgas, im verdünnten Abgas und in der Verdünnungsluft mit dem (den) Abgasanalysator(en) EGa gemessen. Sie werden zur Überprüfung der Abgasteilung benötigt und können zur Einstellung von PCV1 und PCV2 im Interesse einer präzisen Teilungsregelung verwendet werden. Das Verdünnungsverhältnis wird anhand der Tracergaskonzentrationen berechnet.

Abbildung 10 Teilstrom-Verdünnungssystem mit Mehrfachröhrenteilung, Konzentrationsmessung und Teilprobenahme

Unverdünntes Abgas wird aus dem Auspuffrohr EP durch die Probenahmesonde SP und das Übertragungsrohr TT zum Verdünnungstunnel DT geleitet, und zwar mittels eines im EP angebrachten Mengenteilers, der aus einer Reihe von Röhren mit gleichen Abmessungen besteht (Durchmesser, Länge und Biegungshalbmesser gleich). Das durch eine dieser Röhren strömende Abgas wird zum DT geleitet, das durch die übrigen Röhren strömende Abgas wird durch die Dämpfungskammer DC geleitet. Die Abgasteilung wird also durch die Gesamtzahl der Röhren bestimmt. Eine konstante Teilungsregelung setzt zwischen der DC und dem Ausgang des TT einen Differenzdruck von Null voraus, der mit dem Differenzdruckaufnehmer DPT gemessen wird. Ein Differenzdruck von Null wird erreicht, indem in den DT am Ausgang des TT Frischluft eingespritzt wird. Die Konzentrationen des Tracergases (CO2 oder NOx) werden im unverdünnten Abgas, im verdünnten Abgas und in der Verdünnungsluft mit dem (den) Abgasanalysator(en) EGa gemessen. Sie werden zur Überprüfung der Abgasteilung benötigt und können zur Einstellung von PCV1 und PCV2 im Interesse einer präzisen Teilungsregelung verwendet werden. Das Verdünnungsverhältnis wird anhand der Tracergaskonzentrationen berechnet.

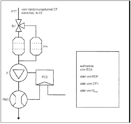
Abbildung 11 Teilstrom-Verdünnungssystem mit Durchflussregelung und Gesamtprobenahme

Unverdünntes Abgas wird aus dem Auspuffrohr EP durch die Probenahmesonde SP und das Übertragungsrohr TT in den Verdünnungstunnel DT geleitet. Der Gesamtdurchfluss durch den Tunnel wird mit dem Durchflussregler FC3 und der Probenahmepumpe P des Partikel-Probenahmesystems eingestellt (siehe Abbildung 16). Der Verdünnungsluftdurchfluss wird mit dem Durchflussregler FC2 geregelt, der GEXH, GAIR oder GFUEL als Steuersignale zur Herbeiführung der gewünschten Abgasteilung verwenden kann. Der Probedurchfluss in den DT ist die Differenz aus dem Gesamtdurchfluss und dem Verdünnungsluftdurchfluss. Der Verdünnungsluftdurchsatz wird mit dem Durchflussmessgerät FM1 und der Gesamtdurchsatz mit dem Durchflussmessgerät FM3 des Partikel-Probenahmesystems gemessen (siehe Abbildung 14). Das Verdünnungsverhältnis wird anhand dieser beiden Durchsätze berechnet.

Abbildung 12 Teilstrom-Verdünnungssystem mit Durchflussregelung und Teilprobenahme

Unverdünntes Abgas wird aus dem Auspuffrohr EP durch die Probenahmesonde SP und das Übertragungsrohr TT in den Verdünnungstunnel DT geleitet. Die Abgasteilung und der Durchfluss in den DT werden mit dem Durchflussregler FC2 geregelt, der die Durchflüsse (oder Drehzahlen) des Druckgebläses PB und des Ansauggebläses SB entsprechend einstellt. Dies ist möglich, weil die mit dem Partikel-Probenahmesystem entnommene Probe in den DT zurückgeführt wird. Als Steuersignale für FC2 können GEXH, GAIR oder GFUEL verwendet werden. Der Verdünnungsluftdurchsatz wird mit dem Durchflussmessgerät FM1, der Gesamtdurchsatz mit dem Durchflussmessgerät FM2 gemessen. Das Verdünnungsverhältnis wird anhand dieser beiden Durchsätze berechnet.

Beschreibung - Abbildungen 4 bis 12

2.1.2 Vollstrom-Verdünnungssystem (Abbildung 13)

Es wird ein Verdünnungssystem beschrieben, das unter Verwendung des CVS-Konzepts (Constant Volume Sampling) auf der Verdünnung des gesamten Abgasstroms beruht. Das Gesamtvolumen des Gemischs aus Abgas und Verdünnungsluft muss gemessen werden. Es kann entweder ein PDP- oder ein CFV-System verwendet werden.

Für die anschließende Sammlung der Partikel wird eine Probe des verdünnten Abgases durch das Partikel-Probenahmesystem geleitet (Abschnitt 2.2, Abbildungen 14 und 15). Geschieht dies direkt, spricht man von Einfachverdünnung. Wird die Probe in einem Sekundärverdünnungstunnel erneut verdünnt, spricht man von Doppelverdünnung. Letztere ist dann von Nutzen, wenn die Vorschriften in bezug auf die Filteranströmtemperatur bei Einfachverdünnung nicht eingehalten werden können. Obwohl es sich beim Doppelverdünnungssystem zum Teil um ein Verdünnungssystem handelt, wird es in Abschnitt 2.2, Abbildung 15, als Unterart eines Partikel-Probenahmesystems beschrieben, da es die meisten typischen Bestandteile eines Partikel-Probenahmesystems aufweist.

Die gasförmigen Emissionen können auch im Verdünnungstunnel eines Vollstrom-Verdünnungssystems bestimmt werden. Daher werden die Probenahmesonden für die gasförmigen Bestandteile in Abbildung 13 dargestellt, erscheinen jedoch nicht bei den Beschreibungen. Die entsprechenden Vorschriften sind in Abschnitt 1 dargelegt.

Beschreibung - Abbildung 13

Abbildung 13 Vollstrom-Verdünnungssystem

Die Gesamtmenge des unverdünnten Abgases wird im Verdünnungstunnel DT mit der Verdünnungsluft vermischt.

Der Durchsatz des verdünnten Abgases wird entweder mit einer Verdrängerpumpe PDP oder mit einem Venturi-Rohr mit kritischer Strömung CFV gemessen. Ein Wärmeaustauscher HE oder eine elektronische Durchflussmengenkompensation EFC kann für eine verhältnisgleiche Partikel-Probenahme und für die Durchflussbestimmung verwendet werden. Da die Bestimmung der Partikelmasse auf dem Gesamtdurchfluss des verdünnten Abgases beruht, ist die Berechnung des Verdünnungsverhältnisses nicht erforderlich.

2.2 Partikel-Probenahmesystem (Abbildungen 14 und 15)

Das Partikel-Probenahmesystem wird zur Sammlung der Partikel auf dem Partikelfilter benötigt. Im Fall von Teilstrom-Verdünnungssystemen mit Gesamtprobenahme, bei denen die gesamte Probe des verdünnten Abgases durch die Filter geleitet wird, bilden das Verdünnungssystem (Abschnitt 2.1.1, Abbildungen 7 und 11) und das Probenahmesystem in der Regel eine Einheit. Im Fall von Teilstrom- oder Vollstrom-Verdünnungssystemen mit Teilprobenahme, bei denen nur ein Teil des verdünnten Abgases durch die Filter geleitet wird, sind das Verdünnungssystem (Abschnitt 2.1.1, Abbildungen 4, 5, 6, 8, 9, 10 und 12, sowie Abschnitt 2.1.2, Abbildung 13) und das Probenahmesystem in der Regel getrennte Einheiten.

In dieser Dienstanweisung gilt das Doppelverdünnungssystem (DVS, Abbildung 15) eines Vollstrom-Verdünnungssystems als spezifische Unterart eines typischen Partikel-Probenahmesystems, wie es in Abbildung 14 dargestellt ist. Das Doppelverdünnungssystem enthält alle wichtigen Bestandteile eines Partikel-Probenahmesystems, wie beispielsweise Filterhalter und Probenahmepumpe, und darüber hinaus einige Merkmale eines Verdünnungssystems, wie beispielsweise die Verdünnungsluftzufuhr und einen Sekundär-Verdünnungstunnel.

Um eine Beeinflussung der Steuerschleifen zu vermeiden, wird empfohlen, die Probenahmepumpe während des gesamten Prüfverfahrens in Betrieb zu lassen. Bei der Einfachfiltermethode ist ein Bypass-System zu verwenden, um die Probe zu den gewünschten Zeitpunkten durch die Probenahmefilter zu leiten. Beeinträchtigungen des Schaltvorganges an den Steuerschleifen sind auf ein Mindestmaß zu begrenzen.

Beschreibung - Abbildungen 14 und 15

Abbildung 14 Partikel-Probenahmesystem

Eine Probe des verdünnten Abgases wird mit Hilfe der Probenahmepumpe P durch die Partikel-Probenahmesonde PSP und das Partikelübertragungsrohr PTT aus dem Verdünnungstunnel DT eines Teilstrom- oder Vollstrom-Verdünnungssystems entnommen. Die Probe wird durch den (die) Filterhalter FH geleitet, in dem (denen) die Partikel-Probenahmefilter enthalten sind. Der Probendurchsatz wird mit dem Durchflussregler FC3 geregelt. Bei Verwendung der elektronischen Durchflussmengenkompensation EFC (siehe Abbildung 13) dient der Durchfluss des verdünnten Abgases als Steuersignal für FC3.

Abbildung 15 Verdünnungssystem (nur Vollstromsystem)

Eine Probe des verdünnten Abgases wird durch die Partikel-Probenahmesonde PSP und das Partikelübertragungsrohr PTT aus dem Verdünnungstunnel DT eines Vollstrom-Verdünnungssystems in den Sekundärverdünnungstunnel SDT geleitet und dort nochmals verdünnt. Anschließend wird die Probe durch den (die) Filterhalter geleitet, in dem (denen) die Partikel-Probenahmefilter enthalten sind. Der Verdünnungsluftdurchsatz ist in der Regel konstant, während der Probendurchsatz mit dem Durchflussregler FC3 geregelt wird. Bei Verwendung der elektronischen Durchflussmengenkompensation EFC (siehe Abbildung 13) dient der Durchfluss des gesamten verdünnten Abgases als Steuersignal für FC3.

Dienstanweisung Nr. 17 12a
Zweckmäßiges Feuermeldesystem

10.03b Nr. 3, § 15.11 Nr. 17 und § 22b.11 Nr. 1 des Anhangs II)

Feuermeldesysteme werden als zweckmäßig angesehen, wenn sie die folgenden Bedingungen erfüllen.

0. Bauteile

0.1 Feuermeldesysteme bestehen aus

  1. Feuermeldeanlage,
  2. Feueranzeigeanlage,
  3. Kontrolltafel

sowie der externen Energieeinspeisung.

0.2 Die Feuermeldeanlage kann in eine oder mehrere Brandabschnitte aufgeteilt sein.

0.3 Die Feueranzeigeanlage kann eine oder mehrere Anzeigegeräte haben.

0.4 Die Kontrolltafel ist das zentrale Steuerungselement des Feuermeldesystems. Es enthält auch Teile der Feueranzeigeanlage (ein Anzeigegerät).

0.5 Ein Brandmeldeabschnitt kann einen oder mehrere Feuermelder haben.

0.6 Feuermelder können ausgeführt sein als

  1. Wärmemelder,
  2. Rauchmelder,
  3. Ionendetektor,
  4. Flammenmelder,
  5. Kombinationsmelder (Feuermelder, die aus einer Kombination von zwei oder mehr der unter Buchstabe a bis d genannten Melder bestehen).

Feuermelder, die auf andere den Beginn eines Brandes anzeigende Faktoren ansprechen, können von der Untersuchungskommission zugelassen werden, sofern sie nicht weniger empfindlich sind als die unter Buchstabe a bis e genannten Feuermelder.

0.7 Feuermelder können

  1. mit
  2. ohne

Einzelidentifikation ausgeführt sein.

1. Bauvorschriften

1.1 Allgemeines

1.1.1 Vorgeschriebene Feuermeldesysteme müssen jederzeit einsatzbereit sein.

1.1.2 Die entsprechend Nummer 2.2 geforderten Feuermelder müssen selbsttätig sein. Zusätzliche handbetätigte Feuermelder dürfen eingebaut sein.

1.1.3 Die Anlage mit Zubehör muss so ausgelegt sein, dass sie Ladespannungsschwankungen und Überspannungen, Änderungen der Umgebungstemperatur, Vibrationen, Feuchtigkeit, Schock, Stöße und Korrosion, wie sie üblicherweise auf Fahrzeugen vorkommen, standhalten.

1.2 Energieversorgung

1.2.1 Energiequellen und elektrische Stromkreise, die für den Betrieb des Feuermeldesystems erforderlich sind, müssen selbstüberwachend sein. Beim Auftreten eines Fehlers muss ein optisches und akustisches Alarmsignal an der Kontrolltafel ausgelöst werden, das sich von einem Feueralarmsignal unterscheidet.

1.2.2 Es müssen mindestens zwei Energiequellen für den elektrischen Teil des Feuermeldesystems vorhanden sein, von denen eine Quelle eine Notstromanlage (Notstromquelle und Notschalttafel) sein muss. Es müssen zwei ausschließlich diesem Zweck dienende separate Einspeisungen vorhanden sein. Diese müssen zu einem in oder in der Nähe der Kontrolltafel für die Feuermeldeanlage angeordneten selbsttätigen Umschalter führen. Auf Tagesausflugschiffen mit LWL bis 25 m und auf Motorschiffen ist eine eigene Notstromquelle ausreichend.

1.3 Feuermeldeanlage

1.3.1 Feuermelder müssen in Brandmeldeabschnitten zusammengefasst werden.

1.3.2 Feuermeldeanlagen dürfen nicht für einen anderen Zweck verwendet werden. Davon abweichend dürfen das Schließen der Türen nach § 15.11 Nr. 8 und ähnliche Funktionen an der Kontrolltafel ausgelöst und an dieser angezeigt werden.

1.3.3 Feuermeldeanlagen müssen so ausgeführt sein, dass der erste angezeigte Feueralarm weitere Feueralarme durch andere Feuermelder nicht verhindert.

1.4 Brandmeldeabschnitte

1.4.1 Umfasst die Feuermeldeanlage keine fernübertragbare Feuermelder-Einzelidentifikation, so darf ein Brandmeldeabschnitt nicht mehr als ein Deck überwachen. Ausgenommen davon ist ein Brandmeldeabschnitt, der eine eingeschachtete Treppe überwacht.

Um Verzögerungen bei der Entdeckung des Brandherds zu vermeiden, muss die Anzahl der in jedem Brandmeldeabschnitt einbezogenen geschlossenen Räume begrenzt werden. Mehr als fünfzig geschlossene Räume in einem Brandmeldeabschnitt sind unzulässig.

Umfasst das Feuermeldesystem eine fernübertragbare Feuermelder-Einzelidentifikation, so dürfen die Brandmeldeabschnitte mehrere Decks und eine beliebige Anzahl geschlossener Räume überwachen.

1.4.2 Auf Fahrgastschiffen, die keine Feuermeldeanlage mit fernübertragbarer Feuermelder-Einzelidentifikation haben, darf ein Brandmeldeabschnitt nicht mehr als einen nach § 15.11 Nr. 10 gebildeten Bereich umfassen. Das Ansprechen eines Feuermelders in einer einzelnen Kabine in diesem Brandmeldebereich muss im Gang vor dieser Kabine ein optisches und akustisches Signal auslösen.

1.4.3 Küchen, Maschinen- und Kesselräume müssen eigene Brandmeldeabschnitte bilden.

1.5 Feuermelder

1.5.1 Als Feuermelder müssen Wärme-, Rauchmelder oder Ionendetektoren verwendet werden. Andere Feuermelder dürfen nur zusätzlich verwendet werden.

1.5.2 Feuermelder müssen typgeprüft sein.

1.5.3 Alle selbsttätigen Feuermelder müssen so beschaffen sein, dass sie ohne Austausch eines Bestandteils auf ordnungsgemäße Funktionsfähigkeit überprüft und wieder für die normale Überwachung eingesetzt werden können.

1.5.4 Rauchmelder müssen so eingestellt sein, dass sie bei einer durch Rauch verursachten Dämpfung der Helligkeit je Meter von mehr als 2 % bis 12,5 % ansprechen. In Küchen, Maschinen- und Kesselräumen eingebaute Rauchmelder müssen innerhalb von Empfindlichkeitsgrenzen ansprechen, die den Anforderungen der Schiffsuntersuchungskommission genügen, wobei eine Unter- oder Überempfindlichkeit der Rauchmelder vermieden werden muss.

1.5.5 Wärmemelder müssen so eingestellt sein, dass sie bei Temperaturanstiegsraten von weniger als 1 °C/min bei Temperaturen von mehr als 54° C bis 78° C ansprechen.

Bei höheren Temperaturanstiegsraten muss der Wärmemelder innerhalb von Temperaturgrenzen ansprechen, bei denen eine Unter- oder Überempfindlichkeit der Wärmemelder vermieden wird.

1.5.6 Mit Zustimmung der Untersuchungskommission kann die zulässige Betriebstemperatur der Wärmemelder auf 30° C über der Höchsttemperatur im oberen Raumteil von Maschinen- und Kesselräumen erhöht werden.

1.5.7 Die Empfindlichkeit der Flammenmelder muss ausreichen, um Flammen gegen einen erleuchteten Raumhintergrund festzustellen. Flammenmelder müssen zusätzlich mit einem System zur Erkennung von Fehlanzeigen ausgestattet sein.

1.6 Feuermeldeanlage und Kontrolltafel

1.6.1 Die Aktivierung eines Feuermelders muss in der Kontrolltafel und den Anzeigegeräten ein optisches und akustisches Feueralarmsignal auslösen.

1.6.2 Die Kontrolltafel und die Anzeigegeräte müssen an einer ständig vom Schiffspersonal besetzten Stelle angeordnet sein. Ein Anzeigegerät muss sich im Steuerstand befinden.

1.6.3 Die Anzeigegeräte müssen mindestens den Brandmeldeabschnitt anzeigen, in dem ein Feuermelder wirksam geworden ist.

1.6.4 Auf oder neben jedem Anzeigegerät müssen unmissverständliche Informationen über die überwachten Räume und die Lage der Brandmeldeabschnitte angezeigt werden.

2. Einbauvorschriften

2.1 Feuermelder müssen so angebracht sein, dass eine bestmögliche Arbeitsweise gewährleistet ist. Stellen in der Nähe von Unterzügen und Lüftungsleitungen oder andere Stellen, an denen Luftströmungen die Leistungsfähigkeit beeinträchtigen könnten, und Stellen, an denen Stöße oder mechanische Beschädigungen wahrscheinlich sind, müssen vermieden werden.

2.2 Im allgemeinen müssen Feuermelder, die sich an der Decke befinden, mindestens 0,5 Meter von den Schotten entfernt sein. Der größte Abstand zwischen den Feuermeldern und Schotten muss folgender Tabelle entsprechen:

Art des Feuermelders Größte Bodenfläche pro Feuermelder Größter Abstand zwischen den Feuermeldern Größter Abstand der Feuermelder von den Schotten
Wärme 37 m2 9 m 4,5 m
Rauch 74 m2 11 m 5,5 m

Die Untersuchungskommission kann auf der Grundlage von Versuchen, welche die Charakteristik der Melder belegen, andere Abstände vorschreiben oder zulassen.

2.3 Die Verlegung von zur Feuermeldeanlage gehörenden elektrischen Leitungen durch Maschinen- und Kesselräume oder andere brandgefährdete Räume ist nicht zulässig, sofern dies nicht für die Feuermeldung aus diesen Räumen oder zum Anschluss an die entsprechende Energieversorgung erforderlich ist.

3. Prüfung 12a

3.1 Feuermeldesysteme müssen

  1. vor der ersten Inbetriebnahme,
  2. vor der Wiederinbetriebnahme nach einer wesentlichen Änderung oder Instandsetzung und
  3. regelmäßig, mindestens jedoch alle zwei Jahre,

von einem Sachverständigen geprüft werden. Für Maschinen- und Kesselräume findet diese Prüfung unter wechselnden Maschinenbetriebs- und Lüftungsbedingungen statt. Prüfungen nach Buchstabe c können auch von einem Sachkundigen einer Fachfirma für Feuerlöschanlagen durchgeführt werden.

3.2 Über die Prüfung ist eine vom Sachverständigen oder Sachkundigen unterzeichnete Bescheinigung auszustellen, aus der das Datum der Prüfung ersichtlich ist.

Dienstanweisung Nr. 18 12a
Nachweis der Schwimmfähigkeit, Trimmlage und Stabilität von getrennten Schiffsteilen

22a.05 Nr. 2 i. V. m. den §§ 22.02 und 22.03 des Anhangs II)

1. Bei einem Nachweis über die Schwimmfähigkeit, Trimmlage und Stabilität der nach § 22a.05 Nr. 2 Buchstabe a getrennten Schiffsteile ist davon auszugehen, dass beide Teile vorher teilentladen oder entladen wurden oder aber die über das Lukensüll hinausragenden Container in geeigneter Weise gegen Verrutschen gesichert wurden.

2. Für jedes der beiden Teile sind daher bei Berechnung nach § 22.03 (Randbedingungen und Berechnungsverfahren für den Stabilitätsnachweis bei Beförderung gesicherter Container) folgende Anforderungen einzuhalten:

3. Der Neigungswinkel (≤ 5°) braucht bei den nach § 22a.05 Nr. 2 getrennten Schiffsteilen nicht eingehalten zu werden, da dieser - abgeleitet aus dem Reibungskoeffizienten - für ungesicherte Container vorgeschrieben wurde.

Der krängende Hebel aus freien Flüssigkeitsoberflächen ist nach der Formel in § 22.02 Nr. 1 Buchstabe e zu berücksichtigen.

4. Die Anforderungen nach den Nummern 2 und 3 gelten auch als erfüllt, wenn für jedes der beiden Teile die Stabilitätsanforderungen nach Absatz 9.1.0.95.2. des ADN eingehalten werden.

5. Der Nachweis der Stabilität der getrennten Schiffsteile kann unter der Annahme homogener Beladung erfolgen, da diese - sofern nicht vorher schon vorhanden - vor dem Trennen hergestellt werden kann oder aber das Schiff weitgehend entladen werden wird.

Dienstanweisung Nr. 19
Austauschmotoren

24.02 Nr. 2 und § 24.06 Nr. 5 zu Kapitel 8a des Anhangs II)

1. Allgemeine Einführung

Nach § 24.02 Nr. 2 und § 24.06 Nr. 5 gelten die Vorschriften des Kapitels 8a nicht für Austauschmotoren, die bis zum 31. Dezember 2011 an Bord von Schiffen die am 1. Januar 2002 in Betrieb waren, installiert werden. Nach den zu diesen Vorschriften aufgeführten Fußnoten ist ein Austauschmotor ein gebrauchter, instandgesetzter Motor, der dem Motor, den er ersetzt, hinsichtlich Leistung, Drehzahl und Einbaubedingungen ähnlich ist.

2. Nähere Erläuterung

Es handelt sich um einen Austauschmotor, wenn

  1. nachgewiesen werden kann, dass der Motor vor dem 1. Januar 2002 gebaut worden ist;
  2. nachgewiesen werden kann, dass der Motor sich in Gebrauch befunden hat und instand gesetzt worden ist;
  3. der Motor von gleicher Bauart wie der ursprüngliche Motor ist (Reihenmotor, V-Motor);
  4. der Motor die gleiche Zylinderzahl wie der ursprüngliche Motor hat;
  5. die Nennleistung des Motors höchstens 10 % von der des ursprünglichen Motors abweicht;
  6. die Nenndrehzahl des Motors höchstens 10 % von der des ursprünglichen Motors abweicht.

Dienstanweisung Nr. 20
Ausrüstung von Schiffen, die dem Standard S1 oder S2 entsprechen

23.09 des Anhangs II)

1. Allgemeine Einführung

Nach § 23.09 Nr. 1 des Anhangs II müssen Schiffe, die mit Mindestbesatzung (Standard S1 und S2) gefahren werden sollen, den in dieser Bestimmung aufgeführten Vorschriften genügen. Nach § 23.09 Nr. 1 bestätigt die Untersuchungskommission im Schiffsattest, dass das Schiff diesen Vorschriften genügt.

Es handelt sich bei diesen Vorschriften um ergänzende Ausrüstungsanforderungen, die zusätzlich zu den Anforderungen gelten, denen ein Schiff entsprechen muss, damit das Schiffsattest erteilt wird. Vorschriften des § 23.09, die unterschiedlich ausgelegt werden könnten, werden in der vorliegenden Dienstanweisung näher erläutert. Demnach sind die Vorschriften des § 23.09 Nr. 1 des Anhangs II wie folgt auszulegen:

2. § 23.09 Nr. 1.1

2.1 Buchstabe a - Einrichtung der Antriebsanlagen

Verfügt ein Schiff über eine direkt umsteuerbare Hauptmaschine, muss die Druckluftanlage, die für die Umsteuerung der Schubrichtung erforderlich ist,

  1. entweder ununterbrochen durch einen selbständig regelnden Kompressor unter Druck gehalten werden, oder
  2. nach Auslösung eines Alarms im Steuerhaus mittels eines Aggregates, das vom Steuerstand aus gestartet werden kann, unter Druck gesetzt werden. Verfügt dieses Aggregat über einen eigenen Brennstofftank, muss dieser Tank - in Übereinstimmung mit § 8.05 Nr. 13 - über eine Füllstandswarneinrichtung im Steuerhaus verfügen.

2.2 Buchstabe b - Füllstand der Bilgen des Hauptmaschinenraumes

Ist der Betrieb der Bugsteueranlage erforderlich zur Erfüllung der Manövrieranforderungen des Kapitels 5, gilt der Raum der Bugsteueranlage als Hauptmaschinenraum.

2.3 Buchstabe c - selbsttätige Brennstoffzufuhr

2.3.1 Verfügt die Antriebsanlage über einen Tagestank, muss

  1. dessen Inhalt den Betrieb der Antriebsanlage während 24 Stunden sicherstellen, wobei von einem Verbrauch von 0,25 Liter pro kW und pro Stunde ausgegangen wird,
  2. die Brennstoffzufuhrpumpe für das Nachfüllen des Tagestanks ununterbrochen betrieben werden oder
  3. diese mit

ausgerüstet sein.

2.3.2 Der Tagestank muss über einen Niveaualarmgeber verfügen, der die Anforderung nach § 8.05 Nr. 13 erfüllt.

2.4 Buchstabe d - kein besonderer Kraftaufwand für die Steuereinrichtung

Hydraulisch betriebene Ruderanlagen erfüllen diese Anforderung. Manuell angetriebene Ruderanlagen dürfen zu ihrer Betätigung keinen Kraftaufwand von mehr als 160 N erfordern.

2.5 Buchstabe e - erforderliche Sicht- und Schallzeichen bei der Fahrt

Zu den Sichtzeichen gehören nicht Zylinder, Bälle, Kegel und Doppelkegel nach der Rheinschifffahrtspolizeiordnung.

2.6 Buchstabe f - direkte Verständigung und Verständigung mit dem Maschinenraum

2.6.1 Direkte Verständigung gilt als gewährleistet, wenn

  1. zwischen Steuerhaus und Bedienungsstand der Winden und Poller auf dem Vor- oder Achterschiff ein direkter Sichtkontakt möglich ist und außerdem der Abstand vom Steuerhaus zu diesen Bedienungsständen nicht mehr als 35 m beträgt und
  2. die Wohnung unmittelbar vom Steuerhaus aus zugänglich ist.

2.6.2 Die Verständigung mit dem Maschinenraum gilt als gewährleistet, wenn das in § 7.09 Nr. 3 Satz 2 genannte Signal separat von dem in § 7.09 Nr. 2 genannten Schalter betätigt werden kann.

2.7 Buchstabe i - Kurbeln und ähnliche drehbare Bedienungsteile

Dazu gehören:

  1. von Hand betätigte Ankerwinden (als höchster Kraftaufwand gilt der Kraftaufwand bei freihängenden Ankern);
  2. Kurbeln für das Heben von Luken;
  3. Kurbeln an Mast- und Schornsteinwinden.

Dazu gehören nicht:

  1. Verhol- und Kupplungswinden;
  2. Kurbeln an Kranen, soweit diese nicht für Beiboote bestimmt sind.

2.8 Buchstabe m - ergonomische Anordnung

Die Vorschriften gelten als erfüllt, wenn

  1. das Steuerhaus entsprechend der Europäischen Norm DIN EN 1864:2008 eingerichtet ist oder
  2. das Steuerhaus so eingerichtet ist, dass eine einzige Person das Schiff mit Radarunterstützung steuern kann, oder
  3. das Steuerhaus den folgenden Anforderungen genügt:
    aa) Die Kontrollinstrumente und Bedienungseinrichtungen befinden sich im vorderen Blickfeld und in einem Bogen von höchstens 180° (90° auf Steuerbordseite und 90° auf Backbordseite), einschließlich Boden und Decke. Sie müssen von der Stelle, an der sich der Rudergänger normalerweise befindet, gut leserlich und gut sichtbar sein.
    bb) Die wichtigsten Bedienungseinrichtungen, wie Steuerrad oder Steuerhebel, Motorbedienung, Funkbedienung, Bedienung der akustischen Signale und der nach nationalen oder internationalen Schifffahrtspolizeivorschriften erforderlichen Begegnungszeichen müssen so angelegt sein, dass der Abstand zwischen den an Steuerbord und den an Backbord angeordneten Bedienungseinrichtungen höchstens 3 m beträgt. Es muss möglich sein, dass der Rudergänger die Motoren bedient, ohne die Bedienung der Steuereinrichtung loszulassen und die übrigen Bedienungseinrichtungen, wie die Sprechfunkanlage, die akustischen Signale und die nach nationalen oder internationalen Schifffahrtspolizeivorschriften erforderlichen Begegnungszeichen ebenfalls noch bedienen kann.
    cc) Die Bedienung der nach nationalen oder internationalen Schifffahrtspolizeivorschriften bei der Fahrt erforderlichen Begegnungszeichen erfolgt elektrisch, pneumatisch, hydraulisch oder mechanisch. Abweichend ist eine Bedienung mittels eines Zugdrahtes nur zugelassen, wenn hiermit die Bedienung vom Steuerstand aus sicher möglich ist.

3. § 23.09 Nr. 1.2

3.1 Buchstabe a - einzeln fahrendes Motorschiff

Motorschiffe, die ausweislich des Schiffsattestes auch zum Schieben geeignet sind, jedoch

  1. keine hydraulisch oder elektrisch angetriebenen Kupplungswinden besitzen oder
  2. deren hydraulisch oder elektrisch angetriebene Kupplungswinden nicht den Anforderungen nach Abschnitt 3.3 dieser Dienstanweisung genügen,

erhalten den Standard S2 als einzeln fahrendes Motorschiff.

In Nummer 47 des Schiffsattestes wird die Bemerkung "Standard S2 gilt nicht für das schiebende Motorschiff" eingetragen.

3.2 Buchstabe c - Schubverband

Motorschiffe, die ausweislich des Schiffsattestes zum Schieben geeignet sind und mit hydraulisch oder elektrisch angetriebenen Kupplungswinden, die die Anforderungen nach Abschnitt 3.3 dieser Dienstanweisung erfüllen, ausgerüstet sind, jedoch keine eigene Bugstrahlanlage besitzen, erhalten den Standard S2 als Motorschiff, das einen Schubverband fortbewegt. In Nummer 47 des Schiffsattestes wird die Bemerkung "Standard S2 gilt nicht für das einzeln fahrende Motorschiff" eingetragen.

3.3 Buchstabe c Satz 1 und Buchstabe d Satz 1 - Spezialwinden oder gleichwertige Einrichtungen zum Spannen der Seile (Kupplungseinrichtungen)

Die hier geforderten Kupplungseinrichtungen sind die nach § 16.01 Nr. 2 mindestens vorgeschriebenen Einrichtungen, die gemäß Dienstanweisung Nr. 3, Abschnitt 2.1 und 2.2 (Längsverbindungen), zur Aufnahme der Kupplungskräfte dienen und den folgenden Anforderungen genügen:

  1. Die Einrichtung leistet die für die Kupplung erforderliche Spannkraft rein mechanisch.
  2. Die Bedienteile der Einrichtung befinden sich an der Einrichtung selbst. Abweichend ist eine Fernbedienung zugelassen, wenn
  3. Die Einrichtung verfügt über eine Bremsvorrichtung, die sofort wirksam wird, wenn die Bedienungsvorrichtung losgelassen wird oder wenn die Antriebskraft ausfällt.
  4. Das Kupplungsdrahtseil muss nach einem Antriebsausfall manuell gelöst werden können.

3.4 Buchstabe c Satz 2 und Buchstabe d Satz 2 - Bedienung der Bugstrahlanlage

Die Bedienungsvorrichtung der Bugstrahlanlage muss im Steuerhaus fest eingebaut sein. Die Anforderungen des § 7.04 Nr. 8 sind einzuhalten. Die Verkabelung zur Steuerung der Bugstrahlanlage muss bis zum Vorschiff des schiebenden Motorschiffes oder Schubbootes fest eingebaut sein.

3.5 Buchstabe e - gleichwertige Manövriereigenschaften

Gleichwertige Manövriereigenschaften gewährleistet eine Antriebsanlage, die aus

  1. einem Mehrschraubenantrieb und mindestens zwei voneinander unabhängigen Antriebsanlagen mit ähnlichem Leistungsvermögen,
  2. mindestens einem Zykloidalpropeller,
  3. mindestens einem Ruderpropeller oder
  4. mindestens einem 360°-Wasserstrahlantrieb

besteht.

Dienstanweisung Nr. 21 12a
Anforderungen an Sicherheitsleitsysteme

15.06 Nr. 7 und § 22b.10 Buchstabe d des Anhangs II)

1. Allgemeines

1.1 Nach den vorstehend aufgeführten Bestimmungen müssen auf Fahrgastschiffen und schnellen Schiffen geeignete Sicherheitsleitsysteme vorhanden sein, um die Fluchtwege und Notausgänge deutlich erkennbar zu machen, wenn die Wirksamkeit der normalen Notbeleuchtung aufgrund von Rauchbildung eingeschränkt ist. Solche Sicherheitsleitsysteme müssen als bodennahe Sicherheitsleitsysteme ausgeführt sein. Diese Dienstanweisung betrifft die Genehmigung, den Einbau und die Wartung dieser Sicherheitsleitsysteme.

1.2 Zusätzlich zur Notbeleuchtung nach § 15.10 Nr. 3 müssen die Fluchtwege, einschließlich der Treppen, Ausgänge und Notausgänge, in ihrem gesamten Verlauf, insbesondere an Ecken und Kreuzungen, mit einem Sicherheitsleitsystem versehen sein.

1.3 Das Sicherheitsleitsystem muss nach Aktivierung mindestens dreißig Minuten funktionieren.

1.4 Produkte von Sicherheitsleitsystemen dürfen weder radioaktiv noch giftig sein.

1.5 Erläuterungen des Sicherheitsleitsystems müssen neben dem Sicherheitsplan nach § 15.13 Nr. 2 und in jeder Kabine angebracht sein.

2. Definitionen

2.1 Bodennahe Sicherheitsleitsysteme (Low-Location Lighting - LLL): Elektrische Beleuchtung oder langnachleuchtende Hinweisschilder entlang der Fluchtwege, so dass alle Fluchtwege leicht erkennbar sind.

2.2 Langnachleuchtendes System (PL): Sicherheitsleitsystem aus langnachleuchtendem Werkstoff. Diese Werkstoffe enthalten einen chemischen Stoff (Beispiel: Zinksulfid), der fähig ist, bei Beleuchtung durch sichtbare Strahlung Energie zu speichern. Die langnachleuchtenden Werkstoffe strahlen Licht aus, das sichtbar wird, wenn die umgebende Beleuchtungsquelle an Wirksamkeit verliert. Ist keine Lichtquelle vorhanden, die für eine weitere Anregung erforderlich ist, geben die langnachleuchtenden Werkstoffe die angesammelte Energie in Form von Lichtemissionen wieder ab, die sich mit der Zeit abschwächen.

2.3 Elektrisch gespeistes System (EP): Sicherheitsleitsystem, das für seinen Betrieb elektrische Energie benötigt, beispielsweise Systeme, die Glühlampen, Leuchtdioden, Elektrolumineszenz-Bänder oder -Lampen, Fluoreszenz-Lampen usw. verwenden.

3. Gänge und Treppen

3.1 In allen Gängen muss das LLL ununterbrochen sein, abgesehen von den Unterbrechungen durch Gänge oder Kabinentüren, damit sich eine erkennbare Leitlinie entlang des Fluchtweges ergibt. LLL, die einer internationalen Norm entsprechen und eine sichtbare, aber nicht durchgehende Leitlinie beinhalten, können ebenfalls eingesetzt werden. Die Leitmarkierung ist mindestens auf einer Seite des Ganges vorzusehen: an der Wand höchstens 0,3 m über dem Boden oder auf dem Boden höchstens 0,15 m von der Wand entfernt. In Gängen, die über 2 m breit sind, ist die Leitmarkierung auf beiden Seiten vorzusehen.

3.2 In Sackgassen soll das LLL in Abständen von nicht mehr als 1 m mit Pfeilen oder gleichwertigen Richtungsweisern versehen sein, die in Fluchtrichtung zeigen.

3.3 Auf allen Treppen ist das LLL mindestens auf einer Seite höchstens 0,3 m über den Stufen anzubringen. Es muss die Position jeder Stufe für eine Person erkennbar machen, die sich oberhalb oder unterhalb dieser Stufe befindet. Bei Treppenbreiten über 2 m ist das LLL an beiden Seiten anzubringen. Jeder Treppenabsatz ist so zu markieren, dass Beginn und Ende erkennbar sind.

4. Türen

4.1 Die bodennahe Leitmarkierung muss zum Griff der Ausgangstür führen. Um Verwechslungen zu vermeiden, dürfen so andere Türen nicht gekennzeichnet werden.

4.2 Sofern Türen in Trennflächen nach § 15.11 Nr. 2 und Türen in Schotten nach § 15.02 Nr. 5 als Schiebetüren ausgeführt sind, muss die Öffnungsrichtung gekennzeichnet sein.

5. Schilder und Markierungen

5.1 Die Schilder zur Kennzeichnung von Fluchtwegen müssen aus einem langnachleuchtenden Werkstoff oder elektrisch beleuchtet sein. Die Maße der Schilder und die Markierungen müssen dem LLL angepasst sein.

5.2 An allen Ausgängen sind entsprechende Schilder anzubringen. Diese Schilder sind ebenfalls in dem genannten Bereich an der Seite der Türen anzubringen, an der sich der Türgriff befindet.

5.3 Alle Schilder müssen einen Farbkontrast zu den Hintergründen (Wand oder Boden) bilden.

5.4 Für die LLL sind normierte Symbole (beispielsweise diejenigen, die in dem Beschluss A.760 (18) IMO beschrieben werden) zu verwenden.

6. Langnachleuchtende Systeme

6.1 Die Breite der langnachleuchtenden Bänder muss mindestens 0,075 m betragen. Abweichend davon können auch schmalere langnachleuchtende Bänder verwendet werden, wenn ihre Leuchtdichte entsprechend erhöht wird, um die fehlende Breite auszugleichen.

6.2 Langnachleuchtende Stoffe müssen 10 Minuten nach Ausfall aller äußeren Beleuchtungsquellen mit einer Leuchtdichte von mindestens 15 mcd/m2 nachleuchten. Das System muss danach noch 20 Minuten lang eine Leuchtdichte von über 2 mcd/m2 aufweisen.

6.3 Alle Stoffe eines langnachleuchtenden Systems müssen wenigstens die Mindestmenge des umgebenden Lichtes aufnehmen können, die erforderlich ist, um die langnachleuchtenden Stoffe hinreichend aufzuladen, damit sie den vorgenannten Anforderungen an die Leuchtdichte genügen können.

7. Elektrisch gespeiste Systeme

7.1 Elektrische gespeiste Systeme müssen an die nach § 15.10 Nr. 4 vorgeschriebenen Notstromquellen angeschlossen sein, damit sie unter normalen Umständen durch die Hauptstromquelle und bei Einschalten der Notstromquelle durch diese Notstromquelle versorgt werden können. Um die Bemessung der Kapazität der Notstromquelle zu ermöglichen, müssen die elektrisch gespeisten Systeme auf die Liste der Verbraucher in Notfällen gesetzt werden.

7.2 Elektrisch gespeiste Systeme müssen sich entweder selbsttätig einschalten oder mit einem Handgriff vom Steuerstand aus aktiviert werden können.

7.3 Bei Einbau von elektrisch gespeisten Systemen müssen folgende Normen für die Leuchtdichte eingehalten werden:

  1. Die aktiven Teile der elektrisch gespeisten Systeme müssen eine Leuchtdichte von mindestens 10 cd/m2 aufweisen.
  2. Die einzelnen Quellen der Systeme mit Miniaturglühlampen müssen eine durchschnittliche sphärische Lichtstärke von mindestens 150 mcd besitzen, wobei der Abstand zwischen den einzelnen Lampen nicht mehr als 0,1 m betragen darf.
  3. Die einzelnen Quellen der Systeme mit Leuchtdioden müssen eine Spitzenstärke von mindestens 35 mcd aufweisen. Der Winkel des Lichtkegels, in dem die Lichtstärke nur noch halb so groß ist, muss an die voraussichtliche Annäherungs- und Blickrichtung angepasst sein. Der Abstand zwischen den einzelnen Lampen darf nicht mehr als 0,3 m betragen.
  4. die Elektroluminiszenz-Systeme müssen nach Ausfall der Stromversorgungsquelle, an die sie nach Abschnitt 7.1 angeschlossen sein müssen, noch 30 Minuten weiter funktionieren.

7.4 Alle elektrisch gespeisten Systeme müssen so konzipiert sein, dass der Ausfall einer einzelnen Lichtquelle, eines einzelnen Leuchtbandes oder einer einzelnen Batterie die Markierungen nicht unwirksam macht.

7.5 Elektrisch gespeiste Systeme müssen hinsichtlich Vibrationsprüfung und Wärmeprüfung den Bestimmungen des § 9.20 genügen. Abweichend von § 9.20 Nr. 2 Buchstabe c kann die Wärmeprüfung bei einer Bezugslufttemperatur von 40° C erfolgen.

7.6 Elektrisch gespeiste Systeme müssen hinsichtlich der elektromagnetischen Verträglichkeit den Anforderungen des § 9.21 genügen.

7.7 Elektrisch gespeiste Systeme müssen nach IEC 60529:1992 eine Mindestschutzart von IP 55 aufweisen.

8. Prüfung 12a

8.1 Die Leuchtdichte der LLL muss

  1. vor der ersten Inbetriebnahme,
  2. vor der Wiederinbetriebnahme nach einer wesentlichen Änderung oder Instandsetzung und
  3. regelmäßig, mindestens alle fünf Jahre,

von einem Sachverständigen geprüft werden. Prüfungen nach Buchstabe c können auch von einem Sachkundigen für Sicherheitsleitsysteme durchgeführt werden.

8.2 Über die Prüfung ist eine vom Sachverständigen oder Sachkundigen unterzeichnete Bescheinigung auszustellen, aus der das Datum der Prüfung ersichtlich ist.

8.3 Genügt die Leuchtdichte bei einer einzelnen Messung nicht den Anforderungen dieser Dienstanweisung, sind Messungen an mindestens zehn Stellen gleichen Abstands vorzunehmen. Erfüllen über 30 % der Messungen nicht die Anforderungen dieser Dienstanweisung, müssen die Sicherheitsleitsysteme ausgetauscht werden. Genügen 20 bis 30 % der Messungen nicht den Anforderungen dieser Dienstanweisung, sind die Sicherheitsleitsysteme im Laufe eines Jahres erneut zu prüfen.

Dienstanweisung Nr. 22
Berücksichtigung der besonderen Sicherheitsbedürfnisse von Personen mit eingeschränkter Mobilität

1.01 Nr. 90, § 15.01 Nr. 4, § 15.06 Nr. 3 bis 5, 9, 10, 13 und 17, § 15.08 Nr. 3, § 15.10 Nr. 3 und § 15.13 Nr. 1 bis 4 des Anhangs II)

1. Einführung

Personen mit eingeschränkter Mobilität haben Sicherheitsbedürfnisse, die über solche von anderen Fahrgästen hinausgehen. Diesen Bedürfnissen wird durch die Anforderungen in Kapitel 15, die nachfolgend erläutert werden, Rechnung getragen.

Diese Anforderungen sollen gewährleisten, dass Personen mit eingeschränkter Mobilität sich an Bord der Schiffe sicher aufhalten und bewegen können. Zusätzlich soll bei Eintritt einer Notsituation diesen Personen grundsätzlich ein vergleichbares Sicherheitsniveau geboten werden wie anderen Fahrgästen.

Es ist nicht notwendig, dass alle Fahrgastbereiche den besonderen Sicherheitsbedürfnissen von Personen mit eingeschränkter Mobilität genügen. Daher gelten die Anforderungen auch nur für bestimmte Bereiche. Jedoch muss den betreffenden Personen die Gelegenheit gegeben sein, sich über die Ausdehnung der für sie aus sicherheitstechnischer Sicht besonders hergerichteten Bereiche zu informieren, so dass sie ihren Aufenthalt an Bord entsprechend gestalten können. Es liegt in der Verantwortung des Schiffseigners, die entsprechenden Bereiche vorzuhalten, kenntlich zu machen und den Personen mit eingeschränkter Mobilität zu kommunizieren.

Die Vorschriften hinsichtlich der Personen mit eingeschränkter Mobilität orientieren sich an

Die in Anhang II verwendete Begriffsbestimmung für "Personen mit eingeschränkter Mobilität" ist weitgehend identisch mit jener aus der Richtlinie, die meisten der technischen Anforderungen entstammen dem Leitfaden. Daher können beide Regelwerke zur Entscheidungsfindung in Zweifelsfällen herangezogen werden. Insgesamt gesehen gehen Richtlinie und Leitfaden jedoch in ihren Anforderungen über jene des Anhangs II hinaus.

Die Anforderungen des Anhangs II betreffen nicht Anleger und ähnliche Einrichtungen. Diese unterliegen nationalen Vorschriften.

2. § 1.01 Nr. 90 - Begriffsbestimmung "Personen mit eingeschränkter Mobilität"

Personen mit eingeschränkter Mobilität sind solche, die sich aufgrund eigener physischer Einschränkungen nicht so bewegen können oder ihre Umwelt so wahrnehmen können wie andere Fahrgäste. Dazu gehören auch Personen mit eingeschränktem Seh- oder Hörvermögen oder Personen in Begleitung von Kindern, die in Kinderwagen mitgeführt oder getragen werden. Im Sinne dieser Vorschriften sind Personen mit eingeschränkter Mobilität jedoch nicht solche mit psychischen Einschränkungen.

3. § 15.01 Nr. 4 - Allgemeine Bestimmungen: Bereiche, die für die Nutzung durch Personen mit eingeschränkter Mobilität vorgesehenen sind

Bereiche, die für die Nutzung durch Personen mit eingeschränkter Mobilität vorgesehen sind, erstrecken sich im einfachsten Fall vom Eingangsbereich bis zu den Stellen, von denen im Notfall eine Evakuierung vorgesehen ist. Sie müssen

einschließen.

Die Zahl der Sitzplätze sollte mindestens in etwa der Zahl von Personen mit eingeschränkter Mobilität entsprechen, die - über einen längeren Zeitraum gesehen - häufiger gleichzeitig an Bord sind. Die Zahl ist vom Schiffseigner aufgrund seiner Erfahrungen festzulegen, da sie sich den Kenntnissen der Untersuchungskommission entzieht.

Auf Kabinenschiffen sind außerdem Verbindungswege zu den Fahrgastkabinen, die von Personen mit eingeschränkter Mobilität genutzt werden, zu berücksichtigen. Die Zahl dieser Kabinen ist vom Schiffseigner in gleicher Weise wie die Zahl der Sitzplätze festzulegen. Anforderungen an die besondere Herrichtung von Kabinen werden - mit Ausnahme der Breite der Türen - nicht gestellt. Es liegt in der Verantwortung des Eigners, notwendige weitere Vorkehrungen zu treffen.

Satz 2 der Vorschrift ist wortgleich mit § 24.04 Nr. 4, lediglich bezogen auf die Berücksichtigung der besonderen Sicherheitsbedürfnisse von Personen mit eingeschränkter Mobilität. Daher ist bei ihrer Anwendung auch gleichermaßen zu verfahren. Sollten die Empfehlungen Ersatzmaßnahmen fordern, können diese insbesondere organisatorischer Art sein.

4. § 15.06 Nr. 3 Buchstabe g - Ausgänge von Räumen

Bei den Anforderungen an die Breite von Verbindungsgängen, Ausgängen und Öffnungen in Schanzkleidern oder Geländern, die für die Nutzung durch Personen mit eingeschränkter Mobilität vorgesehen sind oder gewöhnlich für das an oder von Bord gehen von Personen mit eingeschränkter Mobilität genutzt werden, ist das Mitführen von Kinderwagen ebenso berücksichtigt wie der Umstand, dass Personen auf verschiedene Arten von Gehhilfen oder Rollstühle angewiesen sein können. Bei Ausgängen oder Öffnungen für das an oder von Bord gehen ist außerdem dem erhöhten Platzbedarf für eventuell notwendiges Hilfspersonal Rechnung getragen.

5. § 15.06 Nr. 4 Buchstabe d - Türen

Die Anforderungen an die Ausgestaltung der Umfelder von Türen, die für die Nutzung durch Personen mit eingeschränkter Mobilität vorgesehen sind, erlauben, dass auch Personen, die z.B. auf Gehhilfen angewiesen sind, diese Türen gefahrlos öffnen können.

6. § 15.06 Nr. 5 Buchstabe c - Verbindungsgänge

Siehe die Ausführungen zu Abschnitt 4 dieser Dienstanweisung.

7. § 15.06 Nr. 9 - Treppen und Aufzüge

Die Anforderungen an die Ausgestaltung von Treppen berücksichtigen neben einer möglichen eingeschränkten Bewegungsfähigkeit auch Einschränkungen der Sehfähigkeit.

8. § 15.06 Nr. 10 Buchstabe a und b - Schanzkleider, Geländer

Die Anforderungen an Schanzkleider und Geländer von Decks, die für die Nutzung durch Personen mit eingeschränkter Mobilität vorgesehen sind, sehen eine größere Höhe vor, da diese Personen eher in eine Situation geraten, wo sie das Gleichgewicht verlieren oder sich selbst nicht festhalten können.

Siehe außerdem die Ausführungen zu Abschnitt 4 dieser Dienstanweisung.

9. § 15.06 Nr. 13 - Verkehrsflächen

Personen mit eingeschränkter Mobilität müssen sich aus verschiedensten Gründen häufiger Abstützen oder Festhalten, weshalb Wände an Verkehrsflächen, die für die Nutzung durch Personen mit eingeschränkter Mobilität vorgesehen sind, mit Handläufen in einer geeigneten Höhe zu versehen sind.

Siehe außerdem die Ausführungen zu Abschnitt 4 dieser Dienstanweisung.

10 § 15.06 Nr. 17 - Toiletten

Auch auf der Toilette sollten sich Personen mit eingeschränkter Mobilität sicher aufhalten und bewegen können, weshalb mindestens eine Toilette entsprechend herzurichten ist.

11 § 15.08 Nr. 3 Buchstabe a und b - Alarmanlage

Personen mit eingeschränkter Mobilität können eher in Situationen geraten, in denen sie auf Hilfe Anderer angewiesen sind. In Räumen, in denen sie im Regelfall von der Besatzung, dem Bordpersonal oder Fahrgästen nicht gesehen werden können, ist daher die Möglichkeit der Auslösung eines Alarms vorzusehen. Dies gilt für Toiletten, die für die Nutzung durch Personen mit eingeschränkter Mobilität vorgesehen sind.

Personen mit eingeschränkter Mobilität sind auch solche mit eingeschränkter Seh- oder Hörfähigkeit. Dem muss die Anlage zur Alarmierung der Fahrgäste - zumindest in den Bereichen, die für die Nutzung durch Personen mit eingeschränkter Mobilität vorgesehen sind - durch geeignete optische und akustische Signalgebung Rechnung tragen.

12 § 15.10 Nr. 3 Buchstabe d - Ausreichende Beleuchtung

Personen mit eingeschränkter Mobilität sind auch solche mit eingeschränkter Sehfähigkeit. Eine ausreichende Beleuchtung der Bereiche, die für die Nutzung durch Personen mit eingeschränkter Mobilität vorgesehen sind, ist daher unabdingbar und muss grundsätzlich höheren Anforderungen genügen als eine Beleuchtung für andere Fahrgastbereiche.

13 § 15.13 Nr. 1 - Sicherheitsrolle

Die in der Sicherheitsrolle zu berücksichtigenden besonderen Sicherheitsmaßnahmen, die für Personen mit eingeschränkter Mobilität erforderlich sind, müssen sowohl auf eine mögliche eingeschränkte Bewegungsfähigkeit wie auch auf Einschränkungen der Hör- und der Sehfähigkeit eingehen. Für diesen Personenkreis sind neben den Maßnahmen bei Eintritt von Notfällen auch solche für den Normalbetrieb zu berücksichtigen.

14. § 15.13 Nr. 2 - Sicherheitsplan

Die Bereiche nach Abschnitt 3 dieser Dienstanweisung sind zu kennzeichnen.

15. § 15.13 Nr. 3 Buchstabe b - Anbringung von Sicherheitsrolle und Sicherheitsplan

Zumindest die Ausfertigungen der Sicherheitsrolle und des Sicherheitsplans, die in den für die Nutzung durch Personen mit eingeschränkter Mobilität vorgesehen Bereichen angebracht sind, müssen so gestaltet werden, dass sie möglichst auch von Personen mit eingeschränkter Sehfähigkeit noch gelesen werden können. Dies kann z.B. durch geeignete Wahl von Kontrast und Schriftgröße erreicht werden.

Außerdem sind die Pläne in einer Höhe anzubringen, in der sie auch von Rollstuhlfahrern gelesen werden können.

16. § 15.13 Nr. 4 - Verhaltensregeln für Fahrgäste

Die Ausführungen zu Abschnitt 15 dieser Dienstanweisung gelten sinngemäß.

Dienstanweisung Nr. 23 12a 14a
Zuordnung des Verwendungszweckes des Motors zur Typgenehmigung und besondere Verwendungszwecke des Motors (Motoranwendungen)
(§§ 8a.03, 8a.11 und Anlage J i. V. m. § 8a.07, Dienstanweisung Nummer 16 des Anhangs II sowie des § 8a.03 Nummer 1 des Artikels 4 des Anhangs XII)

Nach Anhang II § 8a.02 Nummer 3 und Anhang XII Artikel 4 § 8a.03 Nummer 1 muss ein Motor, der in ein Fahrzeug oder in Maschinen an Bord eingebaut ist, sofern er eine bestimmte Nennleistung überschreitet und nicht unter einschlägige Vorschriften der Europäischen Union fällt, eine Typgenehmigung besitzen, mit der bestätigt wird, dass für Fahrzeuge mit Schiffsattest die Vorschriften des Anhangs II Kapitel 8a oder für Fahrzeuge mit Gemeinschaftszeugnis die Vorschriften des Anhangs XII Artikel 4 Kapitel 8a in Verbindung mit den Vorschriften der Binnenschiffs-Abgasemissionsverordnung und der Richtlinie 97/68/EG1 eingehalten werden. Die Typgenehmigung ist für Fahrzeuge

  1. mit Schiffsattest nach Anhang II § 8a.03 zu beantragen und von der zuständigen Behörde nach dem Verfahren nach Anhang II § 8a.04 zu erteilen,
  2. mit Gemeinschaftszeugnis nach den Vorschriften der Binnenschiffs-Abgasemissionsverordnung zu beantragen und zu erteilen.

Da Motoren für verschiedene Verwendungszwecke eingesetzt werden können, die sowohl nach den Bestimmungen in Anhang II Anlage J als auch nach denen der Richtlinie 97/68/EG in mehreren Dokumenten anzugeben und nach ergänzenden Bestimmungen zu prüfen sind, dient die vorliegende Dienstanweisung als Handreichung für die Umsetzung dieser Bestimmungen. Nachfolgende Tabelle listet die zu berücksichtigenden wesentlichen Vorschriften auf.

Fundstellen
Anhang II RL 97/68/EG
Ergänzende Prüfbestimmungen Anlage J Teil I Nr. 3 und
Dienstanweisung Nr. 16
Anhang I Nr. 4
Verwendungszweck Anlage J Teil II Nr. 0.4
Anlage J Teil III Nr. 0.4
Anlage J Teil VIII
Anhang II Nr. 0.4
Anhang VII Nr. 0.4
Zuordnung Nummer der Typgenehmigung Anlage J Teil IV Abschnitt 3 Anhang VIII Abschnitt 2 in Verbindung mit
Anhang III Abschnitt 3.7

Die vorliegende Dienstanweisung zeigt in einem ersten Teil die Zuordnung des Verwendungszwecks des Motors (Motoranwendung) zu den Prüfvorschriften und Testzyklen entsprechend dem Typgenehmigungsverfahren und enthält in einem zweiten Teil Bestimmungen für spezielle Motoranwendungen.

Teil I
Zuordnung des Verwendungszwecks der Motoranwendung zur Typgenehmigung

Motoranwendungen gelten als durch die entsprechende Typgenehmigung abgedeckt, wenn die Zuordnung der Anwendung auf der Grundlage der folgenden Tabelle erfolgte. Die Motorenkategorien, Grenzwertstufen und Prüfzyklen sind entsprechend der Bezeichnung in den Typgenehmigungsnummern angegeben.

Motoranwendung Rechtsgrundlage Motorenkategorie Grenzwertstufe Prüf-
vorschrift2 zyklus
ISO 8178
Fahrzeughaupt- und Fahrzeughilfsantriebsmotoren mit Propellercharakteristik I Richtlinie1 V IIIA C3 E3
Anhang IIO - I, II4 - E3
Fahrzeughauptantriebsmotoren mit konstanter Drehzahl (einschließlich Anlagen mit dieselelektrischem Antrieb und Verstellpropeller) II Richtlinie V IIIA C3 E2
Anhang II - I, II4 - E2
Hilfsmotoren mit konstanter Drehzahl III Richtlinie D, E, F, G II B D2
H, I, J, K IIIA
V5
Anhang II - I,II4 - D2
variabler Drehzahl
und variabler Last
IV Richtlinie D,E,FG II A C1
H, I, J, K IIIA
V5
L, M, N, P IIIB
Q, R IV
Anhang II - I, II4 - C1

1) Richtlinie 97/68/EG des Europäischen Parlaments und des Rates vom 16. Dezember 1997 zur Angleichung der Rechtsvorschriften der Mitgliedstaaten über Maßnahmen zur Bekämpfung der Emission von gasförmigen Schadstoffen und luftverunreinigenden Partikeln aus Verbrennungsmotoren für mobile Maschinen und Geräte (ABl. EG 1998 Nr. L 59 S. 1), die zuletzt durch die Richtlinie 2012/46/EU (ABl. Nr. L 353 vom 21.12.2012 S. 80) geändert worden ist, in der jeweils geltenden Fassung.
2) Prüfvorschrift der Richtlinie 97/68/EG Anhang III Abschnitt 3.7.1.
3) Die Motoranwendung "Fahrzeughauptantrieb mit konstanter Drehzahl" oder "Fahrzeugantrieb mit Propellercharakteristik" muss in der Typgenehmigungsurkunde spezifiziert sein.
4) Die Grenzwerte der Stufe II des Anhangs II gelten nach Beschluss 2003-II-27 der Zentralkommission für die Rheinschifffahrt ab dem 1. Juli 2007.
5) Gilt nur für Motoren ab einer Nennleistung von 560 kW.

Teil II
Bestimmungen für Motoren mit besonderen Motoranwendungen

1. Motoren, die im Bordbetrieb für mehr als eine Motoranwendung vorgesehen sind

  1. Hilfsmotoren, die Aggregate oder Maschinen antreiben, die sowohl die Motoranwendung III als auch IV der Tabelle in Teil I zuzuordnen sind, müssen eine Typgenehmigung für jede entsprechende Anwendung nach dieser Tabelle besitzen.
  2. Hauptantriebsmotoren, die zusätzlich Aggregate oder Maschinen antreiben, müssen lediglich die für die jeweilige Art des Hauptantriebes notwendige Typgenehmigung nach der Tabelle in Teil I besitzen, sofern die Hauptanwendung des Motors der Schiffsantrieb ist. Beträgt der zeitliche Anteil der Nebenanwendung mehr als 30 %, muss der Motor neben der Typgenehmigung der Anwendung Hauptantrieb auch eine Typgenehmigung für die Nebenanwendung besitzen.

2. Bugstrahlantriebe

  1. Direkt oder über Generator mit variabler Drehzahl und Last angetriebene Bugstrahlantriebe sind der Motoranwendung I oder IV der Tabelle in Teil I zuzuordnen.
  2. Bugstrahlantriebe, die über einen Generator mit konstanter Drehzahl angetrieben werden, sind den Motoranwendungen II, III oder bei Fahrzeugen mit Schiffsattest der Motoranwendung IV der Tabelle in Teil I zuzuordnen.

3. Leistungsgeminderte Motoren

Die Motoren müssen mit der in den Typgenehmigungsunterlagen bescheinigten Nennleistung, die bei Fahrzeugen

  1. mit Schiffsattest auf dem Motor mit der Kennzeichnung nach Anhang II Anlage J Teil I angegeben sein sollte oder
  2. mit Gemeinschaftszeugnis mit der Typkennzeichnung anzugeben ist,

installiert sein. Sie müssen aber nicht zwangsläufig Aggregate oder Maschinen derselben Leistungsaufnahme antreiben. Wenn diese Motoren Aggregate oder Maschinen mit geringerer Leistungsaufnahme antreiben, darf die Leistung durch motorexterne Maßnahmen auf die für die Anwendung notwendige Leistung reduziert werden.

Dienstanweisung Nr. 24 12a
Geeignete Gaswarneinrichtung

15.15 Nr. 9 des Anhangs II)

1. Nach § 24.02 Nr. 2 und § 24.06 Nr. 5 (jeweils Übergangsvorschriften zu § 15.01 Nr. 2 Buchstabe e) dürfen Flüssiggasanlagen zu Haushaltszwecken auf vorhandenen Fahrgastschiffen bis zur ersten Verlängerung des Schiffsattests nach dem 1.1.2045 nur unter der Voraussetzung weiterbetrieben werden, dass eine Gaswarneinrichtung nach § 15.15 Nr. 9 vorhanden ist. Nach § 15.15 Nr. 9 dürfen zukünftig auch auf erstmals zum Verkehr zugelassenen Fahrgastschiffen, deren Länge 45 m nicht überschreitet, Flüssiggasanlagen zu Haushaltszwecken eingebaut werden, wenn gleichzeitig eine solche Warneinrichtung eingebaut wird.

2. Nach § 24.02 Nr. 2 und § 24.06 Nr. 5 (jeweils Übergangsvorschriften zu § 15.15 Nr. 9) müssen diese Gaswarneinrichtungen bei der ersten Erneuerung der Bescheinigung nach § 14.15 eingebaut sein.

3. Eine Gaswarneinrichtung besteht aus Sensoren, einem Gerät und Leitungen. Sie gilt als geeignet, wenn sie mindestens den nachfolgend beschriebenen Anforderungen genügt.

3.1 Anforderung an das System (Sensoren, Gerät, Leitungen)

3.1.1 Die Warnung muss spätestens erfolgen bei Erreichen oder Überschreiten eines der folgenden Werte:

  1. 10 % Untere Explosionsgrenze (UEG) eines Propan-Luft-Gemisches und
  2. 30 ppm CO (Kohlenmonoxid).

3.1.2 Die Zeit bis zur Alarmauslösung des gesamten Systems darf 20 s nicht überschreiten.

3.1.3 Die Einstellungen, die die Warnung nach Abschnitt 3.1.1 auslösen und die die Zeit nach Abschnitt 3.1.2 bestimmen, dürfen nicht verändert werden können.

3.1.4 Die Messgasförderung muss so gestaltet sein, dass eine Unterbrechung oder Behinderung erkannt wird. Eine Verfälschung durch Luftzutritt oder Messgasverlust auf Grund von Undichtigkeiten muss vermieden oder erkannt und gemeldet werden.

3.1.5 Die Einrichtungen müssen für Temperaturen von -10 bis 40° C und 20 bis 100 % Luftfeuchtigkeit ausgelegt sein.

3.1.6 Die Gaswarneinrichtung muss selbstüberwachend und so beschaffen sein, dass ein unbefugtes Abschalten nicht möglich ist.

3.1.7 Vom Bordnetz gespeiste Gaswarneinrichtungen sind gegen Stromausfall zu puffern. Batteriebetriebene Einrichtungen müssen mit einer Anzeige für das Absinken der Batteriespannung versehen sein.

3.2 Anforderungen an das Gerät

3.2.1 Das Gerät besteht aus Auswerte- und Anzeigeeinheit.

3.2.2 Der Alarm bei Erreichen oder Überschreiten der in Abschnitt 3.1.1 Buchstabe a und b angegebenen Grenzwerte muss optisch und akustisch erfolgen, sowohl im überwachten Raum als auch im Steuerhaus oder an einer anderen ständig besetzten Stelle. Er muss deutlich sichtbar und auch unter den Betriebsbedingungen mit dem größten Eigenlärm deutlich hörbar sein. Er muss sich eindeutig von allen anderen akustischen und optischen Signalzeichen im zu schützenden Raum unterscheiden. Der akustische Alarm muss auch bei geschlossenen Verbindungstüren vor den Zugängen und in den benachbarten Räumen deutlich hörbar sein. Der akustische Alarm darf nach Auslösung abschaltbar sein. Der optische Alarm darf erst erlöschen, wenn die in Abschnitt 3.1.1 genannten Werte unterschritten sind.

3.2.3 Es muss möglich sein, die Meldungen für das Erreichen oder Überschreiten der in Abschnitt 3.1.1 Buchstabe a und b angegebenen Grenzwerte getrennt zu erkennen und eindeutig zuzuordnen.

3.2.4 Wenn das Gerät einen Sonderzustand (Inbetriebnahme, Störung, Kalibrierung, Parametrierung, Wartung, etc.) einnimmt, muss dies angezeigt werden. Störungen des Gesamtsystems oder einzelner Komponenten müssen über einen optischen und akustischen Alarm angezeigt werden, wobei der akustische Alarm nach Auslösung abschaltbar sein darf. Der optische Alarm darf jedoch erst nach Beseitigung der Störung erlöschen.

3.2.5 Besteht die Möglichkeit, verschiedene Meldungen auszugeben (Grenzwerte, Sonderzustände), muss es möglich sein, diese getrennt zu erkennen und eindeutig zuzuordnen. Gegebenenfalls muss ein Sammelsignal anzeigen, dass nicht alle Meldungen ausgegeben werden können. In diesem Fall müssen die Meldungen prioritär mit der höchsten sicherheitstechnischen Relevanz beginnend angezeigt werden. Die Anzeige der nicht ausgebbaren Meldungen muss auf Knopfdruck möglich sein. Die Rangfolge muss aus der Dokumentation des Gerätes ersichtlich sein.

3.2.6 Die Geräte müssen so ausgeführt sein, dass ein unbefugter Eingriff nicht möglich ist.

3.2.7 Bei allen verwendeten Melde- und Alarmeinrichtungen müssen das Steuerungselement des Alarms und die Anzeigevorrichtung außerhalb der Räume bedient werden können, in denen sich die Gasvorräte und die Verbrauchgeräte befinden.

3.3 Anforderungen an die Sensoren / Probennahmestellen

3.3.1 In jedem Raum mit Verbrauchsgeräten müssen in der Nähe dieser Geräte Sensoren der Gaswarneinrichtung vorhanden sein. Die Sensoren / Probennahmestellen sind so zu installieren, dass Gasansammlungen detektiert werden, bevor sie die in Abschnitt 3.1.1 genannten Werte erreichen. Anordnung und Installation sind zu dokumentieren. Die Auswahl der Standorte ist vom Hersteller bzw. der einbauenden Fachfirma zu begründen. Probennahmeleitungen sollten dabei so kurz wie möglich sein.

3.3.2 Die Sensoren müssen leicht zugänglich sein, um regelmäßige Kalibrierungen, Instandhaltungen sowie Sicherheitskontrollen zu ermöglichen.

3.4 Anforderungen an den Einbau

3.4.1 Der Einbau der gesamten Gaswarneinrichtung muss durch eine Fachfirma erfolgen.

3.4.2 Bei der Installation sind zu berücksichtigen:

  1. örtliche Belüftungseinrichtungen,
  2. strukturelle Anordnungen (Gestaltung der Wände, Teilungen, etc.), die die Ansammlung von Gasen erleichtern oder erschweren und
  3. Vermeidung von Beeinträchtigungen durch mechanische Beschädigung, Wasser- oder Hitzeschäden.

3.4.3 Sämtliche Probennahmeleitungen sind so anzuordnen, dass eine Kondensatbildung ausgeschlossen ist.

3.4.4 Die Installation hat so zu erfolgen, dass eine unbefugte Manipulation nach Möglichkeit ausgeschlossen ist.

4. Kalibrierung und Prüfung von Gaswarneinrichtungen, Austausch von Teilen mit begrenzter Lebensdauer 12a

4.1 Gaswarneinrichtungen sind nach den Herstellerangaben

  1. vor der ersten Inbetriebnahme,
  2. vor der Wiederinbetriebnahme nach einer wesentlichen Änderung oder Instandsetzung und
  3. regelmäßig

von einem Sachverständigen oder einem Sachkundigen zu kalibrieren und zu prüfen. Über die Kalibrierung und die Prüfung ist eine vom Sachverständigen oder Sachkundigen unterzeichnete Bescheinigung auszustellen, aus der das Datum der Prüfung ersichtlich ist.

4.2 Elemente der Gaswarneinrichtung mit begrenzter Lebensdauer müssen rechtzeitig vor dem Ablauf der angegebenen Lebensdauer ausgetauscht werden.

5. Kennzeichnung

5.1 Alle Geräte müssen gut lesbar und unauslöschbar mindestens mit folgenden Angaben versehen sein:

  1. Name und Anschrift des Herstellers,
  2. gesetzliche Kennzeichnung,
  3. Bezeichnung von Serie und Typ,
  4. gegebenenfalls Seriennummer,
  5. soweit erforderlich, alle für den sicheren Einsatz unabdingbaren Hinweise und
  6. je Sensor eine Angabe zum Kalibriergas.

5.2 Elemente der Gaswarneinrichtung mit begrenzter Lebensdauer müssen deutlich als solche gekennzeichnet sein.

6. Folgende Herstellerangaben zur Gaswarneinrichtung müssen an Bord vorhanden sein:

  1. vollständige Anweisungen, Zeichnungen und Diagramme zu sicherem und ordnungsgemäßem Betrieb sowie zu Einbau, Inbetriebnahme und Instandhaltung der Gaswarneinrichtung,
  2. Betriebsanweisungen, die mindestens enthalten müssen:
    aa) die im Falle einer Alarm- oder Störungsmeldung einzuleitenden Maßnahmen,
    bb) die Sicherheitsmaßnahmen bei Nichtverfügbarkeit (z.B. Kalibrierung, Prüfung, Störung) und
    cc) die für die Installation und die Instandsetzung Verantwortlichen,
  3. Anweisungen für die Kalibrierung vor Inbetriebnahme und für routinemäßige Kalibrierungen einschließlich einzuhaltender Zeitintervalle,
  4. Versorgungsspannung,
  5. Art und Bedeutung der Alarme und Anzeigen (z.B. Sonderzustände),
  6. Angaben zum Erkennen von Betriebsstörungen und für die Fehlerbeseitigung,
  7. Art und Umfang des Austausches von Bauelementen mit begrenzter Lebensdauer und
  8. Art, Umfang und Zeitintervall der Prüfungen.

Dienstanweisung Nr. 25
Kabel

(§§ 9.15 und 15.10 Nr. 6 des Anhangs II)

Allgemein (alle Fahrzeuge - § 9.15)

  1. Bei der Anwendung von § 9.15 Nr. 5 ist die eingeschränkte Belüftung von abgeschirmten Kabeln oder von Kabeln in vollständig umschlossenen Kabelschächten zu berücksichtigen.
  2. Gemäß § 9.15 Nr. 9 sollte die Anzahl der Kabelverbindungen auf ein Minimum beschränkt sein. Sie sind zu Reparatur- und Ersatzzwecken sowie ausnahmsweise zur Vereinfachung der Installation zulässig. Kabelverbindungen, die in Übereinstimmung mit Nummer 3.28 und mit Anhang D von IEC 60092-352:2005 oder mit von einem Mitgliedstaat als gleichwertig anerkannten Regeln hergestellt sind, können als akzeptabel angesehen werden.

Fahrgastschiffe - § 15.10

  1. Kabel und Kabelverlauf auf Fahrgastschiffen werden als zufriedenstellend angesehen, wenn die Bedingungen in den Abschnitten 2 und 3 erfüllt sind.
  2. Kabel, die im Notfall die Stromversorgung von Anlagen nach § 15.10 Nr. 4 sicherstellen, müssen zur Erfüllung der Anforderungen des § 15.10 Nr. 6 Abs. 2 folgende Bedingungen erfüllen:
    1. Die Kabel sind so zu verlegen, dass sie nicht durch eine Erhitzung der Schotte und Decks unbrauchbar werden, die durch Feuer in einem angrenzenden Raum verursacht werden könnte.
    2. Wenn die Kabel Anlagen in stark feuergefährdeten Bereichen versorgen, sollte die Kabelführung in solchen Bereichen nicht über oder in der Nähe des oberen Teils von Dieselmotoren und ölgefeuerten Anlagen oder in der Nähe heißer Oberflächen, z.B. Abgasleitungen von Dieselmotoren, verlaufen. Wenn es keine andere Möglichkeit der Verlegung gibt, sollten die Kabel gegen die Beschädigung durch Hitze und Feuer geschützt werden. Dies kann durch eine Abdeckung oder einen Schacht aus Stahlblech geschehen.
    3. Kabel und dazugehörige Anlagen, die von der Notstromquelle versorgt werden, sollten so weit wie möglich im sicheren Bereich verlaufen.
    4. Die Kabelsysteme sind so beschaffen, dass ein Brand in einem von Trennflächen des Typs a nach § 15.11 Nr. 2 begrenzten Raum die für die Sicherheit wichtigen Anlagen in einem anderen derartigen Raum nicht beeinträchtigt. Dies gilt als erfüllt, wenn die Haupt- und Notversorgungskabel nicht durch den gleichen Raum führen. Für den Fall, dass sie durch den gleichen Raum führen, gilt die Anforderung als erfüllt wenn:
      aa) sie in möglichst großem Abstand verlegt sind oder
      bb) die Notversorgungskabel feuerwiderstandsfähig sind.
  3. Bei der Einrichtung von Bündelkabel-Durchführungen ist darauf zu achten, dass ihre flammenhemmenden Eigenschaften nicht beeinträchtigt werden. Dies gilt als erfüllt, wenn die Kabel IEC 60332-3:2000 oder die von einem Mitgliedstaat als gleichwertig anerkannten Regeln entsprechen. Ist dies nicht der Fall, sollten feuerhemmende Vorrichtungen in langen Kabeldurchführungen (mehr als 6 m vertikal und 14 m horizontal) vorgesehen werden, sofern die Kabel nicht vollständig durch Kabelschächte umschlossen sind. Die Verwendung ungeeigneter Farben, Kanäle, Schächte usw. kann sich erheblich auf die Feuer-Ausbreitungseigenschaften von Kabeln auswirken und muss vermieden werden. Die Verwendung von speziellen Kabeltypen wie Radiofrequenzkabel kann zugelassen werden, ohne dass die vorstehenden Anforderungen einzuhalten sind.

Dienstanweisung Nr. 26 12a
Sachverständige, Sachkundige
1.01 Nummer 92 und 93)

Sachverständige

Sachverständigen obliegen Prüfungen, die entweder auf Grund der Komplexität der Systeme oder auf Grund des erforderlichen Sicherheitsniveaus besondere Fachkenntnisse erfordern. Zu der Gruppe von Personen oder Institutionen, die berechtigt sind, derartige Prüfungen durchzuführen, gehören

Sachkundige

Sachkundigen obliegen zum Beispiel laufende Sicht- und Funktionskontrollen von sicherheitsrelevanten Einrichtungen. Zu den Sachkundigen gehören

Terminologie

Deutsch Englisch Französisch Niederländisch
Sachverständiger expert expert erkend deskundige
Sachkundiger competent person spécialiste deskundige
Fachfirma competent firm société spécialisée deskundig bedrijf

Prüfungen

Die nachfolgende Tabelle gibt einen Überblick über die vorgesehenen Prüfungen, deren Häufigkeit und die für deren Durchführung vorgesehenen Prüfer.

Vorschrift Gegenstand Prüfung spätestens Prüfer
§ 6.03 Nr. 5 Hydraulikzylinder, -pumpen und -motoren nach 8 Jahren Fachfirma
§ 6.09 Nr. 3 motorisch betriebene Steuereinrichtungen nach 3 Jahren Sachkundiger
§ 8.01 Nr. 2 Druckbehälter nach 5 Jahren Sachverständiger
§ 10.03 Nr. 5 Feuerlöscher nach 2 Jahren Sachkundiger
§ 10.03a Nr. 6 Buchstabe d fest installierte Feuerlöschanlagen nach 2 Jahren Sachkundiger oder Fachfirma
§ 10.03b Nr. 9 Buchstabe b Doppelbuchstabe dd fest installierte Feuerlöschanlagen nach 2 Jahren Sachkundiger oder Fachfirma
§ 10.04 Nr. 3 aufblasbare Beiboote nach Ablauf der vom Hersteller angegebenen Frist
§ 10.05 Nr. 3 Rettungswesten nach Ablauf der vom Hersteller angegebenen Frist
§ 11.12 Nr. 6 Krane nach 10 Jahren Sachverständiger
§ 11.12 Nr. 7 Krane nach 1 Jahr Sachkundiger
§ 14.13 Flüssiggasanlagen nach 3 Jahren Sachverständiger
§ 15.09 Nr. 9 Rettungsmittel nach Ablauf der vom Hersteller angegebenen Frist
§ 15.10 Nr. 9 Isolationswiderstand, Erdung vor Ablauf der Gültigkeitsfrist des Schiffszeugnisses
Dienstanweisung Nr. 17 Feuermeldesysteme nach 2 Jahren Sachverständiger oder Sachkundiger
Dienstanweisung Nr. 21 Sicherheitsleitsysteme nach 5 Jahren Sachverständiger oder Sachkundiger
Dienstanweisung Nr. 24 Gaswarneinrichtungen nach Ablauf der vom Hersteller angegebenen Frist Sachverständiger oder Sachkundiger

.

Dienstanweisung Nr. 27 17
(ohne Inhalt)

Dienstanweisung Nr. 28 17
Anschluss externer Sensoren an Navigationsradaranlagen
7.06, Anlage M Teil I § 2, Anlage M Teil III § 2, Anlage N Teil I)

1. Hintergrund 17

Moderne Navigationsradaranlagen für den Binnenbereich erlauben die Darstellung von AIS-Symbolen im Radarbildschirm, auch wenn keine ECDIS-Karte hinterlegt ist. Da das Radarbild vorausorientiert dargestellt wird, die Positionen der Schiffe im Inland AIS Gerät aber in geographischen Koordinaten übertragen werden, muss an das Radargerät zusätzlich ein Kompassgerät angeschlossen werden, um die AIS-Symbole positions- und lagerichtig auf dem Radarbildschirm anzeigen zu können.

2. Ausgangslage 17

2.1 Anschluss von externen Sensoren an Inland AIS Geräte 17

Nach Anlage N, Teil I, Punkt B.6. dürfen nur typzugelassene externe Sensoren mit dem Inland AIS Gerät verbunden werden. Die externen Sensoren, die mit dem Inland AIS Gerät verbunden sind, müssen in Übereinstimmung mit den entsprechenden maritimen Standards typzugelassen sein.

2.2 Anforderungen an Geräte bei der Radarfahrt 17

Nach Anlage M, Teil III, § 2 Zulassung der Geräte, dürfen für die Radarfahrt in der Rheinschifffahrt nur Geräte eingebaut werden, die eine Zulassung nach den geltenden Vorschriften der Zentralkommission für die Rheinschifffahrt besitzen und eine Zulassungsnummer tragen, oder aufgrund gleichwertiger Typgenehmigungen zugelassene Geräte. Laut Anlage M, Teil I, § 2 Aufgabe der Radaranlage, müssen Radaranlagen ein für die Führung des Schiffes verwertbares Bild liefern, sowie andere Schiffe sicher und rechtzeitig erkennen lassen.

3. Anschluss von externen Sensoren an Navigationsradaranlagen 17

Nach 2.2 dürfen nur zugelassene Geräte für die Radarfahrt eingebaut werden. Dies bedeutet, dass auch externe Sensoren, die mit der Navigationsradaranlage verbunden werden, zugelassen sein müssen. Wird ein Inland AIS Gerät an eine Navigationsradaranlage ohne ECDIS-Karte zur Anzeige von AIS-Symbolen angeschlossen, muss zur Erfüllung der Forderung nach Anlage M Teil I § 2 auch ein zugelassener Kompass angeschlossen sein. Die Zulassung folgender Standards gilt hier als konform mit den Bestimmungen der Anlage M Teil II § 2.

Sensor Mindestanforderungen
(IMO)
DIN/EN/ISO
Standard
GPS MSC.1 12(73) DIN EN 61108-1:2004
DGPS/DGLONASS MSC.1 14(73) DIN EN 61108-4:2005
Galileo MSC.233(82) DIN EN 61108-3:2011
heading/GPS Kompass MSC.1 16(73) DIN ISO 22090-3:2015
Teil 3: GNSS-Verfahren

Vergleichbare Zulassungen können von der zuständigen Behörde als gleichwertig anerkannt werden.

.

Bordkläranlagen
- Ergänzende Bestimmungen und Muster von Bescheinigungen -
Anlage R 14


Teil I

Ergänzende Bestimmungen

1. Kennzeichnung der Bordkläranlagen

1.1 Die typgeprüfte Bordkläranlage muss folgende Angaben (Kennzeichnung) tragen:

1.1.1 Handelsmarke oder Handelsname des Herstellers,

1.1.2 Bordkläranlagentyp sowie Seriennummer der Bordkläranlage,

1.1.3 typengenehmigungsnummer nach Teil IV dieser Anlage,

1.1.4 Baujahr der Bordkläranlage.

1.2 Die Kennzeichnung nach Abschnitt 1.1 muss während der gesamten Nutzlebensdauer der Bordkläranlage haltbar sowie deutlich lesbar und unauslöschbar sein. Werden Aufkleber oder Schilder verwendet, so sind diese so anzubringen, dass darüber hinaus auch die Anbringung während der Nutzlebensdauer der Bordkläranlage haltbar ist und die Aufkleber/Schilder nicht ohne Zerstörung oder Unkenntlichmachung entfernt werden können.

1.3 Die Kennzeichnung muss an einem Teil der Bordkläranlage befestigt sein, das für den üblichen Betrieb der Bordkläranlage notwendig ist und normalerweise während der Nutzlebensdauer der Bordkläranlage keiner Auswechslung bedarf.

1.3.1 Die Kennzeichnung muss so angebracht sein, dass sie gut sichtbar ist, nachdem die Bordkläranlage mit allen für den Anlagenbetrieb erforderlichen Hilfseinrichtungen fertiggestellt ist.

1.3.2 Erforderlichenfalls muss die Bordkläranlage ein zusätzliches abnehmbares Schild aus einem dauerhaften Werkstoff aufweisen, das alle Angaben nach 1.1 enthalten muss und das so anzubringen ist, dass die Angaben nach Einbau der Bordkläranlage in ein Fahrzeug gut sichtbar und leicht zugänglich sind.

1.4 Alle Teile der Bordkläranlage, die einen Einfluss auf die Abwasserreinigung haben können, müssen eindeutig gekennzeichnet und identifiziert sein.

1.5 Die genaue Lage der Kennzeichnung nach 1.1 ist im Typgenehmigungsbogen Abschnitt I anzugeben.

2. Prüfungen

Das Verfahren zur Prüfung einer Bordkläranlage ist in der Anlage S niedergelegt.

3. Bewertung der Übereinstimmung der Produktion

3.1 Bei der Prüfung des Vorhandenseins der notwendigen Modalitäten und Verfahren zur wirksamen Kontrolle der Übereinstimmung der Produktion vor der Erteilung der Typgenehmigung geht die zuständige Behörde davon aus, dass der Hersteller bei einer Registrierung nach der harmonisierten Norm DIN EN ISO 9001:2008 (deren Anwendungsbereich die Produktion der betreffenden Bordkläranlagen einschließt) oder einem gleichwertigen Akkreditierungsstandard die Bestimmungen erfüllt. Der Hersteller liefert detaillierte Informationen über die Registrierung und verpflichtet sich, die zuständige Behörde über jede Änderung der Gültigkeit oder des Geltungsbereichs zu unterrichten. Um sicherzustellen, dass die Anforderungen von § 14a.02 Nummer 2 bis 5 fortlaufend erfüllt werden, sind zweckmäßige Kontrollen der Produktion durchzuführen.

3.2 Der Inhaber der Typgenehmigung muss

3.2.1 sicherstellen, dass Verfahren zur wirksamen Kontrolle der Qualität des Erzeugnisses vorhanden sind;

3.2.2 Zugang zu Prüfeinrichtungen haben, die für die Kontrolle der Übereinstimmung mit dem jeweils typgenehmigten Typ erforderlich sind;

3.2.3 sicherstellen, dass die Prüfergebnisse aufgezeichnet werden und die Aufzeichnungen und dazugehörige Unterlagen über einen mit der zuständigen Behörde zu vereinbarenden Zeitraum verfügbar bleiben;

3.2.4 die Ergebnisse jeder Art von Prüfung genau untersuchen, um die Beständigkeit der Merkmale der Bordkläranlage unter Berücksichtigung der in der Serienproduktion üblichen Streuungen nachweisen und gewährleisten zu können;

3.2.5 sicherstellen, dass alle Stichproben von Bordkläranlagen oder Prüfteilen, die bei einer bestimmten Prüfung den Anschein der Nichtübereinstimmung geliefert haben, Veranlassung geben für eine weitere Musterentnahme und Prüfung. Dabei sind alle erforderlichen Maßnahmen zu treffen, um die Übereinstimmung der Fertigung wiederherzustellen.

3.3 Die zuständige Behörde, die die Typgenehmigung erteilt hat, kann die in den einzelnen Produktionsstätten angewandten Verfahren zur Kontrolle der Übereinstimmung jederzeit prüfen.

3.3.1 Bei jeder Prüfung werden dem Prüfer die Prüf- und Herstellungsunterlagen zur Verfügung gestellt.

3.3.2 Erscheint die Qualität der Prüfungen als nicht zufriedenstellend, ist folgendes Verfahren anzuwenden:

3.3.2.1 Eine Bordkläranlage wird der Serie entnommen und mittels Stichprobenmessungen in der Normallastphase der Anlage S nach einem Tag Betrieb geprüft. Das gereinigte Abwasser darf hierbei entsprechend den Testverfahren nach Anlage S die Werte nach § 14a.02 Nummer 2 Tabelle 2 nicht überschreiten.

3.3.2.2 Erfüllt eine der Serie entnommene Bordkläranlage die Anforderungen nach 3.3.2.1 nicht, so kann der Hersteller Stichprobenmessungen an einigen weiteren der Serie entnommenen Bordkläranlagen gleicher Bauart verlangen, wobei die Serie die ursprünglich entnommene Bordkläranlage umfassen muss. Der Hersteller bestimmt den Umfang "n" der Serie im Einvernehmen mit der zuständigen Behörde. Mit Ausnahme der ursprünglich entnommenen Bordkläranlage sind die Bordkläranlagen einer Prüfung mittels Stichprobenmessung zu unterziehen. Das arithmetische Mittel der mit der Stichprobe der Bordkläranlage ermittelten Ergebnisse muss dann bestimmt werden. Die Serienproduktion gilt als den Bestimmungen entsprechend, wenn folgende Bedingung erfüllt ist:

_
x k ⋅ St≤ L

Hierbei bezeichnet k: einen statistischen Faktor, der von "n" abhängt und in der nachstehenden Tabelle angegeben ist:

n 2 3 4 5 6 7 8 9 10
k 0,973 0,613 0,489 0,421 0,376 0,342 0,317 0,296 0,279
n 11 12 13 14 15 16 17 18 19
k 0,265 0,253 0,242 0,233 0,224 0,216 0,210 0,203 0,198

Wenn n ≥ 20, k = 860 / √ n

St:, wobei xi ein beliebiges mit der Bordkläranlage i und der Stichprobe n erzieltes Einzelergebnis ist.

L: den zulässigen Grenzwert nach § 14a.02 Nummer 2 Tabelle 2 für jeden untersuchten Schadstoff.

3.3.3 Werden die Werte nach § 14a.02 Nummer 2 Tabelle 2 nicht eingehalten, erfolgt eine erneute Untersuchung nach 3.3.2.1 und, sofern das Ergebnis nicht positiv ist, eine vollständige Prüfung nach 3.3.2.2 entsprechend dem Verfahren der Anlage S. Hierbei dürfen die Grenzwerte nach § 14a.02 Nummer 2 Tabelle 1 weder für die Misch- noch für die Stichprobe überschritten werden.

3.3.4 Die zuständige Behörde muss die Prüfungen an Bordkläranlagen vornehmen, die gemäß den Angaben des Herstellers teilweise oder vollständig funktionsfähig sind.

3.3.5 Normalerweise erfolgen die Prüfungen der Übereinstimmung der Produktion, zu denen die zuständige Behörde berechtigt ist, einmal pro Jahr. Bei Nichterfüllung der Anforderungen nach 3.3.3 hat die zuständige Behörde sicherzustellen, dass alle notwendigen Maßnahmen getroffen werden, um die Übereinstimmung der Produktion unverzüglich wiederherzustellen.

Teil II
Beschreibungsbogen (Muster)

Beschreibungsbogen Nr. 2 ...
zur Typgenehmigung für Bordkläranlagen, die für den Einbau in Binnenschiffe bestimmt sind

Bordkläranlagentyp:

0. Allgemeines

0.1 Fabrikmarke (Firmenname des Herstellers):

0.2 Herstellerseitige Bezeichnung für den Bordkläranlagentyp:

0.3 Herstellerseitige typenkodierung entsprechend den Angaben an der Bordkläranlage:

0.4 Name und Anschrift des Herstellers:

Gegebenenfalls Name und Anschrift des Beauftragten des Herstellers:

0.5 Lage, Kodierung und Art der Anbringung der Seriennummer der Bordkläranlage:

0.6 Lage und Art der Anbringung der Typgenehmigungsnummer:

0.7 Anschrift(en) der Fertigungsstätte(n):

Anhänge

1. Wesentliche Merkmale des Bordkläranlagentyps

2. Angewendete Auslegungs- und Bemessungskriterien, Bemessungsvorgaben und Regelwerke

3. Schematische Darstellung der Bordkläranlagen mit Stückliste

4. Schematische Darstellung der Testanlage mit Stückliste

5 Elektrische Schaltpläne (R+I-Schema)

6. Erklärung, dass alle einzuhaltenden Vorgaben hinsichtlich der mechanischen, elektrischen und technischen Sicherheit von Bordkläranlagen sowie Vorgaben, die die Schiffssicherheit betreffen, eingehalten werden

7. (Gegebenenfalls) Merkmale der mit der Bordkläranlage verbundenen Fahrzeugteile

8. Anleitung des Herstellers zur Kontrolle der für die Abwasserreinigung relevanten Komponenten und Parameter der Bordkläranlage nach § 14a.01 Nummer 10

9. Fotografien der Bordkläranlage

10. Betriebskonzepte 3

10.1 Anweisungen für den manuellen Betrieb der Bordkläranlage

10.2 Angaben zum Überschussschlammmanagement (Abgabeintervalle)

10.3 Angaben zu Wartung und Instandsetzung

10.4 Angaben zum Verhalten bei Stand-By Betrieb der Bordkläranlage

10.5 Angaben zum Verhalten bei Notfallbetrieb der Bordkläranlage

10.6 Angaben zum Ausfahr- Stillliege- und Wiedereinfahrbetrieb der Bordkläranlage

10.7 Angaben zu Anforderungen an die Vorbehandlung von Küchenabwässern

11. Sonstige Anlagen (führen Sie hier gegebenenfalls weitere Anlagen auf)

Datum, Unterschrift des Bordkläranlagenherstellers

.

Wesentliche Merkmale des Bordkläranlagentyps (Muster) Anhang 1


1. Beschreibung der Bordkläranlage

1.1 Hersteller:

1.2 Seriennummer der Bordkläranlage:

1.3 Behandlungsweise: Biologisch/mechanisch-chemisch 4

1.4 Vorgeschalteter Abwasserspeichertank ja .... m3 / nein 4

2. Auslegungs- und Bemessungskriterien
(einschließlich spezieller Einbauhinweise oder Nutzungsbeschränkungen)

2.1 .....................................................................

2.2 .....................................................................

3. Bemessung der Bordkläranlage

3.1 Täglicher maximaler Abwasservolumenstrom Qd(m3/d):

3.2 Tägliche Schmutzfracht in Form einer BSB5- Fracht (kg/d):

Teil III
Typgenehmigungsbogen
(Muster)

Siegel der zuständigen Behörde

Nr. der Typgenehmigung: ........................................... Nr. der Erweiterung: ..........................................

Benachrichtigung über

(Gegebenenfalls) Grund für die Erweiterung: ..............................................................

Abschnitt I

0. Allgemeines

0.1 Fabrikmarke (Firmenname des Herstellers):

0.2 Herstellerseitige Bezeichnung für den Bordkläranlagentyp:

0.3 Herstellerseitige typenkodierung entsprechend den Angaben an der Bordkläranlage:

Stelle:

Art der Anbringung:

0.4 Name und Anschrift des Herstellers:

Gegebenenfalls Name und Anschrift des Beauftragten des Herstellers:

0.5 Lage, Kodierung und Art der Anbringung der Seriennummer der Bordkläranlage:

0.6 Lage und Art der Anbringung der Typgenehmigungsnummer:

0.7 Anschrift(en) der Fertigungsstätte(n):

Abschnitt II

1. Gegebenenfalls Nutzungsbeschränkungen:

1.1 Besonderheiten, die beim Einbau der Bordkläranlage in das Fahrzeug zu beachten sind:

1.1.1 .............................................................

1.1.2 .............................................................

2. Für die Durchführung der Prüfungen verantwortlicher Technischer Dienst 5

3. Datum des Prüfberichts:

4. Nummer des Prüfberichts:

5. Der Unterzeichnende bescheinigt hiermit die Richtigkeit der Herstellerangaben im beigefügten Beschreibungsbogen der oben genannten Bordkläranlage nach Anlage S des Anhangs II der Binnenschiffsuntersuchungsordnung sowie die Richtigkeit der beigefügten Prüfergebnisse in Bezug auf den Bordkläranlagentyp. Das (die) Prüfexemplar(e) wurde(n) mit Genehmigung der zuständigen Behörde vom Hersteller ausgewählt und als Baumuster der Bordkläranlage vorgestellt.

Die Typgenehmigung wird erteilt/erweitert/verweigert/entzogen 6:

Ort:

Datum

Unterschrift.

Anlagen: Beschreibungsmappe

Prüfergebnisse (siehe Anhang 1)

.

Prüfergebnisse für die Typgenehmigung (Muster) Anhang 1

0. Allgemeines

0.1 Fabrikmarke (Firmenname des Herstellers):

0.2 Herstellerseitige Bezeichnung für den Bordkläranlagentyp:

1. Information zur Durchführung der Prüfung(en) 7

1.1 Zulaufwerte

1.1.1 Täglicher Abwasservolumenstrom Q, (m3/d):

1.1.2 Tägliche Schmutzfracht in Form einer BSB5- Fracht (kg/d):

1.2 Reinigungsleistung

1.2.1 Auswertung der Ablaufwerte

Auswertung der Ablaufwerte BSB5 (mg/l)

Ort Probenahmeart Anzahl der Proben, die den Ablaufgrenzwert einhalten Min Max Mittelwert
Wert Phase
Zulauf 24-h-Mischproben -
Ablauf 24-h-Mischproben
Zulauf Stichproben -
Ablauf Stichproben

Auswertung der Ablaufwerte CSB (mg/l)

Ort Probenahmeart Anzahl der Proben, die den Ablaufgrenzwert einhalten Min Max Mittelwert
Wert Phase
Zulauf 24-h-Mischproben -
Ablauf 24-h-Mischproben
Zulauf Stichproben -
Ablauf Stichproben

Auswertung der Ablaufwerte TOC (mg/l)

Ort Probenahmeart Anzahl der Proben, die den Ablaufgrenzwert einhalten Min Max Mittelwert
Wert Phase
Zulauf 24-h-Mischproben -
Ablauf 24-h-Mischproben
Zulauf Stichproben -
Ablauf Stichproben

Auswertung der Ablaufwerte AFS (mg/l)

Ort Probenahmeart Anzahl der Proben, die den Ablaufgrenzwert einhalten Min Max Mittelwert
Wert Phase
Zulauf 24-h-Mischproben -
Ablauf 24-h-Mischproben
Zulauf Stichproben -
Ablauf Stichproben

1.2.2 Reinigungsleistung (Eliminationsleistung) (%)

Prameter Probenahmeart Min Max Mittelwert
BSB5 24h-Mischproben
BSB5 Stichproben
CSB 24h-Mischproben
CSB Stichproben
TOC 24h-Mischproben
TOC Stichproben
AFS 24h-Mischproben
AFS Stichproben

1.3 Weitere gemessene Parameter

1.3.1 Ergänzende Parameter für Zulauf und Ablauf:

Parameter Zulauf Ablauf
pH-Wert
Leitfähigkeit
Temperatur der flüssigen Phasen

1.3.2 Folgende Betriebsparameter sind - sofern vorhanden - während der Stichprobenahmen zu erfassen:

Konzentration des gelösten Sauerstoffes im Bioreaktor: .................................................

Trockensubstanzgehalt im Bioreaktor: .................................................

Temperatur im Bioreaktor: .................................................

Umgebungstemperatur: .................................................

1.3.3 Weitere Betriebsparameter entsprechend der jeweiligen Betriebsanleitung des Herstellers

.................................................................................................................................................................
.................................................................................................................................................................
.................................................................................................................................................................
.................................................................................................................................................................

1.4 Zuständige Behörde oder technischer Dienst

Ort, Datum ...................................... Unterschrift:......................................

Teil IV
Schema für die Nummerierung der Typgenehmigungen

1. Systematik

Die Nummer besteht aus 4 Abschnitten, die durch das Zeichen "*" getrennt sind.

Abschnitt 1: Der Großbuchstabe "R", gefolgt von der Kennzahl des Staates, der die Genehmigung erteilt hat:

1 = für Deutschland 19 = für Rumänien
2 = für Frankreich 20 = für Polen
3 = für Italien 21 = für Portugal
4 = für die Niederlande 23 = für Griechenland
5 = für Schweden 24 = für Irland
6 = für Belgien 25 = für Kroatien
7 = für Ungarn 26 = für Slowenien
8 = für die Tschechische Republik 27 = für die Slowakei
9 = für Spanien 29 = für Estland
11 = für das Vereinigte Königreich 32 = für Lettland
12 = für Österreich 34 = für Bulgarien
13 = für Luxemburg 36 = für Litauen
14 = für die Schweiz 49 = für Zypern
17 = für Finnland 50 = für Malta
18 = für Dänemark

Abschnitt 2: Die Kennzeichnung der Anforderungsstufe. Es ist davon auszugehen, dass in Zukunft die Anforderungen hinsichtlich der Reinigungsleistung verschärft werden. Die verschiedenen Stufen der Anforderungen werden durch römische Ziffern bezeichnet. Die Ausgangsanforderungen werden durch die Ziffer I gekennzeichnet.

Abschnitt 3: Eine vierstellige laufende Nummer (mit ggf. vorangestellten Nullen) für die Nummer der Grundgenehmigung. Die Reihenfolge beginnt mit.0001.

Abschnitt 4: Eine zweistellige laufende Nummer (mit ggf. vorangestellter Null) für die Erweiterung. Die Reihenfolge beginnt mit 01 für jede Nummer einer Grundgenehmigung.

2. Beispiele

a) Dritte von den Niederlanden erteilte Genehmigung entsprechend Stufe I (bislang noch ohne Erweiterung):

R 4*I*0003*00

b) Zweite Erweiterung zu der von Deutschland erteilten vierten Genehmigung entsprechend Stufe II:

R 1*II*0004*02

Teil V
Aufstellung der Typgenehmigungen für Bordkläranlagentypen
(Muster)

Siegel der zuständigen Behörde

Listen Nr.: ............................................................................................

Zeitraum von...................................................... bis zum : ................................................

1 2 3 4 5 6 7
Fabrikmarke 8 Herstellerseitige Bezeichnung 8 Nummer der Typgenehmigung Datum der Typgenehmigung Erweiterung, Verweigerung, Entzug 9 Grund der Erweiterung, Verweigerung oder Entzug 9 Datum der Erweiterung, Verweigerung, Entzug 9



Teil VI
Aufstellung der hergestellten Bordkläranlagen
(Muster)

Siegel der zuständigen Behörde

Listen Nr.: ........................................................................................................

für den Zeitraum vom .......................................... bis zum .............................................

Zu den Bordkläranlagentypen und Typgenehmigungsnummern der Bordkläranlagen, die innerhalb des obigen Zeitraums entsprechend den Bestimmungen des Anhangs II der Binnenschiffsuntersuchungsordnung hergestellt wurden, werden folgende Angaben gemacht:

Fabrikmarke (Firmenname des Herstellers):

Herstellerseitige Bezeichnung für den Bordkläranlagentyp:

Nummer der Typgenehmigung:

Ausstellungsdatum:

Datum der Erstausstellung (bei Nachträgen):

Seriennummer der Bordkläranlage:

... 001
... 002
.
.
.
..... m
... 001
... 002
.
.
.
..... p
... 001
... 002
.
.
.
..... q

Teil VII
Datenblatt für Bordkläranlagen mit Typgenehmigung
(Muster)

Siegel der zuständigen Behörde

Kennwerte der Bordkläranlage Reinigungsleistung
Lfd. Nr. Datum der Typgeneh- migung Nummer der Typgeneh- migung Fabrik- marke Bordklär- anlagentyp Täglicher Abwasser- volumenstrom Qd (m3/d) Tägliche Schmutz- fracht als BSB5- Fracht
(kg/d)
BSB5 CSB TOC
24-h- Misch- probe Stich- probe 24-h- Misch- probe Stich- probe 24-h- Misch- probe Stich- probe

Teil VIII
Bordkläranlagenparameterprotokoll für Sonderprüfung
(Muster)

1. Allgemeines

1.1 Angaben zur Bordkläranlage

1.1.1 Fabrikmarke:

1.1.2 Herstellerseitige Bezeichnung:

1.1.3 Typgenehmigungsnummer:

1.1.4 Seriennummer der Bordkläranlage:

1.2 Dokumentation

Die Bordkläranlage ist zu prüfen. Die Prüfergebnisse sind zu dokumentieren. Die Dokumentation erfolgt auf gesonderten Blättern, die einzeln zu nummerieren, vom Prüfer zu unterschreiben und diesem Protokoll beizuheften sind.

1.3 Prüfung

Die Prüfung ist auf Basis der Anleitung des Herstellers zur Kontrolle der für die Abwasserreinigung relevanten Komponenten und Parameter der Bordkläranlage nach § 14a.01 Nummer 10 durchzuführen. Der Prüfer kann in begründeten Einzelfällen nach eigener Einschätzung von der Kontrolle bestimmter Anlageteile oder -parameter absehen. Bei der Prüfung ist mindestens eine Stichprobe zu nehmen. Die Ergebnisse der Stichprobenmessung sind mit den Überwachungswerten nach § 14a.02 Nummer 2 Tabelle 2 zu vergleichen.

1.4 Dieses Prüfprotokoll umfasst einschließlich der beigefügten Aufzeichnungen insgesamt .................... 10 Seiten.

2. Parameter

Hiermit wird bescheinigt, dass die geprüfte Bordkläranlage von den vorgegebenen Parametern nicht unzulässig abweicht und die Überwachungswerte für den Betrieb nach § 14a.02 Nummer 2 Tabelle 2 nicht überschritten werden.

Name und Adresse der Prüfstelle: ......................................................................................

Name des Prüfers: ........................................................................................

Ort und Datum: ...........................................................................................

Unterschrift: ..............................................................................................

Prüfung anerkannt durch

zuständige Behörde: ......................................................................................

Ort und Datum: ...........................................................................................

Unterschrift: ..............................................................................................

Siegel der zuständigen Behörde

Name und Adresse der Prüfstelle:

Name des Prüfers: ........................................................................................

Ort und Datum: ...........................................................................................

Unterschrift: ..............................................................................................

Prüfung anerkannt durch
zuständige Behörde: ......................................................................................

Ort und Datum: ...........................................................................................

Unterschrift: ..............................................................................................

Siegel der zuständigen Behörde

Name und Adresse der Prüfstelle:

Name des Prüfers: ........................................................................................

Ort und Datum: ...........................................................................................

Unterschrift: ..............................................................................................

Prüfung anerkannt durch
zuständige Behörde: ......................................................................................

Ort und Datum: ...........................................................................................

Unterschrift: ..............................................................................................

Siegel der zuständigen Behörde

Name und Adresse der Prüfstelle:

Name des Prüfers: ........................................................................................

Ort und Datum: ...........................................................................................

Unterschrift: ................................................................................................

Prüfung anerkannt durch
zuständige Behörde: ......................................................................................

Ort und Datum: ...........................................................................................

Unterschrift: ..............................................................................................

Siegel der zuständigen Behörde

.

Anlage zum Bordkläranlagenparameterprotokoll (Muster) Anhang 1


Schiffsname: ................................ Einheitliche europäische Schiffsnummer: ............................
Hersteller: ................................
(Fabrikmarke / Handelsmarke / Handelsname des Herstellers)
Bordkläranlagentyp: ............................
(Herstellerseitige Bezeichnung)
Typgenehmigungs-Nr.: ............................... Baujahr der Bordkläranlage: ............................
Seriennummer der Bordkläranlage: ...............................
(Seriennummer)
Einbauort: ............................

Die Bordkläranlage und ihre für die Abwasserreinigung relevanten Bauteile wurden anhand des typenschildes identifiziert.

Die Prüfung erfolgte auf Basis der Anleitung des Herstellers zur Kontrolle der für die Abwasserreinigung relevanten Komponenten und Parameter der Bordkläranlage.

A. Bauteilprüfung

Zusätzliche für die Abwasserreinigung relevante Bauteile, die in der Anleitung des Herstellers zur Kontrolle der für die Abwasserreinigung relevanten Komponenten und Parameter der Bordkläranlage bzw. Teil II Anhang 4 aufgeführt sind, sind einzutragen.

Bauteil Ermittelte Bauteilnummer Übereinstimmung 11
[ ] Ja [ ] Nein [ ] Entfällt
[ ] Ja [ ] Nein [ ] Entfällt
[ ] Ja [ ] Nein [ ] Entfällt
[ ] Ja [ ] Nein [ ] Entfällt
[ ] Ja [ ] Nein [ ] Entfällt
[ ] Ja [ ] Nein [ ] Entfällt
[ ] Ja [ ] Nein [ ] Entfällt
[ ] Ja [ ] Nein [ ] Entfällt
[ ] Ja [ ] Nein [ ] Entfällt

B. Ergebnisse der Stichprobenmessung

Parameter Ermittelter Wert Übereinstimmung 11
BSB5 [ ] Ja [ ] Nein
CSB [ ] Ja [ ] Nein
TOC 12 [ ] Ja [ ] Nein

C. Bemerkungen

.................................................................................................................................................................................
(Folgende abweichende Einstellungen, Modifikationen oder Veränderungen an der eingebauten Bordkläranlage wurden festgestellt.)

.................................................................................................................................................................................
.................................................................................................................................................................................
.................................................................................................................................................................................
.................................................................................................................................................................................

Name des Prüfers: ...................................................................................................................................................

Ort und Datum: .......................................................................................................................................................

Unterschrift: ............................................................................................................................................................

.

Bordkläranlagen
- Prüfverfahren -
Anlage S 14

1. Allgemeines

1.1 Grundlagen

Die Prüfvorschrift dient zur Verifizierung der Eignung von Bordkläranlagen an Bord von Fahrgastschiffen. Bei diesem Verfahren wird anhand einer Testanlage die eingesetzte Verfahrens- und Behandlungstechnik untersucht und zugelassen. Die Übereinstimmung zwischen der Testanlage und den später im Einsatz befindlichen Bordkläranlagen wird durch die Anwendung identischer Auslegungs- und Bemessungskriterien gewährleistet.

1.2 Verantwortlichkeit und Prüfstandort

Die Testanlage einer Bordkläranlagen-Typenreihe ist durch einen technischen Dienst zu prüfen. Die Prüfbedingungen am Prüfstandort liegen in der Verantwortlichkeit des technischen Dienstes und müssen mit den hier festgelegten Bedingungen übereinstimmen.

1.3 Einzureichende Unterlagen

Die Prüfung erfolgt anhand des Beschreibungsbogens nach Anlage R Teil II.

1.4 Vorgaben zur Anlagenbemessung

Die Bordkläranlagen sind so zu bemessen und auszuführen, dass in deren Ablauf die in § 14a.02 Nummer 2 Tabelle 1 und 2 vorgegebenen Grenzwerte nicht überschritten werden.

2. Vorbereitende Maßnahmen zur Durchführung der Prüfung

2.1 Allgemeines

Vor Beginn der Prüfung muss der Hersteller dem technischen Dienst bautechnische und verfahrens-technische Festlegungen zur Testanlage einschließlich eines vollständigen Satzes von Zeichnungen und unterstützenden Berechnungen nach Anlage R Teil II liefern sowie vollständige Angaben zu den Anforderungen an Einbau, Betrieb und Wartung der Bordkläranlage bereitstellen. Der Hersteller hat dem technischen Dienst Angaben zur mechanischen, elektrischen und technischen Sicherheit der zu prüfenden Bordkläranlage zu liefern.

2.2 Einbau und Inbetriebnahme

Die Testanlage muss vom Hersteller zur Prüfung so installiert werden, wie es den vorgesehenen Einbaubedingungen an Bord von Fahrgastschiffen entspricht. Der Hersteller muss vor der Prüfung die Bordkläranlage zusammenbauen und in Betrieb nehmen. Die Inbetriebnahme muss entsprechend der Betriebsanleitung des Herstellers erfolgen und ist vom technischen Dienst zu prüfen.

2.3 Einfahrphase

Der Hersteller hat dem technischen Dienst die nominelle Zeitdauer der Einfahrphase bis zum normalen Betrieb in Wochen mitzuteilen. Der Hersteller gibt vor, ab wann die Einfahrphase als abgeschlossen gilt und mit der Prüfung begonnen werden kann.

2.4 Zulaufkennwerte

Zum Zweck der Prüfung der Testanlage ist häusliches Rohabwasser zu verwenden. Die Zulaufkennwerte hinsichtlich der Schmutzkonzentrationen ergeben sich aus den Bemessungsunterlagen des Herstellers der Bordkläranlage nach Anlage R Teil II durch Bildung des Quotienten von Durchsatz an organischen Stoffen als BSB5-Fracht in kg/d und dem ausgelegten Abwasservolumenstrom Qd in m3/d. Die Zulaufkennwerte sind vom technischen Dienst entsprechend einzustellen.

Formel 1 - Berechnung des Zulaufkennwertes

Sollte sich anhand von Formel 1 eine geringere durchschnittliche BSB5-Konzentration von weniger als CBSB5, Mittel = 500 mg/l ergeben, so ist im Zulaufwasser mindestens eine mittlere BSB5-Konzentration von 500 mg/l einzustellen. Der technische Dienst darf das zufließende Rohabwasser nicht in einer Zerkleinerungsvorrichtung behandeln. Das Entfernen (u. a. Absieben) von Sand ist zulässig.

3. Prüfverfahren

3.1 Belastungsphasen und hydraulische Beschickung

Der Zeitraum der Prüfung umfasst 30 Prüftage. Die Testanlage wird auf dem Prüffeld mit häuslichem Abwasser entsprechend der nach Tabelle 1 vorgegebenen Belastung beschickt. Es werden unterschiedliche Belastungsphasen untersucht. Der Prüfablauf sieht Normallastphasen und Sonderlastphasen wie Überlastphase, Unterlastphase und Stand-by-Betriebsphase vor. Die Dauer der jeweiligen Belastungsphase (Anzahl Prüftage) ist in Tabelle 1 vorgegeben. Die mittlere tägliche hydraulische Belastung für die entsprechenden Lastphasen sind nach Tabelle 1 einzustellen. Die mittlere Schmutzkonzentration, die nach 2.4 einzustellen ist, wird konstant gehalten.

Tabelle 1: Einzustellende Belastung für Lastphasen

Phase Anzahl Prüftage Tägliche hydraulische Belastung Schmutzkonzentration
Normallast 20 Tage Qd CBSB5 nach Nummer 2.4
Überlast 3 Tage 1,25 Qd CBSB5 nach Nummer 2.4
Unterlast 3 Tage 0,5 Qd CBSB5 nach Nummer 2.4
Stand-by-Betrieb 4 Tage Tag 1 und Tag 2: Qd = 0
Tag 3 und Tag 4: Qd
CBSB5 nach Nummer 2.4

Die Sonderlastphasen "Überlast", "Unterlast" und "Stand-by-Betrieb" sind der Reihe nach ohne Unterbrechung durchzuführen, die Normallastphase ist in mehrere Teilphasen aufzuteilen. Die Prüfung ist mit einer jeweils mindestens 5 Tage dauernden Normallastphase zu beginnen und zu beenden. In Abhängigkeit vom vorgegebenen Betrieb der Bordkläranlage sind tägliche hydraulische Beschickungsganglinien einzustellen. Die Wahl der täglichen hydraulischen Beschickungsganglinie richtet sich nach dem Betriebskonzept der Bordkläranlage. Es wird unterschieden, ob die Bordkläranlage mit einem vorgeschalteten Abwasserspeichertank zu betreiben ist oder nicht. Die Beschickungsganglinien (Tagesganglinien) sind in den Abbildungen 1 und 2 dargestellt.

Über die gesamte Prüfungsdauer muss gewährleistet sein, dass der stündliche Zulauf gleichmäßig erfolgt. Der mittlere stündliche Abwasservolumenstrom Qh, Mittel entspricht dem 1/24 der täglichen hydraulischen Belastung gemäß Tabelle 1. Der Zufluss ist durch den technischen Dienst kontinuierlich zu messen. Die Tagesganglinie muss eine Grenzabweichung von ± 5 % einhalten.

Abbildung 1: Tagesganglinie der Bordkläranlagen-Beschickung mit vorgeschaltetem Abwasserspeichertank

Abbildung 2: Tagesganglinie der Bordkläranlagen-Beschickung ohne vorgeschalteten Abwasserspeichertank

3.2 Unterbrechung oder Abbruch der Prüfung

Eine Unterbrechung der Prüfung kann erforderlich sein, wenn die Testanlage aufgrund eines Stromausfalls oder des Ausfalls eines Bauteils oder einer Komponente nicht mehr ordnungsgemäß betrieben werden kann. Für die Dauer der Reparatur kann die Prüfung unterbrochen werden. In diesen Fällen muss die Prüfung nicht vollständig wiederholt werden, sondern nur die Belastungsphase, in der der Ausfall stattgefunden hat. Nach der zweiten Unterbrechung der Prüfung ist vom technischen Dienst zu entscheiden, ob die Prüfung fortgeführt werden kann oder abgebrochen werden muss. Die Entscheidung ist zu begründen und im Prüfbericht zu dokumentieren. Bei einem Abbruch der Prüfung muss diese vollständig wiederholt werden.

3.3 Untersuchungen zur Reinigungsleistung und Einhaltung von Ablaufgrenzwerten

Der technische Dienst muss im Zulauf zur Testanlage Proben entnehmen und diese analysieren, um die Übereinstimmung mit den Zulaufkennwerten zu bestätigen. Zur Bestimmung der Reinigungsleistung und Einhaltung der geforderten Ablaufgrenzwerte sind aus dem Ablauf der Testanlage Abwasserproben zu entnehmen und zu analysieren. Bei den Probenahmen sind Stichproben und 24-h-Mischproben durchzuführen. Bei den 24-h-Mischproben können entweder durchfluss- oder zeitproportionale Probenahmen durchgeführt werden. Die Art der 24-h-Mischprobe ist vom technischen Dienst anzugeben. Die Probenahmen im Zu- und Ablauf sind gleichzeitig und gleichwertig vorzunehmen. Zur Beschreibung und Darstellung der Umgebungs- und Prüfungsbedingungen sind neben den Überwachungsparametern BSB5, CSB und TOC 13 folgende Parameter für den Zulauf und für den Ablauf zu erfassen:

  1. abfiltrierbare Stoffe (AFS),
  2. pH-Wert,
  3. Leitfähigkeit,
  4. Temperatur der flüssigen Phasen.

Die Anzahl der Untersuchungen richtet sich nach den entsprechenden Belastungsphasen und ist in Tabelle 2 geregelt. Die Anzahl der Probenahmen bezieht sich jeweils auf den Zu- und Ablauf der Testanlage.

Tabelle 2: Vorgaben zu Anzahl und Zeitpunkt der Probenahmen im Zu- und Ablauf der Testanlage

Belastungsphase Anzahl Prüftage Anzahl Probenahmen Vorgaben zum Zeitpunkt der Probenahmen
Normallast 20 Tage 24-h-Mischproben: 8
Stichproben: 8
Die Probenahmen sind gleichmäßig über den Zeitraum zu verteilen.
Überlast 3 Tage 24-h-Mischproben: 2
Stichproben: 2
Die Probenahmen sind gleichmäßig über den Zeitraum zu verteilen.
Unterlast 3 Tage 24-h-Mischproben: 2
Stichproben: 2
Die Probenahmen sind gleichmäßig über den Zeitraum zu verteilen.
Stand-by-Betrieb 4 Tage 24-h-Mischproben: 2
Stichproben: 2
24-h-Mischprobe: Ansetzen der Probenahme nach Einschalten Zulauf und 24 Stunden später.
Stichprobe: 1 Stunde nach Einschalten
Zulauf und 24 Stunden später.
Gesamtanzahl 24-h-Mischproben: 14 Gesamtanzahl Stichproben: 14

Weiterhin sind - soweit vorhanden - folgende Betriebsparameter während der Stichprobenahmen zu erfassen:

  1. Konzentration des gelösten Sauerstoffes im Bioreaktor,
  2. Trockensubstanzgehalt im Bioreaktor,
  3. Temperatur im Bioreaktor,
  4. Umgebungstemperatur,
  5. Weitere Betriebsparameter entsprechend der jeweiligen Betriebsanleitung des Herstellers.

3.4 Auswertung der Untersuchungen

Zwecks Dokumentation der festgestellten Reinigungsleistung und Prüfung der Einhaltung von Ablaufgrenzwerten sind für die Überwachungsparameter BSB5, CSB und TOC sowie für den Parameter AFS das minimale Probenergebnis (Min), das maximale Probenergebnis (Max) und das arithmetische Mittel (Mittelwert) anzugeben. Für den maximalen Probenwert ist zusätzlich die Belastungsphase anzugeben. Die Auswertungen sind für alle Belastungsphasen gemeinsam durchzuführen. Die Ergebnisse sind nach folgender Tabelle darzustellen:

Tabelle 3a Vorgaben zur statistischen Aufbereitung erfasster Daten Auswertung zur Dokumentation der Einhaltung von Ablaufgrenzwerten

Parameter Probenahmeart Anzahl der Proben, die den Ablaufgrenzwert einhalten Mittelwert Min Max
Wert Phase
Zulauf BSB5 24-h-Mischproben -
Ablauf BSB5 24-h-Mischproben
Zulauf BSB5 Stichproben -
Ablauf BSB5 Stichproben
Zulauf CSB 24-h-Mischproben -
Ablauf CSB 24-h-Mischproben
Zulauf CSB Stichproben -
Ablauf CSB Stichproben
Zulauf TOC 24-h-Mischproben -
Ablauf TOC 24-h-Mischproben
Zulauf TOC Stichproben -
Ablauf TOC Stichproben
Zulauf AFS 24-h-Mischproben -
Ablauf AFS 24-h-Mischproben
Zulauf AFS Stichproben -
Ablauf AFS Stichproben

Tabelle 3b Vorgaben zur statistischen Aufbereitung erfasster Daten Auswertung zur Dokumentation der Reinigungsleistung

Parameter Probenahmeart Mittelwert Min Max
Eliminationsleistung BSB5 24-h-Mischproben
Eliminationsleistung BSB5 Stichproben
Eliminationsleistung CSB 24-h-Mischproben
Eliminationsleistung CSB Stichproben
Eliminationsleistung TOC 24-h-Mischproben
Eliminationsleistung TOC Stichproben
Eliminationsleistung AFS 24-h-Mischproben
Eliminationsleistung AFS Stichproben

Die übrigen Parameter nach Nummer 3.3 Buchstabe b bis d sowie die Betriebsparameter nach 3.3 sind in einer tabellarischen Übersicht mit Angabe des minimalen Probenergebnisses (Min), des maximalen Probenergebnisses (Max) und des arithmetischen Mittels (Mittelwert) zusammenzustellen.

3.5 Einhaltung der Anforderungen des Kapitels 14a

Die Grenzwerte nach § 14a.02 Nummer 2 Tabelle 1 und 2 gelten als eingehalten, wenn je Parameter CSB, BSB5 und TOC

  1. die Mittelwerte der insgesamt 14 Ablaufproben und
  2. mindestens 10 der insgesamt 14 Ablaufproben

die vorgegebenen Grenzwerte für 24-h-Mischproben und Stichproben nicht überschreiten.

3.6 Betrieb und Wartung während der Prüfung

Während der gesamten Prüfdauer ist die Testanlage nach den Vorgaben des Herstellers zu betreiben. Routinemäßige Kontrollen und Wartungen müssen unter Beachtung der Betriebs- und Wartungsanleitung des Herstellers durchgeführt werden. Der durch den biologischen Reinigungsprozess entstehende Überschussschlamm darf nur dann aus der Bordkläranlage entfernt werden, wenn dies vom Hersteller in dessen Betriebs- und Wartungsanleitung festgelegt wurde. Alle durchgeführten Wartungsarbeiten sind durch den technischen Dienst aufzuzeichnen und im Prüfbericht zu dokumentieren. Während der Prüfung dürfen Unbefugte keinen Zutritt zur Testanlage haben.

3.7 Probenanalyse/Analysenverfahren

Die zu untersuchenden Parameter sind unter Anwendung von zugelassenen Normverfahren zu analysieren. Das angewendete Normverfahren ist anzugeben.

4. Prüfbericht

4.1 Der technische Dienst ist verpflichtet, über die durchgeführte Typprüfung einen Bericht zu erstellen. Der Bericht muss mindestens die unten festgelegten Angaben enthalten:

  1. Einzelheiten zur geprüften Bordkläranlage, wie Typ, Angaben zur nominalen Tagesschmutzfracht sowie die vom Hersteller angewendeten Bemessungsgrundlagen;
  2. Angaben zur Übereinstimmung der geprüften Bordkläranlage mit den vor der Prüfung bereitgestellten Unterlagen;
  3. Angaben zu Einzelmessergebnissen sowie zur Auswertung der Reinigungsleistung und Einhaltung der geforderten Ablaufgrenzwerte;
  4. Einzelheiten zur Überschussschlammentnahme, wie Häufigkeit der Entnahmen und Umfang der entnommenen Volumina;
  5. Angaben zu allen während der Prüfung ausgeführten Betriebs-, Wartungs- und Reparaturmaßnahmen;
  6. Angaben zu allen während der Prüfung aufgetretenen Qualitätsverschlechterungen der Bordkläranlage und stattgefundenen Unterbrechungen der Prüfung;
  7. Angaben zu Problemen, die während der Prüfung aufgetreten sind;
  8. Liste der verantwortlichen Personen mit Angabe der Namen und Stellenbezeichnungen, die an der Typprüfung der Bordkläranlage beteiligt waren;
  9. Name und Anschrift des Labors, das die Analysen der Wasserproben durchgeführt hat;
  10. angewendete Untersuchungsmethoden.

.

Beispiele für Prüfabläufe Anhang 1
(zu Anlage S)


Beispiel 1

Beispiel 2

.

Zusätzliche Bestimmungen für Fahrzeuge, die mit Brennstoffen mit einem Flammpunkt von 55° C oder darunter betrieben werden Anlage T 17

Teil I
Flüssigerdgas (LNG)

Kapitel 1
Allgemeines

1.1 Anwendungsbereich

1.1.1 Die Bestimmungen von Teil I gelten für Fahrzeuge, auf denen Antriebs- oder Hilfssysteme installiert sind, die mit Flüssigerdgas (LNG) nach Nummer 1.2.1 betrieben werden und alle für die Verwendung von Flüssigerdgas (LNG) als Brennstoff zu berücksichtigenden Bereiche.

1.2 Begriffsbestimmungen

Für die Zwecke dieses Teils gelten als

1.2.1 Flüssigerdgas (LNG): Erdgas, das durch Abkühlung auf eine Temperatur von - 161° C verflüssigt wurde.

1.2.2 LNG-System: alle Teile des Fahrzeugs, die möglicherweise Flüssigerdgas (LNG) oder Erdgas enthalten, wie beispielsweise Motoren, Brennstofftanks und Bunkerleitungen.

1.2.3 LNG-Bunkersystem: die Vorrichtungen zum Bunkern von Flüssigerdgas (LNG) an Bord (Bunkerstation und Bunkerleitungen).

1.2.4 Bunkerstation: der Bereich an Bord, an dem sich sämtliche für den Bunkervorgang notwendigen Geräte befinden, wie Schlauchanschlüsse, Ventile, Vermessungsinstrumente, Sicherheitsausrüstung, Überwachungsstation, Werkzeuge.

1.2.5 LNG-Behältersystem: die Vorrichtungen zur Speicherung des Flüssigerdgases (LNG), einschließlich der Tankanschlüsse.

1.2.6 Gasversorgungssystem: die Vorrichtungen zur Versorgung aller Gasverbrauchseinrichtungen an Bord, einschließlich des Gasaufbereitungssystems, der Gaszuleitungen und -ventile.

1.2.7 Gasaufbereitungssystem: die Einheit, die zur Umwandlung des Flüssigerdgases (LNG) in Erdgas verwendet wird, ihr Zubehör sowie ihre Leitungen.

1.2.8 Gefährdete Bereiche: die nachfolgend bestimmten Zonen 0, 1 und 2:

1.2.8.1 Zone 0: Bereich, in dem explosionsfähige Atmosphäre als Gemisch aus Luft mit brennbaren Gasen, Dämpfen oder Nebeln ständig, über lange Zeiträume oder häufig vorhanden ist,

1.2.8.2. Zone 1: Bereich, in dem sich bei Normalbetrieb gelegentlich eine explosionsfähige Atmosphäre als Gemisch aus Luft und brennbaren Gasen, Dämpfen oder Nebeln bilden kann,

1.2.8.3 Zone 2: Bereich, in dem bei Normalbetrieb eine explosionsfähige Atmosphäre als Gemisch aus Luft und brennbaren Gasen, Dämpfen oder Nebeln normalerweise nicht oder aber nur kurzzeitig auftritt.

1.2.9 Geschlossener Raum: jeder Raum, der bei fehlender Zwangsentlüftung nur eingeschränkt zu belüften ist und in dem sich aufgetretene explosionsfähige Atmosphären nicht natürlich auflösen.

1.2.10 Halboffener Raum: ein derart durch Decks oder Schotte abgetrennter Raum, dass die natürlichen Belüftungsbedingungen sich erheblich von denen auf dem offenen Deck unterscheiden.

1.2.11 Überdruckventil: ein federbelastetes Gerät, das automatisch durch Druck aktiviert wird und dessen Zweck darin besteht, den Tank oder die Leitungen vor einem unzulässigen Überdruck im Inneren zu schützen.

1.2.12 Zweikraftstoffmotoren: Motoren, die entweder mit Flüssigerdgas (LNG) oder einem Brennstoff mit einem Flammpunkt von über 55° C betrieben werden.

1.2.13 ESD (Emergency Shutdown): eine Notabschaltung.

1.2.14 Hauptgasbrennstoffventil: ein automatisches Absperrventil in Gaszuleitungen zu Motoren.

1.2.15 Zweite Barriere: die äußere Hülle eines LNG-Behältersystems oder von Leitungen, die so ausgelegt sind, dass sie im Falle einer Undichtigkeit der ersten Barriere den austretenden Brennstoff vorläufig auffängt.

1.2.16 Maximaler Arbeitsdruck: der Höchstdruck in einem LNG-Brennstofftank oder einer LNG-Leitung während des Betriebs. Dieser Druck entspricht dem Öffnungsdruck der Überdruckventile oder -vorrichtungen.

1.2.17 Auslegungsdruck: der Druck, auf dessen Grundlage der LNG-Brennstofftank oder die LNG-Leitungen konstruiert und hergestellt wurden.

1.2.18 Doppelabsperr- und Auslassventil: ein Satz von zwei in Reihe geschalteten Ventilen in einer Leitung und einem dritten Ventil zur Druckentlastung der Leitung zwischen diesen beiden Ventilen. Diese Vorkehrung kann anstelle von drei getrennten Ventilen auch aus einem Zweiwegeventil und einem Schließventil bestehen.

1.2.19 Luftschleuse: ein Bereich, der von einem gasdichten Stahlschott mit zwei gasdichten Türen umgeben ist, der den gefährdeten Bereich vom ungefährdeten Bereich trennt.

1.2.20 Doppelwandige Leitung: eine Leitung mit doppelwandiger Auslegung, in welcher der Raum zwischen den Rohren mit Inertgas druckbefüllt ist und so Leckagen an einer der beiden Wände erkannt werden.

1.2.21 Systemkomponenten: sämtliche Komponenten der Installation, die Flüssigerdgas (LNG) oder Erdgas enthalten können, wie Brennstofftanks, Leitungen, Ventile, Schläuche, Zylinder, Pumpen, Filter, Instrumente.

1.2.22 Belüftete Rohrleitung: eine mit einer mechanischen Abgasentlüftung versehene Gasleitung, die in einem Rohr oder einer Leitung installiert ist.

1.2.23 Gaswarnanlage: eine Warneinrichtung zur Absicherung von Menschen und Sachwerten vor gefährlichen Gasen und Gas-Luft-Gemischen. Sie besteht aus Gasdetektoren zur Erfassung der Gase, einer Steuereinheit zur Verarbeitung der Signale und einer Anzeige-/Alarmeinheit zur Zustandsanzeige.

1.3 Risikobewertung

1.3.1 Eine Risikobewertung ist für alle Konzepte und Konfigurationen, die neu sind oder erheblich geändert wurden, durchzuführen. Die durch die Verwendung von Flüssigerdgas (LNG) entstehenden Risiken, die sich für Personen an Bord, die Umwelt, die Tauglichkeit oder Sicherheit des Fahrzeugs ergeben, müssen berücksichtigt werden. Die mit der räumlichen Gestaltung, dem Betrieb und der Wartung zusammenhängenden Risiken, die sich im Anschluss an einen Ausfall ergeben, sind nach vernünftigem Ermessen zu berücksichtigen.

1.3.2 Die Risiken sind anhand einer von der Untersuchungskommission anerkannten Methode zur Risikoanalyse, wie z.B. die österreichische Norm OENORM ISO 31000:2010 und nach der Norm DIN EN 31010:2010, zu bestimmen und zu bewerten. Dabei müssen zumindest Funktionsverlust, Schaden an den Komponenten, Feuer, Explosion, Überflutung des Tankraums, Sinken des Fahrzeugs und elektrische Überspannung einfließen. Die Analyse muss sicherstellen, dass Risiken so weit wie möglich beseitigt werden. Risiken, die nicht gänzlich beseitigt werden können, sind auf ein akzeptables Niveau zu verringern. Die wichtigsten Möglichkeiten und Maßnahmen zur Beseitigung bzw. Verringerung der Risiken sind zu beschreiben.

1.3.3 Die Unterteilung der gefährdeten Bereiche an Bord in die Zonen 0, 1 und 2 nach Nummer 1.2.8 ist in der Risikobewertung zu dokumentieren.

1.4 Allgemeines

1.4.1 Auslegung, Konstruktion, Installation, Wartung und Schutz des LNG-Systems müssen einen sicheren und verlässlichen Betrieb garantieren.

1.4.2 Komponenten des LNG-Systems müssen vor äußeren Schäden geschützt werden.

1.4.3 Ein einzelner Ausfall im LNG-System darf nicht zu einer unsicheren Situation führen.

1.4.4 Der Zugang zu gefährdeten Bereichen ist, soweit dies praktisch durchführbar ist, zu beschränken, um Risiken für die Sicherheit des Fahrzeugs, der Personen an Bord, der Umwelt und der Ausrüstung zu reduzieren. Insbesondere gehören gefährdete Bereiche zu den nicht für Fahrgäste bestimmten Teilen des Schiffes nach § 15.06 Nummer 11.

1.4.5 Fahrgäste sind durch geeignete Maßnahmen von gefährdeten Bereichen fern zu halten.

1.4.6 Die in den gefährdeten Bereichen installierte Ausrüstung ist auf das für den Betrieb erforderliche Mindestmaß zu reduzieren und muss in geeigneter und angemessener Form zertifiziert sein.

1.4.7 Die unbeabsichtigte Bildung explosionsfähiger oder brennbarer Gaskonzentrationen ist zu vermeiden.

1.4.8 Zündquellen in gefährdeten Bereichen sind zur Verringerung der Explosionswahrscheinlichkeit zu begrenzen.

1.4.9 An Bord von Fahrzeugen, die Flüssigerdgas (LNG) als Brennstoff nutzen, muss ein detailliertes Betriebshandbuch für das LNG-System vorhanden sein, das mindestens

  1. praktische Erläuterungen zum LNG-Bunkersystem, zum LNG-Behältersystem, zum LNG-Leitungssystem, zum Gasversorgungssystem, zum Maschinenraum, zum Belüftungssystem, zur Verhütung und Kontrolle von Leckagen sowie zum Überwachungs- und Sicherheitssystem enthält;
  2. den Bunkervorgang, insbesondere die Betätigung der Ventile, die Entleerung, das Inertisieren und das Entgasen, beschreibt;
  3. das maßgebliche Verfahren für die elektrische Isolierung während der Bunkervorgänge beschreibt;
  4. die sich aus der Risikobewertung nach Nummer 1.3 ergebenden Risiken beschreibt und zu deren Verminderung anleitet.

1.4.10 Ein durch Freisetzung von Gas entstandenes Feuer oder eine durch Gas entstandene Explosion in den Brennstoffbehältern und in den Maschinenräumen darf nicht die Funktionsfähigkeit betriebswichtiger Maschinen oder Ausrüstung in anderen Räumen gefährden.

1.5 Kenntnisse des Technischen Dienstes

Die Kenntnisse des Technischen Dienstes nach § 8b.01 Nummer 4 müssen sich mindestens auf die folgenden Bereiche erstrecken:

  1. Brennstoffsystem einschließlich Tanks, Wärmetauscher, Leitungen,
  2. Festigkeit (Längs- und örtliche Festigkeit) und Stabilität des Fahrzeugs,
  3. elektrische Anlage und Kontrollsysteme,
  4. Belüftungssystem,
  5. Brandschutz,
  6. Gaswarnanlage.

1.6 Kennzeichnung

Türen zu Räumen, in denen Flüssigerdgas (LNG) genutzt wird, müssen auf der Außenseite mit einem Symbol für "LNG-Warnung" nach Anlage I Bild 11 mit einer Höhe von mindestens 10 cm gekennzeichnet werden.

Kapitel 2
Schiffsausrüstung, Schiffsbetrieb und Systemauslegung

2.1 LNG-Behältersystem

2.1.1 Das LNG-Behältersystem ist von den Maschinenräumen und anderen Bereichen mit hoher Brandgefahr zu trennen.

2.1.2 Die LNG-Brennstofftanks sind so nah wie möglich an der Mittellängsachse des Schiffes auszurichten.

2.1.3 Der Abstand zwischen der Bordwand des Fahrzeugs und dem LNG-Brennstofftank darf 1,00 m nicht unterschreiten. Befinden sich LNG-Brennstofftanks

  1. unter Deck, muss das Fahrzeug am Standort der LNG-Brennstofftanks über eine Doppelwand und eine Doppelbodenkonstruktion verfügen. Der Abstand zwischen Bord- und Innenwand des Fahrzeugs darf 0,60 m nicht unterschreiten. Die Höhe der Doppelböden darf 0,60 m nicht unterschreiten.
  2. auf dem offenen Deck, muss der Abstand zu den senkrechten Ebenen, die mit den Bordwänden des Fahrzeugs zusammenfallen, mindestens B/5 betragen.

2.1.4 Der LNG-Brennstofftank ist als ein unabhängiger Tank in Übereinstimmung mit den Europäischen Normen DIN EN 13530-1:2002, DIN EN 13530-2:2003, DIN EN 13530-3:2005, DIN EN 13458-2:2003 in Verbindung mit dynamischer Belastung oder dem IGC-Code (Tank Typ C) auszuführen. Die Untersuchungskommission kann andere gleichwertige Normen eines Rheinuferstaates und Belgiens akzeptieren.

2.1.5 Tankanschlüsse sind über dem höchsten Flüssigkeitsspiegel in den Tanks anzubringen. Die Untersuchungskommission kann Anschlüsse unter dem höchsten Flüssigkeitsspiegel akzeptieren.

2.1.6 Sind Tankanschlüsse unter dem höchsten Flüssigkeitsspiegel der LNG-Brennstofftanks angebracht, müssen Auffangwannen unter den Tanks aufgestellt werden, die die nachfolgenden Anforderungen erfüllen:

  1. Die Kapazität der Auffangwanne muss für das möglicherweise bei einem Leitungsschaden austretende Volumen ausreichen.
  2. Die Auffangwanne muss aus geeignetem Edelstahl gefertigt sein.
  3. Die Auffangwanne muss von dem Schiffskörper oder den Aufbauten des Decks ausreichend getrennt oder isoliert sein, damit der Schiffskörper oder die Aufbauten des Decks bei LNG-Leckagen nicht unzulässig auskühlen.

2.1.7 Das LNG-Behältersystem muss mit einer zweiten Barriere ausgestattet sein. Eine zweite Barriere ist nicht für LNG-Behältersysteme erforderlich, bei denen die Wahrscheinlichkeit für Schäden an der Struktur und Leckagen aus der ersten Barriere sehr gering ist und vernachlässigt werden kann.

2.1.8 Falls die zweite Barriere des LNG-Behältersystems Teil der Schiffskörperstruktur ist, kann es eine Trennwand des Tankraums sein, vorausgesetzt, die notwendigen Vorkehrungen gegen Leckagen des tiefkalten verflüssigten Brennstoffes sind ergriffen worden.

2.1.9 Der Ort und die Bauweise des LNG-Behältersystems und der sonstigen Ausrüstung auf dem offenen Deck müssen so gestaltet sein, dass für eine ausreichende Lüftung gesorgt ist. Eine Ansammlung von freigesetztem Erdgas muss vermieden werden.

2.1.10 Sofern Kondensation und Vereisung aufgrund von kalten Oberflächen der LNG-Brennstofftanks zu Problemen der Sicherheit oder der Funktion führen können, müssen geeignete Vermeidungs- oder Abhilfemaßnahmen ergriffen werden.

2.1.11 Jeder LNG-Brennstofftank ist mit mindestens zwei Überdruckventilen auszustatten, die einen Überdruck verhindern können, falls eines der Ventile wegen einer Fehlfunktion, Leckage oder Wartung geschlossen wird.

2.1.12 Wenn Freisetzungen von Brennstoff in das Vakuum eines vakuumisolierten LNG-Brennstofftanks nicht ausgeschlossen werden können, muss das Vakuum mit einem geeigneten Überdruckventil geschützt werden. Sofern LNG-Brennstofftanks in geschlossenen oder halboffenen Räumen aufgestellt sind, muss die Überdruckvorrichtung an ein Entlüftungssystem angeschlossen sein.

2.1.13 Die Austrittsöffnungen der Überdruckventile müssen mindestens 2,00 m über Deck in einem Abstand von mindestens 6,00 m zu den Wohnungen, Fahrgastbereichen und zu den Arbeitsplätzen, die sich außerhalb des Laderaums oder des Ladungsbereichs befinden, angebracht werden. Diese Höhe kann verringert werden, wenn unmittelbar um die Austrittsöffnung des Überdruckventils in einem Umkreis von 1,00 m keine Ausrüstungen vorhanden sind, keine Arbeiten ausgeführt werden, dieser Bereich gekennzeichnet ist und geeignete Maßnahmen zum Schutz des Decks ergriffen werden.

2.1.14 Eine sichere Entleerung der LNG-Brennstofftanks muss möglich sein, selbst wenn das LNG-System abgeschaltet ist.

2.1.15 Es muss möglich sein, LNG-Brennstofftanks einschließlich Gasleitungssystemen mit Spülgas zu reinigen und zu belüften. Es muss möglich sein, vor dem Belüften mit trockener Luft eine Inertisierung mit einem Inertgas (z.B. Stickstoff oder Argon) durchzuführen, um eine gefährliche explosionsfähige Atmosphäre in den LNG-Brennstofftanks und Gasleitungen auszuschließen.

2.1.16 Druck und Temperatur von LNG-Brennstofftanks müssen jederzeit in der ausgelegten Bandbreite gehalten werden.

2.1.17 Befindet sich das LNG-System außer Betrieb, muss es den Druck im LNG-Brennstofftank für einen Zeitraum von 15 Tagen unterhalb des maximalen Arbeitsdrucks des LNG-Brennstofftanks halten. Dabei wird davon ausgegangen, dass der LNG-Brennstofftank bis zur Befüllgrenze nach Nummer 2.9 befüllt war und das Fahrzeug stillliegt.

2.1.18 Die LNG-Brennstofftanks müssen mit dem Schiffskörper elektrisch verbunden werden.

2.2 Maschinenräume

2.2.1 In Maschinenräumen muss eines der folgenden Konzepte umgesetzt werden:

  1. gassicherer Maschinenraum,
  2. explosionssicherer Maschinenraum oder
  3. ESD-geschützter Maschinenraum.

2.2.2 Anforderungen für gassichere Maschinenräume

2.2.2.1 Gassichere Maschinenräume müssen unter allen Bedingungen gassicher sein ("inherently gas safe"). Ein einzelner Ausfall im LNG-System darf nicht zu einer Gasleckage im Maschinenraum führen. Alle Gasleitungen in den Maschinenräumen müssen gasdicht abgeschirmt werden, z.B. durch doppelwandige Leitungen oder belüftete Rohrleitungen.

2.2.2.2. Bei Ausfall einer Barriere wird die Gaszuleitung zu dem betroffenen Teil des LNG-Systems automatisch abgesperrt.

2.2.2.3 Das Belüftungssystem von belüfteten Rohrleitungen muss

  1. gewährleisten, dass das Bruttoluftvolumen innerhalb der belüfteten Rohrleitungen mindestens 30 mal pro Stunde ausgetauscht werden kann;
  2. so ausgerichtet sein, dass das Vorhandensein von Gas in dem Raum zwischen der inneren und der äußeren Leitung ständig erfasst wird;
  3. unabhängig von allen anderen Belüftungssystemen sein, insbesondere vom Belüftungssystem des Maschinenraums.

2.2.2.4. Ein gassicherer Maschinenraum wird als ungefährlicher Bereich betrachtet, es sei denn, die Risikobewertung nach Nummer 1.3 besagt etwas anderes.

2.2.3 Anforderungen für explosionssichere Maschinenräume

2.2.3.1 Vorrichtungen in explosionssicheren Maschinenräumen müssen dergestalt sein, dass die Räume unter normalen Bedingungen als gassicher gelten. Ein einzelner Ausfall im LNG-System darf nicht zu einer Konzentration von mehr als 20 % der unteren Explosionsgrenze (LEL) im Maschinenraum führen.

2.2.3.2. Bei Feststellung eines Gasaustritts oder Ausfall der Belüftung muss die Gaszuleitung zu dem betroffenen Teil des LNG-Systems automatisch abgesperrt werden.

2.2.3.3 Das Belüftungssystem muss

  1. über eine ausreichende Kapazität verfügen, um die Gaskonzentration unter 20 % der unteren Explosionsgrenze (LEL) im Maschinenraum zu halten und gewährleisten, dass das Bruttoluftvolumen innerhalb des Maschinenraums mindestens 30 mal pro Stunde ausgetauscht werden kann;
  2. unabhängig von allen anderen Belüftungssystemen sein.

2.2.3.4. Im Normalbetrieb muss der Maschinenraum ständig belüftet sein und das Bruttoluftvolumen innerhalb des Maschinenraums muss mindestens 15 mal pro Stunde ausgetauscht werden.

2.2.3.5. Explosionssichere Maschinenräume müssen so angelegt sein, dass die geometrische Form die Ansammlung von Gasen oder die Bildung von Gastaschen minimiert. Eine gute Luftzirkulation muss gewährleistet sein.

2.2.3.6 Ein explosionssicherer Maschinenraum wird als Bereich der Zone 2 betrachtet, es sei denn, die Risikobewertung nach Nummer 1.3 besagt etwas anderes.

2.2.4 Anforderungen für ESD-geschützte Maschinenräume

2.2.4.1 Vorrichtungen in ESD-geschützten Maschinenräumen müssen dergestalt sein, dass die Räume unter normalen Bedingungen als gassicher gelten können, aber unter gewissen außergewöhnlichen Umständen doch ein Gasgefahrenpotential bieten.

2.2.4.2. Bei außergewöhnlichen Umständen mit gefährlichen Gaskonzentrationen muss automatisch eine Notabschaltung (ESD) von unsicherer Ausrüstung (Zündquellen) und von Gasmaschinen erfolgen. Die Ausrüstung, die unter diesen Bedingungen genutzt wird, muss vom Typ bescheinigte Sicherheit sein.

2.2.4.3 Das Belüftungssystem muss

  1. gewährleisten, dass das Bruttoluftvolumen innerhalb des Maschinenraums mindestens 30 mal pro Stunde ausgetauscht werden kann,
  2. so ausgelegt sein, dass es den wahrscheinlich größten Austritt von Gas aufgrund eines technischen Fehlers beherrscht und
  3. unabhängig von allen anderen Belüftungssystemen sein.

2.2.4.4 Im Normalbetrieb muss der Maschinenraum ständig belüftet sein und das Bruttoluftvolumen innerhalb des Maschinenraums muss mindestens 15 mal pro Stunde ausgetauscht werden. Wenn im Maschinenraum ein Gasaustritt festgestellt wird, muss der Luftaustausch automatisch auf 30 mal pro Stunde erhöht werden.

2.2.4.5. Wenn das Fahrzeug über mehr als einen Antriebsmotor verfügt, müssen diese Motoren in mindestens zwei getrennten Maschinenräumen aufgestellt sein. Diese Maschinenräume sollen keine gemeinsamen Trennflächen haben. Gemeinsame Trennflächen sind jedoch akzeptabel, wenn der Nachweis erbracht werden kann, dass nicht beide Räume infolge eines einzelnen Ausfalls beeinträchtigt werden.

2.2.4.6 Eine fest installierte Gaswarnanlage, die automatisch die Gasversorgung des betroffenen Maschinenraums absperrt und alle nicht explosionsgeschützten Betriebsmittel abschaltet, muss eingebaut werden.

2.2.4.7. ESD-geschützte Maschinenräume müssen so angelegt sein, dass die geometrische Form die Ansammlung von Gasen oder die Bildung von Gastaschen minimiert. Eine gute Luftzirkulation muss gewährleistet sein.

2.2.4.8 Ein ESD-geschützter Maschinenraum wird als Bereich der Zone 1 betrachtet, es sei denn, die Risikobewertung nach Nummer 1.3 besagt etwas anderes.

2.3 Flüssigerdgas- (LNG) und Erdgasleitungssysteme

2.3.1 Flüssigerdgas- (LNG) und Erdgasleitungen durch andere Maschinenräume oder ungefährliche geschlossene Bereiche des Fahrzeugs müssen durch doppelwandige Leitungen oder belüftete Rohrleitungen eingehaust sein.

2.3.2 Leitungen für Flüssigerdgas (LNG) und Erdgas müssen mindestens 1,00 m von der Schiffsseite und 0,60 m vom Schiffsboden entfernt verlaufen.

2.3.3 Alle Leitungen und Komponenten, die bei vollständiger Befüllung mit flüssigem Flüssigerdgas (LNG) mit Ventilen vom LNG-System getrennt werden können, sind mit Überdruckventilen zu versehen.

2.3.4 Die Leitungen sind elektrisch mit dem Schiffskörper zu verbinden.

2.3.5 Niedrigtemperaturleitungen müssen soweit erforderlich von der benachbarten Schiffskörperstruktur thermisch isoliert werden. Es muss ein Schutz gegen unbeabsichtigte Berührung vorhanden sein.

2.3.6 Der Auslegungsdruck der Leitungen muss mindestens 150 % des maximalen Arbeitsdrucks betragen. Der maximale Arbeitsdruck der Leitungen innerhalb der Räume darf 1000 kPa nicht übersteigen. Der Auslegungsdruck der äußeren Wandung oder der Rohrleitung von Gasleitungssystemen darf nicht geringer sein als der Auslegungsdruck der inneren Gasleitungen.

2.3.7 Gasleitungen in ESD-geschützten Maschinenräumen müssen so weit wie nach praktischen Erwägungen möglich entfernt von den elektrischen Installationen und den Tanks mit entzündbarer Flüssigkeit angebracht werden.

2.4 Lenzsysteme

2.4.1 Lenzsysteme für Bereiche, in denen Flüssigerdgas (LNG) oder Erdgas vorhanden sein kann,

  1. müssen unabhängig und getrennt von Lenzsystemen von Bereichen sein, in denen Flüssigerdgas (LNG) und Erdgas nicht vorhanden sein können,
  2. dürfen nicht zu Pumpen in ungefährlichen Bereichen führen.

2.4.2 Wo für das LNG-Behältersystem keine zweite Barriere erforderlich ist, müssen geeignete Ableitevorrichtungen für die Tankräume, die nicht mit den Maschinenräumen verbunden sind, vorhanden sein. Es müssen Mittel zur Erkennung von LNG-Leckagen vorhanden sein.

2.4.3 Wo das LNG-Behältersystem eine zweite Barriere erfordert, müssen geeignete Ableitevorrichtungen für den Umgang mit LNG-Leckagen in den Räumen zwischen den Barrieren vorhanden sein. Es müssen Mittel zur Erkennung derartiger Leckagen vorhanden sein.

2.5 Auffangwannen

Geeignete Auffangwannen sind dort anzubringen, wo Leckagen Schäden am Schiffskörper verursachen könnten oder wo Bereiche vor den Folgen eines Überlaufens geschützt werden müssen.

2.6 Eingänge und andere Öffnungen

2.6.1 Eingänge und andere Öffnungen von ungefährlichen Bereichen in Gefahrenbereiche sind nur in dem Maße zulässig, in dem dies aus betrieblichen Gründen erforderlich ist.

2.6.2 Die Eingänge und Öffnungen zu einem ungefährlichen Bereich, die sich im Abstand von bis zu 6,00 m zum LNG-Behältersystem, dem Gasaufbereitungssystem oder dem Ausgang des Überdruckventils befinden, müssen mit einer geeigneten Luftschleuse versehen sein.

2.6.3 Bei Luftschleusen muss mechanisch Luft abgesaugt werden, und zwar bei Überdruck im Vergleich zu den angrenzenden gefährdeten Bereichen. Die Türen müssen selbstschließend sein.

2.6.4 Luftschleusen müssen so konzipiert sein, dass bei den kritischsten Ereignissen in gefährdeten Bereichen kein Gas in die durch die Luftschleuse getrennten ungefährdeten Bereiche freigesetzt werden kann. Die Ereignisse müssen in der Risikobewertung nach Nummer 1.3 evaluiert werden.

2.6.5 Luftschleusen müssen frei von Hindernissen sein, einen einfachen Durchgang ermöglichen und dürfen nicht für andere Zwecke genutzt werden.

2.6.6 Es muss ein akustischer und optischer Alarm für beide Seiten der Luftschleuse ausgelöst werden, falls mehr als eine Tür geöffnet wird oder falls Gas in der Schleuse auftritt.

2.7 Lüftungssysteme

2.7.1 Die Ventilatoren in gefährdeten Bereichen müssen vom Typ bescheinigte Sicherheit sein.

2.7.2 Die Elektromotoren für die Ventilatoren müssen dem erforderlichen Explosionsschutz an den jeweiligen Stellen entsprechen.

2.7.3 Jeglicher Verlust der erforderlichen Lüftungskapazität muss einen akustischen und optischen Alarm an einer dauerhaft besetzten Stelle (z.B. Steuerhaus) auslösen.

2.7.4 Jegliche für die Belüftung der gefährdeten Bereiche vorgesehenen Rohre müssen von denjenigen für die Belüftung der ungefährlichen Bereiche getrennt werden.

2.7.5 Die erforderlichen Belüftungssysteme bestehen aus mindestens zwei Ventilatoren mit unabhängiger Stromversorgung, jeder einzelne mit einer ausreichenden Kapazität, um eine Ansammlung von Gas zu vermeiden.

2.7.6 Luft für gefährliche Räume muss aus den ungefährlichen Bereichen entnommen werden.

2.7.7 Luft für ungefährliche Räume muss von ungefährlichen Bereichen mindestens 1,50 m von den Trennwänden der gefährdeten Bereiche entfernt entnommen werden.

2.7.8 Wenn das Einlasslüftungsrohr durch einen gefährlichen Raum durchgeführt wird, muss das Rohr relativ zu diesem Raum unter Überdruck stehen. Ein Überdruck ist nicht erforderlich, wenn gewährleistet ist, dass Gase nicht in das Rohr gelangen.

2.7.9 Luftauslässe aus gefährlichen Räumen müssen in Freiräume führen, die die gleiche oder niedrigere Gefahreneinstufung wie der belüftete Raum aufweisen.

2.7.10 Luftauslässe von ungefährlichen Räumen sind außerhalb von gefährdeten Bereichen anzubringen.

2.7.11 In geschlossenen Räumen müssen sich die Entlüftungsauslässe an der Decke dieser Räume befinden. Lufteinlässe sind am Boden vorzusehen.

2.8 LNG-Bunkersystem

2.8.1 Das LNG-Bunkersystem muss so ausgelegt sein, dass kein Gas während der Befüllung der LNG-Brennstofftanks in die Atmosphäre austreten kann.

2.8.2 Die Bunkerstation und alle für das Bunkern zu nutzenden Ventile müssen sich auf offenem Deck befinden, sodass für eine ausreichende natürliche Belüftung gesorgt ist.

2.8.3 Die Bunkerstation muss so positioniert sein, dass Schäden an der Gasleitung keine Schäden am LNG-Behältersystem des Fahrzeugs verursachen.

2.8.4 Geeignete Mittel zur Druckentlastung und Entfernung der Flüssigkeiten in den Pumpsaugleitungen und Bunkerleitungen müssen vorgesehen werden.

2.8.5 Die für das Bunkern von Flüssigerdgas (LNG) eingesetzten Schläuche müssen

  1. mit Flüssigerdgas (LNG) vereinbar und insbesondere für die LNG-Temperaturen geeignet sein;
  2. mindestens für einen Berstdruck ausgelegt sein, der dem fünffachen Höchstdruck entspricht, dem die Schläuche während des Bunkerns ausgesetzt sind.

2.8.6 Die Schlauchanschlussstation muss so ausgelegt sein, dass sie normalen mechanischen Beanspruchungen während des Bunkerns standhält. Die Anschlüsse müssen vom Typ der trockenen Bunkerleitungsnottrennung sein. Dies gilt als erfüllt, wenn die Europäische Norm DIN EN 1474:2009 oder eine gleichwertige Norm eingehalten wird. Die Anschlüsse müssen für die Sicherheit mit zusätzlichen trockenbrechenden Kupplungen ausgestattet sein.

2.8.7 Es muss möglich sein, das Hauptventil zum LNG-Bunkern während der Bunkervorgänge von einer sicheren Bedienungsstelle auf dem Fahrzeug aus zu bedienen.

2.8.8 Bunkerleitungen müssen inertisiert und entgast werden können.

2.9 Befüllgrenze für LNG-Brennstofftanks

2.9.1 Die Befüllung des LNG-Brennstofftanks darf die Befüllgrenze von 95 % bei der Referenztemperatur nicht überschreiten. Die Referenztemperatur entspricht der Temperatur, die mit dem Dampfdruck des Brennstoffes bei dem Öffnungsdruck der Überdruckventile korrespondiert.

2.9.2 Eine Füllkurve für die jeweiligen Temperaturen der LNG-Befüllung ist mit folgender Formel zu berechnen:

LL = FL ⋅ ρR/ ρL

In dieser Formel bedeuten:

LL = "loading limit", maximal zulässige Füllmenge des flüssigen Volumens, abhängig vom Volumen des LNG-Brennstofftanks, bis zu dem der Tank befüllt werden kann, in Prozent ausgedrückt,
FL = "filling limit", Befüllgrenze in Prozent, hier 95 %,
ρR = relative Dichte des Brennstoffes bei der Referenztemperatur, und
ρL = relative Dichte des Brennstoffes bei der Befüllungstemperatur.

2.9.3 Bei Fahrzeugen, die aufgrund betrieblicher Vorgänge signifikanten Wellenhöhen oder signifikanten Bewegungen ausgesetzt sind, muss die Füllkurve auf der Grundlage der Risikobewertung nach Nummer 1.3 dementsprechend angepasst werden.

2.10 Gasversorgungssystem

2.10.1 Das Gasversorgungssystem muss so konzipiert sein, dass die Folgen einer möglichen Freisetzung von Gas auf ein Mindestmaß reduziert werden und ein sicherer Zugang für den Betrieb und die Inspektion möglich ist.

2.10.2 Die Teile des Gasversorgungssystems, die sich außerhalb des Maschinenraums befinden, müssen so ausgelegt sein, dass ein Ausfall einer Barriere nicht zu einer Leckage aus dem System in die Umgebung führt und dort eine unmittelbare Gefahr für Personen an Bord, die Umwelt oder das Fahrzeug verursacht.

2.10.3 Einlässe und Auslässe für LNG-Brennstofftanks sind möglichst nahe am Tank mit Ventilen zu versehen.

2.10.4 Das Gasversorgungssystem für jeden Motor oder Motorsatz ist mit einem Hauptgasbrennstoffventil auszustatten. Die Ventile müssen so nah wie möglich am Gasaufbereitungssystem liegen, dürfen sich aber auf keinen Fall im Maschinenraum befinden.

2.10.5 Das Hauptgasbrennstoffventil muss

  1. von inner- und außerhalb des Maschinenraums,
  2. vom Steuerhaus aus

bedienbar sein.

2.10.6 Jede Gasverbrauchseinrichtung erhält einen Satz an Doppelabsperr- und Ablassventilen, um eine sichere Isolierung des Brennstoffzufuhrsystems zu gewährleisten. Die beiden Absperrventile gehören zum Typ der in Notsituationen schlagartig zu schließenden Ventile (failtoclose), wohingegen das Belüftungsventil schlagartig zu öffnen ist (failtoopen).

2.10.7 Bei Mehrmotorenanlagen, bei denen ein getrenntes Hauptgasbrennstoffventil für jeden einzelnen Motor vorgesehen ist, und bei den einmotorigen Anlagen können die Hauptgasbrennstoffventile und die Doppelabsperr- und Ablassventile miteinander kombiniert werden. Ein Notabsperrventil der Doppelabsperr- und Ablassventile muss auch manuell zu bedienen sein.

2.11 Abgassystem und Abschaltung der Gasversorgung

2.11.1 Das Abgassystem ist so auszulegen, dass die Ansammlung von unverbranntem gasförmigem Brennstoff so gering wie möglich gehalten wird.

2.11.2 Motorkomponenten oder -systeme, die ein entzündliches Gas- und Luftgemisch enthalten können, müssen mit geeigneten Überdruckventilen versehen sein, es sei denn, sie sind hinsichtlich ihrer Festigkeit so ausgelegt, dass sie dem Überdruck aufgrund von entzündeten Gasaustritten im Worst-Case-Szenario widerstehen können.

2.11.3 Wenn die Gasversorgung vor dem Stoppen nicht auf Diesel umgestellt wird, müssen das Gasversorgungssystem bis hin zum Hauptgasbrennstoffventil und das Abgassystem gereinigt werden, damit das noch vorhandene Restgas entweichen kann.

2.11.4 Einrichtungen für die Überwachung und Feststellung eines nicht ordnungsgemäßen Betriebes der Zündanlage, einer mangelhaften Verbrennung oder von Zündaussetzern, die dazu führen können, dass unverbrannter gasförmiger Brennstoff während des Betriebes in das Abgassystem gelangt, müssen vorhanden sein.

2.11.5 Wenn ein nicht ordnungsgemäßer Betrieb der Zündanlage, mangelhafte Verbrennung oder Zündaussetzer festgestellt werden, muss das Gasversorgungssystem automatisch abgeschaltet werden.

2.11.6 Die Abgasrohre der gasbetriebenen Motoren oder Zweikraftstoffmotoren dürfen nicht mit den Abgasleitungen anderer Motoren oder Systeme verbunden werden.

2.11.7 Im Falle eines normalen Abstoppens oder einer Notabschaltung (ESD) darf das Gasversorgungssystem nicht nach der Zündquelle ausgeschaltet werden. Es darf nicht möglich sein, die Zündquelle auszuschalten, ohne zuerst oder gleichzeitig die Gaszufuhr für jeden Zylinder oder für den gesamten Motor zu schließen.

2.11.8 Bei einer Abschaltung des Gasversorgungssystems bei Zweikraftstoffmotoren muss der Motor in der Lage sein, ohne Unterbrechung auf den Dieselbetrieb umzustellen.

Kapitel 3
Brandschutz

3.1 Allgemeines

3.1.1 Die je nach Gefahrensituation erforderlichen Brandmeldeanlagen, Brandschutzmaßnahmen und Feuerlöscheinrichtungen sind vorzusehen.

3.1.2 Für den Brandschutz wird das Gasaufbereitungssystem als Maschinenraum betrachtet.

3.2 Feuermeldesystem

3.2.1 Ein geeignetes, fest installiertes Feuermeldesystem muss in allen Räumen des LNG-Systems vorhanden sein, in denen Feuer nicht ausgeschlossen werden kann.

3.2.2 Der alleinige Einsatz von Rauchmeldern ist nicht ausreichend für eine frühzeitige Branderkennung.

3.2.3 Das Feuermeldesystem muss in der Lage sein, jeden Melder einzeln zu identifizieren.

3.2.4 Das Gassicherheitssystem muss die entsprechenden Teile der Gasversorgung nach Brandmeldung in Räumen, die Gasanlagen beherbergen, automatisch abschalten.

3.3 Brandschutz

3.3.1 Wohnungen, Fahrgastbereiche, Maschinenräume und Fluchtwege mit einem Abstand von weniger als 3,00 m zu LNG-Brennstofftanks und Bunkerstationen an Deck müssen mit Trennwänden von Typ A60 geschützt sein.

3.3.2 Die Trennwände von Räumen mit LNG-Brennstofftanks und die Rohre der Belüftung zu diesen Räumen unter dem Schottendeck müssen dem Typ A60 entsprechen. Wenn es sich jedoch um Räume handelt, die an Tanks, Hohlräume, Hilfsmaschinenräume mit geringem oder nicht vorhandenem Brandrisiko angrenzen oder neben Sanitärräumen oder ähnlichen Bereichen liegen, kann die Isolierung auf den Typ A0 reduziert werden.

3.4 Brandverhütung und Kühlung

3.4.1 Eine Sprühanlage muss zur Kühlung und zur Brandverhütung installiert werden, um die exponierten Teile von LNG-Brennstofftanks auf offenem Deck zu schützen.

3.4.2 Wenn die Sprühanlage Teil der Feuerlöschanlage nach § 10.03a oder § 10.03b ist, muss die Kapazität der Feuerlöschpumpe und der Arbeitsdruck für den gleichzeitigen Betrieb sowohl der geforderten Zahl an Hydranten und Schläuchen als auch für die Wassersprühanlage ausreichen. Die Verbindung zwischen der Wassersprühanlage und der in § 10.03a und § 10.03b genannten Feuerlöschanlage ist mittels eines gegen unbeabsichtigtes Öffnen gesicherten, absperrbaren Rückschlagventils vorzusehen.

3.4.3 Wenn Feuerlöschanlagen nach § 10.03a oder § 10.03b an Bord eines Fahrzeugs, bei dem sich der LNG-Brennstofftank auf dem offenen Deck befindet, eingebaut sind, müssen Absperrhähne in den Feuerlöschanlagen eingebaut werden, um beschädigte Abschnitte der Feuerlöschanlagen absperren zu können. Die Absperrung eines Abschnitts der Feuerlöschanlagen darf nicht den dahinter liegenden Abschnitt vom Wasser abschneiden.

3.4.4 Die Sprühanlage muss auch Trennwände der Aufbauten abdecken, es sei denn, der Tank ist 3,00 m oder mehr von den Trennwänden entfernt.

3.4.5 Die Sprühanlage muss für alle oben aufgeführten Bereiche ausgelegt sein, mit einer Rate von 10 l/min/m2 für horizontale Oberflächen und 4 l/min/m2 für vertikale Oberflächen.

3.4.6 Es muss möglich sein, die Sprühanlage vom Steuerhaus und von Deck aus in Betrieb zu setzen.

3.4.7 Die Düsen müssen so ausgelegt sein, dass sie eine effektive Wasserverteilung in dem gesamten zu schützenden Bereich gewährleisten.

3.5 Feuerlöscher

Zusätzlich zu den Anforderungen nach § 10.03 müssen zwei zusätzliche tragbare Trockenpulver-Feuerlöscher mit einem Mindestfassungsvermögen von 12 kg in der Nähe der Bunkerstation vorhanden sein. Sie müssen für die Brandklasse C geeignet sein.

Kapitel 4
Elektrische Systeme

4.1 Betriebsmittel in gefährdeten Bereichen müssen einem Typ, der in diesen Zonen verwendet wird, entsprechen.

4.2 Stromerzeugungs- und Verteilsysteme sowie die dazugehörenden Kontrollsysteme sind so auszulegen, dass ein einzelner Ausfall nicht zur Freisetzung von Gas führt.

4.3 Das Beleuchtungssystem in gefährdeten Bereichen wird mit mindestens zwei Unterverteilern installiert. Alle Schalter und Schutzeinrichtungen müssen alle Pole und Phasen unterbrechen und in ungefährlichen Bereichen eingebaut sein.

4.4 Tauchpumpenmotoren und deren Versorgungskabel können in die LNG-Behältersysteme eingebaut werden. Es müssen Vorkehrungen getroffen werden, um bei niedrigen Füllständen gewarnt zu werden und die Motoren in einem derartigen Fall automatisch abzuschalten. Die automatische Notabschaltung kann durch Sensoren bei niedrigem Pumpenenddruck, niedrigem Motorstrom oder niedrigen Füllständen ausgelöst werden. Diese Notabschaltung muss einen akustischen und optischen Alarm im Steuerhaus auslösen. Gasbetriebene Pumpenmotoren müssen während des Entgasens von der Stromversorgung getrennt werden können.

Kapitel 5
Kontroll-, Überwachungs- und Sicherheitssysteme

5.1 Allgemeines

5.1.1 Geeignete Kontroll-, Alarm-, Überwachungs- und Notfallabschaltsysteme müssen vorhanden sein, um einen sicheren und verlässlichen Betrieb zu gewährleisten.

5.1.2 Das Gasversorgungssystem ist mit einem eigenen Satz unabhängiger Gaskontroll-, Gasüberwachungs- und Gassicherheitssysteme zu versehen. Bei sämtlichen Elementen dieser Systeme muss die Möglichkeit bestehen, eine Prüfung der Funktionsfähigkeit vorzunehmen.

5.1.3 Das Gassicherheitssystem muss das Gasversorgungssystem bei Ausfällen in den für die Sicherheit wichtigen Systemen und bei für ein manuelles Eingreifen zu schnell auftretenden Störungen automatisch abschalten.

5.1.4 Die Sicherheitsfunktionen müssen in einem eigenen, von dem Gaskontrollsystem unabhängigen Gassicherheitssystem vorgesehen werden.

5.1.5 Wo dies für einen sicheren Betrieb des gesamten LNG-Systems einschließlich des Bunkerns notwendig ist, müssen bei den Instrumenten die wesentlichen Parameter lokal und durch eine Fernabfrage abgelesen werden können.

5.2 Überwachung des LNG-Bunkersystems und des LNG-Behältersystems

5.2.1 Jeder LNG-Brennstofftank muss ausgestattet sein mit

  1. mindestens zwei Füllstandsanzeigern, die so vorzusehen sind, dass sie in einem betriebsbereiten Zustand gehalten werden können,
  2. einer Druckanzeige, die über den gesamten Bereich des Betriebsdrucks anzeigen können muss und bei der der maximale Arbeitsdruck des LNG-Brennstofftanks klar gekennzeichnet ist,
  3. einem Alarm für hohe Füllstände, der unabhängig von anderen Füllstandsanzeigern arbeitet und bei Aktivierung einen akustischen und optischen Alarm auslöst,
  4. einem zusätzlichen Sensor, der unabhängig von dem Alarm für hohe Füllstände arbeitet und automatisch das Hauptventil zum LNG-Bunkern betätigt, das einerseits einen übermäßigen Flüssigkeitsdruck in der Bunkerleitung vermeidet und andererseits die Überfüllung des Tanks verhindert.

5.2.2 Jede Pumpendruckleitung und jeder Landanschluss für Flüssigkeiten und Gasdampf muss mindestens mit einer lokalen Druckanzeige ausgestattet sein. Die Anzeige in der Pumpendruckleitung muss zwischen der Pumpe und dem ersten Ventil angebracht werden. Der zulässige Höchstdruck oder Vakuumwert muss auf jeder Anzeige angegeben werden.

5.2.3 Es muss ein Hochdruckalarm am LNG-Behältersystem und an der Pumpe vorhanden sein. Falls ein Vakuumschutz erforderlich ist, muss ein Niederdruckalarm vorhanden sein.

5.2.4 Das Bunkern muss von einer sicheren und entfernt von der Bunkerstation liegenden Bedienungsstelle aus kontrolliert werden können. An dieser Bedienungsstelle werden der Druck und der Füllstand im LNG-Brennstofftank überwacht. An dieser Bedienungsstelle sind der Überfüllalarm, der Hoch- und Niederdruckalarm sowie die automatische Abschaltung anzuzeigen.

5.2.5 Wenn die Belüftung in den Rohren für die Bunkerleitungen stoppt, muss an der Bedienungsstelle ein akustischer und optischer Alarm ausgelöst werden.

5.2.6 Wenn in den Rohren für die Bunkerleitungen ausgetretenes Gas festgestellt wird, muss an der Bedienungsstelle ein akustischer und optischer Alarm und eine Notabschaltung ausgelöst werden.

5.2.7 An Bord muss geeignete und ausreichend Schutzkleidung und -ausrüstung für die Bunkervorgänge nach dem Betriebshandbuch vorhanden sein.

5.3 Überwachung des Motorbetriebs

Im Steuerhaus und im Maschinenraum müssen Anzeigen installiert werden für

  1. den Betrieb des Motors bei ausschließlich gasbetriebenem Motor oder
  2. den Betrieb und Betriebsmodus des Motors bei Zweikraftstoffmotoren.

5.4 Gaswarneinrichtungen

5.4.1 Gaswarnanlagen sind in Übereinstimmung mit einer anerkannten Norm wie beispielsweise der Europäischen Norm DIN EN 60079-29-1:2008 auszulegen, zu installieren und zu testen.

5.4.2 Dauerhaft installierte Gasdetektoren müssen eingebaut werden in:

  1. Tankanschlussbereichen, einschließlich Brennstofftanks, Leitungsverbindungen und ersten Ventilen,
  2. Rohren um Gasleitungen,
  3. Maschinenräumen mit Gasleitungen, Gasbetriebsmitteln oder Gasverbrauchseinrichtungen,
  4. dem Raum mit dem Gasaufbereitungssystem,
  5. anderen geschlossenen Räumen, die Gasleitungen oder andere Gasbetriebsmittel ohne Rohre enthalten,
  6. anderen geschlossenen oder halboffenen Räumen, in denen sich Gasdämpfe ansammeln können, einschließlich in den Räumen zwischen den Barrieren und den Tankräumen der unabhängigen LNG-Brennstofftanks, die nicht unter Typ C fallen,
  7. Luftschleusen und
  8. Belüftungseinlässen zu den Räumen, in denen sich Gasdämpfe ansammeln können.

5.4.3 Abweichend von Nummer 5.4.2 können dauerhaft installierte Sensoren, die Gas aufgrund eines Druckunterschieds aufspüren, in Räumen zwischen den Barrieren von doppelwandigen Leitungen verwendet werden.

5.4.4 Die Zahl und Redundanz der Gasdetektoren in jedem Raum muss nach Größe, Struktur und Belüftung des Raumes entschieden werden.

5.4.5 Dauerhaft installierte Gasdetektoren müssen dort installiert werden, wo sich Gas ansammeln kann, und in den Lüftungsauslässen dieser Räume.

5.4.6 Ein akustischer und optischer Alarm wird ausgelöst, wenn die Gaskonzentration auf 20 % der unteren Explosionsgrenze angestiegen ist. Das Gassicherheitssystem wird aktiviert, wenn die Gaskonzentration auf 40 % der unteren Explosionsgrenze angestiegen ist.

5.4.7 Akustische und optische Alarme der Gaswarnanlage müssen im Steuerhaus ausgelöst werden.

5.5 Sicherheitsfunktionen des Gasversorgungssystems

5.5.1 Wenn das Gasversorgungssystem aufgrund der Aktivierung eines automatischen Ventils abgeschaltet wird, darf es erst wieder geöffnet werden, wenn der Grund für die Abschaltung ermittelt wurde und die notwendigen Maßnahmen ergriffen worden sind. Die diesbezüglich geltenden Anweisungen müssen an der Bedienungsstelle für die Absperrventile in den Gaszuleitungen gut sichtbar angebracht werden.

5.5.2 Wenn das Gasversorgungssystem aufgrund einer Gasleckage abgeschaltet wurde, darf es erst wieder geöffnet werden, wenn das Leck ermittelt wurde und die notwendigen Maßnahmen ergriffen worden sind. Die diesbezüglich geltenden Anweisungen müssen im Maschinenraum gut sichtbar angebracht werden.

5.5.3 Das Gasversorgungssystem muss mittels einer Handabschaltung von den folgenden Orten (sofern vorhanden) aus ferngesteuert werden können:

  1. Steuerhaus,
  2. Bedienungsstelle der Bunkerstation,
  3. jede ständig besetzte Stelle.

Anmerkungen zur Bestimmung des Biochemischen Sauerstoffbedarfs nach 5 Tagen (BSB5) in 24h-Mischproben

Die DIN EN 1899-1 und 1899-2:1998-05 14 schreibt vor, dass zur Bestimmung des Biochemischen Sauerstoffbedarfs nach 5 Tagen die Wasserproben unmittelbar nach der Probenahme in einer randvoll gefüllten, dicht verschlossenen Flasche bei einer Temperatur von 0 bis 4° C bis zur Durchführung der Analyse aufzubewahren sind. Die BSB5-Bestimmung ist sobald wie möglich oder innerhalb von 24 Stunden nach Beendigung der Probenahme zu beginnen.

Um ein Einsetzen von biochemischen Abbauprozessen in der 24-h-Mischprobe zu verhindern, wird in der Praxis während der Probenahmezeit die Wasserprobe auf maximal 4° C herunter gekühlt und bis zur Beendigung der Probenahme bei dieser Temperatur aufbewahrt.

Entsprechende Probenahmegeräte sind auf dem Markt verfügbar.

1) amtlicher Hinweis: diese Norm entspricht der harmonisierten Norm EN ISO 9001:2008
2) Nummer des Beschreibungsbogens von der zuständigen Behörde zu vergeben.
3) Betriebsphasen
Für die Prüfung werden folgende Betriebsphasen definiert:

  1. Stand-by-Betrieb: Um einen Stand-by-Betrieb handelt es sich, wenn die Bordkläranlage selbst in Betrieb ist, jedoch mehr als 1 Tag nicht mit Abwasser beschickt wird. Ein Stand-by-Betrieb einer Bordkläranlage kann z.B. auftreten, wenn das Fahrgastschiff für längere Zeit nicht betrieben wird und am Liegeplatz stillliegt.
  2. Notfallbetrieb: Um einen Notfallbetrieb handelt es sich, wenn einzelne Aggregate der Bordkläranlage ausgefallen sind, so dass das Abwasser nicht, wie vorgesehen, behandelt werden kann.
  3. Ausfahr-, Stillliege- und Wiedereinfahrbetrieb: Um einen Ausfahr-, Stillliege- oder Wiedereinfahrbetrieb handelt es sich, wenn die Bordkläranlage für einen längeren Zeitraum (Stillliegezeit im Winter) außer Betrieb genommen und die Stromversorgung unterbrochen wird, bzw. die Bordkläranlage zu Saisonbeginn erneut in Betrieb geht.

4) Nichtzutreffendes streichen.
5) Werden die Prüfungen von der zuständigen Behörde selbst durchgeführt, "entfällt" angeben.
6) Nichtzutreffendes streichen.
7) Im Fall mehrerer Prüfzyklen für jeden einzelnen anzugeben.
8) Entsprechend Typgenehmigungsbogen.
9) Zutreffendes eintragen.
10) Vom Prüfer ausfüllen.
11) Zutreffendes ankreuzen.
12) TOC wird ab Grenzwertstufe II der Tabelle in § 14a.02 Nummer 2 geprüft.
13) Der Parameter TOC wird ab Grenzwertstufe II der Tabelle 1 aus § 14a.02 Nummer 2 geprüft
14) Amtlicher Hinweis: Diese Norm entspricht der Europäischen Norm ISO 5815-1 und 5815-2:2003


ENDE Anhang II
weiter .

umwelt-online - Demo-Version


(Stand: 09.01.2020)

Alle vollständigen Texte in der aktuellen Fassung im Jahresabonnement
Nutzungsgebühr: ab 105.- € netto

(derzeit ca. 7200 Titel s.Übersicht - keine Unterteilung in Fachbereiche)

Preise & Bestellung

Die Zugangskennung wird kurzfristig übermittelt

? Fragen ?
Abonnentenzugang/Volltextversion