Für einen individuellen Ausdruck passen Sie bitte die
Einstellungen in der Druckvorschau Ihres Browsers an.
Regelwerk

TRbF 510 - Richtlinie/Bau- und Prüfgrundsätze für Überfüllsicherungen
Technische Regeln für brennbare Flüssigkeiten (TRbF)

Ausgabe Februar 1985
(BArbBl. 2/1985 S. 85; 3/1988 S. 59; 5/1989 S. 69aufgehoben)


als Technische Regel aufgehoben (BArbBl. 6/2002 S. 62) Beschaffenheitsanforderungen gelten bis Ablösung durch EU-Regelung weiter

Nachfolgeregelung

Geltungsbereich/Einführung

Der Sachverständigenausschuß "Sicherheitseinrichtungen für Behälter und Rohrleitungen" des Instituts für Bautechnik (IfBt) hat "Bau- und Prüfgrundsätze für Überfüllsicherungen" aufgestellt.

Diese Bau- und Prüfgrundsätze gelten für Überfüllsicherungen an Behältern zur Lagerung nichtbrennbarer wassergefährdender Flüssigkeiten im Geltungsbereich wasserrechtlicher Bestimmungen.

Die Bau- und Prüfgrundsätze sollen nach Beschluß des Deutschen Ausschusses für brennbare Flüssigkeiten (DAbF) auch im Geltungsbereich der Verordnung über brennbare Flüssigkeiten (VbF) (jetzt BetrSichV) für Überfüllsicherungen an Behältern zur Lagerung brennbarer Flüssigkeiten angewendet werden.

Überfüllsicherungen, die der nachstehenden Richtlinie/den Bau- und Prüfgrundsätzen entsprechen, erfüllen die Anforderungen von TRbF 120 Nr. 5.4 bzw. TRbF 220 Nr. 6.3 Abs. 3.

1 Bauartzulassung

(1) Überfüllsicherungen oder ihre Teile bedürfen der Bauartzulassung nach § 12 der VbF (jetzt BetrSichV). Die Bauartzulassung muß die Funktionssicherheit und, sofern die Überfüllsicherungen an Behältern zur Lagerung brennbarer Flüssigkeiten der Gefahrklasse a I, a II oder B eingesetzt werden sollen, den Explosionsschutz umfassen.

(2) Die Funktionssicherheit der Überfüllsicherung wird nach Nummer 5 begutachtet.

(3) Die Begutachtung des Explosionsschutzes erfolgt je nach Einsatz der Überfüllsicherung in explosionsgefährdeten Bereichen nach den dafür geltenden Bestimmungen.

2 Begriffsbestimmungen

2.1 Atmosphärische Bedingungen

Als atmosphärische Bedingungen gelten Gesamtdrücke von 0,8 bar bis 1,1 bar und Temperaturen von -20 °C bis +60 °C.

2.2 Überfüllsicherungen

(1) Überfüllsicherungen sind Einrichtungen, die rechtzeitig vor Erreichen des zulässigen Füllungsgrades (Berechnung der Ansprechhöhe für Überfüllsicherungen siehe Anhang 1) im Behälter den Füllvorgang unterbrechen oder akustischen und optischen Alarm auslösen.

(2) Unter dem Begriff Überfüllsicherungen sind alle zur Unterbrechung des Füllvorganges bzw. zur Auslösung des Alarms erforderlichen Anlageteile zusammengefaßt.

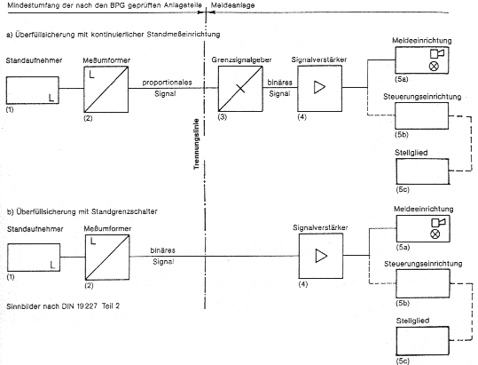
(3) Überfüllsicherungen können außer Teilen mit Bauartzulassung auch Teile ohne Bauartzulassung enthalten. Aus Bild 1 geht hervor, welche Teile stets eine Bauartzulassung haben müssen (Anlageteile links der Trennungslinie).

3 Allgemeine Baugrundsätze

3.1 Grundsätzliche Anforderungen an Überfüllsicherungen

(1) Überfüllsicherungen oder deren Anlageteile müssen funktions- und betriebssicher sein. Sie müssen bei Erreichen des zulässigen Füllungsgrades den Füllvorgang unterbrechen oder so rechtzeitig akustischen und optischen Alarm auslösen, daß Maßnahmen getroffen werden können, damit der zulässige Füllungsgrad nicht überschritten wird.

(2) Überfüllsicherungen und deren Anlageteile müssen unter atmosphärischen Bedingungen funktionieren. Überfüllsicherungen und Anlageteile. die ausschließlich in frostfreien Räumen betrieben werden, brauchen nur für Temperaturen von ± 0 °C bis + 40 °C funktionssicher zu sein.

(3) Die Funktionssicherheit muß bei der jeweiligen Konsistenz des Füll- bzw. Lagergutes gegeben sein.

(4) Anlageteile, die in explosionsgefährdeten Bereichen errichtet werden sollen, müssen explosionsgeschützt sein.

(5) Anlageteile. die unter anderen als atmosphärischen Bedingungen betrieben werden sollen, müssen außerdem für die anderen Bedingungen geeignet sein.

(6) Anzeige- oder Fernübertragungseinrichtungen, die nicht zur Erzeugung des Überfüllsignales dienen, müssen rückwirkungsfrei sein.

(7) Signale von Meldeeinrichtungen von Überfüllsicherungen müssen eindeutig von anderen Informationen über den Füllstand zu unterscheiden sein.

(8) Nach dem ordnungsgemäßen Einbau sind die Einstellwerte festzulegen und die Überfüllsicherungen dementsprechend zu kennzeichnen.

3.2 Aufbau von Überfullsicherungen (siehe Bild 1)

(1) Der Standaufnehmer (1) erfaßt die Standhöhe.

(2) Die Standhöhe wird bei einer kontinuierlichen Standmeßeinrichtung im zugehörigen Meßumformer (2) in ein der Standhöhe proportionales Ausgangssignal umgeformt, z.B. in ein genormtes Einheitssignal (pneumatisch 0,2-1 bar oder elektrisch 0-20 ma bzw. 4-20 mA). Das proportionale Ausgangssignal wird einem Grenzsignalgeber (3) zugeführt, der das Signal mit einstellbaren Grenzwerten vergleicht und binäre Ausgangssignale liefert.

(3) Die Standhöhe wird bei Standgrenzschaltern im Standaufnehmer (1) oder im zugehörigen Meßumformer (2) in ein binäres Ausgangssignal umgeformt.

(4) Binäre Ausgänge können z.B. pneumatische Kontakte oder elektrische Kontakte (Schalter, elektronische Schaltkreise, Initiatorstromkreise) sein.

(5) Das binäre Ausgangssignal wird direkt oder über einen Signalverstärker (4) der Meldeeinrichtung (5a) oder der Steuerungseinrichtung (5b) mit Stellglied (5c) zugeführt.

Bild 1 Schema für den Aufbau von Überfüllsicherungen

3.3 Werkstoffe für Überfüllsicherungen

Die Werkstoffe müssen den zu erwartenden mechanischen, thermischen und chemischen Beanspruchungen standhalten und im erforderlichen Maße alterungsbeständig sein.

3.4 Elektrische Einrichtungen

(1) Die elektrischen Einrichtungen müssen den VDE-Bestimmungen entsprechen.

(2) Die elektrischen Einrichtungen müssen den am Einbauort zu erwartenden klimatischen, chemischen und mechanischen Beanspruchungen genügen.

3.5 Pneumatische Einrichtungen

Die pneumatischen Einrichtungen müssen so beschaffen sein, daß sie für eine Steuerluftqualität mit einem Überdruck von 14 bar ± 0,1 bar und Verunreinigungen mit Partikelgrößen von max. 100 µm geeignet sind.

4 Besondere Baugrundsätze

(1) Die Betriebsbereitschaft einer Überfüllsicherung, die mit elektrischer oder pneumatischer Hilfsenergie betrieben wird, muß optisch, z.B. durch einen Leuchtmelder, angezeigt werden.

(2) Elektrische Leuchtmelder müssen aus einem Winkel von 45° zur Senkrechten auf die Vorderseite des Meldegerätes noch deutlich erkennbar sein. Die Kennfarbe des Leuchtmelders muß DIN-IEC 73/VDE 0199 entsprechen.

(3) Der Schallpegel des akustischen Alarms muß in 1 m Entfernung mindestens 70 dB(A) betragen.

(4) Der akustische Alarmgeber muß für Dauerbetrieb geeignet und bei Alarm abschaltbar sein.

(5) Die optische Anzeige des Alarmzustandes muß auch nach Abschalten des akustischen Alarms bis zum Unterschreiten der Alarmgrenze bestehen bleiben.

(6) Überfüllsicherungen müssen bei Ausfall der Hilfsenergie (Über- bzw. Unterschreiten der Grenzwerte) oder bei Unterbrechung der Verbindungsleitungen zwischen den Anlageteilen diese Störung melden oder den Höchstfüllstand anzeigen.

(7) Druckbeanspruchte Anlageteile, durch deren Versagen die Funktionsfähigkeit der Überfüllsicherung beeinträchtigt werden kann, wie z.B. Schwimmer und Verdrängerkörper, müssen den Anforderungen der AD-Merkblätter genügen. Diese Anlageteile müssen für einen Druck ausgelegt sein, der dem 1,5fachen des vorgesehenen Betriebsüberdruckes entspricht. Schwimmer und Verdränger sollen jedoch mindestens einem äußeren Prüfüberdruck von 2 bar standhalten.

(8) Die Wanddicke von Schwimmern und Verdrängern soll mindestens 1 mm betragen. Sofern nicht durch zusätzliche oder andere Maßnahmen gleichwertige Sicherheit gegen Überfüllen gegeben ist, kann auch durch ein Gutachten einer Prüfstelle die Korrosionsbeständigkeit des Werkstoffes gegenüber den Lagergütern nachgewiesen werden.

(9) Mechanische Übertragungen durch Elemente zwischen Meßfühler und dem Anzeige- bzw. Schaltteil müssen sicher und der geringen Stellkräfte wegen reibungsarm erfolgen.

(10) Magnetische Kupplungen und Übertragungselemente sollen so ausgelegt sein, daß sie die bei normalem Betrieb auftretenden Kräfte sicher aufnehmen und übertragen können, ohne zu entkuppeln oder zu überspringen.

(11) Durch konstruktive Maßnahmen ist dafür zu sorgen, daß durch Temperatureinflüsse unter den in Nummer 3.1 Abs. 2 genannten Einsatzbedingungen keine Beeinträchtigung der Funktionssicherheit als Überfüllsicherung eintritt, z.B. durch Verschieben des Schaltwertes.

(12) Schwimmer oder Verdränger (Tauchkörper) müssen geführt sein, oder es muß nachgewiesen sein, daß eine Störung oder Fehlmeldung durch Bewegung des Lagermediums ausgeschlossen ist. Die Führung muß ein Verklemmen auch bei seitlicher Anströmung des Tauchkörpers ausschließen. Ist der Tauchkörper von einer Führungseinrichtung umgeben, soll zwischen Tauchkörper und der Führungseinrichtung ein allseitiges Spiel von mindestens 3 mm (Durchmesserunterschied ≥ 6 mm) vorhanden sein.

(13) Meßumformer sind so herzustellen, daß sie gegen unbeabsichtigte Verstellung geschützt sind.

5 Prüfgrundsätze

(1) Es ist zu prüfen, ob die Bedingungen von Nummer 3 und 4 erfüllt sind.

(2) Schalter, Unterbrecher, Anzeigeeinrichtungen und ähnliche Einrichtungen sind durch eine Funktionsprüfung mit 5000 Schaltspielen bei Raumtemperatur zu prüfen.

(3) Es sind die Abweichungen von den Schaltwerten für den Temperaturbereich von -25 °C und + 70 °C zu prüfen. Abweichungen sind nur in dem Maße zulässig, wie die Funktionssicherheit der Überfüllsicherung nicht beeinträchtigt wird.

(4) Weitere Prüfungen zur Funktionssicherheit ergeben sich aus der jeweiligen Bauart einer Überfüllsicherung und werden vom Gutachter im Einzelfall festgelegt.

6 Kennzeichnung

(1) Überfüllsicherungen bzw. ihre bauartzulassungspflichtigen/ prüfzeichenpflichtigen Anlageteile sind dauerhaft und in geeigneter Weise zu kennzeichnen.

(2) Die Kennzeichnung muß mindestens enthalten:

7 Überwachung der Herstellung von Überfüllsicherungen

7.1 Allgemeines

(1) Die ordnungsgemäße Herstellung von Überfüllsicherungen oder deren Teile ist zu überwachen.

(2) Die Überwachung besteht aus einer Fertigungsprüfung (Eigenüberwachung) und richtet sich sinngemäß nach der DIN 18200 (z.Z. noch Vornorm).

7.2 Durchführung der Fertigungsprüfung/Eigenüberwachung

(1) Die Fertigungsprüfung erfolgt durch Stückprüfung jeder Überfüllsicherung und deren Anlageteile.

(2) Durch die Stückprüfung hat der Hersteller zu gewährleisten, daß die Werkstoffe, Maße und Passungen sowie die Bauart dem geprüften Baumuster entsprechen und die Überfüllsicherung oder deren Anlageteile funktionssicher sind.

(3) Die Ergebnisse der Fertigungsprüfung sind aufzuzeichnen und auszuwerten. Die Aufzeichnungen sind mindestens 5 Jahre aufzubewahren.

7.3 Mängelbeseitigung

(1) Bei ungenügendem Prüfergebnis sind vom Hersteller unverzüglich die erforderlichen Maßnahmen zur Abstellung der Mängel zu treffen.

(2) Erzeugnisse, die den Anforderungen nicht entsprechen, sind auszusondern.

(3) Nach Abstellung der Mängel sind, soweit technisch möglich und zum Nachweis der Mängelbeseitigung erforderlich, die betreffenden Prüfungen unverzüglich zu wiederholen.

.

Einstellhinweise für Überfullsicherungen von Behältern Anhang 1
zu TRbF 510

1 Allgemeines

Um die Überfüllsicherung richtig einstellen zu können, sind folgende Voraussetzungen erforderlich:

2 Ermittlung der Nachlaufmenge nach Ansprechen der Überfüllsicherung

2.1 Maximaler Volumenstrom der Förderpumpe

Der maximale Volumenstrom kann entweder durch Messungen (Umpumpen einer definierten Flüssigkeitsmenge) ermittelt wer. den oder ist der Pumpenkennlinie zu entnehmen. Bei Behältern nach DIN 4119 ist der zulässige Volumenstrom auf dem Behälterschild angegeben.

2.2 Schalt- und Schließverzögerungszeiten

(1) Sofern die Anprech-, Schalt- und Laufzeiten der einzelnen Bauteile nicht aus den zugehörigen Datenblättern bekannt sind, müssen sie gemessen werden.

(2) Sind zur Unterbrechung des Füllvorganges Armaturen von Hand zu betätigen, ist die Zeit zwischen dem Ansprechen der Überfüllsicherung und der Unterbrechung des Füllvorgangs entsprechend den örtlichen Verhältnissen abzuschätzen.

2.3 Berechnung der Nachlaufmenge

Die Addition der nach Nummer 2.2 ermittelten Zeiten ergibt die Gesamtverzögerungszeit. Die Multiplikation der Gesamtverzögerungszeit mit dem nach Nummer 2.1 ermittelten Volumenstrom und Addition des Fassungsvermögens der Rohrleitungen, die nach Ansprechen der Überfüllsicherung ggf. mit entleert werden sollen, ergibt die Nachlaufmenge.

3 Festlegung der Ansprechhöhe für die Überfüllsicherung

Von dem Flüssigkeitsvolumen, das dem zulässigen Füllungsgrad entspricht, wird die nach Nummer 2 ermittelte Nachlaufmenge subtrahiert. Aus der Differenz wird unter Zuhilfenahme der Peiltabelle die Ansprechhöhe ermittelt. Liegt keine Peiltabelle vor und läßt sich die Ansprechhöhe nicht rechnerisch ermitteln, ist sie durch Auslitern des Behälters zu ermitteln.

Berechnung der Ansprechhöhe für Überfüllsicherungen

Betriebsort:

Behälter-Nr.: . Inhalt: - (m3)
Überfüllsicherung: Hersteller/Typ:

Prüfzeichen/Zulassungskennzeichen:

1 max. Volumenstrom (Qmax): (m3/h)
2 Schalt- und Schließverzögerungszeiten  
2.1 Standaufnehmer lt. Messung/Datenblatt (s)
2.2 Schalter/Relais/u.ä.: (s)
2.3 Förderpumpe, Auslaufzeit: (s)
2.4 Absperrarmatur  
  mechanisch, handbetätigt  
  Zeit Alarm/bis Schließbeginn: (s)
  Schließzeit: (s)
  elektrisch, pneumatisch oder hydraulisch betrieben  
  Schließzeit:  
  Gesamtzeit (tges>: (s)
3 Nachlaufmenge (Vges)  

Nachlaufmenge aus Verzögerungszeiten:

V1 = Qmax ⋅ tges/3600 (m3)

Nachlaufmenge aus Rohrleitungen:

V2 = π /4 ⋅ d2 ⋅ L = (m3)

Vges = V1 + V2 = (m3)

4 Ansprechhöhe

Menge bei zulässigem Füllungsgrad (V3) : (m3)
Nachlaufmenge (V4: (m3)
Menge bei Ansprechhöhe (Differenz aus V3 und V4) - (m3)

Aus der Differenz ergibt sich folgende Ansprechhöhe:

Peilhöhe: (mm)
bzw. Luftpeilhöhe: (mm)

bzw. Anzeige Inhaltsanzeiger: (mm bzw. m3)

.

  Einbau- und Betriebsrichtlinie für Überfüllsicherungen Anhang 2
zu TRbF 510

1 Geltungsbereich

Die Einbau- und Betriebsrichtlinie gilt für das Errichten und Betreiben von Überfüllsicherungen, die aus mehreren Anlageteilen zusammengesetzt werden.

2 Begriffe

(1) Überfüllsicherungen sind Einrichtungen, die rechtzeitig vor Erreichen des zulässigen Füllungsgrades im Behälter den Füllvorgang unterbrechen oder akustischen und optischen Alarm auslösen.

(2) Unter dem Begriff Überfüllsicherungen sind alle zur Unterbrechung des Füllvorgangs bzw. zur Auslösung des Alarms erforderlichen Anlageteile zusammengefaßt.

(3) Überfüllsicherungen können außer Teilen mit Bauartzulassung auch Teile ohne Bauartzulassung enthalten. Aus Bild 1 geht hervor, welche Teile stets eine Bauartzulassung haben müssen (Anlageteile links der Trennungslinie).

(4) Als atmosphärische Bedingungen gelten hier Gesamtdrücke von 0,8 bar bis 1,1 bar und Temperaturen von -20 °C bis +60 °C.

3 Aufbau von Überfüllsicherungen (siehe Bild 1 der Richtlinie 1 Bau- und Prüfgrundsätze für Überfüllsicherungen)

(1) Der Standaufnehmer (1) erfaßt die Standhöhe.

(2) Die Standhöhe wird bei einer kontinuierlichen Standmeßeinrichtung im zugehörigen Meßumformer (2) in ein der Standhöhe proportionales Ausgangssignal umgeformt, z.B. in ein genormtes Einheitssignal (pneumatisch 0,2 bis 1 bar oder elektrisch 0 bis 20 ma bzw. 4 bis 20 mA). Das proportionale Ausgangssignal wird einem Grenzsignalgeber (3) zugeführt, der das Signal mit einstellbaren Grenzwerten vergleicht und binäre Ausgangssignale liefert.

(3) Die Standhöhe wird bei Standgrenzschaltern im Standaufnehmer (1) oder im zugehörigen Meßumformer (2) in ein binäres Ausgangssignal umgeformt.

(4) Binäre Ausgänge können z.B. pneumatische Kontakte oder elektrische Kontakte (Schalter, elektronische Schaltkreise, Initiatorstromkreise) sein.

(5) Das binäre Ausgangssignal wird direkt oder über einen Signalverstärker (4) der Meldeeinrichtung (5a) oder der Steuerungseinrichtung (5b) mit Stellglied (5c) zugeführt.

4 Anforderungen an Anlageteile ohne Prüfzeichen

Der Fachbetrieb oder Betreiber darf für Überfüllsicherungen nur solche Anlageteile ohne Prüfzeichen verwenden, die den Allgemeinen und Besonderen Baugrundsätzen der Bau- und Prüfgrundsätze für Überfüllsicherungen entsprechen.

5 Einbau und Betrieb

5.1 Fehlerüberwachung

5.11 (1) Überfüllsicherungen müssen bei Ausfall der Hilfsenergie (Über- bzw. Unterschreiten der Grenzwerte) oder bei Unterbrechung der Verbindungsleitungen zwischen den Anlageteilen diese Störung melden oder den Höchstfüllstand anzeigen.

(2) Dies kann bei Überfüllsicherungen nach Bild 1 der Richtlinie/ Bau- und Prüfgrundsätze für Überfüllsicherungen durch Maßnahmen nach Nummer 5.12 bis 5.14 erreicht werden, womit auch gleichzeitig die Überwachung der Betriebsbereitschaft gegeben ist.

5.12 (1) Überfüllsicherungen mit kontinuierlicher Standmeßeinrichtung müssen mit einer Meldung (unterhalb des betriebsmäßigen Tiefstandes) ausgestattet werden, falls nicht der Meßumformer (2) und der Grenzsignalgeber (3) durch geeignete Maßnahmen zur Fehlerüberwachung diese Fehler melden.

(2) Die nachgeschalteten Anlageteile (4), (5a) und (5b) sind in der Regel nach dem Ruhestromprinzip abzusichern.

5.13 (1) Überfüllsicherungen mit Standgrenzschalter sind in der Regel im Ruhestromprinzip oder mit anderen geeigneten Maßnahmen zur Fehlerüberwachung abzusichern.

(2) Überfüllsicherungen mit Standgrenzschalter, deren binärer Ausgang ein Initiatorstromkreis mit genormter Schnittstelle ist, sind an einen Schaltverstärker gemäß DIN 19234 anzuschließen. Die Wirkungsrichtung des Schaltverstärkers ist so zu wählen, daß sein Ausgangssignal sowohl bei Hilfsenergieausfall als auch bei Leitungsbruch im Steuerstromkreis denselben Zustand annimmt wie bei Erreichen des Höchstfüllstandes.

5.14 Stromkreise für Hupen und Lampen, die nicht nach dem Ruhestromprinzip geschaltet werden können, müssen hinsichtlich ihrer Funktionsfähigkeit leicht überprüfbar sein.

5.2 Steuerluft

Die als Hilfsenergie erforderliche Steuerluft muß den Anforderungen für Instrumentenluft genügen und einen Überdruck von 1,4 bar ±0,1 bar haben. Verunreinigungen in der Druckluft dürfen eine Partikelgröße von 100 µm nicht überschreiten, und der Taupunkt muß unterhalb der minimal möglichen Umgebungstemperatur liegen.

5.3 Fachbetriebe

(1) Der Betreiber ist verpflichtet, mit der Errichtung, Instandhaltung, Instandsetzung oder Reinigung der Überfüllsicherungen nur solche Fachbetriebe zu beauftragen, die über die notwendigen Geräte und Ausrüstungsteile für eine gefahrlose Durchführung der Arbeiten und über das erforderliche Fachpersonal verfügen.

(2) Absatz 1 gilt als erfüllt, wenn ein Fachbetrieb beauftragt wird, der für die entsprechenden Arbeiten seine Qualifikation nachweist (vgl. TRbF 180 Nr. 1.7 und TRbF 280 Nr. 1.7).

6 Prüfungen und Wartungen

6.1 Endprüfung

Nach Abschluß der Montage und bei Wechsel der Lagerflüssigkeiten muß durch einen Sachkundigen des Fachbetriebs bzw. Betreibers eine Prüfung auf ordnungsgemäßen Einbau und einwandfreie Funktion durchgeführt werden.

6.2 Betriebsprüfung

(1) Der Betreiber muß die Funktionsfähigkeit der Überfüllsicherungen in angemessenen Zeitabständen, mindestens aber einmal im Jahr prüfen.

(2) Hat der Betreiber kein sachkundiges Personal, so hat er die Prüfung von einem Fachbetrieb durchführen zu lassen.

(3) Ist eine Beeinträchtigung der Funktion der Überfüllsicherungen durch Korrosion nicht auszuschließen und diese Störung nicht selbstmeldend, so müssen die durch Korrosion gefährdeten Anlageteile in angemessenen Zeitabständen regelmäßig in die Prüfung einbezogen werden.

6.3 Dokumentation

Die Ergebnisse der Prüfungen nach Nr. 6.1 und 6.2 sind aufzuzeichnen und aufzubewahren.

6.4 Wartung

Der Betreiber muß die Überfüllsicherung regelmäßig warten, soweit dies zum Erhalt der Funktionsfähigkeit erforderlich ist. Die diesbezüglichen Empfehlungen der Hersteller sind zu beachten.

ENDE

umwelt-online - Demo-Version


(Stand: 01.04.2021)

Alle vollständigen Texte in der aktuellen Fassung im Jahresabonnement
Nutzungsgebühr: ab 105.- € netto

(derzeit ca. 7200 Titel s.Übersicht - keine Unterteilung in Fachbereiche)

Preise & Bestellung

Die Zugangskennung wird kurzfristig übermittelt

? Fragen ?
Abonnentenzugang/Volltextversion